Расчет фазовращателя

  • Вид работы:
    Контрольная работа
  • Предмет:
    Информатика, ВТ, телекоммуникации
  • Язык:
    Русский
    ,
    Формат файла:
    MS Word
    452,64 Кб
  • Опубликовано:
    2012-11-12
Вы можете узнать стоимость помощи в написании студенческой работы.
Помощь в написании работы, которую точно примут!

Расчет фазовращателя

Введение


Управление фазой сигнала в тракте СВЧ производится с помощью двух- или четырехполюсных устройств с переменными параметрами, изменяющимися под воздействием электрического или магнитного поля. Такие устройства называют фазовращателями (ФВ) и широко применяют в фазированных антенных решетках, радиопередающих и радиоприемных устройствах СВЧ, аппаратуре для физических исследований и контрольно-измерительной аппаратуре различного назначения. Фазовращатели наиболее широко применяются в ФАР РЛС.

Современные ФАР состоят из нескольких тысяч или даже десятков тысяч элементов, каждый из которых содержит фазовращатель. Поэтому характеристики и стоимость РЛС в значительной степени зависят от параметров и стоимости фазовращателей.

1. Анализ технического задания

В настоящее время в основном используются ферритовые и полупроводниковые фазовращатели. Фазовращатели на основе сегнетоэлектриков, электронных пучков и плазмы еще не столь совершенны, и области их применения весьма ограниченны.

К фазовращателям, предназначенным для использования в многоэлементных ФАР, предъявляются многообразные и жесткие требования. Основными среди них являются: минимальное время переключения (изменение фазового состояния) при возможно меньшей мощности управляющего сигнала; достаточная точность установки фазового сдвига, необходимая для выполнения требований к ДН по КНД, УБЛ, точности ориентации главного максимума; электрическая прочность, которая должна быть достаточной для пропускания требуемой импульсной мощности; поперечные габариты ФВ, которые, как правило, не должны превышать 0,5×0,5λ0 с учетом возможности размещения их в полотнах с периодом не более (0,7…0,8) λ0; минимальные потери СВЧ - энергии в полноводных элементах ФВ; система охлаждения, которая должна обеспечивать работу на заданной средней мощности. Снижение потерь СВЧ - мощности и энергии, затрачиваемой на переключение фазы, обеспечивает решение одной из сложнейших проблем в конструировании передающих ФАР - отвода тепла от фазовращающих элементов и стабилизации их температуры.

Применение ферритовых ФВ в большинстве случаев становится целесообразным на частотах 1…2 ГГц и выше. На более низких частотах требуется намагничивать ферритовые элементы до значений, превышающих точку резонанса, что приводит к неизбежности применения весьма мощных и громоздких управляемых магнитных систем.

В настоящее время значительное распространение получили ФВ на полупроводниковых диодных структурах (р-п, p-i-n, n-i-p-i-n). Это обусловлено их малыми массогабаритными показателями, технологической простотой изготовления.

Работа p-i-n-диода основана на изменении активной составляющей сопротивления i-области при положительном смещении, когда через диод протекает ток. При отсутствии положительного напряжения смещения сопротивление диода составляет единицы килоом. При положительном смещении (обычно около 1 В) сопротивление падает до единиц ом и зависит от тока.

Фазовращатели с полупроводниковыми диодами могут быть как проходными (в этом случае их следует рассматривать как четырехполюсники), так и отражательными (двухполюсники).

Выбор того или иного технологического решения производится исходя из технических требований к устройству, с учетом технологических возможностей их реализации.

2. Выбор варианта технической реализации устройства

В соответствие с заданием сразу отметим, что ферритовый фазовращатель не реализуем на микрополосковой линии. Поэтому выберем полупроводниковый тип ФВ с использованием SMD-СВЧ диодов на МПЛ.

При включении полупроводникового диода в линии передачи параллельно или последовательно, происходит некоторая потеря СВЧ - мощности из-за рассогласования в месте включения и поглощения в активной части полупроводника (омические потери).

Изменение фазового сдвига в зависимости от приложенного к полупроводниковому прибору напряжения обеспечивается изменением в основном активного сопротивления, причём у кремниевых диодов скачками и в больших пределах, а у варикапов и сегнетоэлектриков достаточно плавно и в относительно небольших пределах. Последнее обуславливает применение варикапов и сегнетоэлектриков в плавных ФВ, основными недостатками которых являются малая точность установки фазы и значительная инерционность.

На практике наибольшее применение нашли дискретные ФВ (ДФВ), которые обеспечивают ступенчатое изменение фазы проходящей или отражённой волны за счёт изменения электрической длины фазовращателя без изменения её амплитуды. Дискретные ФВ работают более устойчиво и стабильно, так как управление фазой осуществляется не путём изменения напряжения, а его наличием или отсутствием. Как правило, в дискретных ФВ используются полупроводниковые переключательные p-i-n-диоды с двумя областями характеристик: «открыто» и «закрыто».

Преимуществом дискретного ФВ является возможность управления ими с помощью ЭВМ. Именно поэтому число фазовых состояний обычно выбирают равным М = 2Р, где р = 1, 2, 3.;, К - разряды ФВ. Минимально возможное изменение фазы между двумя состояниями называют дискретом Δφ = 2π/М.

Проходной ФВ (ПФВ) - линейный согласованный по входу четырёхполюсник, в котором при изменении управляющего сигнала на переключательных диодах дискретно изменяется фаза проходящей волны. Проходные ФВ должны обеспечивать заданную разность фаз коэффициентов передачи Δφ= |φ2 - φ1| в двух состояниях при условии согласования входов и при минимальном вносимом ослаблении мощности.

Рис. 2.1. Эквивалентная схема ПФВ на переключаемых отрезках линии передачи

Одним из простейших является проходной диодный фазовращатель на переключаемых отрезках линии передачи (рис. 1). Такие ФВ в основном исполняются на микрополосковых линиях передачи. Изменение фазы коэффициента передачи на Δφ=β(/2-/1), где β= 2π/λ - постоянная распространения линии; λ - длина волны в линии, происходит в результате изменения пути прохождения волны по отрезкам /1, или /2 при переключении диодов. Потери в линии мало зависят от дискрета фазы Δφ при использовании диодов с параметром качества К>100 и примерно одинаковы в каждом фазовом состоянии и в целом по ФВ. В конструкциях, выполненных на переключаемых отрезках линии, каналы переключаются по одной цепи управления путём изменения полярности управляющего сигнала. В каждом канале диоды включены согласованно и последовательно как в линию передачи, так и в цепь управления. Использование четырех диодов в одном разряде ФВ вместо двух является основным недостатком этих схем.

Рис. 2.2. Эквивалентная схема ПФВ в виде нагруженной линии

В проходных ФВ, выполненных в виде нагруженной линии передачи (рис. 2), фаза коэффициента прохождения изменяется коммутацией различных включенных в линию параллельных реактивностей. Использование в качестве шунтирующих элементов емкостей или индуктивностей соответственно увеличивает или уменьшает электрическую длину линии. Основными параметрами этой схемы являются шунтирующие проводимости b, волновое сопротивление Z2 между ними и длина /, которые определяются по формулам b=tg (Δφ/2), Z2=cos (Δφ/2), /=λл/4.

Таким образом, микрополосковый дискретный фазовращатель проходного типа, использующий переключаемые нагруженные линии удовлетворяет требованиям технического задания.

3. Электрический расчет устройства

Фазовращатель для φ=2π и Δφ=π/8 схематически можно представить в виде четырех последовательно соединенных блоков, каждый из которых дает сдвиг по фазе, соответственно, на π/8, π/4, π/2 и π.



В конечном итоге, результирующий сдвиг по фазе будет 2π. ФВ на сдвиги π/8, π/4, и π/2 конструктивно выполнены по одной схеме, поэтому рассчитаем ФВ только на Δφ=π/8.

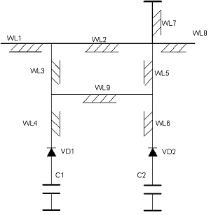
Электрическая принципиальная схема подобного фазовращателя имеет следующий вид (рис. 3.1а) [8]. Микрополосковые линии WL1, WL8 служат входом и выходом устройства. Диоды VD1, VD2 осуществляют переключение нагрузки отрезков линий WL3, WL5. Отрезок линии WL2 обеспечивает необходимый фазовый сдвиг между нагрузками линии WL3, WL5. Конденсаторы С1, С2 обеспечивают нулевой потенциал СВЧ составляющей на анодах диодов (в точках подключения управляющих напряжений диодов). Короткозамкнутый четвертьволновый шлейф WL7 обеспечивает цепь постоянного тока управления диодами.

Моделирование дискретного фазовращателя на схемотехническом уровне может проводиться без учета нелинейных свойств диодов, поскольку они используются в ключевом режиме, при котором могут быть описаны эквивалентными схемами в открытом и закрытом состояниях (рис. 3.1б, в).

а                                                                          б                 в

Рис. 3.1. Электрическая принципиальная схема фазовращателя (а), эквивалентные схемы p-i-n диода в открытом (б) и закрытом (в) состояниях

Бескорпусный СВЧ p-i-n диод в открытом состоянии может быть описан эквивалентной схемой в виде активного сопротивления небольшой величины (3-7 Ом), зависящего от типа диода и тока управления. В закрытом состоянии эквивалентная схема представляет параллельное включение активного обратного сопротивления диода (1- 5 кОм) и емкости p-n перехода (менее 0.1 пФ).

Входная WL1 и выходная WL8 линии имеют волновое сопротивление  Ом.

Волновое сопротивление четвертьволновых отрезков

.

Длина волны в линии

.

Для найденных параметров рассчитаем размеры микрополосковой линии. Для этого воспользуемся модулем программы Microwave Office TXline. Выберем диэлектрическую подложку из материала alumina с диэлектрической проницательностью  и тангенсом угла диэлектрических потерь . Проводник выберем из меди (copper). Результаты расчетов геометрических параметров линии при и  Ом и длины четвертьволновых отрезков приведены на рис. 3.2 и рис. 3.3.

Рис. 3.2. Расчет геометрических параметров МПЛ при Z=50 Ом

Рис. 3.3. Расчет геометрических параметров МПЛ при Z=125 Ом

Вышеописанную схему для фазового сдвига на π использовать не стоит из-за больших потерь при прохождении сигнала (S21 около -40дБ). Обычно, для сдвига фазы на π и более применяют кольцевые линии с четвертьволновым диаметром, но из-за трудностей расчета упростим задачу до расчета квадрата с длиной стороны λ/4. Электрическая схема такого фазовращателя представлена на рисунке 3.4.

Рис. 3.4. Электрическая принципиальная схема фазовращателя на фазовый сдвиг π

Микрополосковые линии WL1, WL8 служат входом и выходом устройства с Ом. Длина WL2=WL3=WL5=WL9=λ/4. Короткозамкнутый четвертьволновый шлейф WL7 должен иметь минимально возможную ширину.

Ширина отрезков WL3, WL5, WL1 и WL8 одинаковы с отрезками ФВ на π/8 и равны 0,98 мм.

Ширина Н WL2 и WL9=

При моделировании открытое сопротивление диода было принято равным 3 Ом, в закрытом состоянии обратное сопротивление было равно 3 кОм, а емкость 0.05 пФ. Электрические принципиальные схемы фазовращателей, выполненные в Microwave Office 2002, для закрытых состояний диодов приведены на рисунках 3.5 и 3.6, для фазовых сдвигов π/8 и π, соответственно, на частоте 2.4ГГц.

4. Разработка конструкции устройства

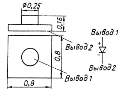
Конструктивно фазовращатель выполнен на МПЛ с диэлектрической подложкой из оксида алюминия Al2O3, толщиной 1 мм, диэлектрической проницательностью  и тангенсом угла диэлектрических потерь . Проводящие дорожки выполнены из меди толщиной 0,01 мм. В качестве диодов использованы 2А544А-5, высота - 0,16 мм, длина 0,8 мм, ширина - 0,8 мм, диаметр - 0,25 мм, емкость перехода - 0,5 пФ, сопротивление пропускания 3000 Ом, сопротивление запирания 3 Ом, критическая частота - 250 ГГц, габариты, которых приведены на рисунке 4.1. Конденсаторы керамические SMD типа 4F03.

Рис. 4.1. Габариты 2А544А-5

Топология проводников платы фазовращателя приведены на рисунках 4.2 и 4.3, для фазовых сдвигов π/8 и π, соответственно.

Рис. 4.2. Топология проводников платы фазовращателя для фазового сдвига π/8

Рис. 4.3. Топология проводников платы фазовращателя для фазового сдвига π

5. Компьютерное моделирование характеристик устройства

Компьютерное моделирование характеристик фазовращателя произведено в программе Microwave Office 2002. При моделировании открытое сопротивление диода было принято равным 3 Ом, в закрытом состоянии обратное сопротивление было равно 3 кОм, а емкость 0.05 пФ.

Результаты моделирования фазовращателя на сдвиг фазы π/8 приведены на рисунке 5.1.

а                                                                                   б

                   в                                                               г

Рис. 5.1. Результаты моделирования дискретного фазовращателя на сдвиг фазы π/8 при закрытых p-i-n диодах (а, б) и открытых диодах (в, г); графики а, в-амплитудные характеристики; б, г - фазовые характеристики

Из результатов моделирования следует, что при переключении состояния диодов фазовый сдвиг проходящей волны изменяется на 22.4680. Коэффициент прохождения волны при этом равен - (0.25-5.71) дБ.

Результаты моделирования фазовращателя на сдвиг фазы π приведены на рисунке 5.2.

Из результатов моделирования следует, что при переключении состояния диодов фазовый сдвиг проходящей волны изменяется на 183.1060. Коэффициент прохождения волны при этом равен - (0.92-1.95) дБ.

                            а                                             б

                            в                                                      г

Рис. 5.2. Результаты моделирования дискретного фазовращателя на сдвиг фазы π при закрытых p-i-n диодах (а, б) и открытых диодах (в, г); графики а, в-амплитудные характеристики; б, г - фазовые характеристики

Данные моделирования позволяют легко оценить влияние не симметрии свойств диодов, а также технологические погрешности изготовления МПЛ. Для этого можно изменить параметры элементов и провести процесс анализа несколько раз.

полупроводниковый фазовращатель моделирование электрический

Заключение

Фазовращатели и широко применяют в фазированных антенных решетках, радиопередающих и радиоприемных устройствах СВЧ, аппаратуре для физических исследований и контрольно-измерительной аппаратуре различного назначения. Фазовращатели наиболее широко применяются в ФАР РЛС. К фазовращателям, предназначенным для использования в многоэлементных ФАР, предъявляются многообразные и жесткие требования. Основными среди них являются: минимальное время переключения (изменение фазового состояния) при возможно меньшей мощности управляющего сигнала; достаточная точность установки фазового сдвига, необходимая для выполнения требований к ДН по КНД, УБЛ, точности ориентации главного максимума; электрическая прочность и др.

Современные ФАР состоят из нескольких тысяч или даже десятков тысяч элементов, каждый из которых содержит фазовращатель. Поэтому характеристики и стоимость РЛС в значительной степени зависят от параметров и стоимости фазовращателей.


Не нашли материал для своей работы?
Поможем написать уникальную работу
Без плагиата!
Без нейросетей!