|
№ варианта
|
Тип проводимости транзистора
|
UВХm, мВ
|
RГ, Ом
|
PН, Вт
|
RН, Ом
|
Iн, мА
|
t°макс,°C
|
fН, Гц
|
fВ, кГц
|
MосН (ωН)
|
MосВ (ωВ)
|
|
64-4
|
p-n-p,p-канал
|
240
|
10
|
0,05
|
1100
|
-
|
+50
|
110
|
30
|
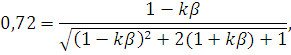
0,72
|
0,72
|
1. Расчетная
часть
1.1 Расчет
коэффициента усиления напряжения усилителя
Определим напряжение нагрузки:
Его амплитудное значение:
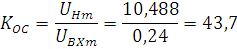
Коэффициент усиления замкнутого усилителя:
Предположим, что число каскадов n=1. Тогда
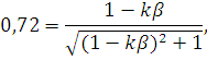
Из этой формулы составим квадратное уравнение и решим его
относительно kβ:
Выберем отрицательный корень kβ=-0,038 и найдем коэффициент усиления разомкнутого усилителя:

Из этой формулы составим квадратное уравнение и решим его
относительно kβ:
Выберем отрицательный корень kβ=-0,481 и находим коэффициент усиления разомкнутого усилителя:
Таким образом, для реализации усилителя достаточно 2
каскадов.
усилитель многокаскадный отрицательная связь
2.
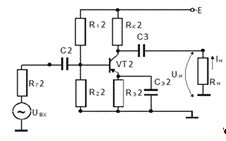
Статический режим работы выходного каскада
.1 Выбор
рабочей точки транзистора
Рис.1. Схема выходного каскада
Выбор рабочей точки в режиме покоя (при отсутствии входного
сигнала) сводится к выбору IKa и UKa, когда RЭ=0.
Ток нагрузки:
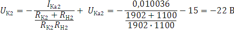
Найдем UKa2:
В случае маломощного транзистора можно принять Umin=1
В, и тогда UKa2=11,488 В.
С целью отсутствия обрезания сигнала на выходе увеличим UKa2
до 15 В.
Найдем IKa2:
Найдем PKa2:
Вычислим напряжение питания:
Округлив к ближайшему значению из ряда напряжений питания,
получим E=36 В. Условия, которым должен удовлетворять транзистор каскада при
заданной tмакс:
Таким образом,
Этим условиям удовлетворяет транзистор BC307A:
Найдем статическую линию нагрузки 
при этом UКЭ2 - отрицательное число.
Найдем сопротивления коллектора и эмиттера. Из уравнения
статической нагрузки:
Возьмем RЭ2=0,1RК2, тогда:
Построим статическую линию нагрузки.
При 
При 
Построим динамическую линию нагрузки через Uк2 и
рабочую точку.
Чтобы выполнить условие, включим в схему эмиттерный повторитель.
Рис.2. Схема выходного каскада с эмиттерным повторителем.
b = ΔIК/ΔIБ - дифференциальный коэффициент передачи тока базы, ΔIК и ΔIБ определяются по выходной характеристике
транзистора.
Сопротивление эмиттерного повторителя:
Динамическая линия нагрузки строится через U'К2 и
рабочую точку.
Рис.3. Расчет статической и динамической нагрузки
Рис.4. Расчет статической и динамической нагрузки с эмиттерным
повторителем.
2.2 Расчет
элементов фиксации рабочей точки
Фиксация рабочей точки осуществляется сопротивлениями R12
и R22.
По выходным характеристикам транзистора находится IБа2=53,33
мкА.
По входным характеристикам транзистора находится UБЭа2=698
мВ.
Найдем 
и 
Для транзистора BC307 A:
0=25
єCIК0 (t0) =0,1мкАA=2,5
Коэффициент нестабильности:
Сопротивление R22:
Ток эмиттера:
Ток делителя:
Рис.5. Входная характеристика транзистора.
Проверяем выполнение условия: 
Условие выполняется.
Сопротивление R12:
Определим по входной ВАХ:
Входное сопротивление каскада:
2.3 Расчет
емкостных элементов
Емкостные элементы рассчитываются по формулам:
2.4 Расчет
значения коэффициента усиления
Для определения коэффициента усиления выходного каскада
необходимо знать сопротивление генератора, равное сопротивлению коллектора
входного каскада. Значение RК1 находится итерационно. Сначала оно
принимается равным RГ из задания, находится К2,
производятся вычисления в пункте 3.1, из которого находится RК1.
Принятое и полученное значения RК1 будут отличаться. Поэтому
принимается новое значение RК1, равное их среднему арифметическому,
и вычисления повторяются, до тех пор пока значения RК1 в пунктах 2.4
и 3.1 не сравняются. В следующей формуле приведено уже найденное описанным
способом значение RК1:
3.
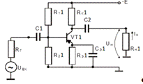
Статический режим работы входного каскада
3.1 Выбор
рабочей точки транзистора
Рис.6. Схема входного каскада
Напряжение, сопротивление и ток нагрузки:

,

,

.
Найдем UKa1:
В случае маломощного транзистора можно принять Umin=1
В, и тогда UKa1=1,255 В.
Найдем IKa1:
Найдем PKa1:
Вычислим напряжение питания:
Округлив к ближайшему значению из ряда напряжений питания, получим
E=5 В.
Условия, которым должен удовлетворять транзистор каскада при
заданной tмакс:
Таким образом,
Этим условиям удовлетворяет транзистор BC307A:
Найдем статическую линию нагрузки 
при этом UКЭ2 - отрицательное число.
Найдем сопротивления коллектора и эмиттера. Из уравнения
статической нагрузки:
Возьмем RЭ1=0,3RК1, тогда:
Построим статическую линию нагрузки.
При 
Построим динамическую линию нагрузки через Uк1 и
рабочую точку.
Чтобы выполнить условие, включим в схему эмиттерный повторитель.
b = ΔIК/ΔIБ - дифференциальный коэффициент передачи тока базы, ΔIК и ΔIБ определяются по выходной характеристике
транзистора.
Сопротивление эмиттерного повторителя:
Динамическая линия нагрузки строится через U'К1 и
рабочую точку.
Рис.7. Расчет статической и динамической нагрузки
Рис.8. Расчет статической и динамической нагрузки с эмиттерным
повторителем.
3.2 Расчет
элементов фиксации рабочей точки
Фиксация рабочей точки осуществляется сопротивлениями R11
и R21.
По выходным характеристикам транзистора находится IБа1=4,06
мкА.
По входным характеристикам транзистора находится UБЭа1=613,33
мВ.
Для определения R21 используется его связь с
коэффициентом нестабильности:
Найдем 
и 
Для транзистора BC307 A:
0=25
єCIК0 (t0) =0,1мкАA=2,5
Коэффициент нестабильности:
Сопротивление R22:
Ток эмиттера:
Ток делителя:
Рис.9. Входная характеристика транзистора
Проверяем выполнение условия: 
Условие выполняется.
Сопротивление R11:
Определим по входной ВАХ:
Входное сопротивление каскада:
3.3 Расчет
емкостных элементов
Емкостные элементы рассчитываются по формулам:
3.4 Расчет
значения коэффициента усиления
Коэффициент усиления входного каскада:
4. Расчет
реально достигнутого в схеме значения коэффициента усиления разомкнутого
усилителя в области средних частот
,
. Реально развиваемый коэффициент усиления
напряжения:
Проверка неравенства:
Расчет схемы усилителя закончен.
Найдем реально развиваемый коэффициент усиления напряжения
усилителя с ООС:
5. Расчет
элементов цепи ООС

6. Построение
частотной характеристики MОС (ω)
Для усилителя на 2 каскадах с последовательной ООС по
напряжению
где для 

, а для 

.
Рис. 10. Частотная характеристика МОС (ω)
Моделирование
Моделирование выполняется с помощью пакета схемотехнического
моделирования MicroCap 9. В результате моделирования необходимо получить
переходные и частотные характеристики как отдельных каскадов усилителя, так и
всей структуры в целом. Целью моделирования является установление корректности
расчета и степени соответствия расчетных параметров требованиям технического
задания. В ходе моделирования значения всех сопротивлений и емкостей
округляются до ближайших значений из ряда Е24.
7.
Моделирование выходного каскада
Схема каскада представлена на рис.11. Для каскада взято
входное напряжение, обеспечивающее заданное UНm на выходе с целью
проверки стабильности каскада.
Рис.11. Схема выходного каскада.
Переходные характеристики каскада представлены на рис.12.
Частотные характеристики каскада представлены на рис.13.
Рис.12. Переходные характеристики выходного каскада.
Рис.13. Частотные характеристики выходного каскада.
.
Моделирование входного каскада
Схема каскада представлена на рис.14. Для каскада взято такое
же входное напряжение, как и для усилителя без ООС.
Рис.14. Схема входного каскада.
Переходные характеристики каскада представлены на рис.15.
Частотные характеристики каскада представлены на рис.16.
Рис.15. Переходные характеристики каскада.
Рис.16. Частотные характеристики каскада.
.
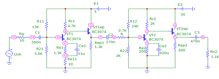
Моделирование усилителя без ООС
Схема усилителя представлена на рис.17. Для усилителя взято
входное напряжение, обеспечивающее заданное UНm на выходе. Для лучшей
сходимости рассчитанного и реального коэффициента усиления был введен
дополнительный резистор R.
Рис.17. Схема усилителя без ООС.
Переходные характеристики усилителя представлены на рис.18.
Частотные характеристики усилителя представлены на рис. 19.
Рис.18. Переходные характеристики усилителя без ООС.
Рис. 19. Частотные характеристики усилителя без ООС
10.
Моделирование усилителя с ООС
Схема усилителя представлена на рис. 20. Для усилителя взято
входное напряжение, обеспечивающее заданное UНm на выходе. Чтобы
"сгладить" АЧХ в области частот 100 Гц - 1кГц, значение емкости C3
было увеличено до 27 мкФ. Для лучшей сходимости рассчитанного и реального
коэффициента усиления был введен дополнительный резистор R.
Рис. 20. Схема усилителя с ООС.
Переходные характеристики усилителя представлены на рис.21.
Частотные характеристики усилителя представлены на рис.22.
Рис.21. Переходные характеристики усилителя с ООС.
Рис.22. Частотные характеристики усилителя с ООС.
11.
Результаты моделирования
Таблица 2
|
Схема
|
Расчетный коэффициент усиления
|
Смоделированный коэффициент усиления
|
Амплитуда входного сигнала
|
Амплитуда выходного сигнала
|
|
Выходной каскад
|
-41,15
|
-35,53
|
0,3 В
|
10,66 В
|
|
Входной каскад
|
-121,88
|
-92,48
|
2,1 мВ
|
194, 208 мВ
|
|
Усилитель без ООС
|
5015
|
5010
|
10,522 В
|
|
Усилитель с ООС
|
3386
|
3332
|
3,2 мВ
|
10,661 В
|
Полученное расхождение расчета с моделированием объясняется
приближенным характером расчета, при котором учитывались не все параметры
транзистора, а также округлением значений сопротивлений и емкостей до
соответствия ряду Е24.
12. Перечень
элементов
Таблица 3
|
Обозначение
|
Наименование
|
Количество
|
Примечание
|
|
VT1
|
Транзистор BC307A
|
1
|
|
|
VT1ep
|
Транзистор BC307A
|
1
|
|
|
VT2
|
Транзистор BC307A
|
1
|
|
|
VT2ep
|
Транзистор BC307A
|
1
|
|
|
Uvh
|
Генератор входного сигнала
|
1
|
|
|
E1
|
Генератор напряжения питания (5 В)
|
1
|
|
|
E2
|
Генератор напряжения питания (36 В)
|
1
|
|
|
Резисторы
|
|
Rg
|
10 Ом
|
1
|
|
|
R11
|
13 кОм
|
1
|
|
|
R21
|
5,6 кОм
|
1
|
|
|
Rс1
|
4,7 кОм
|
1
|
|
|
Re1
|
1,3 кОм
|
1
|
|
|
Rep1
|
1,3 кОм
|
1
|
|
|
Re11
|
10 Ом
|
1
|
|
|
R12
|
24 кОм
|
1
|
|
|
R22
|
2 кОм
|
1
|
|
|
Rc2
|
2 кОм
|
1
|
|
|
Re2
|
200 Ом
|
1
|
|
|
Rep
|
200 Ом
|
1
|
1,1 кОм
|
1
|
|
|
Rn1
|
560 кОм
|
1
|
|
|
Roc
|
100 кОм
|
1
|
|
|
R
|
2,7 кОм
|
1
|
|
|
Конденсаторы
|
|
С1
|
560 нФ
|
1
|
|
|
Сe1
|
51 мкФ
|
1
|
|
|
С2
|
270 нФ
|
1
|
|
|
Сe2
|
620 мФ
|
1
|
|
|
С3
|
470 нФ
|
1
|
|
Заключение
В результате выполнения курсовой работы были приобретены
навыки расчетов и изучены методы проектирования и разработки усилителей. Также
было изучено практическое применение ЭВМ для моделирования электронных
устройств. В результате курсового проектирования было разработан и смоделирован
двухкаскадный усилитель с отрицательной обратной связью.