Проектирование и монтаж оборудования и сетей системы электроснабжения завода
Cодержание
Введение
.
Общая часть дипломного проекта
.
Систематизация и расчет электрических нагрузок цеха
.
Выбор схемы питающей и распределительной сети
.
Расчет распределительной и питающей сетей
.1
Расчет и выбор магистрального шинопровода
.2
Расчет и выбор распределительных шинопроводов
.3
Расчет и выбор силовых распределительных шкафов
.4
Выбор ответвлений от ШМА к ШРА
.5
Расчет сечения проводов, плавких вставок предохранителей
.6
Расчет крановых троллеев
.
Расчёт электрических нагрузок высокого и низкого напряжения завода
.1
Определение расчётных нагрузок цехов предприятия
.2
Компенсация реактивной мощности
.3
Выбор типа и мощности компенсирующих устройств
.4
Выбор числа и мощности трансформаторов цеховых подстанций
.5
Определение центра нагрузки
.6
Выбор числа и мощности трансформаторов ГПП
.7
Технико-экономическое сравнение вариантов электроснабжения
.
Расчет токов короткого замыкания
.1
Общие сведения о коротких замыканиях
.2
Цель расчета токов КЗ
.3
Составление расчетной схемы
.4
Составление схемы замещения
.5
Расчет токов КЗ в точке К-1
.6
Расчет токов КЗ в точке К-2
.
Выбор коммутационного оборудования пс «Цементный завод»
.1
Выбор выключателей
.2
Выбор разъединителя в цепи линии
.3
Выбор трансформатора тока на напряжение 35 кВ
.4
Выбор трансформатора тока на напряжение 6 кВ
.5
Выбор трансформатора напряжения на 35 кВ
.6
Выбор трансформатора напряжения на 6 кВ
.7
Выбор ограничителей перенапряжения
.8
Выбор сборных шин
.9
Выбор схемы распределения энергии по заводу
.10
Выбор сечения кабельных линий распределительной сети
.
Проверка электрической сети с учетом присоединения ГПП «Цементного завода»
.1
Ведомость потребителей электроэнергии
.2
Расчет электрических нагрузок сети
.3
Выбор сечения провода ВЛ пс «В» - ГПП
.4
Выявление перегруженных линий существующей сети
.5
Проверка выбранных и существующих трансформаторов
.6
Определение основных параметров схемы замещения электрической сети
.
Расчет на ЭВМ режимов электрической сети
.1
Расчет на ЭВМ максимального режима сети
.2
Расчеты на ЭВМ минимального и послеаварийного режимов электрической сети
.
Регулирование напряжения на ГПП «Цементного завода»
.
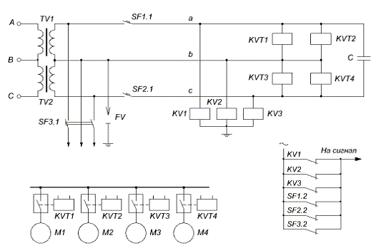
Автоматика, измерения и учет в системе электроснабжения
.1
Учет электроэнергии для цементного завода
.2
Собственные нужды и автоматика подстанции
.
Специальная часть дипломного проекта
.1
Виды повреждений и ненормальных режимов работы электродвигателей и требования к
их защитам
.2
Защита электродвигателей напряжением 6 кВ
.3
Расчет самозапуска электродвигателей
.4
Полная схема защиты электродвигателей 6 кВ
.
Безопасность жизнедеятельности
.1
Идентификация и оценка негативных производственных факторов
.2
Технические и организационные меры по снижению негативных факторов
.3
Пожарная безопасность в электроустановках
.4
Расчет заземляющего устройства
.
Организационно-экономическая часть
.1
Укрупненный расчет сметной стоимости на приобретение и монтаж оборудования и
сетей системы электроснабжения завода
.2
Расчёт численности, основной и дополнительной заработной платы ремонтного и
эксплуатационного персонала
.3
Расчёт сметы годовых затрат на содержание оборудования и сетей схемы
электроснабжения завода
Заключение
Список
используемой литературы
электрооборудование нагрузка
трансформатор сеть
Введение
Основные задачи, решаемые при проектировании
систем электроснабжения, заключаются в оптимизации параметров этих систем путём
правильного выбора напряжений, определении электрических нагрузок, высоких
требований к бесперебойности электроснабжения, рационального выбора числа и
мощности трансформаторов, конструкций промышленных сетей, средств регулирования
напряжения, средств симметрирования нагрузки, подавлении высших гармонических
составляющих в сетях путём правильного построения схемы электроснабжения,
соответствующей оптимальному уровню надёжности.
Первое место по количеству потребляемой
электроэнергии принадлежит промышленности, на долю которой приходится более 60%
вырабатываемой в стране энергии. С помощью электрической энергии приводятся в
движение миллионы станков и механизмов, освещение помещений, осуществляется автоматическое
управление технологическими процессами и др. Существуют технологии, где
электроэнергия является единственным энергоносителем.
В связи с ускорением научно-технологического
прогресса потребление электроэнергии в промышленности значительно увеличилось
благодаря созданию гибких автоматизированных производств.
Энергетической программой предусмотрено создание
мощных территориально-производственных комплексов (ТПК) в тех регионах, где
сосредоточены крупные запасы минеральных и водных ресурсов. Такие комплексы
добывают, перерабатывают, транспортируют энергоресурсы, используя в своей
деятельности различные электроустановки по производству, передаче и
распределению электрической и тепловой энергии.
Энергетической программой России
предусматривается дальнейшее развитие энергосберегающей политики. Экономия
энергетических ресурсов должна осуществляться путем перехода на
энергосберегающие технологии производства; совершенствования энергетического
оборудования; реконструкции устаревшего оборудования; сокращения всех видов
энергетических потерь и повышения уровня использования вторичных ресурсов;
улучшения структуры производства, преобразования и использования энергетических
ресурсов.
Современная энергетика характеризуется
нарастающей централизацией производства и распределения электроэнергии.
Энергетические системы образуют несколько крупных энергообъединений.
Энергетическая политика РФ предусматривает
дальнейшее развитие энергосберегающей программы. Экономия энергетических
ресурсов должна осуществляться путем: перехода на энергосберегающие технологии
производства; совершенствование энергетического оборудования, реконструкция
устаревшего оборудования; сокращение всех видов энергетических потерь и
повышение уровня использования вторичных энергетических ресурсов. Предусматривается
также замещение органического топлива другими энергоносителями, в первую
очередь ядерной и гидравлической энергией.
Перед энергетикой в ближайшем будущем стоит
задача всемерного развития и использования возобновляемых источников энергии: солнечной,
геотермальной, ветровой, приливной и др. Развития комбинированного производства
электроэнергии и теплоты для централизованного теплоснабжения промышленных
городов.
Краткая характеристика энергосистемы России
ОАО РАО "ЕЭС России" было создано в 1992
году. До 2008 года холдинг владел 72% установленной мощности всех
электростанций России и 96% протяженности всех линий электропередачи.
Энергокомпании холдинга обеспечивали около 70% выработки электроэнергии и треть
производства тепла в стране.
В 2000 году началась подготовка структурной
реформы электроэнергетики России, целью которой было вхождение частных
собственников в конкурентные секторы электроэнергетики и осуществление
государственного контроля над естественно-монопольной инфраструктурой.
В 2003 году был принят соответствующий пакет
федеральных законов: региональные АО-энерго были разделены на генерирующие,
распределительные, сбытовые и сервисные, позже - объединены в рамках
межрегиональных компаний - ОГК, ТГК, МРСК; энергосбытовые компании стали
самостоятельно работать в каждом регионе. В результате реформы появились такие
инфраструктурные организации как Федеральная сетевая компания, ЕНЭС и Системный
оператор, осуществляющий диспетчерское управление ЕЭС России.
В 2006-2007 гг. началась продажа акций
генерирующих компаний холдинга. К концу 2007 года объем частных инвестиций в
отрасль превысил 600 млрд. рублей.
Реорганизация ОАО "РАО "ЕЭС
России" была проведена в два этапа. Первый этап, в ходе которого из
холдинга выделены ОАО "ОГК-5" и ОАО "ТГК-5", завершился 3
сентября 2007 года. Доля Российской Федерации в уставном капитале ОАО
"ОГК-5" по завершении первого этапа реорганизации составила 26,43%, в
капитале ОАО "ТГК-5" - 25,09%. Второй этап, в ходе которого
завершились структурные преобразования активов энергохолдинга, произошло
обособление от ОАО РАО "ЕЭС России" всех компаний целевой структуры
отрасли (ФСК, ОГК, ТГК и др.), завершился 1 июля 2008 года. Согласно
специальным поправкам к Федеральному закону "Об электроэнергетике", 1
июля 2008 года РАО "ЕЭС России" прекратило свое существование в
качестве юридического лица.
Пятилетняя инвестиционная программа
энергокомпаний, входящих в холдинг РАО "ЕЭС России" на 2006-2010 гг.
предусматривает строительство новых генерирующих мощностей - 29 тыс. МВт и
около 70 тыс. км высоковольтных линий электропередачи. Общий объем необходимых
для реализации этой программы средств составляет 3,4 трлн. рублей, значительную
часть которых составят средства частных инвесторов.
Краткая характеристика энергосистемы Дагестана
ОАО «Дагэнерго», управляемая ОАО «МРСК Северного
Кавказа», занимается электроснабжением Дагестана. В 2005 г. в жизни
дагестанской энергосистемы начался новый этап. В соответствии с программой
реформирования электроэнергетики России и на основании решения собрания
акционеров Общества из ОАО "Дагэнерго" выделено пять компаний по
видам деятельности: ОАО "Управляющая компания Дагэнерго", ОАО
"Дагестанская тепловая генерирующая компания", ОАО "Дагестанская
региональная генерирующая компания", ОАО "Дагестанская энергосбытовая
компания", ОАО "Дагестанские магистральные сети" .ОАО
"Дагэнерго" после выделения указанных компаний трансформировалась в
распределительную сетевую компанию, основными задачами которой являются
транспортировка электроэнергии по распределительным сетям и присоединение
потребителей к электросетевой инфраструктуре, надежное электроснабжение
потребителей.
В настоящее время в состав филиала « Дагэнерго»
входят пять производственных участков электрических сетей (ПУЭС) : ПУ
Центральных электрических сетей, ПУ Дербентских электрических сетей, ПУ
Северных электрических сетей, ПУ Гергебельских электрических сетей, ПУ
Затеречных электрических сетей; 35 районных электрических сетей (РЭС), в том
числе 31 РЭС, обслуживающих электрические сети сельскохозяйственного назначения
и четыре РЭС - городские электрические сети городов Буйнакска, Дербента,
Хасавюрта, Избербаша.
1. Общая часть дипломного проекта
Технологический процесс и электрооборудование
цементного завода
На цементном заводе, работающем по мокрому
способу, в качестве сырьевых материалов для производства портландцементного
клинкера используют мягкий глинистый и твердый известняковый компоненты.
Технологическая схема производства цемента выглядит следующим образом:
Начальной технологической операцией получения
клинкера является измельчение сырьевых материалов. Необходимость тонкого
измельчения сырьевых материалов определяется тем, что однородный по составу
клинкер можно получить лишь из хорошо перемешанной сырьевой смеси, состоящей из
мельчайших частичек ее компонентов.
Куски исходных сырьевых материалов нередко имеют
размеры до 1200 мм. Получить из таких кусков материал в виде мельчайших зерен
можно только за несколько приемов. Вначале куски подвергаются грубому
измельчению, дроблению, а затем тонкому помолу. Для грубого измельчения
материалов применяют различные дробилки, а тонкое измельчение в зависимости от
свойств исходных материалов производят в мельницах или в болтушках в
присутствии большого количества воды.
При использовании в качестве известкового
компонента мела, его измельчают в болтушках. Если применяют твердый глинистый
компонент, то после дробления его направляют в мельницу. Из болтушки глиняный
шлам перекачивают в мельницу, где измельчается известняк. Совместное измельчение
двух компонентов позволяет получать более однородный по составу сырьевой шлам.
В сырьевую мельницу известняк и глиняный шлам
подают в определенном соотношении, соответствующем требуемому химическому
составу клинкера. Однако даже при самой тщательной дозировке исходных
материалов не удается получить из мельницы шлам необходимого химического
состава из-за колебаний химического состава сырья одного и того же
месторождения. Чтобы получить шлам заданного химического состава, его
корректируют в бассейнах. Для этого в одной или нескольких мельницах
приготовляют шлам с заведомо низким или высоким содержанием CаCO3 (называемым
титром) и этот шлам в определенной пропорции добавляют в корректирующий
шламовый бассейн. Приготовленный таким образом шлам, представляющий собой
сметанообразную массу с содержанием воды до 35-45%, насосами подают в расходный
бачок, откуда равномерно сливают в печь.
Для обжига клинкера используются вращающиеся
печи. Они представляют собой стальной барабан длиной 185 м и диаметром 5 м, футерованный
внутри огнеупорным кирпичом; производительность таких печей достигает 1000-2000
т клинкера в сутки. Привод печи двухсторонний. Он состоит из двух синхронно
связанных электродвигателей на напряжение 6 кВ, двух редукторов, двух
подвенцовых шестерен и одной венцовой шестерни. Изменяют скорость вращения
печи, регулируя число оборотов электродвигателя. Барабан печи устанавливают с
уклоном 3,5 %, шлам подают с поднятой стороны печи (холодного конца), а топливо
в виде газа или угольной пыли вдувают в печь с противоположной стороны
(горячего конца). В результате вращения наклонного барабана находящиеся в нем
материалы продвигаются по печи в сторону ее горячего конца. В области горения
топлива развивается наиболее высокая температура: материала - до 15000 С, газов
- до 17000 С, и завершаются химические реакции, приводящие к образованию
клинкера. Дымовые газы движутся вдоль барабана печи навстречу обжигаемому
материалу. Встречая на пути холодные материалы, дымовые газы подогревают их, а
сами охлаждаются. В результате, начиная от зоны обжига, температура газа вдоль
печи снижается с 1700 до 150-200 0С.
Из печи клинкер поступает в холодильник, где
охлаждается движущимся навстречу ему холодным воздухом. Охлажденный клинкер
отправляют на склад. В ряде случаев клинкер из холодильника направляют
непосредственно на помол в цементные мельницы.
Перед помолом клинкер дробят до зерен размером
8-10 мм, чтобы облегчить работу мельниц. Измельчение клинкера производится
совместно с гипсом, гидравлическими и другими добавками. Совместный помол
обеспечивает тщательное перемешивание всех материалов, а высокая однородность
цемента является одной из важных гарантий его качества. Гидравлические добавки,
будучи материалами сильно пористыми, имеют, как правило, высокую влажность (до
20-30% и более). Поэтому перед помолом их высушивают до влажности примерно 1%,
предварительно раздробив до зерен крупностью 8-10 мм. Гипс только дробят, так
как его вводят в незначительном количестве и содержащаяся в нем влага легко
испаряется за счет тепла, выделяющегося в мельнице в результате соударений и
истирания мелющих тел друг с другом и с размалываемым материалом.
Из мельницы цемент транспортируют на склад
силосного типа, оборудованный механическим (элеваторы, винтовые конвейеры) и
пневматическим (пневматические насосы, аэрожелоба) транспортом.
Для обеспыливания отходящих газов,
аспирационного воздуха и других источников пылевыделения на цементном заводе
устанавливаются циклоны, рукавные и электрические фильтры.
Отгружают цемент потребителю либо в таре - в
многослойных бумажных мешках по 50 кг, либо навалом в контейнерах,
автомобильных или железнодорожных цементовозах.
Краткая характеристика предприятия
Завод принадлежит к отрасли производства
строительных материалов. Размеры завода 450х300 метров. Общая площадь завода -
135000 м2. Время использования максимума нагрузки 4800 часов. Завод работает в
две смены. Грунт в районе завода - глина с температурой +20 0C.
Напряжение распределительной сети завода 6 кВ.
Имеется 10 цехов: 1) механический цех; 2) цех
отжига цемента; 3) цех размолки клинкера; 4) участок сушки клинкера; 5)
приёмная цементного клинкера; 6) компрессорная; 7) цех утилизации пепла; 8)
очистка воздуха; 9) административное здание; 10) погрузочные склады.
В механическом цехе установлены 42 ЭП. В
зависимости от типа ЭП, у каждого из них свой коэффициент использования и
мощность.
По требованиям к надёжности электроснабжения
потребителей на заводе имеются все 3 категории:
К 1 категории относятся потребители цеха очистки
воздуха;
К потребителям 3 категории относятся
административное здание и погрузочные склады;
Оборудование остальных цехов относится ко 2
категории.
. Систематизация и расчет электрических нагрузок
цеха
Краткая характеристика механического цеха
Механический цех предназначен для ремонта и
настройки электромеханических приборов, выбывающих из строя. В нем установлено
необходимое оборудование: токарные, строгальные, фрезерные, сверлильные станки
и др. В цехе предусмотрены помещения для вентиляторной, инструментальной,
складов, сварочных постов и пр.
Механический цех получает электроснабжение от
главной понизительной подстанции (ГПП).
Количество рабочих смен - 2. Потребители цеха
имеют 2 и 3 категорию надежности ЭСН. Размеры цеха - 40 х 20 м.
2. Систематизация и расчет электрических
нагрузок цеха
В цехе установлено следующее оборудование:
Таблица 2.1
|
№
|
Наименование
|
Кол-во
|
Рн,
кВт
|
Позиция
|
|
1
|
Шлифовальные
станки
|
2
|
21,4
|
1
|
|
2
|
|
|
21,4
|
1
|
|
3
|
Заточные
станки
|
5
|
6,2
|
3
|
|
4
|
|
|
6,2
|
3
|
|
5
|
|
|
6,2
|
3
|
|
6
|
|
|
6,2
|
3
|
|
7
|
|
|
6,2
|
3
|
|
8
|
Сверлильные
станки
|
3
|
4,4
|
4
|
|
9
|
|
|
4,4
|
4
|
|
10
|
|
|
4,4
|
4
|
|
11
|
Токарные
станки
|
3
|
8,5
|
5
|
|
12
|
|
|
8,5
|
5
|
|
13
|
|
|
8,5
|
5
|
|
14
|
Шлифовальные
станки
|
3
|
20,2
|
8
|
|
15
|
|
|
20,2
|
8
|
|
16
|
|
|
20,2
|
8
|
|
17
|
Станки
агрегатные
|
2
|
14,3
|
2
|
|
18
|
|
|
14,3
|
2
|
|
19
|
Фрезерные
станки
|
5
|
5,5
|
6
|
|
20
|
|
|
5,5
|
6
|
|
21
|
|
|
5,5
|
6
|
|
22
|
|
|
5,5
|
6
|
|
23
|
|
|
5,5
|
6
|
|
24
|
Токарные
станки
|
3
|
12,6
|
7
|
|
25
|
|
|
12,6
|
7
|
|
26
|
|
|
12,6
|
7
|
|
27
|
Сварочные
трансформаторы
|
5
|
6,2
|
10
|
|
28
|
|
|
6,2
|
10
|
|
29
|
|
|
6,2
|
10
|
|
30
|
|
|
6,2
|
10
|
|
31
|
|
|
6,2
|
10
|
|
32
|
Вентиляторы
приточные
|
3
|
14
|
11
|
|
33
|
|
|
14
|
11
|
|
34
|
|
|
14
|
11
|
|
35
|
Вентиляторы
вытяжные
|
4
|
20
|
12
|
|
36
|
|
|
20
|
12
|
|
37
|
|
|
20
|
12
|
|
38
|
|
|
20
|
12
|
|
39
|
Токарные
станки
|
3
|
16,8
|
9
|
|
40
|
|
|
16,8
|
9
|
|
41
|
|
|
16,8
|
9
|
|
42
|
Мостовой
кран
|
1
|
40,2
|
13
|
Расчет силовых электрических нагрузок цеха
Указываем на плане расположения ЭП механического
цеха места расположения РП и ШРА, а также указываем подключение потребителей
цеха на РП и ШРА.
Зная название и мощность электроприемника, по
справочнику находим коэффициент использования Kи и cosφ
и
заносим в таблицу 2.2.
Таблица 2.2
|
№
ЭП
|
Наименование
ЭП
|
Pн,
кВт
|
сosφ Kи
|
|
|
ШРА
1
|
|
1
|
Шлифовальные
станки
|
21,4
|
0,4
|
0,14
|
|
2
|
|
21,4
|
0,4
|
0,14
|
|
3
|
Заточные
станки
|
6,2
|
0,65
|
0,17
|
|
4
|
|
6,2
|
0,65
|
0,17
|
|
5
|
|
6,2
|
0,65
|
0,17
|
|
6
|
|
6,2
|
0,65
|
0,17
|
|
7
|
|
6,2
|
0,65
|
0,17
|
|
8
|
Сверлильные
станки
|
4,4
|
0,6
|
0,14
|
|
9
|
|
4,4
|
0,6
|
0,14
|
|
10
|
|
4,4
|
0,6
|
0,14
|
|
11
|
Токарные
станки
|
8,5
|
0,6
|
0,14
|
|
12
|
|
8,5
|
0,6
|
0,14
|
|
13
|
|
8,5
|
0,6
|
0,14
|
|
17
|
Станки
агрегатные
|
14,3
|
0,65
|
0,25
|
|
18
|
|
14,3
|
0,65
|
0,25
|
|
39
|
16,8
|
0,65
|
0,14
|
|
40
|
|
16,8
|
0,65
|
0,14
|
|
ШРА
2
|
|
14
|
Шлифовальные
станки
|
20,2
|
0,4
|
0,14
|
|
15
|
|
20,2
|
0,4
|
0,14
|
|
16
|
|
20,2
|
0,4
|
0,14
|
|
19
|
Фрезерные
станки
|
5,5
|
0,65
|
0,17
|
|
20
|
|
5,5
|
0,65
|
0,17
|
|
21
|
|
5,5
|
0,65
|
0,17
|
|
22
|
|
5,5
|
0,65
|
0,17
|
|
23
|
|
5,5
|
0,65
|
0,17
|
|
24
|
Токарные
станки
|
12,6
|
0,65
|
0,14
|
|
25
|
|
12,6
|
0,65
|
0,14
|
|
26
|
|
12,6
|
0,65
|
0,14
|
|
41
|
|
16,8
|
0,65
|
0,14
|
|
42
|
Мостовой
кран
|
40,2
|
0,5
|
0,1
|
|
РП
1
|
|
27
|
Сварочные
трансформаторы
|
6,2
|
0,35
|
0,3
|
|
28
|
|
6,2
|
0,35
|
0,3
|
|
29
|
|
6,2
|
0,35
|
0,3
|
|
30
|
|
6,2
|
0,35
|
0,3
|
|
31
|
|
6,2
|
0,35
|
0,3
|
|
РП
2
|
|
32
|
Вентиляторы
приточные
|
14
|
0,8
|
0,65
|
|
33
|
|
14
|
0,8
|
0,65
|
|
34
|
|
14
|
0,8
|
0,65
|
|
РП
3
|
|
35
|
Вентиляторы
вытяжные
|
20
|
0,8
|
0,65
|
|
36
|
|
20
|
0,8
|
0,65
|
|
37
|
|
20
|
0,8
|
0,65
|
|
38
|
|
20
|
0,8
|
0,65
|
Вычисляем полную и реактивную мощности для
каждого ЭП по следующим формулам:
Sн =
; Sн1=21,4/0,4=53,5 кВАн = 
; Qн1= 
=49 кВар
Определяем суммарную мощность ЭП
питающихся от ШРА-1
уст=
=174,7 кВт
Определяем потребляемую ЭП активную
и реактивную мощность за смену
рсм = Pн· Kи ; pсм1 = 21,4· 0,14 ≈
3 кВтсм= qн· Kи ; qсм1 = 49· 0,14 = 6,9 кВар
Определяем суммарную сменную
мощность ШРА-1см = ∑ pсм = 28,53 кВт; Qсм = ∑qсм
= 41 кВар
Определяем цеховой коэффициент по
формуле и =
; Kи =
28,53/174,7 = 0,16
Определяем эффективное число ЭП в
группе
э=
=
= 13
Зная эффективное число ЭП nЭ и
коэффициент использования Kи, по справочнику определяем коэффициент максимума
KM = 1,96.
Определяем значение Ррасч для группы
ЭП
расч=Kм· Pсм = 1,96· 28,53 = 55,93
кВт
Определение реактивной расчетной
мощности по формуле так как nЭ в ШРА равно 13.расч=1,1· QСМ при условии (nЭ≤
10); Qр=QСМ
при условии (nЭ ≥10); р =41 кВар.
Определяем полную расчетную мощность
по формуле
Sр=
; Sр=
= 69,3 кВА.
Для остальных РП-1, РП-2, РП-3,
ШРА-2 расчет проведём аналогично расчету ШРА-1, результаты занесены в Таблицу
2.3.
Определим осветительную нагрузку
цеха.
Для этого определяем площадь цеха:
м2 ; Pосв= ρ
осв· S
где:
осв - коэффициент освещения
(15Вт/м2);
осв= 15· 800 = 12 кВт.
Определим максимальную активную
мощность механического цехамакс = Pр + Pосв = 244,9 + 12 = 256,9 кВт.
Таблица 2.3
|
№ЭП
|
n
|
Pном
ЭП в группе
|
Суммарная
Pном ЭП
|
Ки
|
Pсм
|
nэ
|
Kм
|
Pр
|
Qр
|
Sр
|
|
ШРА-1
|
|
1,
2
|
2
|
21,4
|
174,7
|
0,16
|
28,53
|
13
|
1,96
|
55,9
|
41
|
69,3
|
|
3,
4, 5, 6, 7
|
5
|
6,2
|
|
|
|
|
|
|
|
|
|
8,
9, 10
|
3
|
4,4
|
|
|
|
|
|
|
|
|
|
11,
12, 13
|
3
|
8,5
|
|
|
|
|
|
|
|
|
|
17,
18
|
2
|
14,3
|
|
|
|
|
|
|
|
|
|
39,
40
|
2
|
16,8
|
|
|
|
|
|
|
|
|
|
ШРА-2
|
|
14,
15, 16
|
3
|
20,2
|
182,9
|
0,14
|
24,8
|
9
|
2,2
|
54,6
|
44,9
|
70,7
|
|
19,
20, 21, 22, 23
|
5
|
5,5
|
|
|
|
|
|
|
|
|
|
24,
25, 26
|
3
|
12,6
|
|
|
|
|
|
|
|
|
|
41
|
1
|
16,8
|
|
|
|
|
|
|
|
|
|
42
|
1
|
40,2
|
|
|
|
|
|
|
|
|
|
РП-1
|
|
27,
28, 29, 30, 31
|
5
|
6,2
|
31
|
0,3
|
9,3
|
5
|
2
|
18,6
|
27,4
|
33,1
|
|
РП-2
|
|
32,
33, 34
|
3
|
14
|
42
|
0,65
|
27,3
|
3
|
1,46
|
39,9
|
22,5
|
45,8
|
|
РП-3
|
|
35,
36, 37, 38
|
4
|
20
|
80
|
0,65
|
52
|
4
|
1,46
|
75,9
|
42,9
|
87,2
|
|
Итого
|
42
|
|
|
|
|
|
|
244,9
|
178,7
|
|
. Выбор схемы питающей и распределительной сети
Выбор схемы электроснабжения приемников цеха
зависит от многих факторов:
мощности отдельных потребителей;
расположения потребителей;
площади цеха;
технологического процесса цеха, определяющего
категорию электроприемников по бесперебойности электроснабжения.
Система электроснабжения должна удовлетворять
следующим требованиям:
удобство и надежность обслуживания;
надлежащее качество электроэнергии;
бесперебойность и надежность электроснабжения
как в нормальном, так и в аварийном режиме;
экономичность системы, то есть наименьшие
капитальные затраты и эксплуатационные издержки;
гибкость системы, то есть возможность расширения
производства без существенных дополнительных затрат.
Механический цех по категории надежности ЭСН
относится к потребителям 2 и 3 категории. Электроприемники размещены рядами по
площади цеха. Для передачи и распределения электроэнергии к цеховым
потребителям выбираем магистральную схему. Такие схемы очень распространены и
обеспечивают гибкость системы и ее надежность, а также экономичность в расходе
материалов.
Для питания большого числа электроприемников
сравнительно небольшой мощности, относительно равномерно распределенных по
площади цеха, применяются схемы с двумя видами магистральных линий: питающими и
распределительными. Питающие, или главные, магистрали подключаются к РУ - 0,4
цеховой КТП. Распределительные магистрали, к которым непосредственно
подключаются электроприемники, получают питание от главных питающих магистралей
или непосредственно от шин комплектной трансформаторной подстанции (КТП).
К шинам низкого напряжения трансформаторной
подстанции подключен магистральный шинопровод ШМА, к которому присоединяются
распределительные шинопроводы ШРА-1 и ШРА-2, распределительные пункты РП-1,
РП-2, РП-3.
ШРА-1 запитывает электроприемники № 1-13, 17,
18, 39, 40.
ШРА-2 запитывает электроприемники № 14-16,
19-26, 41, 42.
РП-1 запитывает электроприемники № 27-31.
РП-2 запитывает электроприемники № 32-34.
РП-3 запитывает электроприемники № 35-38.
4. Расчет распределительной и питающей сетей
.1 Расчет и выбор магистрального шинопровода
Магистральный шинопровод выбирается по
номинальному току трансформатора, к которому подключена магистраль.н.шма ³
Iн.тр.
Номинальный ток трансформатора Iн.тр., А
А
Принимаем к установке комплектный
магистральный шинопровод типа ШМА73У3 [Л-7 табл. 7.2]. н.шма = 1600А > Iн.тр. = 1519А.
Таблица 4.1. Технические данные
магистрального шинопровода
|
Тип
|
Iн.шма
|
Uн.
|
xo
|
ro
|
Динамическая
стойкость
|
|
А
|
В
|
Ом/км
|
Ом/км
|
кА
|
|
ШМА73У3
|
1600
|
380
|
0,022
|
0,031
|
70
|
.2 Расчет и выбор распределительных шинопроводов
Распределительные шинопроводы выбирают по
максимальному расчётному току.н.шра ³ Iр.м
Максимальный расчетный ток для ШРА-1:
А
Принимаем к установке шинопровод
ШРА-4-250-32-1УЗ, I н.шра = 250А.
А ³ 105 А.
Выбор ШРА-2 производим аналогично.
Данные выбора приведены в таблице 4.2.
Таблица 4.2. Данные выбора ШРА
|
№
|
Iм.,
А
|
Тип
ШРА
|
Iн.шра,
А
|
Сечение
шин, мм
|
|
ШРА-1
|
105
|
ШРА-4-250-32-1УЗ
|
250
|
А4
(5´35)
|
|
ШРА-2
|
107,5
|
ШРА-4-250-32-1УЗ
|
250
|
А4
(5´35)
|
.3 Расчет и выбор силовых распределительных
шкафов
Выбор силовых шкафов и пунктов выполняют по
степени защиты в зависимости от характера среды в цехе, от его комплектации
предохранителями или автоматическими выключателями. Номинальный ток силового
пункта Iном.сп должен быть больше расчетного тока Iр группы электроприемниковном.сп.
³
Iр
Определим расчетный ток для РП-1:
А
Принимаем к установке
распределительный шкаф типа ШР-11-73504 с плавкими предохранителями ПН2.
Число присоединений к силовому
пункту не должно превышать число отходящих от силового пункта линий:прис = 5 ≤
Nлин = 8.
Выбор РП-2 и РП-3 производим
аналогично. Данные выбора приведены в таблице 4.3.
Таблица 4.3
|
Тип
шкафа
|
Iр,
А
|
Iном,
А
|
Число
отходящих линий и номинальные токи предохранителей, А
|
|
ШР-11-73504
|
50,3
|
250
|
8Ч60
|
|
ШР-11-73504
|
69,7
|
250
|
8Ч60
|
|
ШР-11-73504
|
132,6
|
250
|
8Ч60
|
.4 Выбор ответвлений от ШМА к ШРА
Ответвления от ШМА к ШРА выполняем поводами
марки АПВ в тонкостенных трубах. Сечение поводов выбираем по номинальному току
ШРА с учётом дальнейшего роста нагрузки.доп.пр. ³
Iдоп.шра
Для подключения нулевой шины ШРА
предусматривается дополнительный провод, его проводимость, согласно ПУЭ, должна
составлять 50% проводимости фазного.
Ответвление от ШМА к ШРА-4-250-32-1УЗ выполняем
проводом
АПВ 7 (1 ´ 50).
доп.пр. = 130 Ч 2 = 260 А. > Iдоп.шра = 250
А.
.5 Расчет сечения проводов, плавких вставок
предохранителей
Ответвления от ШРА и РП к отдельным
электроприёмникам выполняются проводами марки АПВ в тонкостенных трубах. В
качестве нулевого заземляющего провода прокладываем дополнительный провод,
проводимость которого равна 50% проводимости фазного.
Выберем провод к станку № 1, шлифовальный
станок: Рн. = 21,4 кВт.
А
Выбираем аппараты защиты ответвлений
электрической сети. Для защиты ответвлений к отдельным небольшим по мощности ЭП
принимаем предохранители типа ПН2. Номинальный ток плавкой вставки
предохранителя определяем по формуле Iном.вст. ³ Iн.эп.
Для станка №1: Iном.вст ³ Iн.эп =
81,4 А;
Выбираем ближайшую стандартную
плавкую вставку с Iном.вст = 100 А.
Определим сечение провода к ЭП №1 с
учетом выбора защиты:доп.пр. ³
Kз∙Iз = 1∙100 = 100 А;
где: Kз - коэффициент защиты,
принимаем Kз = 1;
з = Iном.вст = 100 А.
Выбор остальных ответвлений
производим аналогично.
Таблица 4.4. Данные выбора
ответвлений к электроприёмникам
|
Наименование
электроприёмников
|
Кол-во
|
Рн.
кВт
|
Iн.
А
|
Iном.вст
А
|
Марка
и сечение провода
|
Iдоп.пр.
А
|
|
Шлифовальные
станки
|
2
|
21,4
|
81,4
|
100
|
АПВ
4(1Ч50)
|
120
|
|
Заточные
станки
|
5
|
6,2
|
14,5
|
30
|
АПВ
3(1Ч10)+1Ч6
|
39
|
|
Сверлильные
станки
|
3
|
4,4
|
11,2
|
30
|
АПВ
3(1Ч10)+1Ч6
|
39
|
|
Токарные
станки
|
3
|
8,5
|
21,5
|
30
|
АПВ
3(1Ч10)+1Ч6
|
39
|
|
Шлифовальные
станки
|
3
|
20,2
|
76,8
|
80
|
АПВ
3(1Ч25)+1Ч16
|
80
|
|
Станки
агрегатные
|
2
|
14,3
|
33,5
|
40
|
АПВ
3(1Ч16)+1Ч10
|
55
|
|
Фрезерные
станки
|
5
|
5,5
|
12,9
|
30
|
АПВ
3(1Ч10)+1Ч6
|
39
|
|
Токарные
станки
|
3
|
12,6
|
29,5
|
30
|
АПВ
3(1Ч10)+1Ч6
|
39
|
|
Сварочные
трансформаторы
|
5
|
6,2
|
26,9
|
30
|
АПВ
3(1Ч10)+1Ч6
|
39
|
|
Вентиляторы
приточные
|
3
|
14
|
26,6
|
30
|
АПВ
4(1Ч6)
|
30
|
|
Вентиляторы
вытяжные
|
4
|
20
|
38,0
|
40
|
АПВ
4(1Ч16)
|
55
|
|
Токарные
станки
|
3
|
16,8
|
39,3
|
40
|
АПВ
4(1Ч16)
|
55
|
.6 Расчет крановых троллеев
Кран мостовой работает в
повторно-кратковременном режиме, с ПВ = 25% приведем мощность электроприемника
к длительному режиму:
Рн = Рп ·
=
=
20,1 кВт;
Рассчитываем номинальный допустимый ток
мостового крана
н.нб. = 20,1; cosφ = 0,5;
Uн = 0,38 кВ; η = 0,9; н.д. = Pн.нб /(√3
· Uн · cosφ ·
η)
= 20,1/(1,73 · 0,38 · 0,5 · 0,9) = 67,9 А;
Выбираем троллейный шинопровод ШТА - 76, Ін =
100 А, Uн = 380 В, номинальный ток токосъемной каретки - 17, 25 А;
электродинамическая стойкость ударному току КЗ - 5 кА.
5. Расчёт электрических нагрузок высокого и
низкого напряжения завода
.1 Определение расчётных нагрузок цехов
предприятия
Силовые и осветительные нагрузки цехов завода
приведены в таблице.
Таблица 5.1
|
№
цеха
|
Руо
кВт
|
Рсм
кВт
|
Qсм
кВар
|
Рм
кВт
|
Qм
кВар
|
|
1
Механический цех
|
8
|
142
|
166,1
|
256,9
|
178,7
|
|
2
Цех отжига цемента
|
3,4
|
95
|
75
|
120
|
85
|
|
3
Цех размолки клинкера
|
15
|
328
|
339,63
|
508
|
368,74
|
|
4
Участок сушки клинкера
|
12,3
|
44,7
|
30,6
|
57,7
|
42,6
|
|
5
Приемка цементного клинкера
|
6,5
|
40,5
|
32,6
|
50,4
|
40
|
|
6
Компрессорная
|
8,4
|
88,4
|
54,6
|
112,3
|
70,6
|
|
7
Цех утилизации тепла
|
4,2
|
24,6
|
17,3
|
24,6
|
17,3
|
|
8
Очистка воздуха
|
7,4
|
30,4
|
21,6
|
30,4
|
21,6
|
|
9
Административное здание
|
17,4
|
4,2
|
3,1
|
4,2
|
3,1
|
Определим расчетную нагрузку механического цеха
Ррасч = Р м + Рро; Рро = Руо · КСО ;
где КСО - коэффициент спроса, для освещения
(КСО=0,85);
РУО - установленная мощность электрического
освещения.
Рро = 8· 0,85 = 6,8 кВт; Ррасч = 256,9 + 6,8 =
263,7 кВт.
Полная мощность силовых и осветительных
приемников цеха определяется:
кВА
Определим коэффициент мощности
механического цеха
Определим tgφ механического
цеха
Для остальных цехов расчет сделаем
аналогично и их результаты занесем в таблицу 5.2.
Таблица 5.2
|
№
|
Наименование
цеха
|
Рро
кВт
|
Рм
кВт
|
Ррасч
кВт
|
Qм
кВар
|
Sм
кВА
|
cosφ
|
tgφ
|
|
1
|
Механический
цех
|
6,8
|
256,9
|
263,7
|
178,7
|
318,55
|
0,83
|
0,68
|
|
2
|
Цех
отжига цемента
|
2,9
|
120
|
122,9
|
85
|
149,4
|
0,82
|
0,7
|
|
3
|
Цех
размолки клинкера
|
12,8
|
508
|
520,8
|
368,74
|
638,1
|
0,82
|
0,7
|
|
4
|
Участок
сушки клинкера
|
10,5
|
57,7
|
68,2
|
42,6
|
80,4
|
0,85
|
0,63
|
|
5
|
Приемка
цементного клинкера
|
5,5
|
50,4
|
55,9
|
40
|
68,8
|
0,81
|
0,72
|
|
6
|
Компрессорная
|
7,1
|
112,3
|
119,4
|
70,6
|
138,75
|
0,86
|
0,59
|
|
7
|
Цех
утилизации тепла
|
3,6
|
24,6
|
28,2
|
17,3
|
33,1
|
0,85
|
0,61
|
|
8
|
Очистка
воздуха
|
6,3
|
30,4
|
36,7
|
21,6
|
42,6
|
0,86
|
0,59
|
|
9
|
Административное
здание
|
14,8
|
4,2
|
19
|
3,1
|
19,2
|
0,99
|
0,16
|
|
∑
|
|
70,2
|
1164,5
|
1234,7
|
827,64
|
1486,4
|
|
|
Вычислим суммарную активную мощность для завода

кВт
Вычислим суммарную реактивную
мощность

кВар
Определим полную мощность завода
∑Sм=
=
кВА
.2 Компенсация реактивной мощности
Реактивная мощность Q не связана с
полезной работой ЭП и расходуется на создание электромагнитных полей в
электродвигателях, трансформаторах, линиях.
Реактивная мощность может иметь
индуктивный или емкостный характер. Основными потребителями реактивной мощности
индуктивного характера на промышленных предприятиях являются асинхронные
двигатели АД (60-65% общего ее потребления), трансформаторы, включая сварочные
(20-25%), вентильные преобразователи, реакторы и прочие ЭП.
Реактивной мощностью дополнительно
нагружаются питающие и распределительные сети предприятия, соответственно
увеличивается общее потребление электроэнергии. Главными задачами компенсации
реактивной мощности являются: 1. Обеспечение баланса реактивной мощности. 2.
Регулирование напряжения сети. 3. Уменьшение потери напряжения и уменьшение
потери мощности. С применением КУ разгружаются по реактивной мощности
генераторы, силовые трансформаторы и ЛЭП.
Меры по снижению потребления
реактивной мощности: естественная компенсация без применения специальных КУ;
искусственная компенсация с применением КУ.
Естественная компенсация реактивной
мощности не требует больших материальных затрат и должна проводиться на
предприятиях в первую очередь. К естественной компенсации относятся:
. Ограничение холостого хода силовых
трансформаторов, ограничение холостого хода сварочных аппаратов и ограничение
холостого хода асинхронных двигателей;
. Замена недогруженных двигателей
двигателями меньшей мощности;
. Если мощность двигателей более
100кВт, то рекомендуется использовать синхронный двигатель;
. Упорядочивание технологического
процесса;
. Улучшение качества ремонта
двигателей.
Для искусственной компенсации
реактивной мощности применяются специальные КУ, являющиеся источниками
реактивной энергии емкостного характера.
К техническим средствам компенсации
реактивной мощности относятся следующие виды КУ: конденсаторные батареи,
синхронные двигатели, вентильные статические источники реактивной мощности.
Наибольшее распространение на
промышленных предприятиях имеют конденсаторы (КБ) - крупные специальные
устройства, предназначенные для выработки реактивной емкостной мощности.
Конденсаторы изготавливают на напряжение 220, 380, 660, 6300 и 10500 В в
однофазном и трехфазном исполнениях для внутренней и наружной установки.
Конденсаторы, как правило, собираются в батареи. Для увеличения напряжения
батареи конденсаторов, конденсаторы соединяются последовательно. Для увеличения
мощности батареи конденсаторов, конденсаторы соединяются параллельно.
5.3 Выбор типа и мощности компенсирующих
устройств
Объединим цеха с малой мощностью в группы, и
вычислим cosφ и tgφ
для
групп цехов. Результаты заносим в таблицу 5.3.
Таблица 5.3
|
№
|
Рро
кВт
|
Рм
кВт
|
Ррасч
кВт
|
Qм
кВар
|
Sм
кВА
|
cosφ
|
tgφ
|
|
1
|
6,8
|
256,9
|
282,7
|
181,8
|
336,1
|
0,84
|
0,65
|
|
9
|
14,8
|
4,2
|
|
|
|
|
|
|
2
|
2,9
|
120
|
122,9
|
85
|
149,4
|
0,82
|
0,7
|
|
3
|
12,8
|
508
|
520,8
|
368,74
|
638,1
|
0,82
|
0,7
|
|
4
|
10,5
|
57,7
|
153,3
|
99,9
|
182,1
|
0,84
|
0,66
|
|
5
|
5,5
|
50,4
|
|
|
|
|
|
|
7
|
3,6
|
24,6
|
|
|
|
|
|
|
6
|
7,1
|
112,3
|
156,1
|
92,2
|
181,3
|
0,59
|
|
8
|
6,3
|
30,4
|
|
|
|
|
|
Вычислим мощность КУ для цеха размолки клинкера
по формуле:
Определим tgφ2
зная, что cosφ = 0,94

кВар
Со справочника выберем
компенсирующее устройство типа
УК-0,38-220НУ3.
Определим полную мощность цеха после
компенсации:

кВА
Определим
cosφ цеха после
компенсации:
Для остальных цехов расчет выполняется
аналогично, результаты заносим в таблицу 5.4.
Таблица 5.4
|
NN
|
Pрасч
кВт
|
Qку
кВар
|
Тип
КУ
|
Qстанд
кВар
|
Sпк
кВА
|
cosφпк
|
|
1
|
282,7
|
80
|
2ЧУК2-0,38-50
|
100
|
294,3
|
0,96
|
|
9
|
|
|
|
|
|
|
|
2
|
122,9
|
40,8
|
УК2-0,38-50
|
50
|
127,8
|
0,96
|
|
3
|
520,8
|
181,2
|
УК-0,38-220НУ3
|
220
|
541,6
|
0,96
|
|
4
|
153,3
|
45,1
|
УК2-0,38-50
|
50
|
160,2
|
0,95
|
|
5
|
|
|
|
|
|
|
|
6
|
|
|
|
|
|
|
|
7
|
156,1
|
36
|
УК2-0,38-50
|
50
|
161,7
|
0,97
|
|
8
|
|
|
|
|
|
|
Компенсирующее устройство устанавливается на
цеховой подстанции и подключается к шинам низкого напряжения, чтобы добиться
желаемого cosφ кроме подстанций,
где cosφ
≥
0,9.
Определим суммарную реактивную мощность после
компенсации
кВар
Полная мощность завода после
компенсации равна:

кВА
От ГПП цементного завода питаются
сторонние потребители мощностью: Рс = 1800 кВт, Qc = 1000 кВт.
Определим полную мощность
потребителей на ГПП
.4 Выбор числа и мощности
трансформаторов цеховых подстанций
Выбор числа и мощности силовых
трансформаторов ТП зависит от категории электроснабжения цехов. Если
потребитель I категории электроснабжения, то для него выбирается 2
трансформатора. Для потребителей II категории питание производится по одной
воздушной или по одной кабельной линии при наличии двух кабелей, от двух
трансформаторов или 1 трансформатора при условии наличия резервного выкатного
трансформатора. Потребители третьей категории питаются от одного
трансформатора.
Если потребитель первой и второй
категории электроснабжения, то
выбираем из условия:
,4 - коэффициент возможной 40%
перегрузки одного трансформатора при отключении другого в течении 5 дней по 6
часов в сутки.
Если потребитель третьей категории
электроснабжения, то выбираем из условия: Sн
≥ Sпк
Вычислим мощность трансформаторов
для ТП1
Выбираем два трансформатора типа
ТМ-250-6/0,4.

Аналогично выбираем трансформаторы и
для других цехов, результаты заносим в таблицу 5.5, а технические данные
трансформаторов в таблицу 5.6.
Таблица 5.5
|
№
|
Категория
|
Кол-во
тр-ров
|
Sпк
|
Sр
|
Sн
|
Тип
трансформатора
|
|
|
|
кВА
|
кВА
|
кВА
|
|
|
1
|
II
|
2
|
294,3
|
210,2
|
250
|
2ТМ-250/6
|
|
9
|
III
|
|
|
|
|
|
|
2
|
II
|
2
|
127,8
|
91,3
|
100
|
2ТМ-100/6
|
|
3
|
II
|
2
|
541,6
|
386,9
|
400
|
2ТМ-400/6
|
|
4
|
II
|
2
|
160,2
|
114,4
|
160
|
2ТМ-160/6
|
|
5
|
II
|
|
|
|
|
|
|
6
|
II
|
|
|
|
|
|
|
7
|
II
|
2
|
161,7
|
115,5
|
160
|
2ТМ-160/6
|
|
8
|
I
|
|
|
|
|
|
Таблица 5.6
|
№
|
Тип
трансформатора
|
SН
|
UН1
|
UН2
|
∆Pкз
|
∆Pхх
|
Uкз
|
Iхх
|
|
|
кВА
|
кВ
|
кВ
|
кВт
|
кВт
|
%
|
%
|
|
1
|
ТМ-100/6
|
100
|
6
|
0,4
|
1,97
|
0,33
|
4,5
|
2,6
|
|
2
|
ТМ-160/6
|
160
|
6
|
0,4
|
3,1
|
0,51
|
4,5
|
2,4
|
|
3
|
ТМ-250/6
|
250
|
6
|
0,4
|
3,7
|
0,74
|
4,5
|
2,3
|
|
4
|
ТМ-400/6
|
400
|
6
|
0,4
|
5,9
|
0,95
|
4,5
|
2,1
|
5.5 Определение центра нагрузки
Для определения местоположения ГПП при
проектировании системы электроснабжения на генеральный план промышленного
предприятия наносится картограмма нагрузок, которая представляет собой
размещенные на генеральном плане окружности, причем площади, ограниченные этими
окружностями, в выбранном масштабе равны расчетным нагрузкам цехов. Для каждого
цеха наносится своя окружность, центр которой совпадает с центром нагрузок
цеха.
Главную понизительную подстанцию следует
располагать как можно ближе к центру нагрузок, так как это позволяет приблизить
высокое напряжение к центру потребления электрической энергии и значительно
сократить протяженность как распределительных сетей высокого напряжения завода,
так и цеховых электрических сетей низкого напряжения, уменьшить расход
проводникового материала и снизить потери электрической энергии.
Площадь круга в определенном масштабе равна
расчетной нагрузке соответствующего цеха Рi :
Pi = p × ri
×m
Из этого выражения радиус
окружности:
где Ррi - мощность i-го цеха, m -
масштаб для определения площади круга (постоянный для всех цехов предприятия).
Осветительная нагрузка наносится в
виде сектора круга, изображающего нагрузку до 1000 В. Угол сектора
определяется:
ai=
(Pрoi × 360°)/Ррi
Координаты центра электрических
нагрузок (ЦЭН) завода X0 и Y0 определяются из соотношения:
X0 =
; Y0=
где Pi - расчетная нагрузка i-го
цеха; Xi , Yi - координаты центра нагрузок i-го цеха.
За ЦЭН цеха принимаем центр тяжести
фигуры цеха (точка пересечения диагоналей) на плане завода (рис 5.1).
Рис. 5.1.
По полученным данным составим
таблицу 5.7.
Таблица 5.7
|
№
цеха
|
Pр
кВт
|
Pро
кВт
|
ri
см
|
αi
град
|
Хi
м
|
Yi
м
|
|
1
|
263,7
|
6,8
|
6,5
|
9,3
|
337,5
|
206
|
|
2
|
122,9
|
2,9
|
4,4
|
8,5
|
237
|
99
|
|
3
|
520,8
|
12,8
|
9,1
|
9
|
221
|
193
|
|
4
|
68,2
|
10,5
|
3,3
|
55,5
|
82
|
184,5
|
|
5
|
55,9
|
5,5
|
3
|
35,4
|
80
|
250
|
|
6
|
119,4
|
7,1
|
4,4
|
21,4
|
82
|
30
|
|
7
|
28,2
|
3,6
|
2,1
|
46
|
82
|
130
|
|
8
|
36,7
|
6,3
|
2,4
|
62
|
82
|
81
|
|
9
|
19
|
14,8
|
1,7
|
280
|
385
|
147
|
Вычислим координаты установки ГПП
=
=
215 м; Y0=
=
= 167 м
.6. Выбор числа и мощности трансформаторов ГПП
Для всего завода:
Выбираем по два трансформатора с
высоким напряжением 35 и 110 кВ
Выбираем трансформаторы типа
ТМН-2500/35 и ТМН-2500/110.
Определяем коэффициент загрузки
трансформаторов в нормальном режиме по формуле:
Определяем коэффициент загрузки трансформаторов
в аварийном режиме по формуле:
Данные заносим в таблицу 5.8.
Таблица 5.8
|
Sмакс
кВА
|
n
|
Uн1
|
Sрасч
кВА
|
Sн
кВА
|
Тип
трансформатора
|
Кзн
|
Кза
|
|
3324,5
|
2
|
110
|
2375
|
2500
|
ТМН-2500/110
|
0,66
|
1,33
|
|
3324,5
|
2
|
35
|
2375
|
2500
|
ТМН-2500/35
|
0,66
|
1,33
|
Технические данные трансформаторов заносим в
таблицу 5.9.
Таблица 5.9
|
№
|
Тип
трансформатора
|
SН
|
UН1
|
UН2
|
∆Pкз
|
∆Pхх
|
Uкз%
|
Iхх
%
|
|
|
кВА
|
кВ
|
кВ
|
кВт
|
кВт
|
|
|
|
1
|
ТМН-2500/110
|
2500
|
110
|
6,6
|
22
|
5,5
|
10,5
|
1,5
|
|
2
|
ТМН-2500/35
|
2500
|
35
|
6,3
|
23,5
|
4,1
|
6,5
|
1
|
.7 Технико-экономическое сравнение вариантов
электроснабжения
После определения электрической нагрузки и
установления категории надёжности потребителя намечаются возможные варианты
электроснабжения с питанием кабельными или воздушными линиями различных
напряжений. Обычно рассматриваются 2-3 варианта с выявлением капитальных
затрат; ежегодных эксплуатационных расходов; суммарных затрат.
Выбор одного из вариантов определяется
технико-экономическим сравнением. Экономическим критерием, по которому
определяют наивыгоднейший вариант является минимум приведенных затрат,
вычисляемых по следующей формуле: З = Ен ∙ К + И,
где: Ен - нормативный коэффициент сравнительной
эффективности капиталовложений (Ен=0,14); К - капитальные вложения, необходимые
для сооружения сети; И - суммарные эксплуатационные издержки.
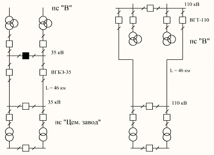
Вариант I Вариант
II
Рис. 5.2. Схемы для технико-экономического
сравнения.
Вариант I
Определим сечение провода по экономическим
токовым интервалам.
Определим ток
=
Выберем провод марки АС-70. Проверим провод по
нагреву.
Провод проходит по нагреву.
Технические данные проводов представлены в
таблице 5.10.
Таблица 5.10
|
№
|
Марка
провода
|
Uн,
кВ
|
R0,
Ом/км
|
L,
км
|
С0,
тыс.руб./км (на 1985 г)
|
|
1
|
АС-70
|
35
|
0,43
|
46
|
10,7
|
Определим стоимость ВЛ.
Клэп = С0 · l =10,7·46 = 492,2 тыс. руб.
где С0=10,7 тыс. руб. стоимость одного километра
линии.
Переведем затраты в цены нынешнего времени, для
этого умножим их на коэффициент удорожания Куд
Куд=
;
Клэп = 492,2 ∙ 40 = 19688 тыс. руб.
На РУ 35 кВ устанавливаем выключатели ВГБЭ - 35
-12,5/630УХЛ 1.
Таблица 5.11
|
Тип
|
Uн,
кВ
|
Кол-во
|
Iн,
A
|
Iоткл,
кА
|
tc.в,
с
|
Цена,
тыс. руб.
|
|
ВГБЭ
- 35 -12,5/630УХЛ 1
|
35
|
2
|
630
|
12,5
|
0,04
|
570
|
Капитальные затраты на установку выключателей:
Кв = 2 · 570 = 1140 тыс. руб.
Определим по справочнику [Л5, таблица 2.22]
стоимость типовой ГПП и приведем к ценам нынешнего времени: Кгпп=151,6 · 40 =
6064 тыс. руб.
Суммарная стоимость
К= Клэп + Кв + Кгпп= 19688 + 1140 + 6064 = 26892
тыс. руб.
Вычислим суммарные издержки.
И = Иа + Ир + И△W
Иа - издержки на амортизацию
Ир- издержки на ремонт
И△W
- издержки на оплату потерь ээ.
Издержки на амортизацию
Иа=
+
=
тыс.
руб
Издержки на ремонт
Ир=
=
+
тыс.
руб
Издержки на оплату потерь ээ: И△W
=△W
· βэ
где βэ
- стоимость 1 кВт·ч (βэ = 1,6
руб.)
Суммарные потери ээ: △W=△Wтр+△Wлэп
Потери ээ в ЛЭП: △Wлэп
=△Р
·
Потери мощности в ЛЭП: △Р
=
·R
Активное сопротивление ЛЭП: R=
.
△Р=
19,8
= 178,6 кВт
8760 =
△Wлэп = 178,6
3196
= 570806 кВт·ч
Потери ээ в трансформаторе:
△Wтр=△Рхх
8760+
△Ркз
=4,1
8760+
23,5
3196=168731
кВт·ч
△W= 168731+ 570806 = 739537
кВт·ч
И△W
= 739537
1,6
= 1183,3 тыс. руб
И = 890 + 340 + 1183,3 = 2413,3 тыс. руб
Общие затраты: З = Ен ∙ К + И = 0,14 ∙
26892 + 2413,3 = 6178,2 тыс. руб
Вариант II
Определим сечение провода по экономическим
токовым интервалам.
Определим ток: I =
Выберем провод марки АС-70. Проверим провод по
нагреву.
Провод проходит по нагреву.
Технические данные проводов представлены в
таблице 5.12.
Таблица 5.12
|
№
|
Марка
провода
|
Uн,
кВ
|
R0,
Ом/км
|
L,
км
|
С0,
тыс.руб/км (на 1985 г)
|
|
2
|
АС-70
|
110
|
0,43
|
46
|
13,5
|
Определим стоимость ВЛ.
Клэп = С0 ·
l ·
Куд
=13,5 ·
46
· 40 = 24840 тыс. руб.
где С0=13,5 тыс. руб. стоимость одного километра
линии.
На РУ 110 кВ устанавливаем выключатели ВГТ - 110
-40/2500.
Таблица 5.13
|
Тип
|
Uн,
кВ
|
Кол-во
|
Iн,
A
|
Iоткл,
кА
|
tc.в,
с
|
Цена,
тыс. руб.
|
|
ВГТ
- 110 - 40/2500
|
110
|
2
|
2500
|
40
|
0,035
|
1100
|
Капитальные затраты на установку выключателей:
Кв = 2 · 1100 = 2200 тыс. руб.
Определим по справочнику стоимость типовой ГПП и
приведем к ценам нынешнего времени: Кгпп=164 · 40 = 6560 тыс. руб.
Суммарная стоимость
К= Клэп + Кв + Кгпп = 24840 + 2200 + 6560 =
33600 тыс. руб
Вычислим суммарные издержки
И = Иа + Ир + И△W
Издержки на амортизацию
Иа=
+
=
=
1052 тыс. руб
Издержки на ремонт
Ир=
+
=
+
= 396 тыс. руб
Издержки на оплату потерь ээ: И△W
=△W
·
Суммарные потери ээ: △W=△Wтр+△Wлэп
Потери мощности в ЛЭП: △Р
=
·
R
19,8
= 18,1 кВт
Активное сопротивление ЛЭП: R =
Потери ээ в ЛЭП
△Wлэп =△Р
·
=
18,1
=
57847 кВт·ч
Потери ээ в трансформаторе
△Wтр=△Рхх
8760+
△Ркз
=5,5
8760
+
22
3196
=172518 кВт·ч
△W= 172518 + 57847 = 230365
кВт·ч; И△W
= 230365
1,6
= 368,6 тыс. руб;
И = 1052 + 396 + 368,6 = 1816,6 тыс. руб.
Общие затраты: З = 0,14 ∙ 33600 + 1816,6 =
6520,6 тыс. руб.
Сводная таблица выбора варианта электроснабжения
Таблица 5.14
|
Вариант
ЭСН
|
Капитальные
затраты, тыс. руб.
|
Издержки
на амортизацию, тыс. руб.
|
Издержки
на ремонт, тыс. руб.
|
Потери
ээ, кВт∙ч
|
Стоимость
потерь ээ, тыс. руб.
|
Приведенные
затраты, тыс. руб.
|
|
1
|
26892
|
890
|
340
|
739537
|
1183,3
|
6178,2
|
|
2
|
33600
|
1052
|
396
|
230365
|
368,6
|
6520,6
|
Вывод: экономически целесообразным является I
вариант схемы электроснабжения.
. Расчет токов короткого замыкания
.1 Общие сведения о коротких замыканиях
В электрических установках могут возникать
различные виды КЗ, которые сопровождаются резким увеличением тока. Все
электрооборудование, устанавливаемое в системах электроснабжения, должно быть
устойчивым к токам КЗ и выбираться с учетом этих токов. Различают следующие
виды КЗ: трехфазное, или симметричное, когда три фазы соединяются между собой;
двухфазное - две фазы соединяются между собой без соединения с землей;
однофазное - одна фаза соединяется с нейтралью источника через землю; двойное замыкание
на землю - две фазы соединяются между собой и с землей.
В большинстве случаев причиной возникновения КЗ
в системе является нарушение изоляции электрического оборудования вследствие
износа изоляции, не выявленного своевременно при профилактических испытаниях,
или из-за перенапряжений. КЗ могут быть вызваны ошибочными действиями
обслуживающего персонала, механическими повреждениями кабельных линий,
схлестыванием, набросом или перекрытием птицами проводов воздушных линий.
При возникновении КЗ общее сопротивление цепи
системы электроснабжения уменьшается, вследствие чего токи в ветвях системы
резко увеличиваются, а напряжения на отдельных участках системы снижаются.
Элементы электрических систем обладают
активными, индуктивными сопротивлениями и емкостными проводимостями. Поэтому
при внезапном нарушении режима работы вследствие КЗ электрическая система
представляет собой колебательный контур. Токи в ветвях и напряжения в узлах
будут изменяться в течение некоторого времени после возникновения КЗ в соответствии
с параметрами этого контура. За время КЗ с момента его возникновения до момента
отключения поврежденного участка в цепи протекает переходный процесс с большими
мгновенными токами, вызывающими электродинамическое воздействие на
электрооборудование. При длительном, более 0,01 с, КЗ токи оказывают
термическое действие, которое может привести к значительному повышению
температуры нагревания электрооборудования.
.2 Цель расчета токов КЗ
Вычисление токов КЗ производится для определения
условий работы потребителей при аварийных режимах; выбора электрических
аппаратов, шин, изоляторов, силовых кабелей; проектирования и настройки
устройств релейной защиты и автоматики; проектирования защитных заземлений;
подбора характеристик разрядников для защиты от перенапряжений.
В современных электрических системах точный
расчет токов КЗ с учетом всех условий очень сложен и практически невозможен. С
другой стороны, требуемая точность расчетов зависит от его назначения.
Например, для выбора электрических аппаратов производят приближенное
определение токов КЗ, так как интервалы между значениями параметров,
характеризующих различные типы аппаратов, велики. Для выбора и настройки
устройств релейной защиты и автоматики точность расчетов должна быть выше.
.3 Составление расчетной схемы
Под расчетной схемой установки понимают
упрощенную однолинейную схему электроустановки с указанием всех элементов и их
параметров, которые влияют на токи КЗ и поэтому должны быть учтены при
выполнении расчетов.
В целях упрощения расчетов для каждой
электрической ступени в расчетной схеме вместо её действительного напряжения на
шинах указывают среднее напряжение Uср, согласно следующей шкале: 6,3; 10,5;
37; 115; 230.
= 0,43 Ом/км
хo = 0,432 Ом/км
К-1
ТДТН-25/110 Sт = 2500 кВАн = 25000 кВА Uк.з
= 6,5 %
ΔРк.з= 140 кВт ΔРк.з=
23,5 кВт
К-2
.4 Составление схемы замещения
Схемой замещения называют электрическую схему,
соответствующую по исходным данным расчетной схеме, но в которой все магнитные
связи заменены электрическими.
.5 Расчет токов КЗ в точке К-1
Расчет токов КЗ производим в именованных
единицах, Uб = 37 кВ.
Рассчитываем активные сопротивления элементов
схемы замещения
Ом;
Ом;
Ом;
Ом.
Определим результирующее активное
сопротивление схемы замещения:
Ом.
Определение индуктивных
сопротивлений параметров схемы замещения
Ом
ΔUв = (ΔUв-н + ΔUв-с - ΔUс-н) ∙
0,5 = (17,5 + 10,5 - 6,5) ∙ 0,5 = 10,75 %
ΔUс = (ΔUв-с + ΔUс-н - ΔUв-н) ∙
0,5 = (10,5 + 6,5 - 17,5) ∙ 0,5 = - 0,25 %
Ом;
Ом;
Ом.
Определим результирующее индуктивное
сопротивление схемы замещения:

Ом.
К-1 К-1
Определим полное сопротивление схемы
замещения:
Ом.
Определим ток короткого замыкания в
точке К1:
кА
Определим ударный ток короткого
замыкания в точке К1
кА;
;
с.
Определим апериодическую
составляющую тока КЗ
;
Определим момент времени расхождения
контактов выключателя:
τ = tр.з. min + tс.в = 0,01+ 0,04
= 0,05 с
;
Определим периодическую составляющую тока КЗ
;
где
- коэффициент затухания
периодической составляющей тока КЗ,
в данном случае
.
кА.
.6 Расчет токов КЗ в точке К-2
б = 6,3 кВ.
Рассчитываем активные сопротивления
элементов схемы замещения
Ом;
Ом;
Ом;
Ом.
Определим результирующее активное
сопротивление схемы замещения:
Ом.
Определение индуктивных
сопротивлений параметров схемы замещения
Ом
Ом;
Ом;
Ом;
Ом.
Определим результирующее индуктивное
сопротивление схемы замещения:

Ом
К-2 К-2
Определим полное сопротивление схемы
замещения:
Ом.
Определим ток короткого замыкания в
точке К2:
кА
Определим ударный ток короткого
замыкания в точке К2
кА;
с;
Определим апериодическую составляющую тока КЗ
;
Определим момент времени расхождения
контактов выключателя:
τ = tр.з. min + tс.в = 0,01+ 0,015
= 0,025 с
;
кА.
Определим периодическую составляющую
тока КЗ
кА.
7. Выбор коммутационного оборудования пс
«Цементный завод»
.1 Выбор выключателей
Выключатель является основным аппаратом в
электрических установках, он служит для отключения и включения в цепи в любых
режимах: длительная нагрузка, перегрузка, короткое замыкание, холостой ход,
несинхронная работа. Наиболее тяжелой и ответственной операцией является
отключение токов КЗ и включение на существующее короткое замыкание.
Привод выключателя предназначен для операции
включения, для удержания во включенном положении и для отключения выключателя.
Выбор высоковольтных выключателей на стороне ВН
Выключатель выбирается по номинальному
напряжению и току:нв ≥ Uнру = 35 кВнв ≥ Iраб. форсраб.форс -
максимальный ток, который может протекать через выключатель.
А
Выбираем на РУ 35 кВ злегазовый
выключатель типа ВГБЭ-35-12,5/630УХЛ 1 со встроенными трансформаторами тока.
Таблица 7.1
|
Uн
кВ
|
Uмакс
кВ
|
Iн
A
|
Iотк
кА
|
iпс
кА
|
Iпс
кА
|
iнв
кА
|
Iнв
кА
|
Iтс
кА
|
tтс
c
|
tв.о
с
|
tc.в
с
|
|
35
|
40,5
|
630
|
12,5
|
35
|
12,5
|
32
|
12,5
|
12,5
|
3
|
0,06
|
0,04
|
Выбранный выключатель необходимо проверить.
) Проверка выключателя на отключающую способность
Для проверки выключателя на отключающую
способность в качестве расчетного тока принимается ток трехфазного КЗ. При этом
необходимо использовать периодическую и апериодическую составляющие тока в
момент расхождения контактов выключателя τ = 0,05 с.
;
где β - процентное
содержание апериодической составляющей тока К.З.
кА;
кА; 23,3 кА ≥ 1,82 кА.
Условие проверки на отключающую
способность выполняется.
) Проверка выключателя на
термическую устойчивость
где
- из паспортных
данных выключателя;
;
- время срабатывания защиты;
- время отключения выключателя.
кА2∙с;
;
кА2∙с; 468,8 кА2∙с >
0,27 кА2∙с.
) Проверка выключателя на
электродинамическую устойчивость
пс = 12,5 кА ≥ I'' = 1,29 кА;
iпс = 35 кА ≥ iу = 1,97 кА.
) Проверка выключателя на включающую
способность
нв = 12,5 кА ≥ I'' = 1,29
кА;нв = 32 кА ≥ iу = 1,97 кА.
Выбранный выключатель подходит по
всем параметрам.
Выбор высоковольтных выключателей на
стороне НН
Для РУ 6 кВ выбираем вакуумные
выключатели типа ВВ/TEL-6-8/800.
Таблица 7.2
|
Uн
кВ
|
Iн
A
|
Iотк
кА
|
iпс
кА
|
Iпс
кА
|
iнв
кА
|
Iнв
кА
|
Iтс
кА
|
tтс
c
|
tв.о
с
|
tc.в
с
|
|
6
|
800
|
8
|
20
|
8
|
20
|
8
|
8
|
3
|
0,025
|
0,015
|
Условия выбора и проверки аналогичны выключателю
на ВН. Данные выключателя и результаты проверки по токам КЗ представлены в
таблице 7.3.
Таблица 7.3 - Расчетные и каталожные данные
выключателя НН
|
Расчетные
данные
|
Каталожные
данные
|
|
Uуст
= 6 кВ
|
Uном
= 6 кВ
|
|
Iр.форс
= 320 А
|
Iном=800
А
|
|
кА
|
|
|

|
|
|
iуд
= 6,78 кА; I'' = 3,72 кА
|
iпс
= 20 кА; Iпс = 8 кА
|
|
iуд
= 6,78 кА; I'' = 3,72 кА
|
iнв
= 20 кА; Iнв = 8 кА
|
.2 Выбор разъединителя в цепи линии
Разъединители выбираются по тем же условиям что
и выключатели, а проверяются только на термическую и динамическую устойчивость.
В цепь линии 35 кВ выбираем разъединитель
РДЗ-35-1000 У1 по условиям и расчётным данным, которые представлены в таблице
7.4.
Таблица 7.4 - Расчетные и каталожные данные
разъединителя на ВН.
|
Расчетные
данные
|
Каталожные
данные
|
|
Uру
= 35 кВ;
|
Uном=35
кВ;
|
|
Iр.форс
= 55 А;
|
Iном=1000
А;
|
|
iуд
= 1,97 кА;
|
iпс
= 63 кА;
|
|
Вк.расч
= 0,27 кА2∙с.
|
кА2∙с.
|
7.3 Выбор трансформатора тока на напряжение 35
кВ
Трансформатор тока (ТТ) предназначен для
уменьшения тока до значений, наиболее удобных для измерительных приборов и
реле, а также для отделения цепей измерения и защиты от первичных цепей
высокого напряжения.
Трансформатор тока выбирается
по номинальному напряжению:
= 35кВ;
по номинальному току:
55 А.
Выбираем в РУ 35 кВ трансформатор тока,
встроенный в выключатель, типа ТВ-35-II-600/5.
Номинальные параметры трансформатора тока
сведены в таблицу 7.5.
Таблица 7.5
|
Тип
|
Uн,
кВ
|
I1н,
А
|
I2н,
А
|
Варианты
исполнения вторичных обмоток
|
Номинальная
нагрузка в классе 1,Ом
|
|
ТВ-35-II-600/5
|
35
|
600
|
5
|
1/10Р
|
1,2
|
Рассмотрим подробнее проверку ТТ по вторичной
нагрузке.
Выполнение этого условия сводится к выбору
сечения контрольного кабеля, соединяющего трансформатор с подключенными к нему
приборами.
Допустимое сечение кабеля определим по формуле
где
-
номинальная вторичная нагрузка;
-
сопротивление приборов, подключенных к трансформатору;
- мощность всех
приборов в наиболее нагруженной фазе;
- сопротивление
контактных соединений (при числе приборов три и менее
Ом);
- расчетная длина
контрольного кабеля;
ρ - удельное
сопротивление жил контрольного кабеля (для алюминия ρ
= 0,0283 Ом∙
).

=1,3 мм2
Таблица 7.6 - Вторичная нагрузка ТТ
|
№
|
Прибор
|
Тип
прибора
|
Нагрузка
фазы, ВА
|
|
|
|
А
|
В
|
С
|
|
1
|
Амперметр
|
Э-335
|
0,5
|
-
|
-
|
|
2
|
Ваттметр
|
Д-335
|
0,5
|
-
|
0,5
|
|
3
|
Варметр
|
Д-335
|
0,5
|
-
|
0,5
|
|
Sпр,
ВА
|
1,5
|
0
|
1
|
Примем к установке кабель АКВВГ с алюминиевыми
жилами сечением 1,5 мм2. Определим сопротивление выбранного кабеля
Определим вторичное расчетное сопротивление
Из сравнения видно, что условие проверки
выполняется.
.4 Выбор трансформатора тока на напряжение 6 кВ
Выбираем в РУ 6 кВ трансформатор тока типа
ТЛК-6-У3.
Номинальные параметры трансформатора тока
сведены в таблицу 7.7.
Таблица 7.7
|
Тип
|
Uн,
кВ
|
I1н,
А
|
I2н,
А
|
Варианты
исполнения вторичных обмоток
|
Номинальная
нагрузка в классе 0,5, Ом
|
|
ТЛК-6-У3
|
6
|
400
|
5
|
0,5/10Р
|
0,4
|
Рассмотрим подробнее проверку ТТ по вторичной
нагрузке.
Выполнение этого условия сводится к выбору
сечения контрольного кабеля, соединяющего трансформатор с подключенными к нему
приборами.
Таблица 7.8 - Вторичная нагрузка ТТ
|
№
|
Прибор
|
Тип
прибора
|
Нагрузка
фазы, В∙А
|
|
|
|
А
|
В
|
С
|
|
1
|
Амперметр
|
Э-335
|
0,5
|
-
|
-
|
|
2
|
Ваттметр
|
Д-335
|
0,5
|
-
|
0,5
|
|
3
|
Варметр
|
Д-335
|
0,5
|
-
|
0,5
|
|
4
|
Счетчик
активной энергии
|
СА3-И681
|
2,5
|
2,5
|
-
|
|
5
|
Счетчик
реактивной энергии
|
СР4-И676
|
-
|
2,5
|
2,5
|
|
Sпр,
В∙А
|
4
|
5
|
3,5
|
Допустимое сечение кабеля определим по формуле
- сопротивление
контактных соединений (при числе приборов более трех
Ом).
=1,415 мм2
Примем к установке кабель АКВВГ с алюминиевыми
жилами сечением 1,5 мм2. Определим сопротивление выбранного кабеля
Определим вторичное расчетное сопротивление
Из сравнения видно, что условие проверки
выполняется.
.5 Выбор трансформатора напряжения на 35 кВ
Выберем трансформатор напряжения на 35 кВ по
номинальному напряжению:
= 35кВ.
ТН в РУ 35 кВ питает обмотки напряжения
приборов, сборных шин, линий.
Определим набор приборов для каждой группы
присоединений. Подсчет мощности произведем отдельно по активной и реактивной
составляющим. При этом учтем, что cosφ обмоток
приборов, кроме счетчиков, равен единице. У счетчиков активной и реактивной
энергии cosφ=0,38, а sinφ=0,93.
Используя учебник [Л2, с.378], составим таблицу
для подсчета мощности.
Определим полную суммарную потребляемую мощность
= 67,2 ВА.
По [Л1, таблица 5.13] выбираем к установке три
однофазных трансформатора напряжения с естественным масляным охлаждением
НОМ-35-66 У1, S2ном = 150 ВА при классе точности 0,5.
;
т.е. условие проверки по классу точности
выполняется.
Таблица 7.9
|
№
|
Место
установки и перечень приборов
|
Число
присоединений
|
Тип
прибора
|
Sн
обм, ВА
|
Число
обмоток
|
cosφ
|
sinφ
|
Общее
число приборов
|
Р,
Вт
|
Q,
кВар
|
|
1
|
ЛЭП
|
2
|
|
|
Ваттметр
|
|
Д-335
|
1,5
|
2
|
1
|
0
|
2
|
6
|
-
|
|
Варметр
|
|
Д-335
|
1,5
|
2
|
1
|
0
|
2
|
6
|
-
|
|
ФИП
|
|
|
3
|
1
|
1
|
0
|
|
6
|
-
|
|
Сч.ак.энергии
|
|
СА4-И681
|
2
|
2
|
0,38
|
0,93
|
2
|
3
|
7,4
|
|
Сч.реак.
эне-ргии
|
|
СР4-И676
|
3
|
2
|
0,38
|
0,93
|
2
|
4,6
|
11,1
|
|
2
|
Сборные
шины
|
1
|
|
|
Вольтметр
|
|
Э-335
|
2
|
1
|
1
|
0
|
1
|
2
|
-
|
|
Вольтметр
регестриру-ющий
|
|
Н-393
|
10
|
1
|
1
|
0
|
1
|
10
|
-
|
|
Ваттметр
регестрирующий
|
|
Н-395
|
10
|
1
|
1
|
0
|
1
|
10
|
-
|
|
Частотомер
регестрирующий
|
|
Н-397
|
7
|
1
|
1
|
0
|
1
|
7
|
-
|
|
Осциллограф
|
|
|
10
|
1
|
1
|
0
|
1
|
10
|
-
|
|
Итого
|
64,6
|
18,5
|
.6 Выбор трансформатора напряжения на 6 кВ
= 6 кВ.
По [Л1, таблица 5.13] выбираем к установке
трансформатор напряжения типа НТМИ-6-66 У3 с номинальной мощностью в классе 0,5
.
Определим набор приборов для каждой группы
присоединений. Подсчет мощности произведем отдельно по активной и реактивной
составляющим. Используя учебник [Л2], составим таблицу для подсчета мощности.
Таблица 7.10
|
№
|
Место
установки и перечень приборов
|
Число
присоединений
|
Тип
прибора
|
Sн
обм, ВА
|
Число
обмоток
|
cosφ
|
sinφ
|
Общее
число приборов
|
Р,
Вт
|
Q,
кВар
|
|
1
|
ЛЭП
|
2
|
|
|
Ваттметр
|
|
Д-335
|
1,5
|
2
|
1
|
0
|
2
|
6
|
-
|
|
Варметр
|
|
Д-335
|
1,5
|
2
|
1
|
0
|
2
|
6
|
-
|
|
ФИП
|
|
|
3
|
1
|
1
|
0
|
|
6
|
-
|
|
Сч.акт.энергии
|
|
СА4-И681
|
2
|
2
|
0,38
|
0,93
|
2
|
3
|
7,4
|
|
Сч.реакт.энергии
|
|
СР4-И676
|
3
|
2
|
0,38
|
0,93
|
2
|
4,6
|
11,1
|
|
2
|
Сборные
шины
|
1
|
|
|
Вольтметр
|
|
Э-335
|
2
|
1
|
1
|
0
|
1
|
2
|
-
|
|
Вольтметр
для измерения междуфазного напряжения
|
|
Н-393
|
10
|
1
|
0
|
1
|
10
|
-
|
|
Итого
|
37,6
|
18,5
|
Определим полную суммарную потребляемую мощность
= 42 ВА.
;
т.е. условие проверки по классу точности
выполняется.
7.7 Выбор ограничителей перенапряжения
Ограничители перенапряжения (ОПН) - аппараты
современного поколения, пришедшие на смену вентильным разрядникам. Ограничители
типа ОПН предназначены для защиты электрооборудования распределительных
электрических сетей переменного тока с изолированной или компенсированной
нейтралью от грозовых и коммутационных перенапряжений в соответствии с их
вольтамперными характеристиками и пропускной способностью.
По сравнению с вентильными разрядниками
ограничители перенапряжений обладают следующими преимуществами: глубоким
уровнем ограничения всех видов перенапряжений, отсутствием сопровождающего тока
после затухания волны перенапряжения, простотой конструкции и высокой
надежностью в эксплуатации, стабильностью характеристик и устойчивостью к
старению, способностью к рассеиванию больших энергий, стойкостью к атмосферным
загрязнениям, малыми габаритами, весом и стоимостью.
Ограничители перенапряжений ОПН применяются для
защиты электрооборудования подстанций открытого и закрытого типа, кабельных
сетей, ВЛ, генераторов, синхронных компенсаторов и электродвигателей сетей
собственных нужд электростанций и промышленных предприятий, батарей статических
конденсаторов и фазокомпенсирующих устройств, оборудования электроподвижного
состава, электрооборудования специализированных промышленных предприятий
(химической , нефтяной, газовой промышленности).
Ограничители перенапряжений выбирают по
номинальному напряжению. Выберем ОПН на напряжение 35 кВ
= 110 кВ
Выбираем ограничитель перенапряжения типа
ОПН-П1-35II УХЛ1 [Л3, таблица 5.13].
Выберем ОПН на напряжение 6 кВ:
=
6 кВ
Выбираем ограничитель перенапряжения типа
ОПН-1-6/7,2III УХЛ1 [Л3, таблица 5.13].
.8 Выбор сборных шин
Выберем сборные шины на 35 кВ по максимальному
току
Минимальное сечение провода для напряжения 35 кВ
по условию короны 70 мм2.
Выберем по допустимому току провод АС 70
где
-
допустимый длительный ток для провода АС 70.
Проверяем выбранные шины по термической
стойкости
Определяем рабочую температуру провода.
Выберем сборные шины на 6 кВ по максимальному
току
Выбираем по справочнику шины прямоугольного
сечения 30х4 с допустимым током 365 А, с количеством полос на фазу n=1.
Проверяем выбранные шины по термической
стойкости.
Определяем рабочую температуру провода
Таким образом, выбранные шины удовлетворяют
условию проверки по термической стойкости.
.9 Выбор схемы распределения энергии по заводу
Для внутризаводского электроснабжения выбираем радиальную
схему, т.к. она является предпочтительной для коротких линий. Преимуществами
радиальных схем являются простота и надежность эксплуатации, возможность
применения простой и надежной защиты и автоматизации.
.10 Выбор сечения кабельных линий распределительной
сети
Выбор сечений кабелей производится по
экономической плотности тока.
Для двухцепных кабелей ток равен:
р
Рассчитаем сечение кабеля для ТП1.
Определим ток протекающий по кабелю
р
14,2
А
Определим сечение кабеля при jэк=1,4
Э
10,13
мм2
Выбираем кабель марки 2АСБ 3Ч16 мм2.
После выбора, проверяем кабель по длительному
току
Для остальных цехов расчет аналогичен. Все
расчетные данные внесены в таблицу 7.11.
Таблица 7.11
|
№
|
Sрасч
|
Iрасч
|
n
|
Fэ
|
Iдоп
|
Марка
кабеля
|
|
кВА
|
A
|
|
мм2
|
А
|
|
|
1
|
294,3
|
14,2
|
2
|
10,1
|
80
|
2АСБ
3Ч16
|
|
9
|
|
|
|
|
|
|
|
2
|
127,8
|
6,2
|
2
|
4,5
|
60
|
2АСБ
3Ч10
|
|
3
|
541,6
|
26,1
|
2
|
18,6
|
105
|
2АСБ
3Ч25
|
|
4
|
160,2
|
7,7
|
2
|
5,5
|
60
|
2АСБ
3Ч10
|
|
5
|
|
|
|
|
|
|
|
6
|
|
|
|
|
|
|
|
7
|
161,7
|
7,8
|
2
|
5,6
|
60
|
2АСБ
3Ч10
|
|
8
|
|
|
|
|
|
|
Выбранные кабели необходимо проверить на
термическую стойкость при КЗ в начале кабеля. Рассмотрим расчёт на примере КЛЭП
идущего от ГПП к ТП1.
Определим сопротивление сети низкого напряжения:
Определим активное и реактивное сопротивление
кабеля Rк и Xк

Определим Zрез
Определим ударный ток:
Определим тепловой импульс
где: t=tр+tв+tп=0,9+0,1+0,05=1,05
Определим минимальное допустимое сечение кабеля:
Т.к. по термической стойкости кабель не
проходит, то выбираем кабель большего сечения: 2АСБ 3Ч50 мм2.
Для кабелей остальных ЦТП расчет аналогичен,
результаты внесены в таблицу 7.12. Новые кабели и их параметры занесены в
таблицу 7.13.
Таблица 7.12
|
№
|
RK
|
XK
|
Zрез
|
Iу
|
Вк
|
Fmin
|
Fк
|
|
Ом
|
Ом
|
Ом
|
кА
|
кА2∙с
|
мм2
|
мм2
|
|
1
|
0,29
|
0,015
|
0,99
|
3,5
|
12,86
|
42,2
|
50
|
|
2
|
0,11
|
0,005
|
0,94
|
3,69
|
14,26
|
44,4
|
50
|
|
3
|
0,16
|
0,01
|
0,95
|
3,65
|
13,9
|
43,95
|
50
|
|
4
|
0,09
|
0,003
|
0,94
|
3,7
|
14,4
|
44,6
|
50
|
|
5
|
0,24
|
0,01
|
0,97
|
3,58
|
13,47
|
43,18
|
50
|
Таблица 7.13
|
№
|
Марка
старого провода
|
Fmin
|
Марка
нового провода
|
r0
|
x0
|
l
|
|
|
мм2
|
|
Ом/км
|
Ом/км
|
км
|
|
1
|
2АСБ
3Ч16
|
42,2
|
2АСБ
3Ч50
|
0,62
|
0,083
|
0,3
|
|
2
|
2АСБ
3Ч10
|
44,4
|
2АСБ
3Ч50
|
0,62
|
0,083
|
0,07
|
|
3
|
2АСБ
3Ч25
|
43,95
|
2АСБ
3Ч50
|
0,62
|
0,083
|
0,17
|
|
4
|
2АСБ
3Ч10
|
44,6
|
2АСБ
3Ч50
|
0,62
|
0,083
|
0,06
|
|
5
|
2АСБ
3Ч10
|
43,18
|
2АСБ
3Ч50
|
0,62
|
0,083
|
0,15
|
8. Проверка электрической сети с учетом
присоединения ГПП «Цементного завода»
.1 Ведомость потребителей электроэнергии
|
Пункты
|
Uн
кВ
|
Рм
МВт
|
Qм
МВар
|
|
ПС
«А»
|
220
|
120
|
50
|
|
110
|
40
|
28
|
|
ПС
«Б»
|
110
|
20
|
15
|
|
ПС
«В»
|
35
|
15
|
10
|
|
10
|
10
|
5
|
|
ПС
«Г»
|
220
|
80
|
60
|
.2 Расчет электрических нагрузок сети
Согласно условию на шинах 220 кВ ПС «А» задана
активная мощность Pmax =120 МВт, и реактивная мощность Qmax =50 МВар, на основе
заданных величин определяем полную мощность на шинах ПС «А» в максимальном
режиме:
МВА
Аналогично определяем полные мощности на шинах
остальных подстанций, результаты заносим в таблицу 8.1.
Таблица 8.1
|
Пункты
|
Uн
кВ
|
Рм
МВт
|
Qм
МВар
|
Sм
МВА
|
|
ПС
«А»
|
220
|
120
|
50
|
130
|
|
110
|
40
|
28
|
48,8
|
|
ПС
«Б»
|
110
|
20
|
15
|
25
|
|
ПС
«В»
|
35
|
15
|
10
|
18
|
|
10
|
10
|
5
|
11,2
|
|
ПС
«Г»
|
220
|
80
|
60
|
100
|
.3 Выбор сечения провода ВЛ пс «В» - ГПП
Определим сечение провода ВЛ по экономической
плотности тока.
Определим расчетный ток
р =
54,9 А
Определим сечение провода
=
30,6 мм2
где: jэ = 0,9 при Тmax=4800 ч для воздушных
проводов. [Л8 табл. 3.12];
Nц - число цепей линии.
Выбираем провод марки 2ЧАС-70.
Проверим провод по нагреву:
Провод
проходит по нагреву.
Технические данные провода представлены в
таблице 8.2
Таблица 8.2
|
Марка
провода
|
r0,
Ом/км
|
х0,
Ом/км
|
L,
км
|
|
АС-70
|
0,43
|
0,44
|
46
|
8.4 Выявление перегруженных линий существующей
сети
Проверим двухцепную линию Л-1, выполненную
проводом марки АСО-300. Определим расчетный ток по линии в максимальном режиме
р =
;
где
211,6
МВА - переток мощности по линии в максимальном режиме (см. пункт 9.1);
р =
=
556 А.
Проверим провод по нагреву.
Аналогично проверим провода остальных линий,
результаты заносим в таблицу 8.3.
Таблица 8.3
|
№
линии
|
Марка
провода
|
Uн
кВ
|
S
МВА
|
Ip
А
|
Iдоп
А
|
|
1
|
2ЧАСО-300
|
220
|
211,6
|
556
|
690
|
|
2
|
АСО-500
|
220
|
111,5
|
293
|
945
|
|
3
|
АСО-500
|
220
|
9,8
|
25,8
|
945
|
|
4
|
АС-185
|
110
|
8,9
|
510
|
|
5
|
2ЧАСО-240
|
220
|
32,1
|
84,4
|
605
|
|
6
|
АС-185
|
110
|
19,2
|
101
|
510
|
|
7
|
АС-185
|
110
|
15,8
|
83
|
510
|
|
8
|
2ЧAC-70
|
35
|
3,6
|
59,8
|
265
|
Так как при подключении к сети ПС цементного
завода существующие линии не перегружаются в максимальном режиме, то выбор
новых сечений проводов для этих линий не производится.
.5 Проверка выбранных и существующих
трансформаторов
Проверка трансформаторов на ПС «А»:
На ПС «А» установлено два автотрансформатора
типа АТДЦТН-200/220/110. Проверим трансформатор по полученному, в результате
расчета максимального режима сети [9.1], перетоку мощности через него, с учетом
допустимой 40-процентной перегрузки в аварийном режиме:
н ≥ Sm ∙ 0,715
где: Sm =
=
74,7 МВА - переток мощности по трансформатору в максимальном режиме;
н = 200 МВА > 74,7 ∙ 0,715 = 53,4 МВА
т.е. трансформаторы ПС «А» не перегружаются,
поэтому их замена не требуется.
Проверка трансформаторов ПС «Б»:
На ПС «Б» установлено два автотрансформатора
типа АТДЦТН-63/220/110.
н ≥ Sm ∙ 0,715
где: Sm =
=
31,1 МВА - переток мощности по трансформатору в максимальном режиме;
Sн = 63 МВА > 31,1 ∙ 0,715 = 22,2 МВА
Трансформаторы ПС «Б» в максимальном режиме не
перегружаются, поэтому их замена не требуется.
Проверка трансформаторов ПС «В»:
На ПС «Б» установлено два трансформатора типа
ТДТН-25/110.
н ≥ Sm ∙ 0,715;=
=
33 МВА;н = 25 МВА > 33 ∙ 0,715 = 23,6 МВА
Трансформаторы ПС «Б» в максимальном режиме не
перегружаются, поэтому их замена не требуется.
Проверка трансформаторов на ПС «Цементный
завод»:
На ПС «Цементный завод» установлено два
трансформатора типа ТМН-2500/35.
н ≥ Sm ∙ 0,715; Sm =
=
3,4 МВА;н = 2,5 МВА > 3,4 ∙ 0,715 = 2,43 МВА
Трансформаторы ПС «Цементный завод» в
максимальном режиме также не перегружаются и их замена не требуется.
.6 Определение основных параметров схемы
замещения электрической сети
Для рассматриваемой электрической сети
составляется схема замещения. Схема замещения содержит ЛЭП и трансформаторы.
Определим активное, реактивное, сопротивление и
емкостную проводимость для всех ЛЭП, а так же зарядную мощность линий.
Определим параметры Л-1, данные этой линии
приведены в таблице 8.4.
Активное сопротивление линии определяется:
Ом.
Таблица 8.4
|
Марка
провода
|
L
км
|
r0
Ом/км
|
x0
Ом/км
|
В0
мкСм/км
|
|
2ЧАС-300
|
70
|
0,12
|
0,429
|
2,64
|
Реактивное сопротивление линий определяется:
Ом.
Емкостная проводимость линий
определяется:
л1 = B0 л1∙
∙n =
2,64 ∙ 70 ∙ 2 = 369,3 мкСм.
Зарядная мощность линий
определяется:
зл1=
Bл1=2202 ∙ 369,3 = 17,9 МВар.
Аналогично определяем все параметры
и для остальных линий. Полученные значения сведем в таблицу 8.5.
Таблица 8.5
|
№
линии
|
Марка
провода
|
Uн
кВ
|
L
км
|
R
Ом
|
х
Ом
|
B
мкСм
|
Qз
Мвар
|
|
1
|
2ЧАСО-300
|
220
|
70
|
3,43
|
15
|
369,6
|
17,9
|
|
2
|
АСО-500
|
220
|
75
|
4,5
|
30,98
|
205,5
|
9,95
|
|
3
|
АСО-500
|
220
|
75
|
4,5
|
30,98
|
205,5
|
9,95
|
|
4
|
АС-185
|
110
|
92
|
14,9
|
38
|
253
|
3,06
|
|
5
|
2ЧАСО-240
|
220
|
80
|
4,84
|
17,4
|
416
|
20,13
|
|
6
|
АС-185
|
110
|
96
|
15,55
|
39,65
|
264
|
3,19
|
|
7
|
АС-185
|
110
|
70
|
11,34
|
28,91
|
192,5
|
2,33
|
|
8
|
2ЧAC-70
|
35
|
46
|
9,84
|
9,9
|
|
|
Расчет параметров силовых трансформаторов
На подстанции «А» установлен трансформатор типа
АТДЦТН-200/220/110. Данные этого трансформатора приведены в таблице 8.6.
Таблица 8.6
|
Тип
трансф-ра
|
Sн
МВА
|
Uн
обмоток, кВ
|
Uк
%
|
кз
кВт
|
хх
кВт
|
Ixx
%
|
|
|
ВН
|
СН
|
НН
|
В-С
|
В-Н
|
С-Н
|
|
|
|
|
АТДЦТН-200/220/110
|
200
|
230
|
121
|
11
|
11,5
|
33,4
|
20
|
430
|
125
|
0,5
|
Определим активное сопротивление обмоток
трансформатора
Для начала определим общее сопротивление
трансформатора:
а =
m =
=
.
Сопротивление первой обмотки: R1
0,14
Ом;
Сопротивление второй обмотки: R2
=
0,14;
Сопротивление третьей обмотки: R3
0,28.
Определим реактивные сопротивления обмоток
трансформатора:
в =X1
15,2
Ом; с =X2
;
н =X3
27,1Ом.
Для двухобмоточных трансформаторов реактивное
сопротивление находят по формуле:
Потери мощности в трансформаторе:
Определим активные потери:
МВт;
Определим реактивные потери:
Определим полные потери:
Определим активную и емкостную проводимость:
Находим коэффициенты трансформации:
Аналогично производим расчет трансформаторов
остальных подстанций. Полученные значения занесем в таблицу 8.7.
Таблица 8.7
|
ПС
|
Тип
трансформатора
|
R1
Ом
|
R2
Ом
|
R3
Ом
|
X1
Ом
|
X2
Ом
|
X3
Ом
|
Bт
мкСм
|
Кт1
|
Кт2
|
Кт3
|
|
А
|
АТДЦТН-200/220/110
|
0,14
|
0,14
|
0,28
|
15,2
|
0
|
27,1
|
37,81
|
1
|
0,53
|
0,048
|
|
Б
|
АТДЦТН-63/220/110
|
0,71
|
0,71
|
1,43
|
52,1
|
0
|
97,8
|
6
|
1
|
0,53
|
0,048
|
|
В
|
ТДТН-25/110
|
1,5
|
1,5
|
1,5
|
28,6
|
0
|
17,8
|
26,4
|
1
|
0,335
|
0,096
|
|
М
|
ТМН-2,5/35
|
5,76
|
|
|
15,9
|
|
|
40,8
|
0,18
|
|
|
9. Расчет на ЭВМ режимов электрической сети
.1 Расчет на ЭВМ максимального режима сети
Расчеты режимов электрической сети производим с
помощью программы Rastr. Перед проведением расчетов по программе надо
подготовить исходные данные по схеме, нагрузкам и генераторам электрической
сети в форме, понятной Rastr. Для этого необходимо:
нарисовать схему с указанием всех узлов и
ветвей;
пронумеровать все узлы электрической сети,
включая все промежуточные узлы. Например, электрическая станция может быть
представлена двумя узлами - шины генераторного напряжения и шины за
трансформатором. Узел в исходных данных программы соответствует электрическим
шинам;
для каждого узла определить его номинальное
напряжение и нанести на схему;
для каждого узла нагрузки определить активную и
реактивную мощности потребления;
для линий электропередач (ЛЭП) определить
продольное сопротивление и проводимость на землю (проводимость задается в
микросименсах и емкостный характер со знаком минус);
для трансформаторов определить сопротивление,
приведенное к стороне высокого напряжения, проводимость шунта на землю и
коэффициент трансформации;
автотрансформаторы и трехобмоточные
трансформаторы представить по схеме звезда с промежуточным узлом и тремя
ветвями, из которых две имеют коэффициенты трансформации;
определить номер балансирующего узла и его
модуль напряжения.
По полученным данным для максимального режима
электрической сети составляются таблицы узлов и ветвей. В меню программы
необходимо выбрать Открыть - Узлы - Узлы и Открыть - Ветви - Ветви. На экране
появятся два окна, содержащие пустые таблицы в которые вводятся данные по узлам
и ветвям. Для выполнения расчета режима надо перейти в меню Расчет и выбрать
команду Режим.
Данные расчета максимального режима приведены в
таблицах 9.1 и 9.2.
Таблица 9.1 - Таблица узлов
|
Тип
|
Номер
|
U_ном
|
Район
|
P_н
|
Q_н
|
Р_г
|
Q_г
|
V
|
Delta
|
|
База
|
1
|
230
|
1
|
|
|
293,4
|
135,1
|
230
|
|
|
Нагр
|
2
|
220
|
1
|
120
|
50
|
|
|
221,24
|
-2,92
|
|
Нагр
|
3
|
220
|
1
|
|
|
|
|
218,54
|
-4,08
|
|
Нагр
|
4
|
110
|
1
|
40
|
28
|
|
|
114,93
|
-4,07
|
|
Нагр
|
5
|
220
|
1
|
80
|
60
|
|
|
220,84
|
-3,17
|
|
Нагр
|
6
|
220
|
1
|
|
|
|
|
219,47
|
-3,63
|
|
Нагр
|
7
|
220
|
1
|
|
|
|
|
214,78
|
-5,18
|
|
Нагр
|
8
|
110
|
1
|
20
|
15
|
|
|
112,93
|
-5,17
|
|
Нагр
|
10
|
1
|
|
|
|
|
10,31
|
-5,18
|
|
Нагр
|
10
|
10
|
1
|
|
|
|
|
10,49
|
-4,08
|
|
Нагр
|
11
|
110
|
1
|
|
|
|
|
109,31
|
-6,35
|
|
Нагр
|
12
|
110
|
1
|
|
|
|
|
103,98
|
-10,31
|
|
Нагр
|
13
|
35
|
1
|
15
|
10
|
|
|
34,75
|
-10,21
|
|
Нагр
|
14
|
10
|
1
|
10
|
5
|
|
|
9,88
|
-11,22
|
|
Нагр
|
15
|
35
|
1
|
|
|
|
|
33,34
|
-10,94
|
|
Нагр
|
16
|
6
|
1
|
3
|
1,36
|
|
|
5,77
|
-13,09
|
Таблица 9.2 - Таблица ветвей
|
Тип
|
Nнач
|
Nкон
|
Название
|
R
|
X
|
B
|
Кт/r
|
P_нач
|
Q_нач
|
|
ЛЭП
|
1
|
2
|
Л-1
|
3,43
|
15
|
-369,3
|
|
-195
|
-84
|
|
ЛЭП
|
13
|
15
|
Л-2
|
9,9
|
9,9
|
|
|
-3
|
-2
|
|
ЛЭП
|
1
|
5
|
Л-3
|
4,5
|
30,98
|
-205,5
|
|
-99
|
-51
|
|
ЛЭП
|
2
|
5
|
Л-4
|
4,5
|
30,98
|
-205,5
|
|
-7
|
3
|
|
ЛЭП
|
8
|
11
|
Л-5
|
11,34
|
28,91
|
-192,5
|
|
-13
|
-8
|
|
ЛЭП
|
4
|
11
|
Л-6
|
15,55
|
39,65
|
-264
|
|
-17
|
-8
|
|
ЛЭП
|
4
|
8
|
Л-7
|
14,9
|
38
|
-253
|
|
-8
|
-1
|
|
ЛЭП
|
5
|
6
|
Л-8
|
4,84
|
17,4
|
-416
|
|
-25
|
0
|
|
Тр-р
|
2
|
3
|
ПС
«А»
|
0,14
|
15,2
|
37,8
|
1
|
-64
|
-41
|
|
Тр-р
|
3
|
4
|
|
0,14
|
|
|
0,526
|
-64
|
-38
|
|
Тр-р
|
3
|
10
|
|
0,28
|
27,11
|
|
0,048
|
0
|
0
|
|
Тр-р
|
6
|
7
|
ПС
«Б»
|
0,71
|
52,06
|
6
|
1
|
-25
|
-20
|
|
Тр-р
|
7
|
8
|
|
0,71
|
|
|
0,526
|
-25
|
-19
|
|
Тр-р
|
7
|
9
|
|
1,43
|
97,82
|
|
0,048
|
0
|
0
|
|
Тр-р
|
11
|
12
|
ПС
«В»
|
1,5
|
28,6
|
26,4
|
1
|
-28
|
-20
|
|
Тр-р
|
12
|
13
|
|
1,5
|
|
|
0,335
|
-18
|
-12
|
|
Тр-р
|
12
|
14
|
|
1,5
|
17,8
|
|
0,096
|
-10
|
-5
|
|
Тр-р
|
15
|
16
|
ПС
«М»
|
5,76
|
15,9
|
40,8
|
0,18
|
-3
|
-2
|
Рисунок 9.1 - Режим максимальных нагрузок
.2 Расчеты на ЭВМ минимального и послеаварийного
режимов электрической сети
Аналогично расчету максимального режима
производим расчеты минимального и послеаварийного режимов электрической сети.
Таблица 9.3 - Результаты расчёта узлов
минимального режима по программе RASTR
|
Тип
|
Номер
|
U_ном
|
Район
|
P_н
|
Q_н
|
Р_г
|
Q_г
|
V
|
Delta
|
|
База
|
1
|
230
|
1
|
|
|
145,1
|
23,9
|
230
|
|
|
Нагр
|
2
|
220
|
1
|
60
|
25
|
|
|
226,93
|
-1,48
|
|
Нагр
|
3
|
220
|
1
|
|
|
|
|
226,02
|
-2,01
|
|
Нагр
|
4
|
110
|
1
|
20
|
14
|
|
|
118,88
|
-2,01
|
|
Нагр
|
5
|
220
|
1
|
40
|
30
|
|
|
227,41
|
-1,61
|
|
Нагр
|
6
|
220
|
1
|
|
|
|
|
227,25
|
-1,86
|
|
Нагр
|
7
|
220
|
1
|
|
|
|
|
225,24
|
-2,59
|
|
Нагр
|
8
|
1
|
10
|
7,5
|
|
|
118,45
|
-2,58
|
|
Нагр
|
9
|
10
|
1
|
|
|
|
|
10,81
|
-2,59
|
|
Нагр
|
10
|
10
|
1
|
|
|
|
|
10,85
|
-2,01
|
|
Нагр
|
11
|
110
|
1
|
|
|
|
|
116,9
|
-3,13
|
|
Нагр
|
12
|
110
|
1
|
|
|
|
|
114,59
|
-4,79
|
|
Нагр
|
13
|
35
|
1
|
7,5
|
5
|
|
|
38,35
|
-4,75
|
|
Нагр
|
14
|
10
|
1
|
5
|
2,5
|
|
|
10,96
|
-5,17
|
|
Нагр
|
15
|
35
|
1
|
|
|
|
|
37,74
|
-5,04
|
|
Нагр
|
16
|
6
|
1
|
1,5
|
0,7
|
|
|
6,7
|
-5,84
|
Таблица 9.4 - Результаты расчёта ветвей
минимального режима по программе RASTR
|
Тип
|
Nнач
|
Nкон
|
R
|
X
|
B
|
Кт
|
Pнач
|
Qнач
|
|
ЛЭП
|
1
|
2
|
3,43
|
15
|
-369,3
|
|
-96
|
-17
|
|
ЛЭП
|
13
|
15
|
9,9
|
9,9
|
|
|
-2
|
-1
|
|
ЛЭП
|
1
|
5
|
4,5
|
30,98
|
-205,5
|
|
-49
|
-7
|
|
ЛЭП
|
2
|
5
|
4,5
|
30,98
|
-205,5
|
|
-3
|
9
|
|
ЛЭП
|
8
|
11
|
11,34
|
28,91
|
-192,5
|
|
-6
|
-3
|
|
ЛЭП
|
4
|
11
|
15,55
|
39,65
|
-264
|
|
-8
|
-1
|
|
ЛЭП
|
4
|
8
|
14,9
|
38
|
-253
|
|
-4
|
2
|
|
ЛЭП
|
5
|
6
|
4,84
|
17,4
|
-416
|
|
-13
|
12
|
|
Тр-р
|
2
|
3
|
0,14
|
15,2
|
37,8
|
1
|
-32
|
-15
|
|
Тр-р
|
3
|
4
|
0,14
|
|
|
0,526
|
-32
|
-13
|
|
Тр-р
|
3
|
10
|
0,28
|
27,11
|
|
0,048
|
0
|
0
|
|
Тр-р
|
6
|
7
|
0,71
|
52,06
|
6
|
1
|
-13
|
-9
|
|
Тр-р
|
7
|
8
|
0,71
|
|
|
0,526
|
-13
|
-8
|
|
Тр-р
|
7
|
9
|
1,43
|
97,82
|
|
0,048
|
0
|
0
|
|
Тр-р
|
11
|
12
|
1,5
|
28,6
|
26,4
|
1
|
-14
|
-9
|
|
Тр-р
|
12
|
13
|
1,5
|
|
|
0,335
|
-9
|
-6
|
|
Тр-р
|
12
|
14
|
1,5
|
17,8
|
|
0,096
|
-5
|
-3
|
|
Тр-р
|
15
|
16
|
5,76
|
15,9
|
40,8
|
0,18
|
-2
|
-1
|
Таблица 9.5 - Результаты расчёта узлов
аварийного режима при отключении линии 4-11
|
Тип
|
Номер
|
U_ном
|
Район
|
P_н
|
Q_н
|
Р_г
|
Q_г
|
V
|
Delta
|
|
База
|
1
|
230
|
1
|
|
|
294,7
|
144,1
|
230
|
|
|
Нагр
|
2
|
220
|
1
|
120
|
50
|
|
|
221,15
|
-2,87
|
|
Нагр
|
3
|
220
|
1
|
|
|
|
|
218,7
|
-3,87
|
|
Нагр
|
4
|
110
|
1
|
40
|
28
|
|
|
115,02
|
-3,87
|
|
Нагр
|
5
|
220
|
1
|
80
|
60
|
|
|
219,82
|
-3,29
|
|
Нагр
|
6
|
220
|
1
|
|
|
|
|
217,32
|
-3,88
|
|
Нагр
|
7
|
220
|
1
|
|
|
|
|
209,96
|
-6,1
|
|
Нагр
|
8
|
110
|
1
|
20
|
15
|
|
|
110,38
|
-6,07
|
9
|
10
|
1
|
|
|
|
|
10,08
|
-6,1
|
|
Нагр
|
10
|
10
|
1
|
|
|
|
|
10,5
|
-3,87
|
|
Нагр
|
11
|
110
|
1
|
|
|
|
|
101,34
|
-9,14
|
|
Нагр
|
12
|
110
|
1
|
|
|
|
|
95,47
|
-13,79
|
|
Нагр
|
13
|
35
|
1
|
15
|
10
|
|
|
31,89
|
-13,67
|
|
Нагр
|
14
|
10
|
1
|
10
|
5
|
|
|
9,06
|
-14,87
|
|
Нагр
|
15
|
35
|
1
|
|
|
|
|
30,35
|
-14,55
|
|
Нагр
|
16
|
6
|
1
|
3
|
1,4
|
|
|
5,21
|
-17,18
|
Таблица 9.6 - Результаты расчёта ветвей
аварийного режима при отключении линии 4-11
|
S
|
Тип
|
Nнач
|
Nкон
|
R
|
X
|
B
|
Кт
|
Pнач
|
Qнач
|
|
|
ЛЭП
|
1
|
2
|
3,43
|
15
|
-369,3
|
|
-192
|
-86
|
|
|
ЛЭП
|
13
|
15
|
9,9
|
9,9
|
|
|
-3
|
-2
|
|
|
ЛЭП
|
1
|
5
|
4,5
|
30,98
|
-205,5
|
|
-103
|
-58
|
|
|
ЛЭП
|
2
|
5
|
4,5
|
30,98
|
-205,5
|
|
-13
|
-3
|
|
|
ЛЭП
|
8
|
11
|
11,34
|
28,91
|
-192,5
|
|
-30
|
-22
|
|
x
|
ЛЭП
|
4
|
11
|
15,55
|
39,65
|
-264
|
|
|
|
|
|
ЛЭП
|
4
|
8
|
14,9
|
38
|
-253
|
|
-16
|
-6
|
|
|
ЛЭП
|
5
|
6
|
4,84
|
17,4
|
-416
|
|
-34
|
-12
|
|
|
Тр-р
|
2
|
3
|
0,14
|
15,2
|
37,8
|
1
|
-56
|
-38
|
|
|
Тр-р
|
3
|
4
|
0,14
|
|
|
0,526
|
-56
|
-34
|
|
|
Тр-р
|
3
|
10
|
0,28
|
27,11
|
|
0,048
|
0
|
0
|
|
Тр-р
|
6
|
7
|
0,71
|
52,06
|
6
|
1
|
-34
|
-31
|
|
Тр-р
|
7
|
8
|
0,71
|
|
|
0,526
|
-34
|
-29
|
|
Тр-р
|
7
|
9
|
1,43
|
97,82
|
|
0,048
|
0
|
0
|
|
|
Тр-р
|
11
|
12
|
1,5
|
28,6
|
26,4
|
1
|
-28
|
-21
|
|
|
Тр-р
|
12
|
13
|
1,5
|
|
|
0,335
|
-18
|
-12
|
|
|
Тр-р
|
12
|
14
|
1,5
|
17,8
|
|
0,096
|
-10
|
-5
|
|
|
Тр-р
|
15
|
16
|
5,76
|
15,9
|
40,8
|
0,18
|
-3
|
-2
|
Рисунок 9.2 - Режим минимальных нагрузок
Рисунок 9.3 - Аварийный режим работы
сети при отключении линии 4-11
. Регулирование напряжения на ГПП «Цементного
завода»
Для нормальной работы потребителей необходимо
поддерживать определенный уровень напряжения на шинах ПС. Для регулирования
напряжения на трансформаторах понижающих подстанций устанавливают специальное
устройство - регулятор под нагрузкой, представляющее собой автоматическое
устройство, меняющее рабочее ответвление витков обмотки трансформатора и,
следовательно, коэффициент трансформации трансформатора. Устройство
устанавливают в трансформаторах напряжением 35 кВ и выше, и размещают в
нейтрали обмотки высокого напряжения. Это позволяет, во первых, иметь наиболее
плавное регулирование, так как число витков у обмотки высокого напряжения
больше, чем у низкого напряжения, во-вторых, при переключениях выполняется
коммутация меньших по величине токов чем на стороне низкого напряжения; в
третьих, включение регулятора в заземленную нейтраль на высоком напряжении
значительно снижает требования к изоляции устройства регулирования. Регулятор
под нагрузкой осуществляет встречное регулирование напряжения, которое может
выполняться автоматически и дистанционно. Вручную переключать регулятор
запрещается. В виду того что при частом переключении переключатель регулятора
выходит из строя автоматическое управление не рекомендуется, а рекомендуется
дистанционное управление. Регулируемая обмотка может иметь 13, 17 или 19
ступеней регулирования по 1,5 или 1,78% то есть диапазон регулирования ±9, ±12,
или ±16% от Uном.
Относительное число витков для трансформаторов с
РПН ±6Ч1,5 % определяется по формуле
;
;
.
Для остальных ответвлений расчет производим
аналогично, результаты занесем в таблицу 10.1:
Таблица 10.1
|
№
ответвления
|
Относительное
число витков
|
Напряжение
ответвления, кВ
|
Ступень
рег-я напряжения, %
|
|
1
|
1,09
|
38,15
|
9
|
|
2
|
1,075
|
37,625
|
7,5
|
|
3
|
1,06
|
37,1
|
6
|
|
4
|
1,045
|
36,575
|
4,5
|
|
5
|
1,03
|
36,05
|
3
|
|
6
|
1,015
|
35,525
|
1,5
|
|
7
|
1
|
35
|
0
|
|
8
|
0,985
|
34,475
|
-1,5
|
|
9
|
0,97
|
33,95
|
-3
|
|
10
|
0,955
|
33,425
|
-4,5
|
|
11
|
0,94
|
32,9
|
-6
|
|
12
|
0,925
|
32,375
|
-7,5
|
|
13
|
0,91
|
31,85
|
-9
|
Рассчитываем РПН для трансформатора ГПП -
ТМН-2500/35, Uнв = 35 кВ, Uнн = 6 кВ.
Расчет регулирования напряжения в максимальном
режиме
Определяем напряжение ответвления:
;
где:
-
напряжение U2 приведенное к напряжению высокой обмотки;
- желаемое
напряжение в максимальном режиме,
;
кВ.
где: Uв = 33,34 кВ - напряжение на стороне
высокого напряжения трансформатора в максимальном режиме, которое определяется
в электрическом расчете.
По данному расчету из таблицы 10.1 выбираем
ближайшее стандартное ответвление к рассчитанному: Uотв.ст. = 31,85 кВ.
Определим истинное напряжение на выводах
вторичной обмотки
Расчет регулирования напряжения в минимальном
режиме
Определяем напряжение ответвления:
где:
-
желаемое напряжение в минимальном режиме,
;
где: Uв = 37,74 кВ - напряжение на стороне
высокого напряжения трансформатора в минимальном режиме, которое определяется в
электрическом расчете.
По данному расчету из таблицы 10.1 выбираем
ближайшее стандартное ответвление к рассчитанному: Uотв.ст. = 37,1 кВ.
Определим истинное напряжение на выводах
вторичной обмотки
Расчет регулирования напряжения в аварийном
режиме
Определяем напряжение ответвления:
;
где:
-
желаемое напряжение в аварийном режиме,
;
где: Uв = 30,35 кВ - напряжение на стороне
высокого напряжения трансформатора в аварийном режиме, которое определяется в
электрическом расчете.
По данному расчету из таблицы 10.1 выбираем
ближайшее стандартное ответвление к рассчитанному: Uотв.ст. = 31,85 кВ.
Определим истинное напряжение на выводах
вторичной обмотки
11. Автоматика, измерения и учет в системе
электроснабжения
.1 Учет электроэнергии для цементного завода
Коммерческий учет обычно устанавливают на
границе раздела балансовой принадлежности. Количество точек учета определяется
числом вводов энергоносителей. Количество измерительных параметров в точке
контроля ограничивается параметрами, определяемыми финансовыми расчетами с
энергоснабжающей организацией. Он является обязательным по закону. Система
коммерческого учета должна включаться в «Государственный реестр средств
измерений», обеспечивается средствами защиты информации от несанкционированного
вмешательства в ее работу.
Технический учет не является обязательным по
закону, он предназначен для учета, контроля и управления энергопотреблением по
всей иерархии предприятия: корпус, цех, участок, энергоемкое оборудование.
Количество точек учета зависит от структуры предприятия, его энергоприемников и
определяется приведенной стоимостью одной точки контроля, ее окупаемостью. К
техническому учету предъявляются пониженные требования точности измерений.
В период существования дешевых энергоносителей
приборный учет энергоресурсов был ограничен и относителен, так как затраты на
его организацию не оправдывал эффект, который можно было получить от его
внедрения. Экономические условия вчерашнего дня обуславливали приблизительный,
неточный и условный энергоучет, который грубо отражал реальные процессы
энергопотребления.
В начале 70-х годов в связи с энергетическим
кризисом, удорожанием и лимитированием энергоресурсов возникла необходимость
усложнения тарифов. В связи с этими для крупных потребителей с нагрузкой более
750 кВА был введен двуставочный тариф за потребленную электроэнергию и
заявленную мощность в часы пик. Предприятия оснащались устройством Ганц-прибор,
который фиксировал максимум. В целом такой учет характеризовался низкой
точностью из-за визуального съема показаний и неодновременного съема показаний.
Подобный вид учета не может удовлетворить как промышленное предприятие, так и
энергоснабжающую организацию из-за удорожания энергоресурсов и перехода от
плановой экономики к рыночной. В условиях рынка необходим высокоточный учет,
сводящий к минимуму участие человека на этапах измерения, сбора и обработки
данных. Учет, адаптируемый к различным тарифным системам, как со стороны
поставщика энергоресурсов, так и со стороны потребителя. С этой целью и тот и
другой создают на своих объектах автоматизированные системы контроля и учета
энергоресурсов (АСКУЭ). При наличии АСКУЭ промышленное предприятие мощностью
контролирует процесс энергопотребления и имеет возможность по согласованию с
поставщиком энергоресурсов гибко переходить к разным тарифным системам (зонным
тарифам). Зонные тарифы позволяют через экономические рычаги влиять на график
нагрузки и снижать суммарные энергозатраты энергосистемы и потребителя.
В перспективе развитие производства будет
сопровождаться удорожанием энергоресурсов, что обуславливает необходимость
жесткого контроля, ограничения и снижения энергозатрат в себестоимости
продукции. Это возможно выполнить только с применением современных АСКУЭ.
Использование АСКУЭ на промышленных предприятиях
позволяет решать следующие задачи:
комплексный автоматизированный коммерческий и
технический учет электроэнергии и всех видов энергоносителей: вода, пар, газ и
др. по предприятию и его структурным подразделениям в соответствии с
действующими тарифами;
контроль энергопотребления по всем
энергоносителям в заданном временном интервале (1, 3, 5, 30 минут, зоны, смены,
сутки, месяц, кварталы, годы);
фиксация отклонений контролируемых параметров
энергоучета и их оценка в абсолютных и относительных единицах с целью облегчения
анализа энергопотребления;
сигнализация отклонений (цветом, звуком,
распечаткой) контролируемых величин сверх допустимых значений с целью принятия
оперативных решений;
автоматическое управление энергопотреблением на
основе заданных критериев и приоритетные схемы включения-отключения
потребителей;
расчет с субабонентами предприятия и
внутрихозяйственный расчет по энергоресурсам между цехами и подразделениями
завода.
Структура АСКУЭ
По своей структуре системы АСКУЭ как
коммерческого, так и технического учета могут быть трех- и двухуровневыми,
централизованными и децентрализованными. Обобщенная структура АСКУЭ содержит 3
уровня:
нижний - первичные измерительные преобразователи
(ПИП) с телеметрическим выходом, осуществляют непрерывно или с минимальным
интервалом усреднения измерений параметров энергоучета (расход, мощность,
температура и т.д.) по точкам учета;
средний уровень - контроллеры или устройства
сбора и передачи данных - специализированные измерительные системы или
многофункциональные программируемые преобразователи с встроенным программным
обеспечением энергоучета, осуществляющие в заданном интервале усреднения
круглосуточный сбор данных с ПИП, накопления, обработку и передачу этих данных
на верхний уровень;
верхний уровень - персональная ЭВМ (ПЭВМ) со
специализированным программным обеспечением АСКУЭ. Осуществляет сбор информации
с контролеров среднего уровня, итоговую обработку информации как по точкам
учета, так и по их группам, отображение и документирование данных учета в виде
удобном для анализа.
Нижний уровень Средний уровень Верхний уровень
АСКУЭ АСКУЭ АСКУЭ
Рис. 11.1 - Структурная трехуровневая схема
АСКУЭ
Трехуровневая система АСКУЭ применяется в
случаях установки ПИП с импульсным или цифровым выходом. Прогресс в области
интегральной технологии позволил перенести функции контролеров непосредственно
в ПИП и получить таким образом «интеллектуальные ПИП». Для этих
преобразователей трехуровневую схему АСКУЭ можно преобразовать в двухуровневую:
ПИП -> ПЭВМ. Указанный принцип построения АСКУЭ требует дорогих
«интеллектуальных ПИП» и большого количества каналов связи. Другим вариантом
преобразования трехуровневой структуры АСКУЭ в двухуровневую с обычными
«неинтеллектуальными» счетчиками связано с перенесением контроллерных функций в
ПЭВМ, при этом ПЭВМ доукомплектовывается специальными модулями сбора данных.
Также АСКУЭ можно подразделить по принципу
доступа и реализации информации на централизованные и децентрализованные.
Структура централизованной системы АСКУЭ совпадает с трехуровневой схемой.
Такая структура позволяет получать информацию руководству предприятия, но
ограничивает доступ к ней энергетиков и руководителей подразделений.
Децентрализованная АСКУЭ строится на базе
недорогих многоканальных контролеров типа энергия-микро 16/32, Сикон С10 и др.
с встроенными табло и клавиатурой, которая устанавливается непосредственно на
контролируемых объектах и подключается к ПЭВМ. Такая структура АСКУЭ
обеспечивает доступ к информации всем заинтересованным лицам.
.2 Собственные нужды и автоматика подстанции
На ГПП «Цементного завода» установлено два
силовых двухобмоточных трансформатора: Т1 и Т2 типа ТМН-2500/35.
Мощность потребителей СН невелика, поэтому они
присоединяются к сети 380/220В, которая получает питание от понижающих
трансформаторов Т3 и Т4 типа ТМ-63/6.
Схема подключения ТСН выбирается из условия
надёжного обеспечения питания ответственных потребителей. Выбираем схему
питания СН с выпрямленным переменным оперативным током. Трансформаторы
собственных нужд присоединены отпайками к вводам силовых трансформаторов Т1 и
Т2. Такое включение обеспечивает возможность пуска ПС независимо от напряжения
в сети 6 кВ.
Рис 11.2. Схема питания собственных нужд
подстанции.
Нагрузка собственных нужд подстанции
Таблица 11.1
Вид потребителя Установленная
мощность
Нагрузка,
|
кВт
|
|
|
|
Единицы,
кВтЧкол-во
|
Всего,
кВт
|
|
|
|
Подогрев
выключателей и приводов
|
15,8Ч2
|
31,6
|
1
|
31,6
|
|
Подогрев
шкафов КРУН
|
1Ч22
|
22
|
1
|
22
|
|
Подогрев
приводов разъединителей
|
0,6Ч8
|
4,8
|
1
|
4,8
|
|
Отопление,
освещение, вентиляция
|
|
45
|
1
|
45
|
|
Освещение
ОРУ-35 кВ
|
|
2
|
1
|
2
|
|
Итого
|
|
|
|
105,4
|
Расчётная нагрузка при Кс = 0,8:
расч = 0,8 ∙ 105,4 = 84,3 кВА
Принимаем два ТСН ТМ-63 кВА 6/0,4 кВ. При
отключении одного трансформатора, второй будет загружен на 84,3/63 = 1,34, т.е.
меньше чем на 40 %, что допустимо.
Схема управления выключателями с
электромагнитными приводами
На ОРУ 35 кВ установлены выключатели с
электромагнитными приводами на постоянном токе. Для обеспечения их включения на
энергообъектах с переменным оперативным током устанавливаются выпрямительные
устройства, питающие электромагниты включения приводов. Для этой цели
применяются полупроводниковые выпрямители. На рис 11.3 показана схема
выпрямительного устройства для питания электромагнитов включения приводов.
Устройство собирается по трехфазной мостовой схеме. Выпрямительное устройство
постоянно подключено со стороны переменного тока к источнику питания.
Рис. 11.3. Принципиальная схема выпрямительного
устройства.
На рис. 11.4 показана схема управления и
сигнализации для выключателя с электромагнитным приводом. Схема управления
питается от шинок ЕС1 и ЕС2 через индивидуальный автомат SFL.
При отключенном выключателе и наличии напряжения
в схеме реле КL1 подтянуто и его замыкающий контакт в цепи реле КL замкнут. При
подаче ключом управления SA команды на включение выключателя срабатывает реле
КL, и своими контактами включает контактор КМ. Выключатель включается и своим
блок-контактом снимает питание с реле КL1 н КL. Контактор КМ отключается.
Рис 11.4. Схема управления и сигнализации
выключателя с электромагнитным приводом.
Назначением реле KL1 является блокировка
выключателя от многократных включений на КЗ При включении на КЗ выключатель
отключается от релейной защиты. Если сигнал на включение от ключа продолжает
поступать, то обмотка реле KL1 оказывается закороченной контактом ключа SА и
размыкающими контактами KL1, так как реле KL1 обесточилось при включении
выключателя. В результате цепь реле включения КL оказывается разорванной
замыкающим контактом KL1 и включение выключателя блокируется до снятия
включающего сигнала. Резистор R1 необходим для предотвращения КЗ при
закорачивании реле KL1, а резистор R2 ограничивает напряжение на обмотке
подтянутого реле КL1 в связи с тем, что индуктивные сопротивления отпавшего и
подтянутого реле различны.
В цепь контактора КМ включены три контакта реле
KL, снимающие включающий сигнал после завершения операции включения. Эти
контакты заменяют размыкающий блок-контакт выключателя, так как в приводе он
один и используется в цепи обмоток реле КL1 и КL. Последовательное включение
контактов реле KL облегчает гашение дуги при размыкании цепи КМ.
Электромагнит отключения привода питается
постоянным током. В схеме рис. 11.4 для этой цели используется энергия
предварительно заряженной батареи конденсаторов. Заряд конденсаторов
производится от зарядного устройства СG. Это устройство содержит повышающий
трансформатор с ответвлениями для подготовки зарядного напряжения, выпрямители,
включенные по однополупериодной схеме, поляризованное реле для сигнализации
пробоя выпрямителей устройства или конденсаторов батареи, реле напряжения,
которое отсоединяет своим замыкающим контактом устройство от нагрузки,
предотвращая разряд конденсаторов при снижении и исчезновении напряжения
питания.
Рабочее напряжение конденсаторной батареи и
зарядного устройства 0,4 кВ получается за счет повышающего трансформатора.
Напряжение батареи 0,4 кВ при номинальном напряжении электромагнита отключения
0,22 кВ принято для уменьшения емкости конденсаторов.
При этом обеспечивается безупречная
кратковременная работа электромагнитов 0,22 кВ при напряжении на конденсаторах
0,4 кВ. Одновременно сравнительно невысокое рабочее напряжение батареи
конденсаторов 0,4 кВ позволяет сохранить обычный уровень изоляции аппаратуры и
проводов вторичных схем.
При замыкании контактов ключа управления и или
реле защиты конденсатор С2 разряжается на электромагнит отключения YАТ и
выключатель отключается Преимуществом такой схемы является то, что даже при
полном обесточении объекта конденсаторы готовы к действию. Импульсный характер
тока в цепи отключения облегчает работу контактов реле. В результате появляется
возможность отказаться от блок-контактов выключателя в цепи отключения и, таким
образом, устраняется одно из слабых мест в оперативных цепях. В ряде случаев
отпадает также необходимость в контроле исправности цепи включения, однако при
наличии ячеек КРУ необходимость контроля цепей управления сохраняется, так как
возможность обрыва цепи отключения на разъединяющих контактах ячейки весьма
вероятна.
Одно зарядное устройство может служить, для
заряда нескольких конденсаторных батарей общей емкостью 500 мкФ. Поэтому для
исключения одновременною разряда всех батарей, питающих разные цепи, при замыкании
контакта аппарата какой-либо одной цепи в схему вводятся полупроводниковые
диоды VD1 и VD2. Резистор R служит для защиты зарядного устройства, ограничивая
ток КЗ контакты ключа S и тех же цепях - для разряда емкостей С1 и С2 при
отключении устройства СG.
Для выполнения сигнализации аварийного
отключения выключателя в схему введено двухпозиционное реле KQ - реле фиксации
включенного положения выключателя. Применение двухпозиционного реле исключает
возможность переориентации его при кратковременных снижениях напряжения и
потере питания. При включении выключателя реле КQ замыкает свой контакт в цепи
аварийной сигнализации. Если выключатель отключается самопроизвольно или от
релейной защиты, то реле КQ не переориентируется и сигнальное реле КH1 сигнализирует
аварийное отключение выключателя Отключение источника СG производится ключом S.
Сигнализация неисправности зарядного устройства осуществляется указательным
реле КН2, а сигнализация положения выключателя - лампами HLT и HLC.
12. Специальная часть дипломного проекта.
Защита высоковольтных двигателей
.1 Виды повреждений и ненормальных режимов
работы электродвигателей и требования к их защитам
К повреждениям, возникающим в обмотке статора
электродвигателей переменного тока, относятся многофазные короткие замыкания,
однофазные замыкания на землю и замыкания между витками одной фазы (витковые
замыкания). Повреждениями синхронных электродвигателей и электродвигателей
постоянного тока являются также обрывы в цепях возбуждения. Для синхронных
электродвигателей представляют опасность замыкания на землю обмотки ротора.
Многофазные короткие замыкания всегда
сопровождаются значительным возрастанием тока в поврежденном электродвигателе и
понижением напряжения в питающей сети. Такие повреждения опасны не только для
электродвигателя, но и для других неповрежденных электроприемников, поэтому на
электродвигателях предусматривается быстродействующая защита от многофазных
коротких замыканий в его обмотках и соединениях с коммутационным аппаратом,
действующая на отключение.
Однофазное повреждение на землю в обмотке
статора определяется режимом заземления нейтралей в питающей сети. Если
нейтрали глухо заземлены, что обычно характерно для четырехпроводных сетей
напряжением до 1 кВ, то ток однофазного короткого замыкания представляет
опасность для поврежденного электродвигателя, поэтому и при таких повреждениях
электродвигатель должен отключаться защитой без выдержки времени. Обычно это
возлагается на защиту от многофазных коротких замыканий, выполняемой
трехфазной. Специальную защиту от однофазных коротких замыканий на землю, как
правило, не предусматривают.
В сетях с изолированными или заземленными через
дугогасящие реакторы, нейтралями однофазные замыкания на землю, как правило,
непосредственной опасности для поврежденного электродвигателя и для системы
электроснабжения в целом не представляют. Поэтому специальная защита от
замыкания на землю, действующая на отключение, устанавливается на двигателях
мощностью Pд ≤ 2 МВт лишь в тех случаях, когда ток замыкания иа землю Iз ≥
10 А. На электродвигателях мощностью Pд > 2 МВт такая защита
предусматривается при токах замыкания на землю Iз ≥ 5 А. Однако, по
некоторым данным, ток замыкания на землю Iз ≥ 5 А представляет
непосредственную опасность и для электродвигателей мощностью Pд ≤ 2 МВт.
Поэтому предлагается защиту электродвигателей независимо от их номинальной
мощности выполнять одинаково. Опасность однофазных замыканий на землю
заключается и в том, что они могут переходить в двойные замыкания на землю в
разных точках. В этом случае значения токов повреждения могут достигать
значения тока двухфазного к. з. Отключение электродвигателя при двойных
замыканиях на землю возлагается обычно на защиту от замыкания на землю. Если
она имеет выдержку времени, то в ее схему дополнительно вводят реле тока,
срабатывающее при токах повреждения, равных 50-100 А, и отключающее
электродвигатель без выдержки времени.
Витковые замыкания в обмотке опасны для
электродвигателя в связи с тем, что наведенные в замкнувшихся витках токи могут
намного превышать номинальный ток. При этом из-за теплоты, выделяемой в
замкнувшихся витках, происходит повышенный нагрев магнитопровода и
неповрежденной части обмотки и, как следствие, дальнейшее разрушение изоляции.
Ток в неповрежденной части обмотки при витковых замыканиях изменяется
незначительно, поэтому защиты, включенные на полные токи фаз, не могут
использоваться для действия при таких повреждениях. Для этого в случае
необходимости рекомендуется применять фильтровую токовую защиту. Имеются и
другие предложения. В частности, информацией о витковых замыканиях может
служить фазовый сдвиг между токами электродвигателя. На этой основе разработано
импульсное устройство защиты, измеряющее интервал между импульсами,
сформированными в момент перехода токов через нулевое значение. Защита
действует также при несимметричных К. 3.
Обрывы в цепях возбуждения синхронных
электродвигателей происходят очень редко, поэтому защита от этих повреждений
предусматривается только для некоторых мощных электродвигателей. Более вероятен
обрыв в цепях возбуждения двигателей постоянного тока. При обрыве цепи
возбуждения электродвигатель или тормозится (если на валу есть нагрузка), или
чрезмерно повышает частоту вращения (незагруженный электродвигатель с
независимым возбуждением или с параллельным самовозбуждением). И то, и другое
нежелательно, так как при торможении значительно возрастает ток якоря, а работа
с чрезмерной скоростью может привести к разрушению электродвигателя. Поэтому
электродвигатели постойного тока средней и большой мощности снабжаются защитой
от обрыва цепи возбуждения.
Замыкания на землю обмотки ротора. Как и для
турбогенераторов, опасно замыкание на землю во второй точке обмотки возбуждения
синхронного электродвигателя. Его защита от этого вида повреждения может быть
выполнена аналогично защите турбогенератора. Однако в соответствии с «Правилами
устройства электроустановок» такая защита необязательна.
Ненормальные режимы работы и защита от них
Все учитываемые ненормальные режимы работы
электродвигателя сопровождаются прохождением сверхтока в его обмотке. Опасно
прежде всего тепловое действие сверхтока, которое определяет допустимые
значения и продолжительность прохождения сверхтока. Чем больше кратность к тока
перегрузки относительно номинального тока, тем меньше допустимое время
перегрузки tпер=А/(к2 - 1), где А - коэффициент, зависящий от типа и исполнения
электродвигателя. Для закрытых электродвигателей с большими массой и размерами
А ≈ 250; для открытых А = 150.
Основными причинами возникновения сверхтоков
являются технологические перегрузки приводимых во вращение механизмов,
понижение напряжения в питающей сети и последующее его восстановление и обрыв
одной фазы обмотки статора. Для синхронных электродвигателей причиной появления
сверхтока является также асинхронный режим.
Сверхтоки технологической перегрузки. В условиях
эксплуатации некоторые электродвигатели перегружаются приводимыми в движение
механизмами. При недопустимой длительности перегрузки электродвигатель должен
быть разгружен. Технологические перегрузки могут устраняться автоматически или
обслуживающим персоналом без останова механизма или только после его останова
(например, завал угля в дробилке), поэтому за щита от перегрузки имеет выдержку
времени и может выполняться с действием на автоматическую разгрузку механизма,
на сигнал или на отключение электродвигателя.
Сверхтоки при понижении напряжения. Момент
вращения Мвр электродвигателя зависит от напряжения Uc на его выводах. Так, для
асинхронного электродвигателя Мвр = кUс2, поэтому понижение напряжения UС1
например при коротком замыкании в питающей сети, приводит к снижению момента
вращения и уменьшению числа оборотов электродвигателя. Он может даже
остановиться, если вращающий момент станет меньше противодействующего момента
механизма. Последующее восстановление нормальной работы (самозапуск) при
возрастании напряжения после отключения короткого замыкания сопровождается
прохождением по обмоткам сверхтоков самозапуска. Токи самозапуска для
большинства электродвигателей опасности не представляют, так как режим самозапуска
кратковременен. Однако при одновременном самозапуске многих электродвигателей,
подключенных к одной и той же сети, в ряде случаев начальное значение
восстанавливающегося напряжения оказывается Uост.сзп < (0,55...0,7)Uном, что
затрудняет восстановление нормальной работы. Поэтому часть менее ответственных
электродвигателей при понижении напряжения должна отключаться минимальной
защитой напряжения, чтобы облегчить самозапуск более ответственных
электродвигателей. При недостаточной мощности источника питания наряду с
неответственными необходимо отключать и часть ответственных механизмов. Они
обратно включаются устройством АПВ по окончании самозапуска неотключенных
электродвигателей. Минимальную защиту напряжения необходимо также устанавливать
на электродвигателях механизмов, самозапуск которых недопустим по условиям
технологического процесса или по условиям техники безопасности.
Сверхтоки при обрыве фазы. Сверхтоки, вызываемые
обрывом фазы, наиболее часто возникают при защите электродвигателя или его питающей
сети плавкими предохранителями. При этом вращающий момент уменьшается.
Поведение работающего электродвигателя после обрыва фазы (работа с пониженной
скоростью или торможение) зависит от противодействующего момента механизма.
Если к сети с оборванной фазой подключается неподвижный электродвигатель, то,
поскольку он развернуться не может, по его обмотке может длительно проходить
опасный для него начальный пусковой ток. Перегорание предохранителя в одной
фазе или нарушение контакта в одном полюсе коммутационного аппарата при
правильном выборе предохранителей и высокой культуре эксплуатации
электрооборудования происходят очень редко. Поэтому обычно специальная защита
от работы электродвигателя. На двух фазах не устанавливается, а ее функции
выполняют другие защиты от перегрузок. Применение защиты от обрыва фазы
оправдано, если электродвигатель работает в длительном режиме с большой
нагрузкой без постоянного наблюдения персонала, а повреждение электродвигателя
влечет за собой существенный ущерб.
Необходимо заметить, что токовые защиты от
перегрузки часто отказывают в действии при обрыве фазных проводов. Этим
объясняются многочисленные предложения по совершенствованию существующих и
разработке новых устройств защиты от обрыва проводов и перегрузки.
Защиты электродвигателей выполняются на основе
отдельных электромеханических и полупроводниковых реле. Эти защиты обычно
нечувствительны к неполнофазным режимам, к витковым замыканиям, они не
учитывают возможности появления ряда режимов опасных для электродвигателей,
таких, например, как процесс старения изоляции, недовозбуждение и
перевозбуждение синхронных электродвигателей, перенапряжения и др. В связи с
этим ведутся работы по созданию специализированных комплектов релейной защиты
отдельных объектов, более точно учитывающих режимы работы и перегрузочные
характеристики защищаемого оборудования. Для электродвигателей выше 1 кВ такой
защитой является, например, многофункциональное устройство ЗРКД1. Оно
предназначено для защиты при следующих аварийных и ненормальных режимах работы
электродвигателя: междуфазных к.з. на выводах и в обмотке, замыканиях на землю,
в том числе двойных замыканиях; витковых замыканиях обмоток статора, обрывах
фазы статора; перегрузках; снижениях напряжения питающей сети и потере питания.
.2 Защита электродвигателей напряжением 6 кВ
На цементном заводе установлены высоковольтные
асинхронные электродвигатели ФАМСО-148-6 мощностью 310 кВт.
Для асинхронных электродвигателей напряжением
выше 1 кВ предусматриваются устройства релейной защиты, действующие при:
многофазных коротких замыканиях на выводах и в обмотках статора; перегрузках,
вызванных технологическими причинами и затянувшимся пуском или самозапуском;
исчезновении или длительном снижении напряжения. В необходимых случаях должна
устанавливаться защита от однофазных замыканий на землю. Обычно эти защиты
выполняются с помощью вторичных реле прямого действия или реле косвенного
действия на оперативном переменном токе.
Защита от многофазных коротких замыканий. Для
защиты от многофазных КЗ применяются плавкие предохранители, токовые отсечки
без выдержки времени и продольные дифференциальные защиты.
Токовая отсечка без выдержки времени
устанавливается на электродвигателях мощностью Рд < 5000 кВт, причем для
электродвигателей мощностью Рд < 2000 кВт она выполняется однорелейной, с
включением реле на разность токов двух фаз.
На рис. 12.1 показана схема токовой отсечки с
реле тока КА прямого действия.
Рис. 12.1
Защита от замыканий на землю. Она
предусматривается на электродвигателях соответствующей мощности, если ток
замыкания на землю достигают указанных выше (см. 12.1) значений. Защита от
замыканий на землю реагирует на емкостный ток сети и выполняется с помощью
одного токового реле типа РТЗ-51, которое подключается к ТТ нулевой
последовательности (ТТНП), установленному на кабеле, питающем двигатель.
Применяется ТТНП типа ТЗЛМ (рис. 12.2).
Тока срабатывания, выражаемый в амперах, можно
определить, используя выражение:
д = ω∙Сд∙Uном.ф;
где Uном.ф - номинальное фазное напряжение
электродвигателя, В;
Сд - емкость фазы электродвигателя, Ф. Значение
емкости сообщается заводом-изготовителем электродвигателей (Сд = 2 мкФ).
д = 314 ∙ 2∙10-6 ∙ 6000 = 3,78
А.
Рис. 12.2. Защита двигателя от замыканий на
землю.
Защита минимального напряжения. В общем случае
защита выполняется двухступенчатой. Первая ступень предназначена для облегчения
самозапуска ответственных электродвигателей, она отключает электродвигатели
неответственных механизмов. Напряжение срабатывания первой ступени
устанавливается примерно равным U'с.з = 0,7Uном, а выдержка времени принимается
на ступень селективности больше времени действия быстродействующих защит от
многофазных коротких замыканий; t'с.з=0,5 ... 1,5 с. Вторая ступень защиты
отключает часть электродвигателей ответственных механизмов, самозапуск которых
недопустим по условиям техники безопасности или из-за особенностей
технологического процесса. Напряжение срабатывания второй ступени не превышает
U''с.з = 0,5Uном, а выдержка времени принимается t''с.з= 10…15 с. Схемы
минимальной защиты напряжения выполняются таким образом, чтобы исключить ее
ложное действие при нарушениях во вторичных цепях трансформаторов напряжения.
Наиболее простая однорелейная схема защиты -
применяется только при использовании реле прямого действия РНВ. Одна из таких
схем показана на рис. 12.3. В схеме используются минимальные реле напряжения
КVТ1- КVТ4, установленные на четырех электродвигателях М1-M4. Для повышения
надежности в схеме защиты:
фаза b цепей напряжения заземлена не наглухо, а
через пробивной предохранитель FV, поэтому при однофазных замыканиях на землю
фаз а и с установленные в цепях автоматические выключатели SF1 и SF2 не
отключаются;
приборы и счетчики подключены к цепям напряжения
через отдельный автоматический выключатель SF3 с мгновенным расцепителем,
поэтому короткие замыкания в целях измерительных приборов устраняются раньше,
чем сработают реле КVТ;
Рис. 12.3. Защита минимального напряжения
электродвигателей напряжением 6 кВ
между фазами а и с включен конденсатор емкостью
C = 30 мкФ, через который подается напряжение на соответствующее реле КVТ после
отключения автоматического выключателя SF1 или SF2 при двухфазных коротких
замыканиях в цепях защиты; при замыкании между фазами а и b или a и с
отключается автоматический выключатель SF1, имеющий мгновенный расцепитель
(автоматический выключатель SF2 имеет тепловой расцепитель и при замыкании
между фазами а и с отключиться не успевает), и напряжение на реле KVT1 и КVТ2
при этом поступает через конденсатор С от фазы с; при замыкании между фазами b
и c отключается автоматический выключатель SF2 и напряжение на реле КVТЗ и КVТ4
поступает через конденсатор С от фазы a; подаваемого через конденсатор
напряжения достаточно для возбуждения реле KVT, поэтому ложного действия защиты
не происходит.
Сигнализация неисправности цепей напряжения
осуществляется контактами реле напряжения KV1-KV3 и вспомогательными контантами
автоматических выключателей SF1-SF3.
.3 Расчет самозапуска электродвигателей
Расчет самозапуска необходим для выбора уставок
защит источников питания, а также для определения предельной мощности
самозапускающихся электродвигателей. Задача расчета сводится к определению
суммарного тока самозапуска электродвигателей Iп Σ и
остаточного напряжения на их зажимах Uост .
) Рассчитаем начальные условия самозапуска
группы электродвигателей через трансформатор от шин 6300 В. В группе четыре
электродвигателя, их параметры: РНОМ = 310 кВт; cosφ
= 0,8; UНОМ
= 6000 В; кп.д = 5. Параметры трансформатора: SТ = 2500 кВА; uк = 6,5 %.
) Определяем расчетные сопротивления,
приведенные к напряжению 6300 В.
Сопротивление трансформатора
ХТ =
=
1,03 Ом
Номинальный ток электродвигателя
ном =
=
37,3 А
Пусковое сопротивление электродвигателя
д =
=
18,6 Ом
Суммарное сопротивление четырех
электродвигателей
дΣ =
=
18,6/4 = 4,65 Ом
) Ток самозапуска электродвигателей
п Σ =
=
641 А
) Остаточное напряжение на зажимах
электродвигателей
ост =
=
5158 В
что составляет:
100 = 86 % номинального
напряжения, т.е. Uост > 0,7Uном.
Вывод: Самозапуск электродвигателей
обеспечивается.
.4 Полная схема защиты электродвигателей 6 кВ
На рис. 12.4 приведена схема РЗ электродвигателя
6,3 кВ. В качестве РЗ от междуфазных КЗ в этой схеме используется двухфазная
токовая отсечка (реле КА1 и КА2 типа РСТ-I3). Для защиты от возгорания силовых
кабелей, питающих электродвигатели, при длительном протекании пусковых токов
(например, при заклинивании электродвигателя) установлена РЗ от перегрузки
(реле тока КА3 типа РСТ-13 и реле времени КТ типа РВ-01) с действием на
отключение. Допускается использование в качестве КA1-КA3 токовых реле типа
РТ-40. В этом случае цепи питания обмоток КА оперативным током не
предусматриваются.
В качестве РЗ от замыканий на землю в схеме
используется токовое реле КА4 типа РТЗ-51, подключенное к ТТНП TAN и
действующее без выдержки времени на отключение электродвигателя.
Для уменьшения вероятности перехода однофазного
замыкания на землю в многофазное КЗ выходное реле КL1 выполняется быстродействующим
(типа РП-222 или РП-17).
В схеме на рис. 12.4 предусмотрена цепь
отключения электродвигателя от реле КL2, которое подключено к шинам первой
(EVM.1) ступени групповой РЗ минимального напряжения соответствующей секции СН
6,3 кВ.
Рис 12.4. Схема защиты асинхронного
электродвигателя 6 кВ:
а) - токовые цепи; б) - выходное реле защиты
минимального напряжения; в) - цепи оперативного постоянного тока.
13. Безопасность жизнедеятельности
.1 Идентификация и оценка негативных
производственных факторов
На цементных заводах необходимо соблюдать
"Единые правила техники безопасности и производственной санитарии".
Опасность и вредность цементного завода
обусловлена тем, что в технологии производства цемента присутствует высокий
уровень шумов, вибраций, загрязнений окружающей среды, высокая или низкая
температура, возможность поражения электрическим током, отравляющие действия
газов.
Выбросы пыли в окружающую среду наблюдаются при
транспортировке клинкера ковшовым транспортом и помоле цемента в шаровых
трубных мельницах.
Для предотвращения возможности заболеваний
вызываемых пылью на заводе проводят ниже перечисленные мероприятия:
двухстадийная очистка отходящих газов из
вращающейся печи (I-циклоны, II - электрофильтры);
очистка избыточного воздуха из колосникового
холодильника и аспирационного воздуха мельниц помола цемента осуществляется
рукавным фильтром;
производится отсос и очистка запыленного воздуха
над транспортером клинкера в цехе обжига клинкера.
При эксплуатации оборудования опасным фактором
является возможность поражения электрическим током. Поражение от различных
электрических приборов возможно как при работе, так и при замыкании на корпус и
при прикосновении к корпусу электрической машины рабочего персонала.
Для обеспечения нормальных условий труда при
обслуживании подстанции цементного завода предусматриваются следующие
производственные помещения:
помещение ОПУ;
помещение для ремонта оборудования релейной
защиты;
помещение ремонтной бригады.
Уровень звукового давления на подстанции выше,
чем на постоянных рабочих местах (шумы издаваемые трансформаторами во время
работы, вибрация токопровода). В помещении ОПУ уровень шума равен 80 Дб, в
помещении для ремонта оборудования релейной защиты уровень шума равен 70 Дб, а
в помещении ремонтной бригады - 50 Дб. Вибрация агрегатов имеет небольшую
амплитуду, которая ощущается человеком как неприятный звук.
Освещение помещения ОПУ равна 400 Лк, освещение
помещения для ремонта оборудования релейной защиты равно 300 Лк, а в помещении
ремонтной бригады 200 Лк.
Возможен пожар и взрыв маслонаполненных
агрегатов, установленных на подстанции, а также возгорание изоляции в
результате короткого замыкания и различных видов перенапряжений.
Для предохранения почвы от загрязнений сбросами
масла при повреждения трансформаторов, на подстанции предусматривается
сооружение маслоприёмников со сбросом от сети закрытых маслоотводов в
маслосборники.
Молниезащита подстанции обеспечивает
безопасность её обслуживания.
Для исключения ошибочных действий персонала при
производстве оперативных переключений в ОРУ предусматривается электромагнитная
блокировка на выпрямленном оперативном токе. В КРУ для этой цели предусмотрена
заводская механическая блокировка. Для обеспечения безопасности обслуживающего персонала
при однофазных замыканиях и коротких замыканиях на землю предусмотрено
присоединение всех металлических нетоковедущих частей оборудования к контуру
заземления подстанции.
Для защиты персонала подстанции от поражения
электрическим током предусматриваются следующие мероприятия по технике
безопасности:
для оборудования 35/6 кВ предусматривается
заземление корпуса;
заземлению подлежат корпуса трансформаторов,
выключателей расположенных на территории подстанции. Заземление подключается к
общему контуру заземления;
предусматривается периодический контроль
изоляции в сети 0,4 кВ, контроль и профилактика производится мегомметром;
в целях исключения прикосновения или опасного
приближения к изолированным частям электрического оборудования
предусматривается обеспечение безопасности людей следующим путем:
а) ограждением; б) блокировками;
в) расположение токоведущих частей на
недоступной высоте и в недоступном месте;
для предотвращения поражения персонала током
весь переносной инструмент имеет рукоятки из изолирующего материала;
на подстанции в наличии имеется полный комплект
индивидуальных средств защиты;
для защиты оборудования и зданий подстанции от
прямого попадания молнии, установлена группа стержневых молниеотводов. В
качестве заземлителей используется заземляющее устройство подстанции.
.2 Технические и организационные меры по
снижению негативных факторов
Негативные факторы, влияющие на человека на
данной подстанции возможны при отсутствии средств защиты.
При отсутствии заграждений, заземлений,
молниеотводов (технические средства по снижению негативных факторов),
вероятность поражения обслуживающего персонала электрическим током очень
высока.
Также необходимы информационные меры, то есть
вывешивание на опасных или работающих местах, запрещающих, предупреждающих и
указывающих плакатов и проведение обязательного инструктажа о мерах
безопасности при работе с электроустановками.
Для исключения электромагнетизма,
производственное оборудование (его металлические части), которое, вследствие
повреждения, может оказаться под напряжением опасной величины, заземляется в
соответствии с ПЭУ. Электрооборудование устанавливается с ограждением и
заземлением, а также надежно изолируется (токоведущие части). В схеме
электроцепей оборудования предусматривается устройство централизованного
отключения сети. Площадка для обслуживания печных агрегатов находится выше
уровня пола, оборудуется прочным ограждением и сплошной обшивкой по нижнему
контуру.
Правилами устройства электрических установок
считаются безопасными, в отношении безопасности человека и пожарном отношении,
такие установки, в которых утечка между двумя смежными предохранителями не
более 1 мА. Это обеспечивается сопротивлением изоляции 120 кОм. Цех обжига, по
отношению опасности поражения электрическим током, относится к особо опасным,
так как имеются следующие факторы поражения электрическим током: высокая
температура токоведущего поля, наличие заземленных металлоконструкций,
механизмов.
Для обеспечения успешной зрительной работы
важное значение имеет создание рациональных условий освещения при рассмотрении
предметов. Рациональное освещение способствуют снижению утомляемости и
повышению безопасности труда.
Зрительную работу в цехе можно отнести в IV-V
разряду в соответствии с СНиП 23-05-95.
Предусматриваемая освещенность при
комбинированном освещении не менее 100¸200 лк, а при общем
150 лк.
Производственное помещение должно быть
равномерно освещено, иметь рациональное направление светового потока, исключать
слепящее действие света и образование резких теней.
Источниками искусственного освещения являются
электрические лампы накаливания типа МУ-500, создающие световой поток равный
8300 лм. Искусственное освещение добавляет естественное - светом неба,
проникающим через световые проемы в стенах цеха. Цех обжига имеет естественное
освещение находясь под открытым небом. Фактическая освещенность - 150 лк.
Допустимые значения температуры, относительной
влажности и скорости движения воздуха в рабочей зоне в производственных
помещений по ГОСТ 12.1.005-88.
Допустимыми считаются такие микроклиматические
параметры, которые при длительном воздействии могут вызывать напряжения реакции
терморегуляции человека, но к нарушению состояния здоровья не приводят.
Оптимальными являются такие параметры
микроклимата, которые не вызывают напряжения реакций терморегуляции и
обеспечивают высокую работоспособность человека.
Оптимальные параметры микроклимата на
предприятии достигаются следующими мероприятиями:
в зимнее время года производится отопление
помещений цехов;
помещения оборудованы вентиляционной системой;
помещения цехов обеспечивают не превышение
допустимых параметров влажности и скорости движения воздуха;
для защиты рабочих от излучений, а также с целью
предотвращения соприкосновения с нагретой поверхностью печного агрегата (цех
обжига клинкера), они устанавливаются на специальных опорах под открытым небом,
при этом значительно снижается температура в цехе клинкера.
В процессе труда на состояние здоровья и
работоспособность людей отрицательно действуют - пыль, шум, вибрация,
повышенная температура, которые называют профессиональными вредностями. В
результате их длительного воздействия на работающих возникают профессиональных
заболевания, которые ведут за собой потерю трудоспособности или приводят к
более тяжким последствиям.
Для защиты от вредных факторов на заводе
применяется комплекс санитарно-гигиенических и технических мероприятий.
Цементная промышленность выбрасывает в
окружающую среду ряд отходов, которые могут быть загрязняющими или опасными.
Превышение ПДК вредных и опасных веществ в приземном слое в 10-15 раз относится
к опасным явлениям. Для их устранения проводят увлажняющий полив промышленной
площадки, что способствует уменьшению взвешенных веществ вторичного уноса в
воздух.
Для создания благоприятных условий, территория
завода и прилегающие к нему районы озеленяются, при этом, целесообразно
применять деревья и растения поглощающие характерные для завода выбросы.
Для снижения выбросов вредных веществ в
атмосферу, при помоле цемента, предлагается замена батарейного циклона на
рукавный фильтр, который обеспечивает конечную запыленность 10 мг/м3.
При производстве цемента на предприятии
образуются загрязненные сточные воды, которые в конечном объеме перекачиваются.
Бытовые сточные воды сбрасываются в существующую бытовую канализацию завода, откуда
они перекачиваются коллектором и насосной станцией на городские очистные
сооружения.
Нормирование по ГОСТам:
) Электробезопасность. Общие требования ГОСТ
12.1.019-79 ССБТ.
) Электробезопасность. Защитное заземление,
зануление -
ГОСТ 12.1.030-81
) Правила устройства электроустановок (ПУЭ).
Главгоэнергонадзор России М, 1998г.
) Общие санитарно-гигиенические требования к
воздуху рабочей зоны ГОСТ 12.2.005-88.
) Предельно-допустимые концентрации (ПДК)
вредных веществ в воздухе рабочей зоны ГН 2.2.5.550-96.
) ПДК №4617-88, МЗ СССР.
) Нормы корректирования, естественное и
искусственное освещение СНиП 25-05-95 №18-78, Минстрой России.
) Допустимые нормы уровней шума на рабочих
местах СН №3223-85 СССР.
) Методы измерения шума на рабочих местах ГОСТ
12.1.050-86.
) Вибрация рабочих мест СН №8044-84 МЗ СССР.
.3 Пожарная безопасность в электроустановках
В соответствии с правилами технической
эксплуатации (ПТЭЭП) электрических станций и сетей, пожарная безопасность
обеспечивается соответствующим устройством и эксплуатацией электрооборудования,
зданий и сооружений.
Ответственность за обеспечение пожарной
безопасности объектов несут руководители объектов которые обязаны
организовывать:
на подведомственных объектах изучение и
выполнение типовых правил пожарной безопасности (ППБ) объекта;
организовывать на объекте проведение пожарного
инструктажа и занятий по пожарной безопасности;
контролировать во всех помещениях режим
противопожарной безопасности и соблюдение требований противопожарной
безопасности всеми работниками объекта;
периодически проверять состояние пожарной
безопасности объекта, наличие и исправность технических средств борьбы с
пожарами.
Ответственность за пожарную безопасность
объектов несут руководители или лица исполняющие их обязанности, которые должны:
обеспечить на доверенных ему участках работы
соблюдение установленного противопожарного режима;
следить за исправностью производственных
установок и немедленно принимать меры по устранению обнаруженных
неисправностей, которые могут привести к пожару;
обеспечить пожарную готовность к действию всех
имеющихся средств пожаротушения.
На рассматриваемой подстанции обеспечение
противопожарной безопасности достигается строгим соблюдением пожарных
требований регламентируемых СНиП. По пожарности производство относится к
категории "У" (СНиП 2.09.02-85).
Помещение цехов и оборудование выполнены из
негорючих материалов и конструкций (металл, кирпич, бетон, а/ц шифер). Сырьевые
материалы, полуфабрикаты и готовая продукция относятся к негорючим веществам
(мел, глина, шлак, клинкер, цемент), степень их огнестойкости III (СНиП
2.08.02-85).
На случай возникновения пожара, на предприятии
имеются следующие средства пожаротушения: огнетушители типа ОП-5, ОХВП-10 и
ОПС-10, гидропомпы, ведра, бочки с водой, лопаты, ящики с песком и др. Также
предусмотрены противопожарные водоемы, для предупреждения распространения
пожара установлены противопожарные преграды. Помещения имеют не менее двух
эвакуационных выходов.
.4 Расчет заземляющего устройства
Защитное заземление необходимо для обеспечения
безопасности персонала при обслуживании электроустановок. К защитному
заземлению относятся заземления частей установки, нормально не находящиеся под
напряжением, но которые могут оказаться под ним при повреждении изоляции.
Заземление позволяет снизить напряжение прикосновения до безопасного значения.
Произведём расчёт заземляющего устройства
подстанции ГПП.
Установим необходимое допустимое сопротивление
заземляющего устройства. В данном случае заземляющее устройство используется
одновременно для установок выше 1000 В с заземлённой нейтралью и изолированной
нейтралью.
Сопротивление растекания R3 для установок выше
1000 В с заземлённой нейтралью R3 < 0,5 Ом, а для установок выше 1000 В с
изолированной нейтралью R3< 250/ I3, но не более 10 Ом. Из двух
сопротивлений выбираем наименьшее, то есть Rз < 0,5 Ом.
Определим необходимое сопротивление
искусственного заземлителя Rи. Так как данных о естественных заземлителях нет,
то Rи = Rз = 0,5 Ом.
Выберем форму и размеры электродов, из которых
будет сооружаться групповой заземлитель. В качестве вертикальных электродов
выбираем прутки диной 5 м диаметром 14 мм. Эти заземлители наиболее устойчивы к
коррозии и долговечны. Кроме того, их применение приводит к экономии металла.
Прутки погружаем в грунт на глубину 0,7 м с помощью электрозаглубителей. В
качестве горизонтальных электродов применяем полосовую сталь сечением 4Ч40 мм.
Во избежание нарушения контакта при возможных усадках грунта укладываем её на
ребро. Соединение горизонтальных и вертикальных электродов осуществляем
сваркой.
Размеры подстанции 37Ч28 метров. Тогда периметр
контурного заземлителя равен: Р = 2·(37-4+28-4) = 114 м,
а среднее значение расстояния между электродами:
где nв = 60 - предварительное число вертикальных
электродов.
Определим расчётное удельное сопротивление
грунта отдельно для горизонтальных и вертикальных электродов с учётом
повышающих коэффициентов Кс, учитывающих высыхание грунта летом и промерзание
его зимой.
Расчётное удельное сопротивление грунта для
вертикальных электродов:
ρрасч.верт=Кс.в·ρо
где Ксв=1,3 - коэффициент сезонности для
вертикальных электродов и климатической зоны 2;
ρо = 40 - удельное
сопротивление грунта для глины, Ом∙м.
Расчётное удельное сопротивление грунта для
горизонтальных электродов:
ρрасч.гор=Кс.г·ρо
где Кс.г = 3 - коэффициент сезонности для
горизонтальных электродов и климатической зоны 2;
ρрасч.верт = 1,3·40
= 52 Ом·м; ρрасч.гор = 3·40
=:120 Ом·м.
Определим сопротивление растеканию тока одного
вертикального электрода:
где:
l = 5 - длина вертикального электрода, м;=14∙10-3 -диаметр электрода, м;=
3,2 - расстояние от поверхности грунта до середины электрода, м;
Определим
примерное число вертикальных электродов п при предварительно принятом
коэффициенте использования вертикальных электродов Ки.верт=0,29:
принимаем
nв = 80.
Определим
сопротивление растеканию тока горизонтального электрода:
где:
l = 114 - длина горизонтального электрода, м;
t
= 3,2 - глубина заложения , м;
d3
- эквивалентный диаметр электрода, м; d3=0,5·b=0,5·0,04=0,02 м;
Уточнённые
значения коэффициентов использования: Ки.верт=0,276; Ки.гор =0,161, тогда
уточнённое число вертикальных электродов с учётом проводимости горизонтального
электрода:
;
принимаем
nву = 81.
,
отличие
меньше 10%, следовательно, окончательное число вертикальных электродов - 81.
Для
выравнивания потенциала на поверхности земли с целью снижения напряжения
прикосновения и шагового напряжения на глубине 0,7 м укладываем выравнивающую
сетку с размером ячейки 6,6Ч6 метров. План подстанции с контурным заземлителем
представлен на рисунке 13.1.
Рис.
13.1.
14. Организационно-экономическая часть
.1 Укрупнённый расчет сметной стоимости на
приобретение и монтаж оборудования и сетей системы электроснабжения завода
Сметная стоимость определяется в табличной форме
(таблица 14.1).
Таблица 14.1
|
Виды
оборудования, элементы сети
|
Единица
измерения
|
Кол-во
|
Сметная
стоимость, тыс. руб
|
|
|
|
Оборудования,
электроконст-рукций, материалов
|
Монтажных
работ и метериалов
|
Строитель-ных
работ
|
Всего
|
|
Воздушная
линия 2´АС-70
|
км
|
46
|
|
19688
|
|
19688
|
|
ГПП-35-2Ч2500
|
шт.
|
1
|
3978
|
626
|
1460
|
6064
|
|
Кабельная
линия 2´АСБ-6 3´50
|
м
|
750
|
|
369
|
|
369
|
|
Комплектная
трансформаторная подстанция КТП-2´100 кВА
|
шт.
|
1
|
155,2
|
50
|
156
|
361,2
|
|
КТП-2´160
кВА
|
шт.
|
2
|
344
|
104
|
312
|
760
|
|
КТП-2´250
кВА
|
шт.
|
1
|
190
|
53,2
|
156
|
399,2
|
|
КТП-2´400
кВА
|
шт.
|
1
|
208
|
54,4
|
174
|
436,4
|
|
Итого:
|
|
28078
|
|
5082
|
|
плановые
накопления 8 %
|
|
2246
|
|
Всего
по смете:
|
|
35406
|
14.2 Расчёт численности, основной и
дополнительной заработной платы ремонтного и эксплуатационного персонала
Расчёт численности ремонтного и
эксплуатационного персонала
Численность ремонтного и эксплуатационного
персонала, осуществляющего техническое обслуживание, определяется на основании
годовых трудозатрат на ремонт и техническое обслуживание оборудования и сетей
системы электроснабжения.
Определим годовые затраты на ремонт и
техническое обслуживание
;
;
;
где
- годовые трудозатраты на
капитальный ремонт, текущий ремонт, техническое обслуживание и суммарные
соответственно;
- количество единиц однотипного
оборудования;
- продолжительность ремонтного
цикла, лет;
- продолжительность межремонтного
периода, мес.;
- норма трудозатрат на капитальный
ремонт единицы оборудования;
- то же на текущий ремонт;
- коэффициент, учитывающий
сменность работы оборудования, для сетей, оборудования трансформаторных
подстанций и распредустройств принимается равным 1.
- количество смен работы
оборудования;
- коэффициент сложности
технического обслуживания (принимается равным 0,1).
Для электрооборудования и сетей, по
которым капитальные ремонты не проводятся, годовые трудозатраты на текущий
ремонт определяются по формуле:
Расчет трудозатрат производится в
табличной в форме (таблица 14.2).
Данные для расчета взяты из
приложений V,VI [Л11].
Определяем годовые трудозатраты на
техническое обслуживание:
чел.Чч
Определяем суммарные трудозатраты:
чел.Чч
Определяем численность рабочих,
выполняющих ремонт и техническое обслуживание электрооборудования и сетей (ЧС):
чел.
где Тн - номинальный фонд рабочего
времени (принимается равным 2100);
Кн - коэффициент использования
рабочего времени, принимаем равным 0,9.
Принимаем численность рабочих,
выполняющих ремонт и техническое обслуживание электрооборудования и сетей ЧС =
2 человека.
Таблица 14.2
|
Оборудование
|
Продолжи-тельность
|
Нормы
трудозатрат на ремонт, чел.ч
|
Годовые
трудозатраты на ремонт, чел.ч
|
m∙Нт
|
|
Ремонт-ного
цикла, лет
|
Меж-ремонт-ного
периодамес
|
Кап.
ремонт
|
Текущий
ремонт
|
Капи-тальный
|
Текущий
|
|
|
Силовые
тр-ры
|
6
|
36
|
380
|
75
|
126,7
|
25
|
150
|
|
Выключатели
и приводы к ним
|
3
|
12
|
12
|
3,6
|
8
|
4,8
|
7,2
|
|
Пункты
рас- пределительные до 1000 В
|
10
|
12
|
20
|
8
|
20
|
72
|
80
|
|
Кабельные
линии
|
20
|
12
|
160/
1000 м
|
48/
1000 м
|
12,8
|
72,96
|
76,8
|
|
Шинопроводы
|
15
|
-
|
18/3м
|
-
|
4
|
-
|
-
|
|
Сети
заземления
|
15
|
-
|
8/
100м
|
-
|
2,13
|
-
|
-
|
|
Заземляющие
устройства
|
15
|
-
|
50
|
-
|
50
|
-
|
-
|
|
Тр-ры
тока
|
12
|
36
|
8
|
2,4
|
28
|
25,2
|
100,8
|
|
Эл.
оборудование завода
|
15
|
12
|
20
|
4
|
85,33
|
239
|
256
|
|
Всего
|
|
337
|
438,96
|
670,8
|
Расчёт основной и дополнительной заработной
платы
Основная и дополнительная заработанная плата
включает тарифный фонд и доплаты до часового, дневного и годового фондов
заработной платы.
Определяем тарифную заработную плату:
где
- часовая тарифная ставка,
принимается ориентировочно в размере 50 руб./ч.
Доплаты до часового фонда включают
премии и доплаты за работу в ночные часы. Величину доплаты до часового фонда
принимаем в размере
40% от тарифной зарплаты. Доплаты до дневного фонда предусматривается для
ремонтников за работу в праздничные дни в размере 5% от тарифной заработной
платы рабочих.
Доплаты до годового фонда заработной
платы, которые предусматриваются за отпуска, выполнение гособязанностей и др.,
принимаем в размере 10% от дневного фонда заработной платы.
Таким образом, годовой фонд
заработной платы составит:
где
- доплаты соответственно до
часового, дневного и годового фондов заработной платы.
14.3 Расчёт сметы годовых затрат на содержание
оборудования и сетей схемы электроснабжения завода
Сметная стоимость составляется по укрупненным
элементам затрат, к которым относятся:
стоимость материалов и запасных частей для
технического обслуживания и ремонта;
заработная плата рабочих электроучастка,
выполняющих ремонт и техническое обслуживание электрооборудования и сетей;
начисления на социальное страхование от
заработной платы рабочих;
взносы на страхование от несчастных случаев на
производстве;
амортизационные отчисления от стоимости основных
средств системы электроснабжения;
прочие расходы.
Стоимость материалов и запасных частей
принимается в следующих размерах:
для технического обслуживания - 7000 руб. на 1
тыс. чел.∙ч трудозатрат по техническому обслуживанию оборудования и
сетей, составит:
;
для текущего ремонта - 8500 руб. на
1 тыс. чел.·ч трудозатрат по текущему ремонту, составит:
;
для капитального ремонта - 22000
руб. на 1 тыс. чел.·ч трудозатрат по капитальному ремонту, составит:
Всего 29,06 тыс. руб.
Основная и дополнительная заработная
плата рабочих составит:
ЗПг = 254,45 тыс.руб.
Отчисления на социальное страхование
принимаются в размере 26% от начисленной заработной платы, составят:
Взносы на страхование от несчастных
случаев в размере 0,4% от начисленной заработной платы, составят:
Амортизационные отчисления
рассчитываются по нормам амортизации от стоимости основных средств системы
электроснабжения. Расчет амортизационных отчислений производится в табличной
форме (табл. 14.3).
Таблица расчета амортизационных
отчислений по схеме электроснабжения.
Таблица 14.3
|
Группа
основных фондов
|
Стоимость,
тыс. руб.
|
Норма
амортизации, %
|
Амортизационные
отчисления, тыс. руб.
|
|
Воздушная
линия 2´АС-70
|
19688
|
2,8
|
551,26
|
|
ГПП-35-2Ч2500
|
6064
|
6,3
|
382
|
|
Кабельная
линия 2´АСБ-6 3´50
|
369
|
3
|
11,07
|
|
КТП-2´100
кВА
|
361,2
|
6,4
|
23,12
|
|
КТП-2´160
кВА
|
760
|
6,4
|
48,64
|
|
КТП-2´250
кВА
|
399,2
|
6,4
|
25,55
|
|
КТП-2´400
кВА
|
436,4
|
6,4
|
27,93
|
|
Всего:
|
|
1069,57
|
Прочие расходы приняты в размеры 30% от
заработной платы рабочих, выполняющих ремонт и техническое обслуживание,
составят:
Результаты расчетов сметы годовых
затрат сводим в таблицу.
Смета годовых затрат на содержание
оборудования и сетей схемы электроснабжения завода, тыс. руб.
Таблица 14.4.
|
Элементы
затрат
|
Величина,
тыс. руб.
|
|
Материалы
и запасные части
|
29,06
|
|
Заработная
плата рабочих
|
254,45
|
|
Отчисления
на социальное страхование и страхование от несчастных случаев
|
66,16
|
|
Амортизационные
отчисления
|
1069,57
|
|
Прочие
расходы
|
76,34
|
|
Всего:
|
1495,58
|
Заключение
В данной работе спроектирована система
электроснабжения цементного завода. Предприятие получает питание от
энергосистемы по двухцепной воздушной линии электропередач длиной 46 км
напряжением 35 кВ. Распределение электроэнергии производится на напряжении 6 кВ
по кабельным линиям.
При выборе трансформаторов подстанции и схемы
электроснабжения основное внимание уделялось надежному и бесперебойному
электроснабжению потребителей. Учитывая напряжение системы, а также удаленность
и мощность потребителей, и все перечисленные факторы, на подстанции принимаем к
установке два трансформатора ТМН-2500/35/6.
Разработана система электроснабжения
механического цеха завода.
Рассчитаны токи трехфазного короткого замыкания
на шинах 35 и 6 кВ.
Распределительные устройства принимаем открытыми
по схеме мостик с выключателями в цепи трансформаторов. Выбранные схемы
соответствуют надежному и бесперебойному электроснабжению.
По нагрузкам собственных нужд подстанции,
выбраны трансформаторы собственных нужд марки ТМ-63/6/0,4.
Был проведен выбор токоведущих частей и
коммутационно-защитной аппаратуры.
Разработана система релейной защиты
высоковольтных электродвигателей.
Изложен материал по безопасности
жизнедеятельности, произведен расчет защитного заземления подстанции.
Определена сметная стоимость схемы электроснабжения.
Список литературы
Неклепаев
Б.Н. Электрическая часть электростанций и подстанций: Справочные материалы для
курсового и дипломного проектирования / Б.Н. Неклепаев, И.П. Крючков - М.:
Энергоатомиздат, 1989.
Рожкова
Л.Д., Козулин В.С. Электрооборудование станций и подстанций: Учебник для
техникумов. - М.: «Энергия», 1987.
Кабышев
А.В., Обухов С.Г. Расчет и проектирование систем электроснабжения: Справочные
материалы по электрооборудованию: Учеб. пособие / Том. политехн. ун-т. - Томск,
2005. - 168 с.
Князевский
Б.А., Липкин Б.Ю. Электроснабжение промышленных предприятий: Учебник для студ.
вузов. - 3е изд., перераб. и доп. - М.: Высшая школа, 1986. - 400 с., ил.
Федоров
А.А., Сербиновский Г.В. Справочник по электроснабжению промышленных
предприятий.-2-е изд., перераб. и доп./ - М.: Энергия, 1980.-576 с.
Коновалова
Л.Л., Рожкова Л.Д. Электроснабжение промышленных предприятий и установок: Учеб.
пособие для техникумов. - М.: Энергоатомиздат, 1989. - 528 с: ил.
Федоров
А.А., Старкова Л.Е. Учебное пособие для курсового и дипломного проектирования
по электроснабжению промышленных предприятий: Учеб. пособие для ВУЗов - М.:
Энергоатомиздат, 1987. - 368 с.
Файбисович
Д.Л. Справочник по проектированию электрических сетей. Издание 2-е, перераб. и
доп. - М.: Изд. НЦ ЭНАС, 2006.
Андреев
В.А. Релейная защита и автоматика систем электроснабжения: Учебник для ВУЗов
/Андреев В.А. - М.: Изд. Высшая школа, 2003.-639 с.
Чернобровов
Н.В., Семенов В.А. Релейная защита энергетических систем: Учеб. пособие для
техникумов. - М.: Энергоатомиздат, 1998. - 800 с: ил.
Организационно-экономическая
часть дипломного проекта: Методические указания. - Москва, изд. МГОУ, 2005 г.
Правила
устройства электроустановок. - М.: Госэнергонадзор, 2000.
1.