Разработка генератора сигнала специальной формы
Содержание
Введение
.
Постановка задачи
.
Структурная схема генератора сигналов
.
Разработка принципиальной схемы ГС
.1
Расчет элементов мультивибратора
.2
Расчёт интегратора
.3
Расчёт одновибратора
.4
Расчёт сумматора
.5
Расчёт элементов логического блока
.7
Расчет генератора трапецеидального напряжения
.7
Расчет усилителя мощности
.7
Расчет блока питания
Заключение
Приложение
1
Приложение
2
Введение
Вторая половина ХХ века характеризуется
усложнением электронной аппаратуры. В профессиональной аппаратуре начинают
широко использоваться системы автоматического регулирования.
Электронная автоматика быстрыми темпами
внедряется в промышленность, создаются автоматические системы управления
технологическими процессами.
В конце века наблюдается стремительное развитие
вычислительной техники. Такой рост был бы невозможен без микросхем с высокой
степенью интеграции элементов. Рост вычислительных возможностей опережает рост
программного обеспечения.
Генераторы сигналов специальной формы - это
источники, вырабатывающие стабильные испытательные сигналы с известными
параметрами: частотой, напряжением (мощностью и формой). Генераторы обладают
возможностью регулировки параметров выходного сигнала.
Генераторы характеризуются диапазоном
генерируемых частот; точностью установки частоты и постоянства ее градуировки;
стабильностью генерируемых сигналов по времени; зависимостью параметров
выходного сигнала от внешней нагрузки и пределами их регулирования.
1. Постановка задачи
Разработать генератор импульсов специальной формы,
который характеризуется следующими параметрами.
Uвых=(0-100) В
=(0-100) мкс=(200-500) мкс=(0-10)
мкс
Т=(1-20) мс
(IН)мax=1 A
Блок питания трансформаторный
Рис.1. Временная диаграмма выходного
напряжения генератора
2. Структурная схема генератора сигнала
Структурная схема функциональной части
генератора представлена на рис. 2.
Рис.2. Структурная схема генератора
Рассмотрим назначение отдельных
функциональных блоков.
ТГ - тактовый генератор,
представляет собой мультивибратор, который запускает каждый период колебаний,
генерируя импульсы определенной длительности.
Интегратор служит для получения
наклонных участков выходного сигнала генератора.
К - коммутатор, служит для подачи на
вход интегратора положительного или отрицательного сигнала, изменяя тем самым
наклон прямой на выходе интегратора.
ГТС - Генератор трапецеидальных
сигналов.
Ключи предназначены для отключения/подключения
генератора трапецеидальных сигналов и отключения интегратора.
УУ - логическая схема, которая предназначена для
управления ключами и коммутатором.
ОВ - одновибратор, предназначен для задания
временных интервалов
Сумматор предназначен для получения выходного
сигнала из его составляющих.
УМ - усилитель мощности.
Принцип работы схемы заключается в следующем:
Блок питания подает в схему требуемое
положительное и отрицательное напряжение. Через коммутатор, управляемый
логическим блоком, на вход интегратора подается напряжение требуемой амплитуды
и полярности. При достижении выходного напряжения интегратора порогового
уровня, входная цепь интегратора размыкается и запускается ГТС и ОВ. По
завершении импульса ОВ - ГТС выключается и на вход интегратора подаётся
отрицательный сигнал. Сигнал интегрируется до тех пор пока он не достигнет 0,
после этого замыкается ключ сброса интегратора дальше все повторяется.
Напряжения с интегратора и ГТС суммируются, а
затем усиливаются в усилителе мощности и полученный сигнал отдается в нагрузку.
3. Разработка принципиальной схемы ГС
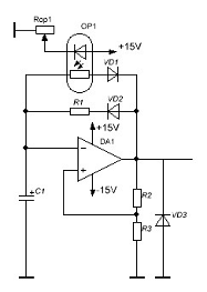
3.1 Расчет тактового генератора
По заданию одним из регулируемых параметров
выходного сигнала является период Т. В качестве устройства, задающего этот
временной интервал, выступает тактовый генератор (мультивибратор), собранный на
операционном усилителе DA1. Диод VD3 служит для предотвращения прохождения
отрицательных фронтов в остальную часть схемы. Данный мультивибратор имеет
скважность, отличную от Q=2. Период данного мультивибратора вычисляется по
формуле
Скважность мультивибратора
определяется из соотношения
.
По заданию период импульсов должен
изменяться в интервале
. Для этого
поставим оптопару. При этом выберем постоянным сопротивление R1=100 кОм.
Сопротивления R2 и R3 выберем равными
кОм.,
кОм.
Емкость выберем равной
нФ Тогда
значение сопротивления Rop можно вычислить по формуле
Для Т=1 мс
кОм,
для Т=20 мс
МОм.
В качестве регулируемого
сопротивления выбираем оптопару ОP1.
Рис.3. Тактовый генератор
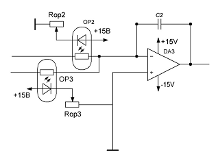
3.2 Расчет интегратора
Наклонные участки заданного сигнала формируются
при помощи интегратора, так как при подаче на его вход положительного или
отрицательного постоянного сигнала выходной сигнал представляет собой прямую с
положительным или отрицательным наклоном. Схема используемого интегратора
собрана на DA3.
Напряжение на выходе интегратора равно
При
получим
.
Отсюда зависимость сопротивления R
от времени нарастания фронта будет иметь вид
.
В. Выходное напряжение также
принимаем постоянным, равным
В . Примем С=1 нФ. Тогда для
максимального значения времени нарастания положительного фронта Т1=100 мкс
получим:
Для отрицательного фронта:
кОм.
В качестве регулируемых
сопротивлений выбираем оптопары: OP1 и OP2
Рис.4. Интегратор
3.3 Расчет одновибратора
В данной системе используется
одновибратор для задания интервала времени
. Для данной схемы длительность
импульса вычисляется по следующей формуле:
,
где
- выходное сопротивление ЛЭ при
. В
дальнейшем при расчетах полагаем
74 Ом (по сравнению с R для
инженерных расчетов этим сопротивлением можно пренебречь). С2=1 нФ.
Таким образом, значение
сопротивления, которое необходимо включить в схему для получения импульса
заданной длительности, можно рассчитать по следующей формуле:
.
Рис.5. Одновибратор
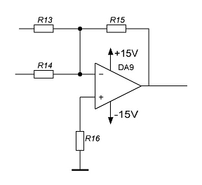
3.4 Расчёт сумматора
Сумматор необходим для получения
выходного сигнала генератора путем сложения напряжений с выхода интегратора и
выхода ГТС. Схема используемого сумматора представлена на рис. 6.
Рис.6. Сумматор
Выходное напряжение такого сумматора
имеет вид
,
где
- коэффициент передачи i-го
входного сигнала.
В данном случае необходимо
просуммировать сигналы с единичными коэффициентами передачи, поэтому
. Выберем
R=10 кОм.
Чтобы исключить влияние входного
тока ОУ на точность суммирования, необходимо неинвертирующий вход ОУ заземлить
через резистор R16, сопротивление которого вычисляется из уравнения
.
В данном случае
=3,3 кОм.
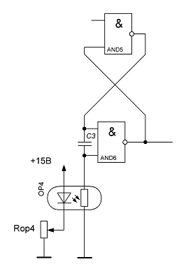
3.5 Расчёт элементов логического
блока
Для получения на выходе генератора
сигнала заданной формы необходимо определенное логическое управление работой
отдельных функциональных блоков генератора. Эту функцию выполняет логическая
схема, которая управляет ключами DD1-DD4. Рассмотрим отдельно управление каждым
ключом.
Управление производится на основании
сигналов от компаратора сравнивающего сигнал с нулём, одновибратора(Uов) и
управляющего сигнала на ключ DD2-
в соответствии со следующей таблицей
истинности:
|
U2
|
UОВ
|
UК-
|
DD1
|
|
1
|
0
|
1
|
0
|
|
1
|
1
|
0
|
0
|
|
1
|
0
|
0
|
1
|
|
0
|
0
|
0
|
0
|
Схема управления ключом DD2 приведена на рис. 8.
Рис. 8 Схема управления ключом DD2
Управление производится на основании сигналов от
компаратора 1 и триггера в соответствии со следующей таблицей истинности:
|
U1
|
UT
|
UDD2
|
|
0
|
0
|
0
|
|
0
|
1
|
1
|
|
1
|
0
|
0
|
|
1
|
1
|
0
|
Схема управления ключом DD4 представлена на рис.
9.
Рис. 9 Схема управления ключом DD4
|
U1
|
UОВ
|
UDD4
|
|
0
|
0
|
0
|
|
0
|
1
|
0
|
|
1
|
0
|
0
|
|
1
|
1
|
1
|
Управление ключом DD3 осуществляется на
основании сигнала от компаратора 2 в соответствии со схемой на рис. 10.
Рис. 10 Схема управления ключом DD3
Генератор трапецеидального сигнала
1) Расчёт
мультивибратора:
)
Выбираем С4= 2нФ, R21=R23=1 кОм
T=100мкс
Рис. 11 Мультивибратор
2)Расчёт интегратора:
τ=Rop6C5
Выбираем С5= 1 нФ, τ=
25
мкс
)Выбор диодов:
Падение напряжения на каждом диоде
принимаем равным φк=0,6В.
Следовательно, при выходном
напряжении интегратора равного ±15В, для получения трапециидального сигнала
необходимо обрезать треугольный сигнал. Для этого поставим последовательно 24
диода последовательно-паралельно на выходе интегратора. Для этой цели применим
маломощные диоды КД521А.
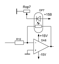
)Расчёт аттенюатора.
Выбираем R12=100 кОм; для Uвых=0В принимаем
сопротивление оптопары равное 0 кОм, при Uвых=3В принимаем сопротивление
оптопары равное 40кОм.
Рис. 12 Аттенюатор
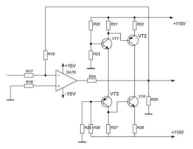
3.8 Расчет усилителя мощности
Для достижения заданных параметров выходного
сигнала сигнал, поступающий с выхода сумматора, необходимо усилить в 7 раз по
напряжению. Для этого используется усилитель мощности.
.
Мощность, рассеиваемая на транзисторах
VT2, VT4:
.
Выберем транзисторы VT2, VT4 из условия:
.
Выбраны транзисторы КТ809А, КТ812А.
Ток базы этих транзисторов
.
Ток коллектора транзисторов VT1, VT3
.
Мощность, рассеиваемая на
транзисторах VT1, VT3:
.
Выберем транзисторы КТ315А, КТ361А.
Примем
.
Отсюда номиналы резисторов R22, R28
.
.
Отсюда номиналы резисторов R33, R34
.
Примем, что выходной ток и
напряжение операционного усилителя
.
.
Ток делителя R20 - R23
.
Напряжение на этих резисторах R20,
R25 равно 0,6В. Отсюда можем найти их номиналы
.
Напряжение на резисторах R20, R27
.
Отсюда
Коэффициент усиления без обратной
связи равен
,
где
,
.
Таким образом, коэффициент усиления
без обратной связи
.
Коэффициент усиления с обратной
связью вычисляется по формуле
.
Отсюда
.
С другой стороны

.
Примем R17=1 кОм.
.
генератор
сигнал усилитель интегратор
Чтобы не происходило смещения нуля ОУ, выбираем
R17=R18=1 кОм.
Рис. 13 Усилитель мощности
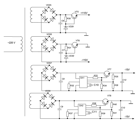
4. Расчёт блока питания
Схема блока питания изображена в листе с
принципиальной схемой.
Расчет трансформатора питания
ток через вторичную обмотку
III=1.5IM=1.5A
мощность потребляемая выпрямителем от вторичной
обмотки:
PII=UIIIII=110·1.5=165Вт
=UIIIII=15·1.5=22,5Вт=UIIIII=15·1.5=22,5Вт
Суммарная мощность трансформатора равна
1,25*240Вт=210 Вт.
Ток в первичной обмотке - 210Вт/220В=0,95А.
Площадь сечения сердечника магнитопровода
S=1,3*210=273см^2.
Число витков первичной обмотки: 200
Число витков вторичной обмотки:
100
Выпрямитель на 110В.
Состоит диодного моста собран на диодах 2Д206А
(обратное напряжение до 400В, максимальный прямой ток 5А) и двух параллельно
соединённых конденсаторов К50-6, ёмкостью 4000 мкФ, рассчитанных на напряжение
до 160В.
Выпрямитель на 15В.
|
Iн,А
|
|
0,1
|
0,2
|
0,4
|
0,6
|
0,8
|
1
|
|
В
|
0,8
|
1
|
1,2
|
1,4
|
1,5
|
1,7
|
|
С
|
2,4
|
2,2
|
2
|
1,9
|
1,8
|
1,8
|
Необходимо обеспечить Uвых=15В и Iн=nIОУ=120мА.
Определим напряжение на второй обмотке сетевого
трансформатора=BUH, из таблицы 2 подставим значение В=0,8 и получим
UII=0,8UH=12В
Определим Imax через диоды в мосте.
IД=0,5СIн= 0,5·2.4·120=144мА
обратное напряжение приложенное к каждому диоду
Uобр=1,5Uн=22,5В.
Возьмём диоды Д229В (максимальное обратное
напряжение 100В, средний прямой ток 400мА).
СФ=3200
, где kП -
коэффициент пульсаций
Выбираем kП=0.01
С8= 2200,0´68В
R32=6.2кОм ±5% Е24 МЛТ
0,25Вт
С10=0,01мкФ С12=0,15мкФ-K
142 EU 3A VT7- KT 803 A
(Iк)max=10A
Pк=60Вт
Uкэ=70В b=30
Ток защиты равен
1АБ=1/30=0,03А=0.6/0.03=20Ом=3кОм ±5%
МЛТ 0,25Втвых=2,6
R34+R36<20кОм
Тогда 15=2.6
5.8=20000/R7=3448»3кОм ±5% Е24 МЛТ 0,25
Вт=20000-3кОм=16700»16 кОм ±5% Е24 МЛТ 0,25 Вт
C5=C8
R34=R39 C10=C11 R33=R38 R35=R40
R32=R37 R36=R41 C12=C13 VT7=8
Рис. 14 Блок питания
Заключение
В процессе работы над данным курсовым проектом
был спроектирован генератор специальных сигналов соответствующий заданию. Были
получены практические навыки по расчету трансформатора, блока питания,
усилителя мощности и других функциональных элементов. В процессе проектирования
были исследованы возможные схемотехнические решения того или иного аспекта
проблемы. В генераторах созданных на аналоговых элементах достаточно сложно
добиться высокой точности формы сигнала. Это объясняется тем, что расчетные
значения элементов не всегда совпадают со стандартной базой номиналов элементов
и поэтому приходится подбирать наиболее близкие по характеристикам элементы.
Номиналы стандартных элементов являются усредненными, и истинное значение
элемента имеет некоторую погрешность по сравнению с номинальным. Исключить эту
проблему можно путем введения корректирующих цепей, но из-за большого
количества влияющих параметров все равно нельзя добиться высокой точности.
На высоких частотах проявляется влияние
паразитных емкостей. Средним частотным пределом работы универсальных
операционных усилителей является 1 - 10 МГц. Избавиться от этого можно также
введением корректирующих цепей или уменьшением габаритных размеров элементов и
их правильной компоновкой на микросхеме.
Регуляторы и ключи основываются на оптопарах,
что позволило эффективно гальванически развязать цепи генератора и блока
управления, что уменьшает наводку и помехи. Гораздо проще корректировать
цифровой сигнал, однако при использовании цифровых элементов повышается
стоимость устройства. Поэтому использование аналоговых элементов в данной
работе оправдано невысокими требованиями к точности и доступностью используемых
в устройстве элементов.
Приложение 1
Временные диаграммы
Приложение 2. Список элементов
Резисторы
|
Обозначение
на схеме
|
Тип
элемента
|
|
R1,R2,R4-R6,R9-R10,R15-R23
|
100
кОм МЛТ Рн=0.25 Вт
|
|
R3
|
200
кОм МЛТ Рн=0.25 Вт
|
|
R7
|
9
кОм МЛТ Рн=0.25 Вт
|
|
R8
|
3
кОм МЛТ Рн=0.25 Вт
|
|
R24
|
400
кОм МЛТ Рн=0.25 Вт
|
|
R30
|
6,2
кОм
|
МЛТ-0,25
|
|
|
R31
|
20
Ом
|
МЛТ-0,25
|
|
|
R32
|
3
кОм
|
МЛТ-0,25
|
|
|
R33
|
16
кОм
|
МЛТ-0,25
|
|
|
R34
|
3
кОм
|
МЛТ-0,25
|
|
|
R35
|
6,2
кОм
|
МЛТ-0,25
|
|
|
R36
|
20
Ом
|
МЛТ-0,25
|
|
|
R37
|
3
кОм
|
МЛТ-0,25
|
|
|
R38
|
16
кОм
|
МЛТ-0,25
|
|
|
R39
|
3
кОм
|
МЛТ-0,25
|
|
Конденсаторы
|
Обозначение
на схеме
|
Тип
элемента
|
|
С1
|
6
нФ
|
|
С2,С5
|
1
нФ
|
|
С6
|
4000
мкФ
|
|
С7
|
4000
мкФ
|
|
С8
|
2200
мкФ
|
|
С9
|
0,01
мкФ
|
0,15
мкФ
|
|
С11
|
2200
мкФ
|
|
С12
|
0,01
мкФ
|
|
С13
|
0,15
мкФ
|
Диоды, стабилитроны
|
Обозначение
на схеме
|
Тип
элемента
|
|
VD1,VD28
|
КД521А
|
Транзисторы
|
Обозначение
на схеме
|
Тип
элемента
|
|
VT1-VT8
|
КТ803А
|
Микросхемы -DA10 - 140УД7- CD4066B- К561ЛН1-
К561ЛА7- К176ЛИ1- КР1561ЛЕ5- К224ТС1-DA12 - К142EU3A