Принцип работы счетчиков

  • Вид работы:
    Курсовая работа (т)
  • Предмет:
    Информатика, ВТ, телекоммуникации
  • Язык:
    Русский
    ,
    Формат файла:
    MS Word
    1,25 Мб
  • Опубликовано:
    2012-11-17
Вы можете узнать стоимость помощи в написании студенческой работы.
Помощь в написании работы, которую точно примут!

Принцип работы счетчиков

ФГОУ СПО «Жуковский авиационный техникум имени В.А. Казакова»

Специальность: «Вычислительные машины, комплексы и сети»


Курсовой проект

Предмет: «Цифровая схемотехника»

На тему "Принцип работы счетчиков"












г. Жуковский 2012 год.

Содержание

Введение

. Технические требования

.1 Назначение устройства

.2 Условие эксплуатации

.3 Основные параметры

.4 Технологические требования

.5 Конструктивные требования

. Выбор и обоснование схемы электрической функциональной(Э2)

. Выбор и обоснование схемы электрической принципиальной(Э3)

.1 Выбор комплектующих

.2 Помехозащищенность схемы

. Расчетная часть

.1 Расчет надежности

.2 Расчет быстродействия

.3 Расчет потребления мощности

Заключение

Список литературы

Приложение

Введение

С развитием электроники появился такой класс электронной техники, как цифровая. Эта техника предназначена для формирования, обработки и передачи электрических импульсных сигналов и перепадов напряжения и тока, а также для управления информацией и её хранения. Цифровые устройства занимают доминирующее место во многих областях науки и техники, что обусловлено существенно меньшим потреблением энергии от источника питания, более высокой точностью, меньшей критичностью к изменениям внешних условий, большей помехоустойчивостью. Цифровая техника включает в себя такие устройства как триггеры, регистры, счетчики, комбинационные устройства, программируемые логические интегральные схемы.

В данном курсовом проекте разбирается принцип работы счетчиков.

1. Технические требования

.1 Назначение устройства

Счетчик предназначен для подсчета единиц информации, поступающих на его вход. Так же данное устройство осуществляет счет и хранение кода числа подсчитанных сигналов. Под сигналами понимаются как перепады потенциала, так и импульсы. Строятся счетчики обычно на JK- триггерах, D-триггерах и T-триггерах. Существуют разные счетчики. По типу функционирования их разделяют на суммирующие, вычитающие, реверсивные. По структурной организации: последовательные, параллельные, последовательно-параллельные (комбинированные), кольцевые. По порядку изменения состояний: с естественным порядком счета, с произвольным порядком счета. По модулю счета: двоичные и не двоичные. По числу устойчивых состояний триггеров: на двоичных триггерах, на троичных триггерах, на n-ичных триггерах. По способу переключения триггера: синхронные и асинхронные.

- триггер

1.2 Условие эксплуатации

Нормальными условиями эксплуатации средств автоматизации по ГОСТ12997 считаются: температура окружающего воздуха - 20°С; относительная влажность воздуха при температуре 20°С - от 45 до 75%; атмосферное давление - от 86 до 106 кПа (от 630 до 800 ммрт.ст); частота - в пределах 49-51 Гц. Допускается отклонения от номинальных значений, если они увеличивают погрешность средства измерения не более чем на 35% от предела допускаемой основной погрешности.

.3 Основные параметры

Основные параметры счетчика:

. Модуль счета М - основной статистический параметр, который характеризует максимальное число импульсов, после прихода которого счетчик устанавливается в исходное состояние.

. Время установки выходного кода tk - основной динамический параметр, который характеризует временной интервал между моментом передачи входного сигнала и моментом установления нового кода на выходе.

Основным статистическим параметром является модуль счета М, который характеризуется максимальным числом импульсов, после прихода которого счетчик устанавливается в исходное состояние. Каждый триггер имеет два устойчивых состояния, поэтому количество комбинаций выходных сигналов, снимаемых с выходов всех триггеров, а соответственно, и максимальное число подсчитанных импульсов N равно:

max = 2m,

где m - количество последовательно включенных триггеров.

Каждый из триггеров такой цепочки называют разрядом счетчика, поэтому если, например, m - 4, то счетчик четырехразрядный. Максимальное число, которое может подсчитать счетчик Nmax, называется коэффициентом, или модулем счета КСЧ (КСЧ = Nmax). Если количество входных импульсов Nmax больше КСЧ, то происходит переполнение счетчика. При этом он возвращается в исходное состояние и цикл снова повторяется.

1.4 Технологические требования

Технология изготовления.

1.Полупроводниковая микросхема - все элементы и межэлементные соединения выполнены на одном полупроводниковом кристалле (например, кремния, германия, арсенида галия, оксид гафния).

.Плёночная интегральная микросхема - все элементы и межэлементные соединения выполнены в виде плёнок:

§   толстоплёночная интегральная схема;

§   тонкоплёночная интегральная схема.

.Гибридная микросхема (также микросрка полупроводникового кристалла содержит несколько бескорпусных диодов, транзисторов и (или) других электронных компонентов, помещённых в один корпус.

.Смешанная микросхема - кроме полупроводникового кристалла содержит тонкоплёночные (толстоплёночные)пассивные элементы размещённые на поверхности кристалла.

ü  Данное устройство разработано для применения в качестве счетчика витков при намотке трансформаторов. Устройство может быть использовано как восьмиразрядный низкочастотный счетчик с частотой счета до 15 кГц.

ü  Для питания данных приборов можно использовать как источники переменого напряжения с номиналом в 220В (~90... 264В), так и источники постоянного напряжения с номиналом 24В (=10... 30В).

Приборы способны работать и при отрицательных температурах до -20 °С.

1.5    Конструктивные требования

. Уровень первый - это уровень сбора информации.

Элементами этого уровня являются электросчётчики и различные устройства, измеряющие параметры системы. В качестве таких устройств могут применяться различные датчики как имеющие выход для подключения интерфейса RS-485, так и датчики, подключенные к системе через специальные аналого-цифровые преобразователи. Необходимо обратить внимание на то, что возможно использовать не только электронные электросчётчики, но и обычные индукционные, оборудованные преобразователями количества оборотов диска в электрические импульсы.

. Уровень второй - это связующий уровень.

На этом уровне находятся различные контролеры необходимые для транспортировки сигнала.

. Третий уровень - это уровень сбора, анализа и хранения данных.

Элементом этого уровня является компьютер, контролер или сервер. Основным требование к оборудованию этого уровня является наличие специализированного программного обеспечения для настройки элементов системы.

Счетчики, в маркировке которых есть буква «Д», например, СР3У-И670Д, имеют телеметрический выход (импульсный датчик), обеспечивающий передачу по двухпроводной линии связи информации о проходящей через счетчик активной (реактивной) энергии в систему дистанционного сбора и обработки данных.

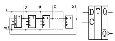
2. Выбор и обоснование схемы электрической функциональной (Э2)

Счетчиком называют устройство, предназначенное для подсчета единиц информации, поступающих на его вход. Такое устройство представляет собой набор триггеров, соединенных между собой определенным образом, количество которых определяется разрядностью счетчика. Строятся счетчики обычно на JK- триггерах, D-триггерах и T-триггерах. Для триггера любого разряда выходная частота будет вдвое меньше частоты на выходе.

триггер    Т-триггер    JK-триггер

Возможности счетчика определяются максимальным количеством подсчитываемых им единиц информации, и характеризуется коэффициентом пересчета К. Обычно количество единиц информации определяется как К = 2ⁿ, где n - количество триггеров (разрядов) в схеме счетчика. Таким образом, из формулы видно, что в зависимости от разрядности счетчика n, в нем может быть осуществлен максимальный подсчет единиц информации кратных 2, то есть 2, 4, 8, 16. Начиная с нулевого состояния, через каждые 2ⁿ счетных импульсов триггеры счетчика будут возвращаться в исходное состояние, после чего процесс счета начинается снова. Если требуется организовать подсчет единиц информации не кратный 2ⁿ, то используют счетчики с произвольным коэффициентом пересчета.


Основные параметры счетчика:

1.       Модуль счета М - основной статический параметр, который характеризует максимальное число импульсов, после прихода, которого счетчик устанавливается в исходное состояние.

.        Время установления выходного кода tk - основной динамический параметр, который характеризует временной интервал между моментом подачи входного сигнала и моментом установления нового кода на выходе.

Основным статическим параметром счетчика является модуль счета М, который характеризуется максимальным числом импульсов, после прихода которого счетчик устанавливается в исходное состояние. Каждый триггер имеет два устойчивых состояния, поэтому количество комбинаций выходных сигналов, снимаемых с выходов всех триггеров, а соответственно, и максимальное число подсчитанных импульсов N равно Nmax = 2m, где m - количество последовательно включенных триггеров. Каждый из триггеров такой цепочки называют разрядом счетчика, поэтому если, например, m - 4, то счетчик четырехразрядный.

Максимальное число, которое может подсчитать счетчик Nmax, называется коэффициентом, или модулем счета КСЧ (КСЧ = Nmax). Если количество входных импульсов Nmax больше КСЧ, то происходит переполнение счетчика. При этом он возвращается в исходное состояние и цикл снова повторяется. После каждого цикла счета на выходах последнего триггера возникают перепады напряжения 1, 0 или 0, 1. Это свойство определяет второе назначение счетчиков: деление числа входных импульсов. Если входные импульсы периодичны и следуют с частотой fBX, то частота выходных сигналов будет

ВЫХ = fBX/ КСЧ

В этом случае коэффициент счета определяется коэффициентом деления - КДЕЛ. Такие счетчики выполняют функцию деления частоты и называются счетчиками - делителями.

Цифровые счетчики классифицируются следующим образом. По коэффициенту (модулю) счета: двоичные (бинарные); двоично-десятичные (декадные) или с другим коэффициентом счета; с произвольным; постоянным модулем; с переменным модулем. По направлению счета: суммирующие; вычитающие; реверсивные. По способу организации внутренних связей: с последовательным переносом; с параллельным переносом; комбинированным переносом; кольцевые; счетчики Джонсона. Удобно использовать терминологию: суммирующие счетчики (UP - counter), вычитающий счетчик (Down - counter), реверсивный (UP - down - counter).

Для нормальной работы счетчика напряжение питания должно быть не более 6 В. Минимальное напряжение на входе составляет -0,4В, а максимальное - 5,5В. Минимальное напряжение на выходе - -0,3В, а максимальное - 5,25В. Температура окружающей среды должна быть от -10 до +70ºС.

Интегральная микросхема К155ИЕ1. Декадный счетчик с фазоимпульсным представлением информации.

Корпус ИМС К155ИЕ1

Условное графическое обозначение ИМС 155ИЕ1:

- вход Х1;

- вход Х2;

, 4, 6, 10, 11, 12, 13 - свободные;

- выход Y;

- общий;

- вход Х4;

- вход Х3;

- напряжение питания;

Электрические параметры

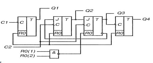
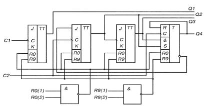
Интегральная микросхема К155ИЕ2. Двоично-десятичный четырехразрядный счетчик.

Корпус ИМС К155ИЕ2

Корпус ИМС КМ155ИЕ2


Условное графическое обозначение:

- вход счетный С2;

- вход установки 0 R0(1);

- вход установки 0 R(2);

, 13 - свободные;

- напряжение питания +Un;

- вход установки 9 R9(1);

- вход установки 9 R9(2);

- выход Q3;

- выход Q2;

- общий;

- выход Q4;

- выход Q1;

- вход счетный С1;

Функциональная схема:


Электрические параметры:


Предельно допустимые режимы эксплуатации:


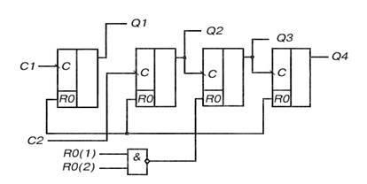
Интегральная микросхема К155ИЕ4. Счетчик-делитель на 12.

Корпус ИМС 155ИЕ4

Корпус ИМС КМ155ИЕ4


Условное графическое обозначение:

- вход счетный С2;

, 3, 4, 13 - вход установки 0 R0(1);

- напряжение питания +Un;

- вход установки 0 R0(1);

- вход установки 0 R0(2);

- выход Q4;

- выход Q3;

- общий;

- выход Q2;

- выход Q1;

- вход счетный С1;

Функциональная схема


Электрические параметры


Предельно допустимые режимы эксплуатации:

Интегральная микросхема К155ИЕ5.

Корпус ИМС К155ИЕ5

Корпус ИМС КМ155ИЕ5


Условное графическое обозначение:

- вход счетный С2

- вход установки 0 R0(1);

- вход установки 0 R0(2);

, 6, 7, 13 - свободные;

- напряжение питания +Un;

- выход Q3; 9 - выход Q2;

- общий; 11 - выход Q4;

- выход Q1; 14 - вход счетный С1;

Функциональная схема:


Электрические параметры:

счетчик электрический схема комплектующий

Предельно допустимые режимы эксплуатации:


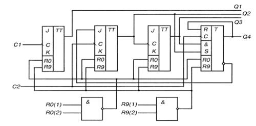
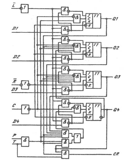
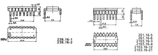
Интегральная микросхема К155ИЕ6. Двоично-десятичный реверсивный счетчик.

Корпус ИМС К155ИЕ6:

Корпус ИМС КМ155ИЕ6:


Условное графическое обозначение:

- вход информационный D2;

- выход второго разряда Q2;

- выход первого разряда Q1;

- вход «обратный счет»;

- вход «прямой счет»;

- выход третьего разряда Q3;

- выход четвертого разряда Q4;

- общий;

- вход информационный D8;

- вход информационный D4;

- вход предварительной записи;

- выход «прямой перенос»;

- выход «обратный перенос»;

- вход установки «0» R;

- вход информационный D1;

- напряжение питания;

Электрические параметры:


Интегральная микросхема К155ИЕ7. Четырехразрядный двоичный реверсивный счетчик.

Корпус ИМС КМ155ИЕ7


Условное графическое обозначение:

- вход информационный D2;

- выход второго разряда Q2;

- выход первого разряда Q1;

- вход «обратный счет»;

- вход «прямой счет»;

- выход третьего разряда Q3;

- выход четвертого разряда Q4;

- общий;

- вход информационный D8;

- вход информационный D4;

- вход предварительной записи;

- выход «прямой перенос»;

- выход «обратный перенос»;

- вход установки «0» R;

- вход информационный D1;

- напряжение питания;

Электрические параметры:


Интегральная микросхема К155ИЕ9. Синхронный десятичный четырехразрядный счетчик.

Корпус ИМС К155ИЕ9


Условное графическое обозначение:

- вход установки "0" R;

- вход синхронизации;

- информационный вход D1;

- информационный вход D2;

- информационный вход D3;

- информационный вход D4;

- вход разрешения счета ET1;

- общий;

- вход загрузки PL;

- вход разрешения счета ET2;

- выход Q4;

- выход Q3;

- выход Q2;

- выход Q1;

- выход переноса P;

- напряжение питания +Uп;

Функциональная схема:


Электрические параметры:


Интегральная микросхема К155ИЕ14. Высокочастотный счетчик-делитель с программируемым коэффициентом деления.

Корпус ИМС К155ИЕ14


Условное графическое изображение:

- вход разрешения предварительной установки "0" S;

- выход третьего разряда B4;

- вход третьего разряда D4;

- вход первого разряда D1;

- выход первого разряда B1;

- вход счетный С2;

- общий;

- вход счетный С1;

- выход второго разряда B2;

- вход второго разряда D2;

- вход четвертого разряда D8;

- выход четвертого разряда B8;

- вход установки "0";

- напряжение питения;

Электрические параметры:


3. Выбор и обоснование схемы электрической принципиальной (Э3)

.1 Выбор комплектующих

Выбор микросхем и элементов проводим согласно схеме электрической функциональной, данные сводим в таблицу.

Таблица - выбор элементов схемы

Элемент

Количество элементов

ИМСх

Количество ИМСх

RS - триггер

1

К561ТР2

2

JK - триггер

1

К155ТВ1

3

2И-НЕ

4

К155ЛА3

1


Интегральные микросхемы.триггер (К155ТВ1)

Микросхема представляет собой два независимых тактируемых JK - триггера с установкой в 0 и 1. Считывание информации с входов J и K происходит во время положительного перепада на входе С, а на выходы она передается во время отрицательного перепада. наличие низкого уровня на входах R и S одновременно дает неопределенное состояние на выходах. Логические уровни на J и K не должны изменяться, пока на С высокий уровень. Если соединить выводы J и K триггер будет работать как обычный счетный (делить частоту на 2).

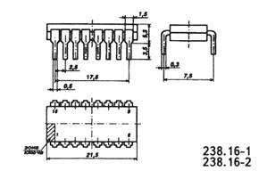
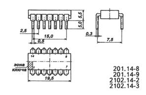
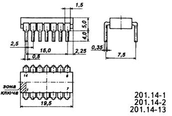
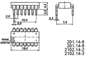
Корпус К155ТВ1 типа 201.14-2, масса не более 1 г и у КМ155ТВ1 типа 201.14-8, масса не более 2,2 г.

Условное графическое изображение: 1 - свободный; 2 - вход R; 3-5 - входы J1-J3; 6 - выход Y2; 7 - общий; 8 - выход Y1; 9-11 - входы K1-K3; 12 - вход C; 13 - вход S; 14 - напряжение

Электрические параметры:

1

Номинальное напряжение питания

5 В+5 %

2

Выходное напряжение низкого уровня

0,4 В

3

Выходное напряжение высокого уровня

2,4 В

4

Напряжение на антизвонном диоде

-1,5 В

5

Входной ток низкого уровня по входам 3-5,9-11 по входам 2,12,13

 -1,6 мА -3,2 мА

6

Входной ток высокого уровня

0,04 мА

7

Входной пробивной ток

1 мА

8

Ток короткого замыкания

-18...-55 мА

9

Ток потребления

20 мА

10

Потребляемая статическая мощность

105 мВт

11

Время задержки распространения при включении

40 нс

12

Время задержки распространения при выкл.

25 нс

13

Тактовая частота

15 мГц


RS - триггер (К561ТР2):


Микросхема К561ТР2 содержит по 4 RS-триггера с общей цепью считывания информации.

Поступление высокого уровня на выходы R или S устанавливает RS-триггер соответственно «0» или «1», а на выходе Q информация появляется только во время действия высокого уровня на разрешающем входе V. Если на этом входе низкий уровень, то на выходе низкий уровень независимо от состояния RS-триггера.

Если на входах R, S и V одновременно высокие уровни, то на выходе Q высокий уровень.

Электрические параметры:

Параметры

54LS/74LS (533,555)

54/74 (133,155)

Выходной ток лог.1, мА

0,4

0,8

Выходной ток лог.0, мА

4,8

16

Входной ток лог.0, мА

0,2

1,6

Входной ток лог.1, мкА

20

40

Выходное напряжение лог.0 (I=Iмакс)

-0,4/-0,35-0,5

-0,2-0,4

Выходное напряжение лог.0 (I=4 мА)

/-0,35-0,4


Выходной ток короткого замыкания, мА

20-100

18-57

Ток потребления (когда все входы R="L", а все входы S="H", выходы не нагружены).

-18-30

Задержки распространения, нс

720

960

Выход " Q" от входа "-S" Q= L-->H

-12-22

-12-22

Выход " Q" от входа "-S" Q= H-->L

-13-21

- 9-15

Выход " Q" от входа "-R" Q= H-->L

-15-27

-15-27

И-НЕ (К155ЛА3):  2И - НЕ

,2,4,5,9,10,12,13 - входы X1-X8; 3 - выход Y1; 6 - выход Y2; 7 - общий; 8 - выход Y3; 11 - выход Y4; 14 - напряжение питания;

Электрические параметры

1

Номинальное напряжение питания

5 В + 5 %

2

Выходное напряжение низкого уровня

не более 0,4 В

3

Выходное напряжение высокого уровня

не менее 2,4 В

4

Напряжение на антизвонном диоде

не менее -1,5 В

5

Входной ток низкого уровня

не более -1,6 мА

6

Входной ток высокого уровня

не более 0,04 мА

7

Входной пробивной ток

не более 1 мА

8

Ток короткого замыкания

-18...-55 мА

9

Ток потребления при низком уровне выходного напряжения

не более 22 мА

10

Ток потребления при высоком уровне выходного напряжения

не более 8 мА

11

Потребляемая статическая мощность на один логический элемент

не более 19,7 мВт

12

Время задержки распространения при включении

не более 15 нс

13

Время задержки распространения при выключении

не более 22 нс


3.2 Помехозащищенность схемы

Для обеспечения помехоустойчивости в схему должны быть введены сглаживающие фильтры на основе конденсатора.

Низкочастотные помехи проникающие в схему по цепи питания должны блокироваться с помощью конденсаторов, емкость которых не менее 1мкФ, из расчета 1 конденсатора К-53-28 на 5-10 микросхем.

Для устранения высокочастотных помех развязывающиеся емкости должны быть распределены по всей поверхности печатной платы равномерно относительно микросхем, из расчета 1 конденсатора К50-9 на группу не более чем 10 микросхем, емкостью на 1 микросхему 0,002 - 0,001мкФ.

Так как в проектируемой схеме 5 микросхем, то на основании всего вышеизложенного в схему включаем 1 электролитический конденсатор К53-28 для устранения низкочастотных помех и 1 конденсатор К50-9 для исключения высокочастотных помех.

В этих же целях в используемых микросхемах не должно быть свободных контактов. Поэтому на свободные выводы микросхем подается напряжение +5В через сопротивление 1кОм. К одному сопротивлению можно подключить не более 20 свободных выводов.

Из справочника взяли графическое обозначения данных микросхем и написали их на отдельных листах, как это приведено выше.

На основании выбора комплектующих - ИМСх и конденсаторов строим схему электрическую принципиальную, которая приведена в Приложении 2.

4. Расчетная часть

.1 Расчет потребляемой мощности

Цель расчета:

Определение требований к источнику питания, как при автономной наладке ТЭЗ, так и при работе в составе ЭВМ.

Исходные данные:

ü  Схема электрическая принципиальная;

ü  Справочные данные по микросхемам.

Расчет потребляемой мощности определяется по формуле:

∑потр = ∑Pпотрi * n;

Справочные данные по микросхемам:

ИМС

Количество ИМС(n)

Pпотр , мВт

∑Pпотр , мВт

К561ТР2

2

1,4

2,8

К155ТВ1

3

105

315

К155ЛА3

1

19,7

19,7

потр = 337,5 мВТ.

Зная напряжение питания схемы, (Uпит = 5В±5%) и суммарную потребляемую мощность по формуле определяем ток источника питания:

пит = P /U

) +5%:пит = 337,5мВт/5,25В = 64,28 мА

) -5%пит = 337,5мВт/4,75В = 71,05 мА

Следовательно, для наладки и настройки ТЭЗа необходим источник питания с напряжением 5В и током питания не более 71,05 мА и не менее 64,28 мА, что удовлетворяет техническим требованиям.

4.2 Расчет быстродействия

Цель расчета:

Определение времени работы фирмы, которое ограничивается переходными процессами в микросхемах.

Исходные данные:

ü  Схема электрическая принципиальная;

ü  Справочные данные по микросхемам.

К155ЛА3         К155ТВ1            К561ТР2          К561ТР2

0,1 = 15 нс t0,1 = 40 нс t0,1 = 720 нс t0,1 = 720 нс1,0 = 22 нс t1,0 = 25 нс t1,0 = 960 нс t1,0 = 960 нс

τ= 22*1+40*3+960*2=2062 нс

Период повторения подчиняется соотношению: T>>τ

τ= 2062 нс= 1/T = 1/2100 = 476,2МГц.

Результат расчета быстродействия согласуется с техническими требованиями на схеме.

.3 Расчет надежности

Расчёт надёжности - это процедура определения значений показателей надежности объекта с использованием методов, основанных на их вычислении по справочным данным о надежности элементов объекта, по данным о надежности объектов-аналогов, данным о свойствах материалов и другой информации, имеющейся к моменту расчета.

Цель расчета:

Определение времени до первого отказа, а так же определение вероятности безотказной работы схемы.

Исходные данные:

ü  Схема электрическая принципиальная;

ü  Справочные данные по микросхемам.

Расчет интенсивности отказов:

Элементы

Количество

λi 1/час

λ*n 1/час

1

ИМСх.

5

1*10-6

5*10-6

2

С

2

1,6*10-6

3,2*10-6

3

R

2

1,2*10-6

2,4*10-6

4

ПП

1

0,1*10-6

0,1*10-6

5

Печатные проводники

14

0,01*10-6

0,14*10-6

6

Разъем

1

0,23*10-6

0,23*10-6

7

Пайка

70

0,01*10-6

0,7*10-6


∑λ = 5*10-6 +3,6*10-6 +2,4*10-6 +0,1*10-6+ 0,14*10-6+ 0,23*10-6 +0,7*10-6 =12,17*10-6 1/час

Вероятность безотказной работы схемы определяется по формуле:

(t)=e∑*t

t

0

10

100

10*102

10*103

10*104

10*105

P(t)

1

0,99987

0,9987

0,9879

0,8854

0,296

0,000005



Заключение

На основании технических требований была разработана схема электрическая функциональная, схема электрическая принципиальная.

Сделан расчет потребляемой мощности, быстродействия, надежности схемы.

Задание выполнено полностью согласно с техническими требованиями.

Список используемой литературы

1.       К. А. Нешумова, «Электронные вычислительные машины и системы».

.        И. М. Мышляева, «Цифровая схемотехника».

.        И.И. Бобров «Импульсные и цифровые устройства».

.        В Л. Шило «Популярные цифровые микросхемы».

.        Справочник «Интегральные микросхемы».

.        Ю. В. Панов, Т. С. Леготкина, Методические рекомендации «Синтез счетчиков сигналов»

Приложение

. Схема электрическая функциональная (Э2).


Не нашли материал для своей работы?
Поможем написать уникальную работу
Без плагиата!
Без нейросетей!