Разработка принципиальной схемы 16 разрядного счетчика с использованием программы Electron ics Workbench 5.12

  • Вид работы:
    Контрольная работа
  • Предмет:
    Информатика, ВТ, телекоммуникации
  • Язык:
    Русский
    ,
    Формат файла:
    MS Word
    752,67 Кб
  • Опубликовано:
    2014-04-23
Вы можете узнать стоимость помощи в написании студенческой работы.
Помощь в написании работы, которую точно примут!

Разработка принципиальной схемы 16 разрядного счетчика с использованием программы Electron ics Workbench 5.12















Контрольная работа

Разработка принципиальной схемы 16 разрядного счетчика с использованием программы Electron ics Workbench 5.12

Содержание

Введение

1. Описание узлов 16 разрядного счетчика

2. Принцип работы элементов

2.1 Общие сведенья о триггерах

.2 Триггер

. Разработка принципиальной схемы с использованием программы Electron ics Workbench 5.12

Заключение

Перечень используемых источников

Приложение А

Приложение Б

принципиальная схема счетчик триггер

Введение

Подсчет импульсов является одной из наиболее распространенных операций, выполняемых в устройствах дискретной обработки информации. Такая операция в цифровых устройствах выполняется с помощью счетчиков. Счетчиком называют цифровое устройство, предназначенное для подсчета числа импульсов.

Счетчик - это устройства предназначенные для подсчета числа сигналов, поступающих на его вход и фиксация этого числа в виде кода хранящегося в триггерах. Количество разрядов счетчика определяется наибольшим числом, которое должно быть получено в каждом конкретном случае. Для подсчета и выдачи результата счетчики имеют один вход и n выходов, где n-количество разрядов. В общем случае счетчик имеет 2ⁿ устойчивых состояния, включая и 0-е. Количество устойчивых состояний называется коэффициентом пересчета счетчика (М= 2ⁿ)

1. Описание узлов 16 разрядного счетчика

Для преобразования булевой алгебры используют некоторый набор логических выражений. Существуют специализированные ИМС, разработанные методами интегральной технологии специально для получения требуемой логической зависимости.

Помимо специализированных ИМС имеется уникальный набор логических элементов, обеспечивающий реализацию любых логических функций. К этому набору относят: инвертор, конъюнктор , дизъюнктор; повторитель; И-НЕ; ИЛИ-НЕ; исключающее ИЛИ; И-ИЛИ-НЕ; запрет и др.

Для описания узлов шетнадцати разрядного счетчика необходимо знать на каких элементах он строится.

Счетчик - это устройства предназначенные для подсчета числа сигналов, поступающих на его вход и фиксация этого числа в виде кода хранящегося в триггерах. Количество разрядов счетчика определяется наибольшим числом, которое должно быть получено в каждом конкретном случае. Для подсчета и выдачи результата счетчики имеют один вход и n выходов, где n-количество разрядов. В общем случае счетчик имеет 2ⁿ устойчивых состояния, включая и 0-е. Количество устойчивых состояний называется коэффициентом пересчета счетчика (М= 2ⁿ). Далее будет рассмотрены некоторые из видов счётчики.

·        Суммирующие счетчики

Суммирующий счетчик должен функционировать так, чтобы при поступлении на его вход одного импульса записанное в нем число увеличилось на единицу. Принцип построения суммирующего счетчика следует из правила прибавления к двоичному числу единицы. В соответствии с этим правилом, например, трехразрядный счетчик должен последовательно принимать состояния 000, 001, 010, 011, 100, …, 111.

Видно, что триггер младшего разряда переключается каждым счетным импульсом, т.е. входом счетчика служит вход этого триггера. Состояния второго и третьего триггеров меняются соответственно каждым вторым и четвертым импульсом. Это обеспечивается последовательным соединением триггеров.

Из правила прибавления к двоичному числу единицы также известно, что изменение значения i-го разряда происходит тогда, когда до прибавления очередной единицы все предыдущие разряды были единицами. Отсюда следует правило: если триггеры имеют прямой счетный вход, то он подключается к инверсному выходу предыдущего триггера; если имеет инверсный вход, то он подключается к прямому выходу.

Иллюстрирующий пример трехразрядного суммирующего счетчика с временными диаграммами работы и условным изображением приведен на рисунке 1.1. Счетчик может принимать 8 различных состояний, которые

Рисунок 1 - схема (а), условное графическое обозначение (б) и (в) временные диаграммы трехразрядного суммирующего счетчика с последовательным переносом  повторяются через каждые 8 входных импульсов (Kn=8).

С наибольшей частотой переключается триггер младшего разряда, следовательно, разрешающая способность счетчика определяется временем задержки переключение триггера (Тсттг). Это положение распространяется на все типы двоичных счетчиков.

Данный счетчик называют счетчиком с последовательным переносом, так как переключение триггера i-го разряда происходит в результате последовательного переключения всех предыдущих триггеров младших разрядов, т. е. информация распространится по цепочке триггеров последовательно.

·  Вычитающие счетчики

При подаче на вход вычитающего счетчика одного счетного импульса ранее записанное в нем число уменьшается на единицу. Принципы построения вычитающих счетчиков основаны на правилах вычитания двоичных чисел и отличаются от принципов построения суммирующих счетчиков лишь тем, что если триггеры имеют прямой вход +1, то его подключают к прямому выходу предыдущего триггера, если вход инверсный, то подключают к инверсному выходу. Пример данного счетчика можно увидеть на рисунке 1.2.

Рисунок 1.2. - вычитающий счетчик

Заметим, что данный счетчик можно рассматривать как суммирующий, а суммирующий - как вычитающий при инвертировании выходных сигналов Qi, или съеме информации с выходов Qi.

·  Реверсивные счетчики

Они могут работать как в режиме суммирования, так и вычитания Переключение режимов осуществляется коммутацией счетных входов всех триггеров (кроме триггера младшего разряда) инверсным или прямым выходам предыдущих триггеров.

Рисунок 1.3 - Фрагмент схемы реверсивного счётчика

Схема имеет два входа для подачи входных сигналов: +1 - при работе в режиме суммирования, -1 - при работе в режиме вычитания. Дополнительный управляющий вход N задаёт направление счёта. При N=0 схема (рисунок 1.3) работает как суммирующий счётчик, а при N=1 - как вычитающий.

·  Счётчики с последовательно-параллельным переносом

Все рассмотренные выше схемы счётчиков представляют собой счётчики с последовательным переносом. В этих счётчиках импульсы, подлежащие счёту, поступают на вход только одного первого триггера, а сигнал переноса передаётся последовательно от одного разряда к другому. Такие счётчики отличаются простотой схемы, но имеют невысокое быстродействие. Счётчики с параллельным переносом строятся на синхронных триггерах. Счётные импульсы подаются одновременно на тактовые входы всех триггеров, а каждый из триггеров цепочки служит по отношению к последующим только источником сигналов. Срабатывание триггеров параллельного счётчика происходит синхронно, и задержка переключения всего счётчика равна задержке для одного триггера. Следовательно, такие счётчики более быстродействующие. Их основным недостатком является большая мощность, потребляемая от источника входных сигналов, так как входные импульсы подаются на тактовые входы всех триггеров. Для устранения недостатков рассмотренных выше счётчиков разработаны и используются счётчики с последовательно-параллельным переносом.

В счётчиках с последовательно-параллельным переносом триггеры объединены в группы так, что отдельные группы образуют счётчики с параллельным переносом, а группы соединяются с последовательным переносом. В роли групп могут быть и готовые счётчики.

Общий коэффициент счёта таких счётчиков равен произведению коэффициентов счёта всех групп.

В качестве примера ниже (рисунок 1.4) приведена счётная декада на JK-триггерах.

Рисунок 1.4 - счётная декада на JK-триггерах

К моменту прихода 8-го импульса на двух входах J 4-го триггера формируется уровень лог. «1». 8-ым импульсом этот триггер переключается в состояние лог. «1», а уровень лог. «0» с его инверсного выхода, подаваемый на вход «J» второго триггера, запрещает его переключение в единичное состояние под действием 10-го импульса. 10-ый импульс восстанавливает нулевое состояние 4-го триггера и цикл работы счётчика повторяется.

Также при разработке устройства использовались некоторые необходимые элементы из программы Electronics Workbenh:

    Функциональный генератор

Является идеальным источником напряжения, вырабатывающим сиг-

налы синусоидальной, прямоугольной или треугольной формы. Его можно увидеть на рисунке 1.5.


Рисунок 1.5 - Функциональный генератор

Средний вывод генератора при подключении к схеме обеспечивает общую точку для отсчета амплитуды переменного напряжения. Для отсчета напряжения относительно нуля общий вывод заземляют. Крайние правый и левый выводы служат для подачи переменного напряжения на схему. Напряжение на правом выводе изменяется в положительном направлении относительно общего вывода, напряжение на левом выводе - в отрицательном.

         Логический анализатор

На схему выводится уменьшенное изображение логического анализатора. Логический анализатор (рисунок 1.6) подключается к исследуемой схеме с помощью выводов в его левой части. Одновременно могут наблюдаться сигналы в шестнадцати точках схемы. Правый нижний зажим используется для подачи синхронизирующих импульсов.

Рисунок 1.6 - Логический анализатор

-   Соединяющий узел

Соединяющий узел применяется для соединения проводников и создания контрольных точек. К каждому узлу может подсоединяться не более четырех проводников.

    Заземление

Не все схемы нуждаются в заземлении для моделирования, однако любая схема, содержащая: операционный усилитель; трансформатор;

Рисунок 1.7 - Заземление

управляемый источник; осциллограф, должна быть обязательно заземлена, иначе приборы не будут производить измерения или их показания окажутся неправильными.

2. Принцип работы элементов

2.1 Общие сведенья о триггерах

Триггер - это устройство последовательного типа с двумя устойчивыми состояниями равновесия, предназначенное для записи и хранения информации. Под действием входных сигналов триггер может переключаться из одного устойчивого состояния в другое. При этом напряжение на его выходе скачкообразно изменяется.

Триггеры могут синхронизироваться уровнем или фронтом синхроимпульсов.

Триггеры, синхронизируемые уровнем, могут изменять свое состояние в течении длительности синхроимпульса (уровня синхросигнала) при поступлении соответствующих управляющих сигналов, т.е. могут переключаться несколько раз за время действия одного синхроимпульса. В течение паузы между синхроимпульсами состояние такого триггера сохраняется при любых изменениях управляющих сигналов.
Триггеры, синхронизируемые фронтом, изменяют свое состояние при поступлении на синхронизирующий вход соответствующего фронта (положительного или отрицательного) синхроимпульса, а затем это состояние сохраняется при любых изменениях управляющих сигналов. За время действия одного синхроимпульса, триггер, синхронизируемый фронтом, может переключаться только один раз. В асинхронных триггерах отсутствует вход синхронизации. Поэтому переключение таких триггеров происходит когда на управляющие входы поступает соответствующая комбинация управляющих сигналов. На рис.12.3 показано условное графическое обозначение RS-триггера. Как правило, триггер имеет два выхода: прямой и инверсный.

Рисунок.2.1 - условное графическое обозначение RS-триггера

Наибольшее распространение в цифровых устройствах получили RS-триггер с двумя установочными входами, тактируемый D-триггер и счетный Т-триггер.

Временные диаграммы показывают уровни напряжения и временные интервалы между входными и выходными сигналами и соответствуют той картине, которую можно наблюдать на экране осциллографа. По горизонтали откладывается время, по вертикали - уровень напряжения.
Временные диаграммы для различных режимов установки Т - триггера показаны на рисунке 2.2

Рисунок 2.2 - временная диаграмма Т-триггера

2.2 Триггер

Триггер типа Т называется триггером со счётным входом. Он изменяет своё состояние на противоположное каждый раз, когда на его вход приходит очередной сигнал. Обозначение триггера произошло от первой буквы английского слова toggle - защёлка.

Условное графическое обозначение Т-триггера показано на рисунке 2.3. Т-триггер имеет один вход Т и два выхода Q и . T - счётный вход триггера.

Рисунок 2.3 - Условное графическое обозначение Т-триггера

Принцип работы триггера иллюстрирует его таблица истинности (таблица 3.1)

Рисунок 2.4 - Таблица истинности Т-триггера

Т-триггеры можно построить с помощью любого двухступенчатого триггера. Наличие двух ступеней позволяет избавиться от запрещенных состояний. Т-триггер лучше всего построить на основе D-триггера <#"730204.files/image013.gif">

Рисунок 2.4 - Т-триггера на основе D-триггера

Счетным Т-триггер называют потому что он считает количество импульсов, которое поступает к нему на вход. Правда счет ведется лишь до одного. При повторной подаче сигнала на вход - значение выхода сбрасы-

вается. Это свойство дало возможность использовать устройство, как делитель частоты. То есть с выхода будем снимать импульсы вдвое меньшей частоты, чем было на входе. Соответственно и полученное будет работать по тому же принципу, временная диаграмма Т-триггера имеет следующий вид ( рисунок 2.5) :

Рисунок 2.5 - Временные диаграммы Т- триггера

Основные разновидности Т-триггеров, выполненных на основе триггеров D и JK-типов, а также их функциональное поведение показанно на рисунке 2.6.

a)   Т-триггер выполнен на основе D-триггера с прямым динамическим тактовым входом;

b)      Т-триггер выполнен на основе JK-триггера с инверсным динамическим тактовы входом. На обьеденненый вход J и K и С; )     Т-триггер на основе JK-триггера с входом разрешения EN.

Рисунок 2.6 - разновидности Т-триггеров

3. Разработка принципиальной схемы с использованием программы Electronics Workbench 5.12

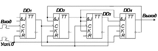
В данном разделе представлена схема электрическая принципиальная 16 разрядного счётчика на счетных Т триггерах и временные диаграммы которые объясняют принцип работы счетчика. Скриншот со схемой представлен на рисунке 3.1

Рисунок 3.1 - Принципиальная схема 16 разрядного счетчика Т триггерах

Для построения шестнадцати разрядного счетчика мною было испосльзованно шестнадцать последовательно соединённых Т-триггеров на основе D-триггера. Это объясняется тем, что Т-триггер в свободном исполнении не встречается так как их легко можно получить из D-триггера и других.

Для того, что бы преобразовать D-триггер необходимо вход D соединить с инверсным выходом, а на вход С подать счётные импульсы. А для получения необходимой разрядности, выход Q соединить с входом C и количетво триггеров собранных таким способом будет определяет его разрядность. В результате триггер при каждом счётном импульсе запоминает значение, то есть будет переключаться в противоположное состояние. На рисунке 3.2 показано

Рисунок 3.2 - Пример счетчика на Т-триггерах

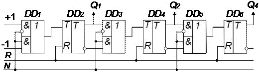
После того как последовательно было соединено шестнадцать счетчиков необходимо подать импульс для выполнения его основных задач - счета сигналов. Для этого необходимо воспользоваться функциональным генератором (рисунок 1.5). Положительный вывод необходимо подсоединить к его первому триггеру ко входу С. А к среднему выходу подключил заземление. Всю эту проделанную операцию можно увидеть на рисунке 3.3.

Рисунок 3.3 - Принципиальная схема шестнадцати разрядного счетчика на Т-триггерах

Для того что бы убедится в правильности работы счетчика необходимо увидеть его временные диаграммы. Временные диаграммы можно получить подключив к каждому выходу Q логический анализатор. Подключать его следует по направлению счета т.е. слева на право от первого триггера к последнему (рисунок 3.4).

Что бы увидеть временные диаграммы нужно произвести двойной клик левой кнопкой мыши на значке логического анализатора на схеме и настроить некоторые параметры это: скважность частоты, интервал времени и другие параметры. Временные диаграммы находятся на рисунке 3.5.

Рисунок 3.4 - Счетчик с подключенным логическим анализатором

Рисунок 3.5 - Полученные временные диаграммы

Данная схема (рисунок 3.1) находится на диске прилагаемым к курсовому проекту. Она сохранена в программе Electronics Workbench версии 5.12. Файл называется Удод Ю.Ю. занимает - 30 КБ свободного пространства.

Заключение

Курсовая работа является заключительным этапом по курсу «Компьютерная схемотехника». В данной курсовой работе были применены и закреплены полученные навыки. В ходе работы был разработан 16 разрядный счетчик на Т-триггерах за основу был взят D-триггер. Также построена принципиальная схема в программе Electronics Workbench 5.12 и получены соответствующие временные диаграммы. Данный курсовой проект помог усовершенствовать практические умения в разработке логических устройств. Процесс разработки устройства описан в пункте 3 и полученные временные диаграммы показали, что поставленная задача выполнена.

Литература


1. Бабич Н.П., Жуков И.А. Компьютерная схемотехника. Методы построения и проектирования: Учебное пособие.-К.: «МК-Пресс», 2004.-576 с.

2. Шкурко А.И., Процюк Р.О., Корнейчук В.И. Компьютерная схемотехника в примерах и задачах. Учебн. пособие.- К. : «Корнийчук», 2003.- 144 с.

. Угрюмов Е.П. Цифровая схемотехника. Учебн. пособие.- СПб.: БХВ - Петербург., 2000.-528 с.

. Семенец В.В., Хаханова И.В., Хаханов В.И. Проектирование цифровых систем с использованием языка VHDL.- Харьков, ХНУРЭ, 2003.- 492.

5. <http://electronshiki.ru/?qa=11714>.

. <http://kursach37.com/uch_cifr_t5_53.html>

. <http://www.tstu.ru/education/elib/pdf/2005/chernva.pdf>

. <http://rushkolnik.ru/?q=%D0%A1%D1%87%D0%B5>.

. <http://vbibl.ru/informatika/65082/index.html?page=3>.

. http://sh.instone.com.ua/tema1.4.php.

Приложение А

Поз. Обозначение

Наименование

Кол.

Примечание


Схема электрическая принципиальная 4КС1.2014.00.018 Э3 КП

1



Микросхемы



DD1-DD16

SN7474N INT15.784

16



Разъемы



XS1- XS18

18



Похожие работы на - Разработка принципиальной схемы 16 разрядного счетчика с использованием программы Electron ics Workbench 5.12

 

Не нашли материал для своей работы?
Поможем написать уникальную работу
Без плагиата!
Без нейросетей!