Система автоматического управления розливом медных анодов

  • Вид работы:
    Курсовая работа (т)
  • Предмет:
    Другое
  • Язык:
    Русский
    ,
    Формат файла:
    MS Word
    1,11 Мб
  • Опубликовано:
    2012-12-16
Вы можете узнать стоимость помощи в написании студенческой работы.
Помощь в написании работы, которую точно примут!

Система автоматического управления розливом медных анодов

Федеральное агентство по образованию

ГОУВПО Норильский индустриальный институт

Кафедра электропривода и автоматизации технологических процессов и производств






Курсовая работа

по Теории автоматического управления

Тема: Система автоматического управления розливом медных анодов


Выполнил: ст. гр. АПм-06

Арламов А.С.

Проверил: к.т.н., доцент

Писарев А.И.





Норильск 2009

Содержание:

. Функциональная схема САУ

. Выбор двигателя и моделирование двигателя в программе Simulink

. Расчёт и моделирование КРТ

. Расчёт и моделирование КРВ

. Расчёт и моделирование КВВ

. Полная структурная схема САУ

.Разработка розлива анодов и задающего устройства

.Моделирование рабочего цикла работы САУ

.Выводы

.Список литературы

Исходные данные:

Вариант 01

Масса анода:

Количество анодов:

Диаграмма розлива:

t, с

0

0,5

1,5

2,0

2,5

3,0

3,5

4,0

4,5

020405065809095100










030607597,5120135142,5150











Построим заданную кривую розлива анодов меди.


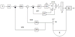
1.Функциональная схема.

Функциональная схема САУ

Функциональная схема САУ состоит из:

З - задающее устройство - задаёт программу системы;

Ф-фильтр-устройство, обеспечивает качество системы регулирования;

РВ - регулятор веса;

РТ- регулятор тока;

ТП - тиристорный преобразователь - управляет источником постоянного напряжения.

ДПТ НВ- двигатель постоянного тока независимого возбуждения.

ЧЭ - чувствительный элемент; Ш - сопротивление шунта;

ДТ - датчик тока;

ДВ1 - датчик веса 1 - усилитель сигнала для необходимой величины.

Б - барабан;

Р - редуктор;

К- ковш;

САУ состоит из 3-х контуров:

-й контур - КРТ=РТ+ТП+ДПТ НВ+RШ+ДТ; (контур регулирования тока )

-й контур - КРВ=Ф+РВ+КРТ+Р+Б+ЧЭ+Л+ДВ1;(контур регулирования веса)

-й контур ККВ=ЧЭ+ДВ2; (контур компенсации возмущения)

Фильтр (Ф) необходим для настройки системы регулирования на симметричный оптимум. Тиристорный преобразователь (ТП) создает изменяемое по величине напряжение для работы двигателя. Регулятор тока (РТ) нужен для управления тиристорным преобразователем. Датчик тока (ДТ) усиливает ток с сопротивления шунта и согласовывает с задающим устройством.

2.Выбор двигателя и моделирование двигателя в программе Simulink

.1 Выбор дозирующего ковша


Выберем размеры ковша:

Дозирующий ковш


Рассчитаем массу ковша:



Примем . Тогда:


.2 Выбор двигателя

Выбор двигателя производим из условия его мощности и момента вращения. Должны выполняться следующие условия:


Проверим двигатель МП-72:

Выбираем двигатель МП-72 со следующими характеристиками:

Номинальная мощность

Рн = 75 кВт

Число оборотов

nн = 520 об/мин

Номинальный ток

Iн = 374 А

Напряжение питания

Uпит=220 В

Сопротивление якоря

Rя + rдп = 0,0133 Ом

Момент инерции якоря

J = 14 кг×м2


.3 Передаточная функция двигателя. Дифференциальные уравнения

Электрическая схема ДПТ НВ.


Структурная схема ДПТ НВ.

.4 Моделирование ДПТ НВ в Simulink

.4.1 В двигательном режиме (Rдоп=0)

Для моделирования двигателя рассчитаем следующие параметры:

Определим конструктивный коэффициент С:


Найдем постоянную времени якоря:


Моделируем поведение двигателя в режиме холостого хода (Uпит = Uном ; Mc = 0), в номинальном режиме (Uпит = Uном ; Mc = Mном), и в режиме динамического торможения (Uпит = 0; Mc =0) для уточнения параметров двигателя:

Схема эксперимента.


Результаты

Ток в якорной цепи, А


Частота вращения ротора, рад/с


Рассмотрим подробнее номинальный режим.


Как видно из графиков, номинальный ток совпадает с паспортным значением, а частота отличается от рассчитанной ранее. Поэтому во всех дальнейших расчетах будем использовать щном = 58,4 рад/с.

.4.2 Моделирование ДПТ в режиме датчика момента

В данном режиме щ = 0 (следовательно, e = 0), Rдоп ≠ 0. Поэтому структурная схема двигателя упрощается:


Рассчитаем дополнительное сопротивление Rдоп (оно вводится для снижения тока в якорной цепи до номинального значения):


В этом случае КЯ равно:


Схема эксперимента.


Результаты.


В установившемся режиме значения тока и момента совпадают с номинальными.

3. Расчет и моделирование контура регулирования тока (КРТ)

.1 Функциональная схема КРТ


Обозначения:рв - сигнал, поступающий с регулятора веса.ос(т) - напряжение обратной связи по току.т - сигнал рассогласования между Uрв и Uос(т) .рт - напряжение, вырабатываемое регулятором тока (РТ).я - ток якорной цепи.ш = Iя Rш - падение напряжения на шунте.

В данном контуре осуществляется регулирование по ошибке, то есть, в установившемся режиме Uт = 0. Но Uрт (напряжение, создаваемое ПИ-регулятором) никогда не обращается в нуль.

.2 Выбор номинального режима работы КРТ

Примем номинальное значение напряжения Uрв ном = 6 В (контроллер может вырабатывать напряжение от 2 до 20 В).

Выберем нормированное значение напряжения шунта:

ш = 300 мВ = 0,3 В.

Следовательно:


3.3 Структурная схема КРТ и расчет регулятора


Здесь двигатель работает в режиме датчика моментов.

Постоянная времени тиристорного преобразователя: Ттп = 0.02 с.

При Uрт ном = 6 В получаем коэффициент передачи тиристорного преобразователя:


Настройка КРТ на модульный оптимум (МО):

Приведем КРТ к единичной обратной связи:


Звено, не охваченное ОС, не влияет на настройку.

Структурная схема системы, настроенной на МО:


где Т1 - постоянная времени системы.

Для настройки КРТ на МО прировняем передаточные функции КРТ и данной системы (без учета ОС, т. к. в обоих случаях она единичная):


Отсюда выразим передаточную функцию регулятора тока:


Для упрощения регулятора выберем постоянную времени КРТ:

Преобразованная передаточная функция РТ:


Как видно, это - ПИ-регулятор с параметрами:


.4 Моделирование КРТ

.4.1 Проверяем настройку КРТ на МО

Перерегулирование у и время переходного процесса tпп должны приближенно равняться:


Схема эксперимента.


Результаты моделирования.


Определяем экспериментальные значения у и tпп по графику:


Полученные значения лежат в допустимых пределах.

.4.2 Определение запаса устойчивости по фазе

С помощью звена запаздывания выводим систему на границу колебательной устойчивости и определяем критическое смещение фкр и период автоколебаний Т.

Схема эксперимента.


Результаты.


По графику определяем период автоколебаний: Т ≈ 0.275 с.

Частота автоколебаний:


Получаем запас устойчивости по фазе:


3.4.3 Определение запаса устойчивости по модулю

Для определения запаса устойчивости по модулю увеличиваем коэффициент передачи КРТ до тех пор, пока система не выйдет на границу устойчивости.

Схема эксперимента.


Результаты (К=300).


Как видно, КРТ остается устойчивым даже при большом коэффициенте передачи, поэтому запас устойчивости по модулю КРТ не ограничен (ДА = ∞).

.4.4 Определение полосы пропускания

Будем подавать на вход КРТ гармонику амплитудой 1 В переменной частоты. Снимем амплитудно-частотную характеристику КРТ и определим частоту среза щср (на частоте щср амплитуда выходного сигнала должна равняться 0.707 Аmax).

Схема эксперимента.


Таблица результатов.

щ, рад/с

1

10

15

20

25

30

33

А/Аmax

1

0.9967

0.9842

0.9524

0.8945

0.8115

0.754

щ, рад/с

35.36

37

40

45

50

55

60

А/Аmax

0.7071

0.6743

0.6157

0.5253

0.4472

0.3819

0.328


Полученная экспериментально частота среза щср = 35.36 рад/с совпадает с теоретической частотой среза КРТ:


Амплитудно-частотная характеристика КРТ.

 Обычная

 Логарифмическая


.4.5 Определение коэффициента форсировки

Для определения коэффициента форсировки Кф подадим на вход контура регулирования тока (КРТ) напряжение Uвх=5 В и выведем на экран осциллографа график зависимости Uрт(t).

Коэффициент форсировки показывает на сколько напряжение с регулятора тока превышает установившийся режим (в данном случае 6 В) или на сколько быстро разгоняется система.

Схема эксперимента.


Результаты.


Определяем экспериментальные значения у и tпп по графику напряжения с регулятора тока:

(с)

Полученные значения лежат в допустимых пределах.

3.4.6 Определение скоростной ошибки при входном сигнале, изменяющемся во времени

Качество САУ в установившемся режиме оценивается с помощью коэффициентов ошибок. В контуре регулирования тока присутствует только одно интегрирующее звено, поэтому данная система имеет астатизм первого порядка, в которой отсутствует статическая ошибка и ошибка от ускорения.


В нашем случае , тогда .

Далее найдем коэффициент скоростной ошибки  через вычисление передаточной функции разомкнутой системы.


где

Тогда получаем коэффициент К:


Ошибка по заданию равна:


Если приведем КРТ к единичной обратной связи (см. п. 5.4.), то коэффициент ошибки вычислим следующим образом:

 - коэффициент статической ошибки

 - коэффициент скоростной ошибки

Получим значение экспериментальным путем и сравним его с теоретическим.

Схема эксперимента.


Результаты.


Из графика видим, что экспериментальная скоростная ошибка по заданию совпадает с теоретической, рассчитанной ранее.

4.Расчет и моделирование контура регулирования веса (КРВ)

.1 Расчет механической части

Принцип действия механической части:


где i - передаточное число редуктора (пока примем i = 1).

Реальная схема работы механической части КРВ.


Выберем длину барабана L = 1 м.

Материал барабана - алюминий.

Плотность алюминия: гAl = гб = 2.7·103 кг/м3.

Масса барабана:

Момент инерции барабана:


Для упрощения расчета заменим реальную схему расчетной так, чтобы кинетическая энергия реальной и расчетной схем были одинаковы.

 Jр - момент инерции ротора. 


Уравнение кинетической энергии для данной схемы:


Выразим отсюда приведенный момент инерции Jпр :


Момент инерции всей системы:


Дифференциальное уравнение механической части:


где Мдин = М - Мс - динамический момент барабана.

В данном случае жесткостью Сц можно пренебречь, поэтому передаточная функция механической части КРВ:


Постоянная времени ковша, полученная опытным путем: Тк = 0.15 (с).

Зная это, найдем коэффициент передачи ковша:


.2 Построение модели объекта регулирования

Структурная схема КРВ.


где km - коэффициент массы, равный отношению массы вылитой меди к высоте, на которую поднят ковш:


КВ - коэффициент обратной связи по массе:


Между точками А и Б расположен объект регулирования. Поскольку он имеет четвертый порядок, то и регулятор веса должен иметь такой же (что нереализуемо). В целях упрощения регулятора, заменяем объект регулирования его моделью второго порядка:


Выберем Км и Тм следующим образом:


.3 Расчет регулятора веса и фильтра. Настройка КРВ на СО

Заменив объект регулирования полученной моделью, выполним настройку КРВ на СО. Настроенная на СО система лучше компенсирует возмущения (в отличие от КРТ, здесь имеются такие возмущения как инерционность ковша, трение в опорах и т. д.).

Условие настройки на СО:

где Т2 - постоянная времени КРВ. Выразим отсюда передаточную функцию регулятора веса (с учетом обратной связи):


Выберем Т2 для упрощения регулятора следующим образом:


Получим:


Как видно, это - ПИ-регулятор с параметрами:


Передаточную функцию фильтра выберем так:


4.4 Моделирование КРВ

Проверим качество настройки КРВ на СО, используя объект регулирования и его модель. Перерегулирование у и время переходного процесса tпп должны приближенно равняться:


Схема эксперимента.


Результаты.


Как видно, объект регулирования и модель ведут себя примерно одинаково. Далее будем исследовать только объект регулирования.


Полученные значения лежат в допустимых пределах.

.4.2 Определение запаса устойчивости по модулю

Для определения запаса устойчивости по модулю увеличиваем коэффициент передачи КРВ до тех пор, пока система не выйдет на границу устойчивости.

Схема эксперимента.


Результаты (К = 6,671):


Получили запас устойчивости КРВ по модулю: ДА ≈ 6,671.

4.4.3 Определение запаса устойчивости по фазе

С помощью звена запаздывания выводим систему на границу устойчивости и определяем критическое смещение фкр и период автоколебаний Т.

Схема эксперимента.


Результаты (фкр = 0,197).


По графику определяем период автоколебаний: Т ≈ 2,3 с.

Частота автоколебаний:


Получаем запас устойчивости по фазе:

.4.4 Определение полосы пропускания

Будем подавать на вход КРВ гармонику амплитудой 1 В переменной частоты. Снимем амплитудно-частотную характеристику КРВ и определим частоту среза щср (на частоте щср амплитуда выходного сигнала должна равняться 0.7071 Аmax).

Схема эксперимента.


Таблица результатов

щ, рад/с

0.6

0.8

1

1.2

1.4

1.6

1.8

2

2.2

А/Аmax

1.006

1.008

1.008

1.005

0.999

0.989

0.972

0.949

0.916

щ, рад/с

2.4

2.6

2.8

2.954

3.2

3.4

3.6

3.8

4

А/Аmax

0.874

0.823

0.763

0.707

0.631

0.565

0.502

0.445

0.393


Полученная экспериментально частота среза щср = 2.954 рад/с примерно совпадает с теоретической частотой среза КРВ:


Амплитудно-частотная характеристика КРВ.



5.Расчет и моделирование контура компенсации веса (ККВ)

КРВ, настроенный на симметричный оптимум, хорошо компенсирует возмущение (инерционность ковша), но все-таки не достаточно быстро. Из-за этого ковш простаивает начальные 0.5ч1.5 с. времени розлива. В связи с этим вводят контур компенсации веса.

Назначение ККВ: быстро компенсировать вес ковша и сократить время простоя ковша.

Условие выбора передаточной функции ККВ:

Для того чтобы возмущающий момент МС как можно меньше влиял на работу системы, требуется, чтобы передаточная функция между точками МС - МК равнялась нулю, то есть:


Тогда, исходя из схемы, условие выбора передаточной функции компенсирующего устройства WКУ примет вид:


Отсюда выразим WКУ:


Тогда структурная схема компенсирующего устройства будет иметь вид:


Приведем сравнительные характеристики работы системы с ККВ и без него.

График выходной характеристики САУ:


При включении ККВ уменьшается время простоя ковша с 1.1 до 0.7 секунд. К тому же, качество переходного процесса улучшается (меньше перерегулирование и колебательность).

6. Полная структурная схема САУ

.1 Схема САУ


.2 Схема моделирования САУ, выполненная в программе Simulink


7. Разработка алгоритмов розлива анодов и задающего устройства

Свяжем заданные дискретные значения массы с напряжением, выдаваемым контроллером.

Для этого умножим заданные массы на коэффициент связи массы с напряжением КВ :

t, с

0

0,5

1,5

2,0

2,5

3,0

3,5

4,0

4,5

ma , кг

0

30

60

75

97,5

120

135

142,5

150

UЗ , В

0

0,2

0,4

0,5

0,65

0,8

0,9

0,95

1


Получили дискретную функцию напряжения задающего устройства при розливе одного анода. Для преобразования её в непрерывную функцию времени, воспользуемся известным из математики равенством (в данном случае N = 8):

,

где ai - коэффициенты интерполяции, определяемые из системы:


Для нахождения коэффициентов ai приведем данную систему к матричной форме и решим матричное уравнение вида:







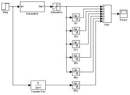
Реализуем алгоритм получения функции задания в программе Simulink:


Данная структура умножает коэффициенты ai на соответствующие степенные функции времени и складывает эти произведения.

Теперь, имея функцию задания розлива одного анода, получим полную структурную схему задающего устройства. Элементы задержки необходимы для повторения процесса шесть раз. Апериодическое звено - для плавного опускания ковша. Его постоянная времени выбрана из условия, что ковш вернется в исходное состояние за 20 с.

Напряжение на выходе задающего устройства.

 

8. Моделирование рабочего цикла Работы САУ

Теперь, когда все элементы САУ рассчитаны, проведем моделирование всей системы.

Ниже приведен график выходной характеристики САУ в рабочем режиме.

автоматическое управление регулятор


Рабочий цикл системы длится 74 секунды. Время начального простоя - примерно 0.6 секунд.

9. Выводы

Могу отметить, что разработанная САУ сочетает в себе два принципа управления: управление по ошибке (принцип обратной связи, реализованный в КРТ и КРВ), и управление по возмущению (компенсация возмущающего момента, реализованная посредством ККВ). Благодаря этому, система обладает высокими точностью и помехозащищенностью.

Также основной контур системы - КРВ, настроенный на симметричный оптимум, может хорошо компенсировать медленно меняющиеся возмущения (например, трение в опорах).

Что касается качества работы САУ, то запасы устойчивости внешнего контура (для КРВ: ДА ≈ 6,671, Дц ≈ 30,83°) вполне удовлетворительны (для реальных систем считается нормальным ДА ≈ 2, Дц ≈ 20°).

При реализации задающего устройства важно выдержать требуемую точность. В данном случае коэффициенты ai должны быть найдены с точностью до 8 знаков после запятой. При меньшей точности кривая розлива не будет соответствовать заданным точкам.

По выходной характеристике САУ в рабочем режиме видно, Перерегулирование практически отсутствует (± 0,5 кг). Поэтому даже при больших возмущениях система «уложится» в требования по массе анода: ± 10% (или ± 15 кг).

В заключение отмечу, что данная САУ относится к линейным системам, то есть к одним из самых простых. Для линейных САУ существуют четкие зависимости, что существенно облегчает синтез таких систем.

Список литературы

1. В. А. Лукас. «Теория автоматического управления».- М.: Недра, 1990.

. В. А. Бесекерский, Е. П. Попов. «Теория систем автоматического

управления», 2003.

. В. П. Дьяконов «MATLAB 6.5 SP1/7 + Simulink 5/6 в математике и моделировании». Серия «Библиотека профессионала». - М.: СОЛОН - пресс, 2005.

. С. Н. Вешеневский «Характеристики двигателя в электроприводе», М-Л., 1966.

. Методы классической и современной теории автоматического управления. Под. ред. Н. Д. Егупова. Т. 1,2, М., МГТУ им. Баумана, 2000.

. Конспект лекций по теории автоматического управления.


Не нашли материал для своей работы?
Поможем написать уникальную работу
Без плагиата!
Без нейросетей!