Розрахунок циліндричної косозубої передачі в закритому корпусі
Завдання
Розрахувати циліндричну косозубу
передачу в закритому корпусі за наступними даними:
ω2 - кутова
частота вихідного вала, 21 с-1;
Т2 - обертальний момент на вихідному
валу, 650 Нм;- термін служби, 25000 годин.
Навантаження постійне, але під час
пуску воно короткочасно підвищується в 1,6 рази. Вхідний і вихідний вали
редуктора з'єднуються з валом електродвигуна й валом робочої машини за
допомогою муфт пружних втулочно-пальцевих (МПВП).
Рис. 1.1 - Кінематична схема
редуктора: 1 - швидкохідний вал; 2 - зубчаста передача; 3 - тихохідний вал
Кінематичний і силовий розрахунок
передачі:
Визначаємо частоту обертання
тихохідного вала:
де n2 - частота обертання вала
робочої машини, хв-1;
w2 - кутова частота обертання
вала робочої машини, с-1
Визначаємо потужність на валу
робочої машини:
де Р2 - потужність на валу робочої
машини, Вт;
Т2 - обертальний момент на валу
робочої машини, Н×м;
Розраховуємо потужність
електродвигуна:
деР1 - потужність електродвигуна,
кВт;
η - ККД
одноступінчастого циліндричного редуктора з косими зубцями, (η
= 0,97).
ДСТ 19253-81 вибираємо
електродвигун. Найбільш широко в приводах машин використовують асинхронні
двигуни трифазного струму єдиної серії 4А. Вибираючи електродвигун варто
пам'ятати, що при одній і тій же потужності зі зменшенням частоти обертання
двигуна збільшуються його габаритні розміри й маса, значно збільшується його вартість.
Однак зі збільшенням частоти обертання ускладнюється передавальний механізм.
Таблиця 1.1 - Двигуни трифазні
асинхронні серії 4А. Технічні дані (ГОСТ 19523-81)
|
Потуж ність Рд, кВт
|
Тип двигуна
|
Частота обертання, об/хв.
|
Потуж ність Рд, кВт
|
Тип двигуна
|
Частота обертання, об/хв.
|
|
0,75
|
4A71A2
|
2840
|
4,0
|
4A100S2
|
2880
|
|
4A71B4
|
1390
|
|
4A100L4
|
1430
|
|
4A80A6
|
915
|
|
4A112MB6
|
950
|
|
4A90LA8
|
700
|
|
4A132S8
|
720
|
|
1,1
|
4A71B2
|
2810
|
5,5
|
4A100L2
|
2880
|
|
4A80A4
|
1420
|
|
4A112M4
|
1445
|
|
4A80B6
|
920
|
|
4A132S6
|
965
|
|
4A90LB8
|
700
|
|
4A132M8
|
720
|
|
1,5
|
4A80A2
|
2850
|
7,5
|
4A112M2
|
2900
|
|
4A80B4
|
1415
|
|
4A132S4
|
1455
|
|
4A90L6
|
935
|
|
4A132M6
|
970
|
|
4A100L8
|
700
|
|
4A160S8
|
730
|
|
2,2
|
4A80B2
|
2850
|
11,0
|
4A132M2
|
2900
|
|
4A90L4
|
1425
|
|
4A132M4
|
1460
|
|
4A100L6
|
950
|
|
4A160S6
|
975
|
|
4A112MA8
|
700
|
|
4A160M8
|
730
|
|
3,0
|
4A90L2
|
2840
|
15,0
|
4A160S2
|
2910
|
|
4A100S4
|
1435
|
|
4A160S4
|
1470
|
|
4A112MA6
|
955
|
|
4A160M6
|
980
|
|
4A112MB8
|
700
|
|
4A180M8
|
735
|
Номінальні значення передаточних
чисел по СТ СЕВ 221-75.
|
1-й ряд
|
1.00
|
1,25
|
1,60
|
2,00
|
2,50
|
3,15
|
4,0
|
5,0
|
6,3
|
8,0
|
10,0
|
12,5
|
|
2-й ряд
|
1,12
|
1,40
|
1,80
|
2,24
|
2,80
|
3,55
|
4,5
|
5,6
|
7,1
|
9,0
|
11,2
|
-
|
Примітка: 1-му ряду варто віддавати
перевагу.
Результати вибору електродвигуна
наводимо в таблиці 1.2.
Р1,
кВт Рд, кВт nд, об/хв n2, об/хв
u
|
СТ СЕВ 221-75
|
|
|
|
|
8,1
|
11
|
2900
|
114,65
|
25,30
|
25
|
1,20
|
|
|
1460
|
|
12,74
|
12,5
|
1,92
|
|
|
975
|
|
8,51
|
8,51
|
5,45
|
|
|
730
|
|
6,37
|
6,37
|
1,12
|
Остаточно приймаємо електродвигун,
для якого передаточне відношення не більше 8, і відхилення фактичного передаточного
відношення від номінального мінімальне:
Тип: 4А160М8
Потужність: 11,0 кВт
Частота обертання вала: 730 об/хв
Уточнюємо обертальний момент і
частоту обертання на швидкохідному й тихохідному валу відповідно до прийнятого
електродвигуна.
Примітка: при визначенні моментів Т1
і Т2, потужність Рд підставляти у Вт.
Швидкохідний вал:
Тихохідний вал:
1. Вибір матеріалу й визначення
допустимих напружень [σH] й
[σF]
Для виготовлення коліс, матеріал
приймаємо однієї марки. Різницю твердості матеріалу забезпечуємо методом
термічної обробки. Для запобігання заїдання зубчастих коліс твердість шестірні
повинна бути на 30-70 HB вище, ніж твердість колеса.
|
Матеріал
|
Термообробка
|
Твердість НВ
|
sВ, МПа
|
sТ, МПа
|
|
1
|
Для шестірні сталь 35ХМ
|
Поліпшення
|
269..302
|
920
|
790
|
|
2
|
Для колеса сталь 35ХМ
|
Поліпшення
|
235..262
|
800
|
670
|
Визначаємо допустимі контактні
напруження для шестірні й колеса:
Для шестірні:
sH lim b1 = 2НВ1ср + 70 = 2 
290 + 70 = 650 МПа
Приймаємо КHL1 = 1; SH1 = 1,1
Для колеса:

= 2HB2ср + 70 = 2
250 + 70 = 570 МПа
Приймаємо КHL2 = 1; SH2 = 1,1
Так як НВ1 - НВ2 < 100, то
за розрахункове [sН]
приймаємо менше з [sН]1
й [sН]2.
Приймаємо [sН] = 
МПа.
Визначаємо допустиме
напруження згину:
Для шестірні:
sF lim b1 =1,35НВ1ср + 100 = 1,35 
290 + 100 = 491,5 МПа
Для колеса:
sF lim b2 =1,35НВ2ср + 100 = 1,35
250 + 100 = 437,5 МПа
де KFL - коефіцієнт
довговічності, KFL = 1;- коефіцієнт безпеки, SF = 1,7.
2.
Геометричний розрахунок передачі
Приймаємо профіль зуба
евольвентний, кут профілю вихідного контуру α=200 (СТ
СЕВ 308-76), коефіцієнт зсуву вихідного профілю Х=0.
деКа - узагальнений
коефіцієнт, Ка = 430;
Т2 - обертальний момент на
тихохідному валу, де Т2 = 880 
Н×м;
КНb -
коефіцієнт нерівномірності розподілу навантаження по довжині зубця, де 
yba - коефіцієнт ширини вінця колеса,
де 
Коефіцієнт ширини вінця yba для
редукторів приймають: для зубчастих коліс із поліпшених сталей при
несиметричному розташуванні 0,315...0,4; для зубчастих коліс із загартованих
сталей 0,25...0,315; при симетричному розташуванні зубчастих коліс щодо опор
0,4...0,5; для пересувних зубчастих коліс коробок швидкостей 0,1...0,2.
Округлюємо аW = 233,8
мм у більшу сторону до стандартного
по СТ СЕВ 229-75. Отже отримуємо аW = 250 мм.
Визначаємо робочу ширину
колеса й шестірні:
Отримані значення округляємо
до цілих чисел.
Орієнтовно визначаємо
величину модуля:
Остаточно приймаємо значення
aW по ДСТ 310-76, але не менше 1,5 мм;
Отже модуль евольвентних
зубчастих коліс по СТ СЕВ 310-76 и приймаємо 

;
Мінімальний кут нахилу зубців
для косозубих і шевронних коліс відповідно:
Рекомендовані межі кута
нахилу зубців для косозубих коліс 8 - 18о
Визначаємо сумарне число
зубців:
Отримане значення округляємо
до цілого числа
= 123
Уточнюємо кут нахилу зубців:
Знаходимо число зубців на
шестірні й колесі:
Приймаємо

= 17
Уточнюємо фактичне
передаточне число:
Відхилення від заданого
передаточного числа не повинне перевищувати 3%:
Відхилення від заданого
передаточного числа не перевищує нормы: 0,96% < 3%
Визначаємо ділильні діаметри
шестірні й колеса:
Визначаємо діаметри вершин
зубців шестірні й колеса:
Визначаємо діаметри западин
зубців шестірні й колеса:
Перевіряємо міжосьову
відстань передачі:
Визначаємо окружну швидкість:
Ступень точності при
виготовленні зубчастих коліс буде дорівнювати 
3.
Перевірочний розрахунок зубців передачі на міцність
Розрахунок передачі на міцність
проводимо за ДСТ 21354-75 (з деякими спрощеннями).
Перевірочний розрахунок
зубців передачі на контактну витривалість:
де Zm=275 - коефіцієнт, що
враховує механічні властивості матеріалу коліс;- коефіцієнт, що враховує форму
коліс сполучених поверхонь зубців:
e - коефіцієнт, що враховує сумарну довжину
контактних ліній, для косозубої передачі:
деea - коефіцієнт
торцевого перекриття,
KHV - коефіцієнт динамічного
навантаження, де KHV = 1,4;a - коефіцієнт нерівномірності розподілу
навантаження між зубцями, де KHa =1,16;
Отримані дійсні контактні
напруження повинні бути менше (рівні) припустимих напружень. Отже 
МПа, а 
Маємо, отримані дійсні контактні
напруження менші ніж припустимі напруження.
Перевірочний розрахунок
зубців передачі на згибну витривалість.
Розрахунок по напруженням
згину робимо по формулах:
Отже 
, а 
то зубці передачі витримають
напруження згибу.
Отже 
, а 
то зубці передачі витримають
напруження згибу
де Yb -
коефіцієнт, що враховує кут нахилу зубців і Yb = 0,93;b -
коефіцієнт нерівномірності розподілу навантаження по довжині зубця і KFb = 1,74;-
коефіцієнт динамічного навантаження і KFV = 1,14;a -
коефіцієнт розподілу навантаження між зубцями і KFa = 1,0;=
4,21 і YF2 = 
.
Коефіцієнт Yb, що
враховує кут нахилу зубців:
Перевірка межі міцності
зубців при перевантаженні.
При дії короткочасних
перевантажень зубці перевіряють на пластичну деформацію або крихкий злам від
максимального навантаження. За умовами завдання максимальне навантаження 
Розрахунок на контактну
міцність по максимальному контактному напруженню.
Розрахунок виконуємо для
колеса по формулі:
де 
- розрахункове контактне напруження,
викликуване розрахунковим контактним моментом

]max - допустиме максимальне
контактне напруження.
де 
- розрахункове контактне напруження,
викликуване розрахунковим контактним моментом

]max - допустиме максимальне
контактне напруження.
При термообробці
нормалізація, поліпшення або об'ємне загартування:
деsТ - межа
текучості матеріалу, а sТ
= 670 МПа;
Так як 
, < 
, то розрахунок виконано правильно.
Розрахунок по максимальному
напруженню на згин:
деsF - менше зі
значень напруження на згин.
[sF]max -
максимальне припустиме напруження на згин:
Так як 
, < 
а, то розрахунок виконано правильно.
при НВ ≤ 350 
4.
Конструктивна розробка й розрахунок валів
.1
Конструктивна розробка й розрахунок швидкохідного вала
Швидкохідний вал виконуємо
заодно із шестірнею редуктора у вигляді вала-шестірні.
4.1 Вибір муфти
Муфти пружні
втулочно-пальцеві служать для з'єднання валів і передачі обертаючого моменту
від одного вала до іншого, для компенсації зсуву осей валів, що з'єднують, для
амортизації вібрацій й ударів, що виникають при роботі і запобігання механізмів
від поломки.
Орієнтовно визначаємо діаметр
ділянки вала під посадку муфти. вважаємо, що на цій ділянці вала буде діяти
обертальний момент. Тоді:
де[t] -
допустиме напруження на крутіння для матеріалу вала. Для попередніх розрахунків
рекомендується приймати в межах 20 МПа.
Т1 - крутний момент на
швидкохідному валу, Т1 = 144 Нм.
Вибір муфти провадимо залежно
від діаметра вала dm.
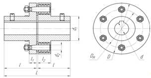
Приклад позначення: Муфта
250-40-1.1 ДСТ 21424-93.
Тут 125 - номінальний
обертальний момент (Тном), 35 - внутрішній діаметр муфти (dm), тип і виконання
- 1.1.
Приймаємо dm = 35 мм; ℓm
= 80 мм, DМ = 100 мм
Отже, 
< 
Муфта вибрана правильно.
де Т1 - обертальний момент на
швидкохідному валу, Т1 = 144 Нм;
Кр = 1,1 - коефіцієнт безпеки
Приймаємо діаметр під
ущільнення рівним діаметру під підшипник (dП приймати цілим числом і кратним
5), мм

Приймаємо t = 2,5
Приймаємо 
Приймаємо 
;
Приймаємо B = 23 мм;
Визначаємо діаметр буртіка під підшипник:

Приймаємо t = 2,5;
Довжину вала під ущільнення з
урахуванням ширини манжети, зазорів і товщини кришки приймаємо: ℓy = 45
мм;
Муфти пружні
втулочно-пальцеві ДСТ 21424-93
Рис. 4.1
Визначаємо зазор Х між
колесами й корпусом:≥3 ∙ m=3∙4=12 мм
Рис. 4.2
Приймаємо X = 12 мм
Відстань між опорами:
ℓ0=B+2∙X+b1=23+2∙12+106=153
мм
Довжина консольної ділянки
вала:
Приймаємо ℓk=137 мм
Вибір шпонки й перевірочний
розрахунок шпонкового з'єднання.
Для фіксації муфти й передачі
обертального моменту від електродвигуна до шестірні на валу в спеціально
виготовлених пазах встановлюють призматичні шпонки.
Вибираємо шпонку по dm = 35
мм з розмірами
. Довжину
шпонки ℓ вибираємо по стандартному ряду на 5-10 мм менше довжини
посадкових місць сполучених деталей.
Рис. 4.3
Приймаємо b = 10 мм; h = 8
мм; l= 70 мм;
Обрану шпонку необхідно
перевірити на зминання її бічних сторін
Умова міцності на зминання
=(2∙144∙103) / (35∙240)
= 45,8 МПа
деТ1 - обертальний момент на ведучому валу, Т1 =
144 Нм;- діаметр вала в розглянутому перетині, d=35 мм;- величина заглиблення
шпонки у вал, t1=4мм;- висота шпонки, h = 8 мм;
ℓр - робоча довжина шпонки при округлених
торцях:
ℓp=ℓ−B=70−10=60 мм -
ширина шпонки, B = 8 мм.
Шпонки призматичні ГОСТ 23360-78.
Рис. 4.4
[s]зм - припустиме напруження на зминання, що
залежить від прийнятого матеріалу для шпонки. При сталевій маточині [s]зм = 125
МПа. При sзм ≤
[s]зм
умова міцності на зминання виконується.
,8 МПа≤125 МПа (умова міцності
виконується)
Визначення сил, що діють на швидкохідний вал.
Сили, що виникають у зачепленні:
окружна: Ft=(2∙T1∙103 ) / d1=(2∙144∙103)
/ 69,5=4167,6 H
радіальна: Fr=Ft∙tgαw/cosβ=
4167,6∙0,364
/ cos10,2631o=1541,7 H
осьова: Fa=Ft∙tgβ=4167,6∙tg10,2631o=754,8
H
Додаткова неврівноважена радіальна сила від
муфти:
=0,25∙(2 ∙ Tp ∙ 103 ) /
Dm=0,25∙(2∙158,4∙103 ) / 100=792 H
деDМ - діаметр центрів пальців муфти, 100 мм;
Визначення реакцій в опорах і побудова епюр
згинаючих і обертальних моментів.
Розглянемо реакції в опорах від дії сил Ft й Fm
у горизонтальній площині. При цьому вважаємо, що шестірня розташована щодо опор
симетрично, а = b = ℓo/2, а сила Fm спрямована убік збільшення прогину
вала (гірший випадок).
Сума моментів щодо опори А:

= (4167,6∙153/2 - 792(137 +
153)) / 153 = 582,7 Н
Сума моментів щодо опори В:

=(4167,6∙153/2 + 792∙137)/153=2792,9
H
Перевірка:
;
,9 Н + 582,7 Н - 4167,6 Н + 792 Н = 4167,6
2792,9 Н + 582,7 Н - 4167,6 Н + 792 Н = 4167,6 Н - 4167,6 Н = 0
(Перевірка пройдена успішно)
Визначаємо реакції в опорах від дії сил Fr й Fa
у вертикальній площині. Для цього складаємо суму моментів всіх сил щодо опор А
и В і знаходимо опорні реакції.
= (Fr ∙
l0 /2 - Fa ∙ d1 /2 ) / l0 = (1541,7∙153/2 - 754,8∙69,105/2)/153
= 600,4 Н
АB = (Fа ∙
d1 /2 + Fr ∙ l0 /2 ) / l0 =(754,8∙69,105/2 + 1541,7∙153/2) /
153 = 941,3 Н
Рис. 4.5
Перевірка:
;
,3 Н - 1541,7 Н + 600,4 Н = 1541 Н - 1541,7 Н =
0
(Перевірка пройдена успішно)
Визначаємо сумарні згинальні моменти в
передбачуваних небезпечних перерізах I-I під шестірнею й у перерізі II-II поруч
із підшипником, ослаблених галтеллю:
У перерізі I-I:
, Н ∙
мм
У перерізі II-II:
, Нмм

Еквівалентні моменти в зазначених перерізах:
, Нм

, Нм

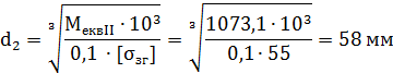
Визначаємо діаметри валів у цих перерізах, мм:
Приймаємо [σзг]
= 55 МПа
Результати порівнюємо з розмірами розробленої
конструкції вала.
Допустимі напруження на згин для валів й
обертових осей приймаємо [σзг] =50÷60
МПа.
Приd1 < df1 й d2 < dп умова міцності
виконується. (df1 = 59,105; dп = 40 мм)
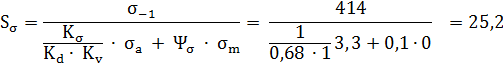
Розрахунок швидкохідного вала на опір утоми.
Це перевірочний розрахунок, який виконують після
повної розробки конструкції вала, з огляду на всі основні фактори, що впливають
на його міцність (характер напружень, характеристики матеріалу, концентратори
напружень, абсолютні розміри вала, чистоту обробки й т.д.).
У небезпечному перерізі визначаємо запаси
міцності на втому й порівнюємо їх із допустимими.
Визначаємо запас міцності на втому по згині в
перерізі І-І:
Приймаємо 

, 
Визначаємо запас міцності на втому по крутінню:
Приймаємо 

, 
.
деs-1 = (0,4-0,5) sв - межу
контактної витривалості при згині, МПа;
t-1
= (0,2-0,3) sв -
межу контактної витривалості при крутінні, МПа;
s-1
= 414 МПа;
t-1
= 230 МПа;
sа
й tа -
амплітуда циклу при згині й крутінні;
При симетричному циклі й роботі вала без
реверса, sm =
0.
tm
= tа =
0,5 tкр =
0,5 
3,6 = 1,8 МПа
sзг
- напруження згину в розглянутому перерізі, 
МПа
tкр
- напруження крутіння в розглянутому перерізі, МПа

Мпа
s
(нетто) - момент опору перерізу вала при згині;к (нетто) - момент опору
перерізу вала при крутінні.
Для круглого суцільного перерізу:
передача редуктор вал підшипник
, мм3
, мм3
деd - діаметр вала в небезпечному перерізі, 35
мм.
Кs - ефективний коефіцієнт концентрацій напружень
при згині, Кs =
1;
Кt - ефективний коефіцієнт концентрацій напружень
при крутінні, Кt =
1;
Кd - коефіцієнт впливу абсолютних розмірів
поперечного перерізу вала, Кd = 0,68;
Кv - коефіцієнт впливу поверхневого зміцнення,
Кv = 1;
ys
і yt -
коефіцієнти чутливості до асиметрії циклу напружень, ys = 0,1 і yt = 0,05.
Визначаємо запас міцності на втому по згині в
перерізі ІІ-ІІ:
Приймаємо 

, 
Визначаємо запас міцності на втому по крутінню:
Приймаємо 

, 
.
деs-1 = (0,4-0,5) sв - межу
контактної витривалості при згині, МПа;
t-1
= (0,2-0,3) sв -
межу контактної витривалості при крутінні, МПа;
s-1
= 414 МПа;
t-1
= 230 МПа;
sа
й tа -
амплітуда циклу при згині й крутінні;
При симетричному циклі й роботі вала без
реверса, sm =
0.
tm
= tа =
0,5 tкр =
0,5 
3,6 = 1,8 МПа
sзг
- напруження згину в розглянутому перерізі, 
МПа
tкр
- напруження крутіння в розглянутому перерізі, МПа

Мпа
s
(нетто) - момент опору перерізу вала при згині;к (нетто) - момент опору
перерізу вала при крутінні.
Для круглого суцільного перерізу:
, мм3
, мм3
деd - діаметр вала в небезпечному перерізі, 35
мм.
Кs - ефективний коефіцієнт концентрацій напружень
при згині, Кs =
2;
Кt - ефективний коефіцієнт концентрацій напружень
при крутінні, Кt =
1,53;
Кd - коефіцієнт впливу абсолютних розмірів
поперечного перерізу вала, Кd = 0,73;
Кv - коефіцієнт впливу поверхневого зміцнення,
Кv = 1;
ys
і yt -
коефіцієнти чутливості до асиметрії циклу напружень, ys = 0,1 і yt = 0,05.
Узагальнений коефіцієнт запасу міцності на втому
в небезпечних перерізах визначають по рівнянню Гофа й Полларда:
де[S] = 1,2-2,5 - допустимий коефіцієнт запасу
міцності на втому.
Конструктивна розробка й розрахунок тихохідного
вала.
Вибір муфти.
Орієнтовно визначаємо діаметр ділянки вала під
посадку муфти. вважаємо, що на цій ділянці вала буде діяти обертальний момент.
Тоді:
де[t] - допустиме напруження на крутіння для
матеріалу вала. Для попередніх розрахунків рекомендується приймати в межах 20
МПа.
Т2-крутний момент на тихохідному валу, 880 Нм.
Вибір муфти провадимо залежно від діаметра вала
dm.
Приймаємо dm = 63 мм; ℓm = 140 мм, DМ =
160 мм


За умовою: 
Отже 
, а 
муфта вибрана правильно.
деТ2 - обертальний момент на тихохідному валу,
800 Нм;
Кр = 1,1 - коефіцієнт безпеки.
Розробка ескізу тихохідного вала.
Приймаємо діаметр під ущільнення рівним діаметру
під підшипник (dП приймати цілим числом і кратним 5), мм
Приймаємо t = 3,3 мм;
деt - буртік
Приймаємо 
По діаметру під підшипник dП вибираємо ширину
підшипника В, віддаючи перевагу підшипникам середньої серії
Визначаємо діаметр буртіка під підшипник
Приймаємо t = 3,3

Діаметр буртіка під підшипник приймаємо рівним
діаметру під колесо:
Діаметр буртіка під колесо:
Приймаємо t =3,5; 
= 80 мм
Довжину вала під ущільнення з урахуванням ширини
манжети, зазорів і ширини кришки приймаємо:ℓy = 40 - 50 мм.
Приймаємо 
Визначаємо зазор Х між колесами й корпусом:

Приймаємо Х = 12 мм
Відстань між опорами, мм:

Довжина консольної ділянки вала:

Приймаємо 
Рис. 4.6 - Ескізне компонування тихохідного вала
Рис. 4.7
Вибір шпонок і перевірочний розрахунок
шпонкового з'єднання.
Вибираємо дві шпонки по dm і по dК з розмірами
Довжину
шпонки ℓ вибираємо по стандартному ряду на 5-10 мм менше довжини
посадкових місць сполучених деталей.
Приймаємо по 
b = 18 мм; h = 11мм; l = 125 мм; 
по 
b = 22 мм; h = 14 мм; l = 90 мм; 
Обрані шпонки по dm і по dк необхідно перевірити
на зминання їхніх бічних сторін.
Умова міцності на зминання, МПа:
[s]зм - припустиме напруження на зминання, що
залежить від прийнятого матеріалу для шпонки. При сталевій маточині [s]зм = 100 ÷
150 МПа.
При sзм ≤
[s]зм
умова міцності на зминання виконується.
(умова міцності виконується)
(умова міцності виконується)
Визначення сил, що діють на тихохідний вал.
деDМ - діаметр центрів пальців муфти, 160 мм
Визначення реакцій в опорах і побудова епюр
згинаючих і обертальних моментів.
Розглянемо реакції в опорах від дії сил Ft й Fm
у горизонтальній площині. При цьому вважаємо, що колесо розташоване щодо опор
симетрично, а = b = ℓo/2, а сила Fm спрямована в бік збільшення прогину
вала (гірший випадок).
Сума моментів щодо опори А:
Сума моментів щодо опори В:
Перевірка:
;
,9Н +(-4803,3 Н) - 4167,6 Н + 3025 Н = 0;
Рис. 4.8
Визначаємо реакції в опорах від дії сил Fr й Fa
у вертикальній площині.
Для цього складаємо суму моментів всіх сил щодо
опор А и В і знаходимо опорні реакції.
Перевірка:
;
,6 Н - 1541,7 Н +(-251,9 Н) = 0
Визначаємо сумарні згинальні моменти в
передбачуваних небезпечних перерізах I-I під шестірнею й у перерізі II-II поруч
із підшипником, ослаблених галтеллю:
У перерізі I-I:
, Н
мм
У перерізі II-II:
, Н
мм

Еквівалентні моменти в зазначених перерізах:
, Нм

, Нм

Визначаємо діаметри валів у цих перерізах, мм:
Допустимі напруження на згин для валів й
обертових осей приймаємо [σзг] =50÷60
МПа.
Результати порівнюємо з розмірами розробленої
конструкції вала.
Приd1 < dк й d2 < dп умова міцності
виконується!

й 58
Розрахунок тихохідного вала на опір утоми.
У небезпечному перерізі визначаємо запаси
міцності на втому й порівнюємо їх із допустимими. Визначаємо запас міцності на
втому при згині в перерізі І-І:
Приймаємо 

; 
і крутінню:
Приймаємо 

; 
.
деs-1 = (0,4-0,5) sв - межу
контактної витривалості при згині, МПа;
t-1
= (0,2-0,3) sв -
межу контактної витривалості при крутінні, МПа;
s-1
= 270 МПа;
t-1
= 150 МПа;
sа
й tа -
амплітуда циклу при згині й крутінні.
При симетричному циклі й роботі вала без
реверса, sm =
0.
tm
= tа =
0,5
= 4,7 МПа
suзг
- напруження згину в розглянутому перерізі, МПа;
tкр
- напруження крутіння в розглянутому перерізі, МПа;
s
(нетто) - момент опору перерізу вала при згині;к (нетто) - момент опору
перерізу вала при крутінні.
Для круглого суцільного перерізу:
, мм3
,мм3
деd - діаметр вала в небезпечному перерізі (df1
або dП), мм.
Кs - ефективний коефіцієнт концентрацій напружень
при згині;
Кt - ефективний коефіцієнт концентрацій напружень
при крутінні;
Кd - коефіцієнт впливу абсолютних розмірів
поперечного перерізу вала
Кv - коефіцієнт впливу поверхневого зміцнення;
ys
і yt -
коефіцієнти чутливості до асиметрії циклу напружень
Визначаємо запас міцності на втому при згині в
перерізі ІІ-ІІ:
Приймаємо 

; 
і крутінню:
Приймаємо 

; 
.
деs-1 = (0,4-0,5) sв - межу
контактної витривалості при згині, МПа;
t-1
= (0,2-0,3) sв -
межу контактної витривалості при крутінні, МПа;
s-1
= 270 МПа;
t-1
= 150 МПа;
sа
й tа -
амплітуда циклу при згині й крутінні.
При симетричному циклі й роботі вала без
реверса, sm =
0.
tm
= tа =
0,5
= 6,55 МПа
suзг
- напруження згину в розглянутому перерізі, МПа;
tкр
- напруження крутіння в розглянутому перерізі, МПа;
Узагальнений коефіцієнт запасу міцності на втому
в небезпечних перерізах визначають по рівнянню Гофа й Полларда:

, так як S = 9,6; 5,7 

= 1,2 - 2,5 . То запас міцності
збережено.
5. Підбір і розрахунок підшипників
.1 Швидкохідний вал
Після призначення діаметра посадкових місць вала
для встановлення підшипників кочення вибирають їх тип та схему установки.
При виборі типу підшипника в першу чергу беруть
до уваги значення й напрямок навантаження, що діє на опору, розміри посадкових
місць вала й корпуса, спосіб змащення, зручність монтажу і його вартість.

вибираємо радіально-упорні шарикопідшипники
Виписуємо характеристики підшипника:
№ 46308 , a = 2
, D = 90 мм, B = 23 мм, С = 50,8 кН,
С0 = 30,1 кН, d = 40 мм.
Компонування цих підшипників на валах
циліндричних передач робимо за схемою “врозпір”, тобто прагнемо до мінімальної
відстані між реакціями в опорах 

де В - ширина підшипника, мм;
с - зсув точки прикладення радіальної реакції
щодо торця підшипника, мм

деd - внутрішній діаметр підшипника, 40 мм;-
зовнішній діаметр підшипника, 90 мм.
Для визначення реакцій в опорах напрямок сили Fm
приймаємо таким, щоб він збігався з напрямом сили Ft (гірший випадок), і
складаємо рівняння суми моментів щодо опор А и В у горизонтальній площині.
Сумарне радіальне навантаження, що діє на
підшипник в опорі А


У радіально-упорних шарикопідшипниках при дії на
них радіальних навантажень виникають осьові складові реакцій S, Н
Сумарне осьове навантаження в опорах визначають
по наступних формулах.
|
Умова навантаження
|
Осьові сили
|
|
ПриSA < SBйFA ≤ SB- SA
|
FaА
= SB - Fа = 2462,4 - 754,8 = 1707,6 H
|
Визначаємо еквівалентне динамічне
навантаження в опорах А і В, Н;
деV - коефіцієнт обертання, V
= 1; при обертанні внутрішнього кільця підшипника;А, FrВ - радіальне
навантаження в опорі, Н, FrА = 1677,6Н , FrВ = 3621,1Н;аА, FаВ - розрахункове
осьове навантаження в опорі, Н;
КБ - коефіцієнт безпеки;КБ =
1,3 для редукторів;
КТ - температурний
коефіцієнт; КТ = 1 (при температурі до 1000С);, Y - коефіцієнти осьового й
радіального навантажень. Х = 0,41; Y = 0.87й n знаходимо відношення
Приймаємо z = 10,29
Тоді 
= 
(умова виконується)
5.2 Тихохідний
вал
Тому що частота обертання на
тихохідному валу n2 значно менше частоти обертання на швидкохідному валу n1,
вибираємо радіальні шарикопідшипники.
Виписуємо характеристики
підшипника:
№ 314, D = 150 мм, B = 35 мм,
С =104 кН, С0 = 63 кН.
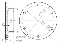
Рис. 5.1 - Основні елементи
корпусних деталей
Для визначення реакцій в
опорах направлення сили Fм приймаємо таким, щоб воно збігалося з направленням
сили Ft (гірший випадок), і складаємо рівняння суми моментів щодо опор А і В у
горизонтальній площині.
Сумарне радіальне
навантаження, що діє на підшипник в опорі А:
Сумарне радіальне
навантаження, що діє на підшипник в опорі В:
Визначаємо еквівалентне
динамічне навантаження в опорах А і В, Н:
деV - коефіцієнт обертання, V
= 1; при обертанні внутрішнього кільця підшипника;А, FrВ - радіальне
навантаження в опорі, Н;аА, FаВ - розрахункове осьове навантаження в опорі, Н;
КБ - коефіцієнт безпеки;КБ =
1,3 для редукторів;
КТ - температурний
коефіцієнт; КТ = 1 (при температурі до 1000С);, Y - коефіцієнти осьового й
радіального навантажень.
По Lh й n знаходимо
відношення
Приймаємо z = 5,56
Тоді 
= 
(умова виконується
)
6.
Конструктивна розробка елементів редуктора
.1 Зубчасте
колесо
Конструкцію зубчастого колеса
вибирають залежно від його діаметра, від масштабів виготовлення й від
конкретних умов заводу-виготовлювача.
Найпоширеніша конструкція
зубчастого колеса представлена на рисунку 5.1

;
Рис. 6.1 - Зубчасте колесо
6.2 Кришки
підшипникових вузлів
Вихідним параметром при
визначенні розмірів накладних кришок підшипників є зовнішній діаметр
циліндричної частини кришки D, який дорівнює зовнішньому діаметру підшипника.
Довжина циліндричної частини
кришки L приймається конструктивно при компонуванні редуктора.
|
Вхідний вал
|
Вихідний вал
|
|
D = 90 мм
|
|
 М3 мм М12 мм
|
|
|
|

|
|
|

|
|
|
|
|
|
|
Вихідним параметром при визначенні
розмірів накладних кришок підшипників є зовнішній діаметр циліндричної частини
кришки D, який дорівнює зовнішньому діаметру підшипника.
Рис. 6.2 - Накладні кришки
підшипникових вузлів
6.3 Корпус і кришка редуктора
Корпус редуктора складається
звичайно із власне корпуса й кришки, які, як правило, відливаються із чавуну.
Основними елементами корпуса є його
стінки, опорна підошва або лабети, фланець корпуса, що прилягає до фланця
кришки, і гнізда для підшипників. Ці гнізда часто підкріплюють ребрами, які
створюють додаткові з'єднання між гніздами, стінкою корпуса і його підошвою,
підвищують загальну твердість конструкції й зміцнюють перехід від стінки до
підошви. У нижній частині корпуса є бобишка з різьбленням для маслоспускної
пробки. Щоб забруднене масло зливалося повністю, дну корпуса варто додати ухил.
Кришка по конструкції аналогічна
корпусу. У кришці звичайно передбачають люк, розміри якого достатні для огляду
передачі. Люк закривають плоскою кришкою, що кріпиться болтами. У кришці
редуктора встановлюється віддушина. Через неї з редуктора виходить повітря.
Якщо в повітря немає легені виходу, то він пробивається через стики й
ущільнення, що сприяє витіканню змащення.
Для підйому й транспортування
корпусних деталей і редуктора в зборі його кришку постачають вушками, а корпус
гаками.
Таблиця 6.1 - Основні елементи
корпусних деталей
|
Найменування
|
Розрахункова формула
|
|
Товщина стінки корпуса редуктора
|
|
|
Товщина стінки кришки редуктора
|
Приймаємо

|
Товщина
верхнього фланця корпуса редуктора 
мм
|
Приймаємо 
|
|
|
Товщина фланця кришки редуктора
|
Приймаємо

|
|
Товщина фундаментного фланця корпуса редуктора
|
Приймаємо

|
|
Товщина ребер жорсткості редуктора
|
Приймаємо

|
|
Діаметр фундаментних болтів
|
|
|
Діаметр отвору під фундаментні болти
|
|
|
Діаметр болтів підшипників, що з'єднують
корпус із кришкою біля бобишок підшипників
|
Приймаємо

|
|
Діаметри отвору під болти підшипників
|
|
|
Діаметр фланцевих болтів
|
|
|
Діаметри отвору під фланцеві болти
|
|
|
Ширина фланця корпуса й кришки редуктора біля
підшипників (бобишок)
|
Приймаємо

|
|
Ширина фланців корпуса й кришки редуктора
|
Приймаємо

|
|
Висота бобишок під стяжні болти
|
Приймаємо
Н = 74 мм
|
|
Діаметр отвору вушка
|
Приймаємо

|
7. Вибір змащення редуктора
Від правильності вибору мастильних
матеріалів і способу змазування в значній мірі залежить працездатність і
довговічність механізмів. Як мастильні матеріали для передач редукторів й їхніх
підшипників використають рідкі нафтові й синтетичні масла, а також пластичні
змащення.
Змащення циліндричної передачі
редуктора проектуємо методом занурення колеса в масляну ванну на глибину 20-30
мм. Змащення підшипників здійснюємо масляним туманом.
Обсяг масляної ванни приймаємо з
розрахунку забезпечення відводу теплоти, що виділяється в зачепленні, до стінок
корпуса. Для одноступінчастих циліндричних редукторів обсяг масляної ванни
приймаємо в межах 0,35...0,7 л масла на 1 кВт переданій потужності. Більше
значення відповідає більшій в'язкості масла.

Приймаємо V = 4,0 л.
Призначення сорту масла
залежить від контактних напружень у зубцях й окружній швидкості колеса. Зі
збільшенням контактних напружень масло приймати більшої в'язкості. Зі
збільшенням окружної швидкості в'язкість масла повинна бути менше. Вибір сорту
масла починають із визначення необхідної кінематичної в'язкості масла
Кінематична в'язкість масла: 
За знайденим значенням
в'язкості вибирають відповідне масло
Приймаємо сорт масла: u - 30
А
Список
літератури
1. Карпенко
В.А., Глечиков В.В., Гнатко О.М. Методичний вказівник - Дніпропетровськ: ДВНЗ
УДХТУ, 2009, - с. 40.
2. Детали
машин и механизмов. Курсовое проектирование: Учеб. справочник / Чернилевский
Д.В. 2 изд., перераб. и доп. - Киев.: Высш. шк. Гл. изд. 1987. - 328 с.
. Гузенов
П.Г. Детали машин. М.: Высш. шк., 1986, - 356 с.
. Цехнович
Л.И., Петриченко И.П. Атлас конструкцій редукторов. Учеб. справочник. - 2 изд.,
перераб и доп. - Киев.: Высш. шк.. 1990, - 150 с.
. Чернавский
С.А. и др. Курсовое проектирование деталей машин. М.: Машиностроение, 1987, -
415 с.