Расчет параметров зубчатой передачи
Введение
Проектно-конструкторским называется процесс разработки
комплексной технической документации, содержащей технико-экономические
обоснования, расчеты, чертежи, макеты, сметы, пояснительные записки и другие
материалы, необходимые для производства машины.
Проектирование механизмов представляет собой сложную,
комплексную задачу, решение которой может быть разбито на ряд самостоятельных
этапов. Первым этапом проектирования является создание основной кинематической
схемы механизма, которая обеспечивала бы требуемый вид и закон движения. Вторым
этапом проектирования является разработка конструктивных форм механизма,
обеспечивающих его прочность, долговечность, высокий коэффициент полезного
действия и т.п. Третьим этапом проектирования является разработка технологических
и технико-экономических показателей проектируемого механизма, связанных с
технологией изготовления его деталей, сборкой механизма, эксплуатацией в
производстве, ремонтом и т.п.
Проектно-конструкторские работы должны обеспечить создание
новых машин, оборудования и механизмов, не только соответствующих современному
уровню техники, но и значительно превосходящих его. Они должны проводиться в
сжатые сроки при высоком качестве конструкторских решений. Это ускоряет
внедрение в производство новой техники, предотвращает ее моральное старение в
процессе ее создания - проектирования и испытаний.
Механизмы, состоящие из двух сопряженных зубчатых колес,
представляют собой простейший вид зубчатого механизма.
В различных машинах и приборах весьма часто ставится задача о
воспроизведении вращательных движений с заданными угловыми скоростями вокруг
различно расположенных осей. Эта задача обычно и решается зубчатыми
механизмами.
Выполнение курсового проекта по дисциплине «Основы
проектирования и конструирования» предназначено для закрепления и углубления
знаний, полученных при изучении следующих разделов теоретической части:
теоретическая механика, сопротивление материалов, теория механизмов и машин,
деталей машин.
Цель курсового проекта - научить обучаемых творчески
применять знания, полученные по дисциплине, при комплексной разработке проектов
современных технических систем; развить диалектический подход к оптимальному
решению инженерных задач.
Наиболее полно это можно сделать при решении комплексной
инженерной задачи, включающей кинематические и силовые расчеты, вопросы
конструирования и выполнения конструкторской документации в виде габаритных,
сборочных и рабочих чертежей.
Этим требованиям в наибольшей степени отвечают такие объекты
проектирования, как различные редукторы.
Редукторы широко применяют в различных отраслях
машиностроения благодаря высоким экономическим, потребительским и другим
характеристикам.
1. Выбор электродвигателя
Требуемую мощность электродвигателя определяют по расчетной
номинальной нагрузке.
, (1)
P2 = 7кВт
где
- КПД привода (табл. 1 приложения),
рассчитывается на основе рассмотрения кинематической схемы (рис. 1 в задании на проектирование);
P2 - мощность на выходе редуктора.
Коэффициент полезного действия определяется как:
=
м
пп2
зп., (2)
где
м - кпд муфты;
пп - кпд
пары подшипников;
зп - кпд
зубчатой передачи.
=
м
пп2
зп =0,96*0,98*0,992=0.922
После нахождения Рэд выбирают двигатель (табл. 2 приложения).
При этом следует учесть, что для одноступенчатого редуктора передаточное
отношение должно быть U = 2…6.
n1=U*n2=500…1500
Выбираем марку двигателя 4А132М6У3
Параметры двигателя: S=3.2%, Kn=2, nc=1000
Передаточное отношение редуктора определяется по выражению:
, (3)
где nэ - частота вращения двигателя под нагрузкой, об/мин;
n2 -
частота вращения выходного вала редуктора, об/мин.
Частота вращения двигателя под нагрузкой рассчитывается как:
nэ =
nс (1 - S/100), (4)
где nс - синхронная частота вращения двигателя, об/мин;
S -
коэффициент скольжения, %
nэ=1000*(1-3,2/100)=968об/мин
В соответствии со стандартом стран СЭВ передаточное число
округляют до ближайшего из следующего ряда величин (допускаемое отклонение от
номинальных значений
4%): 1,00; 1,12; 1,25; 1,40; 1,60; 1,80;
2,00; 2,24; 2,50; 2,80; 3,15; 3,55; 4,00; 4,50; 5,00; 5,60; 6,30.
Принимаем U=4
Крутящий момент, передаваемый валом определяется из условия:
ведущего:
, Н/м; (5)
где Р1= Рэд.
Н/м.
ведомого:
, Н/м.
Н/м. (6)
2.
Расчет зубчатой передачи
2.1
Выбирают материалы для изготовления шестерни и колеса
Применяем следующий вариант термической обработки:
Термическая обработка колеса - улучшение, твердость 260 НВ
Термическая обработка шестерни - улучшение, твердость 300 НВ
2.2
Расчет допустимого напряжения на изгиб
Допустимое напряжение на изгиб определяется по выражению:
, (7)
где [σ]F -
допустимое напряжение на изгиб, МПа;
σF.lim - предельное напряжение на изгиб (табл.
5), МПа;
σF.lim колеса=1,8*НВ=1,8*250=450 МПа
σF.lim шестерня=1,8*НВ=1,8*300=540 МПа
КFL -
коэффициент долговечности, учитывающий влияние ресурса;
КFС -
коэффициент, учитывающий влияние двухстороннего нагружения (принять равным
0,7);
SF - коэффициент запаса прочности =1,7;
Коэффициент долговечности КFL, определяется по выражению:
, (8)
где NF0 - базовое число циклов
(для стали 4∙106);
NFЕ - эквивалентное число
циклов.
Эквивалентное число циклов определяется из условия:
NFЕ = 60∙п1∙t - для шестерни; (9)
NFЕ = 60∙п2∙t - для колеса, (10)
где t - суммарное время работы передачи (задается
преподавателем), ч.
t=10*250*1*8=20000 ч.

Расчеты производят для шестерни и колеса.
Т.к. при расчете получается КFL< 1, то для дальнейших расчетов принимается КFL = 1.
МПа (колесо)
МПа (шестерня)
Допустимое контактное напряжение для колеса:
, (11)
где [σ]Н - допускаемое
контактное напряжение, МПа;
σlim - предел контактной выносливости зубьев
(табл. 5 приложения), МПа;
SН - коэффициент запаса прочности (1,1…1,2);
ZR - коэффициент учитывающий влияние
шероховатости сопрягаемых поверхностей зубьев (ZR=1);
ZV - коэффициент учитывающий влияние
окружной скорости (ZV=1,15);
КHL -
коэффициент долговечности, учитывающий влияние ресурса
Коэффициент долговечности КHL определяется по выражению:
, (12)
где NН0 ≤ 12∙107 - базовое число циклов
(для стали принимаем NН0 = 107);
NНЕ
- эквивалентное число циклов.
Эквивалентное число циклов определяется как:
NНЕ
= 60∙п2∙t=60*250*20000=300000000 (13)
σlim=2*250+70=570 МПа,
При KHL < 1
принять его равным 1.
МПа.
2.3
Расчет параметров передачи
Окружную скорость колеса определяется по выражению:
, (14)
где V - окружная скорость зубчатого колеса,
м/с;
n2 -
частота вращения ведомого вала, об/мин;
Т2 - крутящий момент, передаваемые ведомым
валом редуктора, Н/м;
ψ - коэффициент
ширины колеса (ψ = 0,4);
U - передаточное число редуктора.
Если V > 3 м/с, передача выполняется косозубой.
м/с.
V<3 м/с т.е. передача прямозубая
Межосевое расстояние передачи определяется из условия:
, (15)
где аW - межосевое расстояние, мм;
Ка = 450 МПа - для прямозубых колес;
КН - коэффициент нагрузки в расчете на контактную
прочность.
Коэффициент нагрузки КН определяется по
выражению:
КН = КНν + КНβ + КНα, (16)
где КНν - коэффициент
учитывающий внутреннюю динамику нагружения (табл. 8 приложения);
КНν=1,15
КНβ - коэффициент
неравномерности распределения нагрузки по длине контактной линии;
КНα - коэффициент неравномерности
распределения нагрузки между зубьями.
Коэффициент неравномерности распределения нагрузки по длине
контактной линии определяется из условия:
, (17)
где К0Нβ - коэффициент неравномерности
распределения нагрузки в начальный период работы (табл. 9 приложения);
КНβ=1,02;
КНβ=1+(1,02-1)*0,28=1,0056
КНω - коэффициент,
учитывающий приработку зубьев, в зависимости от окружной скорости, выбирается
для зубчатого колеса с меньшей твердостью (табл. 10 приложения).
КНω=0,28;
Коэффициент неравномерности распределения нагрузки между
зубьями определяется из условия:
, (18)
где К0Нα - коэффициент неравномерности
распределения нагрузки в начальный период работы (К0Нα = 1,12).
КН =1,15+1,0056+1,0196=3,17
После расчета межосевого расстояния аw, его округляют до ближайшего большего
значения из единого ряда (в соответствии со СТ СЭВ 229-75): 25, 28, 32, 36, 40,
45, 50, 56, 63, 71, 80, 90, 100, 112, 125, 140, 160, 180, 200, 224, 250, 280,
315, 400, 450, 500, 560, 630, 710.
мм.
Модуль зубьев определяется из соотношений:
при твердости зубьев НВ ≤ 350
= 0,01…0,02 или m = аw∙(0,01…0,02),
при HRC ≤ 40
= 0,006…0,315 или m =
аw∙(0,006…0,315).
m =160*0,01=1,8 мм
После расчета модули выбирают из ряда: 0,1; 0,12; 0,15; 0,2; 0,25;
0,3; 0,4; 0,5; 0,6; 0,8; 1,0; 1,25; 1,6; 2,0; 2,5; 3,15; 4,0; 5,0; 6,3; 8,0;
10; 12,5; 16; 20; 25.
Сумма зубьев шестерни и колеса определяется из условия:
. (19)
где β =0, а
следовательно cosβ=1.
Полученное значение ZΣ округляют до ближайшего большего
значения.
Уточняем угол наклона зубьев для косозубых передач по выражению:
. (20)
Число зубьев шестерни находят по выражению:
. (21)
Число зубьев колеса составит:
Z2 = ZΣ - Z1.
(22)
Z2 =200-40=160
Фактическое передаточное отношение составит:
. (23)
Отклонение передаточного отношения определяется по выражению:
. (24)
Отклонение передаточного отношения не должно превышать
≤ 4%.
Условие выполняется.
2.4
Определение размеров зубьев колеса и шестерни
Высота головок зубьев определяется по выражению:
, мм (25)
где h*a - коэффициент высоты головки зубьев
(принять h*a = 1).
мм
Высота ножек зубьев определяется по выражению:
, мм (26)
где С - коэффициент радиального разбора зубьев (принять С
= 0,25).
Высота зубьев:
, мм. (27)
Делительный диаметр шестерни определяется по выражению:
, мм. (28)
Диаметр по вершинам зубьев шестерни:
, мм. (29)
Диаметр по впадинам зубьев для шестерни:
, мм. (30)
Делительный диаметр колеса:
, мм. (31)
Диаметр по вершинам зубьев колеса:
. (32)
Диаметр по впадинам зубьев для колеса:
. (33)
Рабочая ширина зубчатого венца колеса рассчитывается по выражению:
. (34)
Ширина шестерни при этом составляет:
. (35)
Параметры зубчатых шестерни и колеса
Уточняем межосевое расстояние:
. (36)
Окружная скорость шестерни составляет:
. (37)
В зависимости от величины скорости V и вида
передачи выбирают степень точности передачи (табл. 6).
Степень точности передачи - передача пониженной точности (8).
.5
Проверочный расчет передачи по контактным напряжениям
Расчетное контактное напряжение определяется по выражению:
. (38)
где Zσ = 9600 МПа1/2
- для прямозубых передач.
[σ]н - допустимое контактное
напряжение по формуле (11), МПа.
Если расчетное напряжение σн меньше допустимого [σ]н в пределах 15…20% или σн больше [σ]н в пределах 5%, то ранее принятые параметры принимают за
окончательные. В противном случае проводят перерасчет.
Из расчетов следует, что σн = 566 МПа меньше [σ]н = 617 МПа, следовательно, ранее принятые параметры
принимаются за окончательные.
, Н; (39)
Радиальная сила определяется по выражению:
, Н; (40)
Осевая сила определяется по выражению:
, Н. (41)
Силы в зацеплении
2.7
Проверка зубьев колес по напряжениям изгиба
Расчетное напряжение изгиба для:
зубьев колеса:
, (42)
зубьев шестерни:
. (43)
где КF = КFv∙КFβ∙КFα -
коэффициент нагрузки при расчете по напряжениям изгиба;
КFv
- коэффициент, учитывающий внутреннюю динамику нагружения, (табл. 10
приложения)
КFβ = 0,18 + 0,82∙ К0Hβ -
коэффициент, учитывающий неравномерность распределения напряжений у основания
зубьев по ширине зубчатого венца;
КFα - коэффициент, учитывающий влияние
погрешностей изготовления шестерни и колеса на распределение нагрузки между
зубьями (КFα = К0Hα);
YFS - коэффициент, учитывающий форму зубьев и концентрацию напряжений
(табл. 11 приложения);
≥ 0,7 - коэффициент, учитывающий угол наклона зубьев в
косозубой передаче (для прямозубых передач - Yβ = 1);
Yε - коэффициент, учитывающий перекрытие
зубьев (для прямозубых передач - Yε = 1, для косозубых - Yε = 0,65)
КFβ=0,18+0,82∙1,02=1,0164
КF = 1,0164∙1,3∙1,07=1.41
2.8
Проектный расчет вала
При определении диаметра вала выполняют ориентировочный
расчет его на чистое кручение по допускаемому напряжению [τк] = 20 МПа (Н/мм²).
Диаметр ведущего (быстроходного) вала редуктора определяется
как:
, мм. (44)
Полученное значение округляют до ближайшего ряда диаметров по
ГОСТ 6636-96: 10; 11; 12; 13; 14; 15; 16; 17; 18; 19; 20; 21; 22; 24; 25; 26;
28; 30; 32; 34; 36; 38; 40; 42; 45; 48; 50; 52; 55; 60; 63; 65; 70; 75; 80; 85;
90; 95; 100.
Если 2dB1 > dш1,
шестерню выполняют заодно с валом (вал шестерня).
Диаметр вала под подшипниками:
dп1 = dВ1 + 5, (45)
dп1 =28+5=33 мм
Полученное значение округляют до ближайшего большего значения
из стандартного размерного ряда подшипников (табл. 12 приложения)
Диаметр вала под шестерней:
dш = dп1 + 5. (46)
dш =33+5=38 мм
Диаметр ведомого (тихоходного) вала редуктора определяется
как:
, мм. (47)
Диаметр вала под подшипниками:
dп2 = dВ2 + 5, (48)
dп2 =40+5=45 мм
Диаметр вала под колесом:
dк = dп2 + 5. (49)
dк =45+5=50 мм
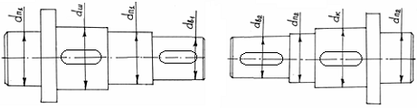
а б
Эскиз валов редуктора: а - быстроходного, б -
тихоходного
2.9
Выбор шпоночных соединений
Шпонки предназначены для передачи крутящих моментов от вала к
находящейся на нем детали или наоборот.
Параметры шпонки (b×h) выбираем в зависимости от диаметра вала (dк, dш, dВ1, dВ2) по таблице 1.
Длины призматических шпонок l выбирают с учетом ширины
шестерни и колеса (она должна быть меньше длины шестерни, колеса на 5…10 мм) из
следующего стандартного ряда: 10; 12; 14; 16; 18; 20; 22; 25; 28; 32; 36; 40;
45; 50; 56; 63; 70; 80; 90; 100; 110; 125; 140; 160; 180; 200 мм.
Выбранные параметры шпонок необходимы будут в дальнейших
расчетах коэффициентов запаса прочности валов. Данные по выбору шпонок заносим
в таблицу 1.
Таблица 1. Параметры шпонок валов
|
Размеры, мм
|
Быстроходный вал
|
Тихоходный вал
|
|
Под шкивом
|
Под шестерней
|
Под шкивом
|
Под колесом
|
|
Диаметр вала, d
|
28
|
38
|
50
|
|
Шпонка
|
Ширина, b
|
8
|
10
|
12
|
14
|
|
Высота, h
|
7
|
8
|
8
|
9
|
|
Глубина паза, t
|
4
|
5
|
5
|
5,5
|
|
Длина, l
|
25
|
50
|
25
|
50
|
.10
Эскизная компоновка редуктора
Эскиз вычерчивается в одной проекции - разрез по осям валов
при снятой крышке редуктора, в масштабе (согласно ГОСТу).
Вычерчивают шестерню и колесо. Очерчивают внутреннюю стенку
корпуса, принимая зазор между торцом шестерни и внутренней стенкой корпуса 10
мм. Затем вычерчивают ведущий и ведомый валы. На валах располагают подшипники
(параметры подшипников приведены в таблице 12 приложения). Подшипники
фиксируются на корпусе крышками.
Геометрически определяют расстояние между серединами
подшипниковых узлов для вала с шестерней:
(50)
Расстояние между серединами подшипниковых узлов должно быть
таким же, как и для шестерни, l2=l1
.11
Проверочный расчет валов редуктора
редуктор зубчатый передача электродвигатель
На заключительном этапе проектирования редуктора необходимо
провести проверочные расчеты его валов на прочность.
Однако на практике в основном ограничиваются расчетом
тихоходного (ведомого) вала как наиболее нагруженного различными силовыми
факторами (силами, моментами сил, возникающих в зацеплении). Проверочный расчет
вала выполняют для определения расчетного коэффициента запаса прочности в
опасном сечении вала. Он выполняется по всем правилам механики и сопротивления
материалов, с обозначением соответствующих усилий, действующих на него в
различных плоскостях и направлениях. На расчетных схемах тихоходный вал в
подшипниковых узлах представляется в виде балки (бруса), закрепленный в опорах.
Определение
реакций опор
в плоскости YOZ:
;
;
;
;
Проверка:
.
- в плоскости ХOZ:
;
;
;
;
.
Проверка:
Суммарные (полные) реакции опор:
; (51)
. (52)
Построение
эпюр от изгибающих моментов
При расчете изгибающих моментов определяется «опасное»
(критическое) сечение вала как наиболее нагруженное, расчетное напряжение в
котором принимается в качестве определяющего для определения коэффициента
запаса по прочности вала в целом. Расчетная схема вала приведена на рис. 5.
Крутящий момент численно равен вращательному:
Мк = Т2, Нм. (53)
T2 = 267,4 Нм
Из рассмотренных эпюр внутренних силовых
факторов и конструкции узла следует, что опасными являются сечения:
I-I - место установки зубчатого
колеса на вал: сечение нагружено изгибающим и крутящим моментами, осевой силой;
концентратор напряжений - посадка с натягом колеса на вал;
II-II - место установки правого по рисунку
подшипника на вал: сечение нагружено изгибающим и крутящим моментами, осевой
силой; концентратор напряжений - посадка с натягом внутреннего кольца
подшипника на вал;
III-III - место установки
полумуфты на вал: сечение нагружено крутящим моментом, концентратор напряжений
- шпоночное соединение на концевом участке вала.
Сечение I-I
Изгибающие моменты:
- в плоскости XOZ
М1кон = R1k*1/2*10-3
R1k = Fk*1k/1
R1k = 539*31,5/112 =151,6 H
Рис. 5. Эпюры внутренних силовых факторов
М1г = R2г*l/2*10-3; (54)
M1г = 256,9*112/2*10-3 = 14,38 Hм
в плоскости YOZ справа от сечения
M1вл = R1в*l/2*10-3; (55)
M1вл = 95,5*112/2*10-3 = 5,34 Hм
в плоскости YOZ справа от сечения
M1вп = R2в*l/2*10-3 (56)
M1вп = 95,5*112/2*10-3 = 5,34 Hм
(57)

Расчет
геометрических характеристик опасных сечений вала
Сечение I-I (со шпоночным пазом)
Момент сопротивления W при изгибе
рассчитывается по формуле:
, мм³. (58)
Момент сопротивления Wк при кручении рассчитывается по формуле:
, мм³. (59)
Площадь А вычисляют по нетто-сечению:
, мм³. (60)
Расчет
вала на статическую прочность
Напряжение изгиба с растяжением (сжатием) σ1 рассчитывается по формуле:
. (61)
МПа
где Кп - коэффициент
перегрузки (табл. 2 приложения)
Напряжение кручения τ1 рассчитывается по формуле:
(62)
МПа
Запас прочности по нормальным напряжениям определяется как:
. (63)
Запас прочности по касательным напряжениям определяется как:
. (64)
.
Общий коэффициент запаса прочности по пределу текучести:
. (65)
.
Статистическая прочность вала обеспечивается при условии:
S ≥ [ST] = 1,3…2
Расчет
вала на сопротивление усталости
Уточненные расчеты на сопротивление
усталости отражают влияние разновидности цикла напряжений, статических и
усталостных характеристик материалов, размеров, формы и состояния поверхности.
Расчет выполняют в форме проверки коэффициента S запаса прочности,
минимальное значение которого принимают в диапазоне [S] = 1,5…2,5.
Определяем амплитуды напряжений и средние
значения циклов:
, МПа; (66)
, МПа;
, МПа; (67)
, МПа;
, МПа. (68)
Коэффициенты снижения предела выносливости:
; (69)
. (70)
Пределы выносливости вала в
рассматриваемом сечении:
; (71)
;
. (72)
Коэффициент влияния асимметрии цикла:
. (73)
Коэффициент запаса прочности по нормальным и касательным
напряжениям:
; (74)
. (75)
Коэффициент запаса прочности в рассматриваемом сечении:
. (76)
Вывод: в рассматриваемом сечении коэффициент запаса
прочности равен 7,78, следовательно, мы получили достаточно высокий коэффицент
запаса прочности и можем не проводить специальных расчетов на прочность.
Литература
1. Анурьев В.И. Справочник
конструктора-машиностроителя: В 3 т. Т.1. - 5-е изд., перераб. и доп. -
М.: Машиностроение, 1978. - 728 с.
2. Анурьев В.И. Справочник
конструктора-машиностроителя: В 3 т. Т.2. - 5-е изд., перераб. и доп. -
М.: Машиностроение, 1978. - 559 с.
3. Анурьев В.И. Справочник
конструктора-машиностроителя: В 3 т. Т.3. - 5-е изд., перераб. и доп. -
М.: Машиностроение, 1978. - 557 с.
4. Гузенков Н.Г. Детали
машин. - 3-е изд., перераб. и доп. - М.: Высш. шк., 1982. -
351 с.
6. Приводы
машин: справочник/ Под общ. ред. В.В. Длоугого. - 2-е
изд., перераб. и доп. - Л.: Машиностроение; Ленингр. отд-ние, 1982. - 383 с.
7. Проектирование
механических передач: учеб.-справ. пособие для втузов/С.А. Чернавский,
Г.А. Слесарев,
Б.С. Козинцев
и др. - 5-е изд. перераб. и доп. - М.: Машиностроение,
1984. - 560 с.
8. Терентьев А.С. Методические
указания по выполнению курсового проекта по дисциплине «Основы проектирования и
конструирования» АПУ 2008 г. - 41 с.