Расчет и проектирование одноступенчатого зубчатого редуктора
Министерство
образования Республики Беларусь
Минский
государственный машиностроительный колледж
Расчетно-пояснительная записка
к курсовому проекту по «Технической механике»
Тема: Расчет и проектирование одноступенчатого
зубчатого редуктора
Разработал:
учащийся
гр.1-Дк
Зеньков
Д.И.
Минск 2005
Перечень документов
Расчетно-пояснительная записка
Сборочный чертеж одноступенчатого
цилиндрического редуктора
Спецификация
Чертеж вала тихоходного
Чертеж колеса зубчатого
Содержание
|
1 Краткое описание работы привода …………………………………………………..
2 Кинематический расчет привода …………………………………………………….
2.1 Определение требуемой мощности и выбор двигателя
………………………...
2.2 Определение частоты вращения и угловой скорости каждого
вала …………...
2.3 Определение мощностей и вращающих моментов на каждом
валу …………...
3 Расчет закрытой зубчатой косозубой передачи
…………………………………….
3.1 Исходные данные …………………………………………………………………
3.2 Расчет параметров зубчатой передачи
…………………………………………..
4 Расчет тихоходного вала привода …………………………………………………..
4.1 Исходные данные …………………………………………………………………
4.2 Выбор материала вала …………………………………………………………….
4.3 Определение диаметров вала …………………………………………………….
4.4 Эскизная компоновка вала ……………………………………………………….
4.5 Расчет ведомого вала на изгиб с кручением
…………………………………….
5 Расчет быстроходного вала привода ……………………………………………….
5.1 Исходные данные …………………………………………………………………
5.2 Выбор материала вала …………………………………………………………….
5.3 Определение диаметров вала …………………………………………………….
5.4 Определение возможности изготовления вала-шестерни
………………………
5.5 Эскизная компоновка вала ……………………………………………………….
5.6 Расчет ведомого вала на изгиб с кручением
…………………………………….
6 Подбор подшипников быстроходного вала …………………………………………
7 Подбор подшипников тихоходного вала ……………………………………………
8 Подбор и проверочный расчет шпонок быстроходного вала
……………………...
9 Подбор и проверочный расчет шпонок тихоходного вала
………………………...
10 Выбор сорта масла …………………………………………………………………..
11 Сборка редуктора ……………………………………………………………………
Список использованной литературы ……………………………………………….
|
5
7
7
8
9
10
10
10
15
15
15
15
17
17
21
21
21
21
22
23
24
27
29
31
32
33
34
35
|
1 Краткое описание работы
привода
Тяговым органом заданного
привода является цепной конвейер В цепных передачах (рис.1, а) вращение
от одного вала к другому передается за счет зацепления промежуточной гибкой
связи (цепи) с ведущим / и ведомым 2 звеньями (звездочками).
Рис.1 Схема цепной передачи
В связи с отсутствием
проскальзывания в цепных передачах обеспечивается постоянство среднего
передаточного числа. Наличие гибкой связи допускает значительные межосевые расстояния
между звездочками. Одной цепью можно передавать движение одновременно на
несколько звездочек (рис.1, б). По сравнению с ременными цепные передачи
имеют при прочих равных условиях меньшие габариты, более высокий КПД и меньшие
нагрузки на валы, так как отсутствует необходимость в большом предварительном
натяжении тягового органа.
Недостатки
цепных передач: значительный износ шарниров цепи, вызывающий ее удлинение
и нарушение правильности зацепления; неравномерность движения цепи
из-за геометрических особенностей ее зацепления с зубьями
звездочек, в
результате
чего появляются дополнительные динамические нагрузки в передаче; более
высокие требования к точности монтажа передачи по сравнению с ременными передачами;
значительный шум при работе передачи.
Цепные передачи предназначаются для мощности обычно
не более 100 кВт и могут работать как при малых, так и при больших скоростях
(до 30 м/с). Передаточные числа обычно не превышают 7.
Применяемые
в машиностроении цепи по назначению подразделяются на приводные, передающие
энергию от ведущего вала к ведомому; тяговые, применяемые в качестве тягового
органа в конвейерах; грузовые, используемые в грузоподъемных машинах. Из всех
типов природных цепей наибольшее распространение имеют роликовые с числом
рядов от 1 до 4, втулочные , одно- и двухрядные, и зубчатые.
Кинематическая схема привода цепного
конвейера приведена на рис.2.
Вращение привода передается от электродвигателя 1 ведущим
звездочкам цепного конвейера 8 посредством клиноременной передачи 2, муфт 3 и
5, косозубого одноступенчатого редуктора 4, цепной передачи 6 и зубчатой
открытой прямозубой передачи 7. При этом на кинематической схеме римскими
цифрами обозначены тихоходные (I, III,
VI) и быстроходные (II, IV, V) валы соответствующих передач.
Рис.2
Кинематическая схема привода цепного конвейера.
2 Кинематический расчет
привода
2.1 Определение требуемой
мощности и выбор двигателя
Исходные данные:
-
тяговое усилие цепи Ft=13кН
-
скорость цепи V=0,35 м/с
-
шаг тяговой цепи Рt=220мм
-
число зубьев ведущих звездочек z=7
-
срок службы привода – 4 года в две смены.
Определяем мощность на
тихоходном валу привода по формуле (1.1) [1,с.4]
РVI=
Ft· V (2.1)
где РVI
- мощность на тихоходном валу:
РVI=13·0,25=3,25кВт.
Определяем общий КПД
привода по формуле (1.2) [1,с.4]
По схеме привода
(2.2)
где[1, с.5, табл.1.1]:
- КПД
ременной передачи;
- КПД зубчатой закрытой передачи;
- КПД цепной передачи;
- КПД зубчатой открытой передачи;
- КПД одной пары подшипников
качения;
- КПД муфты.
Сделав подстановку в формулу (1.2) получим:
Определяем мощность, необходимую
на входе[1,с.4]
(2.3)
где Ртр – требуемая
мощность двигателя:
Определяем частоту вращения и
угловую скорость тихоходного вала
(2.4)
об/мин
(2.5)
Выбираем электродвигатель [1,с.390,табл.
П1,П2]
Пробуем двигатель 4А112М4:
Рдв.=5,5кВт;
nс=1500об/мин;
S=3,7%
dдв.=32мм.
Определяем асинхронную частоту
вращения электродвигателя по формуле (1.3) [1,c.6]:
na=nc·(1-S); (2.6)
na=1500·(1-0,037);
na=1444,5
об/мин
Определяем общее передаточное
число привода
; (2.7)
Производим разбивку прердаточного
числа по ступеням. По схеме привода
Uобщ.=Uр.п.· Uз.з.· Uц.п.· Uз.о.; (2.8)
Назначаем по рекомендации [1,c.7,c36]:
Uр.п.=3;
Uц.п.=3;
Uз.о.=4;
тогда
Uз.з.=
Uобщ./( Uр.п.·
Uц.п.· Uз.о.);
Uз.з.=2,94,
что входит в рекомендуемые пределы
Принимаем Uз.з.=3.
Тогда
Находим:
(2.9)
;
Допускается ∆U=±3%
Принимаем
окончательно электродвигатель марки 4А112М4
2.2 Определение частоты
вращения и угловой скорости каждого вала
По формуле (2.5) определяем
угловую скорость вала двигателя
;
;
nдв.=1444,5 об/мин.
По схеме привода
(рис.1) определяем частоты вращения и угловые скорости каждого вала
;
;
;
;
;
;
;
;
;
;
;
;
;
;
;
;
;
;
что близко к полученному в п.2.1.
2.3 Определение мощностей и
вращающих моментов на каждом валу
Определяем мощность на каждом валу по схеме
привода
;
;
;
;
;
;
;
;
;
;
;
;
;
;
;
;
что близко к определенному ранее в п.2.1.
Определяем вращающие моменты на каждом валу
привода по формуле
(Нм) (2.10)
;
;
Нм;
;
;
Нм;
;
;
Нм;
;
;
Нм;
;
;
Нм;
;
;
Нм;
;
;
Нм.
Проверка:
(2.11)
;
Нм
Все рассчитанные параметры сводим в табл.1.
Таблица
1
Параметры
кинематического расчета
|
№ вала
|
n,
об/мин
|
ω, рад/с
|
Р, кВт
|
Т, Нм
|
U
|
|
|
Дв.
|
1444,5
|
151,27
|
4,15
|
27,43
|
3
|
|
|
I
|
481,5
|
50,42
|
3,985
|
79,03
|
|
|
1
|
|
|
II
|
481,5
|
50,42
|
3,866
|
76,67
|
|
|
3
|
|
|
III
|
160,5
|
16,8
|
3,674
|
218,69
|
|
|
1
|
|
|
IV
|
160,5
|
16,8
|
3,565
|
212,2
|
|
|
3
|
|
|
V
|
53,5
|
5,6
|
3,353
|
598,75
|
|
|
4
|
|
|
VI
|
13,375
|
1,4
|
3,187
|
2276,4
|
|
3 Расчет закрытой косозубой
передачи
3.1 Исходные данные
Мощность на валу шестерни и
колеса Р2=3,866 кВт
Р3=3,684
кВт
Вращающий момент на шестерне и
колесе Т2=76,67 Нм
Т3=218,69
Нм
Передаточное число U=3
Частота вращения шестерни и
колеса n2=481,5 об/мин
n3=160,5 об/мин
Угловая скорость вращения шестерни
и колеса ω2=50,42 рад/с
ω3=16.8
рад/с
Передача нереверсивная.
Расположение колес относительно
опор симметричное.
3.2 Расчет параметров зубчатой
передачи
Выбираем материал для шестерни и
колеса по табл.3.3 [1,c.34]:
шестерня – сталь 40Х, термообработка – улучшение 270НВ,
колесо - сталь 40Х, термообработка – улучшение 250НВ.
Определяем допускаемое контактное
напряжение по формуле (3.9) [1,c.33]:
(3.1)
где σHlimb –
предел контактной выносливости при базовом числе циклов;
КHL
– коэффициент долговечности;
[SH] –
коэффициент безопасности;
по [1,c.33]: КHL =1; [SH] =1,1.
Определяем σHlimb по табл.3.2 [1,c.34]:
σHlimb =2НВ+70; (3.2)
σHlimb1
=2×270+70; σHlimb1 =610МПа;
σHlimb2
=2×250+70; σHlimb1 =570МПа.
Сделав подстановку в формулу (3.1)
получим
;
МПа;
;
МПа.
Определяем допускаемое расчетное
напряжение по формуле (3.10) [1,c.35]:
(3.3)
;
МПа.
Определяем межосевое расстояние
передачи по формуле (3.7) [1,c.32]:
(3.4)
где Ка – числовой коэффициент;
КHβ – коэффициент,
учитывающий неравномерность распределения нагрузки по ширине венца;
- коэффициент ширины;
Т2 – вращающий момент на колесе (по
схеме привода Т2=Т3)
Выбираем коэффициенты:
Ка =43 [1,c.32];
КHβ =1,1 [1,c.32,табл.3.1];
=0,315 назначаем по
ГОСТ2185-66 с учетом рекомендаций [1,c.36];
Т2=Т3=218,69Нм.
Подставив значения в формулу (3.4) получим:
;
мм;
Принимаем окончательно по ГОСТ2185-66 [1,c.36]
мм.
Определяем модуль [1,c.36]:
(3.5)
;
;
Принимаем по ГОСТ9563-60 модуль mn=2,0мм [1,c.36]
Определяем суммарное число зубьев по формуле
(3.12) [1,c.36]:
(3.6)
Принимаем предварительно
β=12º (β=8º…12º), тогда cosβ=0,978
;
;
Принимаем
зуба.
Определяем число зубьев шестерни
и колеса по формулам (3.13) [1,c.37]:
;
;
;
;
;
;
.
Уточняем фактическое передаточное
число
;
;
Определяем отклонение
передаточного числа от номинального
;
.
Допускается ∆U=±3%
Уточняем угол наклона зубьев по
формуле (3.16) [1,c.37]:
(3.7)
;
;
.
Определяем делительные диаметры
шестерни и колеса по формуле (3.17) [1,c.37]:
(3.8)
;
мм;
;
мм.
Проверяем межосевое расстояние
(3.9)
;
мм.
Определяем остальные геометрические параметры
шестерни и колеса
;
;
;
;
(3.10)
;
(3.11)
мм;
;
мм;
;
мм;
;
мм;
;
мм;
;
мм;
;
мм
;
мм;
;
мм;
;
мм.
Проверяем соблюдение условия
(т.к. Ψba<0,4)
;
;
;
0,315>0,223
Значит, условие выполняется.
Определяем окружные скорости колес
;
м/с;
;
м/с.
Назначаем точность изготовления
зубчатых колес – 8В [1,c.32].
Определяем фактическое контактное
напряжение по формуле (3.6) [1,c.31]
(3.12)
где КН – коэффициент нагрузки:
КН =КНά× КНβ× КНu;
КНά –
коэффициент, учитывающий неравномерность распределения нагрузки между зубьями;
КНβ - коэффициент, учитывающий
неравномерность распределения нагрузки по ширине;
КНu
- коэффициент, учитывающий динамическую нагрузку в зацеплении.
Уточняем коэффициент нагрузки
КНά =1,09; [1,c.39, табл.3.4]
КНu
=1; [1,c.40, табл.3.6]
;
;
,
тогда КНβ =1,2; [1,c.39, табл.3.7]
КН =1,09×1,2×1; КН
=1,308.
Сделав подстановку в формулу (3.12) получим
;
МПа.
Определяем ∆σН
;
;
недогрузки,
что допускается.
Определяем силы в зацеплении
- окружная
; (3.13)
;
Н;
- радиальная
; (3.14)
;
Н;
- осевую
; (3.15)
;
Н.
Практика показывает, что у зубчатых колес с
НВ<350 выносливость на изгиб обеспечивается с большим запасом, поэтому
проверочный расчет на выносливость при изгибе не выполняем.
Все вычисленные параметры заносим в табл.2. Таблица
2
Параметры закрытой
зубчатой передачи
|
Параметр
|
Шестерня
|
Колесо
|
|
mn,мм
|
2
|
|
βº
|
10º16’
|
|
ha,мм
|
2
|
|
ht,мм
|
2,5
|
|
h,мм
|
4,5
|
|
с, мм
|
0,5
|
|
d,мм
|
63
|
187
|
|
dа,мм
|
67
|
191
|
|
df,мм
|
58
|
182
|
|
b,
мм
|
44
|
40
|
|
аW,мм
|
125
|
|
v,
м/с
|
1,59
|
1,58
|
|
Ft,
Н
|
2431
|
|
Fr,
Н
|
899,3
|
|
Fа,
Н
|
163,7
|
4 Расчет тихоходного вала
редуктора
4.1 Исходные данные
Исходные данные выбираем из табл.1 и табл.2 с округлением до
целых чисел:
Н;
Н;
Н.
;
Н;
Т3=219Н;
d=187мм;
b=40мм.
По кинематическое схеме привода составляем схему усилий,
действующих на валы редуктора. Для этого мысленно расцепим шестерню и колесо
редуктора. По закону равенства действия и противодействия :
Fa1= Fa2=
Fa;
Ft1= Ft2=
Ft;
Fr1=
Fr2= Fr.
Схема усилий приведена на рис.3.
Рис.3 Схема усилий, действующих на валы
редуктора
4.2 Выбор материала вала
Назначаем
материал вала. Принимаем сталь 45 с пределом
прочности σв = 700МПа
[1,c.34, табл.3.3].
Определяем пределы выносливости материала
вала при симметричном цикле изгиба и кручения
[1,c.162]
[1,c.164]
;
МПа;
;
.
4.3 Определение диаметров вала
Определяем диаметр выходного конца вала под полумуфтой из
расчёта на чистое кручение
(4.1)
где [τк]=(20…40)Мпа [1,c.161]
Принимаем [τк]=30Мпа.
;
мм.
Согласовываем dв с диаметром муфты упругой втулочной пальцевой
МУВП, для этого определяем расчетный момент, передаваемый муфтой
Тр3=Т3×К (4.2)
где К – коэффициент,
учитывающий условия эксплуатации привода.
К=1,3…1,5 [1,c.272, табл.11.3]
Принимаем К=1,5
Подставляя в формулу (4.2) находим:
Тр3=219×1,5;
Тр3=328,5Нм.
Необходимо соблюдать
условие
Тр3<[T] (4.3)
где [Т] – допускаемый момент,
передаваемый муфтой.
В нашем случае необходимо принять [Т]
500Ни [1,c.277, табл.11.5]
Тогда принимаем окончательно
dм2=40мм;
lм2=82мм. (Длина полумуфты) Тип 1, исполнение 2.
Проверяем возможность
соединения валов стандартной муфтой
;
;
мм.
Так как
соединение валов стандартной муфтой
возможно.
Принимаем окончательно
с учетом стандартного ряда размеров Rа40:
мм.
Намечаем приближенную
конструкцию ведомого вала редуктора (рис.4), увеличивая диаметр ступеней вала
на 5…6мм, под уплотнение допускается на 2…4мм и под буртик на 10мм.
Рис.4
Приближенная конструкция ведомого вала
мм;
мм –
диаметр под уплотнение;
мм –
диаметр под подшипник;
мм – диаметр
под колесо.
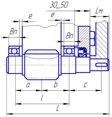
4.4 Эскизная компоновка
ведомого вала
Назначаем
предварительно подшипники шариковые радиальные однорядные средней серии по
мм подшипник №308, у которого Dп=90мм; Вп=23мм [1,c.394,
табл.П3].
Выполняем эскизную
компоновку вала редуктора. Необходимо определить длину вала L
и расстояния от середины подшипников до точек приложения нагрузок a, b и с
(рис.5).
Рис.5 Эскизная
компоновка ведомого вала
е=(8…12)мм – расстояние от торца
подшипника до внутренней стенки корпуса редуктора;
К=(10-15)мм – расстояние от
внутренней стенки корпуса до торца зубчатого колеса.
Принимаем
lст=b+10мм – длина ступицы колеса:
lст=40+10=50мм;
(30…50)мм - расстояние от торца
подшипника до торца полумуфты.
Принимаем 40мм.
Определяем размеры а, b, с и L.
а=b=Вп/2+е+К+lст/2;
а=b=23/2+10+11+50/2;
а=b=57,5мм
Принимаем а=b=58мм.
с= Вп/2+40+lм/2;
с=23/2+40+82/2;
с=93,5мм
Принимаем с=94мм.
L=Вп/2+a+b+c+ lм/2;
L=23/2+58+58+94+82/2;
L=262,5мм;
Принимаем L=280мм.
4.5 Расчет ведомого вала на изгиб с кручением.
Заменяем вал балкой на опорах в местах подшипников.
Рассматриваем вертикальную плоскость (ось у)
Изгибающий момент от осевой силы Fа будет:
mа=[Fa×d/2]:
mа=164·187×10-3/2;
mа=30,7Н×м.
Определяем реакции в подшипниках в вертикальной плоскости.
1åmАу=0
-RBy·(a+b)+Fr·a- mа=0
RBy=(Fr·а- mа)/ (a+b);
RBy= (899·0,058-30,7)/ 0,116;
RBy==184,8Н
Принимаем RBy=185Н
2åmВу=0
RАy·(a+b)-Fr·b- mа=0
RАy==(Fr·b+ mа)/ (a+b);
RАy
=(899·0,058+30,7)/ 0,116;
RАy =714,15Н
Принимаем RАy=714Н
Проверка:
åFКу=0
RАy-
Fr+ RBy=714-899+185=0
Назначаем характерные точки 1,2,2’,3 и 4 и
определяем в них изгибающие моменты:
М1у=0;
М2у= RАy·а;
М2у=714·0,058;
М2у =41,4Нм;
М2’у= М2у- mа(слева);
М2’у=41,4-30,7;
М2’у =10,7Нм;
М3у=0;
М4у=0;
Строим эпюру изгибающих моментов Му,
Нм (рис.6)
Рассматриваем горизонтальную плоскость
(ось х)
1åmАх=0;
Рис.6
Эпюры изгибающих и крутящих моментов ведомого вала.
FМ·(a+b+с)-RВх·(a+b)- Ft·a=0;
972·(0,058+0,058+0,094)-RВх·(0,058+0,058)-2431·0,058=0;
RВх=(204.12-141)/0,116;
RВх=544,13Н
RВх»544Н
2åmВх=0;
-RАх·(a+b)+Ft·b+Fм·с= 0;
RАх=(2431×0,058+972×0,094)/0,116;
RАх=2003,15Н
RАх»2003Н
Проверка
åmКх=0;
-RАх+
Ft- Fм+RВх=-2003+2431-972+544=0
Назначаем характерные точки 1,2,2’,3 и 4 и определяем в них
изгибающие моменты:
М1х=0;
М2х= -RАх·а;
М2х=-2003·0,058:
М2х=-116,2Нм;
М3х=- Fм
·с;
М3х=-972·0,094;
М3х=-8,65Нм
М4х=0;
Строим эпюру изгибающих моментов Мх.
Крутящий момент
ТI-I=0;
ТII-II=T1=Ft·d/2;
ТII-II=2431×187×10-3/2;
ТII-II=227,3Нм
5 Расчет быстроходного вала
редуктора
5.1 Исходные данные
Исходные данные выбираем из табл.1 и табл.2 с округлением до
целых чисел:
Н;
Н;
Н.
;
Н;
Т3=212,2Н;
d=63мм;
b=44мм.
Схема усилий, действующих на валы редуктора приведена на
рис.3.
5.2 Выбор материала вала
Назначаем
материал вала. Принимаем сталь 45 с пределом
прочности σв = 700МПа
[1,c.34, табл.3.3].
Определяем пределы выносливости
материала вала при симметричном цикле изгиба и
кручения
[1,c.162]
[1,c.164]
;
МПа;
;
.
5.3 Определение диаметров вала
Определяем диаметр выходного конца вала под полумуфтой из
расчёта на чистое кручение по формуле (4.1):
;
мм.
Согласовываем dв с диаметром муфты упругой втулочной пальцевой
МУВП, для этого определяем расчетный момент, передаваемый муфтой по формуле (4.2):
Тр3=Т3×К
где К – коэффициент,
учитывающий условия эксплуатации привода.
К=1,3…1,5 [1,c.272, табл.11.3]
Принимаем К=1,5
Подставляя в формулу (4.2) находим:
Тр3=219×1,5;
Тр3=328,5Нм.
Необходимо соблюдать
условие (4.3)
Тр3<[T]
где [Т] – допускаемый момент,
передаваемый муфтой.
В нашем случае необходимо принять [Т]
500Ни [1,c.277, табл.11.5]
Тогда принимаем окончательно
dм2=40мм;
lм2=82мм. (Длина полумуфты) Тип 1, исполнение 2.
Проверяем возможность
соединения валов стандартной муфтой
;
;
мм.
Так как
соединение валов стандартной муфтой
возможно.
Принимаем окончательно
с учетом стандартного ряда размеров Rа40:
мм.
Намечаем приближенную конструкцию ведомого вала
редуктора (рис.7), увеличивая диаметр ступеней вала на 5…6мм, под уплотнение
допускается на 2…4мм.
Рис.7
Приближенная конструкция ведущего вала
мм;
мм –
диаметр под уплотнение;
мм –
диаметр под подшипник;
мм –
диаметр под колесо.
5.4 Определение возможности
изготовления вала-шестерни
Определяем размер х (рис.8)
(5.1)
Рис.8 Схема для определения размера х
По ГОСТ23360-78 для диаметра 45мм предварительно выбираем
шпонку сечением b×h=14×9мм. Подставив в формулу (5.1) значения получим
;
мм,
так как размер получился отрицательный, значит изготовление
вала и шестерни отдельно невозможно. Определяем размеры вала-шестерни (рис.9).
Рис.9
Приближенная конструкция вала-шестерни
мм;
мм –
диаметр под уплотнение;
мм –
диаметр под подшипник;
мм –
диаметр технологического перехода;
мм –
диаметр впадин зубьев;
мм –
диаметр вершин зубьев;
мм –
делительный диаметр.
5.5 Эскизная компоновка
вала-шестерни
Назначаем
предварительно подшипники шариковые радиальные однорядные средней серии по
мм подшипник №308, у которого Dп=90мм; Вп=23мм [1,c.394,
табл.П3].
Выполняем эскизную
компоновку вала редуктора. Необходимо определить длину вала L
и расстояния от середины подшипников до точек приложения нагрузок a, b и с
(рис.10).
l=(0,8…1)×dа
– расстояние между серединами подшипников;
l=(0,8…1)×67; принимаем l=60мм;
а=b=l/2;
а=b=30мм;
(30…50)мм - расстояние от торца
подшипника до торца полумуфты.
Принимаем 40мм.
с= Вп/2+40+lм/2;
с=23/2+40+82/2;
с=93,5мм
Принимаем с=94мм.
L=Вп/2+a+b+c+ lм/2;
L=23/2+30+30+94+82/2;
L=206,5мм;
Принимаем L=210мм.
Рис.10 Эскизная
компоновка вала-шестерни
5.6 Расчет вала-шестерни на изгиб с кручением.
Заменяем вал балкой на опорах в местах подшипников.
Рассматриваем вертикальную плоскость (ось у)
Изгибающий момент от осевой силы Fа будет:
mа=[Fa×d/2]:
mа=164·63×10-3/2;
mа=5,2Н×м.
Определяем реакции в подшипниках в вертикальной плоскости.
1åmАу=0
-RBy·(a+b)+Fr·a- mа=0
RBy=(Fr·а- mа)/ (a+b);
RBy= (899·0,03-5,2)/ 0,06;
RBy==362,8Н
Принимаем RBy=363Н
2åmВу=0
RАy·(a+b)-Fr·b- mа=0
RАy==(Fr·b+ mа)/ (a+b);
RАy
=(899·0,03+5,2)/ 0,06;
RАy
=536,16Н
Принимаем RАy=536Н
Проверка:
åFКу=0
RАy-
Fr+ RBy=536-899+363=0
Назначаем характерные точки 1,2,2’,3 и 4 и
определяем в них изгибающие моменты:
М1у=0;
М2у= RАy·а;
М2у=536·0,03;
М2у =16,1Нм;
М2’у= М2у- mа(слева);
М2’у=16,1-5,2;
М2’у =10,9Нм;
М3у=0;
Строим эпюру изгибающих моментов Му,
Нм (рис.11)
Рассматриваем горизонтальную плоскость
(ось х)
1åmАх=0;
FМ·(a+b+с)-RВх·(a+b)- Ft·a=0;
972·(0,03+0,03+0,094)-RВх·(0,03+0,03)-2431·0,03=0;
RВх=(149,7-72,9)/0,06;
RВх=1279,3Н
RВх»1279Н
2åmВх=0;
-RАх·(a+b)+Ft·b+Fм·с= 0;
RАх=(2431×0,03+972×0,094)/0,06;
RАх=2738,3Н
RАх»2738Н
Проверка
åmКх=0;
-RАх+
Ft- Fм+RВх=-2738+2431-972+1279=0
Назначаем характерные точки 1,2,2ё’,3 и 4 и определяем в них
изгибающие моменты:
М1х=0;
М2х= -RАх·а;
М2х=-2738·0,03:
Рис.11 Эпюры изгибающих и
крутящих моментов вала-шестерни
М2х=-82,2Нм;
М3х=- Fм
·с; М3х=-972·0,094; М3х=-8,65Нм
М4х=0;
Строим эпюру изгибающих моментов Мх.
Крутящий момент
ТI-I=0;
ТII-II=T1=Ft·d/2; ТII-II=2431×63×10-3/2; ТII-II=76,6Нм
6 Подбор подшипников
быстроходного вала
Исходные данные
n2=nII=481,5мин-1;
dп2=40мм;
RАy=536Н;
RАх=2738Н;
RBy=363Н;
RВх=1279Н;
Н.
Определяем радиальные нагрузки,
действующие на подшипники
;
;
Здесь подшипник 2 – это опора А в сторону
которой действует осевая сила Fа (см. рис.11).
;
;
Назначаем тип подшипника, определив отношение
осевой силы к радиальной силе того подшипника, который ее воспринимает (здесь
подшипник 2)
;
;
Так как соотношение меньше 0,35,
то назначаем шариковый радиальный однорядный подшипник легкой серии по dп2=40мм [1,c.217,
табл.9.22].
Подшипник № 208, у которого:
Dn1=80мм;
Вn1=18мм;
С0=17,8кН
– статическая грузоподъемность;
С=32кН – динамическая
грузоподъемность. [1,c.393, табл.П3].
Определяем коэффициент осевого
нагружения по отношению
.
;
;
При
е=0,19
[1,c.212, табл.9.18].
Так как меньших значений
отношения
нет ориентировочно считаем е=0,15
Проверяем выполнение неравенства
;
где V – коэффициент вращения, при
вращении внутреннего кольца V=1.
.
Определяем номинальную долговечность подшипников
в часах
[1,c.211]; (6.1)
Fэ=V×Fr2×Kd×Kτ; [1,c.212];
где Kd - коэффициент безопасности;
Kd =1,3…1,5 [1,c.214, табл.9.19];
принимаем Kd =1,5;
Kτ – температурный
коэффициент;
Kτ =1 (до
100ºС) [1,c.214,
табл.9.20];
Fэ=1×2790×1,5×1; Fэ=4185Н=4,185кН.
Подставляем в формулу (6.1):
;
ч.
По условию срок службы редуктора – 4 года в две
смены. Исходя из того, что в году 260 рабочих дней имеем:
Lзад=260×8×2×4; Lзад=16640ч:
Lзад>Lh.
Необходимо выбрать
подшипник средней серии по dп2=40мм [1,c.217, табл.9.22].
Подшипник № 308, у которого:
Dn1=90мм;
Вn1=23мм;
С0=22,4кН
– статическая грузоподъемность;
С=41кН – динамическая
грузоподъемность.
Подставляем в формулу (6.1):
;
ч.
Сейчас условие Lзад<Lh выполняется.
7 Подбор подшипников тихоходного
вала
Исходные данные
n3=nIII=160,5мин-1;
dп3=40мм;
RАy=714Н;
RАх=2003Н;
RBy=185Н;
RВх=544Н;
Н.
Определяем радиальные нагрузки,
действующие на подшипники
;
;
Здесь подшипник 2 – это опора А в сторону
которой действует осевая сила Fа (см. рис.6).
;
;
Назначаем тип подшипника, определив отношение
осевой силы к радиальной силе того подшипника, который ее воспринимает (здесь
подшипник 2)
;
;
Так как соотношение меньше 0,35,
то назначаем шариковый радиальный однорядный подшипник легкой серии по dп3=40мм [1,c.217,
табл.9.22].
Подшипник № 208, у которого:
Dn2=80мм;
Вn2=18мм;
С0=17,8кН
– статическая грузоподъемность;
С=32кН – динамическая
грузоподъемность. [1,c.393, табл.П3].
Определяем коэффициент осевого
нагружения по отношению
.
;
;
При
е=0,19
[1,c.212, табл.9.18].
Так как меньших значений
отношения
нет ориентировочно считаем е=0,15
Проверяем выполнение неравенства
;
где V – коэффициент вращения, при
вращении внутреннего кольца V=1.
.
Определяем номинальную долговечность подшипников
в часах
[1,c.211]; (6.1)
Fэ=V×Fr2×Kd×Kτ; [1,c.212];
где Kd - коэффициент безопасности;
Kd =1,3…1,5 [1,c.214, табл.9.19];
принимаем Kd =1,5;
Kτ – температурный
коэффициент;
Kτ =1 (до
100ºС) [1,c.214,
табл.9.20];
Fэ=1×2126×1,5×1; Fэ=3189Н=3,189кН.
Подставляем в формулу (6.1):
;
ч.
Условие Lзад<Lh выполняется.
8 Подбор и проверочный расчет шпонки быстроходного вала
Выбор и проверочный расчет шпоночных соединений проводим по
[4].
Рис.12 Сечение вала по шпонке
Для выходного конца быстроходного вала
при d=34 мм подбираем призматическую шпонку со скругленными торцами bxh=10x8 мм2
при t=5мм (рис.12).
При длине ступицы муфты lМ=82
мм выбираем длину шпонки l=70мм.
Материал шпонки – сталь 45 нормализованная. Напряжения смятия и условия
прочности определяем по формуле:
где Т – передаваемый момент, Н×мм;
ТII=76,7Н
lр – рабочая длина
шпонки, при скругленных концах lр=l-b,мм;
[s]см
– допускаемое напряжение смятия.
С учетом того, что на выходном конце быстроходного вала
устанавливается полумуфта из ст.3 ([s]см=110…190
Н/мм2) вычисляем:
Условие выполняется.
9 Подбор и проверочный расчет шпонок тихоходного вала
Для выходного конца тихоходного вала при d=34
мм подбираем призматическую шпонку со скругленными торцами bxh=10x8 мм2
при t=5мм. ТII=218,7Н
При длине ступицы муфты lМ=82
мм выбираем длину шпонки l=70мм.
С учетом того, что на выходном конце быстроходного вала
устанавливается полумуфта из ст.3 ([s]см=110…190
Н/мм2) и ТIII=218,7Н вычисляем:
Условие выполняется.
Для соединения тихоходного вала со
ступицей зубчатого колеса при d=45 мм подбираем призматическую шпонку со
скругленными торцами bxh=14x9 мм2 при t=5,5мм. При lст=50
мм выбираем длину шпонки l=40мм.
Материал шпонки – сталь 45
нормализованная. Проверяем напряжения смятия и условия прочности с учетом
материала ступицы чугуна СЧ20 ([s]см=70…100 МПа) и ТIII=218,7Н:

Условие выполняется.
Выбранные данные сведены в табл.3.
Таблица
3
Параметры шпонок и
шпоночных соединений
|
Параметр
|
Вал-шестерня -
полумуфта
|
Вал-полумуфта
|
Вал-колесо
|
|
Ширина шпонки b,мм
|
10
|
10
|
14
|
|
Высота шпонки h,мм
|
8
|
8
|
9
|
|
Длина шпонки l,мм
|
70
|
70
|
40
|
|
Глубина паза на валу t,мм
|
5
|
5
|
5,5
|
|
Глубина паза во втулке t1,мм
|
3,3
|
3,3
|
3,8
|
10 Выбор
системы и вида смазки.
Скорость скольжения в
зацеплении VS = 1.59 м/с. Контактные
напряжения sН = 482,7 Н/мм2.
По таблице 10.29 из [3] выбираем масло И-Т-Д-680.
Используем картерную
систему смазывания. В корпус редуктора заливаем масло так, чтобы венец
зубчатого колеса был в него погружен на глубину hм
(рис.12):
Рис.13
Схема определения уровня масла в редукторе
hм max £
0.25d2 = 0.25×183 = 46мм;
hм
min = 2×m =
2×2 = 4мм.
При вращении колеса масло будет увлекаться его зубьями,
разбрызгиваться, попадать на внутренние стенки корпуса, откуда стекать в нижнюю
его часть. Внутри корпуса образуется взвесь частиц масла в воздухе, которым
покрываются поверхности расположенных внутри корпуса деталей, в том числе и
подшипники.
Объем масляной ванны
V =
0.65×PII
= 0.65×3,866 = 2.5 л.
Контроль уровня масла
производится пробками уровня, которые ставятся попарно в зоне верхнего и
нижнего уровней смазки. Для слива масла предусмотрена сливная пробка. Заливка
масла в редуктор производится через съемную крышку.
И для
вала-шестерни, и для зубчатого колеса выберем манжетные уплотнения по ГОСТ
8752-79. Установим их рабочей кромкой внутрь корпуса так, чтобы обеспечить к
ней хороший доступ масла.
11 Сборка редуктора
Для редуктора принимаем
горизонтальную конструкцию разъемного корпуса, изготовленного литьем из серого
чугуна СЧ15. Устанавливаем зубчатую пару с подшипниками. Для предотвращения
задевания поверхностей вращающихся колес за внутренние стенки корпуса
внутренний контур стенок провести с зазором х=8…10мм [3]; такой же зазор
предусмотреть между подшипниками и контуром стенок. Расстояние между дном
корпуса и поверхностью колес принимаем
у³4х; у³(32…40)мм
Для малонагруженных редукторов (Т2£500Нм) определяем толщины стенок
крышки и основания корпуса
;
мм,
принимаем
мм.
Для крепления крышек подшипников
в корпусе и крышке предусматриваем фланцы. Крышки торцовые для подшипников
выбираем по табл.143 (глухие) и 144 (с отверстием для манжетного уплотнения) [2,
т.2, с.255].
Для быстроходного вала:
крышка торцовая глухая типа 2
исполнения 2 диаметром D=90мм ГОСТ18511-73;
крышка торцовая с отверстием для
манжетного уплотнения типа 1 исполнения 2 диаметром D=90мм
ГОСТ18512-73.
Для тихоходного вала:
крышка торцовая глухая типа 2
исполнения 2 диаметром D=80мм ГОСТ18511-73;
крышка торцовая с отверстием для
манжетного уплотнения типа 1 исполнения 2 диаметром D=80мм
ГОСТ18512-73.
Прорисовываем корпус и крышку
редуктора с учетом рекомендаций [3.с.219].
Устанавливаем верхнюю крышку на
винты и закручиваем пробки.
Список использованной литературы
1.
С.А.Чернавский и др. «Курсовое
проектирование деталей машин» М. 1987г.
2.
Анурьев В.И. Справочник
конструктора-машиностроителя: В 3 т. -8-е изд. перераб. и доп. Под ред.
И.Н.Жестковой. – М.: Машиностроение, 1999
3.
Шейнблит А.Е. Курсовое проектирование
деталей машин: Учеб. пособие. – М.: Высш. шк., 1991
4.
Чернин И.М. и др. Расчеты деталей машин.
– Мн.: Выш. школа, 1978