Исследование характеристик соединений звеньев
Агентство
по образованию Российской Федерации
Государственное
образовательное учреждение высшего профессионального образования
Томский
политехнический университет
Лабораторная
работа
Исследование
характеристик соединений звеньев
Томск,
2010
Задача 1
Определить характеристики в корневой, временной
и частотной областях последовательного соединения двух устойчивых
апериодических звеньев первого порядка с параметрами:
=4;
=0,1;
=2;
=0,3
Рассчитать параметры ПФ эквивалентного звена
второго порядка, записанного в виде:
.
· Какой вид имеет асимптотическая ЛАЧХ
соединения?
Асимптотическая ЛАЧХ имеет вид схожий с АЧХ
· Как изменяются временная и частотная
характеристики апериодического звена первого порядка при последовательном
включении второго звена того же типа?
При последовательном добавлении к
апериодическому звену первого порядка звена такого же типа, их АЧХ
перемножаются, ЛАЧХ и ФЧХ складываются. Временная характеристика на единичный
импульс затухает с некоторой задержкой, вызванной суммированием сигналов с
некоторыми коэффициентами.
· Какое из двух звеньев оказывает
основное влияние на длительность затухания переходного процесса?
Звено
имеет большую длительность
переходных процессов, т.к. постоянная времени равна
=0,3, а
постоянная времени
меньше, и
равна
=0,1.
Следовательно,
оказывает
большее воздействие на длительность переходного процесса затухания 
Задача 2
Определить характеристики в
корневой, временной и частотной областях последовательного соединения звеньев с
ПФ
,
.
Где,
=0,2;
=0,2;
=1,2;
=1.
·
Какому звену соответствует переходная и частотные характеристики соединения?
Переходная и частотные характеристики соединения
соответствуют устойчивому апериодическому звену первого порядка.
Задача 3
Определить характеристики в корневой, временной
и частотной областях звена с ПФ вида
=2;
=0,125;
=0,25
Преобразуем :
Значит, для компенсации правого
полюса (s = 2),
необходимо добавить в последовательное соединение звено с ПФ
Задача 4
Найти передаточную функцию Wi(s)
типовых звеньев, параллельные соединения которых описываются эквивалентными ДУ
вида:
)
)
Пусть k=2,
=0.5, ТИ=0.1:
)
Y(s)=k*F(s) + kTд*F(s)*s(s)=Y(s)/F(s)
= k +kTдs1(s)=k
=2;2(s)=kTдs=s;
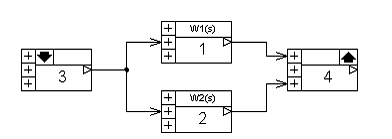
Рис.18 - Способ включения звеньев
для получения необходимой передаточной функции.
) Y(s) =
k*F(s)+(1/Tи)*F(s)/s;(s)
= Y(s)/F(s) = k+ 1/(sTи)1(s)=k =2;
W2(s)= 1/(sTи)=1/0.5s
Рис.19 - Способ включения звеньев
для получения необходимой передаточной функции.
3) Y(s) =
k*F(s)+(1/Tи)*F(s)/s+Тд*sF(s);(s)
= k+ 1/(sTи)+Tдs;1(s)=k
=2; 2(s)= 1/(sTи)=1/0.5s;3(s)=Tдs=0.5s
Рис.20 - Способ включения звеньев
для получения необходимой передаточной функции.