Производство сборных железобетонных изделий
ВВЕДЕНИЕ
Объединение и признание
мирового сообщества РФ как развитого государства также напрямую зависит от
наличия развитой инфраструктуры дорог. Принятие РФ в совет Европы и
обязательство по соблюдению европейских стандартов качества всё это говорит о том,
что необходимо развивать и повышать качество наших дорог. Одним из путей
повышения качества и долговечности является применение, шпал железобетонных
предварительно напряжённых в качестве подрельсового основания, на которые
происходит укладка бесстыкового пути. В результате данного инженерного решения
значительно возрастает: долговечность, полезная нагрузка пути, скорость
подвижного состава и т.д.
Реализация данного направления
требует решения многих основных и сопутствующих задач. В виду того, что железная
дорога является сложным, ответственным сооружением, железобетонная шпала
эксплуатируется на открытом воздухе воспринимая значительные переменные
динамические нагрузки от подвижного состава, и имеет сложную конструктивную
форму. Производство железобетонных предварительно напряжённых шпал невозможно
вне заводских условий, с высокой культурой производства. Железобетонная шпала
является материалоёмкой и энергоёмкой конструкцией, что затрудняет её
повсеместное использование. Необходимы исследования по улучшению качеств бетона
(морозостойкость, огнеупорность, жаростойкость, водостойкость,
трещиностойкость).
Необходимо повышать качество,
долговечность и понижать материалоёмкость и себестоимость для возможности
полной альтернативности деревянным шпалам. Для этого в первую очередь
необходимо внедрение высокой культуры производства и максимальной автоматизации
технологических операций.
1. ОБОСНОВАНИЕ ПРОИЗВОДСТВА
ПРОДУКЦИИ
Во время поиска материала для
выполнения, данного курсового проекта мною была обнаружена данная статья,
специализированной газеты “Гудок”, выпускаемая при поддержке МПС. На мой
взгляд, эта статья раскрывает проблематику вопроса и является необходимым
обоснованием производства шпал железобетонных предварительно напряжённых.
Дерево или железобетон?
Не так давно, поджидая
электричку на подмосковной станции, мне довелось стать свидетельницей спора
двух железнодорожников. Один из них горячо доказывал своему собеседнику, что
лучше деревянных шпал ничего не придумано - мол, и путь на них менее жесткий, и
чувствительность к ударам небольшая, да и в крутых кривых они незаменимы.
Второй с неменьшим жаром отстаивал железобетон, считая деревянные шпалы днем
вчерашним. К общему знаменателю они не пришли - каждый остался при своей точке
зрения.
А кто же все-таки прав,
подумала я и попыталась выяснить этот вопрос в научных кругах. Моим
консультантом стал заведующий отделом конструкций железнодорожного пути
комплексного отделения «Путь и путевое хозяйство» ВНИИЖТа, кандидат технических
наук Лев Крысанов.
Во всем мире оптимальными с
точки зрения обеспечения требуемой жесткости пути принято считать деревянные
шпалы, - начал разговор Лев Григорьевич. - Они обеспечивают хорошую упругость,
сцепление с щебеночным балластом, а также возможность изменения параметров рельсовой
колеи в крутых кривых с радиусом менее 350 метров. Кроме того, деревянные шпалы
обладают высокими диэлектрическими свойствами, сравнительно небольшой массой и
малой чувствительностью к колебаниям температуры и ударам. Наряду с такими
неоспоримыми достоинствами деревянные шпалы имеют и существенные недостатки,
которые «вынуждают» отечественные железные дороги делать ставки на железобетон.
В первую очередь это их
недолговечность. В напряженных эксплуатационных и сравнительно суровых
климатических условиях срок службы отечественных деревянных шпал, в основном
сосновых, составляет 12 - 17 лет. Увеличение срока использования достигается за
счет пропитки специальными масляными антисептиками, предохраняющими шпалы от
влажности, грибковых заболеваний и, как следствие, гниения. Однако со временем
защитные свойства утрачиваются. При этом смываемая дождями пропитка загрязняет
прилегающую к путям территорию, нанося тем самым урон природе. Вдобавок ко
всему встает и еще один вопрос: куда девать отслужившие свой срок деревянные
шпалы? Если железобетонные, «отработав» на главных путях 30 и более лет,
обретают вторую жизнь на станционных, подъездных и других путях, то вопрос
экологически чистой утилизации пропитанных креозотом деревянных шпал по сей
день остается открытым. Второй большой минус - для производства деревянных шпал
требуется дефицитная строевая древесина. Стоит отметить, что на 1 километр пути
расходуется около 2 гектаров леса в возрасте 80 - 100 лет! Конечно, наша страна
богата лесом, но дерево не растет быстро, да и добраться до него с каждым годом
становится все сложнее и сложнее, а значит, экономически невыгодно. Если в
советские времена деревянные шпалы стоили 4 рубля, а железобетонные - в 2,5 - 3
раза дороже, то сегодня они фактически сравнялись в цене. И, думаю, в будущем
«дерево» станет еще дороже. Третий не менее серьезный недостаток деревянных
шпал заключается в том, что они не способны обеспечить необходимую поперечную
устойчивость бесстыкового пути при значительных колебаниях температуры на территории
России. С этой точки зрения железобетонные шпалы практически незаменимы, о чем
говорит и неуклонно растущий объем их производства. Ежегодно в нашей стране в
ходе капитального и усилительного капитального ремонта на железобетонное
основание укладывается порядка третьей части всего пути. И около двух третей
всех путей уложено на «дереве». Но перед отраслью стоит задача в ближайшие годы
поменять это соотношение, а в будущем полностью отказаться от деревянных шпал,
для чего есть все основания. Кроме того, внедрение бесстыкового пути просто
обязывает к этому!
Безусловно, существует и
несколько «но», в частности скрепления, с помощью которых закрепляют рельсы на
шпалах. В прежние годы это был сдерживающий фактор, так как промышленность в
силу некоторых обстоятельств не выпускала их в достаточном объеме. Сейчас все
упростилось: сколько заказываешь, столько и сделают! Наука тоже не стоит на
месте - появились современные скрепления, позволяющие обеспечить продольную
устойчивость рельсов за счет упругого прижатия. Это и ЖБР-65, и АРС-4, на
которых уже сейчас уложено порядка двух тысяч километров пути. В настоящее
время специалистами нашего отдела разрабатываются новые, так называемые
безрезьбовые скрепления.
Еще одним препятствием для
широкого использования железобетонных шпал до настоящего времени являлись
крутые кривые с радиусом менее 350 метров, что особенно характерно для
Забайкальской, Южно-Уральской и некоторых других магистралей. Это было связано
с тем, что на таких кривых требуется уширение колеи, а типовые железобетонные
шпалы выпускаются только для ширины 1520 мм. Сейчас разработаны конструкции
железобетонных шпал для ширины колеи 1530 и 1535 мм с промежуточными размерами,
предусматривающими переход от прямых участков пути в кривые. Помимо этого, в
процессе разработки шпалы с увеличенным поперечным сопротивлением испытывается
вариант подкладочных скреплений для крутых кривых, которые позволят усилить
сопротивление пути действующим здесь поперечным силам.
Еще одним препятствием к
применению бесстыкового пути на железобетонных шпалах была необходимость
перехода на «дерево» на стрелочных переводах. Сейчас есть возможность устранить
и этот недостаток, так как разработаны и внедряются стрелочные переводы на
железобетонных брусьях.
Главной же проблемой
существующей конструкции бесстыкового пути на железобетонных шпалах является
наличие уравнительных пролетов, то есть стыков на железобетонных шпалах. Но
переход на сварные плети увеличенной длины - до перегона и более - с вваренными
стрелочными переводами позволяет иметь действительно «бархатный» бесстыковой
путь. С моей точки зрения, будущее за бесстыковым путем, а значит, все же за
железобетонными шпалами! И возврата назад нет, да и ни к чему возвращаться!
Необходимо просто решить главную задачу, а именно создать скрепления, которые
позволят без ограничений применять железобетонные шпалы в северных и восточных
районах страны. /Наталья ШУТОВА./
Необходимо добавить, что в
Дальневосточном регионе имеется масса железнодорожного пути, здесь проходит
транссибирская магистраль. Все исследователи сходятся в том, что данный регион
в грядущем веке будет обеспечивать ресурсами не только нашу страну, но и
мировое сообщество, а это в свою очередь спровоцирует бурное развитие
автомобильных и железных дорог, соединяющих сеть добычи, переработки и доставки
потребителю. На данный момент в Хабаровском крае не отмечено значительных
производственных мощностей выделенных в отдельную отрасль по производству шпал
железобетонных предварительно напряжённых для железных дорог. Имеющиеся производственные
мощности носят сопутствующий характер рассчитанные на собственные нужды
предприятия.
Не смотря на отсутствие
производственных мощностей, железобетонные шпалы активно используются
железнодорожниками города Хабаровска в городской черте, пригородных магистралях,
при строительстве железнодорожных мостов/тоннелей и подъездных путей.
шпала железобетонный
бетоносмесительный
2. ТЕХНОЛОГИЧЕСКАЯ ЧАСТЬ
2.1 Номенклатура и
характеристика продукции
Отечественный и зарубежный опыт эксплуатации
железобетонных шпал, в качестве подрельсового основания, доказывает их
преимущество по сравнению с деревянными. Однако суровые климатические условия в
сочетании с более значительными осевыми нагрузками от колесных пар при
увеличенной ширине колеи определяют возрастающие требования к качеству
отечественных железобетонных шпал.
Специфические условия эксплуатации, особенности
структуры и свойств бетона и железобетона, конфигурация изделия и способ
армирования во многом предопределяют срок служба изделий из бетона с
проволочной арматурой, в том числе железобетонных шпал.
Наблюдения за шпалами, лежащими в пути, в
разнообразных условиях эксплуатации, а также экспериментальные исследования
позволили сделать вывод о том, что в подавляющем большинстве случаев разрушение
железобетонных шпал начинается с торца. При этом выход настолько велик, что
ставит под сомнение предполагаемые сроки службы шпал.
В одних источника указано, что ориентировочный
срок службы железобетонных шпал 70-80 лет. В других источниках приводится более
скромная цифра 40-50 лет. Железобетонные шпалы укладывают в путь только при
соответствии их определенным нормативным требованиям ГОСТ 10629-88 /7/ к
кубиковой прочности, морозостойкости и трещинностойкости контрольных изделий.
Но прочность и морозостойкость бетона железобетонных шпал значительно
отличается от показателей для контрольных кубов уже потому, что в шпалах
усугубляется влияние неоднородной гетерогенной структуры. Другими словами ГОСТ
10629-88 не отражает в полной мере требований к производимой конструкции и в
данной курсовой работе мною была сделана ориентировка на труды Харьковского
института инженеров железнодорожного транспорта имени С.М. Кирова, ужесточающие
требования по ряду показателей, а следовательно не противоречащих ГОСТ
10629-88.
Шпалы в зависимости от типа рельсового
скрепления подразделяют на:
Ш1 - для раздельного клемно-болтого рельсового
скрепления (типа КБ) с болтовым прикреплением прокладки к шпале;
Ш2 - для нераздельного клемно-болтого рельсового
скрепления (типа БПУ) с болтовым прикреплением прокладки или рельса к шпале.
/7/
Форма и размеры шпал должны соответствовать
указанным в таблице 2.1 и чертежам, показатели материалоёмкости приведены ниже.
Таблица 2.1 - Марочные размеры шпал
железобетонных по ГОСТ 10629-88
|
Марка
шпалы
|
Расстояние
между упорными кромками разных концов шпалы а, мм
|
Расстояние
между упорными кромками одного конца шпалы а1, мм
|
Расстояние
между осями отверстий для болтов а2, мм
|
Расстояние
между осью отверстия и упорной кромкой а3, мм
|
Угол
наклона упорных кромок
|
Направление
большей стороны отверстия для болта относительно продольной оси шпалы
|
|
Ш1-1
|
2012
|
404
|
310
|
55°
|
поперечное
|
|
Ш1-2
|
2000
|
392
|
310
|
41
|
72°
|
поперечное
|
|
Ш2-1
|
2012
|
404
|
236
|
84
|
55°
|
продольное
|
Показатели материалоёмкости шпал, изготовленных
по типовой поточноагрегатной технологии в десятигнёздных формах (без учёта
технологических и производственных потерь за пределами формы) по ГОСТ 10629-88:
объём бетона на одну
шпалу............. 0,108 м3
расход стали на 1 м3 бетона:
напрягаемой проволоки диаметром 3
мм..........62,2 кг
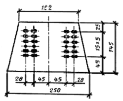
1 - закладная шайба; 2 -
проволочная арматура
Рисунок 2.1 - Чертёж шпалы
железобетонной предварительно напряжённой для железных дорог колеи 1520 мм на
торце шпалы в среднем сечении шпалы

Рисунок 2.2 -