Технологическая карта на производство земляных работ

  • Вид работы:
    Курсовая работа (т)
  • Предмет:
    Строительство
  • Язык:
    Русский
    ,
    Формат файла:
    MS Word
    1000,12 Кб
  • Опубликовано:
    2012-11-19
Вы можете узнать стоимость помощи в написании студенческой работы.
Помощь в написании работы, которую точно примут!

Технологическая карта на производство земляных работ

Факультет сельскохозяйственного строительства









Курсовая работа

«Технологическая карта на производство земляных работ»

по дисциплине: Технология строительного производства

Вариант №25

Код задания №32198761

Выполнил студент группы 095132

Ивченко Илона Александровна

Проверил

Преподаватель кафедры АиСП

Золотов Виталий Михайлович

Введение

Строительное производство - совокупность производственных процессов, осуществляемых на строительной площадке, включая строительно-монтажные и специальные процессы, с целью создания строительной продукции, под которой подразумеваются отдельные части строящихся объектов, построенные, реконструированные, капитально отремонтированные здания и комплексы. Строительное производство в свою очередь объединяет две подсистемы - технологию строительного производства и организацию строительного производства.

Технология строительного производства - это наука о методах выполнения строительных процессов, способах возведения, ремонта и реконструкции зданий и сооружений. Т.о. технология строительного производства является материально технической составляющей строительного производства.

Целью технологического проектирования является разработка оптимальных технологических и организационных условий для выполнения строительных процессов, обеспечивающих выпуск строительной продукции в намеченные сроки при минимальном использовании всех видов ресурсов.

Оптимальное решение строительного процесса - это нахождение наилучших из сочетаний параметров и вариантов процесса. Для этого производят необходимые расчёты, составляют спецификации и калькуляции, выполняют чертежи, схемы и графики. Разработку строительных процессов оформляют в виде технологических нормалей, технологических карт, карт трудовых процессов строительного производства, которые входят составной частью в проект производства работ (ППР).

Данная технологическая карта разработана на производство земляных работ, выполнена в соответствии с индивидуальным техническим заданием и содержит в своем составе все необходимые разделы.

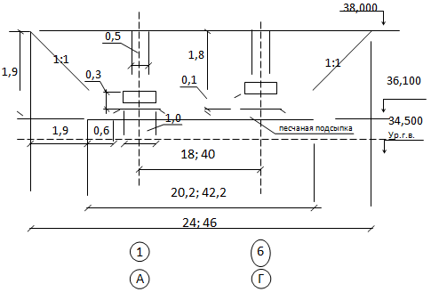
Технологическая карта составлена на разработку котлована шириной 18,0 м, длиной 40,0 м, глубиной 1,9 м одноковшовым экскаватором с гидравлическим приводом обратная лопата марки JCB JS 130W, с отвозкой грунта автосамосвалами МАЗ-551605-271 на расстояние 12,9 км. Фундамент монолитный ленточного типа. Глубина залегания грунтовых вод - 3,5 м.

Рельеф местности спокойный. Грунт второго класса (класс природных дисперсных грунтов)[1], группа Iм (мерзлый песок  с примесью щебня, гравия, гальки или строительного мусора до 10 % по объему) со средней плотностью 1600 кг/м3. Растительный слой толщиной 25 см подлежит срезке бульдозером С-10 Proffi и перемещению за пределы котлована с погрузкой в автосамосвалы и вывозом к месту складирования.

Обратная засыпка пазух котлована выполняется тем же бульдозером, что и при срезке  растительного слоя. Засыпка пазух разравнивается и уплотняется.

Работы производятся в зимнее время при средней температуре воздуха -8,3ºС  в одну 10-ти часовую смену.

Разработка исходных данных

Габариты здания и шаг колонн:

·    Ширина здания в осях А-Г 18,0 (6,0*3);

·        Длина здания в осях 1-6 40,0 (8,0*5).

Размеры ленточного фундамента для жилого здания:

·    Ширина подошвы фундамента под наружные стены, a, 1,0 м;

·        Ширина фундамента под наружные стены, b, 0,5 м;

·        Ширина подошвы фундамента под  внутренние стены, c, 0,9 м;

·        Ширина фундамента под внутренние стены, d, 0,4 м;

·        Высота подошвы фундамента, g, 0,30 м.

Глубина заложения подошвы фундамента 1,8 м

Уровень грунтовых вод 3,5 м

Отметка поверхности земли 34,0 м

Глубина рыхления мерзлого грунта 0,7 м

Способ рыхления мерзлого грунта: разработка бульдозером-рыхлителем

Дальность транспортировки грунта 12,9 м

Вид грунта: песок

Определение размеров котлована под фундамент здания

Размеры котлована по низу определяют с учетом требований СНиП [2]. Согласно СНиП 3.02.01-87 п.3.2 расстояние от подошвы откоса до ближайшего элемента сооружения принимают 0,6 м с каждой стороны (по условиям техники безопасности и удобства работ). Размеры котлована по низу определяют по формуле:

LH=L+a+2f                                                                                     (1)

BH=B+a+2f                                                                                              (2)

Где LH - длина котлована по низу, м;

BH - ширина котлована по низу, м;

L - длина здания, м;

В - ширина здания, м;

а - ширина подошвы фундамента под наружные стены, м;

f - расстояние от подошвы откоса до ближайшего элемента котлована, м.

LH= 40 + 1 + (2*0,6)=42,2 м

BH=18 + 1 + (2*0,6)=20,2 м

Рис.1. Схема для определения размеров котлована

Длину и ширину котлована по верху принимают с учетом заложения откоса (е=m*HK) в зависимости от вида грунта и глубины котлована:

LВ=LН+2m*HK                                                                              (3)

BВ=BН+2m*HK                                                                              (4)

Где  LВ - длина котлована по верху, м;

BВ - ширина котлована по верху, м;

HK - требуемая глубина котлована, м;

m - коэффициент откоса, принимаемый за 1.

HK=hФ+hП                                                                                     (5)

Где hФ - глубина заложения фундаментов, м;

hП - толщина подготовки под фундамент, принимаем за 0,1 м.

Расчетную глубину котлована определяют:

Hр=НК+hН                                                                                    (6)

Где hН - величина недобора грунта, принимаемая за 0,15 м.

HK= 1,8 + 0,1= 1,9 м

Hр= 1,9 + 0,15=2,05 м

LВ= 42,2 + 2*1*1,9=46 м

BВ=20,2 + 2*1*1,9=24 м

Фундамент жилого здания ленточный и в строящемся здании запроектирован подвал, значит, котлован разрабатывается под всем зданием.

Объем грунта в котловане под фундамент здания с прямоугольными основаниями, имеющего откосы с четырех сторон определяем по формуле:

VK=HK/6*[(BН * LН) + (BВ * LВ) + (BН +LН) * (BВ + LВ)]         (7)

VK=1,9/6*[(20,2 * 42,2) + (24 * 46) + ( 20,2+42,2) * (24+46)]=2008 м3

Объем грунта во въездной и выездной траншее определяют по выражению:

VВ= HK2*[3*k + 2*m* HK* (m’-m)/m’]* (m’-m)/6                         (8)

k - ширина въезда, выезда принимается за 6 м, так как двустороннее движение транспорта;

m’ - откоса (уклона) въездной и выездной траншеи принимается как  1:12.

VВ= 1,92*[3*6 + 2*1* 1 ,9* (12-1)/12 ]* (12-1 )/6=13 м3

Срезка растительного слоя

До начала работ по срезке растительного слоя нужно очистить участок от леса, кустарника и крупных камней; перенести при необходимости имеющиеся подземные коммуникации, опоры воздушных линий электропередач, радио и связи; обеспечить своевременную заправку механизмов горючесмазочными материалами; вынести оси и обозначить границы площадки (трассы) производства работ; указать места отсыпки отвалов растительного грунта.

Растительный слой грунта следует срезать и собирать в отвалы, которые располагаются по краям полосы отвода или на специальных площадках, до начала земляных работ.

Срезанный слой используется для укрепления откосов земляного полотна и резервов.

Нормами учтена срезка грунта при отсутствии корней кустарника за один-два прохода по одному следу на глубину до 15 см. При наличии корней кустарника и деревьев - за два-три прохода по одному следу на общую глубину до 25 см.

К работе допускаются рабочие, прошедшие инструктаж по технике безопасности. Все мероприятия должны производиться в соответствии с правилами охраны труда по СНиП [3].

Каждый цикл бульдозера по срезке растительного грунта производится в следующей технологической последовательности:

опускание отвала и установка его в требуемое положение;

зарезание и заполнение отвала грунтом;

перемещение грунта растительного слоя к месту укладки;

разгрузка (укладка) грунта растительного слоя в отвал;

возвращение бульдозера в забой.

Для уменьшения времени цикла обычно объединяют операции:

подъёма отвала с разгрузкой и разравниванием грунта;

опускания отвала с переключением передачи трактора и началом движения бульдозера задним ходом.

Площадь участка строительства разбивают на две захватки. Сначала бульдозер срезает грунт растительного слоя на одной захватке и транспортирует его в ближайший отвал, путь перемещения грунта выбирается по кратчайшему расстоянию, поверхность пути перемещения следует предварительно выровнять бульдозером.

Срезка растительного слоя выполняется гусеничным бульдозером С-10 Proffi тягового класса 10, изготовленного на Челябинском тракторном заводе. Погрузка растительного слоя осуществляется экскаватором JCB JS 130W, оборудованным обратной лопатой, данный экскаватор задействован и на разработку грунта в котловане. Транспортировка грунта осуществляется автосамосвалами МАЗ-551605-271, которые далее вывозят лишний грунт за пределы строительной площадки.

Предохранение от промерзания заключатся: в рыхлении грунта бульдозером-рыхлителем на глубину 0,7 м, закрытии местными теплоизоляционными материалами (листва, хвоя, опилки и т.п.) и устройством снегозадержания.

Рыхление мерзлого грунта

котлован фундамент здание земляной

Разработку грунта в зимних условиях будем осуществлять методом разработки грунта в мерзлом состоянии с предварительным рыхлением бульдозером-рыхлителем С-10 Proffi на глубину промерзания 0,7 м.

Описание бульдозера-рыхлителя С-10 Proffi

Трактор С-10 выполнен с применением узлов и агрегатов ведущих зарубежных производителей - итальянской гидравлики, бельгийской трансмиссии и бортредукторов из Германии.

Бульдозерно-рыхлительный агрегат предназначен для выполнения широкого комплекса землеройных работ в строительстве на грунтах I-IV категории, в том числе на мерзлых и разборно-скальных грунтах, при температуре окружающего воздуха от -50 до +45 градусов

Рис.2. Бульдозер-рыхлитель С-10 Proffi

Технические характеристики бульдозера-рыхлителя С-10 Proffi

Двигательные характеристики

Двигатели бульдозера

DEUTZ BF6M2012C Евро 2


Эксплуатационная мощность, кВт (л.с.)

136 (185)


Максимальный крутящий момент, кГс-м

72


Часовой расход топлива при 60% загрузке, кг/ч

20

Эксплуатационная масса

Трактор, кг

15600


Бульдозер с бульдозерно-рыхлительным оборудованием, кг

19200

Трансмиссия

Тип

Гидромеханическая с электрогидравлическим управлением, работающей в ручном и автоматическом режимах

Ходовая система

Механизм натяжения гусениц

гидравлический

Бульдозерное оборудование

Тип отвала

Полусферический


Ширина/Высота отвала, мм

3310/1310


Масса, кг

2500

Рыхлительное оборудование

Тип рыхлителя

Однозубый


Заглубление, мм, макс

650


Масса, кг

1200


Подбор марки экскаватора

Объем грунта в котловане находится в диапазоне от 2000 до 8000 м3, рекомендуемый объем ковша экскаватора около 0,65 м3.

Будем использовать колесный экскаватор JCB JS 130W (обратная лопата) с гидравлическим приводом.


Технические характеристики

Показатели

Двигатель

Isuzu A4GIT-S2

Эксплуатационная  масса

14,5 тонн

Мощность двигателя

62 кВт (94 л.с.)

Скорость транспортная

35 км/ч

Объем ковша

0,63 м3

Глубина копания

5,26 м

Высота копания

9,19 м

Радиус копания

7,98 м



Параметры экскаватора JCB JS 130W

Рис.3. Экскаватор JCB JS 130W

A

внутреннее расстояние между спаренными колесами

1330 мм

B

внешняя ширина по спаренным колесам

2490 мм

C

дорожный просвет

350 мм

D

расстояние до центральной оси спаренных колес

556 мм

E

общая ширина

2410 мм

F

общая высота

3150 мм

G

длина задней части

2530 мм

H

просвет под противовесом

1240 мм

I

высота стрелы

3040 мм

J

габаритная длина

7500 мм


Оптимальные рабочие параметры:

R0=0,9*Rmax

R0=0,9*7,98=7,2 м

Диаграмма основных технических параметров одноковшового экскаватора.

Рис.4. Экскаватор JCB JS 130W

Параметры

A

Максимальный вылет (Rmax)

7980 мм

B

Максимальный вылет (на уровне земли) (R0)

7745 мм

C

Наибольшая глубина копания

4775 мм

D

Максимальная высота копания

9185 мм

E

Наибольшая высота погрузки

6780 мм

F

Наибольшая глубина резания

4200 мм

G

Минимальный радиус поворота

2500 мм


Разработка грунта в котловане экскаватором, оборудованным обратной лопатой

При производстве работ по разработке мерзлого грунта сезонного промерзания экскаватором обратная лопата с погрузкой в автосамосвалы должны соблюдаться требования СНиП [2], СНиП [6],  <#"579848.files/image005.gif">

Рис.5. Закрепление грунтов методом селикатизации

Для закрепления грунта, повышения прочности, придания грунту водонепроницаемости и устойчивости его необходимо искусственно закрепить. Для данного типа грунта - песка - применяется силикатизация, последовательное нагнетание в грунт водного раствора силиката натрия и ускорителя твердения (хлористого кальция). В грунт последовательно нагнетается под давлением раствор жидкого стекла хлористого кальция, которые в результате химической реакции образуют нерастворимое вещество, прочно соединяющее в единый монолит примыкающий естественный грунт.

Закрепление следует выполнять при положительной температуре грунтов. Все скважины в закрепляемом массиве после их использования по назначению обязательно подлежат ликвидации путем заполнения стабильным цементационным раствором. Контрольные шурфы должны быть ликвидированы обратной засыпкой и закреплены тем же способом, что и при производстве основных работ.

При приемке законченных работ по закреплению грунтов должно быть установлено соответствие фактически полученных результатов закрепления с требованиями проекта. Учитывая скрытый характер работ, указанное соответствие устанавливается сопоставлением проектно-сметной, исполнительной и контрольной документаций.

Выбор вида и количества транспортных средств для вывоза грунта

При расстоянии транспортировки грунта свыше 200 м используются автосамосвалы.

Работы будет производить автосамосвал МАЗ-551605-271, предназначенный для перевозки различных сыпучих грузов.

 

Технические характеристики

Грузоподъемность, т

20

Объем кузова, м3

12,5

Двигатель

ЯМЗ-238ДЕ2

Мощность двигателя, кВт (л.с.)

242 (330)

Масса снаряженного автомобиля, т

13


Количество единиц техники N для транспортировки грунта определяется из условия обеспечения бесперебойной работы экскаватора и автосамосвалов.

N=Пэ*tц/60*q                                                                                 (10)

Где Пэ  - выработка экскаватора, м3/час;

tц - время цикла движения одного автосамосвала, минуты;

q - вместимость кузова автосамосвала, м3.

Пэ=100 м3/Нвр                                                                               (11)

Пэ=100/2,1=47,6 м3/час

Где Нвр - норма времени работы экскаватора с погрузкой земли в транспортное средство, принимаемая за 2,1 [5].

q=Q/                                                                                               (12)

q=20/1,6=12,6 м3

где Q - грузоподъемность автосамосвала, т;

ϒ - плотность грунта, т/м3. Плотность песка примем за 1,6 т/м3.

tц=tп+tр+tм+tдв                                                                             (13)

tп - время погрузки автосамосвала, минуты;

tр - время разгрузки автосамосвала, принимается за 1,5 минуты;

tм - время маневрирования автосамосвала на площадке выгрузки, принимается за 2,5 минуты;

tдв - время движения автосамосвала к месту выгрузки и обратно, минуты.

tп=60*q/ Пэ                                                                                     (14)

tдв=2*L*60/ Uср  (15)

tп=60*12,6/47,6=16 мин

tдв=2*12,9*60/40=39 мин

tц=16+1,5+39+2,5=59 мин

N=47,6*59/(60*12,6)=3,7

Примем количество за 4.

L - расстояние, на которое транспортируется грунт, км;

Uср - средняя скорость движения автосамосвала, км/час.

Средняя скорость движения самосвалов по дорогам с различным покрытием, км/ч

Тип покрытия дороги

Дальность перевозки, км


Более 10

Асфальт, бетон, ж/б, сборные плиты (50% полотна)

45

Щебеночное и гравийное (50% полотна)

35


Средняя скорость самосвала (35+45)/2=40 км/ч.

Время простоя автосамосвала, tпр, мин определяется:

tпр=(tп*N)- tц                                                                                 (12)

tпр= (16*4)-59=5 мин

Рациональность использования экскаватора с рекомендованной емкостью ковша подтверждается подсчетами. При работе с более емким ковшом (1,19 м3)  Пэ=41,7 м3/час, тогда время цикла составит 61 мин, а время простоя при четырех машинах - 11 мин. Таким образом, экскаватор с небольшим ковшом более маневренный, быстрый и экономичный для данного типа грунта.

Планировка дна котлована бульдозером и вручную

Отрывка котлована с помощью экскаватора, оборудованного обратной лопатой, не может обеспечить отрывку на заданную рабочую отметку НК. Поэтому при работе экскаватора предусматривается «недобор» грунта. Толщина «недобора» грунта для экскаватора, оснащенного ковшом со сплошной режущей кромкой, с гидравлическим приводом составляет 10 см [2]. После завершения работы экскаватора производится планировка дна котлована с помощью бульдозера,  который использовался для срезки растительного слоя, а под подошвами фундамента грунт зачищается вручную.

Бульдозер опускается на дно котлована по въездной траншеи. Траншея подготавливается экскаватором во время его работы по отрывке котлована.

Состав работ определяется по ЕНиР § Е2-1-5. Срезка растительного слоя бульдозерами: 1. Приведение агрегата в рабочее положение; 2. Срезка грунта; 3. Подъем и опускание отвала; 4. Возвращение порожняком.

Зачистка дна котлована вручную позволяет окончательно выйти на рабочую отметку дна котлована. Работы ведутся по визирочным отметкам со срезкой неровностей толщиной до 10 см.

После зачистки дна вручную котлован считается отрытым и можно приступать к установке фундамента.

Расчет объемов земляных работ

Определение объема работ при снятии растительного слоя

Снятие растительного слоя производится по всей площадке, которая отводится под строительную площадку.

Объем работ по снятию растительного слоя определяется по выражению:

VPC=FPC*hPC                                                                              (17)

VPC=1118*0,25=280 м3

Где FPC - площадь снятия растительного слоя, м2;

hPC - толщина строительного слоя, принимается за 0,25 м.

FPC=LB*BB                                                                                   (18)

FPC=24,0*46,0=1118 м2

Определение объема работ при рыхлении мерзлого грунта

Рыхление мерзлого грунта производится по всей площади будущего котлована.

Объем разрыхляемого грунта определяется по формуле

VPГ=FК,В*hPГ                                                                              (19)

VPГ=24,0*46,0*0,7=783 м3

Где FК,В - площадь котлована по верху, м2;

hPC - глубина, на которую производится рыхление мерзлого грунта, принимаем 0,7 м.

Определение объема работ при отрывке котлована

При разработке грунт разрыхляется, что приводит к увеличению объема вследствие первоначального разрыхления, а при устройстве обратных засыпок и механизированного уплотнения грунт не занимает того естественного объема, которое занимал  до разработки, сохраняя остаточное разрыхление.

Объем обратной засыпки для здания определяется:

VОЗ= V1ОЗ +V2ОЗ                                                                       (20)

VОЗ= 572+542=1114 м3

V1ОЗ - объем обратной засыпки пазух котлована, м3

V2ОЗ - объем обратной засыпки на дно котлована (подготовка под пол фундамента), м3

V 1ОЗ=VK-VЗ                                                                                (21)

V 1ОЗ=2008-1436=572 м3

Где VЗ - объем здания (подземная часть), м3

VЗ=(B+a)*(L+a)*(g+hП) + (B+b)*(L+b)*(HK-g-hП)                       (22)

З=(18+1)*(40+1)*(0,3+0,1) + (18+0,5)*(40+0,5)*(1,9-0,3-0,1)=1436 м3

Где В - ширина здания в осях, м;

L - длина здания в осях, м;

а - ширина подошвы фундамента под наружные стены, м;

b - ширина фундамента под наружные стены, м;

g - высота подошвы фундамента, м;

hП - толщина подготовки под фундамент, м;

HK  - требуемая глубина котлована, м.

V2ОЗ=(B-a)*(L-a)*(g+hП) + (B-b)*(L-b)*(hОЗ-g-hП)                     (23)

2ОЗ=(18-1)*(40-1)*(0,3+0,1) + (18-0,5)*(40-0,5)*(0,8-0,3-0,1)=542 м3

Где hОЗ - высота обратной засыпки, принимается за 0,8 м.

Объем отвала:

VОТВ=VОЗ* (1+КПР)                                                                   (24)

VОТВ=1114*(1+0,12)=1248 м3

Где КПР - коэффициент первоначального разрыхления, равен 12%.

Рис.6. Разрез котлована с указанием пути движения экскаватора

ВОТВ=2*hОТВ* mОТВ                                                                 (25)

ВОТВ=2*2,5*1=5 м

Где hОТВ - ориентировочная высота отвала, без корректировки по рабочим параметрам экскаватора, примем за 2,5 м;

mОТВ - коэффициент заложения насыпных откосов, равен 1.

Создаем 2 промежуточных отвала, так как экскаватор не может перемещать грунт в отвал со своей стоянки, а бульдозер переместит грунт в отвал, находящийся за пределами котлована.

Определение объема работ при зачистке дна котлована бульдозером

С помощью бульдозера производится зачистка дна котлована до требуемой рабочей отметки на толщину «недобора» грунта.

Объем недобора грунта рассчитывается по формуле:

VН=FK,H* hH                                                                                (26)

VН=42,0*20,0*0,15=128 м3

Где FK,H - площадь котлована по низу, м2;

hH - толщина «недобора» грунта равна 0,10 м [2].

Определение объема работ при транспортировке грунта за пределы

строительной площадки

Объем вывозимого грунта за пределы строительной площадки в зимний период определяется по формуле:

VВГ=(VK  - VH)*(1+КПР)                                                            (27)

VВГ=(2008-128)*(1+0,12)=2105 м3

Определение объема работ при зачистке дна котлована вручную

Вручную зачищается грунт под подошвами фундамента, что позволяет «выйти» на необходимую рабочую отметку дна котлована с минимальной погрешностью.

Объем грунта, зачищаемого вручную, находим по формуле:

VРП=FФ* hРП                                                                               (28)

VРП= 207,8*0,06=12,5 м3

Где FФ - площадь подошвы фундамента под наружные и внутренние стены, м2;


Ведомость объемов земляных работ

Наименование строительных процессов

Единица измерения по ЕНиР сб.2

Кол-во единиц измерения

Срезка растительного слоя грунта I категории бульдозером-рыхлителем С-10 Proffi

М2

280

Рыхление мерзлого грунта I категории тем же бульдозером

М3

783

Разработка грунта в котловане с въездной траншеей экскаватором JCB JS 130W (обратная лопата) с емкостью ковша 0,63 м3 с погрузкой в транспортное средство

М2

1248

Обратная засыпка пазух котлована бульдозером

м3

1114

Планировка грунта в котловане бульдозером с транспортированием на расстояние 12,9 км

М2

128

Зачистка дна котлована вручную

М2

12,5


Калькуляция трудовых затрат

Нормы времени для различных процессов определяются  по «Единым нормам и расценкам» [5], которые содержат данные о составе звена, состав работ, технических характеристиках машин, единице измерения объема (количества0 работ, поправочных коэффициентах к нормам времени и расценкам.

При техническом нормировании строительных процессов устанавливают следующие нормы:

норма времени (Нвр, чел.-ч) - время, необходимое для создания единицы продукции заданного качества одним рабочим в условиях правильной организации труда и с соблюдением технологии выполнения процесса;

норма машинного времени (Нм.вр, Маш.-ч) - время работы машины для получения единицы продукции в условиях максимального использования эксплуатационной производительности данной машины;

норма выработки (Нвыр, ед.продукции/ед.времени) - количество доброкачественной продукции, полученное за единицу времени при тех же условиях, что и при назначении нормы времени:

Нвыр=1/Нвр                                                                                   (29)

Трудоемкость работ - это затраты труда (времени) для выполнения определенного объема работ. Она определяется при составлении калькуляции трудовых затрат.

Трудоемкость работ Q чел-см (маш-см) определяем по следующим формулам:

Q=Нвыр*V/tсм                                                                               (30)

Где Hвр - нормы времени по ЕНиР для людей и механизмов;

V - объем работ - количество единиц, на которую рассчитаны Нвр;

tсм=10 час - продолжительность смены.

Калькуляция трудовых затрат в приложении.

Календарный план производства земляных работ

Календарный план на производство земляных работ (см. в приложении) показывает последовательность выполнения отдельных  процессов и взаимосвязь их между собой при выполнении комплекса работ на площадке, используя данные калькуляции трудовых затрат, состав звена и стоимость работы.

Число рабочих смен - 1. Продолжительность работ (ТН) вычисляем по формуле:

ТН=Q/nРАБ                                                                                  (31)

Где Q - трудоемкость работ, чл-см;

nРАБ - численность рабочих в смену.

Контроль качества земляных работ

При приемке земляных работ контролируется:

наличие технической документации;

качество грунтов и их уплотнение;

форма и расположение земляных сооружений, соответствие отметок, уклонов, размеров проектным.

При сдаче земляных работ предъявляется следующая документация:

ведомости постоянных реперов и акты геодезической разбивки сооружений;

рабочие чертежи с документами, обосновывающими принятые изменения, журналы работ;

акты освидетельствования скрытых работ;

акты лабораторных испытаний грунтов и материалов, применяемых при сооружении насыпей, для крепления откосов и др.

Акт сдачи-приемки законченных земляных сооружений должен содержать: перечень использованной технической документации при выполнении работ; данные о топографических, гидрологических и грунтовых условиях, при которых были выполнены земляные работы; указания по эксплуатации сооружений в особых условиях; перечень недоделок, не препятствующих эксплуатации сооружения, с указанием срока их устранения.

Плодородный слой почвы в основании насыпей и выемок до начала основных земляных работ должен быть снят в размерах, установленных в ППР, и перемещен в отвалы для последующего использования его при рекультивации.

Допускается не снимать плодородный слой:

при толщине плодородного слоя менее 10 см;

на заболоченных и обводненных участках.

Разработка выемок, вертикальная планировка

Размеры выемки должны обеспечивать размещение конструкций и механизированное производство работ, а также возможность перемещения рабочих в пазухе, ширина которой должна быть н менее 0,6 м. Размеры выемок по дну должны быть не менее установленных проектом.

Выемки в грунтах, кроме валунных и скальных, следует разрабатывать, как правило, до проектной отметки с сохранением природного сложения грунтов основания. Допускается разработка выемок в два этапа: черновая и окончательная (непосредственно перед возведением конструкции).

Выполнение переборов выполняется местным грунтом с уплотнением до плотности грунта естественного сложения.

При обнаружении коммуникаций, не указанных в проекте, земляные работы приостанавливаются для принятия мер по предохранению их от повреждения вместе с эксплуатирующей организацией или представителем заказчика. Разработка выемок в пределах охранных зон допускается с письменного разрешения эксплуатирующей организации.

При разработке грунтов, содержащих негабаритные включения, должны быть предусмотрены мероприятия по их разрушению или удалению за пределы площадки.

Ширина земляного полотна проезжей части подъездных путей должна быть для самосвалов грузоподъемностью более 12 тонн при двустороннем движении - 10 м.

При планировке поверхностей должны соблюдаться проектные отметки и уклоны, не допускается образование  замкнутых понижений, при этом:

а) отклонения уклона спланированной поверхности от проектных не должны превышать ±0,001;

б) отклонения отметок спланированной поверхности от проектных не должны превышать ±5 см.

СНиП 3.02.01-87

Наименование контролируемых показателей

Величина отклонений

Контроль (метод, объем)

1. Отклонения отметок дна выемок от проектных при черновой разработке экскаваторами, оснащенными ковшом со сплошной режущей кромкой с гидравлическим приводом, рабочее оборудование обратная лопата

+ 10 см

Измерительный, число измерений должно быть не менее 10

2. Отклонения отметок дна выемок в местах устройства фундаментов и укладки конструкции при окончательной разработке или после доработки недоборов и восполнения переборов

±5 см

Измерительный, по углам и центру котлована, на пересечениях осей здания, в местах изменения отметок, поворотов и примыканий траншей, но не реже, чем через 50 м и не менее 10 измерений на принимаемый участок.


Техника безопасности

До начала работ определяют точное местонахождение действующих подземных коммуникаций. Основные зоны должны быть обозначены знаками безопасности и надписями установленных форм.

При наличии опасных и вредных производственных факторов безопасность земляных работ должна быть обеспечена выполнением содержащихся в организационно-технологической документации (ПОС, ППР и др.) следующих решений по охране труда:

·    определение безопасной крутизны незакрепленных откосов котлованов и траншей (далее - выемки) с учетом нагрузок от машин и грунта;

·        определение конструкции крепления стенок выемок;

·        выбор типов машин, применяемых для разработки грунта, и мест их установки;

·        дополнительные мероприятия по контролю и обеспечению устойчивости откосов в связи с сезонными изменениями;

·        определение мест установки и типов ограждений выемок, а также лестниц для спуска работников к месту производства работ.

При размещении рабочих мест в выемках их размеры, принимаемые в проекте, должны обеспечивать размещение конструкций, оборудования, оснастки, а также проходы на рабочих местах и к рабочим местам шириной в свету не менее 0,6 м, а на рабочих местах - также необходимое пространство в соответствии с картами трудовых процессов.

Для прохода на рабочие места в выемки следует устанавливать трапы или маршевые лестницы шириной не менее 0,6 м с ограждениями или приставные лестницы. Приставные лестницы должны быть прочно закреплены и на 1 м возвышаться над выемкой. Трапы (маршевые лестницы) должны иметь поручни высотой 1,1 м. Не допускается производство работ одним человеком в выемках глубиной 1,5 м и более.

При выемке земляных и др. работ, связанных с размещением рабочих мест в выемках и траншеях, необходимо предусматривать мероприятия по предупреждению воздействия на работников следующих опасных и вредных производственных факторов связанных с характером работы:

обрушающиеся горные породы (грунты)

падающие предметы (куски породы)

движущиеся машины и их рабочие органы, а также передвигаемые ими предметы

расположение рабочего места вблизи перепада по высоте 1.3м

химически опасные и вредные производственные факторы.

Перемещение, установка и работа машин вблизи выемок с неукрепленными откосами разрешается только за пределами призмы обрушения грунта на расстоянии, установленном ППР. Извлеченный грунт из выемки необходимо размещать не менее 0.5м от бровки. При разработке выемок в грунте одноковшовым экскаватором высота забоя должна определятся ППР с таким расчетом, чтобы в процессе работы не образовывались «козырьки» из грунта.

При работе экскаватора не разрешается производить другие работы со стороны забоя и находиться работникам в радиусе действия экскаватора плюс 5 м, также запрещается находиться под стре­лой в зоне поворота. При работе бульдозера с заглубленным отвалом запрещается поворачивать его. При разработке, планировке и уплотнении грунта двумя или более механизмами  (бульдозерами, катками, скреперами) расстояние между ними должно быть не менее 20 м. Погрузка грунта на автосамосвалы должна производиться со стороны заднего или бокового борта.

Используемые источники

1.   Межгосударственный стандарт. Грунты. Классификация. Издание официальное. МНТКС. Введен в действие с 1 июля 1996 г.

2.       СНиП 3.02.01-87. Земляные сооружения основания и фундаменты.

.        СНиП 12-03-2001 Безопасность труда в строительстве. Часть 1. Общие требования.

.        СНиП 12-04-2002 Безопасность труда в строительстве. Часть 2. Строительное производство.

5.   ЕНиР. Единые нормы и расценки на строительные, монтажные и ремонтно-строительные работы. Сборник Е2. Земляные работы. Механизированные и ручные земляные работы.

6.       СНиП 12-01-2004 <#"579848.files/image007.gif">

- ось котлована; 2 - бульдозер; 3 - рабочий ход бульдозера; 4 - холостой ход бульдозера; 5 - место складирования грунта

). Схема производства работ при рыхлении и планировке мерзлого грунта

- рыхление грунта бульдозером - рыхлителем С-10 Proffi, II - планировка разрыхленного грунта тем же бульдозером

- бульдозер-рыхлитель;  2 - бульдозер; 3 - ось траншеи; 23,0 м - длина рыхления одной захватки

). Схема производства работ при разработке грунта в котловане лобовым забоем экскаватором JCB JS 130W, оборудованным обратной лопатой, с погрузкой в автосамосвалы




4). Схема производства работ при обратной засыпке пазух котлована бульдозером





Схема операционного контроля качества

Наименование операций

Контроль качества выполненных операций



состав

способ

время

допуск

1

Планировка строительной площадки бульдозером

Отклонение уклона спланированной поверхности

Инструмент нивелировка

В процессе работы

0,001 м

2

Разработка грунта экскаватором: -прямая лопата -обратная лопата

Отклонение отметки дна котлована или выемки; траншей, колодцах

Измерительный нивелировка


+-10 см +-15 см

3

Доработка грунта под фундамент

Отметка дна котлована после нивелировки

Измер. По сетке 50*50 м в каждый квадрат

В процессе работ

+-5 см

4

Приемка основания

АКТ приемки основания

Тех.осмотр всей поверхности основания

По окончании работ

По составу проекта: -окончат.съемка котлована -акты лаборат.испыт.

СНиП 3.02.-01-87, таблица 4 «Земляные сооружения, основания и фундаменты»

АКТ№ 1991

Освидетельствования скрытых работ, выполненных на строительстве

(СНиП 12-01-2004 <http://files.stroyinf.ru/Data1/43/43118/index.htm>)

Жилой дом по адресу: г. Выборг, ул. Советская, 3

(наименование и место расположения объекта)

«17» декабря 2012 г.

Мы, нижеподписавшиеся,

Ответственный представитель исполнителя работ    ООО «СМУ 37», прораб

Петренко С.В.

(фамилия, инициалы, должность)

Ответственный представитель технического надзора       

ОАО «Трест ГРИ»

ведущий инженер

Холмогоров С.Г.

(фамилия, инициалы, должность)

Представитель строительного контроля ООО «Идаванг», инженер

Золотов В.М.

(фамилия, инициалы, должность)

Представитель проектной организации           ООО «Ренессанс», инженер

Ивченко И.А.

(фамилия, инициалы, должность)

произвели осмотр работ, выполненных  ООО «СМУ 37»

(наименование подрядчика (исполнителя работ))

и составили настоящий акт о нижеследующем:

1. К освидетельствованию предъявлены следующие работы     

Отрытые рвы и котлованы под фундаменты   

(наименование скрытых работ)

2. Работы выполнены по проектно-сметной документации        

ООО «Ренессанс», чертеж №1 от 1 декабря 2012 г. 

(наименование проектной организации, № чертежей, дата их составления или идентификационные параметры эскиза или записи в журнале авторского надзора)

3. При выполнении  работ применены   бульдозер-рыхлитель С-10 Proffi, экскаватор JCB JS 130W, автосамосвал МАЗ-551605-271

(наименование материалов, изделий со ссылкой на сертификаты или др. документы, подтверждающие качество)

Исполнителем работ предъявлены следующие дополнительные доказательства соответствия работ предъявляемым к ним требованиям, приложенные (не приложенные) к настоящему акту

Исполнительная схема №1,  заключение технического надзора

(исполнительные схемы и чертежи, заключения лаборатории, и т. п.)

. При выполнении работ допущены отклонения от проектно-сметной документации

см в пределах  СНиП 3.02.-01-87«Земляные сооружения, основания и фундаменты», согласованы представителем технического надзора, чертеж №2 от 10 декабря 2012 г.

(при наличии отклонений указываются, кем согласованы, № чертежей и дата согласования)

5. Даты: начала работ 2 декабря 2012 г.

окончания работ 8 декабря 2012 г.

РЕШЕНИЕ КОМИССИИ:

Работы выполнены в соответствии с проектно-сметной документацией и требованиями действующих нормативных документов.

На основании изложенного разрешается производство последующих работ по устройству (монтажу)

Фундамент монолитный ленточного типа

(наименование работ и конструкции)

Ответственный представитель

исполнителя работ (подрядчика)

(подпись)

Ответственный представитель

технического надзора

(подпись)

Дополнительные участники:

фамилия, инициалы

(подпись)

фамилия, инициалы

(подпись)

ДОПОЛНИТЕЛЬНАЯ ИНФОРМАЦИЯ:

К НАСТОЯЩЕМУ АКТУ ПРИЛАГАЮТСЯ:

Технологическая карта на земляные работы, исполнительная схема №1, заключение технического надзора, акт осмотра котлованов

Диспетчерский график работы автосамосвалов

Часы

1 час

2 часа

 

Минуты

5

10

15

20

25

30

35

40

45

50

55

60

5

10

15

20

25

30

35

40

45

50

55

Время погрузки автосамосвалаtп, мин

























Время движения автосамосвала tдв, мин

























Время маневрирования и разгрузки автосамосвалаtм и tр, мин

























Время простоя автосамосвала tпр, мин


























Похожие работы на - Технологическая карта на производство земляных работ

 

Не нашли материал для своей работы?
Поможем написать уникальную работу
Без плагиата!
Без нейросетей!