Оформление плана изготовления
Федеральное
агентство по образованию
ТОЛЬЯТТИНСКИЙ
ГОСУДАРСТВЕННЫЙ УНИВЕРСИТЕТ
Кафедра
«Технология машиностроения»
ОФОРМЛЕНИЕ
ПЛАНА ИЗГОТОВЛЕНИЯ
Методические
указания к выполнению курсовых и дипломных проектов
Тольятти 2005
УДК 621.002.001.
Составители:
к.т.н., доцент - Д.А. Расторгуев;
к.т.н., доцент - А.А. Солдатов
Оформление плана изготовления: Методические указания к выполнению
курсовых и дипломных проектов / Сост.: Д.А. Расторгуев, А.А. Солдатов. -
Тольятти: ТГУ, 2006.-
Приведена методика выполнения плана изготовления детали с подробными
указаниями технологических требований в технологических операциях и методика
оформления технологических наладок.
Для студентов специальности 151001
всех форм обучения.
© Тольяттинский государственный
университет, 2005
Содержание
ВВЕДЕНИЕ
. СОДЕРЖАНИЕ ПЛАНА ИЗГОТОВЛЕНИЯ
. КОДИРОВКА ПОВЕРХНОСТЕЙ ЗАГОТОВКИ
. ПРОСТАНОВКА РАЗМЕРОВ
ВВЕДЕНИЕ
Для обеспечения заданных точностных и качественных показателей детали
необходимо спроектировать оптимальный технологический маршрут изготовления
детали - перечень технологических операций, необходимых для превращения
полуфабриката - исходной заготовки в готовую деталь. С точки зрения достижения
требуемой точности детали задача сводится к “уточнению“ формы, размеров и их
отклонений у исходной заготовки до аналогичных параметров детали, заданных
конструктором. Критериями оптимальности могут являться технико-экономические
показатели технологического процесса - трудоемкость, стоимость.
Наиболее оптимальным является одноэтапный вариант технологического
процесса превращения заготовки в деталь. Однако современные технологические
системы в большинстве своем не могут сразу обеспечить требуемой величины
уточнения. Поэтому приходится использовать несколько технологических систем,
обеспечивающих поэтапную обработку заготовок и имеющих свои величины уточнения.
Точность детали характеризуется рядом показателей и не всегда удается
подобрать такую технологическую систему, которая обеспечивала бы достижение
всех показателей одновременно. В таком случае заготовки приходится пропускать
через ряд технологических систем, из которых одни будут обеспечивать достижение
точности по одним её показателям, другие - по другим.
Определение технологического маршрута изготовления детали необходимо
производить поэтапно, ориентируясь на технологические возможности методов
обработки, различные условия производства.
Для сокращения объемов работы и сроков проектирования технологического
маршрута целесообразно воспользоваться аналогами - типовым или групповым
технологическим маршрутами.
деталь изготовление технологический заготовка
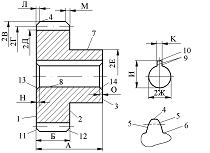
1. СОДЕРЖАНИЕ ПЛАНА ИЗГОТОВЛЕНИЯ
План изготовления детали разрабатывается на базе маршрутной технологии и
служит основой для проектирования технологических операций.
План - это графический иллюстративный документ учебного характера,
содержащий следующую информацию (рис. 1):
1) номера и названия всех операций
технологических процессов, имеющих место при изготовлении детали в соответствии
с принятым технологическим маршрутом её изготовления.
В общем случае технологические процессы, не относящиеся к обработке
резанием (заготовительные, химико-термической обработки, очистные) и содержащие
несколько операций, допускается в плане изготовления обозначать одной
операцией: “заготовительная” или “термическая”;
2) наименование и предполагаемую модель
оборудования, на котором выполняется конкретная технологическая операция;
3) эскизы обработки заготовки;
4) технические требования на выполнение
операций.
Рис. 1 План
изготовления
2. КОДИРОВКА ПОВЕРХНОСТЕЙ ЗАГОТОВКИ
На эскизе заготовка должна быть изображена в рабочем положении обработки
на станке и её конфигурация должна соответствовать форме, которая получается
после обработки на операции или её отдельном этапе (позиции, установе).
Обработанные поверхности выделяются двойной контурной линией или красным цветом
(на чертеже, входящем в курсовой или дипломный проект). Указываются номера
обработанных поверхностей с индексами операций и, при необходимости, части
операций: 7020-А - поверхность 7 на операции 020 и установе А; 8030-I-1 - поверхность 8 на операции 030,
позиции I, переходе 1. На эскизах должны быть
выполнены теоретические схемы базирования, принятые при выполнении
технологических операций. При необходимости указываются номера поверхностей или
осей, являющихся технологическими базами, с индексами операций, на которых эти
базы сформированы. Указываются операционные размеры, предписанные к
выполнению на данной операции, установе, позиции. Операционные размеры
обозначаются буквенными или буквенно- цифровыми символами с индексами операций:
А010 - размер А, выполненный на операции 010; 2Б020 -
диаметр 2Б (2 радиуса размером Б) на операции 020.
Символы размеров берутся из схемы кодирования поверхностей и размеров
детали (рис. 2).В случае несовпадения чертежных и операционных размеров
последним присваиваются свои буквенные символы. При необходимости используются
латинский и греческий алфавиты.
Рис. 2 Схема
кодирования поверхностей и размеров
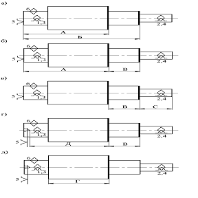
3. ПРОСТАНОВКА РАЗМЕРОВ
Простановка размеров зависит от метода достижения точности, принятого на
операции (последовательных ходов и замеров или по настройке). Кроме этого,
использование метода, настроенного на размер оборудования, требует учета
особенностей настройки. Особую важность это положение имеет при получении
продольных размеров у тел вращения, когда настройка может происходить от
настроечных баз, несовпадающих ни с измерительными, ни с технологическими
базами.
Для универсального оборудования наиболее применима схема «а» (рис. 3),
где координатный способ простановки размеров легко реализуется при настройке по
упорам, которые скоординированы от технологической базы.
Токарные станки с числовым программным управлением (ЧПУ), применяемые при
чистовой обработке, могут реализовывать как схему «а» (работа в абсолютной
системе координат), так и схему «б» - цепочный способ (работа в относительной
системе координат). Кроме указанных схем возможно применение схемы «в», когда
нуль детали перемещен на крайний правый торец детали. Схема «г» используется
при чистовой обработке валов (гидрокопировальные станки, станки с ЧПУ,
шлифовальные станки с ЧПУ). В этом случае не соблюдается правило единства баз,
но это продиктовано необходимостью повышения точности диаметральных размеров
при использовании упорных центров. Схема «д» имеет место при применении
станков, имеющих устройства позиционирования в продольном направлении
(шлифовальные, токарные с ЧПУ).
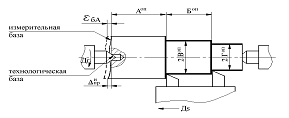
Технические требования на выполнение технологических операций включают в
себя требования к шероховатости, технологические допуски на размеры, форму и
взаимное расположение поверхностей.
При этом необходимо соблюдать условие
ТАОП ≥
ωСТАОП,
где ТАОП - операционный допуск на параметр А; ωСТАОП - величина погрешности
параметра А, которая может возникнуть на данной операции при нормальном
состоянии технологической системы (статистическая погрешность).
Величины статистических погрешностей на операциях резанием выбираются по таблицам
экономической точности (табл. 1), которые использовались при определении
технологических маршрутов обработки отдельных поверхностей. Следует отметить
условия, в которых определялись погрешности размеров и пространственного
расположения: погрешности базирования и пространственных отклонений
измерительных баз принимались равными нулю (т.е. отсутствовали).
При назначении операционных допусков на размеры для случая обработки на
настроенном станке необходимо придерживаться следующих правил:
допуск
на размер между измерительной базой и обработанной поверхностью ТАОП
складывается из статистической погрешности получения размера ω
пространственных отклонений измерительной базы ΔИпр и погрешности базирования εБА от
несовпадения технологической и измерительной баз (в случае несовпадения баз)
(рис. 4):
ТАОП =
ωСТАОП + ΔИпр + εБА;
Рис. 3.
Варианты простановки продольных операционных размеров для тел вращения
1) допуск на размер Б между
поверхностями, обработанными с одного установа, включает в себя только величину
статистической погрешности:
ТБОП = ωСТБОП;
2) операционные допуски на размеры 2ВОП
и 2ГОП замкнутых
поверхностей складываются из статистических погрешностей обработки этих
поверхностей:
Т2ВОП = ωСТ2ВОП, Т2ГОП = ωСТ2ГОП .
При обеспечении точности методом последовательных ходов и промеров
операционные допуски равны или больше статистических погрешностей выполняемых
размеров.
Рис. 4. Учет
погрешностей при токарной обработке
В технологических процессах механической обработки реальных деталей из-за
несовпадения конструкторских и технологических баз часть размеров и иных
размерных параметров может выполняться косвенно. В связи с этим окончательное
решение по формированию технологического маршрута и плана изготовления может
быть принято лишь после выполнения размерного анализа технологического процесса
с помощью технологических операционных размерных цепей. В таблицах 2-40
приведены справочные данные, необходимые для проектирования технологических
процессов изготовления деталей машин.
Таблица 1 Средние статистические погрешности механической обработки (без
учета погрешностей от несовпадения баз eбаз и пространственных отклонений измерительных поверхностей D)
|
|
|
|
Вид обработки
|
Оборудование и
метод ; обработки
|
Способ
обеспечения точности
|
|
Шероховатость, мкм
|
Точность
|
|
|
|
|
|
Проходы
|
Rz
|
Rа
|
|
Длины, мм
|
|
|
|
|
|
|
|
|
Диаметральных
размеров JT
|
до 80
|
80-260
|
260-500
|
св. 500
|
|
|
Токарная
обработка
|
Токарно-винторезные
станки
|
По
предварительно настроенному лимбу с использованием поворотного резцедержателя
|
I II
|
80
|
2,5
|
12-13 10
|
0,30 0,12
|
0,40 0,20
|
0,50 0,25
|
0,70 0,30
|
|
|
|
Прецезионные
токарные станки
|
Тоже
|
I II
|
40
|
1,25
|
8-9 6-7
|
0,08 0,04
|
0,10 0.054
|
0,12 0,084
|
0,15 0,10
|
|
|
|
Токарные станки
с ЧПУ
|
По программе
|
I II
|
80
|
2,5
|
11 10
|
0,20 0.12
|
0,25 0,17
|
0,30 0,20
|
0,40 0,25
|
|
|
|
Малые карусельные
станки
|
По
предварительно настроенному лимбу
|
I II
|
80
|
2,5
|
12-13 8-9
|
0,25 -0,07
|
0,30 0,10
|
0,35 0,12
|
0,45 0,38
|
|
|
|
Операционные
токарные станки
|
По упорам
|
I II
|
80
|
2,5
|
11 8-9
|
0,15 0,06
|
0,20 0,08
|
0,25 0,10
|
0,30 0,12
|
|
|
Токарная
|
Токарно-ре-вольверные
станки
|
По упорам от
установочных баз
|
I II
|
80
|
2,5
|
12-13 10
|
0,25 0,15
|
0,30 0,17
|
0,35 0,20
|
0,40 0,25
|
|
|
|
|
От настроечной
базы между позициями
|
I II
|
80
|
2,5
|
12-13 11
|
0,30 0,20
|
0,35 0,25
|
0,40 0,30
|
0,45 0,35
|
|
|
|
|
Между резцами в
многорезцовой державке
|
I II
|
80
|
2,5
|
12-13 10
|
0,12 0,08
|
0,17 0,10
|
0,20 0,12
|
0,25 0,15
|
|
|
|
Многорезцовые
токарные полуавтоматы
|
По упорам от
установочных баз
|
I II
|
80
|
2,5
|
12-13 10
|
0,25 0,12
|
0,30 0,17
|
0,35 0,20
|
0,40 0,25
|
|
|
|
|
Между резцами в
одном блоке
|
I II
|
80
|
|
12-13
|
0,15 0,06
|
0,20 0,10
|
0,25 0,12
|
0,30 0,15
|
|
|
|
|
|
|
|
2,5
|
10
|
|
|
|
|
|
|
|
|
Между резцами с
различных суппортов
|
I II
|
80
|
2,5
|
12-13 11
|
0,20 0,12
|
0,25 0,17
|
0,30 0,20
|
0,35 0,25
|
|
|
|
Гидрокопировальные
то карные полуавтоматы
|
По копиру от
установочной базы
|
I II
|
80
|
2,5
|
12-13 10
|
0,25 0,15
|
0,30 0,17
|
0,35 0,20
|
0,40 0.25
|
|
|
|
|
Между резцами в
одном блоке
|
I II
|
80
|
2,5
|
11 8-9
|
0.17 0.12
|
0,20 0,17
|
0,25 0,20
|
030 0-25
|
|
|
|
|
Между резцами с
различных суппортов
|
I II
|
80
|
2,5
|
12-13 10
|
0,20 0,17
|
0,25 0,20
|
0,30 0,25
|
035 030
|
|
|
|
Вертикальные
многошпиндельные токарные полуавтоматы
|
По копирам и
упорам от устновочных баз
|
I II
|
80
|
2,5
|
12-13 10
|
0,20 0,12
|
0,25 0.15
|
0,30 0,20
|
-
|
|
|
|
|
Между резцами в
одном блоке
|
I II
|
80
|
2,5
|
11 8-9
|
0,17 0,08
|
0,20 0,10
|
0,25 0,12
|
-
|
|
|
|
|
Между резцами с
разных суппортов и позиций
|
I II
|
80
|
2,5
|
12-13 10
|
0,20 0,15
|
0,25 0,20
|
0,30 0,25
|
-
|
|
|
Токарная
|
Автоматы
фасонно-продольного точения
|
По копирам от
настроечной базы
|
I II
|
40
|
2,5
|
10 7-8
|
0,12 0,08
|
0,17 0,10
|
-
|
-
|
|
|
|
|
Между резцами с
различных суппортов
|
I II
|
40
|
2,5
|
10
7-8
|
0,10
0,06
|
0,12
0,08
|
-
|
-
|
|
|
|
Токарно-рево-льверные
автоматы
|
По копирам от
настроечной базы (с револьверными головками)
|
I II
|
40
|
2,5
|
11
8-9
|
0,12
0,08
|
0,17
0,10
|
-
|
-
|
|
|
|
|
От упора или
настроечной базы с поперечного суппорта
|
I II
|
40
|
2,5
|
11
8-9
|
0,12
0,08
|
0,17
0,10
|
-
|
-
|
|
|
|
|
Фасонным резцом
|
I
|
20
|
|
10
|
0,02
|
0,04
|
-
|
-
|
|
|
|
|
Многорезцовой
державкой
|
II
|
20
|
|
10
|
0,06
|
0,08
|
-
|
-
|
|
|
|
Горизонтальные
многошпиндельные токарные автоматы и полуавтоматы
|
По копирам от
установочной или настроечной базы продольного суппорта
|
I II I II
|
40
40
|
2,5
2,5
|
11
8-9 11 8-9
|
0,12
0,08 0,12 0,08
|
0,17
0,10 • 0,17 0,10
|
-
|
-
|
|
|
|
|
То же, с
независимых инструментальных суппортов
|
I II
|
40
|
2,5
|
11 8-9
|
0,15 0,10
|
0,20 0,12
|
-
|
-
|
|
|
|
|
По упорам с
поперечных суппортов
|
I II
|
40
|
2,5
|
11 8-9
|
0,12 0,08
|
0,17 0,10
|
-
|
-
|
|
|
|
|
Между резцами в
многорезцовой державке
|
I II
|
40
|
2,5
|
11 8-9
|
0,10 0,06
|
0,12 0,08
|
-
|
-
|
|
|
|
|
Фасонным резцом
|
I
|
20
|
|
10
|
0,02
|
0,04
|
-
|
-
|
|
|
Сверление
|
Обработка
глухих отверстий на вертикально-сверлильных и агрегатных станках спиральными
сверлами
|
По лимбу По
упорам
|
- -
|
80 80
|
-
|
12-13
12-13
|
0,15
0,10
|
0,20
0,15
|
0,30
0,20
|
-
|
По лимбу
|
-
|
40
|
-
|
8-10
|
0.15 0,10
|
0,20 0,15
|
0,30 0,20
|
-
|
|
|
|
|
По упорам
|
-
|
40
|
|
8-10
|
|
|
|
|
|
|
|
То же,
зенке-рование черных отверстий
|
-
|
-
|
80
|
-
|
12-13
|
-
|
-
|
-
|
-
|
|
|
|
То ж,
зенкерование после сверления
|
-
|
-
|
-
|
40
|
10-11
|
-
|
-
|
-
|
-
|
|
|
|
То же,
развертывание
|
-
|
-
|
-
|
2,5
|
6-7
|
-
|
-
|
-
|
-
|
|
|
|
То же,
зенкерование
|
По упорам
|
-
|
40
|
-
|
12-13
|
0,15
|
0,20
|
0,30
|
-
|
|
|
|
То же,
цекование
|
По упорам
|
-
|
40
|
-
|
12-13
|
0,15
|
0,20
|
0,30
|
-
|
|
|
Шлифование
|
Круглошли-фовальные
станки
|
По лимбу и
пробными проходами
|
Предварительное
Чистовое Тонкое
|
|
2,5 0,63 0,16
|
10 6-7 5-6
|
|
|
|
|
|
|
|
Торцекругло-шлифовальные
станки
|
По упорам
|
Предварительное
Чистовое
|
|
2,5 0,63
|
10 6-7
|
0,15 0,08
|
0,17 0,10
|
0,20 0,12
|
0,25 0,15
|
|
|
|
|
С
позиционированием
|
Предварительное
Чистовое
|
|
2,5 0,63
|
10 6-7
|
0,10 0,06
|
0,12 0,08
|
0,15 0,10
|
0,17 0,12
|
|
|
|
Внутришли-фовальные
станки
|
По лимбу,
упорам и пробными проходами
|
Предварительное
Чистовое Тонкое
|
|
2,5 0,63 0,16
|
10 6-7 5-6
|
0,20 0,12 0,06
|
0.25 0.17 0.08
|
0,30 0,20 0,12
|
-
|
|
|
|
Плоскошли-фовальные
станки
|
По упорам,
лимбу и пробными проходами
|
Предварительное
Чистовое Тонкое
|
|
2,5 0,63 0,16
|
10 6-7 5-6
|
0,15 0,08 0,05
|
0,20 0,10 0,08
|
0,25 0,12 0,10
|
-
|
|
|
|
Бесцентрово-шлифовальные
станки
|
По упорам
|
Предварительное
Чистовое
|
|
2,5 1,25
|
8-9 6-7
|
-
|
-
|
-
|
-
|
|
|
Доводка
|
Хонингование
|
-
|
Предварительное
|
|
0,32 0,32
|
5-6
|
|
|
|
|
|
|
|
|
|
Чистовое
|
|
|
|
|
|
|
|
|
|
|
Суперфиниширование
|
-
|
Предварительное
Чистовое
|
|
0,32 0,08
|
|
|
|
|
|
|
|
|
Доводка
(притирка)
|
-
|
Предварительное
Тонкое
|
|
0,32 0,08
|
|
|
|
|
|
|
|
|
Многопроходная
размерная притирка
|
-
|
-
|
|
0.08
|
Точнее 3
|
|
|
|
|
|
|
Сверление
|
То же,
обработка ступенчатых отверстий комбинированным инструментом
|
|
|
80
|
|
11-13
|
0,15
|
0,20
|
0,30
|
-
|
|
|
Растачивание
|
Растачивание
ступенчатых отверстий на горизонтально-расточных станках
|
По лимбу
|
I II
|
80
|
2,5
|
11 8-9
|
0,15 0,10
|
0,20 0.15
|
0,25 0,20
|
-
|
|
|
|
|
Между резцами в
одной борштанге
|
I II
|
80
|
2,5
|
11 8-9
|
0,10 0,05
|
0,12 0,08
|
0,15 0,10
|
-
|
|
|
|
|
Между резцами в
одной головке
|
I II
|
20
|
1,25
|
8-9 6-7
|
0,05 0,02
|
0,06 0,04
|
0,08 0,06
|
-
|
|
|
|
|
Между
инструментами с разных головок
|
I II
|
20
|
1,25
|
8-9 6-7
|
0,08 0,04
|
0,10 0,05
|
0,12 0,06.
|
-
|
|
|
Фрезерование
|
Фрезерование
цилиндрически ми фрезами на горизонтальных универсальных станках
|
По установам и
упорам
|
I II III
|
80
|
2,5
1,25
|
12-13
11 8-9
|
0,20
0,12 0,06
|
0,25
0,17 0,08
|
0,30
0,20 0,12
|
0,40
0,25 0,15
|
|
|
|
|
|
|
|
|
|
|
|
|
|
|
|
|
Фрезерование
торцовыми фрезами на вертикальных и универсальных станках
|
По установам и
упорам
|
I II III
|
80
|
2.5 1,25
|
12-13 10 7-8
|
0,20 0,12 0,04
|
0,25 0,17 0,06
|
0,30 0,20 0,10
|
0,40 0,25 0,12
|
|
|
|
Фрезерование на
двухсторонних карусельных и барабанных станках
|
От базы по
установам
|
I II
|
80
|
2.5
|
12-13 11
|
0,20 0,12
|
0,25 0,17
|
0,30 0,20
|
0,40 0,25
|
|
|
|
|
Между фрезами
|
I II
|
80
|
2.5
|
12-13 10
|
0.10 0,08
|
0,15 0.10
|
0.17 0.12
|
0.20 0.15
|
|
|
Строгание
|
Долбежные
станки
|
По лимбу
|
I II
|
80 -
20
|
---
-
|
.---
|
0,40
-0,20
|
0,45
0,25
|
0,50
0,30
|
0,60
0,40
|
|
|
|
Поперечно-строгальные
станки
|
По лимбу и
установам
|
I II
|
80
|
2,5
|
-
|
0,40 0,12
|
0,45 0,17
|
0,50 0,20
|
0,60 0,25
|
|
|
|
Продольно-строгальные
станки
|
По лимбу и
установам
|
I П
|
80
|
2,5
|
-
|
0,20 0,12
|
0,25 0,17
|
0,30 0,20
|
0,40 0,25
|
|
|
|
Протягивание
внутреннее
|
-
|
I
|
, - ,
|
2.5
|
6-7
|
-
|
-
|
-
|
-
|
|
|
|
Протягивание
наружное
|
-
|
I
|
•' -
|
2.5
|
-
|
0,12
|
0,17
|
0,20
|
0,25
|
|
|
|
|
|
|
|
|
|
|
|
|
|
|
|
|
|
|
|
|
|
|
|
|
|
|
|
|
|
|
|
|
|
|
|
|
|
|
Таблица 2 Допуски (мм)
для размеров до 500 мм
|
Номинальные
размеры, мм
|
Квалитеты
|
|
IТ5
|
IТ6
|
IT7
|
IТ8
|
IT 9
|
IТ10
|
IТ11
|
IТ12
|
IТ13
|
IT14
|
IТ15
|
IТ16
|
|
До 3
|
0,004
|
0,006
|
0,010
|
0,014
|
0,025
|
0,04
|
0,060
|
0,1
|
0,14
|
0,25
|
0,4
|
0,6
|
|
Свыше 3 до 6
|
0,005
|
0,006
|
0,012
|
0,018
|
0,030
|
0,048
|
0,075
|
0,12
|
0,18
|
0,3
|
0,48
|
0,75
|
|
6 " 10
|
0,006
|
0,009
|
0,015
|
0,022
|
0,036
|
0,058
|
0,090
|
0,15
|
0,22
|
0,36
|
0,58
|
0,9
|
|
10 " 18
|
0,008
|
0,011
|
0,018
|
0,027
|
0,043
|
0,070
|
0,11
|
0,18
|
0,27
|
0,43
|
0,7
|
1,1
|
|
18 " 30
|
0,009
|
0,013
|
0,033
|
0,052
|
0,084
|
0,13
|
0,21
|
0,33
|
0,52
|
0,84
|
1,3
|
|
30 " 50
|
0,011
|
0,016
|
0,025
|
0,039
|
0,062
|
0,1
|
0,16
|
0,25
|
0,39
|
0,62
|
1,0
|
1,6
|
|
50 " 80
|
0,013
|
0,019
|
0,030
|
0,046
|
0,074
|
0,12
|
0,19
|
0,3
|
0,46
|
0,74
|
1,2
|
1,9
|
|
80 " 120
|
0,015
|
0,022
|
0,035
|
0,054
|
0,087
|
0,14
|
0,22
|
0,35
|
0,54
|
0,87
|
1,4
|
2,2
|
|
120 " 180
|
0,018
|
0,025
|
0,040
|
0,063
|
0,1
|
0,16
|
0,25
|
0,4
|
0,63
|
1,0
|
1,6
|
2,5
|
|
180 " 250
|
0,020
|
0,029
|
0,046
|
0,072
|
0,115
|
0,185
|
0,29
|
0,46
|
0,72
|
1,15
|
1,85
|
2,9
|
|
250 " 315
|
0,023
|
0,032
|
0,052
|
0,081
|
0,13
|
0,21
|
0,32
|
0,52
|
0,81
|
1,3
|
2,1
|
3,2
|
|
315 " 400
|
0,025
|
0,036
|
0,057
|
0,089
|
0,14
|
0,23
|
0,36
|
0,57
|
0,89
|
1,4
|
2,3
|
3,6
|
|
400 " 500
|
0,027
|
0,040
|
0,063
|
0,097
|
0,155
|
0,25
|
0,4
|
0,63
|
0,97
|
1,55
|
2,5
|
4,0
|
Таблица 3 Примерные
маршруты обработки поверхностей
|
Точность,
квалитет
|
Шероховатость Rа, мкм
|
Код материала
|
Маршрут
обработки поверхностей
|
|
|
|
|
цилиндрических
|
плоских
|
|
|
|
|
наружных
|
внутренних
|
|
|
14-12
|
25,0...6,3
|
1, 2, 3
|
О
|
С
|
СТ
|
|
|
1, 2, 3
|
О
|
3
|
Ф
|
|
|
1, 2, 3 4
|
О О, ТО
|
РТ с, то
|
О СТ, ТО
|
|
|
4
|
то, ш
|
3, ТО
|
Ф, ТО
|
|
|
4
|
то, ш
|
РТ, ТО
|
0, ТО
|
|
11-10
|
5,0...2, 5
|
1, 2, 3
|
Оп, Оч
|
С, 3, Р
|
Фп, Фч
|
|
|
1, 2, 3
|
Оп, Оч
|
С, РТ, Р
|
Фп, Фч
|
|
|
1, 2 4
|
О, Ш Оп, Оч, ТО
|
С, РТ, Р С, 3,
ТО, Ш
|
ТО, Шп, Ф, Шп Ф, ТО, Шп
|
|
|
4
|
Оп, ТО, Ш
|
С, РТ, ТО
|
СТ, ТО, Шп
|
|
|
4
|
Оп, ТО, Ш
|
Зп, Зч, ТО, Ш
|
О, ТО, Шп
|
|
9-7
|
1,25...0,63
|
1, 2, 3
|
Оп, Оч, От
|
РУ, Р
|
С, П
|
|
|
1, 2, 3
|
Оп, Оч, От
|
С, 3, Рп, Рч
|
Ф, П
|
|
|
1, 2, 3
|
Оп, Оч, От
|
С, РТп, РТч
|
Ф, П
|
|
|
1, 2, 3
|
Оп, Оч, От
|
С, 3, РТт
|
Ф, П
|
|
|
1, 2, 3
|
Оп, Оч, От
|
С, П
|
Ф, П
|
|
|
1, 2 1 4
|
0, Ш Шп, Шч Оп, Оч. ТО, Ш
|
РТп, РТч, РТт РТп, РТч, РТт С, РТ, ТО, Ш
|
Ф, Шч Ф, Шч Ф,
ТО, Шч
|
|
|
4
|
Шп, ТО, Шч
|
РТп, РТч, ТО, Ш
|
С, ТО, Шч
|
|
|
4
|
Шп, ТО, Шч
|
С, 3, ТО, Ш
|
О, ТО, Шч
|
|
|
4
|
Шп, ТО, Шч
|
РУ, ТО, X
|
О, ТО, Шч
|
|
0,32...0,16
|
3 3
|
Оп, Оч, ПО Оп, Оч, От, ПО
|
РУ, ТО, X РУ, ТО, X
|
Фп, Фч, ПОч
Оп, Оч, ПОч
|
|
Точность,
квалитет
|
Шероховатость Rа, мкм
|
Код материала
|
Маршрут
обработки поверхностей
|
|
|
|
|
цилиндрических
|
плоских
|
|
|
|
|
наружных
|
внутренних
|
|
|
9-7
|
0,08...0,04
|
3
|
Оп, Оч, От,
ПОч, ПОт
|
РУ, ТО, X
|
Оп, Оч, ПОч,
ПОт
|
|
|
4
|
Оп, Оч, ТО, Шп,
Шт, ПО
|
РУ,ТО, X
|
Фп, Фч, ТО, Шп,
Шт, ПО
|
|
|
1,2,3
|
Оп, Оч, От, ПО
|
РУ, Рп, Рч
|
СТ, Фт, ШБ
|
|
|
1,2,3
|
Оп, Оч, От, ПО
|
С, 3, Рп, Рч
|
Фп, Фт, ШБ
|
|
|
1,2,3
|
Оп, Оч, От, ПО
|
С, 3, РТч, РТт
|
Фп, Фт, ШБ
|
|
6
|
0,32...0,16
|
1,2,3
|
Оп, Оч, От, ПО
|
РТп, РТч, РТт
|
Фп, Фт, ШБ
|
|
|
1,2,3
|
Оп, Оч, От, ПО
|
С, 3, П
|
Фп, Фт, ШБ
|
|
|
1
|
О, Ш, СУ
|
С, 3, П
|
Фп, Фт, ШБ
|
|
|
1
|
0, Шп, Шт, П
|
С, 3, П
|
Фп, Фт, ШБ
|
|
|
1,2
|
0, Шп, Шт, П
|
С, 3, П
|
Фп, Фч, Шч, ПО
|
|
|
3
|
О, Шп, Шт, П
|
С, 3, П
|
Фп, Фч, Шч, ПО
|
|
|
4
|
0, Шп, ТО, Шт
|
РТ, ТО, Ш, X
|
Фп, Фч, ТО, Шч,
Д
|
|
|
4
|
О, Шп, ТО, Шт,
СУ
|
С, 3, ТО, Ш, X
|
С, Фт, ТО, Шч,
Д
|
|
|
4
|
Оп, Оч, ТО, Шч,
СУ
|
С, П, ТО, X
|
Ф, ТО, Шп, Шч,
Д
|
|
|
4
|
Оп, Оч, ТО, Шч,
СУ
|
РУ, Р, ТО, X
|
0, Шп, ТО, Шч,
Д
|
|
0,16...0,08
|
3
|
Ош, Оч, От
|
РУ, Р, ТО, X
|
0, Шп, ТО, Шч,
Д
|
|
|
4
|
Оп, Оч, ТО, Шч,
СУ О, Шп, ТО,
Шч, Шт, СУ
|
РТ, ТО, Ш, Х, Д С, 3, ТО, Ш, Х, Д
|
СТ, ТО, Шч, Шт,
Д Ф, ТО, Шч,
Шт, Д
|
|
|
4
|
О, Шп, ТО, Шч.Д
|
С, П, ТО, Хп,
Хч
|
Ф, Шп, ТО, Шч,
Шт, Д
|
|
Точность, квалитет
|
Шерохо- ватость Rа, мкм
|
Код мате риала
|
Маршрут
обработки поверхностей
|
|
|
|
цилиндрических
|
плоских
|
|
|
|
наружных
|
внутренних
|
|
|
6
|
0,16...0,08
|
4
|
О, Шп, ТО,
|
РУ, ТО, X, Д
|
О, Шп, ТО,
|
|
|
|
Шч, Д
|
|
Шч, Шт, Д
|
|
|
|
|
|
|
|
|
4
|
О, Шп, ТО,
|
С, РТч, РТт,
|
0, Шп, ТО,
|
|
|
|
Шч,Д
|
ТО, X, Д
|
Шч, Шт, Д
|
|
5
|
0,08...0,04
|
1
|
Оп, Оч, Шп,
|
С, РТч, РТт,
|
О, Шп, ТО,
|
|
|
|
Шч, СУп,
|
ТО, X, Д
|
Шч, Шт, Д
|
|
|
|
СУч
|
|
|
|
2
|
Оп, Оч, Шп,
|
С, 3, Р, X,
|
О, Шп, ТО,
|
|
|
|
Шч, СУп,
|
Дп, Дч
|
Шч, Шт, Д
|
|
|
|
СУч
|
|
|
|
|
2
|
Оп, Оч, Шп, Шч,
СУп,
|
РУ, X, Дп, Дч
|
О, Шп, ТО, Шч,
Шт, Д
|
|
|
|
СУч
|
|
|
|
|
1,2
|
Оп, Оч, Шп,
|
РУ, X, Дп, Дч
|
Ф, Шп, Шч,
|
|
|
|
Шч, СУп,
|
|
Шт, ПО
|
|
|
|
СУч
|
|
|
|
|
4
|
Оп, Оч, Шч,
|
РУ, Р, ТО, X,
|
СТ, ТО, Шп,
|
|
|
|
Суч
|
Дп, Дч
|
Шч, Шт, ПО
|
|
Обозначения: О
- обтачивание, Ш - шлифование, СУ - суперфиниши-
|
|
рование, ПО -
полирование, Д - доводка, ТО - термическая обработ-
|
|
ка, С -
сверление (рассверливание), 3 - зенкерование, РУ - ружейное
|
|
сверление, Р -
развертывание, РТ - растачивание, П - протягивание,
|
|
X - хонингование, СТ - строгание, Ф -
фрезерование, ШБ- шабре-
|
|
ние: п -
предварительное, ч - чистовое, т - тонкое; 1 - нездкаленные
|
|
стали, 2 -
чугуны, 3 - цветные металлы и сплавы, 4- закаленные
|
|
стали
|
|
|
|
|
|
|
|
|
|
|
|
|
|
|
|
Таблица 4. Кривизна
профиля сортового проката (мкм на 1 мм)
|
Точность
проката
|
Длина проката,
мм
|
|
|
до 120
|
свыше 120 до
180
|
свыше 180 до
315
|
свыше 315 до
400
|
свыше 400 до 500
|
|
Обычная
Повышенная
|
0,5 0,2
|
1,0 0,4
|
1,5 0,6
|
2,0 0,8
|
2,5* 1,0
|
|
Высокая
|
0,1
|
0,2
|
0,3
|
0,4
|
0,5
|
Таблица 5 Отклонение от соосности Асм
(мм) элементов, штампуемых в разных половинах штампа, для поковок типа валов
различной точности
|
Масса
штамповки, кг
|
Точность
штамповки
|
|
|
на молотах
|
на прессах
|
|
|
повышенная
|
нормальная
|
повышенная
|
нормальная
|
|
до 0,25
|
0,30
|
0,4
|
0,20
|
0,3
|
|
свыше 0,25 до
0,63
|
0,35
|
0,5
|
0,25
|
0,4
|
|
0,63 "
1,60
|
0,40
|
0,6
|
0,30
|
0,5
|
|
1,60 "
2,50
|
0,45
|
0,8
|
0,35
|
0,6
|
|
2,50 "
4,00
|
0,50
|
1,0
|
0,40
|
0,7
|
|
4,00 "
6,30
|
0,63
|
1,1
|
0,45
|
0,8
|
|
6,30 " 10
|
0,70
|
1,2
|
0,50
|
0,9
|
|
10 " 16
|
0,80
|
1,3
|
0,60
|
1,0
|
|
16 " 25
|
0,90
|
1,4
|
0,70
|
1,1
|
|
25 " 40
|
1,00
|
1,6
|
0,80
|
1,2
|
|
40 " 63
|
1,20
|
1,8
|
-
|
-
|
|
63 " 100
|
1,40
|
2,2
|
-
|
-
|
|
100 " 125
|
1,60
|
2,4
|
-
|
-
|
|
125 " 160
|
1,80
|
2,7
|
-
|
-
|
|
160 " 200
|
2,20
|
3,2
|
-
|
-
|
Таблица 6 Кривизна Δк (мкм на 1 мм) для поковок
|
|
Диаметр или
размер, мм
|
|
Вид обработки
|
до 120
|
свыше 120 до
|
свыше 180 до
|
свыше 250 до
|
свыше 315 до
|
|
|
|
180
|
250
|
315
|
500
|
|
Ковка
|
3
|
2
|
1
|
0,8
|
0,6
|
|
Механическая
обработка:
|
|
/•
|
|
|
|
|
-обдирочная
|
1,5
|
1
|
0,5
|
0,4
|
0,3
|
|
-черновая
|
0,7
|
0,5
|
0,3
|
0,2
|
0,1
|
|
-получистовая
|
0,05
|
0,04
|
0,03
|
0,02
|
0,01
|
|
После
термообработки
|
0,10
|
0,08
|
0,06
|
0,04
|
0,02
|
|
(закалка и
правка)
|
|
|
|
|
|
Таблица 7 Кривизна Δк (мкм на 1 мм) для поковок типа валов
|
Диаметр поковки,
мм
|
После
|
|
термообработки
|
штамповки
|
правки на
прессах
|
|
в печах
|
твч
|
|
|
|
До 25
|
2,5
|
0,25
|
4
|
0,20
|
|
Свыше 25 до 50
|
1,5
|
0,75
|
3
|
0,15
|
|
50 " 80
|
1,5
|
0,75
|
2
|
0,12
|
|
80 " 120
|
1,0
|
0,5
|
1,8
|
0,10
|
|
" 120
" 180
|
1,0
|
0,5
|
1,6
|
0,08
|
|
" 180
" 260
|
-
|
-
|
1,4
|
0,06
|
|
" 260
" 360
|
-
|
-
|
1,2
|
-
|
|
" 360
" 500
|
-
|
-
|
1,0
|
-
|
Таблица 8 Отклонение от
концентричности отверстий Δэкс и коробление Δкор высадки поковок типа дисков и рычагов, получаемых на прессах,
различной точности (в числителе - значения при повышенной точности, в
знаменателе - при нормальной точности)
|
Толщина
поковок, мм
|
Δэкс, ММ
|
Δкор>
мм
|
|
До 50
|
0,5/0,8
|
0,5/0,5
|
|
Свыше 50 до 120
|
0,63/1,4
|
0,5/0,5
|
|
" 120
" 180
|
0,80/2,0
|
0,5/0,7
|
|
180 " 260
|
1,00/2,8
|
0,6/0,9
|
|
" 260
" 360
|
1,50/3,2
|
0,7/1,0
|
|
" 360
" 500
|
2,50/3,6
|
0,8/1,1
|
Таблица 9 Кривизна Δк (мкм на 1 мм) на горизонтально-ковочной машине
|
Длина стержня l, мм
|
Диаметр стержня
d, мм
|
|
до 18
|
свыше 18 до 30
|
свыше 30 до 50
|
свыше 50 до 80
|
свыше 80 до 120
|
|
До 120
|
6
|
8
|
12
|
16
|
20
|
|
Свыше 120 до
180
|
4
|
6
|
8
|
12
|
16
|
|
" 180
" 500
|
2
|
4
|
4
|
6
|
6
|
|
" 500
" 1000
|
1
|
2
|
3
|
3
|
3
|
Таблица 10 Смещение Δсм (мм) оси фланца относительно стержня при высадке его на
горизонтально-ковочной машине
|
Высота фланца Н,
мм
|
Диаметр фланца,
мм
|
|
до 50
|
свыше 50 до 1
20
|
свыше 1 20 до
260
|
|
До 18
|
0,25
|
0,25
|
0,50
|
|
Свыше 1 8 до 50
|
0,25
|
0,50
|
0,50
|
|
50 " 120
|
0,50
|
0,50
|
0,75
|
|
" 120
" 180
|
0,50
|
0,75
|
0,75
|
Таблица 11 Отклонение от
перпендикулярности Δк (мкм на 1 мм радиуса)
торца фланца к оси поковки
|
Масса поковки,
кг
|
При штамповке
|
|
|
на прессе
|
на ГКМ
|
|
До 0,25
|
0,2
|
0,3
|
|
Свыше 0,25 до
1,6
|
0,3
|
0,5
|
|
1,6 " 4
|
0,7
|
|
4 " 10
|
0,5
|
0,9
|
|
10 " 25
|
0,6
|
1,1
|
|
25 " 40
|
0,7
|
1,2
|
Таблица 12 Кривизна
поковки Δк после ковки на ГКМ
|
Диаметр
поковки, мм
|
Δк,
мкм на 1 мм длины
|
|
До 60
|
2
|
|
Свыше 60
|
1
|
Таблица 13 Удельное
коробление отливок
|
Детали
|
Δк,
мкм на 1 мм длины
|
|
Корпусные
|
0,7.. .1,0
|
|
Плиты
|
2...3
|
|
Примечания. 1.
Величина смещения отливок по плоскости разъема определяется по ГОСТ 26645-85.
2. Базирование заготовки по черновому отверстию следует использовать только
на первой операции.
|
Таблица 14 Коэффициент уточнения Ку
для отливок, поковок, штампованных заготовок и сортового проката
|
Технологический
переход
|
КУ
|
|
Однократное и черновое
точение штампованных заготовок, заготовок из горячекатаного проката,
предварительное шлифование проката
|
0,06
|
|
Получистовая
обработка заготовок из проката, штампованных заготовок, рассверливание
отверстий, смещение оси отверстия после черновой обработки
|
0,05
|
|
Чистовое
точение заготовок из сортового проката обыкновенного качества, штампованных
заготовок, после первого технологического перехода обработки литых заготовок,
после чистового шлифования проката
|
0,04
|
|
Двукратное
обтачивание калиброванного проката или двукратное шлифование заготовок после
токарной обработки
|
0,02
|
|
Получистовая
обработка (зенкерование и черновое развертывание отверстий)
|
0,005
|
|
Чистовая
обработка - развертывание отверстий
|
0,002
|
Таблица 15 Погрешность установки заготовок
в патронах и на оправках без выверки
|
Тип патрона или
оправки
|
Квалитет базы
заготовки
|
Погрешность
установки, мкм, для направления
|
|
|
|
радиального
|
осевого
|
|
Цанговые
оправки при диаметре установочной поверхности, мм: до 50 свыше 50 до 200
|
7-9
|
10...35
20...60
|
20 50
|
|
Трех кулачковые
патроны с незакаленными кулачками или разрезными втулками при диаметре до 120
мм
|
При зазоре до
закрепления погрешность 0,02.. .0,10 мм
|
10...30
|
10...120
|
|
Двух кулачковые
патроны при диаметре детали 200 мм: с винтами с рейками
|
11-13
|
100...200
20...60
|
50...100
15...40
|
|
Цилиндрические
оправки с гайками (установка на оправку с зазором)
|
8-11
|
В пределах
допуска зазора
|
10
|
|
|
Конусные
оправки при отверстии длиной менее 1,5d
|
7
|
30
|
Определяется
размерами деталей и оправок
|
|
|
Патроны и
оправки с упругими втулками и гидропластмассой при отверстии длиной: до 0,5d свыше 3.0d
|
7-9
|
3...10 10...20
|
-
|
|
|
Патроны и
оправки с пластинчатыми (тарельчатыми) пружинами
|
7-11
|
10...20
|
-
|
|
|
Патроны и
оправки с упругими втулками и роликами, опирающимися на тела, имеющими форму
гиперболоида вращения
|
7-8
|
3...8
|
-
|
|
|
Мембранные
патроны
|
7-9
|
3...5
|
-
|
|
|
Патроны и
оправки с упругими элементами гофрированного типа
|
5-7
|
2...5
|
-
|
|
|
Примечание.
Применение пневматических и гидравлических силовых узлов позволяет уменьшить
погрешность установки на 20... 40%. Обработку с использованием необработанных
кулачков и втулок применяют при партии деталей не более 80... 120 шт.
|
|
|
|
|
|
|
|
|
|
Таблица 16 Погрешность
(мкм) установки заготовок в приспособлении
|
Вид образца-заготовки
|
Направление
смещения заготовки
|
Диаметр базы,
мм
|
|
|
свыше 6 до 10
|
свыше 10 до 18
|
свыше 18 до 30
|
свыше 30 до 50
|
свыше 50 до 80
|
свыше 80 до 120
|
свыше 120 до
180
|
свыше 180 до
260
|
свыше 260 до
500
|
|
Установка в
цанговом патроне
|
|
Шлифованная
контрольная оправка, установленная в новом патроне
|
Радиальное
Осевое
|
15.. .20 25
|
15.. .40 50
|
20.. .45 75..
.100
|
25.. .50 100
|
30.. .75 150..
.200
|
-
|
-
|
-
|
-
|
|
Прутки
калиброванные
|
Радиальное
Осевое
|
50 30
|
60 40
|
70 50
|
90 60
|
100 70
|
120 80
|
-
|
-
|
-
|
|
Установка в
трех кулачковом самоцентрирующемся патроне
|
|
Прутки
горячекатаные: повышенной
точности обычной точности
|
Радиальное
Осевое
|
100 70
|
120 80
|
150 100
|
200 130
|
300 200
|
450 300
|
650 420
|
-
|
-
|
|
Радиальное
Осевое
|
-
|
200 130
|
220 150
|
280 190
|
400 250
|
500 350
|
800 520
|
-
|
-
|
|
Единичная заго-
|
|
|
|
|
|
|
|
|
|
|
|
|
товка с базой:
|
|
|
|
|
|
|
|
|
|
|
|
|
шлифованной
|
Радиальное
|
20
|
20
|
20
|
20
|
30
|
30
|
40
|
40
|
50
|
|
|
чисто обрабо-
танной
|
Осевое
|
10
|
10
|
10
|
10
|
15
|
15
|
25
|
25
|
30
|
|
|
Радиальное
|
50
|
50
|
50
|
50
|
80
|
80
|
100
|
100
|
120
|
|
|
Осевое
|
30
|
30
|
30
|
30
|
50
|
50
|
80
|
80
|
100
|
|
|
Отливка по вы-
|
Радиальное
|
100
|
100
|
100
|
100
|
150
|
150
|
200
|
200
|
250
|
|
|
плавляемой
модели или в обо лочковую форму
|
Осевое
|
50
|
50
|
50
|
50
|
80
|
80
|
100
|
100
|
120
|
|
|
Предварительно
обработанная поверхность; за готовка, штампованная на ГКШП -
|
Радиальное
Осевое
|
200 80
|
200 80
|
200 80
|
200 80
|
300 100
|
300 100
|
400 %20
|
400 120
|
500 150
|
|
|
Примечание. При
установке в цанговых патронах единичных заготовок вместо прутковых погрешность
установки в осевом направлении увеличивается на 10... 30 мкм. При неподвижной
цанге смещение в осевом направлении минимально (5. ..20 мкм). Поджатием
деталей при закреплении в патронах погрешность установки можно уменьшить на
20. ..30%. В патронах с пневматическими и гидравлическими силовыми узлами
погрешность установки уменьшается на 20. ..40% по сравнению с указанными в
таблице.
|
|
|
|
|
|
|
|
|
|
|
|
|
|
|
|
|
Таблица 17 Погрешность (мкм) установки
заготовок на опоры
(в числителе - для постоянных опор; в
знаменателе - для опорных пластин)
|
Поверхность
заготовки
|
Наибольший
размер заготовки по нормали к обработанной поверхности, мм
|
|
|
6...10
|
10.. .18
|
18.. .30
|
30.. .50
|
50...80
|
80.. .120
|
|
Установка в
приспособлении с винтовыми или эксцентриковыми зажимами
|
|
Шлифованная
|
60/20
|
70/30
|
80/40
|
90/50
|
100/60
|
110/70
|
|
Чисто
обработанная, полученная литьем под давлением
|
70/30
|
80/40
|
90/50
|
100/60
|
110/70
|
120/80
|
|
Предварительно
обработанная, полученная литьем по выплавляемым моделям или в оболочковые
формы
|
80/40
|
90/50
|
100/60
|
110/70
|
120/80
|
130/90
|
|
Полученная
литьем в постоянную форму, в песчаную форму машинной формовки, по
металлическим моделям
|
-/55
|
100/60
|
110/70
|
120/80
|
130/90
|
140/100
|
|
Штампованная,
горячекатаная
|
90/90
|
100/100
|
125/110
|
150/120
|
175/135
|
200/150
|
|
Установка в
приспособлении с пневматическим приводом
|
|
Шлифованная
|
35/15
|
40/20
|
50/25
|
55/30
|
60/40
|
70/50
|
|
Чисто
обработанная, полученная литьем под давлением
|
55/25
|
60/30
|
65/35
|
70/40
|
80/50
|
100/60
|
|
Предварительно
обработанная, полученная литьем по выплавляемым моделям или в оболочковые
формы
|
65/35
|
70/40
|
75/50
|
80/55
|
90/60
|
110/70
|
|
Полученная
литьем в постоянную форму, в песчаную форму машинной формовки, по
металлическим моделям
|
-/50
|
80/55
|
90/60
|
100/65
|
110/70
|
120/80
|
|
Штампованная,
горячекатаная
|
70/70
|
90/80
|
100/90
|
120/100
|
140/110
|
160/120
|
|
|
|
|
|
|
|
|
Таблица 18 Погрешность установки заготовки
на опорные пластины приспособлений с пневматическим приводом (база заготовки -
предварительно обработанная)
|
Наибольший
размер заготовки по нормали к обработанной поверхности, мм
|
Погрешность
установки заготовки, мкм
|
|
50.. .80 80..
.120 120...200
|
60 70 80
|
Таблица 19 Качество
поверхности Rz (мкм) сортового проката
|
Диаметр
проката, мм
|
Точность
проката
|
|
|
высокая
|
повышенная
|
обычная
|
|
|
Rz
|
h
|
Rz
|
h
|
Rz
|
h
|
|
До 30
|
63
|
50
|
80
|
125
|
150
|
|
Свыше 30 до 80
|
100
|
75
|
125
|
150
|
160
|
250
|
|
80 " 180
|
125
|
100
|
160
|
200
|
200
|
300
|
|
" 180
" 250
|
200
|
200
|
250
|
300
|
320
|
400
|
|
Примечание: h - глубина дефектного слоя, мкм
|
Таблица 20 Качество поверхности Rz(мкм) поперечно-винтового
проката
|
Диаметр
проката, мм
|
Rz при точности проката
|
Глубина
дефектного слоя h, мкм
|
|
повышенной
|
нормальной
|
|
|
До 10
|
63
|
100
|
100
|
|
Свыше 10 до 18
|
100
|
200
|
180
|
|
18 " 30
|
160
|
320
|
300
|
|
30 " 50
|
320
|
500
|
500
|
|
50 " 80
|
500
|
800
|
800
|
|
80 " 120
|
800
|
1250
|
1200
|
|
" 120
" 180
|
1250
|
1600
|
2000
|
Таблица 21 Точность и
качество поверхности после отрезки сортового проката
|
Способ отрезки
|
Квалитет
|
Rz + h, мкм
|
|
На ножницах
|
17
|
300
|
|
Приводными
ножовками, дисковыми фрезами на фрезерных станках
|
14
|
200
|
|
Отрезными
резцами на токарных станках, отрубка на прессах
|
13
|
200
|
Таблица 22 Точность и качество поверхности
заготовок из проката после механической обработки
|
Способ
обработки
|
Квалитет
|
Rz, мкм
|
h, МКМ
|
|
Наружные
поверхности
|
|
Обтачивание
резцами проката повышенной и обычной точности:
|
|
|
|
|
обдирочное
|
14
|
125
|
120
|
|
черновое
|
12
|
63
|
60
|
|
чистовое и
однократное
|
10, 11
|
32.. .20
|
30
|
|
тонкое-,
|
7,9
|
6.3...3.2
|
-
|
|
Шлифование в
центрах проката обычной точности; бесцентровое шлифование про-
|
|
|
|
|
ката повышенной
и высокой точности:
|
|
|
|
|
черновое
|
8,9
|
10
|
20
|
|
чистовое и
однократное
|
7,8
|
6,3
|
12
|
|
тонкое
|
5,6
|
3,2.. .0,8
|
6.. .2
|
|
Торцовые
поверхности
|
|
Подрезание
резцами на токарных станках; шлифование на кругло- и торцешли-фовальных
станках:
|
|
|
|
|
черновое
|
12
|
50
|
50
|
|
однократное
|
11
|
32
|
30
|
|
чистовое
|
6
|
5.. .10
|
-
|
Таблица 23 Качество поверхности поковок Rz + h (мкм), изготавливаемых
ковкой, при нормальной точности (в скобках - при повышенной точности)
|
Наибольший размер
поковки, мм
|
Пресс
|
Молот
|
Подкладные
штампы
|
|
От 50 до 180
|
1000 (800)
|
1000
|
750
|
|
Свыше 180 до
500
|
1500 (1000)
|
1500
|
1250
|
|
500 " 1250
|
2000(1500)
|
2000
|
1500
|
|
" 1250
" 3150
|
2500 (2000)
|
2500
|
-
|
|
" 3150
" 6300
|
3000 (2500)
|
3000
|
-
|
|
" 6300
" 10000
|
3500 (- )
|
3500
|
-
|
Таблица 24 Качество поверхности поковок,
изготовляемых штамповкой
|
Масса поковки,
кг
|
Rz, мкм
|
h, мкм
|
|
До 0,25
|
80
|
150
|
|
Свыше 0,25 до 4
|
160
|
200
|
|
4 " 25
|
200
|
250
|
|
25 " 40
|
250
|
300
|
|
40 " 100
|
320
|
350
|
|
100 " 200
|
400
|
400
|
Таблица 25 Точность и качество поверхности
поковок после механической обработки, получаемых ковкой на прессах и в
подкладных штампах
|
Способ
обработки
|
Квалитет
|
Rz, мкм
|
h, мкм
|
|
Точение
резцами, фрезерование:
|
|
|
|
|
обдирочное
|
17
|
1250
|
350
|
|
черновое
|
15, 16
|
250
|
240
|
|
получистовое
|
12.. .14
|
125
|
120
|
|
чистовое
|
10, 11
|
40
|
40
|
|
тонкое
|
6,7
|
5
|
5
|
|
Шлифование:
|
|
|
|
|
обдирочное
|
14, 15
|
20
|
20
|
|
черновое
|
10
|
15
|
15
|
|
чистовое
|
6,7
|
5
|
5
|
|
тонкое
|
5,6
|
2,5
|
5
|
Таблица 26 Точность и качество поверхности
штампованных поковок после механической обработки
|
Деталь
|
Способ
обработки
|
Квалитет
|
Rz, мкм
|
H, мкм
|
|
|
Обтачивание
наружных
|
|
|
|
|
|
поверхностей:
|
|
|
|
|
|
обдирочное
|
11, 12
|
32
|
30
|
|
|
черновое
|
12
|
50
|
50
|
|
|
чистовое
|
11
|
25
|
25
|
|
|
тонкое
|
7.. .9
|
5
|
5
|
|
|
Подрезание
торцовых
|
|
|
|
|
Вал ступенча-
|
поверхностей:
|
|
|
|
|
тый
|
черновое
|
12
|
50
|
50
|
|
|
чистовое
|
11
|
32
|
30
|
|
|
однократное
|
14
|
100
|
100
|
|
|
Шлифование:
|
|
|
|
|
|
однократное
|
7.. .9
|
5
|
10
|
|
|
черновое
|
8,9
|
10
|
20
|
|
|
чистовое
|
6,7
|
5
|
15
|
|
|
тонкое
|
5,6
|
2,5
|
5
|
|
Диск
|
Обтачивание
наружных поверхностей: однократное черновое получистовое чистовое
|
10…12 14 9…10
8…9
|
32 100 50
25
|
30 100 50
25
|
|
|
Подрезание
торцовых поверхностей: черновое чистовое
|
10…12 11
|
32 25
|
50 25
|
|
|
Шлифование:
однократное черновое чистовое тонкое
|
7...9 8…9
6…7 5…6
|
5 10 5 2,5
|
10 20 15 5
|
|
Рычаг
(плоскости, параллельные оси детали и плоскости разъема головок)
|
Фрезерование:
однократное черновое получистовое
|
10…12 14 12
|
32 100 50
|
30 100 50
|
|
|
Протягивание:
чистовое однократное
|
11 10
|
10 5
|
15 10
|
|
|
Шлифование:
однократное черновое чистовое тонкое
|
7...9 8…9 6…7
5…6
|
5 10 5 2,5
|
10 20 15 5
|
Обтачивание:
черновое чистовое
|
12 11
|
50 25
|
50 25
|
Таблица 27 Точность и качество поверхности
после механической обработки отливок
|
Обработка
|
Квалитет
|
Rz, мкм
|
h, мкм
|
|
Отливка
|
|
Обдирка
|
17, 16
|
320
|
320
|
|
Черновая
|
15, 14
|
240
|
240
|
|
Получистовая
|
14.. .12
|
100
|
100
|
|
Чистовая
|
11, 10
|
20
|
20
|
|
Точение,
фрезерование, строгание, литье в кокиль и центробежное литье
|
|
Однократная
|
11
|
25
|
25
|
|
Черновая
|
12
|
80
|
50
|
|
Чистовая
|
10
|
20
|
20
|
|
Тонкая
|
7.. .9
|
5
|
5
|
|
Литье в
оболочковые формы
|
|
Однократная
|
10, 11
|
25
|
25
|
|
Черновая
|
11
|
80
|
80
|
|
Чистовая
|
10
|
20
|
20
|
|
Тонкая
|
7.. .9
|
5
|
5
|
|
Литье по
выплавляемым моделям
|
|
Однократная
|
10
|
15
|
20
|
|
Тонкая
|
7.. .9
|
2,5
|
5
|
|
Шлифование
отливок, получаемых различными способами
|
|
Однократная
|
7
|
5
|
10
|
|
Черновая
|
8,9
|
10
|
20
|
|
Чистовая
|
6.. .8
|
5
|
15
|
|
Тонкая
|
5,6
|
0,63
|
-
|
|
|
|
|
|
|
|
Таблица 28 Припуски на диаметр (мм) на
механическую обработку валов (наружные поверхности вращения)
|
Номинальный
диаметр, мм
|
Обработка
поверхности
|
Длина вала, мм
|
|
|
до 120
|
свыше 120 до
260
|
свыше 260 до
500
|
свыше 500 до
800
|
|
Точение
проката повышенной точности
|
|
До 30
|
Черновая и
однократная
|
1,2 1,1
|
1,2
|
-
|
-
|
|
Чистовая
|
0,25
|
0,30
|
-
|
-
|
|
|
0,25
|
-
|
|
|
|
|
Тонкая
|
0,12
|
0,15
|
-
|
-
|
|
|
0,14
|
-
|
|
|
|
Свыше 30 до 50
|
Черновая и
однократная
|
1.2 1,1
|
1,5 1,4
|
2,2 -
|
-
|
|
Чистовая
|
0,30 0,25
|
0,30 43,25
|
0,35 -
|
|
|
Тонкая
|
0,15 0,12
|
0,16 0,13
|
0,20 -
|
|
|
Свыше 50 до 80
|
Черновая и
однократная
|
1,5 1,1
|
1,7 1,5
|
2,3 2,1
|
3,1 -
|
|
Чистовая
|
0,25 0,20
|
0,30 0,25
|
0,30 0,30
|
0,40 -
|
|
Тонкая
|
0,14 0,12
|
0,15 0,13
|
0,17 0,16
|
0,23 -
|
|
Свыше 80 до 120
|
Черновая и
однократная
|
1,6 1,2
|
1,7 1,3
|
2,0 1,7
|
2,5 2,3
|
|
Чистовая
|
0,25 0,25
|
0,30 0,25
|
0,30 0,30
|
0,30 0,30
|
|
Тонкая
|
0,14 0,13
|
0,15 0,13
|
0,16 0,15
|
0,17 0,17
|
|
Точение
проката обычной точности
|
|
До 30
|
Черновая и
однократная
|
1,3 1,1
|
1,7 -
|
-
|
-
|
|
Получистовая
|
0,45 0,45
|
0,50 -
|
-
|
-
|
|
Чистовая
|
0,25 0,20
|
0,25 -
|
-
|
-
|
|
Тонкая
|
0,13 0,12
|
0,15 -
|
-
|
-
|
|
Свыше 30 до 50
|
Черновая и
однократная
|
1.3 1,1
|
1,6 1,4
|
2,2 -
|
-
|
|
Получистовая
|
0,45 0,45
|
0,45 0,45
|
0,50 -
|
-
|
|
Чистовая
|
0,25 0,20
|
0,25 0,25
|
0,30 -
|
-
|
|
Тонкая
|
0,13 0,12
|
0,14 0,13
|
0,16 -
|
-
|
|
Свыше 50 до 80
|
Черновая и
однократная
|
1,5 1,1
|
1,7 1,5
|
2,3 2,1
|
3,1 -
|
|
Получистовая
|
0,45 0,45
|
0,50 0,45
|
0,50 0,50
|
0,55 -
|
|
Чистовая
|
0,25 0,20
|
0,30 0,25
|
0,30 0,30
|
0,35 -
|
|
Тонкая
|
0,13 0,12
|
0,14 0,13
|
0,18 0,16
|
0,20 -
|
|
Свыше 80 до 1
20
|
Черновая и
однократная
|
1.8 1,2
|
1,9 1,5
|
2,1 1,7
|
2,6 2,3
|
|
Получистовая
|
0,50 0,45
|
0,50 0,45
|
0,50 0,50
|
0,50 0,50
|
|
Чистовая
|
0,25 0,25
|
0,25 0,25
|
0,30 0,25
|
0,30 0,30
|
|
Тонкая
|
0,15 0,12
|
0,15 0,13
|
0,16 0,14
|
0,18 0,17
|
|
Свыше 120 до
180
|
Черновая и
однократная
|
2,0 1,3
|
2,1
1,4
|
2,3 1,8
|
2,7 2,3
|
|
Получистовая
|
0,50 0,45
|
0,50 0,45
|
0,50 0,50
|
0,50 0,50
|
|
Чистовая
|
0,30 0,25
|
0,30 0,25
|
0,30 0,25
|
0,30 0,30
|
|
Тонкая
|
0,16 0,13
|
0,16 0,13
|
0,17 0,15
|
0,18 0,17
|
|
Свыше 180 до
260
|
Черновая и
однократная
|
2,3 1,4
|
2,4 1,5
|
2,6 1,8
|
2,9 2,4
|
|
Получистовая
|
0,50 0,45
|
0,50 0,45
|
0,50 0,50
|
0,55 0,50
|
|
Чистовая
|
0,30 0,25
|
0,30 0,25
|
0,30 0,25
|
0,30 0,30
|
|
Тонкая
|
0,17 0,13
|
0,17 0,14
|
0,18 0,15
|
0,19 0,17
|
|
Точение
штамповых заготовок
|
|
До 18
|
Черновая и
однократная
|
1,5 1,4
|
1,9 -
|
-
|
-
|
|
Чистовая
|
0,25 0,25
|
0,30 -
|
-
|
-
|
|
|
|
|
|
|
|
Тонкая
|
0,14 0,14
|
0,15 -
|
-
|
-
|
|
Свыше
18 до 30
|
Черновая и
однократная
|
1,6 1,5
|
2,0 1,8
|
2,3 -
|
-
|
|
Чистовая
|
0,25 0,25
|
0,30 0,25
|
0,30 -
|
-
|
|
Тонкая
|
0,14 0,14
|
0,15 0,14
|
0,16 -
|
-
|
|
Свыше 30 до 50
|
Черновая и
однократная
|
1,8 1,7
|
2,3 2,0
|
3,0 2,7
|
3,5 -
|
|
Чистовая
|
0,30 0,25
|
0,30 0,30
|
0,30 0,30
|
0,35 -
|
|
Тонкая
|
0,15 0,15
|
0,16 0,15
|
0,19 0,17
|
0,21 -
|
|
Свыше
50 до 80
|
Черновая и
однократная
|
2,2 2,0
|
2,9 2,6
|
3,4 2,9
|
4,2 3,6
|
|
Чистовая
|
0,30 0,30
|
0,30 0,30
|
0,35 0,30
|
|
Тонкая
|
0,16 0,16
|
0,18 0,17
|
0,20 0,18
|
0,22 0,20
|
|
Свыше 80 до 120
|
Черновая и
однократная
|
2,6 2,3
|
3,3 3,0
|
4,3 3,8
|
5,2 4,5
|
|
Чистовая
|
0,30 0,30
|
0,30 0,30
|
0,40 0,35
|
0,45 0,40
|
|
Тонкая
|
0,17 0,17
|
0,19 0,18
|
0,23 0,21
|
0,26 0,24
|
|
Свыше 120 до
180
|
Черновая и
однократная
|
3,2 2,8
|
4,6 4,2
|
5,0 4,5
|
6,2 5,6
|
|
Чистовая
|
0,35 0,30
|
0,40 0,30
|
0,45 0,40
|
0,50 0,45
|
|
Тонкая
|
0,20 0,20
|
0,24 0,22
|
0,25 0,23
|
0,30 0,27
|
|
Шлифование
заготовок
|
|
До 30
|
Предварительная: после термообработки
после чистового точения
|
0,3 0,1
|
0,60 0,1
|
-
|
-
|
|
Чистовая после
предварительного шлифования
|
0,06
|
0,06
|
-
|
-
|
|
Свыше 30 до 50
|
Предварительная: после термообработки
после чистового точения
|
0,25 0,10
|
0,50 0,10
|
0,85 0,10
|
- -
|
|
Чистовая после
предварительного шлифования
|
0,06
|
0,06
|
0,06
|
-
|
|
Свыше 50 до 80
|
Предварительная: после термообработки
после чистового точения
|
0,25 0,10
|
0,40 0,10
|
0,75 0,10
|
1,20 0,10
|
|
|
Чистовая после
предварительного шлифования
|
0,06
|
0,06
|
0,06
|
0,06
|
|
Свыше 80 до 120
|
Предварительная: после термообработки
после чистового точения
|
0,20 0,10
|
0,35 0,10
|
0,65 0,10
|
1,00 0,10
|
|
Свыше 80 до 120
|
Чистовая после
предварительного шлифования
|
0,06
|
0,06
|
0,06
|
0,06
|
|
Свыше 120 до
180
|
Предварительная:
после термообработки после чистового точения
|
0,17 0,10
|
0,30 0,10
|
0,55 0,10
|
0,85 0,10
|
|
Чистовая после
предварительного шлифования
|
0,06
|
0,06
|
0,06
|
0,06
|
|
Примечания: 1.
Припуски при точении в числителе указаны при установке заготовки в патроне, в
знаменателе - в центрах (для шлифования припуски одинаковые при установке в
центрах и патроне). 2. Если величина припуска при шлифовании не может быть
снята за один проход, то 70% его удаляют на первом и 30% на втором проходе.
3. Величины припусков на обработку конических поверхностей принимать те же,
что и на обработку цилиндрических, устанавливая их по наибольшему диаметру.
|
Таблица 29 Припуски (мм) на тонкое
(алмазное) растачивание отверстий
|
Диаметр
обрабатываемого отверстия, мм
|
Обрабатываемый
материал
|
|
бронза и чугун
|
сталь
|
|
До 30
|
0,2/0,1
|
0,2/0,1
|
|
Свыше 30 до 50
|
0,3/0,1
|
0,2/0,1
|
|
50 " 80
|
0,3/0,1
|
0,2/0,1
|
|
80 " 120
|
0,3/0,1
|
0,3/0,1
|
|
" 120
" 180
|
0,4/0,1
|
0,3/0,1
|
|
" 180
" 250
|
0,4/0,1
|
0,3/0,1
|
|
" 250
" 360
|
0,4/0,1
|
0,3/0,1
|
|
" 360
" 400
|
0,5/0,1
|
0,4/0,1
|
|
400 " 500
|
0,5/0,1
|
0,4/0,1
|
|
Примечание. В
числителе приведены припуски на предварительную обработку, в знаменателе - на
окончательную. В случае применения одного растачивания припуск определяется
как сумма припусков на предварительное и окончательное растачивание.
|
Таблица 30 Припуски на диаметр (мм) на
шлифование отверстий
(в числителе - на детали до
термообработки, в знаменателе - после термообработки)
|
Диаметр
отверстия, мм
|
Длина
отверстия, мм
|
|
|
до 50
|
свыше 50 до 1
00
|
свыше 1 00 до
200
|
свыше 200 до
300
|
свыше 300 до
500
|
|
Предварительное
шлифование
|
|
До 10
|
0,2
|
-
|
-
|
-
|
-
|
|
Свыше 10 до 18
|
0,2/0,3
|
0,3/0,4
|
-
|
-
|
-
|
|
18 " 30
|
0,2/0,3
|
0,3/0,4
|
0,4/0,4
|
-
|
-
|
|
30 " 50
|
0,3/0,4
|
0,3/0,4
|
0,4/0,4
|
0,4/0,5
|
-
|
|
50 " 80
|
0,3/0,4
|
0,4/0,5
|
0,5/0,5
|
0,4/0,5
|
-
|
|
80 " 120
|
0,5/0,5
|
0,4/0,5
|
0,5/0,6
|
0,6/0,6
|
0,6/0,7
|
|
120 " 180
|
0,6/0,6
|
0,6/0,6
|
0,6/0,6
|
0,6/0,6
|
0,6/0,7
|
|
" 180
" 260
|
0,6/0,7
|
0,6/0,7
|
0,7/0,7
|
0,7/0,7
|
0,8/0,8
|
|
260 " 360
|
0,6/0,7
|
0,7/0,8
|
0,7/0,8
|
0,8/0,8
|
0,8/0,9
|
|
" 360
" 500
|
0,8/0,8
|
0,8/0,8
|
0,8/0,8
|
0,9/0,9
|
0,9/0,9
|
|
Окончательное
шлифование
|
|
До 10
|
0,04
|
-
|
-
|
-
|
-
|
|
Свыше 10 до 18
|
0,05
|
0,06
|
-
|
-
|
-
|
|
18 " 30
|
0,05
|
0,06
|
0,06
|
-
|
-
|
|
30 " 50
|
0,06
|
0,06
|
0,06
|
0,08
|
-
|
|
50 " 80
|
0,06
|
0,06
|
0,08
|
0,08
|
-
|
|
80 " 120
|
0,08
|
0,08
|
0,10
|
0,10
|
0,12
|
|
" 120
" 180
|
0,10
|
0,10
|
0,10
|
0,10
|
0,12
|
|
' 180 "
260
|
0,12
|
0,12
|
0,12
|
0,12
|
0,14
|
|
260 " 360
|
0,12
|
0,14
|
0,14
|
0,14
|
0,16
|
|
360 " 500
|
0,14
|
0,14
|
0,14
|
0,16
|
0,18
|
Таблица 31 Исполнительные размеры
инструментов (мм) при обработке отверстий в сплошном материале по 7-му и 8-му
квалитетам
|
Диаметр
отверстия, мм
|
Сверление
|
Чистовое
растачивание
|
Зенкеро-вание
|
Предварительное
развертывание
|
|
|
номинал
|
допуск
|
первое
|
второе
|
номинал
|
допуск по Н11
|
|
|
|
|
по Н7
|
по НВ
|
|
|
|
|
|
|
|
|
3
|
0,01
|
0,014
|
2,9
|
-
|
-
|
-
|
-
|
-
|
|
|
4
|
0,012
|
0,018
|
3,9
|
-
|
-
|
-
|
-
|
-
|
|
|
5
|
|
|
4,8
|
|
|
|
|
|
|
|
6
|
|
|
5,8
|
|
|
|
|
|
|
|
7
|
0,015
|
0,022
|
6,8
|
-
|
-
|
-
|
-
|
-
|
|
|
8
|
|
|
7,8
|
|
|
|
|
7,96
|
|
|
9
|
|
|
8,8
|
|
|
|
|
8,96
|
|
|
10
|
|
|
9,8
|
|
|
|
|
9,96
|
|
|
11
|
0,018
|
0,027
|
10
|
-
|
-
|
-
|
10,79
|
10,95
|
|
|
12
|
|
|
11
|
|
|
|
12,79
|
12,95
|
|
|
13
|
|
|
12
|
|
|
|
12,79
|
12,95
|
|
|
14
|
|
|
13
|
|
|
|
13,79
|
13,95
|
|
|
15
|
|
|
14
|
|
|
|
14,79
|
14,95
|
|
|
16
|
|
|
15
|
|
|
|
15,79
|
15,95
|
|
|
18
|
|
|
17
|
|
|
|
17,79
|
17,94
|
|
|
20
|
0,033
|
18
|
-
|
19,8
|
0,13
|
19,75
|
19,94
|
|
|
22
|
|
|
20
|
|
21 8
|
|
21,75
|
21,94
|
|
|
24
|
|
|
22
|
|
23,8
|
|
23,75
|
23,94
|
|
|
25
|
|
|
23
|
|
24,8
|
|
24,75
|
24,94
|
|
|
26
|
0,021
|
0,033
|
24
|
-
|
25,8
|
0,13
|
25,75
|
25,94
|
|
28
|
|
|
26
|
-
|
27,8
|
|
27,75
|
27,94
|
|
30
|
|
|
15
|
28
|
29,8
|
|
29,75
|
29,94
|
|
32
|
0,025
|
0,039
|
15
|
30
|
31,7
|
0,16
|
31,71
|
31,94
|
|
34
|
|
|
15
|
32
|
33,7
|
|
33,71
|
33,93
|
|
35
|
|
|
20
|
33
|
34,7
|
|
34,71
|
34,93
|
|
36
|
|
|
20
|
34
|
35,7
|
|
35,71
|
35,93
|
|
37
|
|
|
20
|
35
|
36,7
|
|
36,71
|
36,93
|
|
38
|
|
|
22
|
38
|
37,7
|
|
37,71
|
37,93
|
|
39
|
|
|
24
|
39
|
38,7
|
|
39,71
|
39,93
|
|
42
|
|
|
25
|
40
|
41,7
|
|
41,71
|
41,93
|
|
45
|
|
|
25
|
43
|
44,7
|
|
44,71
|
44,93
|
|
47
|
|
|
25
|
45
|
46,7
|
|
46,71
|
46,93
|
|
48
|
|
|
25
|
46
|
47,7
|
|
47,71
|
47,93
|
|
50
|
|
|
25
|
48
|
49,7
|
|
49,71
|
49,93
|
|
Примечания: 1. При сверлении
отверстий в чугуне применять одно сверло для диаметров 30 и 32 мм (для
отверстия 30 применять сверло 28, для отверстия 32 - сверло 30). 2. Выбор перехода «растачивание» или «зенкерование»
определяется технологическим процессом. 3.
Для обработки отверстий диаметром свыше 30 мм вместо разверток можно
применять расточные оправки типа «микробор».
4. Диаметр чистовой развертки выбирают в
соответствии с номинальным диаметром отверстия с допусками по Н7
или Н8.
|
|
|
|
|
|
|
|
|
|
|
|
|
Таблица 32 Исполнительные размеры
инструментов (мм) при обработке прошитых или полученных литьем отверстий по
7-му и 8-му квалитетам
|
Диаметр
отверстия, мм
|
Черновое
растачивание
|
Чистовое
растачивание
|
Развертывание,
тонкое растачивание (первое)
|
|
номинал
|
допуск
|
первое
|
второе
|
номинал
|
допуск поН11
|
|
|
по H7
|
по Н8
|
|
|
|
|
|
|
30
|
0,021
|
0,033
|
-
|
28
|
29,8
|
0,13
|
29,93
|
|
32
|
0,025
|
0,039
|
-
|
30
|
31,7
|
0,16
|
31 ,93
|
|
34
|
|
|
-
|
32
|
33,7
|
|
33,93
|
|
35
|
|
|
-
|
33
|
34,7
|
|
34,93
|
|
36
|
|
|
-
|
34
|
35,7
|
|
35,93
|
|
37
|
|
|
-
|
35
|
36,7
|
|
36,93
|
|
38
|
|
|
-
|
36
|
37,7
|
|
37,93
|
|
40
|
|
|
-
|
38
|
39,7
|
|
39,93
|
|
42
|
|
|
-
|
40
|
41,7
|
|
41,93
|
|
45
|
|
|
-
|
43
|
44,7
|
|
44,93
|
|
47
|
|
|
-
|
45
|
46,7
|
|
46,93
|
|
52
|
0,03
|
0,046
|
47
|
50
|
51,5
|
0,19
|
51,92
|
|
55
|
|
|
50
|
53
|
54,5
|
|
54,92
|
|
58
|
|
|
53
|
56
|
57,5
|
|
57,92
|
|
60
|
|
|
55
|
58
|
59,5
|
|
59,92
|
|
62
|
|
|
57
|
60
|
61,5
|
|
61,92
|
|
63
|
|
|
58
|
61
|
62,5
|
|
62,92
|
|
65
|
|
|
60
|
63
|
64,5
|
|
64,92
|
|
68
|
|
|
63
|
66
|
67,5
|
|
67,9
|
|
70
|
|
|
65
|
68
|
69,5
|
|
69,9
|
|
72
|
|
|
67
|
70
|
71,5
|
|
71,9
|
|
75
|
|
|
70
|
73
|
74,5
|
|
74,9
|
|
78
|
|
|
73
|
76
|
77,5
|
|
77,9
|
|
80
|
|
|
75
|
78
|
79,5
|
|
79,9
|
|
85
|
|
|
80
|
83
|
84,3
|
|
84,85
|
|
90
|
|
|
85
|
88
|
89,3
|
|
89,85
|
|
95
|
|
|
90
|
93
|
94,3
|
|
94,85
|
|
100
|
0,035
|
0,054
|
95
|
98
|
99,3
|
0,22
|
99,85
|
|
105
|
|
|
100
|
103
|
104,3
|
|
104,8
|
|
110
|
|
|
105
|
108
|
109,3
|
|
109,8
|
|
115
|
|
|
110
|
113
|
114,3
|
|
114,8
|
|
120
|
|
|
115
|
118
|
119,3
|
|
119,8
|
|
125
|
|
|
120
|
123
|
124,3
|
|
124,8
|
|
130
|
|
|
125
|
128
|
129,3
|
|
129,8
|
|
135
|
|
|
130
|
133
|
134,3
|
|
134,8
|
|
140
|
|
|
135
|
138
|
139,3
|
|
139,8
|
|
150
|
|
|
145
|
148
|
149,3
|
|
149,8
|
|
155
|
0,04
|
0,063
|
150
|
153
|
154,3
|
0,25
|
154,8
|
|
160
|
|
|
155
|
158
|
159,3
|
|
159,8
|
|
165
|
|
|
160
|
163
|
164,3
|
|
164,8
|
|
170
|
|
|
165
|
168
|
|
169,8
|
|
175
|
|
|
170
|
173
|
174,3
|
|
174,8
|
|
180
|
|
|
175
|
178
|
179,3
|
|
179,8
|
|
190
|
|
|
185
|
188
|
189,3
|
|
189,8
|
|
195
|
0,046
|
0,072
|
190
|
193
|
194,3
|
0,29
|
194,8
|
|
200
|
|
|
194
|
197
|
199,3
|
|
199,8
|
|
Примечание.
Окончательное развертывание и тонкое растачивание отверстий выполняют по их
номинальным диаметрам с допусками по Н7 или Н8.
|
Таблица 33 Исполнительные размеры
инструментов (мм) при обработке отверстий в сплошном материале по 9-му и 11 -му
квалитетам
|
Диаметр
отверстия, мм
|
Обработка
отверстий с допусками по Н9
|
Сверление
|
Зенке рование
|
Раз-
верты- вание
|
|
номи- нал
|
допуск
|
сверление
|
чистовое
растачивание
|
зенкерование
|
Развер тывание
|
|
|
|
|
по Н9
|
по Н11
|
первое
|
второе
|
номинал
|
допуск по Н11
|
|
|
первое
|
второе
|
|
|
|
3
|
0,025
|
0,06
|
2,9
|
-
|
-
|
-
|
-
|
ЗН9
|
2,9
|
-
|
-
|
ЗН11
|
|
4
|
0,03
|
0,075
|
3,9
|
-
|
-
|
-
|
-
|
4Н9
|
3,9
|
-
|
-
|
4Н11
|
|
5
|
|
|
4,8
|
|
|
|
|
5Н9
|
4,8
|
|
|
5Н11
|
|
6
|
|
|
5,8
|
|
|
|
|
6Н9
|
5,8
|
|
|
6Н11
|
|
7
|
0,036
|
0,09
|
6,8
|
-
|
-
|
-
|
------
|
7Н9
|
6,8
|
-
|
-
|
7Н11
|
|
8
|
|
|
7,8
|
|
|
|
|
8Н9
|
7,8
|
|
|
8Н11
|
|
9
|
|
|
8,8
|
|
|
|
|
9Н9
|
8,8
|
|
|
9Н11
|
|
10
|
|
|
9,8
|
|
|
|
|
10Н9
|
9,8
|
|
|
10Н11
|
|
11
|
0,043
|
0,11
|
10
|
-
|
-
|
-
|
10,9
|
11Н9
|
10,8
|
-
|
-
|
11Н11
|
|
12
|
|
|
11
|
|
|
|
12,9
|
12Н9
|
11,8
|
|
-
|
12Н11
|
|
13
|
|
|
12
|
|
|
|
12,9
|
13Н9
|
12,7
|
|
-
|
13Н11
|
|
16
|
|
|
15
|
|
|
|
15,9
|
16Н9
|
14,3
|
|
16Н11
|
-
|
|
18
|
|
|
17
|
|
|
|
17,9
|
18Н9
|
16,3
|
|
18Н11
|
-
|
|
20
|
0,052
|
0,13
|
18
|
-
|
19,8
|
0,13
|
19,88
|
20Н9
|
17,5
|
-
|
20Н11
|
-
|
|
22
|
|
|
20
|
|
21,8
|
|
21,88
|
22Н9
|
19,5
|
-
|
22Н11
|
|
|
24
|
|
|
22
|
|
23,8
|
|
23,88
|
24Н9
|
21,5
|
-
|
24Н11
|
|
|
25
|
|
|
23
|
|
24,8
|
|
24,88
|
25Н9
|
22,5
|
-
|
25Н11
|
|
|
26
|
0,052
|
0,13
|
24
|
-
|
25,8
|
0,13
|
25,88
|
26Н9
|
24,5
|
-
|
26Н11
|
-
|
|
28
|
|
|
26
|
-
|
27,8
|
|
27,88
|
28Н9
|
25,5
|
-
|
28Н11
|
|
|
30
|
|
|
15
|
28
|
29,8
|
|
29,88
|
ЗОН9
|
20
|
27,5
|
ЗОН11
|
|
|
32
|
0,062
|
0,16
|
15
|
30
|
31,7
|
0,16
|
31,85
|
32Н9
|
20
|
29
|
32Н11
|
-
|
|
34
|
|
|
15
|
32
|
33,7
|
|
33,85
|
34Н9
|
20
|
31
|
34Н11
|
|
|
35
|
|
|
20
|
33
|
34,7
|
|
34,85
|
35Н9
|
20
|
32
|
35Н11
|
|
|
36
|
|
|
20
|
34
|
35,7
|
|
35,85
|
36Н9
|
20
|
33
|
36Н11
|
|
|
37
|
|
|
20
|
35
|
36,7
|
|
36,85
|
37Н9
|
20
|
34
|
37Н11
|
|
|
38
|
|
|
20
|
36
|
37,7
|
|
37,85
|
38Н9
|
20
|
35
|
38Н11
|
|
|
40
|
|
|
25
|
38
|
39,7
|
|
39,85
|
40Н9
|
25
|
38
|
40Н11
|
|
|
42
|
0,062
|
0,16
|
25
|
40
|
41,7
|
0,16
|
41,85
|
42Н9
|
25
|
40
|
42Н11
|
-
|
|
45
|
|
|
25
|
43
|
44,7
|
|
44,85
|
45Н9
|
25
|
43
|
45Н11
|
|
|
47
|
|
|
25
|
45
|
46,7
|
|
46,85
|
47Н9
|
25
|
45
|
47Н11
|
|
|
48
|
|
|
25
|
46
|
47,7
|
|
47,85
|
48Н9
|
25
|
46
|
48Н11
|
|
|
50
|
|
|
25
|
48
|
49,7
|
|
49,85
|
50Н9
|
25
|
48
|
50Н11
|
|
|
Примечания:
|
|
1. При
сверлении отверстий в чугуне применять одно сверло для диаметров 30 и 32 мм
(для отверстия 30 применять сверло 28, для отверстия 32 - сверло 30). 2.
Выбор перехода «растачивание» или «зенкерование» определяется технологическим
процессом.
|
|
|
|
|
|
|
|
|
|
|
|
|
|
|
|
|
|
|
|
|
|
Таблица 34 Исполнительные размеры
инструментов (мм) при обработке прошитых или полученных литьем отверстий по
9-му и 11 -му квалитетам
|
Диаметр
отверстия, мм
|
Обработка
отверстий
|
Зенкерование
|
|
|
допуск
|
черновое
растачивание
|
чистовое
растачивание
|
или
растачивание по Н11
|
|
номинал
|
по Н9
|
по Н11
|
первое
|
второе
|
номинал
|
допуск по Н11
|
первое
|
второе
|
первое
|
второе
|
|
30
|
0,052
|
0,13
|
-
|
28
|
29,8
|
0,13
|
29,93
|
ЗОН9
|
28
|
ЗОН11
|
|
32
|
0,062
|
0,16
|
-
|
30
|
31,7
|
0,16
|
31,93
|
32Н9
|
30
|
32Н11
|
|
34
|
|
|
-
|
32
|
33,7
|
|
33,93
|
34Н9
|
32
|
34Н11
|
|
35
|
|
|
-
|
33
|
34,7
|
|
34,93
|
35Н9
|
32
|
35Н11
|
|
36
|
|
|
-
|
34
|
35,7
|
|
35,93
|
36Н9
|
34
|
36Н11
|
|
37
|
|
|
-
|
35
|
36,7
|
|
36,93
|
37Н9
|
34
|
37Н11
|
|
38
|
|
|
-
|
36
|
37,7
|
|
37,93
|
38Н9
|
36
|
38Н11
|
|
40
|
|
|
-
|
38
|
39,7
|
|
39,93
|
40Н9
|
38
|
40Н11
|
|
42
|
|
|
-
|
40
|
41,7
|
|
41,93
|
42Н9
|
40
|
42Н11
|
|
45
|
|
|
-
|
43
|
44,7
|
|
44,93
|
45Н9
|
42
|
45Н11
|
|
47
|
|
|
-
|
45
|
46,7
|
|
46,93
|
47Н9
|
43
|
47Н11
|
|
48
|
|
|
-
|
46
|
47,7
|
|
47,93
|
48Н9
|
46
|
48Н11
|
|
50
|
|
|
45
|
48
|
49,7
|
|
49,93
|
50Н9
|
48
|
50Н11
|
|
52
|
0,074
|
0,19
|
47
|
50
|
51,5
|
0,19
|
51,92
|
52Н9
|
50
|
52Н11
|
|
55
|
|
|
50
|
53
|
54,5
|
|
54,92
|
55Н9
|
52
|
55Н11
|
|
58
|
0,074
|
0,19
|
53
|
56
|
57,5
|
0,19
|
57,92
|
58Н9
|
55
|
58Н11
|
|
60
|
|
|
55
|
58
|
59,5
|
|
59,92
|
60Н9
|
58
|
60Н11
|
|
62
|
|
|
57
|
60
|
61,5
|
|
61,92
|
62Н9
|
60
|
62Н11
|
|
63
|
|
|
58
|
61
|
62,5
|
|
62,92
|
63Н9
|
60
|
63Н11
|
|
65
|
|
|
60
|
63
|
64,5
|
|
64,92
|
65Н9
|
62
|
65Н11
|
|
68
|
|
|
63
|
66
|
67,5
|
|
67,9
|
68Н9
|
65
|
68/У11
|
|
70
|
|
|
65
|
68
|
69,5
|
|
69,9
|
70Н9
|
68
|
70Н11
|
|
72
|
|
|
67
|
70
|
71,5
|
|
71,9
|
72Н9
|
70
|
72Н11
|
|
75
|
|
|
70
|
73
|
74,5
|
|
74,9
|
75Н9
|
72
|
75Н11
|
|
78
|
|
|
73
|
76
|
77,5
|
|
77,9
|
78Н9
|
75
|
78Н11
|
|
80
|
|
|
75
|
78
|
79,5
|
|
79,9
|
80Н9
|
78
|
80Н11
|
|
85
|
0,087
|
0,22
|
80
|
83
|
84,3
|
0,22
|
84,85
|
85Н9
|
82
|
85Н11
|
|
90
|
|
|
85
|
88
|
89,3
|
|
89,85
|
90Н9
|
88
|
90Н11
|
|
95
|
|
|
90
|
93
|
94,3
|
|
94,85
|
95Н9
|
92
|
95Н11
|
|
100
|
|
|
95
|
98
|
99,3
|
|
99,85
|
100Н9
|
98
|
100Н11
|
|
105
|
|
|
100
|
103
|
104,3
|
|
104,8
|
105Н9
|
102
|
105Н11
|
|
110
|
|
|
105
|
108
|
109,3
|
|
109,8
|
110Н9
|
107
|
110Н11
|
|
115 120
|
0,087
|
0,22
|
110 115
|
113 118
|
114,3 119,3
|
0,22
|
114,8 119,8
|
115Н9 120Н9
|
112 117
|
115Н11 120Н11
|
|
125
|
0,1
|
0,25
|
120
|
123
|
124,3
|
0,25
|
124,8
|
125Н9
|
122
|
125Н11
|
|
130
|
|
|
125
|
128
|
129,3
|
|
129,8
|
130Н9
|
127
|
130Н11
|
|
135
|
|
|
130
|
133
|
134,3
|
|
134,8
|
135Н9
|
132
|
135Н11
|
|
140
|
|
|
135
|
138
|
139,3
|
|
139,8
|
140Н9
|
137
|
140Н11
|
|
145
|
|
|
140
|
143
|
144,3
|
|
144,8
|
145Н9
|
142
|
145Н11
|
|
150 155
|
|
|
145 150
|
148 153
|
149,3 154,3
|
|
149,8 154,8
|
150Н9 155Н9
|
147 152
|
150Н11 155Н11
|
|
160
|
|
|
155
|
158
|
159,3
|
|
159,8
|
157
|
160Н11
|
|
165
|
|
|
160
|
163
|
164,3
|
|
164,8
|
165Н9^-
|
162
|
165Н11
|
|
170
|
|
|
165
|
168
|
169,3
|
|
169,8
|
170Н9
|
167
|
170Н11
|
|
175
|
|
|
170
|
173
|
174,3
|
|
174,8
|
175Н9
|
172
|
175Н11
|
|
180
|
|
|
175
|
178
|
179,3
|
|
179,8
|
180Н9
|
177
|
180Н11
|
|
190
|
0,115
|
0,29
|
185
|
188
|
189,3
|
0,29
|
189,8
|
190Н9
|
187
|
19вН11
|
|
195
|
|
|
190
|
193
|
194,3
|
|
194,8
|
195Н9
|
192
|
195Н11
|
|
200
|
|
|
194
|
197
|
199,3
|
|
199,8
|
200Н9
|
197
|
200Н11
|
|
Примечание. При
обработке сквозных отверстий по Н9 диаметром свыше 80 мм рекомендуется
применять двух резцовые оправки для совмещения первого и второго чернового
растачивания.
|
|
|
|
|
|
|
|
|
|
|
|
|
|
|
|
|
|
|
|
|
Таблица 35 Припуски а (мм) на толщину
детали на черновое фрезерование (строгание) плоскостей заготовок из
широкополосовой стали
|
Номинальная
толщина, мм
|
Длина, мм
|
|
до 120
|
свыше 120 до
260
|
свыше 260 до
500
|
свыше 500 до
800
|
|
Свыше 5 до 20
|
1,3
|
1,6
|
-
|
-
|
|
20 " 30
|
1,5
|
1,8
|
2,1
|
-
|
|
30 " 50
|
1,8
|
1,9
|
2,4
|
2,8
|
|
50 " 60
|
1,9
|
2,0
|
2,6
|
3,1
|
|
Примечание.
Величины припусков даны на одну сторону. При ширине обрабатываемой
поверхности свыше 200 мм допускается увеличение припуска на 10.. .20%.
|
Таблица 36 Припуски на чистовое
фрезерование (строгание) плоскостей заготовок из широкополосовой стали
|
Диаметр
обрабатываемой детали, мм
|
Припуск, мм
|
Диаметр
обрабатываемой детали, мм
|
Припуск, мм
|
|
До 20
|
1,0
|
Свыше 75 до 150
|
2,0
|
|
Свыше 20 до 75
|
1,5
|
Свыше 150
|
2,5
|
Таблица 37 Минимальные и максимальные
припуски (мм) на обработку плоскостей (в числителе - минимальные значения, в
знаменателе - максимальные)
|
Плоскость
|
Ширина
плоскости, мм
|
Длина
плоскости, мм
|
|
|
до 100
|
свыше 100 до
250
|
свыше 250 до
500
|
свыше 500
|
|
|
Под чистовое
фрезерование после чернового
|
|
Чугунная и
стальная
|
до 100 свыше
100 до 200 свыше 200
|
0,75/0,90
|
0,80/1,00
0,90/1,20
|
0,90/1,20
1,00/1,30 1,00/1,40
|
1,00/1,40
1,10/1,50 1,10/1,50
|
|
Чугунная и
стальная
|
Под чистовое
шлифование после чистового фрезерования
|
|
до 100 свыше
100 до 200 свыше 200
|
0,20/0,27
|
0,20/0,30
0,25/0,40
|
0,25/0,40
0,25/0,45 0,30/0,50
|
0,30/0,50
0,30/0,50 0,35/0,55
|
|
Стальная
закаленная
|
Под чистовое
строгание после чернового
|
|
до 100 свыше
100 до 200 свыше 200
|
0,60/0,70
|
0,60/0,80
0,70/0,90
|
0,70/1,00
0,75/1,00 0,80/1,00
|
0,80/1,10
0,90/1,20 1,00/1,20
|
|
Под чистовое
шлифование после чистового строгания
|
|
до 100 свыше
100 до 200 свыше 200
|
0,23/0,30
|
0,25/0,35
0,30/0,45
|
0,30/0,45
0,35/0,50 0,40/0,60
|
0,35/0,55
0,40/0,60 0,45/0,65
|
|
|
|
|
|
|
|
|
Таблица 38 Минимальные припуски (мм) на
плоское шлифование для деталей 7-9-го квалитетов точности (в числителе - для
сырой заготовки, в знаменателе - для каленой)
|
Толщина S, мм
|
Ширина Н, мм
|
Длина изделия,
мм
|
|
|
до 100
|
свыше 100 до
250
|
свыше 250 до
500
|
свыше 500 до
1000
|
|
до 20
|
до 100 100-250
250-500
|
0,35/0,50
|
0,40/0,60
0,50/0,70
|
0,50/0,70
0,60/0,80 0,70/0,90
|
0,60/0,80
0,70/0,90 0,80/1,00
|
|
свыше 20 до 50
|
до 100 100-250
250-500 500-800
|
0,30/0,45
|
0,35/0,50
0,40/0,60
|
0,40/0,60
0,50/0,70 0,60/0,80 0,70/0,90
|
0,50/0,70
0,60/0,80 0,70/0,90 0,80/1,00
|
|
Примечания: 1.
Величины припусков даны на одну сторону. 2. На детали с минусовыми допусками,
имеющие 11-14-й квалитет точности, шероховатость 1,6...0,80 мкм и повышенную
точность по плоскостности, перпендикулярности и параллельности, припуск под
шлифование необходимо назначить менее основного значения, выбранного по
таблице: для деталей 11-го квалитета точности - на 15%, а для деталей 12-
14-го квалитетов точности - на 30%.
|
Таблица 39 Минимальный припуск а (мм) на
чистовую подрезку и шлифование торцов
|
Диаметр
обрабатываемой детали д, мм
|
Длина
обрабатываемой детали L, мм
|
|
до 30
|
свыше 30 до 50
|
свыше 50 до 120
|
свыше 120 до
260
|
свыше 260 до
500
|
свыше 500
|
|
Черновое
подрезание
|
|
Свыше 6 до 18
|
1,2
|
1,3
|
1,4
|
1,6
|
-
|
-
|
|
Свыше 18 "
30
|
1,2
|
1,3
|
1,5
|
1,7
|
2,1
|
2,3
|
|
Свыше 30 "
50
|
1,3
|
1,4
|
1,6
|
1,8
|
2,2
|
2,4
|
|
Свыше 50 "
80
|
1,5
|
1,6
|
1,8
|
2,2
|
2,4
|
2,6
|
|
Свыше 80 "
120
|
1,6
|
1,8
|
1,9
|
2,3
|
2,6
|
2,8
|
|
Свыше 120
" 180
|
1,8
|
1,9
|
2,0
|
2,4
|
2,7
|
3,0
|
|
Свыше 180
" 200
|
2,0
|
2,1
|
2,3
|
2,5
|
3,0
|
3,2
|
|
Чистовое
подрезание
|
|
Свыше 6 до 18
|
0,6
|
0,6
|
0,8
|
0,9
|
-
|
-
|
|
Свыше 18 "
30
|
0,6
|
0,7
|
0,9
|
1,0
|
1,2
|
1,5
|
|
Свыше 30 "
50
|
0,7
|
0,8
|
0,9
|
1,1
|
1,3
|
1,6
|
|
Свыше 50 "
80
|
0,8
|
0,8
|
1,0
|
1,2
|
1,4
|
1,6
|
|
Свыше 80 "
120
|
0,8
|
0,9
|
1,1
|
1,3
|
1,5
|
1,7
|
|
Свыше 120
" 180
|
0,9
|
1,0
|
1,2
|
1,4
|
1,6
|
1,8
|
|
Свыше 180
" 200
|
1,0
|
1,1
|
1,3
|
1,5
|
1,7
|
1,9
|
|
Шлифование
|
|
|
Свыше 6 до 18
|
0,3
|
0,3
|
0,3
|
0,4
|
-
|
-
|
|
|
Свыше 18 "
30
|
0,3
|
0,3
|
0,4
|
0,4
|
0,5
|
0,6
|
|
|
Свыше 30 "
50
|
0,3
|
0,3
|
0,4
|
0,4
|
0,5
|
0,6
|
|
|
Свыше 50 "
80
|
0,3
|
0,4
|
0,4
|
0,5
|
0,5
|
0,6
|
|
|
Свыше 80 "
120
|
0,3
|
0,4
|
0,4
|
0,5
|
0,6
|
0,6
|
|
|
Свыше 120
" 180
|
0,4
|
0,4
|
0,5
|
0,5
|
0,6
|
0,7
|
|
|
Свыше 180
" 200
|
0,4
|
0,5
|
0,5
|
0,6
|
0,7
|
0,8
|
|
|
Примечания: 1.
Припуски на черновое подрезание торцов приведены для случаев, когда заготовки
отрезают механическими ножовками, дисковыми пилами и фрезами на фрезерных,
фрезерно-отрезных станках и отрезными резцами. Величины припусков даны на
сторону. При обработке валов с уступами припуск брать на каждый уступ
отдельно исходя из его диаметра и общей длины вала. Предельные отклонения и
шероховатость поверхности приняты: под черновое подрезание по под чистовое подрезание - по h12, h13
и Rz=40 мкм; под шлифование - по h11
и Rz = 20 мкм. 2. Предельные отклонения установлены на
измеряемый размер.
|
|
|
|
|
|
|
|
|
|
|
|
|
|
|
Таблица 40 Минимальные припуски (мм) на
чистовое фрезерование и шлифование плоскостей
|
Толщина, мм
|
Ширина, мм
|
Длина, мм
|
|
|
|
|
до 100
|
свыше 100 до
250
|
свыше 250 до
500
|
свыше 500 до
1000
|
свыше 1000 до
1500
|
|
|
Фрезерование
|
|
|
До 20
|
До 100 Свыше
100 до 250 " 250 " 500 " 500 " 800
|
0,80
|
1,00 1,20
|
1,20 1,50
2,50
|
2,00
|
-
|
|
|
Свыше 20 до 50
|
До 100 Свыше
100 до 250 Свыше 250 " 500 Свыше 500 " 800
|
0,80
|
1,00 1,20
|
1,20 1,50
2,40 2,50
|
1,50 1,90
2,50 2,70
|
1,80 2,30
2,70 2,90
|
|
Свыше 50 до 100
|
До 100 Свыше
100 до 250 Свыше 250 " 500 Свыше 500 " 800
|
1,00 1,10
|
1,10 1,40
2,30 2,40
|
1,40 1,80
2,40 2,60
|
1,70 2,20
2,60 2,80
|
|
Свыше 100
|
До 100 Свыше
100 до 250 Свыше 250 " 500 Свыше 500 " 800
|
0,80
|
1,00 1,10
|
1,10 1,40
2,30 2,40
|
1,40 1,80
2,40 2,60
|
1,70 2,20
2,60 2,80
|
|
Шлифование
|
|
До 20
|
До 100 Свыше
100 до 250 Свыше 250 " 500 Свыше 500 " 800
|
0,35
|
0,40 0,50
|
0,50 0,55
0,60
|
0,60 0,60
0,70
|
0,65 0,70
0,75
|
|
Свыше 20 до 50
|
До 100 Свыше
100 до 250 Свыше 250 " 500 Свыше 500 " 800
|
0,35
|
0,35 0,40
|
0,40 0,50
0,55 0,65
|
0,50 0,55
0,65 0,70
|
0,55 0,60
0,70 0,75
|
|
Свыше 50 до 100
|
До 100 Свыше
100 до 250 Свыше 250 " 500 Свыше 500 " 800
|
0,30
|
0,35 0,35
|
0,35 0,40
0,50 0,60
|
0,40 0,50
0,60 0,65
|
0,45 0,55
0,65 0,70
|
|
Свыше 100
|
До 100 Свыше
100 до 250 Свыше 250 " 500 Свыше 500 " 800
|
0,30
|
0,30 0,35
|
0,30 0,35 0,40 0,50
|
0,35 0,45 0,50 0,60
|
0,40 0,45 0,55 0,65
|
|
|
|
|
|
|
|
|
|
|
|
|
|
|
|
Примечания:
1. Припуски даны на одну сторону.
2. Припуски на шлифование закаленных
деталей определяют, умножая табличные значения на коэффициент 1,2.
3. Предельные отклонения толщины детали и
параметры шероховатости поверхности приняты:
под чистовое фрезерование по h12, h13 и Rz = 40 мкм; под шлифование по
h11 и Rz = 20 мкм.
Таблица 41 Погрешности
геометрической формы
и расположения поверхностей
при механической обработке.
|
Вид обработки
|
Метод обработки и
оборудование
|
Рабочий ход
|
Вид погрешности
|
Величина погрешности (мкм)
в зависимости от номинального размера, мм
|
|
|
|
|
До 10
|
10-50
|
50-160
|
160-300
|
300-500
|
Св. 500
|
Токарная Токарные, револьверные, карусельные,
многошпиндельные и прочие токарные станки Первый
6-16
-24
-60
-8010-30
-40
-120
-10025-50
-60
-200
-12040-80
|
50-100 150-360
100-20060-120 80-150 300-450 150-250100-250 150-300 400-1000 200-400
|
|
|
|
|
|
|
Второй
2,5-6
-10
-16
-304-16
-16
-40
-6010-25
-20
-50
-8016-35
-25
-80
-10025-50
-30
-100
-16040-100
-50
-300
Третий
0,6-1
,2-3
,6-4
-161-2,5
,5-4
-10
-201,6-6
-8
-16
-254-10
-10
-20
-308-16
-13
-30
-4010-40
-25
-100
Сверление и растачивание Сверление спиральными
сверлами Один
12-25
-6016-40
-12020-50
-250
Сверление ружейными сверлами Один
2-5
,5-64-10
-168-16
-2512-20
Зенкерование Один
2-8
-106-12
-168-20
-25
Развертывание Один
|
1,5-22,5-85-108-16
|
|
|
|
|
|
|
|
|
|
|
|
Может увеличиваться на 10%
по сравнению с мсходным
|
Алмазное растачивание Один
0,4-1
,5-1,2
,6-1,6
,5-60,8-2
-2,8
,2-4
-81,2-4
-5
,5-6
-102,5-8
-10
-8
-126-10
-16
-10
-16
-20
-16
Фрезерная Вертикальные, горизонтальные и
продольно-фрезерные станки Первый
6-16
-6010-20
-12016-40
-35028-80
-36050-120
-450100-600
Второй
1-4
-102,5-10
-306-16
-6010-20
-8016-30
-12020-100
Протягивание и прошивание Один
1,6-4
-52,5-8
-86-16
-128-20
-1610-25
-20
|
16-30
|
|
|
|
|
|
|
|
|
|
|
|
Может увеличиваться на 30%
по сравнению с исходным. Перпендикулярность торцов к оси отверстий 0,15:100
|
Шлифование Круглошлифовальные, внутришлифовальные и плоскошлифовальные
станки Предварительный
2,5-6
,6-4
-10
-304-10
,5-8
-20
-506-16
-12
-30
-6010-25
-16
-50
-8020-40
-20
-60
-10020-100
-40
-10
Чистовой
1-4
,8-2,5
,6-4
-122,5-8
,6-4
,5-6
-166-12
,5-5
-10
-2010-20
-6
-16
-3016-25
-8
-25
-4020-60
-16
-100
Бесцентрово -шлифовальные Один
|
2,5-64-106-1210-2016-4030-50
|
|
|
|
|
|
|
|
|
|
|
|
Может увеличиваться на 10%
по сравнению с мсходным
|
Отделка Хонингование Один
0,6-1,6
,5-1,21,2-4
-2,52,6-6
,6-34-8
,5-56-10
|
3-68-30
|
|
|
|
|
|
|
|
|
|
|
|
Может увеличиваться на 20%
по сравнению с мсходным
|
Суперфиниширование Один
0,4-1
|
0,3-0,80,6-1,6 0,5-1,21-2,5
0,8-21,6-4 1,2-32,5-8 2-54-20 3-10
|
|
|
|
|
|
|
Притирка (доводка) Один
0,2-0,6
,3-0,80,4-1,2
,5-1,61-2,5
,8-21,6-4
,6-2,52,5-6
|
2-34-16
|
|
|
|
|
|
|
|
|
|
|
|
Может увеличиваться на 10%
по сравнению с мсходным
|
Примечания:

-
отклонение от плоскостности и прямолинейности;
-
отклонение от цилиндричности (конусообразность, иксообразность, овальность,
огранка);
- отклонение от перпендикулярности, торцовое биение;
- радиальное биение.