Реализация мостовой схемы подключения термодатчика

  • Вид работы:
    Контрольная работа
  • Предмет:
    Информатика, ВТ, телекоммуникации
  • Язык:
    Русский
    ,
    Формат файла:
    MS Word
    387,61 Кб
  • Опубликовано:
    2012-09-01
Вы можете узнать стоимость помощи в написании студенческой работы.
Помощь в написании работы, которую точно примут!

Реализация мостовой схемы подключения термодатчика

Постановка задачи

Реализовать мостовую схему подключения термодатчика. Определять напряжение на каждом элементе моста. При повышении температуры (порог задается программно) включается сигнализирующий красный светодиод. Частота регистрации температуры задается программно. Данные заносятся в *.log файл.

Реализация поставленной задачи

Схема


Элемент схемы

Маркировка

Резистор R1

МЛТ 150 Ом 0,25 Вт

Резистор R2

МЛТ 150 Ом 0,25 Вт

Резистор R3

МЛТ 150 Ом 0,25 Вт

Термосопротивление R4

КМТ-12 150 Ом (при 20,С)

Светодиод


Измерительный мост

Работа измерительного моста предельно проста. На диагональ питания подаем напряжение питания(Vп), и измеряем выходное напряжение моста. Мост, называется уравновешенным мостом, тогда когда выходное напряжение будет нулевым. Это условие будет выполняться, когда R1/R3 = R2/R4. Этим условием мы и руководствовались при выборе резисторов и терморезистора.

Для измерения температуры от выходного напряжения моста (T(Vвых)) надо знать две зависимости, зависимость температуры от сопротивления на терморезисторе (T(R4)) и зависимость сопротивления на терморезисторе от выходного напряжения моста (R4(Vвых)).

Также измерим напряжение на резисторе (R3) и терморезисторе(R4).

Зависимость сопротивления на терморезисторе от выходного напряжения моста (R4(Vвых)).

Рассмотрим плечо измерительного моста без терморезистора.


Напряжение Vп будет равно I1*(R1+R3), отсюда I1=Vп/(R1+R3).

Напряжение V2 будет равно I2*R3, отсюда I2=V2/R3.

Так как I1=I2, следовательно, Vп/(R1+R3)=V2/R3.

Отсюда V2=Vп*R3/(R1+R3), где Vп это напряжение, подаваемое на схему.

Также находим напряжение на втором плече.

Отнимаем эти напряжения друг от друга и получаем общую формулу по нахождению напряжения на измерительном приборе.

V=(R3/(R3+R1)-R4/(R4+R2))*Vп.

Из этого уравнения необходимо выразить R4, возьмем во внимание то, что R1=R2=R3=R.

V=1/2Vп-Vп*R4/(R4+R)

1/2Vп-V=Vп*R4/(R4+R), умножим все на (R4+R)

1/2Vп*R4+1/2Vп*R-V*R4-V*R= Vп*R4, перенесем все произведения с R4 в одну часть.

Vп*R4+ V*R4-1/2Vп*R4=1/2Vп*R- V*R

1/2Vп*R4+ V*R4=1/2Vп*R- V*R

R4=(1/2Vп*R- V*R)/(1/2Vп+V)

Так как V=5В, а R=150 Ом, следовательно наша формула приобретает следующий вид:

R4=(375-150*V)/(2,5+V)

Зависимость температуры от сопротивления на терморезисторе (T(R4))

Данную зависимость мы находили экспериментально, меряя сопротивления терморезистора при разной температуре.

 T,C

R4,Om

36,6

82,5

24,2

117,6

13,2

185

100

18,5

20

150


Далее по этим значениям мы построили график зависимости T(R4), формулу этой зависимости мы и использовали в расчетах.


В итоге зная две зависимости T(R4) и R4(Vвых) находим зависимость T(Vвых).

T=-38,311*ln((375-150*V)/(2,5+V))+209,89

Рассчитаем мощности выделяемые на каждом элементе моста, для того чтобы удостоверится в правильном выборе элементов и питающего напряжения.

R13=R1+R3=300 Ом

R24=R2+R4=300 Ом

V=V13=V24=5 В

I13=V/R13=16,7 мA=V/R24=16,7 мA=I13*I13*R1=41,7 мВт=I24*I24*R2=41,7 мВт=I13*I13*R3=41,7 мВт4=I24*I24*R4=41,7 мВт

Реализация схемы

Представленная схема питается от напряжения +5В, поэтому питание “+” схемы подключаем к 19 каналу на цифровой плате, а “-” выводим на землю на 17 канал. Выводы для снятия выходного напряжения моста, подключаются к 8му дифференциальному каналу на аналоговой плате. Выводы для снятия напряжения с резистора (R3) и с терморезистора (R4) подключены к 12м и 10м дифференциальным каналам на аналоговой плате соответственно.

Светодиод подключаем к управляемому каналу (ЦАП 1) аналоговой платы, на которой выставляем выходное напряжение 3 В.

Описание программы

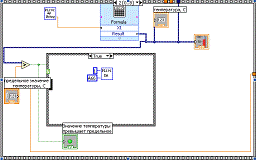
С дифференциального канала снимается выходное напряжение моста. Далее по известной зависимости вычисляется текущая температура, она сравнивается с пороговой температурой, указанной пользователем, при превышении пороговой температуры загорается сигнализирующий светодиод. Измерения проводятся с периодичностью заданной пользователем. Данные измерений (дата, время, напряжение на терморезисторе, напряжение на резисторе (R3), температура и пороговая температура) заносятся в log-файл.

Листинг

Инициализация драйвера


Активизация платы


Основное тело программы

Выключение светодиода


Закрытие драйвера


В основном теле программы находится путь к log-файлу, а также организован цикл:

Выбор канала и коэффициент

 

Задержка


Получение выходного напряжение моста. Далее по известной зависимости вычисляется текущая температура, она сравнивается с пороговой температурой, указанной пользователем, при превышении пороговой температуры загорается сигнализирующий светодиод. На светодиод подаем напряжение равное 3В.

А66 шестнадцатеричное число соответствующее трем вольтам.

Нашли его следующим образом:

Мы знаем что 1000 0000 0000 соответствует 0В, а 1111 1111 1111 соотв. 10В. Следовательно, между 0В и 10В есть 111 1111 1111 (2047)промежутков.

Тогда на 1В приходится 2047/10=204.7, а на 3В 204.7*3=614.1. Округлим и получим 614, это число в двоичном коде выглядит следующим образом: 010 0110 0110. Возьмем во внимание что 1000 0000 0000 соответствует 0В, из всего этого следует что 3В соответствует числу 1010 0110 0110, в шестнадцатеричном исчислении это число ровно А66,

 

Выбор следующего канала


Задержка


Получение напряжение на терморезисторе


Далее тоже самое для напряжения на резисторе R3




Данный цикл выполняется с определенной периодичностью, заданной пользователем. Также в том цикле выполняется запись результатов в log-файл. Заканчивается он при нажатии на кнопку STOP.

Панель пользователя


Содержимое Log-файла

Дата Время Uт.р., В UR3, В t, град. tпорог, град

.06.2011 14:42 2,253 2,483 25,057 27,0

.06.2011 14:43 2,246 2,478 25,038 27,0

.06.2011 14:43 2,245 2,483 25,038 27,0

.06.2011 14:43 2,247 2,479 25,038 27,0

.06.2011 14:43 2,249 2,476 25,019 27,0

.06.2011 14:43 2,250 2,477 25,019 27,0

.06.2011 14:43 2,250 2,482 25,019 27,0

.06.2011 14:43 2,250 2,482 25,019 27,0

.06.2011 14:43 2,252 2,484 24,924 27,0

.06.2011 14:43 2,249 2,482 24,981 27,0

.06.2011 14:43 2,196 2,478 26,948 27,0

.06.2011 14:43 2,159 2,474 27,708 27,0

.06.2011 14:43 2,126 2,467 28,412 27,0

.06.2011 14:43 2,104 2,467 29,023 27,0

.06.2011 14:43 2,090 2,466 29,405 27,0

.06.2011 14:43 2,096 2,462 29,290 27,0

.06.2011 14:43 2,092 2,463 29,214 27,0

.06.2011 14:43 2,100 2,477 29,118 27,0

.06.2011 14:43 2,098 2,465 29,080 27,0

.06.2011 14:43 2,103 2,462 29,042 28,0

.06.2011 14:43 2,100 2,461 28,984 28,0

.06.2011 14:43 2,103 2,466 28,927 28,0

.06.2011 14:43 2,117 2,473 28,870 29,0

Вывод

измерительный мост напряжение терморезистор

В ходе работы была разработана схема, согласующаяся с характеристиками контроллера. Рассчитана зависимость температуры на терморезисторе от напряжения на измерительной диагонали. Подобраны номиналы элементов мостовой схемы. Была спаяна схема. Разработано программное обеспечение. Неточность измерений термодатчика зависит от недостаточной точности зависимости сопротивления от температуры.

Похожие работы на - Реализация мостовой схемы подключения термодатчика

 

Не нашли материал для своей работы?
Поможем написать уникальную работу
Без плагиата!
Без нейросетей!