Проектирование радиолокационного приемника

  • Вид работы:
    Курсовая работа (т)
  • Предмет:
    Информатика, ВТ, телекоммуникации
  • Язык:
    Русский
    ,
    Формат файла:
    MS Word
    73,4 Кб
  • Опубликовано:
    2012-09-06
Вы можете узнать стоимость помощи в написании студенческой работы.
Помощь в написании работы, которую точно примут!

Проектирование радиолокационного приемника

Министерство образования и науки РФ

ФГАОУ ВПО «Уральский федеральный университет имени первого Президента России Б.Н. Ельцина»

Институт радиоэлектроники и информационных технологий - РтФ

Кафедра радиоэлектроники информационных систем

КУРСОВОЙ ПРОЕКТ

по дисциплине «Устройства приёма и обработки сигналов»

ПРОЕКТИРОВАНИЕ РАДИОЛОКАЦИОННОГО ПРИЁМНИКА



Студент Гибилинда Р.В.

Преподаватель Марков Ю.В.





Екатеринбург 2012

Содержание

Задание на курсовое проектирование

Введение

. Эскизное проектирование. Выбор и обоснование структурной схемы радиоприемника

.1 Расчет полосы пропускания линейного тракта РПрУ

.2 Выбор первых каскадов приемника

.3 Распределение усиления между трактами радиоприемника

.4 Структурная схема радиоприемника

. Электрическое проектирование

.1 Расчет параметров электронных приборов

.2 Расчет входной цепи

.3 Расчет преобразователя частоты

.4 Расчет усилителя промежуточной частоты

.5 Расчет детектора

.6 Расчет системы автоматической регулировки усиления

Заключение

Список использованной литературы

Задание на курсовое проектирование

Назначение приемника: радиолокационный

Рабочая частота: f = 1200 МГц

Чувствительность: Вт

Длительность импульса: и = 1,4 мкс

Время установления импульса: уст = 0,3 мкс

Коэффициент различимости (требуемое отношение сигнал / шум): 1,0

Диапазон рабочих температур: - 50° до 50° С

Введение

Активные радиолокационные станции (РЛС) облучают объект (самолет, корабль и т.д.) радиоволнами и определяют его параметры (координаты, скорость, ускорение и т.д.), принимая отраженную от объекта энергию радиоволн. Поэтому радиолокационный приемник является частью РЛС и работает от общей с передатчиком приемопередающей антенны. Различают РЛС непрерывного и импульсного излучения. Сейчас наиболее широко используются импульсные РЛС.

Радиоприемное устройство состоит из антенны, собственно приемника и оконечного устройства. В радиолокации под приемным устройством понимают цепи, расположенные между выходами антенны и оконечного устройства, принимающего решение об обнаружении сигнала или оценки его параметров. Обработка сигнала в приемнике предусматривает обнаружение сигнала, отраженного от цели, и (или) определение его параметров. Функции обнаружения сигнала и измерения его параметров могут быть расчленены.

В радиолокации при работе на сверхвысоких частотах (СВЧ) колебания усиливаются параметрическими и квантовыми парамагнитными усилителями. Узлы СВЧ проектируют с помощью интегральной технологии (полосковая техника). На более низких и видеочастотах в усилителях в качестве элементной базы используют транзисторы и устройства микроэлектронной (интегральной) аналоговой техники.

1. Эскизное проектирование. Выбор и обоснование структурной схемы радиоприемника

Радиолокационный приемник предназначен для усиления отраженных от целей сигналов и их дальнейшей обработки для выделения полезной информации. На вход приемника поступает смесь полезных сигналов и помех. Для полного использования полезной информации необходимо применять оптимальные алгоритмы обработки. При проектировании структурной схемы РПУ необходимо предусмотреть устройства, реализующие операции оптимального алгоритма принимаемых сигналов.

Для обеспечения работы РПУ в реальных условиях, когда параметры сигнала изменяются, в состав структурной схемы вводят такие устройства, как устройства автоматической подстройки частоты (АПЧ), автоматическую регулировку усиления (АРУ).

Так как используется одна антенна на прием и передачу сигналов, для этого в схему введем антенный переключатель (АП). С помощью антенного переключателя осуществляют подключение антенны к тракту передатчика и запирание приемника на время излучения, а после окончания действия импульса - подключение с минимальной задержкой выхода антенны к выходу приемника и отключения тракта передатчика.

Для увеличения чувствительности и избирательности по зеркальному каналу перед смесителем может быть включен усилитель радиочастоты (УРЧ) и входная цепь (ВЦ). Затем в преобразователе частоты спектр сигнала переносится на промежуточную частоту (для удобства последующих преобразований).

После преобразователя сигнал фильтруется (ФСИ), усиливается в УПЧ и подается на вход амплитудного детектора, где происходит выделение информационной (НЧ) составляющей.

Сигналы с выхода АД подают на видеоусилитель (ВУ), а затем на индикатор, с помощью которого оператор РЛС осуществляет визуальное наблюдение.

Радиолокационные приемники обычно выполняются по супергетеродинной схеме с однократным преобразованием частоты. Общая для приемника и передатчика антенна подключается с помощью антенного переключателя АП.

1.1 Расчет полосы пропускания линейного тракта РПрУ

Полоса пропускания высокочастотного тракта приемника П определяется шириной спектра сигналов Δfc, доплеровского смещения частоты и запаса полосы, требуемого для учета нестабильностей частот настройки узлов приемопередающего тракта Δfн.

П = Δfc + 2Δfд + Δfн

Для импульсных сигналов полоса пропускания приемника выбирается исходя из получения максимального отношения сигнал/шум на выходе радиотракта. Такая полоса зависит от вида АЧХ и называется оптимальной и определяется как:

Δfc = (0,8..1,37)/уст @1/0.3 <:A=3.33 МГц

Рассчитаем доплеровское смещение:

Возьмем скорость цели равной 580 м/с (макс скорость F22 Raptor)

fд = 2fсVц/с = (21,2109580)/3108=4,6кГц,

где Vц- скорость цели относительно антенны РЛС;

с - скорость света в вакууме.

Запас полосы для учёта нестабильностей:

где и - нестабильности частот сигнала и гетеродина, и - неточности настроек частот гетеродина и УПЧ.

Взаимокомпенсируют друг друга, т.к. идут с одного генератора

δп=(0,0003...0,003)

Принимаем (0,001...0,01) fпр

Для лучшего воспроизведения формы импульсных сигналов, а также сохранения их длительности, выберем fпч, исходя из следующих условий: fпр>(10...20)/и

С другой стороны промежуточная частота должна выбираться как можно более низкой:

·   более высокое устойчивое усиление можно получить на один каскад

·   меньше зависимость усиления пи полосы пропускания от разброса и изменения параметров ламп и транзисторов

·   меньший коэффициент шума можно реализовать в каскадах усиления промежуточной частоты

Итак, получим:пр = 11/1,410-6=7,85 МГц.

Выберем промежуточную частоту из стандартного ряда:пр=10 МГц.

Частота гетеродина:

Δfн = 0.06 МГц

При расчете имеем Δfн <(1,2...1,5)Δfc, следовательно не придётся использовать частотную автоматическую подстройку частоты (ЧАПЧ) или фазовую автоподстройку частоты (ФАПЧ).

Рассчитаем полосу пропускания приемника:

П = Пс + 2Dfд + Пнс = 3,33∙106 + 2∙4,6∙103 + 0,06∙106 = 3.39МГц

1.2 Выбор первых каскадов приемника

Первые каскады приемника в значительной степени определяют его чувствительность. Для обеспечения высокой чувствительности требуется применение, как правило, одного каскада усилителя радиочастоты (УРЧ) после входной цепи (ВЦ).

Реальная чувствительность приемника определяется его коэффициентом шума N. Оценим коэффициент шума линейного тракта РПрУ, после чего необходимо принять решение: включать ли в состав радиотракта приемника УРЧ или нет. Предположим, что УРЧ не нужен, поэтому коэффициент радиотракта вычисляется так:

В данной формуле составляющей можно пренебречь, поскольку коэффициент передачи смесителя высок. Тогда: где - коэффициент шума преобразователя частоты, ≈ 4, где - паспортное значение коэффициента шума транзистора (равна 4 дБ для выбранного транзистора марки КТ371А; или примерно 2,5 раза). Коэффициент передачи входной цепи () можно положить равным примерно 0,9. Тогда: =11,1

Допустимая величина коэффициента шума, обеспечивающего заданную чувствительность радиолокационного приемника рассчитывается по следующей формуле:

Здесь значение (заданная чувствительность) имеет размерность Вт; Вт/Гц; - шумовая полоса, Гц; γ - заданное отношение мощности сигнала к мощности шума на выходе линейного тракта приемника (т.е. до демодулятора). Итого: N < NДОП, поэтому сделаем вывод, что наличие УРЧ в схеме проектируемого приемника необязательно.

Расчет коэффициента шума по формуле при наличии УРЧ: где NУРЧ = 2NТР, N ≈10

Получен тот же результат - УРЧ не нужен.

1.3 Распределение усиления между трактами радиоприемника

Обеспечение достаточного усиления радиосигнала трактом ВЧ необходимо для нормальной работы детектора, а так же получения низкого уровня шума. Основное усиление обеспечивается в тракте ПЧ.

Общее усиление радиотракта определяется, с одной стороны, необходимым напряжением на входе детектора, а с другой заданной чувствительностью приемника. Обычно оно принимается с 2-или 3-кратным запасом:

В этой формуле RA = 75 Ом, Uвх дет примем равному 1 В. Нагрузку по обеспечению рассчитанного коэффициента усиления возложим на УПЧ, поскольку он - основное усилительное звено схемы. В дальнейшем будет необходимо сделать расчет коэффициента усиления одного каскада УПЧ и определить количество каскадов УПЧ. Коэффициент передачи транзисторного усилителя промежуточной частоты считается по следующей формуле:

1.4 Структурная схема радиоприемника

Тракт радиочастоты состоит из разрядника, защищающего вход приемника в момент излучения сигнала передатчиком, и усилителя радиочастоты. В тракт промежуточной частоты входят смеситель СМ1, гетеродин Г, усилитель промежуточной частоты УПЧ-1 и амплитудный детектор АД. Для защиты приемника от действия мощных импульсных помех, длительность которых превышает длительность полезного сигнала, введена система быстродействующей автоматической регулировки усиления БАРУ.

Общий вид структурной схемы радиолокационного приемника:

Рис. 1. Структурная схема радиолокационного приемника, входящего в РЛС конического сканирования, работающего от общей антенны с передатчиком:

П - передатчик, ДМ - делитель мощности, Разр. - разрядник, УРЧ - усилитель радиочастоты, СМ смеситель, УПЧ - усилитель промежуточной частоты, АД - амплитудный детектор, ВУ - видеоусилитель, Г - гетеродин, ЧД - частотный дискриминатор, РЧ - регулятор частоты

Нестабильность частот передатчика и гетеродина компенсируется системой автоматической подстройки частоты АПЧ, в которую входят делитель мощности, второй смеситель СМ2, второй усилитель промежуточной частоты УПЧ-2, частотный дискриминатор ЧД и регулятор частоты РЧ. В видеотракте использован видеоусилитель ВУ.

В нашем случае в структуру радиолокационного приемного устройства не включены УРЧ и АПЧ, а проектирование разрядника и видеотракта не входит в объем курсовой работы. Выберем структурную схему следующей:

Структурная схема радиолокационного приемника: ВЦ - входная цепь, См - смеситель (преобразователь частоты), Г - гетеродин, УПЧ - усилитель промежуточной частоты, АРУ - автоматическая регулировка усиления, Д - детектор, БВС - блок видеосигналов.

2. Электрическое проектирование

.1 Расчет параметров электронных приборов

Выберем элементную базу для звеньев радиоприемного устройства, обозначенных в эскизном проектировании. Для выбора транзистора главным требованием является то, что рабочая частота (частота сигналов, с которыми работают транзисторные каскады) должна быть меньше граничной частоты (один из параметров транзистора).

Для смесителя будем использовать транзистор КТ371А, а для каскадов, работающих на промежуточной частоте биполярный транзистор КТ368А. Ниже приведем необходимые паспортные значения указанных транзисторов и рассчитанные для них Y-параметры.

КТ371А:

= 3 ГГц - граничная частота;Ш = 4 дБ - коэффициент шума;

τос = 5 пс - постоянная времени цепи обратной связи;21э = 85 - статический коэффициент передачи тока базы в схеме с ОЭ;

СК = 0,7 пФ - емкость коллекторного перехода.

Предельные значения:КЭ = 10 ВК = 20 мА

КТ368А:

= 900 МГц - граничная частота;Ш = 1,8 дБ - коэффициент шума;

τос = 4,5 пс - постоянная времени цепи обратной связи;

h21э = 122 - статический коэффициент передачи тока базы в схеме с ОЭ;

СК = 1,2 пФ - емкость коллекторного перехода.

Предельные значения:КЭ = 15 ВК = 30 мА

Рассчитаем Y-параметры и шумовые характеристики биполярного транзистора КТ371А в схеме с ОЭ на частоте сигнала fС = 10 МГц. Для начала определим следующие параметры, которые необходимы в дальнейших расчетах:

= 6,67

= 6,5 Ом

= 14,3 Ом

= 3 ГГц

= 1,39 ГГц

= 3,33 ·10-3

= 7,194 ·10-3

= 4 мА

П возьмем равным 7 В, т.к. UКЭ = 10В) = 3,5 В

= 0,988

Тогда Y параметры и шумовые характеристики биполярного транзистора КТ371А:11 Э = 1,77 ·10-3 См

С11Э = 7,75 пФ

g22 Э = 3,38 ·10-7 См

С22Э = 1,45 пФ

|Y21| = 0,148 См

|Y12| = 4,398 ·10-5 См

RШ = 3,6 Ом

t11 g11Э = 9,6 ·10-4

КУСТ = 26,12

Рассчитаем Y параметры и шумовые характеристики биполярного транзистора КТ368А в схеме с ОЭ на частоте сигнала fС = fпр = 10 МГц. Для начала определим следующие параметры, которые необходимы в дальнейших расчетах:

= 4,36

= 4,3Ом

= 7,5 Ом

= 900 МГц

= 523,2 МГц

= 0,011

= 0,019

= 6мА

П возьмем равным 10 В, т.к. UКЭ = 15В) = 5 В

Тогда Y параметры и шумовые характеристики биполярного транзистора КТ368А:11 Э = 1,93 ·10-3 См

С11Э = 39,9 пФ22 Э = 1,239 ·10-6 См

С22Э = 2,23 пФ

|Y21| = 0,227 См

|Y12| = 7,54·10-5 СмШ = 2,296 Ом11 g11Э = 1,247 ·10-3

КУСТ = 24,716

2.2 Расчет входной цепи

В схеме используется микрополосковая линия, расчет которой выходит за рамки курсовой работы. Изображение будет приведено на чертеже РПрУ.

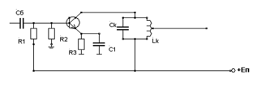
2.3 Расчет преобразователя частоты

Преобразователь частоты (ПЧ) будем выполнять, как уже было сказано, на биполярном транзисторе КТ371А. Этот каскад в основном будет выполнять только функции преобразования частоты (ее снижения), поэтому особенных требований по усилению сигнала предъявлять к нему не стоит.

Схема ПЧ:


Расчет преобразователя частоты начнем с колебательного контура LкСк, который должен быть настроен на промежуточную частоту, то есть обеспечивать селективность, чтоб получить на нем напряжение сигнала с новой частотой - промежуточной частотой.

При увеличении коэффициента усиления полоса пропускания колебательного контура сужается:

где П0,7 - необходимая полоса пропускания каждого каскада (в нашем случае 3,39 МГц), N - число каскадов (1 ПЧ и 4 УПЧ (рассчитывается дальше) - итого 5), - функция числа каскадов, dэ - затухание контура, f0 = 10 МГц. Общая полоса пропускания должна быть равна 3,39 МГц. Как видно, для получения заданной полосы пропускания надо расширить полосу каждого каскада. Для этого результирующее затухание каждого контура выбирают равным:

где П0,7N - необходимая нам полоса пропускания - 3,39 МГц. Увеличенная полоса пропускания контура:

Зададимся величиной емкости СК = 50 пФ. Характеристическое сопротивление контура:

Индуктивность контура:

Добротность нагруженного контура:, затухание:, где QXX - добротность ненагруженного контура, равная 100. D=dэ/dk. Рассчитаем коэффициенты включения транзистора, на котором собран ПЧ, в контур (m) и следующего каскада в этот же контур (n):

э=G0+m2 g22+n2 gн =0.014

Коэффициент передачи ПЧ:


где 50Пф это Ск

Проведем расчет элементов ПЧ. Исходные данные:

·   ЕП = 9 В;

·   ток коллектора, обеспечивающий рассчитанный ранее коэффициент усиления, был рассчитан в эскизном проектировании IК = 4 мА;

·   = 1.273 В;

·   для кремниевых транзисторов, к которым относится выбранный нами, обратный ток коллектора IКБ 0 при температуре Т0 = 293 К, равен несколько наноампер - зададимся этим током: 2 нА;

·   диапазон рабочих температур (-50 +50)°С;

·   f0 = 10 МГц;

·   Определим изменение обратного тока коллектора:

= 0,128 мкА

·   Находим тепловое смещение напряжения базы:

= 0,18 В, где γ = 1,8 мВ/К

·   Рассчитываем необходимую нестабильность коллекторного тока:

= 1,365 мА

·   Вычисляем сопротивления резисторов:

Ом (Е24 - 120)

кОм (Е24 - 6,8к)

кОм (Е24 - 82к)

·   Подсчитаем емкость конденсатора в цепи автосмещения:

= 1мкФ (по номиналу ряда Е24 - 1мк)

·   Выберем величину блокировочной емкости Сбл : реактивное сопротивление этой емкости для тока радиочастоты должно быть как можно меньше, то есть быть коротким замыканием по току высокой частоты, поэтому, по номиналу Е24 емкость возьмем 10пФ, что соответствует сопротивлению 15 Ом.

2.4 Расчет усилителя промежуточной частоты

Как было указано ранее, усилитель промежуточной частоты (УПЧ) будет обеспечивать основное усиление в радиоприемнике. Как и ПЧ выполним УПЧ на биполярном транзисторе, но уже другой марки - КТ368А. В нем также осуществляется наряду с усилением частотная фильтрация (избирательность). Для этого УПЧ содержит колебательный контур (коллекторная нагрузка), настроенный на ПЧ, рассчитанную ранее.

Схема УПЧ:

Параметры контура LкСк - те же, что и контура ПЧ. Рассчитаем коэффициенты включения транзистора, на котором собран ПЧ, в контур (m) и следующего каскада в этот же контур (n):

тогда полагаем m1=1 и = 4,860 См

Коэффициент передачи транзисторного усилителя промежуточной частоты считается по следующей формуле:

= 9553.4

Проведем расчет параметров УПЧ:

·   Предельное значение коэффициента усиления каждого каскада:

К0 ПРЕД =

·   Коэффициент устойчивого усиления: КУСТ =

·   Коэффициент передачи каскада: К01 =, т.к.

·   Количество каскадов усиления:. Проверим правильность расчета: должно выполняться следующее неравенство:. Действительно, К014 = 1.64·104, что больше = 9553.4. Число каскадов УПЧ равно 4.

Расчет элементов каждого каскада УПЧ (все каскады УПЧ сделаем одинаковыми). Исходные данные:

·   ЕП = 9 В;

·   ток коллектора, обеспечивающий рассчитанный ранее коэффициент усиления, был рассчитан в эскизном проектировании IК = 6 мА;

·   = 0,636 В;

·   f0 = 10 МГц;

·   g11 = 2,311*10-3 См.

·   для кремниевых транзисторов, к которым относится выбранный нами, обратный ток коллектора IКБ 0 при температуре Т0 = 293 К, равен несколько наноампер - зададимся этим током: 2 нА;

·   Определим изменение обратного тока коллектора:

= 128 мкА

·   Находим тепловое смещение напряжения базы:

= 0,18 В, где γ = 1,8 мВ/К

·   Рассчитываем необходимую нестабильность коллекторного тока:

= 2.05 мА

Ом (Е24 - 120)

кОм (Е24 - 5,1к)

кОм (Е24 - 75к)

·   Подсчитаем емкость конденсатора в цепи автосмещения:

= 1 мкФ (по номиналу ряда Е24 - 1мкФ)

·   Выберем величину блокировочной емкости Сбл : реактивное сопротивление этой емкости для тока радиочастоты должно быть как можно меньше, то есть быть коротким замыканием по току высокой частоты, поэтому, по номиналу Е24 емкость возьмем 1нФ, что соответствует сопротивлению 16 Ом.

.5 Расчет детектора

радиолокационный приемник тракт детектор

Для детектирования радиоимпульсов, то есть для преобразования их в видеоимпульсы, используют последовательные диодные детекторы, выполненные по следующей схеме:


Выберем диод КД510А, исходя из соображений: fп<fд, RнСн>>1,5/fп

Рабочая частота диода

100 МГц

Общая емкость диода

Сд

4 пФ

Температура окружающей среды

Тmin - Tmax

213K - 358K


Длительность среза видеоимпульсов

τс = 0,38·τуст

τс = 0,38·0,3 = 0,114мкс.

Сн = 10·Сдм

Сн = 10·4·10-12 - 4·10-12 = 36 пФ.н = τс/2,3·Снн =0,114·10-6/2,3·36·10-12 = 1,29 кОм

Емкость монтажа См = 3÷5 пФ.

Индуктивности катушек согласующего трансформатора

Выберем из номинального ряда:

н =36 пФ, Rн = 1,3 кОм.

Входное сопротивление детектора:

вх = Rн/(2+3·Sобр·Rн)

Так как Sобр≈0, то Rвх = 0,5·Rнвх = 0,5·1,3 = 0,65 кОм.

Коэффициент передачи:

Так как Sобр≈0, то,пр = 1275 мА/В

Кд = cos(θ) = 0,984

.6 Расчет системы автоматической регулировки усиления

Для ослабления мешающего действия отраженных сигналов от протяженных предметов, окружающих наблюдаемый объект, можно применить в качестве системы АРУ быстродействующую авторегулировку усиления (БАРУ). Такая АРУ предназначена для устранения перегрузки усилителя при действии мощной помехи. Отличительная способность БАРУ - высокая скорость её срабатывания при мощной помехе; цепь БАРУ инерционна для сигнала и срабатывает только от помехи. Постоянная времени фильтра БАРУ во много раз меньше постоянной времени фильтра АРУ. Применяют последовательное включение большого числа каскадов с собственным БАРУ в каждом, система АРУ тогда, как правило, простая.


Схема АРУ:


Выберем диод КД510А, исходя из условий:

п<fд, RнСн>>1,5/fп

 

Рабочая частота диода

100 МГц

Общая емкость диода

Сд

4 пФ

Температура окружающей среды

Тmin - Tmax

213K - 358K


Длительность среза видеоимпульсов

τс = 0,38·τуст

τс = 0,38·0,3 = 0,114мкс.

Сн = 10·Сдм

Сн = 10·4·10-12 - 4·10-12 = 36 пФ.н = τс/2,3·Снн =0,114·10-6/2,3·36·10-12 = 1,3 кОм

Емкость монтажа См = 3÷5 пФ.

Выберем из номинального ряда: Cн =36 пФ, Rн = 1,3 кОм.

вх = 0,5·Rн,вх = 0,5·1,8 = 0,9 кОм.

τи = Rфнч·Cфнч

τи =1,6мкс

Зададим Rфнч = 1 кОм, тогда Сфнч = 1,6·10-6/103 = 1,6 нФ.

Выберем из номинального ряда Rфнч = 1 кОм, Сфнч = 1,6нФ.

Заключение

В процессе выполнения данного курсового проекта был разработан радиолокационный приемник РЛС с заданными параметрами. Некоторые трудности вызвали расчет ПЧ и УПЧ, за счет того, что они связаны между собой основными параметрами, подобными коэффициентам включения, затуханием, вносимым каждым каскадом и др.

В целом в процессе проектирования РПрУ были реализованы требования, указанные в техническом задании. Настройка и регулировка РПрУ заключается практически в настройке избирательных систем в процессе изготовления устройства на одну фиксированную частоту.

Список использованной литературы

1.   Проектирование радиоприемных устройств на базе аналоговых блоков: учебно-методическое пособие / Н.П. Никитин, В.В. Кийко. Екатеринбург: ГОУ ВПО УГТУ - УПИ, 2004. - 113 с.

2.       Проектирование радиоприёмных устройств: Учебное пособие для вузов. Под редакцией А.П. Сиверса - М.: Советское радио, 1976.

.     Радиоприемные устройства: Учебник для вузов под редакцией А.П. Жуковского - М.: Высшая школа, 1989.

.     А.П. Сиверс. Радиолокационные приемники. М. - Советское радио, 1959.

.     Проектирование радиолокационных приемных устройств: Учебное пособие для радиотехнических специальностей вузов / А.П. Голубков, А.Д. Далматов, А.П. Лукошкин и др.; Под ред. М.А. Соколова. - М.: Высшая школа, 1984. - 335 с.

Похожие работы на - Проектирование радиолокационного приемника

 

Не нашли материал для своей работы?
Поможем написать уникальную работу
Без плагиата!
Без нейросетей!