Проектирование микроэлектронной аппаратуры на цифровых интегральных микросхемах

  • Вид работы:
    Курсовая работа (т)
  • Предмет:
    Информатика, ВТ, телекоммуникации
  • Язык:
    Русский
    ,
    Формат файла:
    MS Word
    365,75 Кб
  • Опубликовано:
    2012-09-24
Вы можете узнать стоимость помощи в написании студенческой работы.
Помощь в написании работы, которую точно примут!

Проектирование микроэлектронной аппаратуры на цифровых интегральных микросхемах

ПОВОЛЖСКИЙ ФИЛИАЛ МОСКОВСКОГО ИНСТИТУТА ИНЖЕНЕРОВ ТРАНСПОРТА










Курсовая работа

по электронике

Студента 3 курса:

Федотова Алексея Андреевича

Шифр: 0930-пАТС-8217

Вариант № 8217

Проверил:

Мухамбетов Вячеслав Владимирович




Саратов 2012 г.

Задание

Тип АЦП = 3;

Основная интегральная микросхема = АЦП двойного интегрирования;

Частота = 5*105 Гц;

Скважность = 5;

Длительность фронтов = 10-2мкс = 10-8с;

Амплитуда = 10 В;

Согласуемые элементы серии ИМС = КМДПТТЛШ; К176К555;

Нагрузочная способность ПУ = 2;

Частота переключения f= 2 МГц = 2000000 Гц;

Температурный диапазон = -1045;

Монтажная емкость См = 50 пФ = 50*10-12 Ф;

Входная емкость элементов Свх = 15пФ = 15*10-12 Ф.

По исходным данным требуется:

)Выполнить полную схему АЦП, описать работу предложенного АЦП, соответствующих выбранных микросхем и устройств, обеспечивающих работу АЦП. Построить временные диаграммы работы АЦП;

) Рассчитать тактовый генератор для АЦП по исходным данным;

) Выбрать конкретные базовые микросхемы, начертить их принципиальные схемы, описать работу и привести справочные данные, необходимые для расчета преобразователя уровней;

4) Выбрать схему преобразователя уровней (ПУ) и описать его работу;

) Выбрать тип биполярных транзисторов для схемы ПУ, привести необходимые справочные данные выбранных транзисторов;

) Рассчитать схему ПУ в заданном температурном диапазоне и подобрать резисторы по их номинальным значениям.

Примечание: Пп. 4, 5, 6 выполняют в случае невозможности выбрать серийно выпускаемые ПУ.

Решение:

)        АЦП мгновенных значений подразделяют на следующие основные виды: последовательного счета, последовательного приближения, параллельные, параллельно-последовательные и с промежуточным преобразованием в интервале времени. Структурная схема АЦП последовательного приближения содержит компаратор, при помощи которого выполняется сравнение входного напряжения с напряжением обратной связи. На прямой вход компаратора поступает входной сигнал Uвх, а на инвертирующий - напряжение обратной связи. Работа преобразователя начинается с приходом импульса «ПУСК» от схемы управления, который замыкает ключ S. Через замкнутый ключS импульсыU1 от генератора тактовых импульсов поступают на регистр последовательных приближений (РПП). В основе РПП лежит принцип дихотомии, т. е. последовательного сравнения преобразуемого напряжения Uвх с 1/2, 1/4, 1/8 и т. д. возможного максимального его значения Um. Это позволяет дляn - разрядного АЦП выполнить весь процесс преобразования за n - последовательных шагов (итераций) вместо (2n-1) при использовании последовательного счета и получить существенный выигрыш по быстродействию. Когда выходное напряжение ЦАП сравняется с входным напряжением, произойдет переключение компаратора, и по его выходному сигналу «СТОП» разомкнется ключ S. В результате импульсы от генератора перестанут поступать на вход регистра последовательных импульсов. Выходной код, соответствующий равенству Uвх=Us, снимается с выходного регистра счетчика.

На каждом шаге производится определение одного разряда, начиная со старшего. При первом сравнении определяется, больше или меньше напряжение Uвх, чем Um/2. На следующем шаге определяется, в какой четверти диапазона находится Uвх. Каждый последующий шаг сужает область возможного результата. При каждом сравнении компаратор формирует импульсы, соответствующие состоянию «больше - меньше» (1 или 0), управляющие регистром последовательных приближений.

Графики, иллюстрирующие процесс преобразования напряжения в цифровой код показывают, что время преобразования зависит от уровня входного напряжения.

Структурная схема, реализующая метод последовательных приближений:

Вход Компаратор

                                                        Стоп                    Пуск

uвх

u3                         u2                                                      u1     

                                     

                                                                           КлючS      

                   u4

      Вход кода

                                                                                     N

График процесса последовательного приближения:

u1

         n-импульсов                                                                                                                                                                                                                                                                                                                                                                                                                                                                                                                                                                                                                                                                                                                     

                                                                  t

u3           u3                                                                                                                                                                                                                     ux       t

Um



t

)        В качестве тактового генератора в цифровой технике часто применяются генераторы прямоугольных импульсов.

Рассмотрим схему мультвибратора на логических элементах И-НЕ используемых в режиме инверторов.

Рисунок 2. Схема мультивибратора

Входы элементов через резисторы R1 и R2 подключены к земле.


.

.

Время нахождения схемы в каждом из этих состояний определяется временем заряда емкостей C1 и C2.

Амплитуда импульсов практически равна напряжению источника питания, следовательно для получения амплитуды 3 В необходимо применить делитель напряжения, расчет которого требует знания параметров нагрузки генератора. При питании 6 В потребуется делитель 2:1.

Параметры элементов времязадающих цепей рассчитываются по формулам:

 

 

Здесь В - напряжение логического нуля для КМОП элементов.

Сопротивления резисторов R1 и R2 должно во много раз превышать величину выходного сопротивления логического элемента в единичном состоянии, с которым они включены последовательно.

Исходя из этого примемR1= R2=5 кОм.

пФ

)        Преобразователи уровней (ПУ) - специальные элементы цифровых устройств, предназначенные для обеспечения совместимости уровней цифровых элементов различных серий. Иногда ПУ называют трансляторами уровней.

При проектировании микроэлектронной аппаратуры на цифровых интегральных микросхемах (ИМС) на практике возникает необходимость в совместном использовании цифровых ИМС различных серий. Эти ИМС могут существенно различаться как конструктивно-технологическими, схемотехническими решениями, так и электрическими параметрами, вследствие чего они не могут сопрягаться непосредственно. ПУ позволяет обеспечить управление интегральным логическим элементом (ЛЭ) одной серии с помощью интегрального логического элемента другой серии, т. е. добиться электрического и временного сопряжении этих двух элементов.

Схема логического элемента


Каждый ЛЭ характеризуется набором входных и выходных статических и динамических параметров, некоторые из которых показаны на схеме. К статическим параметрам относятся: Uвх и Uвых - входное и выходное напряжения; U1, U0 - уровни логической 1 и логического 0; I1,0вых, I1,0вых - входные и выходные токи ЛЭ в состояниях логического 0 и логической 1 по входу и выходу; Iн - ток нагрузки; Uп+ - допустимая статическая помеха на нулевом уровне (помехозащищенность снизу) и Uп- - допустимая статическая помеха на единичном уровне (помехозащищенность сверху).

Средние значения этих параметров, пределы их изменений и полярности у различных ЛЭ разные.

На структурной схеме представлена обобщенная структурная схема согласования элементов ЛЭ 1 и ЛЭ2 с различными типами логики и схемотехники. Основным элементом схемы согласования является

Обобщенная структурная схема согласования элементов


преобразователь уровня П2. Входной П1 и выходной ПЗ каскады обеспечивают согласование выходов ЛЭ1 с входом П2 и выхода П2 с входом ЛЭ2. В отличие от логических элементов, у которых значения уровней входных и выходных сигналов, как правило, совпадают, у ПУ значения входных и выходных сигналов всегда различны. Это характерный признак ПУ. Поэтому для обеспечения полного сопряжения уровней ЛЭ1 и ЛЭ2 необходимо, чтобы входной каскад ПУ - П1 был реализован аналогично схеме выходного каскада ЛЭ1, точно так же выходной каскад ПУ - ПЗ должен быть реализован по схеме входного каскада ЛЭ2. Чтобы обеспечить выполнение этих условий для питания ПУ, необходимо одновременно использовать питающие напряжения как ЛЭ1, так и ЛЭ2.

В некоторых случаях, если расстояния ЛЭ1 - ПУ и ПУ - ЛЭ2 (см. рис. 10) небольшие, например когда ЛЭ1, ПУ, ЛЭ2 размещены на одной и той же плате или в одном корпусе микросхемы, то схему ПУ можно упростить, исключив из нее каскады П1 или ПЗ, или оба. В общем случае, когда предполагается изготовить ПУ в виде отдельной ИС или микросборки, желательно, чтобы ПУ содержал все три каскада П1 - Ш - ПЗ, так как при этом ограничения на длину связей между ПУ и цифровыми ИС с ЛЭ будут такими же, как для связей между цифровыми ИС в данной аппаратуре. Это в определенной степени облегчит конструирование электронных блоков аппаратуры.

Кроме обеспечения совместимости, уровней сигналов ПУ должны удовлетворять специальным требованиям, например таким, как:

·              сохранение преобразователем порогового, уровня управляющего элемента ЛЭ1 и уровней токов элементов ЛЭ1 и ЛЭ2;

·              обеспечение преобразования уровней с логической инверсией (если на входе ПУ А, то на выходе или без инверсии;

·              обеспечение заданных требований по нагрузочной способности и параметрам быстродействия.

Обеспечение заданных требований по нагрузочной способности сводится к реализации преобразования выходного логического уровня элемента ЛЭ1 во входной логический уровень элемента ЛЭ2 с заданным коэффициентом разветвления n (т.е. ПУ должен давать требуемый логический уровень для n элементов ЛЭ2, параллельно подключенных к выходу ПУ).

Обеспечение заданных требований по параметрам быстродействия обычно сводится к тому, что ПУ не должен ухудшать быстродействие цифрового устройства, в котором он используется, т. е. задержка на переключение ПУ не должна быть больше задержки наиболее медленного из элементов ЛЭ1 и ЛЭ2.

Можно сформулировать общие правила построения ПУ, пригодные для большинства возможных вариантов преобразователей уровня:

·              преобразователи уровней проектируются для конкретных схем с обязательным учетом выходных характеристик и параметров управляющего элемента, а также входных характеристик и параметров управляемого элемента;

·              перепад логических уровней управляющего элемента должен быть достаточным для надежного функционирования преобразователей уровней;

·              преобразователь уровней должен обеспечивать необходимые динамические параметры с учетом емкостных и активных нагрузок.

По схемотехнической реализации основных логических функций цифровые ИМС, наиболее распространенные в настоящее время, подразделяются на следующие группы:

·              ИМС транзисторно-транзисторной логики (ТТЛ, ТТЛШ);

·              ИМС эмиттерно-связанной логики (ЭСЛ);

·              ИМС на МДП транзисторах (КМДП-логика, р-МДП-логика, n-МДП-логика);

·              ИМС на элементах инжекционной логики (И2Л).

Типовые значения основных статических параметров рассматриваемых групп ИМС при наихудшем сочетании дестабилизирующих факторов и технологических разбросов приведены в таблице.

Таблица

Параметр, единица измерения

Элементная база


ТТЛШ

КМДП

Е, В

+5 ± 5%

+ (5 ¸ 9) ± 5%

U0, В

£0,5

£ + 0,3

U1, В

+ 2,7 ¸5,5

+ 4,5 ¸ 8,5

I1вх, мА

£ 0,02

£ 1,5 × 10-3

I0вх, мА

£0,36

£ 1,5 × 10-3

I1вых, мА

£ 0,4

£ 2,5

I0вых, мА

£ 8

£ 2,5

Uп±, В

£0,6

1 ¸ 3


В составе схем малой и средней степеней интеграции ТТЛ и КМДП типов имеются специально разработанные преобразователи уровней.

Отечественная промышленность выпускает микросхемы ПУ типов КМДП ® ТТЛ и ТТЛ ® КМДП серий К176, К561, К564.

Наиболее известными ПУ КМДП ® ТТЛ являются микросхемы К176ПУ5, К561ЛН1, К564ЛН2.

Микросхема К176ПУ1 содержит пять инверторов и имеет два вывода питания: Е1 = 5 В и Е2 = 9 В. Микросхема К176ПУ2 содержит в одном корпусе шесть преобразователей КМДП ® ТТЛ. Особенностью этой микросхемы является повышение значения выходных токов логического 0 и логической 1, что необходимо для работы на значительную емкостную нагрузку.

В корпусе микросхемы К176ПУЗ расположены шесть ПУ КМДП ® ГТЛ без инверсии выходов, имеются два вывода питания Е1 и Е2. Время завершения переходных процессов преобразования уровней КМДП ® ТТЛ не превышает 100 нс для случая перехода от низкого уровня к высокому и 40 нс для случая обратного перехода.

Отличительной особенностью микросхемы К176ПУ5 является то, что каждый из четырех ее ПУ имеет прямой и инверсный выходы. Микросхема К176ПУ4 содержит в своем корпусе шесть ПУ - буферных усилителей и работает от одного источника питания Е1.

Преобразователь уровней КМДП ® ТТЛ

При непосредственном сопряжении ЛЭ КМДП-типа с ЛЭ ТТЛ-типа выходные токи КМДП-элементов I0вых и I1вых могут быть недостаточными для управления входами ТТЛ-элементов. Для усиления этих токов и согласования уровней используется ПУ, простейшая схема которого аналогична схеме ПУ ТТЛ ® КМДП и приведена на рисунке:

ПУ КМДП>ТТЛ


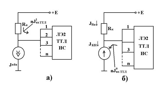
Если Uвх = U0кмдпоб, транзистор VT находится в режиме отсечки. Поскольку к выходу ПУ подключеныn ТТЛ-элементов, то через резистор Rк протекает не только ток коллекторного перехода Iкб о транзистора VT, но и n токов I1вх ттл. Напряжение на коллекторе транзистора VT, равное напряжению на выходе ПУ, должно быть больше уровня логической 1 ТТЛ-элементов U1ттл

Uвых= Е - (nI1вх ттл+ Iкб о)Rк³U1ттл.                                                     (1)

Если Uвх= U1кмдп, то транзистор VT должен находится в режиме насыщения, т.е.

                                                                          (2)

Из рисунка видно, что при условии Uвх= U1кмдп ток базы

                                                (3)

В коллекторе насыщенного транзистора VT втекает ток

                                             (4)


Ток Iкн, найденный по формуле (4), должен быть меньше максимального тока Iк макс выбранного транзистора VT, т.е.:

Iкн<Iк макс.                                                                                         (5)

На передаточной характеристике Uвых = f(Uвх) рассматриваемой схемы можно выделить три участка:


Если Uвх£еоб, то VT находится в режиме отсечки, и Uвых определяется формулой.


Если Uвхоб, то VT открыт, и ток Iб определяется формулой (3).

ПокаVT работает в активном режиме и

             (6)

Если Uвх> (еоб + Iб нRб), то VT находится в насыщении и Uвх = Uкен.

Маломощные ТТЛШ ИС

Микросхемы 533, КМ533, К555, КМ555, 1533, КР1533 представляют собой цифровые маломощные схемы, выполненные по биполярной технологии на основе транзисторно-транзисторной логики с диодами Шоттки (ТТЛШ). В состав этих серий входит функционально полный набор устройств цифровой обработки информации, включая ЛЭ, арифметические и логические устройства, триггеры, счетчики, регистры хранения и сдвига, шифраторы, дешифраторы, мультиплексоры, магистральные элементы и др. Микросхемы полностью совместимы с ИС К133, К155, КМ155 по логическим уровням, напряжению питания, помехоустойчивости и при одинаковом быстродействии потребляют в 5 раз меньшую мощность от источника питания на один базовый ЛЭ.

Логические уровни напряжения составляют не более 0,4В при нагрузке 4 мА и 0,5 В при нагрузке 8 мА для низкого уровня и не менее 2,4 В - для высокого уровня (для ряда микросхем высокий уровень напряжения 2,5 В). Помехоустойчивость схем - не менее 0,3В, нагрузочная способность при нагрузке схем друг на друга - не менее 10.

Конструктивно-технологически ИС 533, КМ533, К555, К.М555 выполнены по планарно-эпитаксиальной технологии с изоляцией р-п переходами, имеют унифицированные корпуса, число выводов которых составляет 14...28. Микросхемы 533, К.М533, 1533 выполнены в плоских пленарных корпусах, а К555, К.Р1533 и КМ555 - в пластмассовых и стеклокерамических корпусах соответственно, с двухрядным расположением выводов (типа DIP).


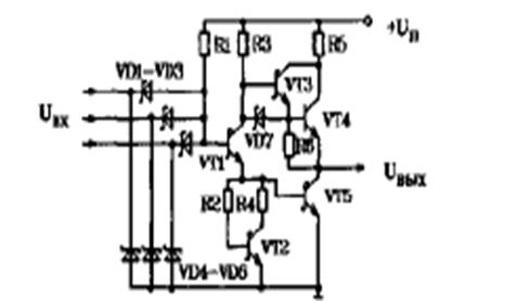
ИС серий 533, 555, SN54LS, SN74LS. В основе этих серий лежит логический элемент, содержащий на входе матрицу диодов Шотки:


Логическая функция И реализуется на диодах VD1-VD3 и резисторе R1, далее следует фазоинверсный каскад на VT1 с источником тока на транзисторе VT2 и выходной двухтактный каскад на VT3-VT5. Транзисторы всех каскадов содержат переходы Шоттки.

При подаче на катод одного из диодов VD1-VD3 потенциала низкого логического уровня U0вх транзистор VT1 запирается, так как напряжение:

UбэVT1 - U0вх + UVD1,2,3- UбэVT5

(UVD1,2,3- падение напряжения на одном из диодов VD1-VD3) оказывается недостаточным для его отпирания. Тока базы при этом нет, а входной ток I0вх определяется сопротивлением резистора R1. На коллекторе VT1 устанавливается потенциал, отпирающий транзисторы VT3, VT4, и на выходе логического элемента устанавливается напряжение U1вых:

U1вых = Uп - UбэVT3 - UбэVT4-Iб VT3R2.

цифровой код импульс цепь

В случае, если на все входы схемы поступает уровень U1вх, то через диоды VD1-VD3 начинает течь обратный ток, не превышающий 20 мкА и являющийся входным током логической «1» I1вх. Появившийся на базе VT1 потенциал оказывается достаточным для отпирания транзистора, VT1 отпирается и далее формируется уровень логического «0» U0вых на выходе схемы.

Принцип действия каскадов на транзисторах VT2-VT5 имеет особенность: резистор R6 в данной структуре подключен уже не к общему проводу, а к коллектору транзистора VT5. Это позволяет сократить потребление тока при логической «1» на выходе. Кроме того, коллекторVT1 через диод VD7 и резистор R6 соединен с выходом логического элемента. Такая связь позволяет при переключении повысить коллекторный ток VT1 за счет разряда выходных емкостей , а следовательно, и повысить быстродействие.

По сравнению с ИС серий 530, 531, SN54S, SN74S в рассматриваемомсубсемействе почти на порядок снижена удельная потребляемая мощность. В то же время существенное повышение экономичности привело к проигрышу в быстродействии.

Серия 555 (SN74LS)

Тип схемотехнической реализации выполняемых функций: ТТЛШ.

Типовые параметры:

Время задержки распространения 9,5 нс;

Удельная потребляемая мощность 2 мВт/лэ;

Работа переключения 19 пДж;

Коэффициент разветвления по выходу 20;

Напряжение питания +5 В.

Отклонение напряжения питания от номинального значения: ±5%.

Диапазон рабочих температур:

Для 555, К555 от -10 до +70 ;

Для КМ 555 от -45 до 85.

Предельно допустимые значения параметров и режимов эксплуатации ИС К555, КМ555 в диапазоне рабочих температур:

кратковременное, в течении 5мс, напряжение питания               7В;

максимальное постоянное напряжение питания                          5,25 В;

минимальное постоянное напряжение питания                           4,75 В;

- максимальное напряжение между входами                                5,5 В;

минимальное отрицательное напряжение на входе                      - 0,4 В;

максимальное напряжение логического «0» на входе                 0,8 В;

минимальное напряжение логической «1» на входе                             2,0 В;

максимальный выходной ток логического «0»                           8 мА;

максимальный выходной ток логической «1»                             Ф;

максимальная емкость нагрузки                                                   15 пФ.

Цифровые микросхемы ТТЛ-серий К155, К555, КР1533, КР531 обеспечивают построение самых различных цифровых устройств, работающих на частотах до 80 МГц, однако их существенный недостаток - большая потребляемая мощность. В ряде случаев, когда не нужно такое высокое быстродействие, а необходима минимальная потребляемая мощность, применяют интегральные микросхемы серий К176, К561, КР1561 и 564.

Микросхемы этих серий изготовляются по технологии комплементарных транзисторов структуры металл-диэлектрик-полупроводник (КМДП). Ранее в качестве диэлектрика использовался окисел кремния, поэтому сокращенным обозначением структуры этих микросхем было КМОП, оно и используется в этой книге.

Основная особенность микросхем КМОП - ничтожное потребление тока в статическом режиме - 0,1...100 мкА. При работе на максимальной рабочей частоте потребляемая мощность увеличивается и приближается к потребляемой мощности наименее мощных микросхем ТТЛ.

 

Рассмотрим внутреннюю структуру микросхем КМОП на примере двухвходового логического элемента ИЛИ-НЕ. Основу этого элемента составляют два транзистора структуры МОП с индуцированным каналом р-типа VT1 и VT2 и два транзистора с каналом n-типа VT3 и VT4. Резисторы и диоды являются вспомогательными и в нормальной работе элемента участия не принимают.

При подаче на оба входа напряжения, близкого к нулю (лог. 0), транзисторы VT3 и VT4 закрыты, транзисторы VT1 и VT2 открыты и соединяют выход элемента с источником питания. На выходе элемента напряжение близко к напряжению источника питания (лог. 1). Если на один из входов, например вход 1, подать лог. 1, транзистор VT2 закроется, транзистор VT4 откроется и соединит выход элемента с общим проводом, на выходе элемента появится лог. 0. Такой же результат будет при подаче лог. 1 на вход 2 или при подаче лог. 1 на оба входа одновременно. Таким образом, изображенный на схеме элемент выполняет функцию ИЛИ-НЕ на два входа. Для увеличения числа входов элемента увеличивают число последовательно соединенных транзисторов с каналом р-типа и параллельно соединенных транзисторов с каналом n-типа.

Для построения элементов с функцией И-НЕ транзисторы с каналом р-типа соединяют параллельно, с каналом п-типа - последовательно.

На схеме приведена статическая переключательная характеристика инвертирующего МОП-элемента - зависимость его выходного напряжения от входного. Как видно из зависимости, переключение элемента происходит при входном напряжении, близком к половине напряжения питания. Диоды VD7 и VD8 являются неотъемлемой частью МОП-транзисторов, диоды VD1 - VD6 и резисторы R1 и R2 специально вводятся в состав элемента для защиты МОП-транзисторов от статического электричества. При превышении входным напряжением напряжения источника питания открываются диоды VD1 - VD4, что исключает подачу на затворы транзисторов напряжения, превышающего напряжение питания. При снижении входного напряжения до уровня, более низкого, чем потенциал общего провода, открываются диоды VD5 и VD6. В микросхемах серии К176 первых выпусков для защиты входов использовались диоды-стабилитроны с напряжением включения порядка 30 В, которые устанавливались вместо VD5 и VD6.

 

Микросхемы серий К176, К561, КР1561 выпускаются в пластмассовых корпусах с двухрядным расположением 14, 16 или 24 штыревых выводов, а микросхемы серии 564 - в корпусах с тем же количеством выводов, расположенных в одной плоскости, в так называемых планарных корпусах. Номинальное напряжение питания микросхем серии К176 - 9 В ±5%, однако они, как правило, сохраняют работоспособность в диапазоне питающих напряжений от 5 до 12 В. Для микросхем серий К561 и 564 гарантируется работоспособность при напряжении питания от 3 до 15 В, для КР1561 - от 3 до 18 В. Диапазонрабочих температур микросхем серии К176 от -10 до +70, серий К561 и КР1561 от -45 до +85°С, серии 564 от -60 до +125 .

Выходные уровни микросхем при работе на однотипные микросхемы практически не отличаются от напряжения питания и потенциала общего провода. Максимальный выходной ток большинства микросхем серий К176, К561 и 564 не стандартизирован и не превышает единиц миллиампер, что несколько затрудняет непосредственное согласование микросхем этих серий с какими-либо индикаторами и микросхемами ТТЛ-серий.

Для микросхем серии К176 предельная частота дана для напряжения 9В, для серий К561 и 564 - для 5 и 10 В, для серии КР1561 - для 5, 10 и 15 В.

Логика работы микросхем с одинаковым буквенноцифровым обозначением у серий К176, К561, КР1561 и 564 полностью совпадает, совпадают реальные электрические параметры у микросхем серий К561 и 564, хотя паспортные нормы у них различны.

Преобразователи уровней

МикросхемыК561ПУ4 и КР1561ПУ4 аналогичны по своему функционированию микросхеме К176ПУЗ, но требуют лишь одного источника питания, который подключается к выводу 1 микросхемы, вывод 16 свободен. При напряжении питания 10В микросхема К561ПУ4 может обеспечить выходной ток 8 мА в состоянии лог. 0 и 1,25 мА в состоянии лог.1. Особенность этой микросхемы - возможность подачи на ее входы напряжения, большего, чем напряжение питания, что недопустимо для других типов микросхем (кроме К561ЛН2). Эта возможность позволяет использовать микросхемы К561ПУ4 и КР1561ПУ4 для сопряжения КМОП-микросхем, имеющих напряжение питания 5...15 В, с ТТЛ-микросхемами. В этом случае на микросхему К561ПУ4 (КР1561ПУ4) подают напряжение питания 5 В входы подключают к выходам КМОП-микросхем, выходы - ко входам ТТЛ-микросхем.

МикросхемыК561ПУ7 и К561ПУ8 - соответственно шесть инвертирующих и шесть неинвертирующих преобразователей уровней ТТЛ-микросхем в уровни КМОП-микросхем. Принципиальное отличие этих микросхем от микросхем К176ПУ5 и 564ПУ6, выполняющих ту же функцию, - использование одного источника питания. При напряжении питания 10... 15 В порог переключения элементов микросхем составляет 1,5... 1,8 В, что хорошо согласуется с выходными уровнями микросхем серий ТТЛ.

Согласование микросхем:


Важной характеристикой ПУ является его быстродействие, которое определяется максимально допустимой частотой следования входных сигналов, представляющих кодовые символы 0 и 1 каждый из которых приводит к переключению ПУ.

Очевидно, что быстродействие зависит от общей длительности переходного процесса, возникающего при воздействии переключающего сигнала и обусловленного инерционностью транзистора и перезарядом паразитных емкостей в процессе переключения. В рассматриваемой схеме ПУ обычно процесс переключения из состояния логического 0 в состояние логической 1 происходит медленнее и определяется процессом заряда нагрузочной емкости Сн через резистор Rн.

Если выбрать транзистор VT, у которого граничная частота переключения в несколько раз выше заданной частоты переключения ПУ, то при запирании транзистора его инерционностью можно пренебречь и длительность t0,1 можно рассчитать:

t0,1 = 2,3RкСн,

где Сн = nСвх + См = 2*15*10-12 + 50*10-12= 80*10-12Ф = 80 пФ.

где: n - нагрузочная способность ПУ;

Свх- входная емкость;

См - емкость монтажа.

Если задана частота переключения ПУ - f, то время переключенияtпер == 5*10-7c = 0.5 мкси необходимо обеспечить условие:

f0.1£tпер.                                                               (1а)

Если частота переключения f не задана, то спроектировать ПУ нужно так, чтобы он не ухудшал быстродействия цифрового устройства, в котором он используется, т.е. должно выполняться неравенство:

f0.1£tмакс.                                                              (2а)

где: f’0,1 - наибольшее время задержки распространении сигнала для ТТЛ и КМДП-элементов, t0,1макс = max(t0,1эд рттл, t0,1 эд р кмдп).

Значения резисторов Rк и Rб определяются из условий двухсторонних ограничений, изложенных ниже.

Из условия, что напряжение на выходе ПУ не должно быть меньше напряжения U1ттлш, для наихудшего соотношения параметров определяем первое ограничение сверху на величину Rк:

                                                       (3а)

где: - минимальное напряжение питания при заданном допуске;

- максимальное значение входного тока ТТЛШ-элемента и обратного тока коллектора транзистора VT, которые достигаются при максимальной температуре Тмакс заданного температурного диапазона работы ПУ.

Для нахождения и можно использовать известное упрощенное выражение, описывающее зависимость обратного тока р-n-перехода I0 от температуры окружающей среды Т,


где: Т* - приращение температуры, при которой обратный ток I00) удваивается (Т*» (8 ¸ 10)° С для германия и Т*» (6 - 7)° С для кремния);

Т - температура, при которой определяют ток I0;

I00) - ток I0 при некоторой исходной температуре Т0, который приводится в справочнике.

Второе ограничение сверху на величину Rк определяется требованиями обеспечения заданного быстродействия ПУ

                                                                (4а)

при выполнении условия, что спроектированный ПУ не ухудшит быстродействие электронной схемы, построенной на ТТЛ и КМДП-элементах

                                              (5а)

где: - максимальное напряжение питания при заданном допуске.

Таким образом, получаем двустороннее ограничение на величину Rк - формулы (3а) - (5а).

С точки зрения уменьшения мощности, потребляемой ПУ необходимо выбрать величину Rк наибольшей, удовлетворяющей двустороннее ограничение и в соответствии со стандартным рядом номиналов резистора.

Мощность, рассеиваемая на резисторе Rк при насыщении транзистора VT,

                                                                (6а)

В соответствии с величиной РRк выбираем мощность резистора Rк.

Из условия, что ток базы Iб транзистора VT не должен превышать ток I1вых ттл, получаем первое ограничение снизу на величину Rб:

                                                       (7а)

Для определения ограничения сверху на величину Rб потребуем, чтобы при минимальном значении для выбранного транзистора VT обеспечивалась степень насыщения S. При наихудшем сочетании параметров (Е, и I0вх ТТЛШ) и выбранных значениях Rк и S получим:

                  (8а)

откуда, предложив, что n имеет:

                                              (9а)

Таким образом, получаем двустороннее ограничение на величину Rб - формулы (7а), (8а) и (9а).

Величину Rб выбираем наибольшей, удовлетворяющей двустороннее ограничение и в соответствии со стандартным рядом номиналов резистора.

Определим мощность, потребляемую ПУ. Если Uвх = U0КМДП, тоVT находится в режиме отсечки, через резистор Rк протекает ток nI1вх ТТЛШ + Iкб о, который будет максимальным при наибольшей заданной температуре. Поэтому мощность, которую ПУ потребляет от источника питания £ в состоянии логической 1 на выходе, равна:


Если Uвх = U1КМДП, то VTнасыщен, и мощность, потребляемая ПУ в соответствии логического 0 на входе, с учетом равна:



Список используемой литературы

.        Прянишников В. А. Электроника. Полный курс лекций. - СПб.: Корона принт, 2004 г.

.        Миловзоров О. В. Электроника. Гриф МО РФ.- М.: Высшая школа, 2008г.

.        Наундорф У. Аналоговая электроника. Основы, расчет, моделирование. - М.: Техносфера, 2008 г.

.        Волович Г. И. Схемотехника аналоговых и аналого-цифровых устройств. - М.: Додэкаxx1. 2007 г.

.        Интегральные микросхемы и их зарубежные аналоги. Справочник. Т. 3, 4, 5. - М.: Радио Софт, 2008 г.

.        Микросхемы ЦАП и АЦП. Справочник + СД. - М.: Додэкаxx1, 2008 г.

.        Титце У., Шенк К. Полупроводниковая схемотехника: В 2-х томах. - М.: Додэкаxx1

Похожие работы на - Проектирование микроэлектронной аппаратуры на цифровых интегральных микросхемах

 

Не нашли материал для своей работы?
Поможем написать уникальную работу
Без плагиата!
Без нейросетей!