Классификация интегральных микросхем

  • Вид работы:
    Методичка
  • Предмет:
    Информатика, ВТ, телекоммуникации
  • Язык:
    Русский
    ,
    Формат файла:
    MS Word
    861,44 kb
  • Опубликовано:
    2011-12-28
Вы можете узнать стоимость помощи в написании студенческой работы.
Помощь в написании работы, которую точно примут!

Классификация интегральных микросхем

Министерство образования Республики Таджикистан








Методичка

По курсу:

"Микроэлектроника"

В этой работе приведена классификация интегральных микросхем (ИМС). Даны общие методы расчёта конструирования топологии тонкоплёночных элементов (ТЭ) гибридных ИМС. Описаны методы получения тонких плёнок. Приведён пример расчёта ТЭ и разработки топологической структуры гибридной ИМС. В приложении приводятся варианты схем задания для курсовой работы.

Пособие предназначено для студентов радиотехнических специальностей при изучении курса "Микроэлектроника" и может быть использовано при курсовом и дипломном проектировании.

СОДЕРЖАНИЕ

Введение

. Классификация интегральных микросхем

. Расчёт и проектирование резистивных элементов

. Расчёт и проектирование плёночных конденсаторов

. Плёночные индуктивные элементы

. Элементы коммутации

. Навесные компоненты ГИС

. Подложки ГИС

. Способы нанесения тонких плёнок

8.1 Метод термического испарения

.2 Ионно-плазменное напыление (катодное напыление)

.3 Электрохимическое и химическое нанесение плёнок

9. Задание на курсовую работу: "Разработка топологии гибридной тонкоплёночной ИМС"

. Методические указания к выполнению курсовой работы

. Пример расчёта

Литература

Приложение

резистивный конденсатор индуктивный напыление

Введение


Микроэлектроника - наиболее динамично развивающееся направление электронной техники, определяющее научно- технический прогресс в вычислительной технике, радиоэлектронике, приборостроении, автоматике, промышленности средств связи, оказывающее существенное воздействие на развитие многих других отраслей промышленности, таких как машиностроение, автомобилестроение, авиастроение и др.

Развитие микроэлектроники характеризуется постоянным обновлением технических идей, изменением технологии производства изделий микроэлектроники, расширением областей её применения и выделением ряда новых перспективных направлений (базовые матричные кристаллы, программируемые логические матрицы, микропроцессорная техника).

Основной задачей микроэлектроники является комплексная миниатюризация электронной аппаратуры - вычислительной техники, аппаратуры связи, устройств автоматики. Комплексная миниатюризация приводит к снижению стоимости, материалоёмкости, энергопотребления, массы и габаритов изделий, повышению надёжности и увеличению объёма выполняемых электронной аппаратурой функций. Микроэлектронная технология позволяет резко расширить масштабы производства микроэлектронной аппаратуры, создать мощную индустрию информатики, удовлетворить потребности общества в информационном обеспечении.

Поэтому при подготовке современного радиоинженера необходимо уделить особое внимание приобретению знаний в области микроэлектроники.

 

1.      
Классификация интегральных микросхем


По способу изготовления и получаемой при этом структуре интегральные микросхемы (ИМС) подразделяются на два типа:

.        полупроводниковые ИМС

.        гибридные ИМС.

Полупроводниковые ИМС - это монолитные устройства, в которых все элементы изготовлены на единой полупроводниковой подложке и в едином технологическом цикле.

По полупроводниковой технологии в основном изготавливаются цифровые ИМС малой, средней и большой степени интеграции; микропроцессоры, микрокомпьютеры; а также низкочастотные аналоговые, аналого-цифровые устройства (операционные усилители, компараторы, аналоговые, цифроаналоговые преобразователи и т.д.).

Гибридная интегральная микросхема представляет собой миниатюрную печатную плату с напылёнными проводящими дорожками, к которым припаиваются, привариваются или приклеиваются дискретные бескорпусные элементы (транзисторы, диоды, чипы бескорпусных полупроводниковых ИМС), а также формируются на печатной плате пассивные элементы (резисторы, конденсаторы, катушки индуктивности).

По способу изготовления пассивных элементов гибридные интегральные микросхемы (ГИС) подразделяются на:) толстоплёночные ГИС;)        тонкоплёночные ГИС.

В толстоплёночных ГИС для нанесения плёнок используется механический способ выдавливания паст через трафарет. Для получения различных пассивных элементов используются соответствующие пасты.

В тонкоплёночных ГИС для формирования пассивных элементов используются методы напыления, электрохимического осаждения.

При микроминиатюризации высокочастотных и СВЧ радиоэлектронных устройств наиболее часто используется тонкоплёночная гибридная технология.

В связи с этим данное методическое пособие посвящено вопросам проектирования тонкоплёночных ГИС.

2. РАСЧЁТ И ПРОЕКТИРОВАНИЕ РЕЗИСТИВНЫХ ЭЛЕМЕНТОВ

Плёночный резистор конструктивно состоит из резистивной плёнки определённой конфигурации и контактных площадок. Наиболее распространённые конфигурации резисторов (рис .1):)    полосковые;)       типа меандр;)      составные.

С учётом требований автоматизации проектирования, конфигурации резисторов не должны содержать криволинейных контуров.

Плёночные резисторы должны обладать высокой стабильностью во времени и в интервале температур; низким уровнем шумов; малыми значениями паразитных параметров; требуемой мощностью рассеяния; минимальным значением занимаемой площади.

Сопротивление плёночного резистора прямоугольной формы (рис 2.) определяется по формуле:

 (1)

 

где rv - удельное объёмное сопротивление плёночного материала.

Rk - сопротивление контактных областей.

На практике сопротивлением контактных областей можно пренебречь, т.к. оно значительно меньше сопротивление резистивных плёнок.

Кроме того, учитывая, что удельное сопротивление плёнки зависит от толщины, для расчётов целесообразно использовать не удельное объёмное сопротивление (rv), а удельное сопротивление квадрата плёнки определённой толщины или удельное поверхностное сопротивление (rs)

 (2)

Удельное поверхностное сопротивление квадрата плёнки измеряется в Омах на квадрат (W/) и от размера квадрата не зависит.

Таким образом, учитывая удельное поверхностное сопротивление плёнки (rs), сопротивление резистора можно определить по формуле:

= rs · Kф; (3)

где - коэффициент формы.

На практике конфигурация резисторов определяется коэффициентом формы. Если Кф<10, то выбирается прямоугольная форма. Если Кф>10, то для резистора выбирается "меандр" или составной резистор.

Выбор конфигурации и расчёт размеров резистора производится по заданному номиналу (R) и удельному поверхностному сопротивлению (rs) выбранного материала резистивной плёнки.

При проектировании разрабатываемой тонкоплёночной микросхемы выбирается один и тот же материал и одна и та же технология для изготовления всех резисторов микросхемы.


Затем вычисляется коэффициент формы:

; (4)

Исходя из полученного значения Kф выбирается конфигурация резистора.

При расчёте резисторов прямоугольной формы задаётся ширина плёночного резистора, если Кф>1. Обычно минимальный размер ширины зависит от технологии и составляет порядка (0,1 ÷ 0,2)mm. Затем по формуле

; (5)

вычисляется значение длины резистора.

Особый случай, когда Кф<1, при этом наоборот, задаётся минимально возможное значение длины тела резистора, согласно выбранной технологии изготовления. Минимальная длина резистора не должна быть меньше 0,5 mm. В этом случае при расчёте задаётся lmin = 0,5 mm и рассчитывается значение ширины резистора по формуле:

; (6)

Если Кф>10, то чаще всего выбирается конфигурация резистора типа "меандр" (рис 3). Расчёт резистора типа "меандр" ведётся из условия минимальной площади занимаемой резистором. Исходя из технологических возможностей задаётся минимальная ширина вmin = 0,2 mm, затем определяют длину средней линии меандра (lср) по формуле:

ср = вmin · Кф (7)

Исходя из выбранной технологии изготовления задаётся расстояние между резистивными полосками (а).

При масочном методе а = 0,3 mm, при фотолитографии а = 0,1 mm. Обычно задаётся а = в.

Затем определяется шаг звена:

= а + в(8)

Затем находится оптимальное число звеньев меандра по формуле:

; (9)

если L = B (меандр вписывается в квадрат), то оптимальное число звеньев определяется по формуле:

;(10)

Площадь, занимаемая меандром, определяется следующим образом:

длина L = n(a + в);(11)

ширина ;(12)

Приведённый порядок расчёта вёлся при предположении известного удельного поверхностного сопротивления rs.

На самом деле выбор плёнки достаточно проблемный.

На практике rs выбирается с точки зрения получения минимальной площади микросхемы.

Вычисляется оптимальное значение удельного поверхностного сопротивления по формуле:

; (13)

где Rn - номинал n-го резистора;

N - число резисторов схемы.

Затем по известным таблицам [4] выбирается материал с удельным поверхностным сопротивлением (rs) ближайшим по значению вычисленному значению rs опт.

Для резистивных плёнок чаще всего используют хром, нихром, кермет из смеси хрома и моноокиси кремния, тантал, нитрид тантал. Удельное поверхностное сопротивление и способ напыления резистивных материалов приводится в таблице 1.

Таблица 1

Характеристики материалов плёночных резисторов

Материал резистивной плёнки

Материал контактной площадки

rs, W/ 

Rном , W

Способ нанесения

Нихром

Медь

300

50 ÷ 30 000

Термический

Сплав МЛТ-3М

Медь с подслоем ванадия

500

50 ÷ 50 000

Термический

Керме К-50С

Золото с подслоем нихрома

3000 5000 1000

1000 ÷ 10 000 500 ÷ 200 000 10000 ÷ 10 000000

Термический

Тантал

Алюминий с подслоем ванадия

20÷100

100 ÷ 10 000

Катодный

Нитрид тантала

Медь с подслоем нихрома

1000

50 ÷ 100 000

Катодный

Сплав РС 3710

Золото с подслоем хрома

3000

1000 ÷ 200 000

Катодный

3.      
Расчёт и проектирование плёночных конденсаторов


Конструктивно плёночные конденсаторы представляют собой трёхслойную структуру: металл-диэлектрик-металл (МДМ) и состоит из нижней и верхней обкладок, разделённых слоем диэлектрического материала.

К конструкции конденсатора предъявляются следующие требования:)         Минимальные габариты;)      Воспроизводимость характеристик в процессе производства;)    Совместимость технологии изготовления с технологиями изготовления других элементов микросхем.

Чаще всего используется конструкция, представленная на рис 4а; её особенностью является то, что контур верхней обкладки полностью вписывается в контур нижней. В такой конструкции неточность совмещения контуров обкладок не сказывается на величине ёмкости. Контур диэлектрика заходит за пределы обеих обкладок, что гарантирует надёжную изоляцию обкладок по периферии конденсатора. Такая конструкция характерна для конденсаторов повышенной ёмкости (сотни - тысячи pF). Для конденсаторов небольшой ёмкости (десятки pF) характерна конструкция, представленная на рис 4б. Ёмкость такого конденсатора зависит от смещения обкладок из-за неточности совмещения.

Ёмкость плёночного конденсатора определяется по формуле:

С = С0 · S(14)

где S - площадь взаимного перекрытия обкладок;

С0 - удельная ёмкость, измеряется в pF/cm2


Удельная ёмкость определяется диэлектрической проницаемостью применяемых материалов ( er) и толщиной плёнки диэлектрика (d).

;(15)

Потери в обкладках конденсатора зависят от взаимного расположения выводов. При работе на высоких частотах предпочтительно двустороннее расположение выводов.

Рабочее напряжение (Uр) обеспечивается подбором материала диэлектрической плёнки с требуемым значением электрической прочности (пробивной напряжённости электрического поля, Eпр) и необходимой толщиной плёнки (d). Для большинства диэлектрических материалов пробивная напряжённость составляет:

пр = (1 ÷ 9)·106 V/cm

Толщина диэлектрика выбирается исходя из условия обеспечения заданного рабочего напряжения, по формуле:

;

Где КЗ = 3÷10 - коэффициент запаса, обеспечивающий надёжностные характеристики.

Добротность (Q) конденсатора зависит от конструкции и используемых материалов

;

где tgdД - тангенс угла диэлектрических потерь в диэлектрике, для большинства используемых материалов составляет 10-2 ÷ 10-3.

tgdОВ =  wС(r0 + rB) - тангенс угла потерь в обкладках и выводах.

Сопротивление обкладок (r0) определяется конструкцией конденсатора, проводимостью материала обкладок, их геометрией, а также картиной распределения линий тока в обкладках.

Добротность плёночных конденсаторов составляет:Q = 10 ÷ 100;

Характеристики конденсаторов определяются свойствами применяемых материалов.

К диэлектрикам предъявляются следующие требования:

·        высокая диэлектрическая проницаемость;

·        высокая электрическая прочность;

·        высокое сопротивление изоляции;

·        малые диэлектрические потери;

·        хорошая адгезия;

·        технологическая совместимость.

Наиболее часто используемые диэлектрические материалы представлены в таблица 2.

Материалы обкладок конденсатора должны удовлетворять следующим требованиям:

·        низкое электрическое сопротивление, особенно для ВЧ конденсаторов;

·        иметь хорошую адгезию как к подложке, так и к ранее сформированным плёнкам;

·        обладать высокой коррозионной стойкостью;

·        температурный коэффициент расширения должен быть близок к температурным коэффициентам расширения подложки и диэлектрика.

На практике чаще всего для изготовления обкладок применяют алюминий А99 с подслоем ванадия.

Таблица 2

Характеристики материалов плёночных конденсаторов

Материал диэлектрика

Удельная ёмкость, pF/cm2

Способ нанесения

Моноокись кремния (SiO)

5 000 ÷ 10 000

термический

Моноокись германия (GeO)

5 000 ÷ 15 000

термический

Двуокись кремния (SiO2)

20 000

катодное

Окись тантала (Ta2O5)

50 000

катодное

 

4.      
Плёночные индуктивные элементы


Плёночные индуктивные элементы широко распространены в аналоговых ИМС. Конструкция индуктивных элементов представляет собой спирали (рис. 5).


Для повышения добротности спирали проводники должны быть большой толщины (30 ÷ 100) mm. С этой целью проводят электрохимическое осаждение меди или золота на тонкий подслой титана или ванадия.

Индуктивность круглой плёночной спирали при Дн ³ 3,5 Двн определяется по формуле:

; nH

где Дср = 0,5(Дн + Двн) - средний диаметр витка;

Дн - наружный диаметр;

Двн - внутренний диаметр;

h = nt + в - ширина спирали (cm);

t - шаг спирали (cm);

в - ширина проводника (cm);

n - число витков.

Если

в = (30 ÷ 50)mm

t = (50 ÷ 100)mm, то

для квадратной спирали на площади 25 mm2 можно получить индуктивность порядка:

= (250 ÷ 500) nH.

В современных ГИС площадь, занимаемая одной спиралью, обычно не превышает 1 cm2. Максимальное число витков, которое можно разместить на этой площади определяется разрешающей способностью технологического процесса создания спирали, в частности вmin. При вmin » 50mm индуктивность составляет 10mH [3].

Добротность спирали достигает значений: Q = 80 ÷ 120 при оптимальном соотношении внутреннего и наружного диаметров Двн/ Дн » 0,4. С увеличением частоты добротность катушек возрастает, поэтому плёночные катушки успешно работают в СВЧ-диапазоне при частотах 3 ÷ 5 GHz, при этом число витков составляет 3 ÷ 5.

Толщина спирали зависит от рабочей частоты и определяется глубиной проникновения (d) электромагнитной волны в материал плёночного проводника (скин-эффект)

;

где K - коэффициент, зависящий от материала проводника;

f - рабочая частота.

Для изготовления плёночных спиралей применяют материалы с высокой электропроводностью

 

5.      
Элементы коммутации


Элементами коммутации являются проводники и контактные площадки; они служат для электрического соединения компонентов и элементов ГИС между собой, а также для присоединения к выводам корпуса.

Электрофизические свойства элементов коммутации определяются свойствами применяемых материалов. К ним предъявляются следующие требования:

·        высокая электропроводность;

·        хорошая адгезия к подложке;

·        высокая коррозионная стойкость;

·        совместимость технологии нанесения с технологией изготовления других элементов схем;

·        возможность сварки или пайки выводов навесных элементов;

·        обеспечение низкого переходного сопротивления контактов.

Самым распространённым материалом тонкоплёночных проводников и контактных площадок для ГИС повышенной надёжности является золото с подслоем хрома, нихрома или титана. Подслой обеспечивает высокую адгезию; а золото - нужную электропроводность, высокую коррозионную стойкость, возможность пайки или сварки.

В ГИС с менее жёсткими требованиями к надёжности в качестве проводников используют плёнки меди или алюминия с подслоем хрома, нихрома, ванадия или титана. Для предотвращения оксидирования меди и улучшения условий пайки или сварки, медные контактные площадки покрывают хромом, никелем, золотом или ванадием.

Толщина проводников составляет (0,5 - 1) mm; толщина покрытия составляет десятые - сотые доли микрометра.

6.      
НАВЕСНЫЕ КОМПОНЕНТЫ ГИС

В качестве навесных компонентов ГИС применяют диоды, транзисторы, транзисторные матрицы, полупроводниковые ИМС; конденсаторы, дроссели, трансформаторы.

Выводы компонентов могут быть гибкие и жёсткие. Недостаток гибких выводов в том, что трудно автоматизировать процесс монтажа. Применение компонентов с шариковыми выводами затрудняет контроль сборки. Приборы с балочными выводами позволяют автоматизировать сборку, контролировать качество, увеличить плотность монтажа, но они значительно дороже.

Способ монтажа компонентов на плату должен обеспечить фиксацию положения компонентов и выводов; сохранение целостности, параметров и свойств, а также отвод теплоты, стойкость к вибрациям и ударам. Различают следующие способы крепления компонентов ГИС: пайка; сварка; приклеивание элемента на подложку.

7.      
ПОДЛОЖКИ ГИС

Подложки ГИС являются диэлектрическим и механическим основанием для плёночных и навесных элементов и служат также теплоотводом.

Материал подложки должен обладать следующими свойствами и характеристиками:

)        высоким сопротивлением изоляции;

)        электрической прочностью;

)        низкой диэлектрической проницаемостью, малым тангенсом угла потерь;

)        высокой теплопроводностью;

)        механической прочностью, обеспечивающей целостность подложки как в процессе изготовления, так и в процессе эксплуатации ГИС;

)        высокой химической инертностью к материалам наносимых плёнок;

)        стойкостью к воздействию нагрева в процессе нанесения плёнок;

)        способностью к механической обработке (полировке, резке)

)        температурный коэффициент линейного расширения должен быть близок к температурным коэффициентам линейного расширения наносимых плёнок во избежание отслаивания и растрескивания плёночных элементов.

В настоящее время в качестве подложки используют ситаллы для маломощных ГИС; для мощных ГИС применяют керамику "поликор", а для особо мощных ГИС - бериллиевую керамику, имеющую очень высокую теплопроводность. В тех случаях, когда необходима высокая механическая прочность и жёсткость конструкции, применяют металлические подложки: алюминиевые, покрытые слоем анодного оксида или эмалированные стальные.

Габаритные размеры подложек стандартизированы (таблица 3). Толщина подложек составляет (0,35 - 0,6)mm.

Таблица 3.

Типоразмеры плат ГИС

№ типоразмера

1

2

3

4

5

6

7

8

9

10

11

12

ширина, mm

96

60

48

30

24

20

16

12

10

10

5

2,5

Длина, mm

120

96

60

48

30

24

20

16

16

12

6

4

 

8.      
Способы нанесения тонких плёнок


В настоящее время используются следующие способы нанесения тонких плёнок на подложку:

·        термическое испарение;

·        ионно-плазменное напыление;

·        электрохимическое осаждение.

8.1 Метод термического испарения


Метод термического испарения (вакуумного напыления) заключается в испарении материалов и осаждении на подложку в высоком вакууме. Достоинствами метода являются: высокая скорость осаждения материалов; простота и отработанность технологических операций. Недостатками метода являются: трудность обеспечения высокой воспроизводимости свойств плёнок при осаждении веществ сложного состава; трудность испарения тугоплавких материалов; высокая инерционность испарителей. Упрощённая схема термического напыления представлена на рис. 6.


Металлический или стеклянный колпак 1 располагают на опорной плите 2. Подложка 3, на которую наносится напыление, закрепляется держателем 4. К нему примыкает нагреватель 5. Напыление производится на нагретую подложку. Испаритель 6 состоит из источника напыляемого вещества и нагревателя. Поворотная заслонка 7 перекрывает поток паров от испарителя к подложке. Напыление длится в течении времени, пока открыта заслонка 7.

На подложке создаются благоприятные условия для конденсации паров. Для получения качественной плёнки температура подложки должна быть оптимальной, обычно (200-400)°С. Слишком низкая температура приводит к неравномерному распределению адсорбируемых атомов, и плёнка получается разной толщины. Слишком высокая температура подложки может привести к отрыву только что осевших атомов.

Скорость роста плёнок зависит от ряда факторов: температуры нагревателя; температуры подложки; расстояния от испарителя до подложки; типа испаряемого материала и т.д. Обычно скорость роста плёнок составляет от десятков долей до десятков нанометров в секунду.

Некоторые распространённые материалы имеют плохую адгезию с подложкой. В этом случае на подложку сначала наносят так называемый подслой с хорошей адгезией, а затем уже напыляют основной материал (например, если основной материал - золото, то используется подслой никеля или титана).

Для того, чтобы атомы газа, летящие к подложке от испарителя, испытывали минимальное количество столкновений, необходимо создать под колпаком достаточно высокий вакуум (не ниже 10-6мм рт. ст.).

В первоклассных напылительных установках вакуум порядка 10-11 мм рт. ст.

 

8.2 Ионно-плазменное напыление (катодное напыление)


Упрощённая схема катодного напыления представлена на рис. 7.

В отличие от термического метода здесь отсутствует испаритель, его функцию выполняет катод 5, который либо состоит из напыляемого материала, либо электрически контактирует с ним. Роль анода играет подложка с держателем 3 и 4.

Пространство под колпаком сначала откачивают до 10-5÷10-6 мм рт. ст. Затем через штуцер 6 вводят некоторое количество очищенного нейтрального газа (чаще всего аргона) так, что создаётся давление порядка 10-1÷10-2 мм рт. ст.


При подаче высокого напряжения на катод (анод в целях электробезопасности заземляется), порядка (2-3)kV, в пространстве "анод-катод" возникает аномальный тлеющий разряд, который сопровождается образованием квазинейтральной электронно-ионной плазмы.

Для получения оптимальных условий распыления подбирают соответствующее соотношение между тремя величинами: расстоянием между катодом и анодом, приложенным напряжением и давлением газа.

Важнейшим преимуществом катодного распыления, по сравнению с термическим, является то, что распыление не связано с высокой температурой и следовательно отпадают трудности с напылением тугоплавких материалов и химических соединений. К тому же при катодном напылении можно получить плёнки с улучшенными адгезионными свойствами, с постоянным химическим составом, а также с более равномерной толщиной.

Основными недостатками катодного напыления являются: сложность контроля и управления процессом напыления, низкая скорость роста плёнок, некоторая загрязнённость плёнок молекулами газов.

Кроме катодного распыления к ионно-плазменному напылению относится метод, где используются специальные мишени, которые бомбардируются ионами плазмы газового разряда [2].

8.3     Электрохимическое и химическое нанесение плёнок


В технологии получения плёнок используются наряду с вакуумными методами и электрохимические, химические методы. В основу этих методов положены химические реакции, протекающие в водных растворах солей металлов в условиях приложенного электрического поля (или без него). В результате взаимодействия продуктов реакции с подложкой образуется плёнка.

В тонкоплёночной технологии электроосаждение применяют для изготовления многослойных металлических масок, повышения проводимости внутрисхемных соединений, золочения корпусов, для получения тонких магнитных плёнок, используемых в качестве элементов памяти.

Электрохимическое осаждение не является альтернативой вакуумным напылениям, а дополняет и сочетается с ними.

Более подробно с изложенными методами нанесения тонких плёнок можно ознакомиться в литературе [2].

 

9.      
Задание на курсовую работу: "Разработка топологии гибридной тонкоплёночной ИМС"


1)      Получить исходную принципиальную схему. (выдаётся преподавателем)

)        Преобразовать исходную принципиальную схему в соответствии с требованиями конструирования ИМС.

)        Рассчитать топологическую структуру тонкоплёночных резисторов.

)        Рассчитать топологическую структуру тонкоплёночных конденсаторов.

)        Составить эскиз топологии гибридной тонкоплёночной ИМС (в масштабе 20:1 или 10:1) в соответствии с заданной исходной электрической принципиальной схемой.

10.    
Методические указания к выполнению курсовой работы


На первом этапе работы необходимо преобразовать заданную принципиальную электрическую схему таким образом, чтобы все внешние выводы располагались на краю длинных сторон подложки и были исключены пересечения плёночных проводников.

К расчёту плёночных резисторов.

Расчёт и выбор конфигурации плёночных резисторов необходимо начинать с расчёта оптимального значения удельного поверхностного сопротивления плёнки. Исходя из полученного значения выбрать материал с близким значением удельного поверхностного сопротивления из таблица 1. Далее вести расчёт и проектирование резисторов по рекомендациям, указанным в главе 2.

К расчёту плёночных конденсаторов.

При выборе материала диэлектрика необходимо учитывать технологическое требование: технология нанесения тонкоплёночных резисторов и конденсаторов должна быть одинакова. Расчёт конденсаторов указан в главе 3. Материал диэлектрика выбирать из таблицы 2.

К выбору подложки.

После расчёта и выбора конфигурации пассивных элементов, определяется общая площадь всех элементов схемы, учитывая также площади, занимаемые навесными элементами. Затем выбирается тип подложки из таблицы 3.

К составлению эскиза топологической схемы.

) Эскиз топологической схемы выполняется на миллиметровой бумаге, согласно выбранному масштабу.

) Пассивные элементы располагаются на расстоянии не менее 1 mm от края.

) Выходные контактные площадки располагаются вдоль длинной стороны подложки на расстоянии не менее 1 mm от края.

) При составлении эскиза необходимо учитывать следующие ограничения, накладываемые тонкоплёночной технологией: - навесные элементы устанавливаются в специально отведённые места на расстоянии не менее 0,5 mm от плёночных элементов и не менее 0,6 mm от контактной площадки; расстояние между навесными элементами выбирается порядка 0,3 mm; длина проволочных выводов навесных элементов должна быть в пределах: (0,6 ÷ 5)mm;

минимально допустимое расстояние между плёночными элементами (в том числе и контактными площадками) составляет 0,2 mm;

минимальная длина резистора не должна быть меньше 0,5 mm;

минимальная ширина плёночных резисторов составляет 0,2 mm (при масочном методе), 0,1 mm (при фотолитографии);

для тонкоплёночных конденсаторов рекомендуется чтобы: нижняя обкладка выступала за край верхней не менее чем на 0,2 mm; диэлектрик выступал за край нижней обкладки не менее чем на 0,1 mm.

минимально допустимые размеры контактных площадок для навесных элементов составляют 0,4х0,4 mm (для припайки элементов) и 0,2х0,25 mm (для приварки элементов).

Примечания:

)        В курсовой работе навесными элементами являются бескорпусные транзисторы и операционные усилители. Обозначения и структуры этих элементов показаны на рис. 8.

)        На схемах все размеры указаны в миллиметрах.


11.    
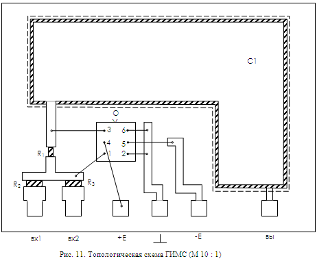
Пример расчёта


1)      На рис. 9 приведена принципиальная схема сумматора на операционном усилителе. Учитывая ранее приведённую схему расположения выводов у бескорпусного ОУ (на рис. 8), заданная схема преобразуется таким образом, чтобы не было пересечений проводников, а все внешние выводы были на одной стороне подложки (рис. 10).

)        Проводится расчёт и выбирается конфигурация резисторов.

)        а) удельное поверхностное сопротивление резистивной плёнки определяется по формуле (13)

;


Из таб. 1 выбирается материал плёнки, удельное поверхностное сопротивление плёнки которого наиболее близко к полученному значению rsопт. Выбранный материал - кермет К-50С с удельным поверхностным сопротивлением rs = 10 000 W/  (кермет К-50С, термическое напыление). Проводится расчёт резисторов, выполненных из кермета К-50С.

Рассчитываются коэффициенты формы по формуле (4).

 ;

;

Исходя из полученных значений коэффициента формы, определяем форму резисторов. Так как Кф<10, то резисторы имеют прямоугольную форму.

Расчёт для R1

Задаёмся минимальной шириной резистора: вmin = 0,2 mm. Находим длину резистора по формуле (5)

1 = Kф1·b = 2 · 0,2 mm = 0,4 mm

так как l1<lmin, то расчёт надо переделать. Задаётся минимальная длина и вычисляется ширина резистора.

1 = lmin = 0,5 mm, тогда (согласно формуле 5)


Расчёт для R2; R3.

Учитывая, что Кф2 = Кф3< 1, сразу задаётся длина резисторов, равная lmin.

2 = l3 = lmin = 0,5 mm.

Определяем ширину резисторов:

;

Таким образом, полученные размеры резисторов:

1: l1 = 0,5 mm; b1 = 0,25 mm

R3: l3 = 0,5 mm; b3 = 1,06 mm

Площадь, занимаемая резисторами составляет:

R = (0,5 · 0,25 + 0,5 · 1,06 + 0,5 · 1,06) = 1,185 mm2 » 1,2 mm2

3)      Расчёт плёночного конденсатора С1

)        Материал диэлектрика для конденсатора С1 выбирается из таб. 2. Учитывая, что резисторы изготавливаются методом термического напыления, то по технологическим соображениям материал диэлектрика также должен напыляться тем же методом. Исходя из этого, выбирается для диэлектрика моноокись кремния (SiO) с удельной ёмкостью равной C0 = 10 000 pF/cm2.

)        Рассчитаем площадь конденсатора, используя формулу (4):

;

6)      Площадь бескорпусного ОУ составляет

оу = 1,5 x 1,5 = 2,25 mm2.S = 1,2 mm2 + 100 mm2 + 2,25 mm2 = 103,45 mm2;

7)      Выбор размера подложки.

)        Учитывая площадь соединений, расстояние между элементами ГИС и расстояние от края подложки, полученное значение площади увеличиваем в три раза

SS = 3SS = 3 · 103,45 » 310 mm2.

9)      Исходя из этого по таб. 3 выбираем типоразмер платы: (16 х 20) mm.

10)     На основе проведённых расчётов и выбранных конфигураций элементов составляется топологическая схема гибридной ИМС (рис. 11).

)        Рисунок выполнен в масштабе 10 : 1.

)        На рисунке пунктиром обозначена граница диэлектрической плёнки; штрихом обозначена граница нижней обкладки конденсатора; резистивная плёнка заштрихована.




Литература


1.       "Конструирование и технология микросхем". М., "Высшая школа" 1984 г.

.        Под ред. Коледова Л.А.

.        Ефимов Е.И. и др.

.        "Микроэлектроника". М., "Высшая школа" 1986 г.

.        Коледов Л.А., Ильина Э.М.

.        "Гибридные интегральные микросхемы". М., "Высшая школа" 1987 г.

.        Степаненко И.П. "Основы микроэлектроники". М., "Сов. радио" 1980 г.

ПРИЛОЖЕНИЕ

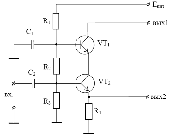
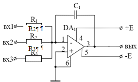
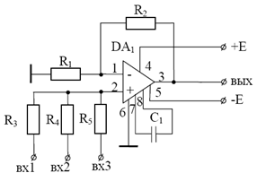
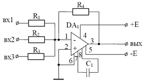
Варианты принципиальных электрических схем для ГИМС, (рис. 12).

Рис. 12.1. Фильтр нижних частот

Рис. 12.2. Фильтр верхних частот

Рис. 12.3. Полосовой фильтр

Рис. 12.4. Режекторный фильтр

Рис. 12.5.Неинвертирующий сумматор

Рис. 12.6. Инвертирующий сумматор

Рис. 12.7. Суммирующий интегратор

Рис. 12.8. Неинвертирующий интегратор

Рис. 12.9. Фазовращатель

Рис. 12.10. Генератор прямоугольных импульсов

Рис. 12.11. Усилитель по схеме с О.Э.

Рис. 12.12. Усилитель по схеме с О.Б.

Рис. 12.13. Дифференциальный усилитель

Рис. 12.14. Каскодный усилитель

Рис. 12.15. Усилитель с эмиттерным повторителем

Рис. 12.16. Парафазный каскад

Рис. 12.17. Усилитель с мощным выходом

Рис. 12.18. Сумматор импульсов

Рис. 12.19. Дифференциальный каскад

Рис. 12.20. Импульсный усилитель

Таблица 4. Параметры элементов схем задания.

Параметры

R1

R2

R3

R4

R5

C1

C2

№ Схемы

KW

KW

KW

KW

KW

nF

nF

12.1

10

10

20

-

-

4,8

2,4

12.2

11

22

22

-

-

5

5

12.3

5

0,26

400

-

-

10

10

12.4

4

1

50

400

-

10

10

12.5

10

20

10

10

10

0,1

-

12.6

10

15

20

10

-

0,1

-

12.7

15

20

15

-

-

15

-

12.8

12

25

30

100

-

10

-

12.9

4

100

10

-

-

5

-

12.10

40

15

30

-

-

10

-

12.11

20

9

2

1

-

0,5

1

12.12

2

3

20

1,5

-

0,5

0,2

12.13

20

10

3

2

-

0,5

0,3

12.14

60

50

40

2

-

1

0,2

12.15

100

120

5

6

2

0,2

0,6

12.16

100

30

2

2

-

0,4

0,4

12.17

110

40

1

2

3

0,3

0,5

12.18

100

120

5

60

70

0,4

0,6

12.19

50

2

2

30

10

0,8

-

12.20

15

27

1,2

1,6

2

1,2

-



Не нашли материал для своей работы?
Поможем написать уникальную работу
Без плагиата!
Без нейросетей!