Обработка изображения от приборов с зарядовой связью средствами микроконтроллеров

  • Вид работы:
    Курсовая работа (т)
  • Предмет:
    Информатика, ВТ, телекоммуникации
  • Язык:
    Русский
    ,
    Формат файла:
    MS Word
    621,72 Кб
  • Опубликовано:
    2012-09-18
Вы можете узнать стоимость помощи в написании студенческой работы.
Помощь в написании работы, которую точно примут!

Обработка изображения от приборов с зарядовой связью средствами микроконтроллеров

Содержание

Введение

1. Принцип работы ПЗС

1.1 Линейка ПЗС

1.2 ПЗС матрица

1.2.1 Односекционная ПЗС матрица

1.2.2 ПЗС матрица с кадровым переносом

1.2.3 ПЗС матрица с межстрочным переносом

1.3 Свойства и параметры ПЗС датчиков

1.3.1 Ёмкость ячейки ПЗС

1.3.2 Блюминг

1.3.3 Темновой заряд

1.3.4 Электронный затвор

1.3.5 Размер светочувствительной области

2. Принцип работы АЦП

2.1 Параллельное АЦП

2.2 АЦП последовательного приближения

3. Устройство системы обработки изображения

3.1 Схема электрическая принципиальная

3.2 Принцип работы и код программы

3.2.1 Физический принцип работы

3.2.2 Алгоритм программы

4. Возможность модернизации системы

4.1 Схемотехническая модернизация

4.1.1 Поочерёдное использование фильтров

4.1.2 Использование нескольких датчиков

4.1.3 Использование призмы

Список литературы

Введение


Тема моего проекта: "Обработка изображения от приборов с зарядовой связью средствами микроконтроллеров".

Прибор с зарядовой связью (ПЗС) является довольно новым схемотехническим элементом, который сейчас очень широко используется во многих отраслях науки и промышленности. Применение ПЗС датчиков крайне разнообразно, от датчиков движения и сканеров, до тепловизоров и систем наведения. Принцип работы ПЗС предполагает последующую обработку выходного сигнала, для получения изображения.

Целью моей работы было разработка системы на основе микроконтроллера для обработки изображения, принимаемого от ПЗС

Основные задачи при разработке системы:

·        Изучение принципа работы ПЗС.

·        Изучение возможностей микроконтроллера.

·        Разработка схемы электрической принципиальной.

·        Написание программы для захвата сигналов от ПЗС на микроконтроллер.

·        Написание программы микроконтроллера для последующей Обработки сигналов ПЗС.

·        Предусмотреть возможность модернизации системы.

Для выполнения поставленной задачи мною были проделаны следующие виды работ:

·        Изучение программного обеспечения используемого при работе.

·        Изучение микроконтроллера "ATmega8".

·        Изучение ПЗС датчиков.

·        Изучение языка программирования.

·        Разработка схемы электрической принципиальной.

·        Разработка алгоритма запуска и считывания ПЗС датчика на микроконтроллере.

·        Сделан анализ проделанной работы.

При работе над проектом использовались: операционная система Windows XP; программное обеспечение: Opera, open office, adobe reader, djvu editor, AVR studio 4; микроконтроллер - "Atmega8"; линейка ПЗС - "TSL201R".

микроконтроллер прибор зарядовая связь

1. Принцип работы ПЗС


Датчики изображения на приборах с зарядовой связью (ПЗС) состоят из отдельных ячеек, в которых под действием падающего на них света образуется электрический заряд. Количество заряда прямо пропорционально количеству попавших в ячейку фотонов.

После экспонирования заряд каждой ячейки преобразуется в электрическое напряжение. Это преобразование происходит в специальном узле датчика, который называется выходным устройством. Первым считывается заряд из ячейки, расположенной рядом с выходным устройством. После считывания этот заряд, как правило, разрушается, а заряды всех следующих ячеек сдвигаются на одну ячейку в сторону выходного устройства. Так происходит до тех пор, пока не будет прочитан заряд из самой дальней ячейки. После этого датчик снова готов к накоплению зарядов.

Другое название этих устройств - приборы с переносом заряда (ППЗ). В англоязычной литературе используется аббревиатура CCD - Charge Coupled Device.

1.1 Линейка ПЗС


Линейка ПЗС - это датчик с самой простой организацией. В нём все ячейки выстроены в одну линию, в конце которой находится выходное устройство.

На рисунке схематически изображена неравномерно освещённая линейка ПЗС. Более тёмными показаны ячейки, на которые падает меньше света. (см. рис.1.1)

 

Рис.1.1 Принцип устройства линейки ПЗС.

Линейные ПЗС применяются там, где требуется одномерное изображение, например, в считывателях штрих кодов, или в сканерах, где движение вдоль второй координаты осуществляется путём механического перемещения линейки.

1.2 ПЗС матрица


Для получения двумерного изображения ячейки ПЗС организуют в матрицу. Считывание зарядовых пакетов из нижней строки происходит так же, как в линейке ПЗС. Будем называть его горизонтальным переносом. После этого все лежащие выше строки сдвигаются на одну позицию вниз, то есть происходит вертикальный перенос. Циклы вертикального и горизонтального переноса производятся до тех пор, пока не будет считана верхняя строка, и прибор будет готов к следующей экспозиции.

1.2.1 Односекционная ПЗС матрица


Рис.1.2 Принцип устройства односекционной ПЗС матрицы.

Нижняя строка несколько отличается по конструкции от остальных и называется выходным регистром.

Недостаток такого устройства очевиден: во время всего переноса зарядовых пакетов, как по горизонтали, так и по вертикали, светочувствительные ячейки продолжают поглощать падающий на них свет. Поэтому использовать односекционную матрицу ПЗС можно только при условии, что во время переноса зарядов световой поток прерывается. Этого можно достичь применением механического затвора или импульсного осветителя.

1.2.2 ПЗС матрица с кадровым переносом


ПЗС с кадровым переносом (frame transfer) разделён на две секции: открытую свету секцию накопления и закрытую от света секцию хранения (см. рис.1.3). Секция накопления накапливает пакеты световых зарядов, как односекционный ПЗС. По окончании экспозиции все строки зарядовых пакетов из секции накопления очень быстро (время переноса намного меньше времени экспозиции) переносятся в секцию хранения. Далее в секции накопления начинает формироваться новое изображение, а только что полученное закрыто от света и считывается чередованием циклов горизонтального и вертикального переноса, как в односекционном ПЗС.

Рис.1.3 Принцип устройства ПЗС матрицы с кадровым переносом.

Отметим, что во время быстрого кадрового переноса свет всё-таки попадает на светочувствительные ячейки, что вызывает смаз изображения. Смаз особенно заметен, когда в сюжете есть яркие детали. Окончательно избавиться от него можно, опять же, при помощи механического затвора или импульсного источника света.

1.2.3 ПЗС матрица с межстрочным переносом


Рис.1.3 Принцип устройства ПЗС матрицы с межстрочным переносом

В ПЗС с межстрочным переносом (interline transfer) рядом с каждым столбцом светочувствительных ячеек располагается столбец ячеек, закрытых от света. Получается, что светочувствительные ячейки образуют секцию накопления, а закрытые от света - секцию хранения. По окончании экспозиции зарядовый пакет из каждой ячейки секции накопления переносится в соседнюю ячейку секции хранения (на рис.1.3 этот перенос показан красными стрелками). При такой организации время межсекционного переноса получается намного меньше, чем в приборах с кадровым переносом, и эффект смаза практически отсутствует.

После окончания межсекционного переноса в секции накопления начинается формирование нового изображения, а изображение из секции хранения считывается так же, как в односекционном ПЗС.

1.3 Свойства и параметры ПЗС датчиков


1.3.1 Ёмкость ячейки ПЗС

Ёмкость ячейки (full well) определяет максимальное количество носителей заряда, которое в ней может поместиться. От неё зависит динамический диапазон прибора. Допустим, что в ячейку помещается 1000 электронов. Если для наглядности пренебречь шумами и различного рода потерями и искажениями при преобразовании зарядового пакета в напряжение, то с неё можно считать 1000 различных уровней сигнала. Это означает, что без искажений будет передано изображение, содержащее 1000 полутонов.


1.3.2 Блюминг

Когда из-за избыточной освещённости в ячейке ПЗС образуется больший заряд, чем она может вместить, излишек заряда растекается по соседним ячейкам. В этом месте на изображении расплывается яркое пятно. Это явление называется блюмингом (blooming). В подавляющем большинстве ПЗС он различными способами нейтрализуется, и изготовители пишут, что в приборе есть антиблюминг.

1.3.3 Темновой заряд

В генерации заряда в светочувствительной ячейке участвуют не только падающие на неё фотоны, но и различные процессы, протекающие под воздействием температуры. Поэтому даже в полностью закрытом от света ПЗС через некоторое время возникает некое паразитное "изображение". Принято считать, что темновой заряд удваивается при повышении температуры на каждые 6-8°C. Поэтому при длительных экспозициях, применяемых для повышения чувствительности, ПЗС необходимо охлаждать. Для этого, в зависимости от предъявляемых требований, ПЗС стыкуют с термоэлектрическим холодильником Пельтье или охлаждают жидким азотом.

1.3.4 Электронный затвор

Электронный затвор - это особенность конструкции ПЗС, позволяющая при необходимости практически мгновенно уничтожить весь накопленный заряд. Например, если время между двумя кадровыми переносами обязано быть равным 20 мс, как в стандартной телевизионной камере (за это время секция хранения формирует стандартный кадр.), то через 18 мс после начала накопления заряда можно включить электронный затвор. Тогда всё полученное изображение будет уничтожено, накопление заряда начнётся сначала и время экспозиции окажется равным не 20, а 2 мс. Это можно использовать как при избыточной освещённости на объекте, так и при съёмке быстро движущихся объектов - подобно выдержке в обычном фотоаппарате.

1.3.5 Размер светочувствительной области

Исторически, со времён вакуумных передающих трубок, размер датчика изображения измеряется в некоторых "условных единицах", которые называются дюймами, но таковыми не являются. Например, когда пишут, что диагональ прибора равна 2/3 дюйма, это соответствует 11 мм.

2. Принцип работы АЦП


Аналого-цифровые преобразователи (АЦП) используются для преобразования аналогового сигнала в цифровой код. Существует два основных типа АЦП это "параллельное АЦП" и "АЦП последовательного приближения".

2.1 Параллельное АЦП


Рис.2.1 Параллельное АЦП

Параллельное АЦП основано на делителе напряжения и компараторе. (см. рис.2.1.)

Опорное напряжение подается на делитель напряжения. После каждого элемента делителя одним из входов подключаем компаратор. Таким образом, количество резисторов в делители напряжения равно количеству компараторов и соответствует разрядности АЦП, таким образом, каждый компаратор соответствует определённому значению напряжения. На второй вход подаётся аналоговый сигнал, поступающий на АЦП. Если на двух входах компаратора одинаковое напряжение, то на выходе мы получаем логическую единицу, которую в свою очередь и принимает преобразователь кодов. Он в свою очередь в зависимости от того, на какой вход ему поступает логическая единица, выводит определённый код, который и является конечным в АЦП.

Положительные стороны данного типа АЦП это простота устройства и высокая скорость преобразования, ведь она ограничивается лишь быстро действием электро-радио элементов используемых в данном преобразователе, но есть и отрицательные стороны.

·        Погрешности в измерении.

·        Большие габариты.

·        Высокая стоимость.

2.2 АЦП последовательного приближения


Рис.2.2 АЦП последовательного приближения на счётчике

В основе АЦП последовательного приближения стоит цифро-аналоговый преобразователь (ЦАП).

Рассмотрим принцип работы АЦП последовательного приближения на счётчике (см. рис.2.2.). Счётчик начинает наращивать своё значение, ЦАП сразу же преобразовывает выходное значение счётчика в аналоговый сигнал. После чего уже аналоговый сигнал подаётся на один из входов компаратора, а на второй вход подаётся аналоговый сигнал, поступающий на АЦП. Выход компаратора подключен к сбросу счётчика. В случае если входные сигналы компаратора не равны, то на выходе компаратора получаем логический ноль и счётчик продолжает нарастать до тех пор, пока входные сигналы компаратора не сравняются. Когда значения входных сигналов на компараторе равны, на выходе мы получаем логическую единицу. При поступлении на сброс счётчика логической единицы, он перестаёт увеличивать своё значение, а последние значение идёт на выход счётчика, как цифровая интерпретация аналогового сигнала, поступающего на вход АЦП.

Положительные стороны данного типа АЦП:

·        Низкая стоимость (значительно ниже, чем у параллельного АЦП).

·        Малые габариты.

·        Более высокая точность, нежели у параллельного АЦП.

Минусы этого типа преобразователя, конечно же, низкая скорость преобразования, при этом, чем выше напряжение, тем больше уйдёт времени на преобразование.

3. Устройство системы обработки изображения


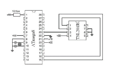
Система обработки изображения, разрабатываемая мной, основана на микроконтроллере "ATmega8" (см. рис.3.1.) и линейки ПЗС "TSL201R" (см. рис.3.2.).

Рис.3.1 микроконтроллере "ATmega8"

Рис.3.2 ПЗС линейка "TSL201R"

3.1 Схема электрическая принципиальная


Рис.3.3 Схема электрическая принципиальная

Для начала необходимо за питать схему, для этого подаём +5 вольт на 7 (VCC) и на 20 (AVCC) контакты микроконтроллера и на 4 (VDD) контакт ПЗС линейки, а так же +1 вольт опорного напряжения АЦП на 21 (AREF) контакт ATmega8.8 и 22 контакты контролера выводятся на землю, так же как и 6 и 7 контакты ПЗС. На 1 контакт (Reset) микроконтроллера необходимо подавать логическую единицу, для этого подаём на неё +5 вольт через сопротивление (10 К Ом). Далее подключаем 3 контакт ПЗС линейки (AO) к 23 контакту ATmega8 (PortC0/ADC0), 1 (SI) и 2 (CLK) контакты ПЗС к 16 (PortB2) и 15 (PortB1) контактам контроллера соответственно. На этом минимально необходимая схема готова (см. рис.3.3). Для уменьшения помех при работе АЦП, можно поставить на питании схемы фильтры высоких и низких частот.

3.2 Принцип работы и код программы


3.2.1 Физический принцип работы

С микроконтроллера (15 контакт \ PortB1) на ПЗС (2 контакт \ CLK) идут синхроимпульсы, которые задают такт работы ПЗС датчика. Когда контроллер готов принимать сигнал от ПЗС то на его 16 контакт подаётся логическая единица, при поступлении которой на 1 контакт ПЗС (SI), линейка начинает передачу выходного сигнала (3 контакт \ AO). Сигнал от ПЗС приходит на нулевой канал входа встроенного в микроконтроллер АЦП (23 контакт \ ADC0). Затем в АЦП микроконтроллера происходит преобразование аналогового сигнала в цифровой, и его сохранение во встроенной в контроллер памяти.

В зависимости от величины опорного напряжения АЦП (21 контакт \ AREF) зависит единичное значение для преобразования, а, следовательно, и точность измерения.

3.2.2 Алгоритм программы

Для начала необходимо инициализировать все необходимые библиотеки. После чего разрешаем прерывания и настраиваем таймеры. Затем инициализируем встроенное АЦП. Далее через порт B1 подаём меандр с длительностью периода не менее 100 наносекунд. Для начала приёма сигнала от ПЗС подаём на порт B2 импульс продолжительностью не менее 20 наносекунд. На выходе ПЗС по такту начинает идти сигнал. АЦП переводит значение заряда ячейки в цифровое значение, нам остаётся сохранить это значение. По следующему такту всё повторяется, но уже ля следующей ячейки. Когда ПЗС передаст все 64 ячейки, он остановиться и будет ожидать следующего импульса на 1 контакт (SI). Время до следующего импульса не должно быть меньше времени экспозиции. Дальше на основе сохранённых кодов, можно выяснить на каких ячейках был больший заряд и, следовательно, попадало больше света. Именно эти коды и являются цифровой интерпретацией изображения, которую мы и будем обрабатывать.

Алгоритмы же самой обработки изображения могут быть разнообразными и зависят от задачи поставленной перед системой обработки изображения.

4. Возможность модернизации системы


В дальнейшем данная система может модернизироваться и развиваться, как путём внесения изменений в схемотехническом плане (замена или дополнение различных элементов), так и в программном (оптимизация программного кода).

4.1 Схемотехническая модернизация


Под этим понятием подразумевается внесение изменений в схеме с целью улучшения характеристик системы.

При дальнейшей разработке системы предполагается замена ПЗС линейки на ПЗС матрицу, что даст возможность получать изображение в 2 измерениях без смещения ПЗС датчика.

Для получения цветного изображения есть несколько решений.

4.1.1 Поочерёдное использование фильтров

Установить на ПЗС датчик светофильтры и поочерёдно меняя их, снимать с него сигналы. Зная интенсивность света каждого спектра в определенной точке, можно воссоздать её цвет, а следовательно получить цветное изображение.

Это довольно дешёвый способ решения данной проблемы. Однако неудобство этого способа очевидны:

·        Снижение скорости работы системы в целом.

·        Появление механических, а следовательно менее надёжных элементов.

·        Появление эффекта смазывания при захвате изменяющегося изображения, за счёт того что при захвате изображения в разных спектрах есть время за которое оно успевает смениться.

4.1.2 Использование нескольких датчиков


Рис.4.1 Захват цветного изображения используя 3 датчика ПЗС.

Другой вариант это установка нескольких ПЗС датчиков с закрепленными на них фильтрами, сигналы с которых будут приниматься одновременно (см. рис.4.1). После чего таким же образом, как и ранее, происходит создание цветного изображения.

Это более быстро действующий способ, ведь перед захватом каждого спектра не приходится ждать окончания захвата предыдущего, а происходит это практически одновременно. Из-за снижения разницы во времени при захвате изменяющегося изображения, снижается смазывание. В связи с ненадобностью в этом случае отсутствуют механические детали, что делает систему более надёжной. Но в таком случае сложно настроить все ПЗС датчики, чтобы они были направлены в одну и туже точку.

4.1.3 Использование призмы


Рис.4.2 Захват цветного изображения с использованием призмы.

Третий вариант решения этой задачи, так же, как и в предыдущем случае использование нескольких ПЗС датчиков, но в место фильтров применить призму, при прохождении через которую лучи света разложатся по спектрам (см. рис.4.2).

В таком случае все ПЗС датчики направлены в одну точку, и считывание с них происходит не поочерёдно, а практически одновременно.

Заключение

Во время выполнения курсового проекта я выполнил следующие:

·        Изучил принцип работы ПЗС датчиков.

·        Изучил принцип работы с микроконтроллером "ATmega8".

·        Разработал схему электрическую принципиальную.

·        Сделан анализ проделанной работы.

В дальнейшем я буду продолжать развитие данной темы на дипломном проекте. На данный момент запланированы следующие изменения в системе:

·        Замена ПЗС линейки на ПЗС матрицу.

·        Изменении алгоритмов обработки.

·        Подключение системы к ПК.

Список литературы


1.       Иоффе Д.С. \ Датчики изображения на приборах зарядовой связью \\ http://zenot-vki. narod.ru/CCD. pdf <http://zenot-vki.narod.ru/CCD.pdf>

.        Atmel Corporation \Data sheet ATmega8 \\ http://www.atmel.com/dyn/resources/prod_documents/doc2486. pdf <http://www.atmel.com/dyn/resources/prod_documents/doc2486.pdf>

3.       Data sheet TSL201R-LF 64 X 1 LINEAR SENSOR ARRAY \ http://www.taosinc.com/getfile. aspx? type=press&file=TSL201R-LF-E7. pdf <http://www.taosinc.com/getfile.aspx?type=press&file=TSL201R-LF-E7.pdf>

.        Ольхов Б.О. Основы проектирования сборочных единиц ЭВМ. Учебное пособие для техникумов - М.: Машиностроение, 1980. - 225 с.

.        Хартов В.Я. Микроконтроллеры AVR. Практикум для начинающих. - М.: Изд-во МГТУ им. Н.Э. Баумана, 2007. - 240 с.

.        Евстифеев А.В. Микроконтроллеры AVR семейства Mega. Руководство пользователя. - М.: Издательский дом "Додэка-XXI", 2007. - 592 с.

.        Мортон Дж. Микроконтроллеры AVR. Вводный курс. /Пер. с англ. - М.: Издательский дом "Додэка-XXI", 2006. - 272 с.

.        Болл Стюарт Р. Аналоговые интерфейсы микроконтроллеров. - М.: Издательский дом "Додэка-XXI", 2007. - 360 с.

.        Ревич Ю.В. Практическое программирование микроконтроллеров Atmel AVR на языке Ассемблера. - СПб.: БХВ-Петербург, 2008. - 384 с.


Не нашли материал для своей работы?
Поможем написать уникальную работу
Без плагиата!
Без нейросетей!