Монтаж каркаса одноэтажного железобетонного промышленного здания
Содержание
Введение
I. Исходные данные
II. Расчет объемов производства работ и
составление ведомостей расхода материалов, конструкций
III. Составление калькуляции трудовых
затрат по I и II потоку
IV. Выбор и расчет монтажного крана
V. Технико-экономическое сравнение
выбранных кранов по I и II потоку
VI. Построение и описание стройгенплана
VII. Расчет машин и оборудования
производства работ
VIII. Составление ведомостей потребности
в конструкциях, материалах, оснастке, машинах, электроэнергии, топливе
IX. Указания к производству
строительно-монтажных работ
X. Указания по технике безопасности
XI. Контроль качества по производству
работ
XII. Охрана окружающей среды
Заключение
Библиографический
список
Приложение 1.
План здания
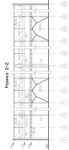
Приложение 2.
Продольный разрез
Приложение 3.
Поперечный разрез
Приложение 4.
Узлы стыков конструкций
Введение
В данном курсовом проекте я рассматриваю монтаж одноэтажного
промышленного здания с железобетонным каркасом.
Отметка низа ферм 8,4 м.
Здание имеет размер в плане B*L=18144.
Количество пролетов: 2 пролета по 18 м и 2 - по 24 м.
Количество температурных блоков: 3.
Место строительства - город Ангарск.
Начало монтажа - 8.07.2012.
Расстояние перевозки материалов и конструкций с завода изготовителя на
строительный объект 8 км.
Тип дороги - грунтовая.
Моя задача составить технологическую карту на монтаж каркаса здания:
колонны, подкрановые балки, стропильные и подстропильные фермы покрытия,
вертикальные связи и плиты покрытия. Выполнить вариантный расчет монтажных
кранов с технико-экономическим сравнением.
I.
Исходные данные:
План здания:
1 13 25 37
Количество пролетов n= 4.
Количество температурных блоков m=3.
Отметка
низа ферм - 8,4 м. 
=6; 
= 6.
Характеристики
КК: а=9,4м; б=0,6м; в= 3,2м; р=5,3м; V=2,1м3.
КС::
а=9,4м; б=0,6м; в= 3,2м; р=7м; V=2,8м3.
КФ::
а=9,3м; р=5,8м; V=2,3м3.
ПБ6::
а=0,8м; р=0,66м.
СВ6::
а=4,75м; р=0,34м.
Город
строительства Ангарск, начало строительства 8.07.2012.
l транспорта = 8
км, дороги грунтовые.
II. Расчет
объектов производства работ и составление ведомостей расхода материала
II.1.
Определение количества сборных конструкций
СФ18=
*
*m=
=78
СФ24=
*
*m=
=78
ПП=
= 
=1008
Расход
материалов при монтаже каркаса здания
.
Заделка стыка стакана фундамента с колонной.
Бетон
В-15: 
=0,08*(КК+КС+КФ)=
0,08*(78+117+30)=18 м3.
.
Стык ПБ с ПБ.
Длина
шва 
=1*(ПБ6+0)=1*288=288
м.

=0,8*
=230,4
кг.
.
Стык вертикальная СВ с колоннами.
Длина
шва
=
1,2*(СВ6*СВ12)=1,2*15=18 м.
Электроды

=0,8*
=0,8*18=14,4
кг.
.
Стык СФ18, СФ24 с ПФ12 и КК, КС.
Длина
шва 
= 0,6*2*(
СФ18+СФ24)=1,2*156=187,2
Электроды

=0,8*
=3,84 кг.
.
Стык ПП между собой.
Бетон
В15 
=0,012*ПП*9=108,864
м.
Длина
растворного шва 
=ПП*9=9072
м.
Длина
сварного шва
=ПП*0,2=201,6
м.
Электроды

=0,8*
=161,28
кг.
Таблица 1. Ведомость монтажных элементов
|
Наименование элемента
|
Эскиз
|
Кол-во, шт.
|
Одного элемента
|
Всех элементов
|
|
|
|
m, т
|
V, м3
|
m, т
|
V, м3
|
|
Колонна: - КК
|
785,32,1413,4163,8
|
|
|
|
|
|
|
- КС
|
1177,02,8819327,6
|
|
|
|
|
|
|
- КФ
|
305,82,3174,069,0
|
|
|
|
|
|
|
Подкрановая балка: -ПБ-6
|
2880,66-190,08-
|
|
|
|
|
|
|
Вертикальная связь: -СВ-6
|
150,3427,05,1405,0
|
|
|
|
|
|
|
Ферма стропильная: - СФ-18
|
786,72,54522,6198,12
|
|
|
|
|
|
|
- СФ-24
|
789,63,65748,8284,7
|
|
|
|
|
|
|
Плиты покрытия: - ПП
|
10082,30,932318,4937,4
|
|
|
|
|
|
|
Итого
|
|
|
|
|
8912
|
2385,7
|
|
Итого по первому потоку КК,КС,КФ,СВ,ПБ
|
|
|
|
5322,2
|
965,4
|
|
Итого по второму потоку ПФ,СФ,ПП
|
|
|
|
3589,8
|
1420,3
|
Таблица 2 Ведомость материалов
|
Наименование работ
|
Ед.изм.
|
Кол-во
|
Материал
|
Ед.изм.
|
Количество
|
|
1.Заделка стыка к-ф
|
стык
|
(КК+КС+КФ)=225
|
Бетон В15
|
м3
|
 =18
|
|
2.Сварка стыка ПБ
|
10 м шва
|
 :10=28,8электродыкг =230,4
|
|
|
|
|
3.Сварка СВ с КК,КС
|
10 м шва
|
 :10=1,44электродыкг
|
|
|
|
|
4. Сварка СФ сКК,КС
|
10 м шва
|
 18,72электродыкг =3,84
|
|
|
|
|
5.Стык ПП сварочный
|
10 м шва
|
 :10=20,16электродыкг =161,28
|
|
|
|
|
6.Стык ПП растворный
|
100 м шва
|
 :100= 90,72бетон В15м3 =108,864
|
|
|
|
|
Итого
|
|
|
электроды Бетон В15
|
кг, м3
|
409,92 126,864
|
III. Составление калькуляции трудовых затрат по I и II потоку
Монтаж одноэтажного промышленного здания с железобетонным
каркасом осуществляется 3-мя потоками. 1-й поток производит монтаж колонн,
связей по колоннам и подкрановых балок. 2-й поток производит монтаж
подстропильных и стропильных ферм и плит покрытия. 3-й поток производит монтаж
стеновых панелей.
В данном курсовом проекте 3-й поток не рассчитывается.
Согласно калькуляции получили результат:
Таблица 3.
|
По I
потоку
|
По II
потоку
|
|
I
|
II
|
Итого
|
|
Трудозатраты, чел.
|
ТрI=4164,93
|
ТрII=4567,85
|
Тр=8732,78
|
|
Стоимость работ, руб.
|
СI=6757,64
|
СII=6801,9
|
С=13559,54
|
|
Продолжительность, см.
|
TI=58,68
|
TII=83,44
|
Т=103
|
Если
ТII> ТI, то Т= 
+ ТII = см.
Если ТI> ТI I, то Т=
ТI +

= см.
ТI
- продолжительность монтажа конструкций КК,КС,КФ,ПБ,СВ.
ТI I - продолжительность монтажа конструкций ПФ,СВ,ПП.
Т
- общая продолжительность монтажа.
Таблица 4. Калькуляция трудовых затрат по I потоку.
|
Наименов. работ
|
Ед.изм.
|
Кол-во
|
Ссылка ЕНиР
|
Состав звена
|
Норма времени (чел-ч)
|
Стоимость(руб.)
|
Продолжительность
|
№ зв.
|
|
|
|
|
|
На ед.
|
На весь V
|
На ед.
|
На весь V
|
Час
|
См.
|
|
|
1.Монтаж колонн: КК КС КФ
|
шт шт шт
|
78 117 30
|
Е4-1-4
|
Монтажник 5р-1,4р-1,3р-2, 2р-1 Машинист 6р-1
|
|
|
|
|
85,8 140,4 33
|
14,3 23,4 5,5
|
1
|
|
2.Монтаж вертикальных связей СВ-6
|
|
|
Е-5-1-6
|
Монтажник 5р-1,4р-1,3р-1 Машинист 6р-1
|
|
|
|
|
8,3
|
1,4
|
1’
|
|
|
|
|
|
|
|
|
|
|
|
|
|
3.Монтаж ПБ-6
|
|
|
Е-5-1-8
|
Монтажник 6р-1,5р-1,4р-2,3р-1 Машинист 6р-1
|
|
|
|
|
124,9
|
20,8
|
1’’
|
|
|
|
|
|
|
|
|
|
|
|
|
|
4.Заделка стыка колонна-фундамент
|
1 стык
|
225
|
Е4-1-25
|
Монтажник 4р-1,3р-1
|
1,2
|
270
|
0,894
|
201,15
|
135
|
22,5
|
2
|
|
5.Сварка ПБ-6
|
10м шва
|
28,8
|
Е-22-1-2
|
Электросварщик 5р-5
|
18
|
518,4
|
16,38
|
471,74
|
103,68
|
17,38
|
3
|
|
6.Сварка связей СВ-6
|
10м шва
|
1,44
|
Е- 22-1-2
|
Электросварщик 5р-3
|
14
|
20,16
|
12,74
|
18,34
|
6,72
|
1,12
|
3
|
|
7.Обслуживание монтажного крана МКП-16
|
см
|
65,4
|
|
Обсл. персонал 2 чел.
|
15,58
|
1018,93
|
63,14
|
4129,36
|
392,4
|
65,4
|
4
|
|
8.Итого
|
см
|
65,4
|
|
|
|
|
|
|
392,4
|
65,4
|
|
|
9.Итого с обслуж.крана
|
см
|
65,4
|
|
|
|
|
|
|
392,4
|
65,4
|
|
|
10.Всего
|
см
|
65,4
|
|
|
|
4164,93
|
|
6757,641
|
392,4
|
65,4
|
|
Таблица 5 алькуляция трудовых затрат
по II потоку
|
Наименование работ
|
Ед.изм
|
Кол-во
|
Ссылка ЕНиР
|
Состав звена
|
Норма времени (чел-ч)
|
Стоимость(руб.)
|
Продолжительность
|
№ зв
|
|
|
|
|
|
На ед.
|
На весь V
|
На ед.
|
На весь V
|
Час
|
См.
|
|
|
1.Монтаж стропильных ферм ФС-18 ФС-24
|
шт шт
|
78 78
|
Е4-1-6
|
Монтажник 6р-1,5р-1, 4р-1,3р-1, 2р-1 Машинист 6р-1
|
|
|
|
|
124,8 148,2
|
20,8 24,7
|
1
|
|
2.Монтаж плит покрытия ПП
|
шт
|
1008
|
Е4-1-7
|
Монтажник 6р-1,5р-1, 4р-1,3р-1, 2р-1 Машинист 6р-1
|
|
|
|
|
302,4
|
50,4
|
1’
|
|
3.Сварка ПФ и СФ с КК, КС
|
10м шва
|
18,72
|
Е22-1-2
|
Электросварщик 5р-2
|
16,5
|
308,88
|
15,02
|
281,17
|
154,44
|
25,74
|
2
|
|
4.Сварка ПП
|
10м шва
|
20,16
|
Е22-1-2
|
16,5
|
332,64
|
15,02
|
302,8
|
166,32
|
27,72
|
2
|
|
5.Заливка швов плит покрытия ПП
|
100м шва
|
90,72
|
Е4-1-26
|
Монтажник 4р-2,3р-2
|
6,4
|
580,6
|
4,77
|
432,73
|
145,15
|
24,19
|
3
|
|
6. Обслуживание монтажного крана ДЭК-251
|
см
|
95,9
|
-
|
Обсл. персонал 2
|
12,55
|
1203,545
|
33,37
|
3200,18
|
575,4
|
95,9
|
4
|
|
7.Итого
|
см
|
95,9
|
-
|
-
|
-
|
|
-
|
|
575,4
|
95,9
|
|
|
8.Итого с обслуж. рана
|
см
|
95,9
|
-
|
-
|
-
|
|
-
|
|
575,4
|
95,9
|
|
|
9.Всего
|
см
|
95,9
|
|
|
|
4567,85
|
|
6801,9
|
575,4
|
95,9
|
|
IV.
Выбор и расчет монтажного крана
Таблица 6. Выбор монтажной оснастки монтажа конструкций
|
Наименование конструкции
|
Наименование приспособления
|
Схема приспособления
|
Масса, т
|
Высота строновки, м
|
Грузоподъемность, т
|
|
КК m=5,3
т КС m=7 т КФ m=5,8т
|
Траверса унифицированная ЦНИИОМТП
|
|
0,18 0,18 0,18
|
1 1 1
|
10 10 10
|
|
ПБ 6 m=0,66 т
|
Траверса треста стальконструкция
|
|
0,386
|
2,8
|
6
|
|
СВ 6 m=0,34
т
|
Двухветвевой строп ЦНИИОМТП
|
0,1632,5
|
|
|
|
|
СФ 18 m=6,7
т
|
Траверса ПИ Промстральконструкция
|
0,4551,810
|
|
|
|
|
СФ 24 m=9,6
т
|
Траверса ПИ Промстальконструкция
|
0,753,625
|
|
|
|
|
ПП m=2,3
т
|
Четырехветвевой строп ЦНИИОНТП
|
0,023,23,2
|
|
|
|
Таблица 7. Приспособления для временного закрепления и выверки
конструкций и для обеспечения работы монтажников на высоте.
|
Наименование
|
Схема
|
Масса, кг
|
Назначение
|
Кол-во
|
1.
Инвентарный клиновой вкладыш ЦНИИОМТП
7,5Выверка
и временное закрепление колонн10 штнв 1 кран
2.
Рраспорки ПИ Промстальконструкция (шаг СФ 6м)
63Временное закрепление ферм12 шт на 1 кран
|
II поток
|
|
|
|
|
|
3. Приставная лестница ПИ Промстальконструкция
|
|
269 (300)
|
Монтаж ферм
|
4 шт на 1 кран II поток
|
|
4. Площадка над навесной лестницей
|
|
118
|
Обеспечение рабочего места на высоте
|
2 шт на 1 кран I, II поток
|
|
5. Выдвижные подмости на автопогрузчике ПИ
Промстальконструкция
|
|
-
|
Обеспечение монтажа ферм, стеновых панелей
|
1 шт на 1 кран II поток
|
|
6. Временное ограждение покрытия
|
|
6,5
|
Обеспечение безопасности работ на высоте
|
Периметр здания Р ̸ 9,5, шт N=117,64
|
Выбор монтажного крана для монтажа конструкции I потока
1. Колонны крайние КК, КС, КФ
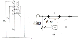
Схема монтажа конструкций КК, КС, КФ. hn=2,5м; hш=1,5м; hз=0,5м
hп=2,5 м, hш=1,5 м, hз=0,5м
а) грузоподъемность Q=mэ+mстр
Qkk=5,48; Qkс=7,18;
Qkф=5,98
б) Высота подъема крюка
Hкк = hо + h3 + hэ + hстр =1+0,5+9,4+1=11,9 м
Hкс = hо + h3 + hэ + hстр =1+0,5+9,4+1=11,9 м
Hкф = hо + h3 + hэ + hстр =0,9+0,5+9,3+1=11,7 м
в) Высота стрелы
Hстр.кк = Hкк + hп =11,9+2,5=14,4 м
Hстр.кс = Hкс + hп =11,9+2,5=14,4 м
Hстр.кф = Hкф + hп =11,7+2,5=14,2 м
г) Вылет
кк = √(32+62) - 1,5=6,71 - 1,5=5,21 м кс
= √(62+62) - 1,5=8,49 - 1,5=6,99 мкф = √(32+62)
- 1,5=6,71 - 1,5=5,21 м
д) Длина стрелы
Lстр.кк
= √(27,1+(14,4
- 1,5)2)=13,91 м
Lстр.кс
= √(48,8
+(14,4 - 1,5)2)=14,7 м
Lстр.кф
= √(27,1+(14,2
- 1,5)2)=13,72 м
. Подкрановые балки ПБ.
а) Грузоподъемность
Q=mэ+mстр
QПБ6=0,66+0,386=1,05 т
б) Высота подъема крюка
Hкр=hо + h3 + hэ + hстр
Hкр
ПБ6=
0+8,4=3,2=5,2м
в) Высота стрелы
Hстр.кк = Hкк + hп
НстрПБ6=9,3+2,5=11,8 м
г) Вылет стрелы LПБ6=6 м.
д) Длина стрелы
Lстр =
.
LстрПБ6=√(36+(11,8 - 1,5)2)=11,92 м
.
Связи СВ6, СВ12.
а)
Грузоподъемность
Q=mэ+mстр
QСВ6=0,34+0,16=0,5 т
б)
Высота подъема крюка
Hкр=hо + h3 + hэ + hстр
hо СВ6=hо ПБ6 -
0,5 м=5,2 - 0,5=4,7
Hкр СВ6=4,7+0,5+4,75+3=12,95 м
в)
Высота стрелы
Hстр= Hкк + hп, hп=2,5 м
Hстр СВ6 = 12,95+2,5= 15,45 м
г)
Вылет стрелы LСВ6=6 м
д)
Длина стрелы
Lстр =
Lстр СВ6=√(36+(15,45 - 1,5)2)=15,19
Сведем
расчет параметров крана в таблицу.
Таблица
8. По I потоку:
|
Наименование
|
Q,м
|
Lстр,м
|
L,м
|
Hкр,м
|
|
КК
|
5,48
|
13,91
|
5,21
|
11,9
|
|
КС
|
7,18
|
14,7
|
6,99
|
11,9
|
|
КФ
|
5,98
|
13,72
|
5,21
|
11,7
|
|
ПБ6
|
1,05
|
11,92
|
6
|
9,3
|
|
ПБ12
|
0,5
|
15
|
6
|
12,75
|
|
СВ6
|
0,5
|
15,19
|
6
|
12,95
|
|
СВ12
|
1,06
|
14,27
|
6
|
11,95
|
|
max
|
7,18
|
15
|
6,99
|
12,75
|
Параметры выбранных кранов сводим в таблицу.
Таблица 9. По I потоку:
|
Наименование параметра и размерность
|
Кран пневмоколесный МКП-16
|
Кран гусеничный ДЭК-251
|
|
Lстр, м
|
15÷23
|
19÷38,75
|
|
Q, т
|
1÷11,5
|
1,2÷14,7
|
|
L, м
|
5÷20
|
5,4÷20
|
|
Hкр, м
|
10÷25
|
9,6÷31,8
|
|
Vn.k, м/мин
|
2,3÷11
|
0,8÷10
|
|
Vo.k, м/мин
|
2,3÷11
|
0,8÷10
|
|
Vg.k, м/мин
|
5 км/ч=83,3 м/мин
|
1км/ч=16,6 м/мин
|
|
n, об/мин
|
0,4÷1,7
|
0,3÷1
|
|
B*L*H
|
14,5×3,2×4
|
- ×4,36×4,3
|
|
Масса крана, т
|
24
|
36,8
|
Выбор монтажного крана для монтажа конструкций II потока
Расчет основных параметров крана.
. Подстропильные фермы ПФ. Стропильные фермы СФ18, СФ24.
а) Грузоподъемность Q=mэ+mстр
QФС18=6,7+0,455=7,16 т
QФС24=9,6+0,75=10,35 т
б) Высота подъема крюка Hкр=hо + h3 + hэ + hстр
hо
фс18,фс24=/урз/+отм.низа
фермы =0+8,4 =8,4 м
Hкр
фс18=8,4+0,5+3+1,8=13,7
м
Hкр
фс24=8,4+0,5+3,3+3,6=15,8
м
в) Высота стрелы Hстр. = H + hп, hп=2,5 м
Hстр
фс18
=13,7+2,5=16,2 м
Hстр
фс24
=15,8+2,5=18,3 м
г) Вылет стрелы L=6 м
д)
Длина стрелы Lстр =
Lстр ФС18 =√(36+(16,2 - 1,5)2)=15,88 м
Lстр ФС24 =√(36+(18,3 - 1,5)2)=17,84 м
2. Плиты покрытия.
а) Грузоподъемность QПП =mэ+mстр
QПП
=2,3+0,02=2,32 т
б) Высота подъема крюка Hкр.ПП=hо+h3+hэ+hстр
ho ПП = ур.з+отм.низа фермы+hСФ18,24= 0 + 8,4 +3,3 = 11,7 м
Hкр.ПП =11,7+0,5+0,3+3,2=15,7 м
в) Высота стрелы Hстр.ПП = Hкр + hп= 15,7+2,5=18,2 м
г)
Вылет стрелы LПП=
8,08 м
д)
Длина стрелы Lстр ПП=
Lстр ПП = (18,2 - 1,5) / (3,2+2,5) ∙√((8,08 - 1,5)2+(3,2+2,5)2)=25,51
м
Сведем
расчеты параметров крана в таблицу.
Таблица
10. По II потоку:
|
Наименование
|
Q, м
|
Lстр, м
|
L, м
|
Hкр, м
|
|
ФС18
|
7,16
|
15,8
|
6
|
13,7
|
|
ФС24
|
10,35
|
17,8
|
6
|
15,8
|
|
ПП
|
2,32
|
25,51
|
8,08
|
15,7
|
|
max
|
10,35
|
25,51
|
8,08
|
15,8
|
Параметры выбранных кранов сводим в таблицу.
Таблица 11. По II потоку:
|
Наименование параметра и размерность
|
Кран пневмоколесный МКП-25
|
Кран гусеничный ДЭК-251
|
|
Lстр, м
|
17,5÷27,5
|
19÷38,75
|
|
Q, м
|
3÷19,4
|
1,2÷14,7
|
|
L, м
|
4÷14
|
5,4÷20
|
|
Hкр, м
|
13,8÷27
|
9,6÷31,8
|
|
Vn.k, м/мин
|
0,9÷6
|
0,8÷10
|
|
Vo.k, м/мин
|
1,1÷6,2
|
0,8÷10
|
|
Vg.k, м/мин
|
33,2 м/мин
|
16,6 м/мин
|
|
n, об/мин
|
0,6
|
0,3÷1
|
|
B*L*H
|
19,5×3,2×4,2
|
-
×4,36×4,3
|
|
Масса крана, т
|
44,7
|
36,8
|
Расчет монтажных кранов по I потоку.
Qср =
= =(427,44+840,06+179,4+302,4+7,5)/ 528=3,33 т
2.
Расчет продолжительности цикла по вариантам выбранных кранов, мин:
tц.cр.I=
=(67,58∙78+73,58∙117+67,57∙30+27,31∙228+34,86∙15)/513=47,36
tц.cр.II=
=(68,58∙78+74,58∙117+68,55∙30+28,24∙288+35,14∙15)/513=48,33
tц КК I = tмаш КК I + tручн КК= 1,58+66=67,58
tц КС I = tмаш КС I + tручн КС= 1,58+72=73,58ц КФ I = tмаш КФ I + tручн КФ=
1,57+66=67,57ц ПБ6 I = tмаш ПБ6 I + tручн ПБ6= 1,29+26,02=27,31ц СВ6 I = tмаш СВ6 1 + tручн СВ6=
1,66+33,2=34,86ц КК II = tмаш КК II + tручн КК= 2,58+66=68,58ц КС II = tмаш КС II + tручн КС =2,58+72=74,58ц КФ I I= tмаш КФ II + tручн КФ =2,58+66=68,58 ц ПБ6 II = tмаш ПБ6 II + tручн ПБ6=
2,22+26,02=28,24ц СВ6 II = tмаш СВ6 II + tручн СВ6= 1,94+33,2=35,14ручн КК =60∙
=
5,5/5∙60=66 минручн КС=60∙
=
6/5∙60=72 минручн КФ =60∙
= 5,5/5∙60=66 минручн ПБ6 =60∙(Нвр
шт +
Нвр т ∙0,66
)/Nзв ПБ6 = 60∙(1,7+0,71∙0,66)/5=26,02 минручн СВ6 =60∙(Нвр шт +
Нвр т ∙m
СВ6 )/Nзв СВ6 = 60∙(0,64+3∙0,34)/3=33,2 мин
tмаш=
+
+
+
Hnk=Hkp-1,5
м, Hok=h3+h1 м, αпов=120°, Lд.к=Ш
tмаш КК I=
+
+
+
=
=0,9+0,14+0,4+0,144=1,58
tмаш КС I=
+
+
+
=
=0,9+0,14+0,4+0,144=1,58
tмаш КФ I=
+
+
+
=
=0,9+0,13+0,4+0,144=1,57
tмаш ПБ6 I=
+
+
+
=0,71+0,05+0,39+0,14=
=0,7+0,045+0,4+0,144=1,289
tмаш СВ6 I=
+
+
=1,114+0,4+0,144 =1,658 маш КК II=
+
+
+
=
=1,04+0,15+0,67+0,72=2,58
tмаш КС II=
+
+
+
=
=1,04+0,15+0,67+0,72=2,58
tмаш КФ II=
+
+
+
=
=1,02+0,14+0,67+0,72=2,55маш ПБ6 II=
+
+
+
=0,78+0,05+0,57+0,72=2,22
tмаш
СВ6 II=
+
+
=1,225+0,05+0,67=1,94
3. Расчет производительности крана, т/см I потока по вар-там
Пэ смI=60∙
∙tcм∙ки∙кпер=60∙(3,33/47,36)∙8,22∙0,73∙1,15=29,11
т/см
Пэ смII=60∙
∙tcм∙ки∙кпер=60∙(3,33/48,33)∙8,22∙0,73∙1,15=28,53
т/см
tcм
= 8,2ч; Кu = 0,73; Кпер = 1,15
. Расчет трудоемкости монтажа, чел-ч I потоком
Tр=∑Hвр∙ni
Tр=5,5∙78+6∙117+5,5∙30+1,7∙288+0,71∙288∙0,65+0,64∙15+3∙15∙0,34=1943,4
. Расчёт нормативной продолжительности монтажа I потоком,
ТН=
=(85,8+140,4+33+124,5+8,3)/
6 = 65,33
.
Расчет продолжительности монтажа кранами по вариантам I потока, см:
TI=
= 1708,29 /29,11=58,68 см
TII=
= 1708,29 /28,53=59,87 см
.
Расчет количества кранов по вариантам I потока:
NI = TI / ТН=58,68/65,33=0,898
NII =
TII /
ТН=59,87/65,33=0,91
Сведем
результаты расчета I потока в таблицу:
Таблица
12.
|
№ варианта
|
Марка крана
|
Производительность
|
Продолжительность
|
Кол-во
|
|
I
|
МКП 16
|
29,11
|
58,68
|
1 (0,898) ˅
|
|
II
|
ДЭК 251
|
28,53
|
59,87
|
1(0,91)
|
Для первого потока наиболее эффективнее кран МКП 16.
Расчет монтажных кранов по II потоку.
. Расчет средней грузоподъемности, т:
Qср =
= =(558,48+807,3∙52+2338,56) / 1164 = 3,18 т
.
Расчет продолжительности цикла по вариантам выбранных кранов, мин:
tц.cр.I=
=(7767,24+9198,54+18869,76) / 1164=30,79т
tц.cр.II=
=(7695,48+9115,86+17660,16)/1164=29,61 т
tц СФ18 I = tмаш СФ18 I + tручн СФ18= 3,58+96=99,58ц СФ24 I = tмаш СФ24 I + tручн СФ24=
3,93+114=117,93ц ПП I = tмаш ПП I + tручн ПП= 4,32+14,4=18,72ц СФ18 II = tмаш СФ18 II + tручн СФ18=
2,66+96=98,66ц СФ24 II = tмаш СФ24 II + tручн СФ24= 2,87+114=116,87ц ПП II = tмаш ПП II + tручн ПП=
3,12+14,4=17,52ручн СФ18 =60∙(Нвр СФ18/Nзв СФ18)= 60∙8/5=96 минручн СФ24 =60∙(Нвр СФ24/Nзв СФ24)= 60∙9,5/5=114 минручн ПП =60∙(Нвр ПП/Nзв ПП)=
60∙1,2/5=14,4 минмаш СФ18 I=
+
+
+
=2,03+0,081+1,11+0,36=3,58маш СФ24 I=
+
+
+
=2,38+0,08+1,11+0,36=3,93маш ПП I=
+
+
+
=2,37+0,48+1,11+0,36=4,32машСФ18II=
+
+
+
=1,22+0,05+0,67+0,72=2,66машСФ24II=
+
+
+
=1,43+0,05+0,67+0,72=2,87машПП=
+
+
+
=1,42+0,3+0,67+0,72=3,12
.
Расчет производительности крана, т/см II потока по
вар-там:
Пэ
смI=60∙
∙tcм∙ки∙кпер=60∙0,1∙8,2∙0,73∙1,15=42,66
т/см
Пэ
смII=60∙
∙tcм∙ки∙кпер=60∙0,103∙8,2∙0,73∙1,15=44,36
т/см
tcм = 8,2ч; Кu = 0,73;
Кпер = 1,15
.
Расчет трудоемкости монтажа, чел-ч II потоком:
Tр=∑Hвр∙ni =
624+741+1209,6=2574,6
5.
Расчёт нормативной продолжительности монтажа II потоком:
ТН=
/(tсм∙ки)=(273+302,4)/6=95,9
.
Расчет продолжительности монтажа кранами по вариантам II потока, см:
TI=
= 86,77 см TII=
= 83,44 см
.
Расчет количества кранов по вариантам II потока:
NI = TI / ТН=86,77/95,9=0,90 NII =
TII /
ТН=83,44/95,9=0,87
Сведем
результаты расчета II потока в таблицу:
Таблица
13.
|
№ вариантаМарка
кранаПроизводительностьПродолжительностьКол-во
|
|
|
|
|
|
I
|
МКП 25
|
42,66
|
86,77
|
1(0,90)
|
|
II
|
ДЭК 251
|
44,36
|
83,44
|
1(0,87) ˅
|
Для второго потока наиболее эффективнее кран ДЭК 251.
V. Технико-экономическое сравнение выбранных кранов по I и II потокам
Технико-экономическое сравнение выбранных кранов по I потоку
. Себестоимость машино-смены руб/маш-см по вариантам кранов I потока:
См-см
I=
+
+∑Cэ I=92,5/58,68+4767,5/570+30,34=31,93руб/маш-см
∑EI=EA I+ EБ I ∙L+ EB
I=2,1+11,3∙8+0=92,5 руб
I -
продолжительность монтажа по I потоку Iого варианта крана из расчета IV (см) из расчета
IV.5.6.
ГI=
=
=4767,5 руб
TI
год=
=
=570 см
∑Сэ
I=( Сэ A I+ Сэ Б I+ Сэ
В I)∙tсм=(1,5+1,8+0,4)∙8,2=30,31
руб/маш-см
См-смII=
+
+∑CэII=335/59,87+4767/561,7+16,154=30,24 руб/маш-см
∑EII=EA II+ EБ
II ∙L+ EB II=13+28∙8+98=335 руб
TII -
продолжительность монтажа по I потоку IIого варианта крана из расчета IV (см)
ГII=0,01∙Синв
II∙А2 II=0,01∙37025∙125=4628,125
руб
TII год=
=3370/6=561,7 см
∑Сэ
II=(
Сэ A II+ Сэ Б II+ Сэ
В II)∙tсм=(0,93+0,78+0,26)∙8,2=16,154 руб/маш-см
.
Себестоимость монтажа (руб/т) I потока по вариантам кранов:
Сед
I=(1,08∙(См-см I∙ТI+Сдоп)+1,5∙ЗI):V=(2446,56+2397,8):1601,58=3,02
СедII=(1,08∙(См-смII∙ТII+СдопII)+1,5∙ЗII):V
=(3330,1+2665,25): 1601,58=3,74
См-СмI, См-СмII из п.V.1-1.
TI, TII из п.V.5.6.
Сдоп.I=C8I∙((Lзд+10)∙(nпролетов∙2+2)+2∙(Взд+10))=391,68
СдопII=С8II∙((Lзд+10)∙(nпролетов∙2+2)+2∙(Взд+10))=1272,96
ЗI,ЗII - сумма
зарплат монтажников по калькуляции с зарплатой машиниста крана
ЗI=∑
расц.монт.∙nэл+ЗмашI∙ТI∙tсм=Рм КК∙nКК+ Рм КС∙nКС+ Рм КФ∙nКФ+(Рм шт ПБ6+
+РмтПБ6∙mПБ6)∙nПБ6+(РмштПБ12+РмтПБ12∙mПБ12)∙nПБ12+(РмштСВ6+РмтСВ6∙mСВ6)∙nСВ+ +( Рм
шт СВ12+ Рм т СВ12∙mСВ12)∙nСВ12+С8I∙TI∙tсм=1521,54+76,99=1598,53
ЗII=∑
расц.монт.∙nэл+ЗмашII∙ТII∙tсм=Рм КК∙nКК+ Рм КС∙nКС+ Рм КФ∙nКФ+(Рм шт ПБ6+
+РмтПБ6∙mПБ6)∙nПБ6+(РмштПБ12+РмтПБ12∙mПБ12)∙nПБ12+(РмштСВ6+РмтСВ6∙mСВ6)∙nСВ6+
+(Рм
шт СВ12+ Рм т СВ12∙mСВ12)∙nСВ12 +С8II∙TII∙tсм==1521,54+255,29=1776,83
V=mКК∙nКК+mКС∙nКС+ mКФ∙nКФ+ mПБ6∙n ПБ6+ mПБ12∙n ПБ12+ mСВ6∙nСВ6+
+
mСВ12∙n
СВ12=413,4+819+174+190,08+5,1=1601,58
.
Приведенные затраты (руб) I потока по вариантам кранов:
ПI=СедI∙V+EH∙(CинвI∙TI)/TгодI=4836,77+471,17
руб.
ПII=СедII∙V+EH∙(CинвII∙TII)/TгодII=5989,91+390,36=6380,27
руб.
EH=0,12
.
Трудоемкость монтажа конструкций на 1т (чел-ч/т) I потока по
вариантам кранов:
Тр
ед I=(Тр маш I+Tр
ручн+Тр дол I)/V=(401,37+1945,46+279,46)/1601,58=1,64
Тр
ед II=(Тр маш II+Tр
ручн+Тр дол II)/V=(538,83+1945,46+279,46)/
1601,58=1,72
Tр ручн=Нвр монт КК ∙nКК+ Нвр монт КС ∙nКС+ Нвр монт КФ ∙nКФ+(Нвр монт шт ПБ6+
+Нвр
монт т ПБ6∙mПБ6)∙n
ПБ6 +(Нвр монт шт ПБ12+
Нвр монт т ПБ12∙mПБ12)∙n
ПБ12+( Нвр монт шт СВ6+
+Нвр монт т СВ6∙mСВ6)∙n
СВ6+( Нвр монт шт СВ12+Нвр
монт т СВ12∙mСВ12)∙n
СВ12=
=429+702+165+624,56+24,9=1945,46
Тр
маш I=C9 I∙TI∙tсм∙Ки=1,14∙58,68∙6=401,37
Тр
маш II=C9 II∙TII∙tсм∙Ки=1,5∙59,87∙6=538,83
Тр доп I =EA I+ EБ I∙L+EB I+CЭБ I∙ТI∙tсм∙Ки=1+32+246,46=279,46
Тр доп II =EA II+ EБ II∙L+EB
II+CЭБ II∙ТII∙tсм∙Ки=7+120+43+104,17=274,17
5.
Экономический эффект (руб):
Э=(Сед
I -
Сед II)∙V+КH∙H∙(1-TI/TII)= - 1153,14+1818,44=665,3
KH=0,5;
H=0,2∙Cмонт 1∙Vзд=0,2∙4228718=182974,4
Смонт
1 - стоимость единицы объема здания, руб.
Vзд=(Lзд+1)∙(Взд+1)∙(отм.низа
фермы+4)=228718
Т.к.
экономический эффект положителен (Э>0), то эффективнее II
вариант крана.
Э=(СIед-СIIед)∙V+0,1∙Cмонт1∙V∙(1-TI/TII)=(3,02-3,74)∙1601,58+0,1∙4∙228718∙(1-58,68/59,87)=
-1153,14+1818,44=665,3
Выбор варианта крана по I потоку монтажа конструкций:
Таблица 14.
|
№ вар.
|
Т, см
|
N, шт
|
Сед,
|
П, руб
|
Тр ед,
|
Эконом. эффект, руб
|
Марка крана
|
|
I
|
58,68
|
1 (0,898)
|
3,02
|
5307,94
|
1,64
|
665,3
|
МКП-16 V
|
|
II
|
59,87
|
1 (0,91)
|
3,17
|
6380,27
|
1,72
|
665,3
|
ДЭК-251
|
Выгоднее кран, для которого ниже трудоёмкость, потребуется меньшее
количество кранов этой марки, ниже себестоимость монтажа, приведённые затраты и
трудоёмкость монтажа, а экономическая эффективность - выше. Принимаем для I потока кран МКП-16
Технико-экономическое сравнение выбранных кранов по II потоку.
. Себестоимость машино-смены руб/маш-см по вариантам кранов II потока:
См-см I=
+
+ ∑СэI =1,07+8,12+28,78=37,97
См-см II=
+
+ ∑СэII =4,01+6,19+16,15=26,35
ТI, ТII из IV.6.6
∑ЕI = ЕАI + ЕБI∙L + ЕВI = 2,1+11,3∙8+ 0 =92,5 руб
∑ЕII = ЕАII + ЕБII∙L + ЕВII = 13+28∙8+98 =335 руб
ГI =
= 37025∙12,5/100=4628,13 руб
ГII =
= 30520∙11,4/100=3479,28 руб
ТгодI
=
=3420/6=570 см
ТгодII =
=3370/6=561,67 см
∑СэI
= (СэАI
+ СэБI
+ СэВI)∙tсм = (1,43 + 1,74 + 0,34)∙8,2 =
28,78 руб
∑СэII = (СэАII + СэБII + СэВII)∙tсм = (0,93 + 0,78 + 0,26)∙8,2 =
16,15 руб
. Себестоимость монтажа (руб/т) II потока по вариантам кранов:
СедI
= (1,08∙(См-смI∙TI + СдопI)
+ 1,5∙ЗI)/V = (3631,5+3133,4) /3589,8=1,88
СедII = (1,08∙(См-смII∙TII + СдопII) + 1,5∙ЗII)/V = (2612,65+3496,32)/3589,8= 1,7
См-смI, См-смII из V.2.1, ТI,
ТII из IV.6.6
СдопI
=С8I∙((Lзд+10)+(2nпролёт+2)+2Bзд+20) = 0,16∙(226+10+168+20)=
67,84
СдопII=С8II∙((Lзд+10)+(2nпролёт+2)+2Bзд+20)=0,52∙(226+10+168+20)=220,48
ЗI и ЗII - сумма зарплат монтажников и
машиниста крана
ЗI = Рм пф∙nпф + Рм сф18∙nсф18 + Рм сф24∙nсф24 + Рм пп∙nпп + С8I∙ТI∙tсм =
=511,68+607,62+855,79+113,84=1975,09+113,84=2088,93
ЗII = Рм пф∙nпф + Рм сф18∙nсф18 + Рм сф24∙nсф24 + Рм пп∙nпп + С9II∙ТII∙tсм = =1975,09+355,79=2330,88
Pм - расценка на монтажников по ЕНиР
(из калькуляции)
V=mпф∙nпф +mсф18∙nсф18 + mсф24∙nсф24 + mпп∙nпп =522,6+748,8+2318,4=3589,8
. Приведённые затраты (руб.) II потока по вариантам кранов:
ПI = СедI∙V + Eн∙
= 6748,82+676,35=7425,17
ПII = СедII∙V + Eн∙
= 6102,66+544,08=6646,74
Ен = 0,12; СедI, СедII
CинвI, ТI, ТII, ТгодI,
ТгодII
. Трудоёмкость монтажа на 1т конструкций (чел-ч/т) II потока по вариантам кранов:
Тр едI =
(Тр машI
+ Тр ручн + Тр допI)/V =
(593,51+2574,6+375,8)/3589,8=0,99
Тр едII =
(Тр машII + Тр ручн + Тр допII)/V =(750,96+2574,6+315,19)/ 3589,8=1,01
Тр ручн =Нпф∙nпф+Нвр сф18∙nсф18+Нвр сф24∙nсф24+Нвр пп∙nп = =624+741+1209,6=2574,6
Тр маш I = С9I∙ТI∙Тсм∙Ки=593,51
Тр маш II = С9II∙ТII∙Тсм∙Ки=750,96
Тр допI
= ЕАI+ЕБI∙L+EBI+СЭБI∙ТI∙tсм∙Ки=1,4+36+338,4=375,8
Тр допII = ЕАII+ЕБII∙L+EBII+СЭБII∙ТII∙tсм∙Ки=7+120+43+145,19=315,19
. Экономический эффект, руб:
Э = (СедI
- СедII)∙V+Кн∙Н∙(1- TI/TII) =646,16-3651,16= - 3004,996
Т.к. Э<0, то эффективнее I вариант
СедI,
СедII,V
Кн=0,5; Н=0,2∙СмонтI∙Vзд
СмонтI
- стоимость единицы объёма здания руб.
Vзд = (Lзд+1)∙(Взд+1)∙(отм. низа фермы+4) = 217∙85∙12,4=228718
Э = (СедI
- СедII)∙V+0,1∙Cмонт 1 ∙V∙(1-TI/TII)=(1,88-1,7)∙3589,8+0,1∙4∙228718∙
∙(1-86,77/83,44)= - 3114,64
. Выбор варианта крана по II
потоку монтажа конструкций покрытия:
Таблица 15.
|
№ вар.
|
Т, см
|
N, шт
|
Сед,
|
П, руб
|
Тр ед,
|
Эконом. эффект, руб
|
Марка крана
|
|
I
|
86,6
|
1 (0,90)
|
1,88
|
7425,17
|
0,99
|
- 3004,996
|
МКП-25
|
|
II
|
83,44
|
1 (0,87)
|
1,7
|
6646,74
|
1,01
|
- 3114,64
|
ДЭК-251
|
Принимаем кран с наименьшими показателями трудоёмкости, требуемого
количества, себестоимости монтажа, приведённых затрат и трудоёмкости монтажа и
максимальным экономическим эффектом (ДЭК-251).
Итоговый расчёт экономических показателей по I и II
потоку совместно, т.е. на весь объект.
. Нормативная продолжительность монтажа конструкций, см:
ТIн> ТIIн
Тн =
+ ТIн
ТIн <ТIIн Тн =
+ TIIн = 65,4/3+95,9=117,7
ТIн = 40,35, ТIIн = 69,94 - из расчёта IV.5.5; IV.6.5;
nтемп. блоков = 4
. Расчётная продолжительность монтажа конструкций, см:
ТI> ТII T =
+ ТI
ТI< ТII T =
+ ТII =5868/3+83,44=103
ТI = 36,35 для выбранного крана МКП -
16 I потока.
ТII = 67,44 для выбранного крана ДЭК -
251 II потока.
. Нормативная приведённая трудоёмкость монтажа конструкций с учётом
вспомогательных работ: по калькуляции, чел-ч/т:
Трн = ∑Нврi∙Ni (Нвр - норма времени на
единицу измерения,
Ni - количество единиц измерения)
Трн =ТрнI потока∙NкрI+ТрнIIпотока∙NкрII=4164,93∙0,898+4567,85∙0,87=7472,57чел-ч
NкрI, NкрII - число кранов I и II потока
Трнед =
=7472,57/(1601,58+3589,8)=1,44
VI, VII - объём работ I и II потока
. Расчётная приведённая трудоёмкость монтажа конструкций для выбранных
вариантов кранов, чел-ч/т:
Трред =
=(1,64∙1601,58+1,01∙3589,8)/5191,38=1,2
Тр едIпот для
выбранного крана I потока (МКП -
16)
Тр едIIпот для
выбранного крана II потока (ДЭК -
251)
. Нормативная себестоимость монтажа 1т конструкции с учётом вспомогательных
работ, руб/т (по калькуляции):
Седн =
=(6068,36+5917,65)/5191,38=2,3
СI -стоимость работ по калькуляции
трудовых затрат, суммарная по I
потоку
СII-стоимость работ по калькуляции
трудовых затрат, суммарная по II
потоку
NкрI, NкрII - число кранов I и II потока
. Расчётная себестоимость монтажа 1т конструкций для выбранных вариантов
кранов, руб/т6
Сед =
= (3,02∙1601,58+1,7∙3589,8)/5191,38=2,11
СедIпот для
выбранного крана I потока
СедIIпот для
выбранного крана II потока
. Стоимость производства работ (без учёта стоимости конструкций) с учётом
районного коэффициента и коэффициента инфляции, коэффициента зимних удорожаний,
стеснённых условий (руб.)
С = Седн∙Кр-н∙Кинф∙Кз.у∙(VI+VII)=2,3∙1,3∙130∙1,15∙5191,38=2320572,82
Кр-н в зависимости от района строительства принимается по
таблице кр-н=1,3
Кинф=130; Кз.у=1,15
. Стоимость 1 м2 площади здания, (руб/м2)
СF =
= 2320572,82/18144=127,9
. Трудоёмкость монтажа здания с учётом коэффициентов (чел-ч)
Тр=Т р ед.н∙(VI+VII)∙ Кр-н∙ Кз.у
= 7472,57∙1,3∙1,15=11171,492 чел-ч
По технико-экономическим показателям в I потоке из двух кранов выбираем кран с удлиненной стрелой
МКП-16, т.к. этот кран имеет наименьший экономический показатель и максимальный
экономический эффект. Данный кран выполняет монтаж колонн, подкрановых балок и
связей в более короткие сроки с наибольшей производительностью, наименьшими
трудозатратами и наименьшим количеством кранов.
По технико-экономическим показателям во II потоке при монтаже конструкций покрытия (стропильных ферм и
плит покрытия) из двух кранов выбираем кран с удлиненной стрелой ДЭК-251. Этот
кран имеет наилучшие технико-экономические показатели, т.к. имеет наименьшие
приведенные затраты, наибольшую производительность, наименьшую
продолжительность работ, наименьшую удельную трудоемкость, наименьшее
количество и наибольший экономический эффект.
VI.
Построение и описание стройгенплана
Стройгенплан - строительный генеральный план объекта на строительной
площадке с обозначением расположения монтируемого объекта, существующих
постоянных зданий и сооружений, подземных коммуникаций, временных зданий и
сооружений, складов, ремонтных мастерских, административно-бытовых помещений,
дорог, временные водопровод, канализация, освещение строительной площадки,
контрольно-пропускной пункт, трансформаторная подстанция. На стройгенплане показываются
оси движения кранов, все размеры в продольном и поперечном направлении.
Схема стройгенплана.
Условные обозначения:
.
Расчёт машин и оборудования производства работ
Выбор и расчет автотранспорта по доставке основных конструкций и
материалов I потока.
Так как монтаж основных видов конструкций монтируемого одноэтажного
промышленного здания ведется «с колес»,то выбор автотранстпорта
взаимоувязывается с работой крана.
Таблица 16.
|
Конструкция и её габариты, mэ (т)
|
Кол-во конструкций N, шт
|
Продолжительность монтажа
|
Марка а/т,габариты, скорость
|
Грузоподъемн-ть а/т
|
Число конструкций за рейс
|
Число рейсов, шт
|
Число машин, шт
|
Продолжительность перевозки, см
|
Число рейсов в см
|
График поставки
|
|
1. КК а×в×0,4=2,256м, mэ=5,3 т
|
78
|
14,3
|
ТП-24 12×2,65×1,56 (КРАЗ 3258) ύ=60
км/ч
|
24
|
4
|
20
|
2
|
14,73
|
1
|
9.07-17.07. 2012; 23.07-1.08.2012; 7.08-16.08.2012
|
|
2. КС а×в×0,4=1,608м, mэ=10,7 т
|
117
|
23,4
|
|
24
|
3
|
39
|
2
|
26,13
|
1
|
|
|
3. КФ mэ=5,9 т
|
30
|
5,5
|
|
24
|
4
|
8
|
2
|
5,89
|
1
|
|
|
4. ПБ6 mэ=0,66 т
|
228
|
20,8
|
|
24
|
24
|
10
|
1
|
24,73
|
1
|
18.07-23.07. 2012; 1.08-7.08.2012; 16.08-21.08.2012
|
|
5. СВ6 mэ=0,34 т
|
15
|
1,4
|
ММЗ 584-Б 6×2,25×0,725 (ЗИЛ 164) ύ=55
м/ч
|
7
|
4
|
4
|
2
|
0,91
|
1
|
23.07. 2012; 7.08.2012; 21.08.2012
|
18
|
22,5
|
Бетоновоз СБ-92 Vзам=2,5м3 ύ=60 км/ч
|
2,5 м3
|
1
|
8
|
1
|
0,2
|
1
|
2.07-10.07.2012; 13.07-24.07.2012
|
|
7. Электроды I и II потока
|
409,92
|
-
|
УАЗ 451Д ύ=95км/ч
|
800 кг
|
1
|
1
|
1
|
0,2
|
1
|
2.07.2012
|
|
8. Стропильная ферма ФС18 mэ=6,75 т
|
78
|
20,8
|
29 ПФ20 17,2×2,64×3,72 (КРАЗ 221) ύ=65км/ч
|
20
|
3
|
26
|
4
|
5,64
|
1
|
1307-7.08.2012 8.08-31.08.2012
|
|
9. Стропильная ферма ФС24 mэ=9,6 т
|
78
|
24,7
|
ПФ24/2 30×2,63×1,92 (КРАЗ 3258) ύ=60км/ч
|
24
|
2
|
39
|
3
|
17,85
|
1
|
1307-7.08.2012; 8.08-31.08.2012
|
|
10. Плиты ПП mэ=2,3 т
|
1008
|
20,16
|
ПР12 9×2,64×2,48 (МАЗ-504) ύ=75
км/ч
|
12
|
4
|
252
|
4
|
17,51
|
2
|
1307-7.08.2012; 8.08-31.08.2012
|
|
11.Бетон для заливки швов ПП
|
108,86м3
|
24,19
|
|
2,5 м3
|
1
|
44 (49)
|
1
|
0,4
|
2
|
2.07-10.07. 2012; 13.07-24.07.2012
|
каркас здание монтаж кран
Основные расчетные формулы для таблицы:
Для штучного груза:
.Число конструкций за 1 рейс
,
с округлением в меньшую сторону до натурального числа
.Число рейсов:
,
с округлением в большую сторону до натурального числа
.Число рейсов в смену 1-ой машиной
,
с округлением в большую сторону до натурального числа
Пэ.см.а/т=
tсм=8,2ч. Ки=0,73 vср=0,6 vmax по грунтовой дороге
.Число машин, шт
.Продолжительность перевозки,см
Для растворного груза
. Число рейсов
2. Продолжительность рейса

по
техническому паспорту выбранной машины для перевозки бетона
3. Общая продолжительность перевозки

(ч)
4. Число машин

округление
в большую сторону до натурального времени
VIII.
Составление ведомостей потребности в конструкциях, материалах, оснастке,
машинах т оборудовании при производстве монтажных работ.
Таблица 17. Ведомость потребности в конструкциях и материалах на
производство строительно-монтажных работ.
|
Наименование конструкции, материала
|
Единицы измерения
|
Количество
|
Масса единицы, т
|
Общая масса, т
|
Объем единицы, м3
|
Общий объём м3
|
|
КК
|
шт
|
78
|
5,3
|
4134
|
2,1
|
163,8
|
|
КС
|
|
117
|
7
|
819
|
2,8
|
327,6
|
|
КФ
|
|
30
|
5,8
|
174
|
2,3
|
69
|
|
ПБ6
|
|
228
|
0,66
|
190,08
|
-
|
-
|
|
СВ6
|
|
15
|
0,34
|
5,1
|
-
|
405
|
|
ФС18
|
|
78
|
6,7
|
522,6
|
2,54
|
198,12
|
|
ФС24
|
|
78
|
9,6
|
748,8
|
3,65
|
284,7
|
|
ПП
|
|
1008
|
2,3
|
2318,4
|
0,93
|
937,44
|
|
Бетон В15
|
м3
|
126,864
|
-
|
-
|
-
|
126,864
|
|
Электроды
|
кг
|
409,92
|
-
|
0, 40992
|
-
|
-
|
Таблица 18. Ведомость потребности в оснастке, машинах, оборудовании.
|
Наименование оснастки, машин, оборудования
|
Марка или условие обозначения
|
Назначение
|
Количество
|
Технические характеристики
|
|
Кран стреловой пневмоколесный
|
МКП-16
|
Монтаж конструкций I потока
|
1
|
Lстр=15÷23м Q=1÷11,5т L=5÷20м Hкр=10÷25м G=24т
|
|
Кран стреловой гусеничный
|
ДЭК-251
|
Монтаж конструкций II потока
|
1
|
Lстр=19÷38,75м Q=1,2÷14,7т L=5,4÷20м Hкр=9,6÷31,8м G=44,7т
|
|
Прицеп или полуприцеп
|
ТП24 КРАЗ 3258
|
Транспортировка КК
|
2
|
Q=24т, B×L×H= =12×2,65×1,56, V=60км/ч
|
|
Прицеп или полуприцеп
|
ТП24 КРАЗ 3258
|
Транспортировка КС
|
2
|
Q=24т, B×L×H= =12×2,65×1,56, V=60км/ч
|
|
Прицеп или полуприцеп
|
ТП24 КРАЗ 3258
|
Транспортировка КФ
|
2
|
Q=24т, B×L×H= =12×2,65×1,56, V=60км/ч
|
|
Прицеп или полуприцеп
|
ТП24 КРАЗ 3258
|
Транспортировка ПБ6
|
1
|
Q=24т, B×L×H= =12×2,65×1,56, V=60км/ч
|
|
Прицеп или полуприцеп
|
ММЗ 584-Б ЗИЛ 164
|
Транспортировка СВ6
|
2
|
Q=7т, B×L×H= =6×2,25×0,725, V=55км/ч
|
|
Прицеп или полуприцеп
|
29 ПФ20 КРАЗ 221
|
Транспортировка СФ18
|
4
|
Q=20т, B×L×H= =17,2×2,64×3,72, V=65км/ч
|
|
Прицеп или полуприцеп
|
Ф24/2 КРАЗ 3258
|
Транспортировка СФ24
|
3
|
Q=24т, B×L×H= =30×2,63×1,92, V=60км/ч
|
|
Прицеп или полуприцеп
|
ПР 12 МАЗ 504
|
Транспортировка ПП
|
4
|
Q=12т, B×L×H= =9×2,64×2,48, V=75км/ч
|
|
Автобетоновоз
|
СБ 92
|
Транспортировка бетона
|
1/1
|
vзам=2,5м3, V=60км/ч
|
|
Автомобиль
|
УАЗ-451Д
|
Транспортировка электродов
|
1
|
Q=0,8, V=95км/ч
|
|
Траверса унифицирован.
|
ЦНИИОМТП
|
Монтаж КК, Кф
|
1
|
m=0,18, Q=10, hстр=1м
|
|
Траверса унифицирован.
|
ЦНИИОМТП
|
Монтаж КС
|
1
|
m=0,34, Q=16,
hстр=1,5м
|
|
Траверса
|
ПК Трест стальконстр.
|
Монтаж ПБ6
|
1
|
m=0,386, Q=8,
hстр=2,8м
|
|
Траверса
|
ПИ Промсталь-конструкция
|
Монтаж СФ18
|
1
|
m=0,455, Q=10,
hстр=1,8 м
|
|
Траверса
|
ПИ Промсталь-конструкция
|
Монтаж СФ24
|
1
|
m=0,75, Q=25,
hстр=3,6 м
|
|
Строп двухветвевой
|
ЦНИИОМТП
|
Монтаж СВ6
|
1
|
m=0,016, Q=2,5,
hстр=3м
|
|
Строп четырехветв.
|
ЦНИИОМТП
|
Монтаж ПП, туфельки с бетоном
|
2
|
m=0,02, Q=3,2,
hстр=3,2м
|
|
Инвентарный клиновой вкладыш
|
ЦНИИОМТП
|
Выверка и временное закрепление колонн
|
8
|
m=7,5 кг
|
|
Распорки
|
ПИ Промсталь-конструкция
|
Временное закрепление ферм
|
8
|
m=63 кг
|
|
Приставная лестница
|
ПИ Промсталь-конструкция
|
Монтаж ферм
|
2
|
m=269 кг
|
|
Площадка с навесной лестницей
|
ПИ Промсталь-конструкция
|
Обеспечение рабочего места на плате
|
2
|
m=118 кг
|
|
Выдвижные подмости на автопогрузчике
|
ПИ Промсталь-конструкция
|
Монтаж ферм, стеновых панелей
|
1
|
-
|
|
Ограждение покрытия
|
ПИ Промсталь-конструкция
|
Временное ограждение покрытия для безопасных условий труда
на высоте
|
117,6
|
m=6,5кг, h=1м, L=5,1м
|
|
Лопатка монтажника
|
-
|
Инструмент монтажника
|
10
|
-
|
|
Страховочные канаты
|
-
|
Инструмент монтажника
|
10
|
-
|
|
Измерительная рулетка
|
-
|
Инструмент монтажника
|
10
|
-
|
|
Нивелир
|
-
|
Инструмент монтажника
|
2
|
-
|
|
Теодолит
|
-
|
Инструмент монтажника
|
2
|
-
|
|
Уровень
|
-
|
Инструмент монтажника
|
10
|
-
|
Таблица 19. Ведомость потребности в электроэнергии и топливе
|
Наименование
|
Норма расхода на 1 час работы
|
Продолжительность работы, ч
|
Общий расход
|
Примечание
|
|
Электроэнергия
|
20 квт
|
103∙8,2=844,6
|
16892
|
Потребление энергии на период производства работ
|
|
Дизельное топливо
|
5,5 кг
|
ТI∙8,2=786,38
|
4325,09
|
Работа крана МКП 16 Ι потока
|
|
5,6 кг
|
ТII∙8,2=684,208
|
3831,56
|
Работа крана ДЭК 251 IΙ потока
|
IX. Указания по производству работ
Монтаж конструкций здания выполняют двумя потоками:
I поток - установка колонн и балок подкрановых;
II поток - установка стропильных ферм и плит покрытия.
Монтаж строительных конструкций ведем с транспортных
средств. Данный метод монтажа требует четкости организации и согласованности
монтажного и транспортного процессов. Ведем поэлементный, продольный монтаж
комбинированным методом (установка однотипных конструкций в пределах здания и
только после этого установка других типов конструкций).
Каждую колонну перед строповкой, следует проверить на
качество и прочность геометрических размеров. Строповку колонн производим
унифицированной траверсой.
Расстроповку установленных колонн производят только
после их закрепления в стаканах клиновыми вкладышами.
Клиновые вкладыши снимают только после того, как бетон
в стыке колонн наберёт 70% проектной прочности (4 суток).
Перед монтажом балок осматривают состояние конструкций
и подготавливают стыки. Подкрановые балки поднимают с помощью специальной
траверсы.
Расстроповку балок производят после сварки закладных
деталей.
Для обеспечения жесткости здания в продольном
направлении в середине температурного блока по крайним и средним рядам колонн
устанавливают вертикальные связи. Соединение вертикальных связей с колоннами
выполняются на сварке. Для крепления связей с колоннами предусмотрены закладные
элементы.
Рабочее место на высоте обеспечивают приставные
лестницы.
Монтаж элементов покрытия ведем стреловым гусеничным
краном ДЭК-251.
Строповку стропильных ферм производим специальными
траверсами.
Для временного закрепления первой фермы в проектном
положении используем расчалки, а для последующих ферм - специальные распорки
(на 1 ферму - 2 шт., через 1/3 пролета). Для закрепления ферм в проектном
положении закладные детали приваривают к опорным плитам, приваренным к
закладным деталям оголовков колонн. После этого производят расстроповку.
Распорки снимают только после окончательного закрепления ферм и укладки плит
покрытия.
Для строповки плит покрытия применяем специальную траверсу, место
установки первой плиты отмечаем на ферме. Для обеспечения постоянного зазора,
образующего шов, пользуются ломиком - шаблоном.
X.
Указания по технике безопасности
При производстве строительно-монтажных работ необходимо соблюдать правила
техники безопасности согласно СНиП III-А.II-70 «Техника безопасности в
строительстве».
1. Ответственность за соблюдение требований СНиП III-А.II-70 и выполнение мероприятий по технике безопасности при
производстве строительно-монтажных работ возлагаются на инженерно-технических
работников строительно-монтажных организаций.
2. На строительной площадке должны быть санитарно-бытовые помещения
и устройства: гардеробные, умывальные, душевые, уборные, помещения личной
гигиены женщин, помещения для обогрева и регламентированного отдыха, пункты
питания, здравпункт и др., выполненные и оборудованные в соответствии с нормами
по проектированию бытовых помещений.
. Организация рабочих мест должна обеспечивать безопасность
выполнения работ. Рабочие места должны иметь предусмотренные ограждения,
защитные и предохранительные устройства и приспособления.
. Строительно-монтажная организация обязана обеспечить рабочих
одеждой, спец.обувью и средствами индивидуальной защиты.
. Все работающие на строительной площадке должны быть обеспечены
защитными касками.
. Стройплощадка в населенных пунктах или на территории промышленного
предприятия, во избежание доступа посторонних лиц, должна быть огорожена.
. Движущиеся части строительных машин и механизмов в местах
возможного доступа людей должны быть ограждены. Запрещается оставлять
работающими машины и механизмов местах возможного доступа людей без надзора.
. Поступающие работники могут быть допущены к работе только после
прохождения инструктажа по технике безопасности непосредственно на месте.
Повторный инструктаж должен проводиться не менее чем 1 раз в 3 месяца.
. К выполнения строительно-монтажных работ, к которым
предъявляются дополнительные требования по технике безопасности согласно СНиП III-А.II-70, могут быть допущены лица, прошедшие курсовое обучение по
типовым программам, сдавшие экзамены и имеющие удостоверение на право
производства работ.
. Материалы, оборудование следует размещать на выровненных и
утрамбованных площадках, а в зимнее время на площадках очищенных от льда и
снега.
. Грузоподъемные краны и стреловые подъемники должны быть
оборудованы приборами безопасности и сигнализации, а также предохранительными
устройствами.
. К работе механизированными инструментами допускаются лица,
прошедшие курсовое обучение по типовым программам, сдавшие экзамены и имеющие
удостоверение на право производства работ.
. Запрещается работать механизированными инструментами с
приставных лестниц. При перерывах в работе или переносе механизированных
инструментов их необходимо выключать.
. Корпус электротехнических инструментов, работающих от напряжения
более 36 В, должны быть заземлены.
. Производство сварочных работ н открытом воздухе во время грозы,
дождя и снегопада запрещено.
. Строповку элементов и конструкций следует производить
инвентарными стропами, а в необходимых случаях специализированными
грузозахватными приспособлениями.
. Строповку элементов и конструкций следует производить по схемам,
составленными с учетом прочности и устойчивости поднимаемых конструкций.
. Элементы и конструкции во время перемещения должны удерживаться
от раскачивания и вращения оттяжками из пенькового каната или гибкого троса.
. Запрещается нахождение людей на перемещаемых конструкциях, при
подъеме и установке.
. Установленные в проектное положение конструкция должна быть
закреплена, постоянно или временно при помощи специальных приспособлений.
Расстроповка до надежного раскрепления запрещается.
XI. Контроль качества монтажных работ
При доставке колонн на строительную площадку проверяют
точность их размеров и положение закладных деталей с помощью компарированных
рулеток. При монтаже колонн проверяют:
отметку дна стакана фундамента;
совмещение осей колонны и разбивочных осей на
фундаменте контролируют по двум осям с помощью деревянного угольника и
слесарного метра;
вертикальность колонн проверяют с помощью теодолита;
опорных площадок для подкрановых балок и ферм
контролируют методом геометрического нивелирования.
Допускаемая погрешность не должна превышать 20%
допускаемого отклонения на контролируемый параметр.
Размеры подкрановых балок проверяют компарированной
стальной рулеткой. Балки устанавливают в проектное положение по осевым рискам
на балках и колоннах.
Выверку производят в пределах температурного блока:
высоте - с помощью нивелира; - в плане - по теодолиту.
Расстояние между осями установленных балок проверяют
компарированной рулеткой с двукратным смещением мерного прибора с поправкой на
провес рулетки и температуру. Допустимая средняя погрешность при проверке
точности размеров подкрановых балок не более 20% допускаемого отклонения на
контролируемый размер.
При поступлении на площадку ферм и плит покрытия
точность их размеров проверяют стальной компарированной рулеткой. При монтаже
покрытия контролируют:
осей ферм относительно геометрических осей опорных
конструкций проверяют стальным метром;
между осями ферм проверяют компарированной рулеткой с
введением поправок за её провес и температуру;
лицевых поверхностей плит в стыке контролируют методом
геометрического нивелирования;
плит в плане проверяют стальным метром.
Погрешности контроля не должна превышать 20% величины допускаемого
отклонения на контролируемый параметр.
XII.
Охрана окружающей среды
. В соответствии с законом Российской Федерации "Об охране
окружающей природной среды" при проектировании, строительстве,
реконструкции, эксплуатации и снятии с эксплуатации предприятий, зданий и
сооружений в промышленности, сельском хозяйстве, на транспорте, в энергетике и
жилищно-коммунальном хозяйстве должны предусматриваться мероприятия по охране
природы, рациональному использованию и воспроизводству природных ресурсов, а
также выполняться требования экологической безопасности проектируемых объектов
и охраны здоровья населения.
. С учетом требований закона "Об охране окружающей природной
среды" экологические факторы при принятии решения о строительстве новых
объектов, реконструкции или техническом перевооружении действующих являются
определяющими.
Эти факторы предусматривают жесткие экологические требования к
разрабатываемой документации при принятии проектных решений, требуют оценки
характера использования природных ресурсов, определения параметров воздействия
объекта на компоненты окружающей среды, анализа альтернативных вариантов
размещения объекта, а также составления прогноза экологических и социальных
последствий строительства и эксплуатации объектов.
. Возможность строительства новых объектов или реконструкции, расширения,
технического перевооружения действующих определяется наличием сырьевых,
топливных, энергетических, водных и других ресурсов района их размещения, а
также социальных и других потребностей, при этом учет экологических требований
определяет возможность осуществления планируемой деятельности на конкретной
территории, исходя из масштабов и характера ее влияния на окружающую природную
среду.
. В соответствии с требованиями СНиП 11-01-95 в составе проектной
документации должен разрабатываться раздел "Охрана окружающей среды".
При его разработке для проектируемого объекта следует выполнить:
оценку современного состояния природной среды и уровня техногенной
нагрузки района размещения объекта (в том числе на альтернативных участках);
определение уровня воздействия объекта на окружающую природную среду при
различных вариантах реализации проекта;
оценку изменений природной среды в результате планируемого воздействия;
оценку последствий воздействия объекта на окружающую среду,
социально-бытовые и хозяйственные условия жизни населения;
определение (подсчет) экологического ущерба;
разработку мероприятий по предотвращению или снижению
возможных неблагоприятных воздействий на среду по основным вариантам
принимаемых решений и оценку их эффективности и достаточности;
разработку мероприятий по организации мониторинга за состоянием
окружающей природной среды,
. Все основные решения по вопросам охраны окружающей среды при
строительстве и эксплуатации объектов различного назначения, а также
применяемому комплексу природоохранных мероприятий должны быть определены при
разработке обоснования инвестиций. При разработке проектной документации эти
решения могут быть дополнены и уточнены.
. Раздел ООС в проектной документации должен содержать следующие основные
подразделы:
краткие сведения о проектируемом объекте;
охрана и рациональное использование земельных ресурсов;
охрана атмосферного воздуха от загрязнения;
охрана поверхностных и подземных вод от загрязнения и истощения;
охрана окружающей среды при складировании (утилизации) отходов
промышленного производства;
охрана растительности и животного мира;
прогноз изменения состояния окружающей среды под воздействием
проектируемого объекта;
эколого-экономическая эффективность строительства,
реконструкции, технического перевооружения объекта.
Различными проектными организациями состав и содержание раздела ООС может
быть уточнен применительно к требованиям специфики проектирования предприятий
соответствующих отраслей промышленности или параметров жилищно-гражданских
объектов, возводимых в различных регионах.
. При разработке раздела ООС следует руководствоваться природоохранным
законодательством России, требованиями нормативно- методических документов по
охране окружающей природной среды, положениями различных глав СНиП, инструкций,
стандартов, ГОСТов, регламентирующих или отражающих требования по охране
природы при строительстве и эксплуатации объектов различного назначения.
. Охрана окружающей природной среды и рациональное использование
природных ресурсов при разработке раздела ООС должны рассматриваться с учетом
природных особенностей района расположения проектируемого объекта и
существующей техногенной нагрузки. Все параметры объекта следует оценивать по
уровню их воздействия на экологию прилегающего района и возможности предупреждения
негативных последствий функционирования предприятия для среды в ближайшей и
отдаленной перспективе.
. При разработке раздела ООС в составе проектной документации должны быть
выявлены:
существующие природно-климатические характеристики района расположения
объекта;
виды, основные источники и интенсивность существующего техногенного
воздействия в рассматриваемом районе (объем выбросов и сбросов, загрязнение
территории и почв, нарушения ландшафта и т.п.);
характер использования и объем (количество) природных ресурсов,
вовлекаемых в хозяйственный оборот, условия их транспортировки к проектируемому
объекту;
характер, объем и интенсивность предполагаемого воздействия
проектируемого объекта на атмосферу, воздушную среду и территорию в процессе
строительства и эксплуатации;
количество отходов производства, степень их токсичности, условия
складирования, захоронения или утилизации;
возможность использования отходов на других производствах и в других
отраслях хозяйства;
возможность аварийных ситуаций на объекте и их последствия;
изменения параметров окружающей среды под воздействием проектируемого
объекта (намечаемой хозяйственной деятельности);
экологические и социальные последствия строительства и эксплуатации
объекта.
. Обоснование технических решений по охране среды должно быть подкреплено
расчетами эколого-экономической эффективности применяемых природоохранных
мероприятий. При определении эффективности следует сопоставлять затраты на
реализацию природоохранных мероприятий с величиной предотвращенного народнохозяйственного
ущерба, выявляемого для всех видов реципиентов (ущерб от воздействия объекта на
окружающую среду является комплексной величиной и представляет собой потери и
затраты в районе расположения объекта от его техногенного воздействия на компоненты
среды).
. В разделе ООС проектной документации должен разрабатываться прогноз
изменения состояния природной среды и социально-экономических условий жизни
населения в районе размещения объекта.
Разработанный прогноз должен отражать:
изменения качественного состояния атмосферы с учетом его дополнительного
загрязнения от выбросов проектируемого (реконструируемого) объекта;
изменения качественного и количественного состояния поверхностных и
подземных вод в районе расположения объекта;
изменения в характере землепользования района расположения объекта;
характер нарушений геологической среды, возможность активизации опасных
геологических процессов и предполагаемый уровень загрязнения почв;
характер воздействия объекта на растительность и животный мир и их изменения
под влиянием строительства и эксплуатации объекта;
изменения социально-экономической обстановки и условий жизни населения,
проживающего в районе размещения объекта.
каркаса здание монтаж кран
Заключение
Мною запроектировано одноэтажное промышленное каркасное здание, высотой
до низа фермы 8,4 м, шириной 84 м, длиной 72 м,с количеством температурных
блоков - 3 шт, количеством пролетов в 4 шт (размерами в осях АБ=24 м, БВ=18 м,
ВГ=18 м, ГД=24 м).
Производство монтажа конструкций одноэтажного промышленного здания
производится тремя потоками. В I
потоке монтируются колонны, подкрановые балки, связи стреловым краном марки
МКП-16 продолжительностью Т I=58,68
см раздельным способом.
II
потоком монтируются элементы покрытия, подстропильные фермы, стропильные фермы
пролетом 18 и 24 м и плиты покрытия стреловым краном марки ДЭК-251
продолжительностью Т II =83,44
см комплексным способом.
III
потоком монтируются элементы стен снаружи здания раздельным способом. III поток монтажа стеновых панелей в
курсовом проекте не разрабатывается.
Основные ТЭП проекта.
Продолжительность монтажа 103 см
Трудоемкость монтажа 14571,5 чел-ч
Стоимость работ 2320572,82 руб.
Трудоемкость 1 т 1,2 чел-ч/т
Стоимость 1 т 2,17 руб.
Стоимость 1 м2 здания 127,9руб
Стоимость м3 здания 10,146 руб.
Библиографический список
1. Альбом «Технологические схемы возведения одноэтажных промышленных
зданий», вып.2. - Монтаж надземной части.
. Строительные машины. Справочник в 2-х т. Под ред. В. А. Баумана и Ф. А.
Лапира. Т.1. Машины для строительства промышленных, гражданских,
гидротехнических сооружений и дорог. - М.: Машиностроение, 1976. - 502с.
. ЕНиР. Общая часть. - М.: СИ, 1987. - 37с.
. ЕНиР, Е4, вып.1. Монтаж сборных и устройство монолитных железобетонных
конструкций. - М.: СИ. 1987. - 54с.
. ЕНиР, Е5, вып.1. Монтаж металлических конструкций. - М.: СИ, 1987. -
32с.
. СНиП 3.03.01. - 87. Монтаж несущих и ограждающих конструкций. - М.: СИ,
1988. - 190с.
. СНиП 3-4-80. Техника безопасности в строительстве. - М.: СИ, 1981.
-255с.
8. Кузнецов
Ю.П. Проектирование земляных и монтажных работ. - М.: 1981.-424с.
Приложение 1
План здания
Приложение 2
Продольный разрез
Приложение 3.
Поперечный разрез
Приложение 4
Узлы стыков конструкций