Исследование стойкости труб к коррозионному растрескиванию под напряжением
Реферат
Исследование стойкости труб к коррозионному
растрескиванию под напряжением (КРН) в последнее время является необходимым
этапом при оценке качества труб, предназначенных для строительства и ремонта
магистральных газопроводов из-за участившихся в последнее время случаев
разрушений трубопроводов по причине коррозионного растрескивания под
напряжением (КРН).
Целью данного этапа является анализ причин
разрушения магистральных трубопроводов, вызванных коррозионным растрескиванием
под напряжением, и оценка роли качества металла на примере труб из сталей
17Г1С-У и К60 к КРН в условиях, моделирующих характерное для трубопроводов
напряженное состояние.
На склонность к КРН влияют, кроме условий
эксплуатации, качество и композиция стали: уровень содержания углерода,
марганца, загрязненность примесями и неметаллическими включениями, степень
однородности структуры, определяемые технологиями производства стали и
прокатки. Кроме того, наличие регламентированных дефектов, также влияет на
процесс зарождения и развития трещин. Таким образом, предотвращение проявления
КРН на магистральных газопроводах следует начинать еще на стадии проектирования
через выбор соответствующих материалов для их изготовления.
В ходе работы было показано на примере сталей
17Г1С-У и К60, что влияние композиции и качества трубных сталей на стойкость к
КРН может значительно превосходить влияние остаточных напряжений, образующихся
при изготовлении труб из штрипса.
Содержание
Введение
Материал
исследования
Методика
проведения испытаний на стойкость к коррозии под напряжением в
сероводородсодержащей среде
Результаты
испытаний
Заключение
Список
литературы
Введение
Магистральные газопроводы, применяемые для
транспортировки газа, зачастую работают в экстремальных климатических и
природно-геологических условиях, они подвержены различным нагрузкам
(внутреннему давлению, осевым растягивающим или сжимающим напряжениям, давлению
грунта засыпки и подвижных средств, перепадам температур). Одной из основных
причин аварий на магистральных газопроводах является внешняя коррозия.
Недостаточная защищенность газопроводов от
коррозии в основном связана с потерей качества пленочного изоляционного
покрытия на газопроводах, построенных 15 и более лет назад. Анализ технического
состояния газопроводов России показывает следующее: средний возраст
трубопроводов, потерпевших стресс-коррозионные аварии, составляет примерно 25
лет, а максимальный - 30 лет, около 36000 км нуждаются в переизоляции и
ремонте. Половина от общей протяженности магистральных газопроводов отработала
срок, при котором пленочное изоляционное покрытие практически полностью теряет
свои защитные свойства, что приводит к активным коррозионным процессам. Из-за
потенциальной опасности разрушения часть магистральных газопроводов
эксплуатируется с пониженным давлением.
В период с 1991 по 1996 гг. доля аварий по
причине коррозионного растрескивания в общем балансе аварийности по ОАО
«Газпром» составляла около четверти, с 1998 по 2003 г.г. аварии по этой причине
составили треть от общего количества, а в 2005г и последующих годах они
составили уже более 50%.
В последние годы выделяется высокая доля аварий
в районе Северного коридора (Уренгойское, Заполярное, Медвежье и другие
месторождения). В этом же коридоре проходит трасса строящегося магистрального
газопровода Ямал - Европа. На этом участке доля выхода из строя трубопроводов
по причине стресс-коррозии составляет более 70%.
Таким образом, из-за значительного снижения
долговечности в связи со стресс-коррозионными процессами при эксплуатации
трубопроводов обязательным является оценка склонности металла труб к КРН, а
также выявление факторов, влияющих на стойкость труб к КРН. Среди таких
факторов выделяют: состав и структуру трубного металла, чистоту по примесям и
неметаллическим включениям; уровень остаточных напряжений, возникающих в ходе
передела штрипс - труба и являющихся одной из причин неоднородности свойств по
диаметру и длине трубы; состояние изоляционного покрытия; параметры
эксплуатации трубопроводов (количество пусков-остановов, частота циклических
воздействий и т.д.).
Процесс КРН относится к процессам, идущим по
электрохимическому механизму, необходимым условием протекания которого является
наличие в металле растягивающих напряжений (приложенных и (или) остаточных) при
одновременном воздействии на металл коррозионной среды.
Упрощенная схема процесса КРН с учетом всех
стадий сложного механизма КРН представлена на рисунке 1.
Рисунок 1 - Схема процесса КРН
По характеру разрушения КРН мало отличается от
других видов коррозионного растрескивания (хлоридного, щелочного, нитратного и
др.).
Очаг разрушения при КРН, как правило, расположен
во внутренних слоях вблизи поверхности.
Трещины распространяются перпендикулярно от
приложенных извне растягивающих напряжений, зачастую инициируются вблизи
неметаллических включений, в частности, оксидов и сульфидов.
Существует комплекс внешних и внутренних
факторов, влияние которых определяет интенсивность возникновения и скорость
роста трещин КРН.
Из внешних факторов - это содержание H2S
во влажной среде. Безопасной считается концентрация сероводорода в жидкой фазе,
соответствующая величине парциального давления РH2S≤0,001
МПа над коррозионной средой. При температуре 20ºС
такое парциальное давление соответствует содержанию H2S
в водной фазе 3 мг/л (насыщение при PH2S
= 1 МПа соответствует примерно 3000 мг/л).
Считается опасной (с точки зрения допустимого
для конструкции времени до реализации склонности к КРН) концентрация H2S
в газовой фазе ≥0,2% по объему, что отвечает PH2S
= 0,0035 МПа.
Склонность к КРН экстремально зависит от
температуры: для трубных сталей во влажном H2S
максимум располагается в интервале между 15ºС
и 50ºС.
Вид разрушений нагруженных элементов конструкции
и трубопроводов при КРН определяется содержанием H2S
в электролитической среде и зонами концентрации напряжений.
Присутствие в среде хлоридов и сульфатов
усиливает КРН в сероводородсодержащих растворах.
Многочисленными исследованиями установлено
влияние определенных внутренних и внешних факторов на склонность стали к КРН. Наиболее
существенными являются:
параметры прокатки, создающие метастабильную
структуру металла, увеличивают склонность сталей к КРН;
поверхностная холодная пластическая деформация,
наоборот, повышает стойкость к КРН за счет формирования сжимающих напряжений;
нагрузка: стойкость к КРН повышается с
уменьшением величины предварительной упругой нагрузки;
структура: склонны к КРН стали с ферритной,
перлитной и мартенситной структурами. Мартенситная составляющая в стали
повышает эту характеристику за счет того, что облегчает наступление КРН даже
при относительно малых напряжениях;
неметаллические включения: весьма значительное
влияние на КРН оказывают их состав, геометрическая форма, количество и
распределение;
легирующие элементы: легирование сталей является
эффективным приемом воздействия на склонность к КРН.
На первом этапе проведения работы на основе
обобщенной аналитической информации и экспериментальных данных были обоснованы
требования к комплексу структурных характеристик, механических и служебных
свойств металла двухшовных труб для магистрального трубопровода Сахалин -
Хабаровск - Владивосток с повышенным эксплуатационным ресурсом и надежностью,
работающего в сложных природно-климатических условиях. На данном этапе решалась
задача оценки роли качества металла на примере труб из сталей 17Г1С-У и К60 к
КРН в соответствии со стандартами ОАО «Газпром» СТО Газпром 2-5.1-148-2007
«Методы испытания сталей и сварных соединений на коррозионное растрескивание
под напряжением» и стандартом NACE TM
0177-05 «Лабораторные испытания металлов на сопротивление сульфидному
растрескиванию под напряжением и коррозионному растрескиванию под напряжением в
H2S».
Анализ опубликованных данных
свидетельствует о том, что в развитии процесса стресс-коррозии существенная
роль принадлежит как учитываемым металлургическим факторам (химическому составу
сталей, структуре, морфологии, составу, количеству и распределению
неметаллических включений, осевой и дендритной ликвации), так и технологической
наследственности трубы, обусловленной особенностями процессов производства
листовой и трубной заготовок [1, 2, 3]. Предрасположенность металла труб к
растрескиванию обусловливается суммарным вкладом всех видов наследственностей,
приобретаемых на этапах изготовления прокатного листа, производства трубы,
выполнения сборочно-сварочно-монтажных работ при сооружении трубопровода, а
также изменений структуры и свойств металла, которые со временем накапливаются
в нем.
Следует особо подчеркнуть, что если
контролируемая прокатка позволяет в довольно широких пределах регулировать
микроструктуру и степень ее неоднородности, наследуемую от дендритной ликвации,
то осевая ликвационная полоса, наследуемая от центральной ликвации,
эволюционируя в процессе горячего передела, остается в готовом металле, снижая
его потребительские свойства и проявляясь в анизотропии механических свойств,
ухудшении служебных характеристик. В связи с этим современные материалы для
изготовления труб большого диаметра, в своем составе содержат ограниченное
количество углерода (не более 0,07-0,08%), пониженный уровень серы, фосфора,
неметаллических включений. Такие стали могут иметь в своем составе
микролегирующие элементы (ниобий, ванадий, титан), в некоторых случаях (в
зависимости от класса прочности и толщины стенки трубы) - бор, небольшие добавки
хрома, никеля, молибдена. Горячий передел должен обеспечить минимально развитые
осевую ликвацию и полосчатость, структуру контролируемой прокатки с ускоренным
охлаждением (игольчатый феррит, малоуглеродистый бейнит).
Наименее изученной в настоящее время
причиной возникновения КРН представляется наличие локальных напряжений,
действующих в трубе. Обычно в актах расследования аварий газопроводов указывают
лишь рабочее давление газа в момент, предшествующий аварии. Напряжения в
металле труб, возникающие при их производстве и транспортировке, прокладке
газопроводов или в процессе эксплуатации, не учитывают.
При анализе статистических данных
аварий по признаку стресс-коррозии предпочтительные места образования колоний
стресс-коррозионных трещин связывают с остаточными напряжениями, происхождение
которых объясняется неблагоприятными условиями формовки прямошовных труб.
Статистический анализ на основе данных внутритрубной дефектоскопии показывает,
что продольные дефекты преимущественно располагаются вблизи продольных сварных
швов и зоны подгибки кромок при изготовлении листа на расстоянии 100-200 мм от
линии сплавления. Эти закономерности, вероятно, связаны с технологическими
процессами производства труб, определяющими напряженно-деформированное и
микроструктурное состояние металла. Аналитические и численные расчеты
напряжений, выполненные в процессе сквозного моделирования технологического
процесса производства прямошовных труб большого диаметра, подтвердили наличие
зон повышенных деформаций и напряжений. Они совпадают с обнаруженными методом
внутритрубной дефектоскопии стресс-коррозионными дефектами на эксплуатируемых
газопроводах. Наличие неравномерного распределения остаточных напряжений по
периметру трубы провоцирует процесс развития КРН. При формовке тело трубы в
зонах интенсивной деформации испытывает напряжения, превышающие предел
текучести материала и близкие к пределу прочности. С учетом неоднородности
структуры металла и включений в тело трубы могут сложиться условия для
зарождения микродефектов.
Напряжения от рабочего давления, суммируясь с
остаточными напряжениями, могут привести к началу пластического течения
материала в определенных зонах трубной поверхности. Это обстоятельство может
оказаться достаточным для преодоления порогового уровня и начала развития
трещин КРН от внешне незначительных по размеру поверхностных дефектов.
Очень важной задачей является
разработка методов предотвращения проявления КРН на магистральных газопроводах
еще на стадии их проектирования [4]. Устранение или существенное уменьшение
интенсивности волновых и вибрационных процессов в трубопроводных системах
позволяет не только в несколько раз уменьшить количество аварий с разрывами
трубопроводов и выходом из строя трубопроводной арматуры и оборудования,
повысить надежность их работы, но также значительно увеличить срок их
эксплуатации. Для этого при проектировании и эксплуатации газопроводов
необходимо разработать и реализовать специальные мероприятия, снижающие
возможность зарождения и роста стресс-коррозионных трещин.
В настоящее время в России существуют новые
технологии, обеспечивающие защиту трубопроводов, позволяющие гасить все
внутрисистемные возмущения: гидроудары, колебания давления и вибрации в
результате периодической работы насосных агрегатов, срабатывания запорной арматуры,
аварийных отключений электропитания, ошибочных действий обслуживающего
персонала и т.п. Высокоэффективным энергонезависимым техническим средством
гашения колебаний давления, вибрации и гидроударов являются стабилизаторы
давления. Установка стабилизаторов обеспечивает полное гашение или снижение до
безопасного уровня амплитуд колебаний давления и связанных с ними вибраций
трубопроводов, при этом полностью устраняются аварийные ситуации с разрывами
труб от внутрисистемных возмущений.
Материал исследования
Сравнительные испытания стойкости металла вблизи
шва и основного металла труб 12х1220 мм из стали 17Г1С-У и 17,8х1220 мм из
стали К60 (штрипс производства ОАО «Уральская сталь») к КРН проводили на
образцах, вырезанных в тангенциальном направлении из труб производства ОАО
«ЧТПЗ». Химический состав металла труб приведен в таблице 1. Схема вырезки
представлена на рисунке 2: образцы основного металла труб изготавливали из
темплетов, вырезанных относительно диаметра трубы на «3 часа», заготовки для
изготовления образцов металла вблизи шва - на «6 часов».
Рисунок 2 - Схема вырезки темплетов: 1, 2 - из
металла труб около швов (ориентация относительно диаметра трубы - на «6
часов»); 3, 4 - из наиболее удаленного от швов металла (ориентация - на «3
часа»).
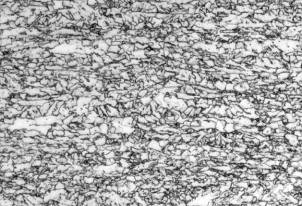
Металл труб, кроме химического состава,
отличался по структуре (см. рис. 3) и по степени загрязненности
неметаллическими включениями. Оценку загрязненности стали неметаллическими
включениями проводили по ГОСТ 1778-80 (метод Ш). Металл трубы из стали 17Г1С-У
был более загрязнен сульфидными (1,5 балл) и оксидными (2,5 балл)
неметаллическими включениями по сравнению со сталью К60 (0,5 балл и 1,5
соответственно).
К60 17Г1С-У
Рисунок 3 - Структура металла труб
Труба из стали 17Г1С-У обладает
феррито-перлитной структурой с 9-10 номером зерна и 2 баллом по полосчатости по
всей толщине стенки. Микроструктура металла К60 феррито-бейнитная с более
мелким зерном (10-11 номер) и более однородная - 0 балл полосчатости у
поверхности и 2 балл в средней части по сечению стенки.
Свойства металла труб приведены в таблице 2.
Металл труб соответствует требованиям технических условий.
Таблица 1 - Химический состав исследованного
металла
|
Сталь
|
C
|
Mn
|
Si
|
P
|
S
|
Cr
|
Ni
|
Cu
|
Al
|
N
|
Ti
|
V
|
Mo
|
Ca
|
|
К60
|
0,08
|
1,65
|
0,23
|
0,008
|
0,002
|
0,07
|
0,06
|
0,09
|
0,037
|
0,007
|
-
|
-
|
-
|
-
|
-
|
|
17Г1С-У
|
0,17
|
1,27
|
0,42
|
0,012
|
0,011
|
0,13
|
0,03
|
0,15
|
0,01
|
0,005
|
0,027
|
0,05
|
0,06
|
0,005
|
0,002
|
Таблица 2 - Механические свойства основного
металла труб
|
Сталь
|
Место
вырезки образцов
|
Данные
|
σт, МПа
|
σв, МПа
|
σт/σв
|
δ,
%
|
δр, %
|
Ѱ, %
|
|
К60
|
«3
часа»
|
ТУ
1381-004-00186654-2009
|
480-588
|
590-698
|
≤0,90
|
≥20
|
≥7,2
|
≥64
|
|
|
сертификат
|
550
|
645
|
0,85
|
22
|
8,6
|
77
|
|
|
ЦНИИТМАШ
|
569
|
641
|
0,89
|
17,8
|
7,5
|
79
|
|
«6
часов»
|
ЦНИИТМАШ
|
513
|
0,83
|
25
|
нет
данных
|
81
|
|
17Г1С-У
|
«3
часа»
|
ТУ
1698-2000
|
≥360
|
510-630
|
н/н*
|
≥20
|
н/н
|
н/н
|
|
|
сертификат
|
410
|
540
|
0,76
|
26
|
н/н
|
н/н
|
|
|
ЦНИИТМАШ
|
404
|
591
|
0,68
|
23
|
10,9
|
75
|
|
«6
часов»
|
ЦНИИТМАШ
|
417
|
610
|
0,68
|
19
|
нет
данных
|
74
|
* - не нормируется
. Методика проведения испытаний на стойкость к
коррозии под напряжением в сероводородсодержащей среде
Испытания проводились в соответствии с
нормативным документом для проектирования, строительства и эксплуатации
объектов ОАО «Газпром» СТО Газпром 2-5.1-148-2007 «Методы испытания сталей и
сварных соединений на коррозионное растрескивание под напряжением» и стандартом
NACE TM 0177-05
«Лабораторные испытания металлов на сопротивление сульфидному растрескиванию
под напряжением и коррозионному растрескиванию под напряжением в H2S». Сущность
данных методов заключается в оценке стойкости сталей к КРН в условиях,
моделирующих характерное для трубопроводов напряженное состояние.
Оценку стойкости сталей к КРН в
сероводородсодержащей среде проводили на цилиндрических образцах (см. рис. 4),
используемых для испытаний на одноосное растяжение, вырезанных в тангенциальном
направлении из основного металла (на «3 часа» относительно диаметра трубы) и
металла вблизи сварного шва (на «6 часов») из сталей 17Г1С-У и К60. Механическую
обработку образцов проводили на режимах, исключающих перегрев и наклеп в
рабочей области.
Образцы маркировали электрографическим способом
вне рабочей части, обезжиривали спиртом, промывали этиловым спиртом.
Рисунок 4 - Схема образца для испытаний на
склонность металла к коррозионному растрескиванию под напряжением
Сущность испытаний заключается в выдержке
стандартных образцов в коррозионной среде под постоянной нагрузкой, регистрации
момента разрушения образцов или появления КРН и определении стойкости металла к
растрескиванию на основе сопоставления времени до разрушения, механических
свойств и характера разрушения исследуемого металла в коррозионной среде и на
воздухе. Сравнение стойкости металла к коррозионному разрушению проводили на
основе сопоставления времени до разрушения при соответствующих нагрузках,
механических свойств и величине порогового напряжения, определенного следующим
образом:
,
где σисп -
напряжение при испытании образца,
σ0,2 факт - фактический предел
текучести стали.
Для испытания образцов на КРН при постоянной
нагрузке использовали испытательную машину ИМ-4Р, обеспечивающую поддержание
постоянной нагрузки на образцы с точностью ±1,5 %. Разрывная машина была
установлена в боксе, оборудованном вытяжной системой.
Первая серия испытаний проводилась в ОАО НПО
«ЦНИИТМАШ» при нагрузке, рассчитанной как доля от предела текучести и
составляющей 0,9s0,2, вторая серия выполненных по
аналогичной методике испытаний - на ОАО «ЧТПЗ» при нагрузках 0,85; 0,80; 0,75;
0,70s0,2.
Перед испытаниями образец помещался в ячейку из
оргстекла, химически нейтрального по отношению к испытательной среде. Объем
коррозионной ячейки обеспечивал удельный объем коррозионной среды больше 30 см3
на 1 см2 неизолированной рабочей поверхности образца. При испытаниях
обеспечивалась герметичность ячейки и организовался подвод к ячейке инертного
газа и коррозионной среды. Захваты образцов выводили за пределы ячейки и
изолировали от воздействия коррозионной среды.
В качестве коррозионной среды использовали
водный раствор состава 0,5%СН3СООН + 5% NaCl + Н2S, рН среды 3,5-3,8. Перед
проведением испытаний уточняли механические свойства металла (см. табл. 2).
Перед испытаниями осуществляли продувку азотом коррозионные камеры в течение
5-10 мин, включая систему подачи раствора и сероводорода, для удаления из них
кислорода. При испытаниях ячейку заполняли коррозионной средой и прилагали к
образцу заданную нагрузку. После заполнения раствором камеры продували азотом в
течение часа не менее 100 см3/мин на 1 л раствора для удаления из раствора
кислорода. Затем через раствор пропускали сероводород с расходом в течение
первого часа испытаний не менее 200 см3/мин на 1 л раствора, а в течение
остального времени испытаний - не менее 10 см3/мин на 1 л раствора. Испытания
проводили при комнатной температуре (+25 оС).
По результатам испытаний строили кривые
зависимости времени до разрушения образцов металла из сталей К60 и 17Г1С-У от
приложенной нагрузки.
Для оценки изменения механических характеристик
образцов материалов, выдержавших базовое время испытаний на КРН, осуществляли
их испытания на растяжение согласно ГОСТ 1497. Время от извлечения образца из
коррозионной среды до испытания на воздухе не превышало 2 мин.
. Результаты испытаний
Полученные в работе результаты, включая
результаты исследований, выполненных на ОАО «ЧТПЗ», приведены в таблице 3 и
представлены в виде зависимостей s/s0,2
- t
(час) на рисунке 5а,б.
Таблица 3 - Результаты испытаний металла на
стойкость к КРН
|
Марка,
индекс стали
|
Зона
вырезки образцов из труб
|
Место
проведения испытаний
|
Нагрузка
при одноосном нагружении растяжением, s/s0,2
|
Время
до разрушения или время испытания, ч
|
|
17Г1С-У
|
Вдали
от шва («3 часа»)
|
ЦНИИТМАШ
|
0,90
|
168
|
|
|
ЧТПЗ
|
0,75
|
720
н.р. *)
|
|
|
ЧТПЗ
|
0,70
|
|
Вблизи
от шва («6 часов»)
|
ЦНИИТМАШ
|
0,90
|
100
|
|
|
ЧТПЗ
|
0,85
|
106
|
|
К60
|
Вдали
от шва («3 часа»)
|
ЦНИИТМАШ
|
0,90
|
450
|
|
|
ЧТПЗ
|
0,90
|
550
|
|
|
ЧТПЗ
|
0,80
|
720
н.р.
|
|
Вблизи
от шва («6 часов»)
|
ЧТПЗ
|
0,90
|
715
|
|
|
ЧТПЗ
|
0,90
|
720
|
|
|
ЦНИИТМАШ
|
0,90
|
720
|
*) - н.р. образец не разрушился
а
б
Рисунок 5 - Зависимость времени до разрушения от
нагрузки:
а) сталь К60, б) 17Г1С-У
Результаты испытаний механических свойств (σт,
σв,
δ,
ψ)
образцов, не разорвавшихся после 720 часов (см. табл. 3), в данном отчете не
приводятся в связи с большим разбросом данных и малым количеством образцов,
недостаточным для интерпретации полученных данных.
Полученные результаты определения стойкости
сталей К60 и 17Г1С-У к КРН подтверждаются проведенными ранее в ООО «ВНИИГАЗ»
аналогичными испытаниями (см. рис. 6). Объектом испытаний являлись образцы от
двух труб: электросварная прямошовная труба диаметром 1020 мм с толщиной стенки
12 мм производства ОАО «Выксунский металлургический завод» из стали 06ГФБАА и
труба отечественного производства из стали 17Г1С. Химический состав и
механические свойства металла данных труб приведены в таблицах 4 и 5.
Таблица 4 - Химический состав исследованного
металла
|
Сталь
|
C
|
Mn
|
Si
|
P
|
S
|
Cr
|
Ni
|
Cu
|
Al
|
N
|
Ti
|
V
|
Nb
|
|
06ГФБАА
|
0,05
|
1,35
|
0,24
|
0,005
|
0,002
|
0,06
|
0,02
|
0,03
|
0,02
|
0,007
|
0,02
|
0,06
|
0,04
|
|
17Г1С
|
0,15
|
1,31
|
0,51
|
0,020
|
0,021
|
0,07
|
0,11
|
0,01
|
0,006
|
0,02
|
н/д*
|
н/д
|
* н/д - нет данных
Таблица 5 - Загрязненность неметаллическими
включениями, структура и механические свойства основного металла труб
|
Сталь
|
Оксиды,
макс. балл
|
Сульфиды,
макс. балл
|
Полосчатость,
балл
|
σт, МПа
|
σв, МПа
|
σт/σв
|
δ,
%
|
Ѱ,
%
|
|
06ГФБАА
|
1,5
|
0
|
1,5
|
536
|
598
|
0,90
|
22,5
|
70
|
|
17Г1С
|
3
|
2
|
2,5
|
418
|
590
|
0,70
|
21
|
74
|
Рисунок 6 - Зависимость времени до разрушения
металла от нагрузки для сталей, испытанных в ОАО «ВНИИГАЗ»
По качеству металла, составу и свойствам сталь
К60 аналогична 06ГФБАА, а 17Г1С близка по характеристикам стали 17Г1С-У.
Результаты испытаний металла на стойкость к КРН в ОАО «ВНИИГАЗ» подтверждают
полученные в проводимой работе данные. Пороговое напряжение сталей разного
качества 06ГФБАА и 17Г1С значимо отличаются и составляют соответственно 0,85 и
0,65 от предела текучести.
Анализ полученных в работе результатов позволяет
констатировать:
время до разрушения образцов стали К60,
вырезанных из зоны близлежащей к сварному шву трубы и вдали от сварного шва
практически одинаково, т.е. при высоких нагрузках (0,9s0,2)
стойкость металла трубы одинакова, не прослеживается влияния термического цикла
сварки на эту характеристику;
результаты испытаний, полученных в лабораториях
ОАО НПО «ЦНИИТМАШ» и ОАО «ЧТПЗ» вполне адекватны;
по величине стойкости против КРН сталь К60 имеет
преимущества перед сталью 17Г1С-У, особенно при высоких уровнях нагружения (0,9÷0,85s0,2).
При этих нагрузках разрушение стали 17Г1С-У происходит при длительности
испытаний 100 - 168 часов, а сталь К60 разрушается при времени, приближающемуся
к 720 часам;
полученные результаты позволяют предположить,
что условный предел длительной коррозионной прочности металла труб из стали с
индексом К60 может превышать 0,8s0,2;
сравнение полученных зависимостей долговечности
от величины приложенных напряжений при испытании сталей 06ГФБАА (прототип стали
К60) и 17Г1С, проведенных ранее во ВНИИГАЗ (рис. 7) с приведенными выше
результатами подтверждают более высокую стойкость к КРН стали 06ГФБАА, по
сравнению со сталью 17Г1С, при весьма близких значениях времени до разрушения
(условный предел длительной коррозионной прочности s720
составляет 0,85s0,2 и 0,6s0,2
для сталей 06ГФБАА и 17Г1С соответственно).
Внешний вид разрушенных образцов,
фрактографическая картина места разрушения, наличие вторичных кольцевых трещин
в зоне разрушения, свойственных для процессов коррозионного растрескивания под
напряжением, подтверждают хрупкий характер разрушения при длительной выдержке в
среде высоконагруженных образцов (0,9 - 0,85s0,2) (испытания на
длительную прочность) (рис. 7).
При этом не прослеживается существенных различий
в описанных признаках, как для марок сталей, так и для металла, вырезанного из
различных мест сварной трубы, т.е. влияния термического цикла сварки.
Дополнительным аргументом высокой стойкости к
КРН стали К60 по сравнению со сталью 17Г1С-У являются результаты факультативно
выполненных испытаний.
Суть испытаний заключается в оценке пластических
свойств после растяжения цилиндрических образцов, подвергнутых предварительной
выдержке в ненагруженном состоянии в растворе состава NACE
TM 0177 в течение 96
часов (регламентировано методом HIC).
а б в
г
Рисунок 7 - Внешний вид образцов после испытаний
на КРН по методике NACE
TM 0177:
а, б - сталь К60; в, г - сталь 17Г1С-У,
а, в - зона вырезки («6 часов»); б, г - зона
вырезки («3 часа»).
Разрыв образцов стали К60 носит хрупко-вязкий
характер с образованием шейки (см. рис. 8).
Относительное сужение стали К60 снижается от
77-81% при разрыве на воздухе до 65% при кратковременном разрыве после выдержки
96 часов в насыщенном растворе H2S,
а стали 17Г1С-У - от 70-75% до 25-35%, и может являться одним из дополнительных
критериев оценки стойкости к хрупкому разрушению.
Характер трещин при металлографическом
исследовании шлифов позволяет отметить: при испытаниях во всех случаях имеет
место многоочаговое зарождение трещин, направленных перпендикулярно
растягивающим напряжениям. Однако, даже при высоких растягивающих напряжениях (s
= 0,9s0,2)
в образцах стали К60, разрушение которых происходит в интервале 290 - 700 часов
(для металла, вырезанного из различных зон двухшовной трубы), прослеживается
существенное влияние воздействия коррозионной среды: развитие трещин протекает
с интенсивным анодным растворением берегов, стадия которого сопоставима со
стадией хрупкого подрастания, хотя окончание трещин носит менее раскрытый
характер (см. рис. 9 а).
Металлографическая картина характера трещин в
образцах стали 17Г1С-У отлична от стали К60. В этих образцах трещины более
ветвистые и имеют, во-первых, более глубокое распространение, во-вторых, тонкие
окончания (рис. 10).
а б в
Рисунок 8 - Внешний вид образцов после
кратковременного разрыва образцов, предварительно выдержанных в среде NACE
в течение 96 часов:
а - сталь К60 (вырезка образцов из трубы вблизи
зоны шва («6 часов»)),
б - сталь К60 (вырезка образцов из трубы вдали
от зоны шва («3 часа»)),
в - сталь 17Г1С-У (вырезка образцов из трубы в
зоне, близлежащей к сварному шву).
а
б
Рисунок 9 - Характер разрушения образцов стали
К60 при испытании на склонность к КРН методом NACE
TM 01-77 при s
= 0,9s0,2:
а) металл из зоны трубы вблизи сварного шва, t
= 700 часов,
б) металл из зоны трубы вдали сварного шва, t
= 290 часов


б
Рисунок 10 - Трещины в образцах стали 17Г1С-У
при испытании на склонность к КРН по методу NACE
TM 0177 при σ=0,9σ0,2
а) металл из зоны трубы вдали сварного шва, τ
= 168 часов;
б) металл из зоны трубы вблизи сварного шва, τ
= 100 часов
Заключение
Проведены сравнительные испытания на стойкость
против КРН металла труб из стали К60 Ø1220мм
производства завода ОАО «Уральская сталь» и из стали 17Г1С-У по методу,
регламентированному стандартом NACE
TM 0177, СТО Газпром
2-5.1-148-2007 при заданном напряжении в образцах.
Установлено, что сталь К60, чистая по
неметаллическим включениям (не более 2 балла), с однородной структурой
(полосчатость структуры не более 2 балла), низким уровнем содержания углерода
(не более 0,08%), микролегированная ниобием и ванадием, имеет более высокий
иммунитет против КРН по сравнению со сталью 17Г1С-У с более высоким уровнем
содержания углерода, неметаллических включений, более неоднородной структурой.
Разрушение при нагрузке 0,9σт
образцов стали К60 проходило в интервале 450-720 часов, для стали 17Г1С-У -
100-168 часов.
Результаты исследований, проводимые по
аналогичной методике в ОАО «ЧТПЗ», весьма близки к полученным в ЦНИИТМАШ, что
позволило построить кривые длительной коррозионной прочности для исследованных
сталей.
Для стали К60 и 17Г1С-У время до разрушения
испытанных образцов, вырезанных на «6 часов» и на «3 часа» относительно
диаметра трубы, отличаются незначительно, что может быть обусловлено
оптимизацией процессов формообразования и обеспечением равномерной деформации
по сечению трубы.
Высокая стойкость против КРН подтверждается
факультативно выполненными исследованиями по результатам внешней склонности
пластического одноосного сужения (ψ) после
96-часов выдержки в среде состава NACE
и характеру разрушения.
Анализ характера разрушения и металлографические
исследования разрушенных образцов подтверждает хрупкий характер процесса
растрескивания.
Многочасовой процесс испытаний соответствует
процессам коррозионного растрескивания под напряжением.
Отличительной особенностью кольцевых вторичных
трещин в зоне разрушения образцов сталей К60 и 17Г1С-У является то, что в
первом случае они имели при высоком уровне напряжений более закругленный
характер и, по-видимому, в большей степени определены анодным растворением а
области расположения трещин.
Для получения корректного значения условного
предела длительной коррозионной прочности стали К60 следует провести
дополнительные опыты.
Полученные в данной работе результаты подтверждаются
проведенными ранее в ООО «ВНИИГАЗ» сравнительными испытаниями на
стресс-коррозию сталей 06ГФБАА (ее аналог - сталь К60) и 17Г1С (ее аналог -
17Г1С-У).
труба
металл коррозионный растрескивание напряжение
Список литературы
1. Носоченко А.О., Багмет О.А.,
Бусько Т.П. Толстолистовая ниобийсодержащая трубная сталь типа 03Г1Б,
предназначенная для транспортировки сероводородсодержащего газа // Тезисы
докладов VIII-ой Региональной научно-технической конференции, г. Мариуполь,
2001 г., Том 3, С. 62-64.
2. Матросов Ю.И., Колясникова
Н.В., Носоченко А.О., Ганошенко И.В. Влияние углерода и центральной
сегрегационной неоднородности на H2S-стойкость непрерывнолитых трубных сталей
// Сталь. 2002. 11. С. 71-74.
3. Hof W.M., Graf M.K.,
Hillenbrand H.G., Hoh B. and Peters P.A., HSLA Steels Metallurgy and
Applications, ASM international, 1986. P. 467- 474.
4. Свердлик Ю.М., Репин Д.Г.,
Спиридович Е.А. Опыт ОАО «Гипрогазцентр» в области прогнозирования сроков
безопасной эксплуатации объектов транспорта газа на стадии проектирования //
Прикладная механика и технологии машиностроения / Сборник научных трудов №2
(11), г.Н. Новгород, 2007. С.73-90.
5. Лисин В.Н., Репин Д.Г.,
Свердлик Ю.М., Спиридович Е.А. Методологические подходы к определению влияния
технологии производства труб на проявление коррозионного растрескивания под
напряжением / Материалы конференции, посвященной 45-летию СеверНИПИгаза. Ухта:
СеверНИПИгаз, 2006. С. 202-211.
. Репин Д.Г., Лисин В.Н.,
Спиридович Е.А., Никитина Н.Е. Влияние технологии изготовления труб большого
диаметра на возможность их КРН / Газовая промышленность. 2008, № 3. С.66-69.