Устройство ввода аналоговой информации в ПК

  • Вид работы:
    Курсовая работа (т)
  • Предмет:
    Информационное обеспечение, программирование
  • Язык:
    Русский
    ,
    Формат файла:
    MS Word
    1,59 Мб
  • Опубликовано:
    2012-12-17
Вы можете узнать стоимость помощи в написании студенческой работы.
Помощь в написании работы, которую точно примут!

Устройство ввода аналоговой информации в ПК

ОГЛАВЛЕНИЕ

ВВЕДЕНИЕ

1. ОБЗОР ПРЕДМЕТНОЙ ОБЛАСТИ

2. СТРУКТУРА УСТРОЙСТВА

3. ФУНКЦИОНИРОВАНИЕ УСТРОЙСТВА

1   Функционирование в режиме сохранения информации

2   Функционирование в режиме чтения информации на ПК

4. АЛГОРИТМ РАБОТЫ ПРОГРАММЫ ЧТЕНИЯ ДАННЫХ В ПК

1   Назначение контактов разъема DB25

2   Алгоритм чтения из ОЗУ устройства

5. РАСЧЕТЫ ПАРАМЕТРОВ УСТРОЙСТВА

1   Расчет погрешности вычислений

2   Расчет электрических параметров схемы

ЗАКЛЮЧЕНИЕ

ПРИЛОЖЕНИЕ 1. ПРИНЦИПИАЛЬНАЯ СХЕМА УСТРОЙСТВА

ПРИЛОЖЕНИЕ 2. ПЕРЕЧЕНЬ ЭЛЕМЕНТОВ

ПРИЛОЖЕНИЕ 3. ЭЛЕМЕНТНАЯ БАЗА

1. Аналого-цифровой преобразователь

2. Счетчики

3. Микросхема памяти

4. Шинный усилитель

5. Логические элементы

6. Триггеры

7. Стабилизатор напряжения питания

8. Инвертор напряжения питания

БИБЛИОГРАФИЧЕСКИЙ СПИСОК

ВВЕДЕНИЕ

Любой IBM-совместимый персональный компьютер (ПК) может превратиться в мощный измерительный комплекс, если его снабдить одним или несколькими аналоговыми входами. Его клавиатура и экран предоставляют существенно большие возможности по сравнению с теми, которые могут дать мультиметр или осциллограф. Кроме того, вычислительная мощность ПК позволяет подвергать собранные с его помощью информационные данные любой, даже очень сложной обработке. Еще несколько лет назад для превращения ПК в виртуальный измерительный прибор требовалось установить в компьютер одну или несколько сложных и дорогостоящих плат.

Такой подход до сих пор используется в промышленности и научных лабораториях, но сегодня также можно добиться достойных результатов, просто подключив небольшие аналого-цифровые преобразователи к стандартным последовательным или параллельным портам. На рынке есть готовые изделия, предлагаемые по приемлемой цене, но подобные устройства можно собрать и самостоятельно.

В данной работе разработано такое устройство, переводящее аналоговый сигнал (напряжение) в двоичный код. Диапазон значений напряжения от 0 до 100 мВ. Ввод информации в компьютер осуществляется через LPT порт. Информация предварительно сохраняется в памяти устройства.

1.      
ОБЗОР ПРЕДМЕТНОЙ ОБЛАСТИ

На настоящее время существует достаточно большое количество модификаций подобных устройств. Они построены на последовательных или параллельных АЦП различной разрядности (8, 10, 12, 16, 24). Большая часть подобных устройств измеряет напряжение в диапазоне 0-5В. Зачастую устройства на основе последовательных АЦП подключают к последовательному порту ПК, а на основе параллельных - к параллельному. Продаются приборы промышленного изготовления, а также наборы для самостоятельной сборки. Также предлагаются драйвера для этих устройств и программы для обработки полученных данных. Примерами производителей такого оборудования могут служить компании PICO Technology, MAXIM.

Однако большинство устройств подобного типа передают информацию непосредственно на компьютер, предварительно не сохраняя в памяти. Однако на практике часто невозможно сразу же предать информацию на компьютер. Поэтому устройство с запоминанием информации может оказаться очень полезным. Также его достоинством можно считать измерение довольно маленьких величин напряжения.

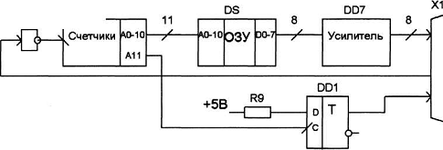
2. СТРУКТУРА УСТРОЙСТВА

На рис. 2.1 показана структурная схема разрабатываемого устройства.

Рис. 2.1. Структурная схема устройства

Устройство состоит из:

1. АЦП, осуществляющего перевод аналогового сигнала в двоичный код;

2. ОЗУ, в которое записывается код;

3. счетчика, который содержит адрес записи (чтения);

4. генератора тактовых импульсов (ГТИ) для работы в режиме записи;

5. управляющего устройства (УУ), осуществляющего управление всеми остальными элементами схемы;                

6. усилителя сигнала, необходимого для обеспечения необходимого уровня сигнала для связи с LPT портом.

Также в него входят источник питания, триггер, сигнализирующий о переполнении памяти, и др. элементы.

Устройство может работать в двух режимах: записи информации в память и считывания ее в компьютер.

3. ФУНКЦИОНИРОВАНИЕ УСТРОЙСТВА

.1 Функционирование в режиме сохранения информации

В этот режим устройство переходит в одном из трех случаев:

1. При включении питания при положении ключа в левом положении (при этом счетчик обнуляется);

2. при переводе ключа из правого в левое положение (счетчик не меняет своего значения);

3. при подаче сигнала INITIALIZE низким уровнем с компьютера на шестнадцатый контакт разъема DB25.

В этом режиме устройство получает тактовую частоту от генератора тактовых импульсов, настроенного на 1 Гц.

Запись в память идет по низкому уровню сигнала генератора при установлении низкого уровня сигнала STATUS (сигнал окончания процесса преобразования в АЦП, устанавливается не позднее чем через 133 мс после получения сигнала HOLD на входе АЦП). При этом на вход WRIRD микросхемы ОЗУ подается низкий уровень сигнала, переводящий ее в режим записи (это происходит через ид=13+9,5=22,5 не после установления низкого уровня сигнала STATUS, что обусловлено задержкой на двух логических элементах).

При появлении на выходе генератора высокого уровня сигнала микросхема ОЗУ через t3a =22,5 не переходит в режим третьего состояния выходов, а АЦП начинает преобразования, поднимая сигнал STATUS до высокого уровня. За 1 с производится 7,5 преобразований. Данные о них в ОЗУ не записываются. Затем на выходе генератора появляется низкий уровень сигнала, и цикл повторяется.

Рис. 3.1. Временная диаграмма работы устройства в режиме сохранения информации.

Рис. 3.2. Функциональная схема устройства в режиме сохранения информации

3.2 Функционирование в режиме чтения информации на ПК

В этот режим устройство переходит в двух случаях:

1. по переключению переключателя в правое положение;

2. по импульсу низкого уровня с компьютера на семнадцатом контакте разъема DB25. В этом режиме по переднему фронту сигнала STROBE происходит изменение значений счетчика (13д.р.ср=2х9,5нс+Зх100нс=319нс). После этого данные из ОЗУ (через 220 не, требуемых для выборки адреса) через шинный усилитель К555АП6 (с задержкой 9,5 нс) поступают на вход параллельного порта. Общее время задержки 13д.полн=548,5 нс. Чтобы получить следующий бит данных, нужно снова подать импульс STROBE. Функциональная схема устройства в режиме записи информации на ПК приведена на рис. 3.3.

Рис. 3.3. Функциональная схема устройства в режиме записи информации на ПК

4. АЛГОРИТМ РАБОТЫ ПРОГРАММЫ ЧТЕНИЯ ДАННЫХ В ПК

.1 Назначение контактов разъема DB25

Со стороны персонального компьютера устройство подключено к порту LPT через разъем DB25. Для связи с устройством используются следующие контакты:

1  - STROBE - сигнал «строб», по его переднему фронту счетчик,          подключенный   к     ОЗУ, увеличивает свое значение на 1.

2  - 9 - биты данных; 2 - младший бит, 9 - старший. Со стороны    устройства в   режиме    чтения на них постоянно подается информация из ОЗУ (очередной байт данных).

- INITIALIZE - установка низким уровнем сигнала параметров «по умолчанию», при этом сбрасывается значение счетчиков, переводится в 0 значение флага OVERFLOW, сигнализирующего о переполнении счетчика, и при положении переключателя в левом положении (разрешение съема информации с АЦП) начинает работать генератор импульсов, и начинается процесс считывания информации с АЦП и записи ее в ОЗУ.

- SLCT - переход в режим чтения (по низкому уровню сигнала). Если до подачи этого сигнала устройство производило измерения, то оно останавливается и переходит в режим чтения из ОЗУ. Если оно уже находилось в режиме чтения (при правом положении ключа), то ничего не происходит.

.2 Алгоритм чтения из ОЗУ устройства

После включения режима чтения из ОЗУ (переключателем или сигналом SLCT) программа обработки данных должна действовать по следующему алгоритму:

1. Задать счетчик данных D=0.

2. Проверить сигнал OVERFLOW на входе 12 (переполнение счетчиков).Если       он          равен 0, то перейти к пункту 3, иначе перейти к пункту 4.

3. Подать сигнал STROBE. Положить D=D+1. Если D ==2048, перейти к пункту 2 иначе перейти к пункту

4. Считать байт данных. Положить D=D+1. Если D ==2048, подать сигнал STROBE. Перейти к пункту 4.

5. Конец.

“==”- не равно

В результате получаем D значений сигнала.

Формула для вычисления поданного на устройство напряжения приведена ниже.

COUNT ..

U =- х VRFF, где 2048

COUNT - полученное с АЦП число;

Vref - опорное напряжение, оно равно 2,2±0,1 В.

5. РАСЧЕТЫ ПАРАМЕТРОВ УСТРОЙСТВА

.1 Расчет погрешности вычислений

Формула для вычисления поданного на устройство напряжения следующая:

COUNT - полученное с АЦП число;

Vref - опорное напряжение, согласно документации производителя АЦП, оно равно          2,2±0,1 В.

Шаг квантования АЦП в данном случае равен

Vref /2048=2,2±0,1 В/2048=(1,074±0,049)x100-3B,

что даёт относительную погрешность вычислений

(0,049/1,074)х100%~4,56%

5.2 Расчет электрических параметров схемы

В случаях, когда на входе элемента ТТЛ или МмТТЛШ (маломощных ТТЛШ) должно          подаваться постоянное высокое напряжение, эти входы подключались через резисторысопротивлением 1 кОм.

Каждый выход микросхемы МмТТЛШ присоединен не более чем к 4 входам микросхем ТТЛ или МмТТЛШ (при этом обеспечивается достаточная величина тока на всех входах микросхем).

Конденсаторы в генераторе тактовых импульсов выбраны емкостью 50 цФ, при таком значении генератор работает на частоте 1 Гц. 

Параметры остальных резисторов и конденсаторов выбирались в соответствии со          справочниками.

Расчет потребляемой мощности:

Р = 0,002Aх 5В х 2 + 2 х 0,002Bm + 4 х 0,002Вт + 3 х 0,002мА х 5В + 0,00002А х 5В + 0,09А х 5В + 0,37Вт + 0,015Ах5ВхЗ + 0,00017А х 5В + 0,04А х 5В = 1,30795Вт

Мощность источника напряжения питания: Рпит=5ВхЗА =15Вт

Из этого можно сделать вывод, что мощности источника напряжения питания хватит для обеспечения данного устройства.

ЗАКЛЮЧЕНИЕ

В результате проведенной работы было спроектировано устройство ввода аналоговой информации (напряжения в диапазоне 0-100 мВ) в персональный компьютер через LPT-порт с предварительным сохранением информации в памяти устройства.

Был разработан алгоритм взаимодействия устройства с персональным компьютером и записи данных в компьютер.

Также была организована обратная связь между устройством и компьютером, которая позволяет устройству работать в автоматическом режиме, подчиняясь командам компьютерной программы.

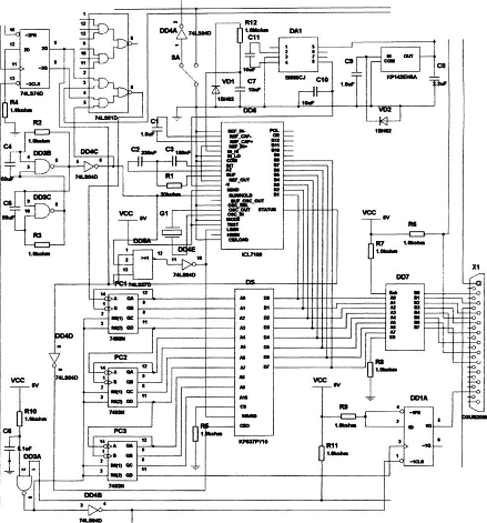
ПРИЛОЖЕНИЕ 1

ПРИНЦИПИАЛЬНАЯ СХЕМА УСТРОЙСТВА


ПРИЛОЖЕНИЕ 2

ПЕРЕЧЕНЬ ЭЛЕМЕНТОВ

Позиционное обозначение

Наименование

Кол.

Прим.


Микросхемы



DD1

К155ТМ2

1


DD2

К555ЛР11

1


DD3

К555ЛАЗ

1


DD4

К555ЛН1

1


DD5

К155ЛЕ4

1


DD6

ICL7109

1


DD7

К555АП6

1


DS

1


РС1...РСЗ

К155ИЕ5

3



Резисторы



R1

20кОм

1


R2...R10

1к0м

9


R11

1М0м

1



Конденсаторы



С1

1 мкФ

1


С2

330 нФ

1


СЗ

150 нФ

1


С4,С5

50мкФ

2


С6

5,1 мкФ

1


С7

10 нФ

1


С8

2,2 мкФ

1


С9

1 мкФ

1


СЮ, СП

ЮмкФ

2



Диоды



VD1, VD2

1ВН62

2



Источники напряжения питания



DA1

SI660CJ

1


DA2

КР142ЕН5А

1



Кварцевые осцилляторы



G1

Кварц на 3,5795 МГц

1



Ключи



SA

Двухконтактный переключатель

1



Разъемы



XI

DB25

1














 

Изм.


№ докум.

Подпись

Дата

ПРИЛОЖЕНИЕ 3

ЭЛЕМЕНТНАЯ БАЗА

. Аналого-цифровой преобразователь

Базовым элементом устройства измерения напряжения является аналого-цифровой преобразователь. Для решения нашей задачи был выбран двенадцатиразрядный АЦП ICL7109. Его достоинство в том, что он может измерять напряжения в мВ, тогда как другие АЦП при измерении таких напряжений имеют большой шаг квантования. Цоколевка микросхемы представлена на рис. 1.

GND 1


40 V+

STATUS 2


39 REF IN -

POL З


38 REFCAP-

or 4


37 REF CAP+

B12 5


36 REFIN+

B11 6


35 IN HI

bio 7


34 INLO

B9 8


33 COMMON

B8 9


32INT

B7 lO


31 AZ

Вб 11


30 buf

B5 12 В4 13


29 REF OUT 28 V-

ВЗ 14


27 SEND

B2 15

26 RUN/HOLD

В1 16

25BUFOSCOUT

TEST 17

24OSC SEL

 LBEN 18

23 osc OUT

HBEN 19

22 OSC IN

CE/LOAD 20

21 MODE

Рис. 1. Цоколевка микросхемы ICL7109.

 

Таблица 1. Назначение некоторых выводов микросхемы ICL7109

№ вывода

Название

Назначение

1

GND

Общий

2

status

Высокий уровень сигнализирует о прохождении процесса вычислений. Низкий - о завершении вычислений.

5-16

В12-В1

Биты данных

18

LBEN

Низкий уровень сигнала открывает выходы В1-В7, а при высоком они имеют высокое сопротивление.

26

RUN /HOLD

Высокий уровень - преобразования обуществляются непрерывно. Низкий - преобразование производится только один раз.

28

-V

Питание -5 В

35

IN HI

Входной сигнал

36,39

Входы, определяющие опорное напряжение

40

V+

Питание +5 В


В соответствии с типовым включением, в схеме сделано следующее:

·   между контактами 22 (OSC IN) и 23 (OSC OUT) находится кварц на 3,5795 МГц,

·   соединены контакты 29 (REF OUT) и 36 (REF IN+),

·   между контактами 37 (REF CAP+) и 38 (REF CAP-) находится конденсатор          емкостью 1 мкФ,

· поданы на землю выходы 1 (GND), 20 (СЕ I LOAD), 21 (MODE), 24 (OSC  SEL), 33          (COM), 34 (IN LO),

· подано +5 В на выводы 27 (SEND), 40 (V+), 17 (TEST),

· между выводами 30 (BUF), 31 (AZ), 32 (INT) находятся резистор и два конденсатора, согласно принципиальной схеме.

Формула для вычисления числа, формируемого на выходах АЦП, представлена ниже.

COUNT = 2048x Vin/Vref (1.1)

Согласно документации производителя, на выходе REF OUT формируется уровень напряжения Vref = (V+)-2,8 = 5±0,1-2,8 = 2,2±0,1 В (0,1 В - погрешность источника напряжения +5 В).

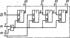
2. Счетчики

В устройстве использовано три четырехразрядных асинхронных счетчика К155ИЕ5.

Счетчик ИЕ5 имеет две части: делитель на 2 (выход Q0; тактовый вход СО) и делитель на восемь (выходы Ql - Q3; тактовый вход С\).

Так как микросхема К155ИЕ5 применяется как счетчик-делитель на 16, то необходимо соединить выводы 1 и 12.

Потребляемый ток 1пот = 15 мА. Частота входного сигнала до 10 МГц (следовательно,          время задержки распространения сигнала Хш р. ср=100 не). Устройство микросхемы и ее цоколевка представлены на рис.2.

Рис. 2. Внутреннее устройство и цоколевка микросхемы К155ИЕ5.

. Микросхема памяти

В качестве ОЗУ в устройстве использована микросхема КР537РУ10, которая относится к статическим асинхронным ОЗУ и построена на основе КМОП-структур.

 

Таблица 2. Параметры микросхемы КР537РУ10

Информационная емкость

16384 бит

Организация

2048 слов 8 разрядов

Время выборки адреса

Не более 220 не

Напряжение питания

5 В ± 5%

Потребляемая мощность; в режиме обращения в режиме хранения: при Ucc=5,25 В при Ucc=2 В

370 мВт 5,25 мВт 0,6 мВт

Диапазон температур

-1О...+7О°С

Выход

Три состояния

Совместимость по входу и выходу

С ТТЛ- и КМОП-схемами

 

Таблица 3, Назначение выводов микросхемы КР537РУ10

Выводы

Назначение

Обозначение

1-8, 19, 22, 23

Адресные входы

Аз - Аю, Ао, Аь Аз

9-11,13-17

Входы-выходы даных

DIOo - DIO2, DIO3 - DIO7

18

Выбор микросхемы

CS

20

Разрешение по выходу

CEO

21

Сигнал записи-считывания

WR/RD

24

Напряжение питания

ucc

12

Общий

0B

 

Таблица 4. Таблица истинности микросхем КР537РУ10

 cs

WR/RD

A0-A10

DIO0-DIO7

Режим работы

Н

X

X

X

Roff

Хранение

L

X

L

A

L

Запись 0

L

X

L

A

H

Запись 1

L

L

H

A

Данные в прямом коде

Считывание

L

H

H

A

Roff

Запрет выхода


. Шинный усилитель

В качестве усилителя сигнала, направляемого на LPT порт персонального компьютера, используется микросхема К555АП6. Она содержит восемь двунаправленных шинных усилителей (ДНШУ) с тремя состояниями выходов, а также два входа разрешения: Едв    (переключение направления каналов) и ЕО (перевод канала в состояние Z). Микросхема потребляет ток 90 мА, когда на всех входах присутствует напряжение низкого уровня, и 95 мА, если выходы каналов переведены в разомкнутое состояние Z. Время задержки выключения в состояние Z составляет 30...40 не. Цоколевка микросхемы и ее внутреннее устройство представлены на рис. 1.4.

К553АП6

Рис. 4. Внутреннее устройство и цоколевка микросхемы К555АП6

Таблица 5. Состояния ДНШУ в микросхеме К555АП6

Вход

Выход

£0

Едв

А„

Bn

L

L

А-В

Вход

L

Н

Вход

В-А

Н

X

Z

Z


. Логические элементы

Кроме выше перечисленных, в устройстве используются следующие микросхемы: К555ЛР11 (иностранный аналог - 74LS51D), К555ЛАЗ (иностранный аналог - 74LS00D), К555ЛН1 (иностранный аналог - 74LS04D), К155ЛЕ4 (иностранный аналог - 74LS27D). Мощность, потребляемая одним элементом серии 555, составляет 2 мВт, при задержке распространения сигнала tзд.р.ср=9,5 не. Элемент серии 155 потребляет ток Iпот=1,5...2 мА при задержке распространения сигнала.

Их внутренне устройство и цоколевка представлены на рис. 5-7.

В4 А4 С3 В3 А3Q2

Рис. 5. К555ЛР11

Рис. 6. К555ЛАЗ

Рис. 7 К555ЛН1

6. Триггеры

Использована микросхема К155ТМ2 (иностранный аналог - 74LS74D).


Рис. 9. Микросхема К155ТМ2

. Стабилизатор напряжения питания

Использована микросхема КР142ЕН5А.

 

Таблица 6. Электрические параметры микросхемы КР142ЕН5А

Максимальное входное напряжение

15 В

Минимальное входное напряжение

7,5 В

Выходное напряжение

5 ± ОД В

Выходной ток

ЗА

8. Инвертор напряжения питания

Для получения напряжения -5 В для питания АЦП использована микросхема SI660CJ(Siliconix). Микросхема способна генерировать отрицательное напряжение, равное по модулю входному положительному в диапазоне 1,5 - 10 В. Потребляемый ток в режиме холостого хода равен 170 мкА, а максимальный выходной ток - 40 мА.

аналоговый информация компьютер память

БИБЛИОГРАФИЧЕСКИЙ СПИСОК

1.       Большие интегральные схемы запоминающих устройств: Справочник / А.Ю. Гордонов, Н.В. Бекин, В.В. Цыркин и др., Под ред. А.Ю. Гордонова и Ю.Н. Дьякова. - М: Радио и связь, 1990.- 288 с.

2. Шило В.Л. Популярные цифровые микросхемы: справочник. 2-еизд., исправленное. - М.: Радио и связь, 1989. - 352 с.

3. Сопряжение ПК с внешними устройствами / Пей Ан; Пер. с англ. Мерещука П.В. -      2-е изд., стер. - М.: ДМК Пресс; СПб.: Питер, 2004. - 320 с.

4. Микросхемы для бытовой радиоаппаратуры: Справочник И.В. Новаченко, В.М. Петухов, И.П. Блудов, А.В. Юровский. - М.: Радио и связь, 1989. - 384с.

Похожие работы на - Устройство ввода аналоговой информации в ПК

 

Не нашли материал для своей работы?
Поможем написать уникальную работу
Без плагиата!
Без нейросетей!