Разработка устройства обработки информации на базе ЦСП

  • Вид работы:
    Дипломная (ВКР)
  • Предмет:
    Информационное обеспечение, программирование
  • Язык:
    Русский
    ,
    Формат файла:
    MS Word
    716,63 Кб
  • Опубликовано:
    2012-05-19
Вы можете узнать стоимость помощи в написании студенческой работы.
Помощь в написании работы, которую точно примут!

Разработка устройства обработки информации на базе ЦСП

Содержание

Введение

1. Технико-экономическое обоснование

2. Выбор ЦСП и структурной схемы устройства

.1 Выбор структурной схемы устройства

2.2 Выбор Цифрового Сигнального Процессора и структурной схемы устройства обработки информации

3. Разработка функциональной схемы устройства

.1 Выбор радиального интерфейса

3.3 Выбор межмодульного интерфейса

3.4 Выбор ОЗУ

3.5Выбор ПЗУ

3.6 Функциональная схема модуля обработки информации

4. Расчет производительности обмена данных

. Описание принципиальной электрической схемы

. Расчет надежности устройства

. Разработка алгоритма программы обработки информации

.1 Алгоритм инициализации МОСа

7.2 Алгоритм обработки внешнего аппаратного прерывания контроллера ввода ПДП

7.3 Алгоритм обработки программного прерывания контроллера ввода ПДП

7.4 Алгоритм обработки программного прерывания сторожевым таймером WDT

7.5 Алгоритм вычислительной задачи

7.6 Вычислительная подпрограмма

8. Экспериментальная часть

9. Экономическая часть

.1 Разработка ленточного графика

9.2 Составление сметы затрат на разработку и расчет цены НИР

9.3 Выводы по эффективности проекта

10. Безопасность и экологичность проекта

.1 Опасные и вредные факторы в условиях ВЦ

10.2 Анализ условий труда оператора вычислительной техники с оценкой тяжести и напряженности труда

10.3 Рабочее время и время отдыха

10.4 Эргономичность рабочего места

10.5 Рекомендации по организации рабочего места оператора и размещению средств труда

10.6 Расчет освещенности помещения

10.7 Экологичность проекта

Заключение

Список используемых источников

Введение


В настоящее время широкое распространение находят Цифровые Сигнальные Процессоры (Digital Signal Processor). Это связано с тем, что в современном мире существует тенденция развития систем, которые обеспечивают высокоэффективную обработку цифровых и аналоговых сигналов. Необходимость появления специализированных процессоров для обработки сигналов (часто в реальном масштабе времени) была вызвана, с одной стороны недостаточной эффективностью традиционных микропроцессоров, а с другой стороны, их определённой избыточностью при решении достаточно узкого круга задач.[1]

Типичные области применения ЦСП - многоканальная цифровая телефония, базовые станции, устройства обработки изображений, а также задачи, требующие сочетания сверхвысокой производительности с высокой точностью вычислений - медицинские системы, радиолокация, управление приводами электродвигателями, трехмерная графика, научные расчеты.

Построение цифровых систем управления сложными техническими объектами и технологическими процессами требуют обработки в реальном масштабе времени больших потоков данных. В значительной степени возрастают требования к вычислительной производительности, скорости переключения задач, управлению потоками данных, пропускной способности интерфейса. Решение этих проблем может идти несколькими путями. Один из основных подходов базируется на использовании мощных рабочих станций, проблемно ориентированных на решение задач управления в реальном времени. Однако высокая стоимость подобных станций (десятки тысяч долларов) не всегда адекватна достигаемому эффекту. Поэтому во многих случаях более предпочтительно применение для этих целей «привычных» персональных компьютеров (ПК) или ПК промышленного исполнения, укомплектованных съемными платами различного назначения и прежде всего процессорными модулями цифровой обработки сигналов.

Ускорители на базе сигнальных процессоров на порядок и более повышают вычислительную мощность компьютера, а в сочетании с модулями аналогового ввода - вывода фактически превращают ПК в рабочую станцию цифровой обработки сигналов (ЦОС) для решения задач сбора, обработки данных и управления в реальном времени.

Более того, компьютер, укомплектованный съемными модулями, становится гибким инструментальным средством для моделирования, разработки и отладки систем ЦОС.[3]

Находят также применения встроенные системы цифровой обработки сигнальной информации, в аэрокосмическом комплексе, навигации, радиолокации и системах управления.

Устройства процессорной обработки сигналов являются основой различных цифровых радиотелефонов, телевизоров с высоким разрешением, MP3 - плееров, приставок для просмотра видеозаписей в режиме временной задержки, различных телевизионных приставок, цифровых видео и фото камер, систем передачи данных и речи, устройств с выходом в Internet, и многих других систем.[2].

Задачей дипломного проекта является разработка устройства обработки информации на базе ЦСП.

 

1. Технико-экономическое обоснование


В настоящее время область применения систем цифровой обработки охватывает гамму сложнейших многофункциональных устройств, требующих предельного быстродействия (радары, системы обработки трехмерных изображений, мощные цифровые коммутаторы). В основе таких устройств заложены программируемые процессоры сигналов (ППС), которые представляют собой специализированные ЭВМ, архитектурно оптимизированные для быстрого производства характерных задач обработки сигналов однородных вычислений над большим объемом данных, поступающих от внешних источников в реальном масштабе времени. ППС, дополненные управляющей ЭВМ, превращаются в двух - или многомашинные вычислительные комплексы (МВК).

Рассмотрим существующие комплексы, БАГЕТ - 25 и БАГЕТ-56.

БАГЕТ - 25 специализированная комбинированная многопроцессорная ЭВМ (многомашинный комплекс) для цифровой обработки радиолокационных сигналов, оптических и акустических сигналов, а также для решения задач управления в реальном масштабе времени. В состав этого комплекса могут входить от 5 до 73 сигнальных процессоров (Motorola 96002) и обеспечивать пиковую производительность в зависимости от конфигурации до 5400 MFLOPS.

БАГЕТ - 56 предназначен точно для таких же целей, как и БАГЕТ - 25, но есть возможность базирования на летательных аппаратах, вездеходных и гусеничных шасси, в состав этого комплекса могут входить от 5 до 33 сигнальных процессоров (Motorola 96002) и обеспечивать производительность в зависимости от конфигурации до 1680 MFLOPS.

Рассмотренные комплексы состоят из центрального процессора, нескольких модулей обработки сигналов, модуля графического процессора и модулей ввода вывода.[4]

Разработка специализированного многомашинного вычислительного комплекса (МВК) является задачей актуальной на сегодняшний день. Во-первых, ныне существующие комплексы обладают недостаточной производительностью, необходимой для решения задач в реальном масштабе времени. Во-вторых, из-за высокой мощности энергопотребления микропроцессоров модули цифровой обработки сигналов, приходится принудительно охлаждать или производить модули заведомо больших размеров, что негативно отражается на всех характеристиках комплекса в целом.

Как отмечалось выше, МВК состоит из центрального процессора, нескольких модулей обработки сигналов, модуля графического процессора и модулей ввода вывода.

Целью дипломного проекта является разработка высокопроизводительного устройства (модуля) обработки информации на базе ЦСП.

В настоящее время рынок ЦСП достаточно широк и представлен крупными компаниями, такими как Analog Device, Motorola, Texas Instrument.

Компания Motorola предлагает ЦСП Motorola (96002) производительностью 60 MFLOPS по цене 99$, Analog Device предлагает процессор (21060LCW - 160) производительностью 120 MFLOPS по цене 850$ и Texas Instrument предлагает процессоры (TMS320C6701) производительностью 240 MFLOPS по цене 133$.[5]

Отсюда можно сделать вывод, произведя не сложные расчеты:

Для Фирмы Motorola стоимость 1 MFLOPS равняется 1,65$, для Analog Device 7$ и для Texas Instrument стоимость 1 MFLOPS будет равняться порядка 1$.

Следовательно, экономически более привлекательными являются процессоры Texas Instrument. Кроме того, эти процессоры имеют более низкую мощность энергопотребления, чем приведенные выше аналоги. В связи с этим можно предложить реализацию МОС (модуля обработки сигналов) на базе ЦСП Texas Instrument.

 

2. Выбор ЦСП и структурной схемы устройства

 

.1 Выбор структурной схемы устройства


Устройство предназначено для обработки сигнала, поступающего с АЦП приемного устройства и преобразования информации в видеоинформацию с возможностью выдачи на жидкокристаллический дисплей в формате VGA.

Требования, предъявляемые к входной информации. Входной сигнал представляет собой массив из 256 отсчетов, каждый отсчет представлен 512 значениями 32 разрядных слов. Период поступления массивов отсчетов на устройство составляет 10 мсек.

Выходная информация, представляет собой данные видеоизображения в формате. 640 на 480 элементов разложения 256 цветов данные выдаются в виде каналов цветности RGB и сигнала вертикальной и горизонтальной синхронизации.

Функции, по обработке сигнала должны быть реализованы программно - аппаратным способом на основе программируемых микропроцессоров. Программная реализация функций должна быть выполнена в многозадачном режиме и режиме реального времени с использованием языка программирования высокого уровня Си.

Исходя из назначения устройства, предъявляемых требований и функций, к устройству можно предложить следующую структурную схему устройства рисунок 1.






Структурная схема устройства должна содержать сигнальный процессор, для обработки входного массива данных, универсальный процессор для управления процессами в системе, для вывода графической информации предназначен графический контроллер.

Входные данные поступают по последовательному каналу интерфейса LVDS (низковольтный дифференциальный сигнал) с частотой передачи бит 480 MГц. Информация в канале передается синхронным способом, каждый байт данных передается в формате, старт бит, 8 бит данных, бит контроля четности. Так как данные поступают в последовательном формате необходимо преобразовать данные в параллельный формат, затем создать массив данных поместить массив в буфер входных данных, и после того как массив сформирован, необходимо выдать сигнал готовности данных на сигнальный процессор.

Сигнальный процессор обрабатывает полученные данные по определенному алгоритму и при помощи управляющих сигналов, поступающих с универсального процессора, передает информацию на графический контроллер, графический контроллер формирует видеоизображения в формате 640 на 480 элементов разложения 256 цветов, данные выдаются по каналам цветности RGB и сигналов вертикальной и горизонтальной синхронизации. Для организации связи между модулями необходим системный магистральный интерфейс.

Поэтому структурная схема устройства может быть представлена на рисунке2.2.








За обработку сигнальной информации отвечает входной контроллер, буфер обмена данными и цифровой сигнальный процессор, все вместе назовем устройством обработки информации, в дальнейшем будем рассматривать только это устройство.

 

.2 Выбор Цифрового Сигнального Процессора и структурной схемы устройства обработки информации


При построении систем цифровой обработки сигналов встает задача нахождения приемлемого компромисса между противоречивыми требованиями, предъявляемыми к ядру создаваемой системы - цифровому сигнальному процессору (ЦСП).

Безусловно, используемый ЦСП должен иметь максимально высокое быстродействие. При этом желательно интегрировать на кристалле память максимальной емкости и как можно больше периферийных устройств. Площадь кристалла должна быть, конечно же, минимальной потребляемая мощность - ничтожной, ну а стоимость - не больше нескольких долларов (лучше рублей). При очевидной невозможности одновременного выполнения всех перечисленных условий задача выбора ЦСП, оптимально подходящего для конкретного приложения, и составляет предмет исследований разработчика цифровых систем.[5]

Рассматриваемые исследования имеет смысл производить в базисе следующих переменных

·   производительность MFLOPS(миллион операций с плавающей точкой в секунду)

·   энергопотребление (Вт/MFLOPS)

·   удельная стоимость как количество операций с плавающей точкой реализуемых на 1$ стоимости кристалла.

В настоящее время рынок ЦСП представлен рядом крупных компаний, таких как Motorola, Analog Device, Texas Instrument.

1. Рассмотрим ЦСП представленный фирмой Motorola.

производительность (в дальнейшем будем рассматривать среднюю производительность процессоров) процессора (96002) составляет 60MFLOPS при тактовой частоте 40MГц.

энергопотребление процессора составляет два Ватта, отсюда следует, что на 1 МFLOPS будет затрачено 0,033Вт.

удельная стоимость, будет порядка 0,6MFLOPS за 1$.

2. Рассмотрим ЦСП представленный фирмой Analog Device

производительность процессора (21060LCW - 160) составляет 120MFLOPS при тактовой частоте 40MГц.

энергопотребление процессора составляет два Ватта отсюда следует, что на 1 МFLOPS будет затрачено 0,016Вт.

удельная стоимость, будет порядка 0,16MFLOPS за 1$.

3. Рассмотрим ЦСП представленный фирмой Texas Instrument

производительность процессора (TMS320C6701) составляет 480MFLOPS при тактовой частоте 120MГц.

энергопотребление процессора составляет два Ватта отсюда следует, что на 1 МFLOPS будет затрачено 0,0042Вт.

удельная стоимость, будет порядка 3,6MFLOPS за 1$.

Исходя из задания необходимо, разработать устройство обработки информации производительностью 1,5GFLOPS.

Рассмотрим реализацию устройства обработки информации на базе вышеизложенных процессоров.

Если данное устройство разрабатывать на базе процессоров Motorola (96002), то понадобится 25 процессоров такого типа, их стоимость будет равной 2475$, потребляемая мощность будет порядка 50Вт, что не является приемлемым для данного устройства.

Разработка устройства обработки информации на базе процессоров фирмы Analog Device. Для разработки устройства понадобится порядка 12 таких процессоров, их стоимость будет равной 9180$, потребляемая мощность составит 24 Вт.

Реализация устройства обработки информации на базе процессора фирмы Texas Instrument (TMS320C6701). Для разработки устройства понадобится порядка 4 процессоров, их стоимость составит 532$, потребляемая мощность составит 8Вт.

Из вышеизложенного следует, что целесообразней всего устройство обработки информации разработать на базе процессора TMS320C6701.

Исходя из заданной производительности устройства (1,5GFLOPS), и производительности отдельного процессора - TMS320C6701, определяем требуемое число процессоров, потребуется 4 процессора TMS320C6701.

Определяем количество модулей обработки сигналов (МОС). Исходя из размеров платы 3U (100x160) и размеров радиоэлементов получим, что на одной плате, возможно, разместить два ЦСП, контроллер ввода информации, контроллер обмена информации, так как используются два ЦСП, то необходимо пять микросхем двух портовой памяти. Два ОЗУ для хранения входного массива данных, два ОЗУ для вывода информации на системный магистральный интерфейс через контроллер обмена, одна микросхема ОЗУ для оперативного обмена данными между сигнальными процессами без пересылки. Исходя, из вышеизложенного можно сказать, что устройство обработки формации будет содержать два идентичных модуля обработки сигналов по структуре.

Рассмотрим структуру одного модуля обработки сигналов.

Структура МОС приведена на рисунке 2.3
























Рассмотрим функции, которые выполняют элементы этой структурной схемы.

·   Контроллер ввода предназначен для накопления массива отсчетов, передачи и распределения массивов между сигнальными процессорами, выработка сигнала готовности буфера передачи данных.

·   ОЗУ входных данных 1, 2 для временного хранения входного массива данных.

·   ЦСП1 предназначен для обработки входных массивов данных по определенному алгоритму, также он является «ведущим» т. е. этот процессор программирует контроллер ввода (задает режим работы), и в конечном счете он формирует флаг готовности данных для универсального процессора.

·   ЦСП2 является ведомым и предназначен для обработки входных массивов данных по определенному алгоритму.

·   ОЗУ обмена (с переключаемыми блоками) предназначено для временного хранения обработанных данных и распределением их между процессорами ЦСП1 и ЦСП 2.

·   ОЗУ обмена 1 и ОЗУ обмена 2 предназначены для обмена данными между контроллером обмена и сигнальными процессорами.

·   Контроллер обмена выполняет следующие функции:

1. Загрузка программы в ОЗУ ЦСП1 и ЦСП2

2. Тестирование ЦСП1 и ЦСП2

3. Программирование режима работы ЦСП1 и ЦСП2

4. Вывод данных

 

3. Разработка функциональной схемы устройства


Модуль обработки сигналов должен выполнять следующие функции:

·   Сглаживание сигнала на границах полосы частот

·   Быстрое преобразование Фурье

·   Вычисление среднего значения сигнала

·   Определение порогового значения сигнала

·   Определение значение, превышающее пороговое значение

Модуль обработки сигналов также выполняет обработку изображений:

·   Смещение изображения

·   Поворот изображения

·   Изменение масштаба изображения

После рассмотренных функций выполняемых модулем обработки сигналов определимся с разрядностью и интерфейсом входных данных, выберем системный магистральный интерфейс исходя из разрядности данных, требования производительности, универсальности, распространенности (использование стандартного протокола), условий эксплуатации.

3.1 Выбор радиального интерфейса


Данные поступают с АЦП, входной сигнал представляет собой массив из 256 отсчетов, каждый отсчет представлен 512 значениями 32 разрядных слов. Период поступления массивов отсчетов на устройство составляет 10 мсек. Для того чтобы данные поступили с АЦП на устройство обработки информации, необходимо использовать интерфейс передачи данных.

Все интерфейсы можно разбить на две большие группы - последовательные и параллельные. В первую очередь были разработаны последовательные интерфейсы, наиболее удачным среди которых оказался RS-232, до настоящего времени являющийся неотъемлемой частью любого РС-совместимого компьютера в виде СОМ-порта. Параллельные интерфейсы были разработаны для работы с внешними устройствами, требующими высоких скоростей обмена. Однако совершенствование последовательных интерфейсов привело к тому, что они по целому ряду функциональных параметров превзошли параллельные, и в настоящее время для большинства внешних подключений применяются в основном именно последовательные интерфейсы.

Рассмотрим скоростной и достаточно неприхотливый интерфейс LVDS/LVDM (Low Voltage Differential Signalling - дифференциальные сигналы низкого напряжения), первоначально создававшийся для подключения LCD-матриц. Его применение позволяет достичь скорости передачи 400-600 Мбит/с по проводной линии связи. Используемый дифференциальный метод передачи токовыми посылками позволяет снизить влияние внешних помех и влияние самого интерфейса на внешние цепи, а также обуславливает низкое энергопотребление - около 1,2 мВт Для сравнения: RS-422 имеет рассеиваемую мощность порядка 90 мВт. При грамотном построении проводящей среды [6] интерфейс позволяет достичь скоростей, превышающих 1 Гбит/с, имеет простую схему включения элементов.

В связи свыше изложенным можно сделать вывод о там, что LVDS интерфейс является быстрым и имеет простую схему включения элементов. В дипломном проекте будем использовать LVDS интерфейс, основанный на микросхемах MAX9207, MAX9208. Микросхема MAX9207 предназначена для преобразования параллельного в последовательный код и является передатчиком, а микросхема MAX9208 является приемником и преобразователем последовательного кода в параллельный.

 

3.3 Выбор межмодульного интерфейса

.3.1 ЦСП семейства 6000

ЦСП С67х - устройства с плавающей точкой, имеют начальную производительность от 600 MFLOPS. Процессоры С67х - первое семейство ЦСП, преодолевшее барьер в 1 GFLOPS - один миллиард операций с плавающей точкой в секунду.

Высокая производительность достигается за счет использования запатентованной TI революционной архитектуры VelociTI (TM) - архитектуры ЦСП с Очень Длинным Командным Словом (ОДКС), новейших аппаратных решений и эффективных средств разработки. Эту высокопроизводительную архитектуру имеют как процессоры С62х с фиксированной точкой, так и процессоры С67х с плавающей точкой. ЦСП С67х имеют совместимость по командам и по выводам с аналогичными процессорами С62х, что позволяет разработчику быстро выполнять прототипы, используя плавающую точку, и легко переходить к процессорам с фиксированной точкой для снижения стоимости изделия при производстве. То есть сначала разработчик берет за основу процессор с плавающей точкой, затем на нем отрабатываются все элементы устройства, определяются оптимальные алгоритмы обработки данных. При этом большие запасы по производительности и по точности вычислений позволяют заниматься именно алгоритмами, а не экономией ресурсов. Затем, когда все параметры определены, наступает этап оптимизации системы с учетом наработанных решений и перевод ее на более дешевый процессор с фиксированной точкой [7].

.3.2 Архитектура ядра С62х/C67x

Все ЦСП С62xx/C67xx основаны на одном и том же ядре центрального процессора с архитектурой VelociTI (TM) (высоко параллельная и детерминированная архитектура).

Архитектура ядра С62xx включает в себя 8 модулей - два умножителя и шесть АЛУ. Все модули максимально независимы, что дает компилятору и оптимизатору множество комбинаций их использования. На каждом такте процессора выбирается 8 32-битных RISC-подобных инструкций.

Предусмотренная в архитектуре VelociTI(TM) упаковка команд позволяет исполнять эти восемь инструкций параллельно, последовательно или параллельно/последовательно. Эта оптимизированная схема существенно снижает размер кода, количество выборок команд и потребление питания.

При добавлении функции плавающей запятой к шести из восьми функциональных модулей из процессора с фиксированной точкой - С62х получается процессор с плавающей точкой - С67х. При этом система команд С67х - расширение системы команд С67х и все код написанный для С62х будет выполняться на С67х без модификаций самого кода.

Рассмотрим подробнее архитектуру ядра процессора семейства C6000. На рисунке 3.1 изображена упрощенная схема именно ядра, без периферии и внешних шин, процессора, построенного по архитектуре VelociTI(TM).

рисунок 3.1

Как видно из рисунка, процессор использует очень длинные инструкции (256 бит) для выдачи до 8 команд по 32 бита для каждого из 8 функциональных модулей в каждом такте. Выбираются инструкции всегда по 256 бит, однако длина исполняемого пакета может быть разной, как показано на рисунке. Переменная длина выполняемой команды позволяет существенно сэкономить память - это существенная отличительная черта ядра С6000 от остальных процессоров с очень длинным командным словом.

Ядро С6000 имеет два набора функциональных модулей. Каждый набор включает в себя четыре модуля и регистровый файл. Каждый файл состоит из 16 32-разрядных регистров, таким образом, всего в ядре 32 32-разрядных регистра.

Два набора функциональных модулей, связанные с двумя наборами регистров, создают разделение ядра на сторону А и сторону В. Четыре модуля с каждой стороны процессора имеют произвольный доступ к регистровому файлу данной стороны. Кроме того, каждая сторона имеет шину, соединенную с регистровым файлом другой стороны. При доступе к регистрам своей стороны возможен доступ к регистрам всех модулей одновременно в одном такте.

Другой особенностью архитектуры С6000 является использование стратегии сохранения/загрузки, при которой все команды работают с регистрами. При этом два адресных модуля D1 и D2 выделяются только под передачу данных между регистровым файлом и памятью. Шины адреса , управляемые D-модулями, позволяют использовать адрес, сгенерированный в одном регистровом файле, для операций с данными в другом регистровом файле. Ядро С6000 поддерживает широкий набор режимов косвенной адресации, включая линейный или кольцевой режимы адресации с 5- или 15-битным смещением.

Все команды могут быть условными, и большинство команд могут использовать любой из 32 регистров. Некоторые регистры могут быть выделены для поддержки специфических режимов адресации или для хранения условий для условных команд. Два М-модуля выделены под умножители 16х16. Два S- и два L-модуля выполняют арифметические, логические операции и операции перехода, и при этом результаты их выполнения доступны в каждом такте (возможна задержка до 5 тактов конвейера, но большинство команд выполняются за 1 такт).

Процесс обработки команды в ядре начинается после выборки 256-битовой инструкции из внутренней памяти команд, которая также может быть сконфигурирована как кэш команд. Далее каждая из 32-битных команд распределяется на свой модуль для исполнения. При этом у команд, выполняемых на разных модулях, проверяется младший бит. Он устанавливается в 1 для всех команд, которые должны выполняться одновременно. Команды, которые собраны для одновременного выполнения (до 8 команд), образуют пакет выполнения. Ноль ставится в младшем бите команды, которая нарушает последовательность выполнения и откладывает команду на следующий пакет выполнения. Всего в пакете выборки может быть до 8 пакетов выполнения. Очередной пакет выполнения размещается для выполнения в модулях в каждом такте. До окончания выполнения пакета выборки следующий пакет выборки из памяти не выбирается. Эта стратегия позволяет существенно экономить память команд и менять режим работы программы от одновременного параллельного выполнения 8 команд на 8 модулях до практически последовательного выполнения команд, в зависимости от требований алгоритма.

Далее обратим внимание на организацию памяти данных. Как уже говорилось выше, данные из функциональных модулей помещаются в регистры, а затем по адресам, генерируемым D-модулями, идет обмен с памятью данных. При этом каждый из регистровых файлов соединен 32 разрядными шинами с диспетчером памяти. Диспетчер памяти организует одновременную выборку из памяти по 4 шинам до 64 разрядов по двум подаваемым адресам. При этом память дробится на множество мелких банков, что практически исключает конфликты доступа к памяти. Такое решение обеспечивает доступ к памяти без задержек при параллельных потоках обращений и при возможности адресовать отдельно каждый байт памяти [7].

3.3.3 Структура ЦСП TMS320C62xx/C67xx

На рисунке 3.2 показана внутренняя структура процессоров TMS320C6201/6701.

рисунок 3.2

Как видно из рисунка 3.2, сам процессор можно условно разделить на несколько частей. Во первых, это собственно ядро процессора, структура которого рассматривалась ранее. Во-вторых, области памяти данных и памяти команд. в третьих - размещенная на кристалле периферия. Все эти части связаны между собой двумя контроллерами - контроллером памяти команд или кэш- памяти и контроллером памяти данных. Эти блоки связывают ядро процессора и банки памяти (с их специфической конфигурацией и доступом) с традиционными шинами, к которым подключаются периферийные модули и внешние устройства.

Далее рассмотрим подробнее периферийные устройства процессоров С6000.

Контроллер ПДП. Контроллер ПДП занимается передачей данных из памяти в память без участия ЦПУ. Контроллер ПДП имеет 4 основных программируемых и пять дополнительных каналов. Кроме того, контроллер ПДП используется при начальной загрузке программы в память процессора при старте (bootloader).

Хост Порт Интерфейс (HPI). Для обмена с управляющим контроллером, да и вообще для асинхронного обмена в состав процессора входит Хост Порт Интерфейс. HPI - это 16-разрядный параллельный порт, который дает хост процессору прямой доступ к памяти ЦПУ. При этом хост-процессор является управляющим устройством для данного интерфейса, что существенно упрощает процедуру доступа. Хост-процессор и ЦПУ могут обмениваться информацией, как через внутреннюю, так и через внешнюю память. Кроме того, хост-процессор может иметь прямой доступ к большинству устройств размещенной на кристалле периферии.

Шина расширения (ШР). Шина расширения является расширением как HPI, так и ИВП. С использованием ШР можно реализовать 32-разрядный HPI, который будет работать аналогично штатному 16-разрядному. ШР также может реализовать синхронный протокол обмена между хост процессором и ЦПУ, что дает возможность прямого подключения к большому набору стандартных шин хост процессоров. Также к шине расширения могут быть подключено синхронное FIFO и асинхронные периферийные устройства.

Интерфейс Внешней Памяти (ИВП) - специальный блок, предназначенный для обмена данными с внешней памятью и быстродействующими внешними устройствами. Интерфейс внешней памяти может принимать запросы на обмен с внешней памятью от трех устройств: контроллера памяти данных, контроллера программной памяти/кэша и контроллера ПДП. Поскольку сам процессор - очень скоростное устройство, то ИВП не только выводит наружу классическую шину, но и имеет специальные сигналы для непосредственного подключения быстродействующего синхронного внешнего ОЗУ как динамического (SDRAM), так и статического (SBSRAM). Кроме того, к ИВП можно подключить и обычное статическое ОЗУ, ПЗУ, FIFO и другие устройства.

Начальный загрузчик. Процессоры TMS320C62x и TMS320C67x могут иметь множество режимов начальной загрузки, которые определяют, что именно будет делать процессор после сброса при подготовке к инициализации. Они могут включать загрузку программы с внешнего ПЗУ через ИВП или загрузку программы через HPI/ШР из внешнего устройства.

Многоканальный буферизованный последовательный порт (МКБПП). Это последовательный скоростной порт, базирующийся на стандартном последовательном порте, как и в процессорах других семейств. Он имеет возможность читать/записывать данные в память без участия процессора через контроллер ПДП. Кроме того, у него существуют многоканальные расширения, совместимые со стандартами E1, T1, SCSA и MVIP. Отметим следующие функциональные возможности последовательного порта:

Полнодуплексная работа

1 Двойная буферизация данных - позволяет поддерживать непрерывность потока.

2 Независимые тактовые частоты и схемы синхронизации для приема и передачи

3 Прямое подключение стандартных промышленных кодеков, микросхем аналоговых интерфейсов и микросхем ЦАП/АЦП с последовательным интерфейсом. МКБПП имеет, по сравнению со стандартным последовательным портом, следующие дополнительные возможности:

4 Прямое подключение к шинам E1/T1

5 ST-BUS

6 IOM-2

7 AC97

8 IIS

9 SPI

10  Многоканальный обмен при количестве каналов до 128.

11  Переменный размер данных 8, 12, 16, 20, 24 и 32 бита

12  Встроенное u-Law и A-Law компандирование

13  Возможность передачи первым старшего или младшего разряда данных

14  Программируемая полярность сигналов синхронизации и тактовых сигналов данных

15  Гибкое программирование внутренних тактовых импульсов и синхронизации.

Таймер. Процессоры С6000 имеют 2 32-разрядных таймера, которые могут быть использованы для:

16  Задания временных событий

17  Реализации счетчиков

18  Генерации импульсов

19  Прерывания процессора

20  Посылки синхроимпульсов в контроллер ПДП

Селектор прерываний. Периферия С6000 может иметь до 32-х источников прерываний. ЦПУ имеет возможность обрабатывать 12 прерываний. Селектор прерываний дает возможность выбора тех 12 прерываний, которые будут использоваться, и также дает возможность смены полярности внешних входов прерываний.

Спящие режимы. Логика снижения потребляемой мощности позволяет снимать тактовые сигналы с элементов процессора для снижения энергопотребления. Несмотря на свое предназначение для базовых станций, процессоры С6000 также имеют режимы снижения энергопотребления. КМОП схемы в основном потребляют энергию в момент переключения и чем выше частота работы, тем больше это потребление. При включении «спящих» режимов у процессора снимается тактовая частота сначала с ядра процессора, затем с периферии, размещенной на кристалле, и последний третий режим снимает тактовую частоту практически со всего кристалла, в том числе и с блока умножения частоты.

Процессор имеет встроенный умножитель частоты с возможностью умножения внешней тактовой частоты на 2 и на 4, что делает возможным работу с низкой входной частотой. Это снимает множество проблем при проектировании устройства.[7]

Исходя из структуры процессора, видно, что данные, обрабатываемые процессором, имеют 32 разрядный формат. Сод

Необходимо чтобы обработанный массив данных поступил, на универсальный процессор или же на контроллер вывода информации, для этих целей необходим магистральный интерфейс.

Среди большого разнообразия существующих интерфейсов необходимо выбрать такой интерфейс, который удовлетворял бы следующим требованиям: обеспечивал 32-разрядную передачу данных, был достаточно распространенным и подходил для использования в жестких климатических условиях.

Рассмотрим наиболее распространенные интерфейсы (подходящие по разрядности), EISA и PCI.

Интерфейс EISA

В сентябре 1988 года Compaq, поддержанный - Wyse, AST Research, Tandy, собственно Compaq, Hewlett-Packard, Zenith, Olivetti, NEC и Epson - представил 32-разрядное расширение шины ISA с полной обратной совместимостью. Основные характеристики новой шины были следующими:

·              32-разрядная передача данных;

·              максимальная пропускная способность - 33 Мбайт/сек;

·              32-разрядная адресация памяти позволяла адресовать до 4 GB (как и в расширении ISA, новые адресные линии были без задержки);

·              поддержка multiply bus master;

·              возможность задания уровня двухуровневого (edge-triggered) прерывания (что позволяло нескольким устройствам использовать одно прерывание, как и в случае многоуровневого (level-triggered) прерывания);

Как и в случае 16-разрядного расширения, новые возможности обеспечивались путем добавления новых линий. Поскольку дальше удлинять разъем ISA было некуда, разработчики нашли оригинальное решение: новые контакты были размещены между контактами шины ISA и не были доведены до края разъема. Специальная система выступов на разъеме и щелей в EISA-картах позволяла им глубже заходить в разъем и подсоединяться к новым контактам. Стоит отметить лишь две новых сигнальных линии - EX32 и EX16, которые определяли, что bus slave поддерживает соответственно 32- и 16-разрядный цикл EISA. Если ни один из этих сигналов не был получен в начале цикла шины, выполнялся цикл ISA. [9]

Интерфейс PCI

Архитектура PCI, разработанная в 1991 году компанией Intel, по номенклатуре созданных для нее периферийных устройств и количеству поддерживающих ее производителей оказалась преемницей ISA-шины. Процессорно-независимая шина PCI используется компаниями Intel, IBM, Apple, DEC, Motorola и другими крупными производителями настольных систем в качестве лучшей шины ввода/вывода 90-х годов.- это модификация PCI для использования в традиционных крейтах формата Eurorack (Еврокрейт) для промышленных и встраиваемых систем. CompactPCI использует штыревой разъём IEC 1076-4-101 с высокой плотностью контактных выводов, шаг 2 мм (разработанный для телекоммуникационных и компьютерных приложений). Механические спецификации удовлетворяют стандарту IEEE 1101.10.

Таблица

Технические характеристики РСI

Основными характеристикам РСI являются:

Тактовая частота 33 МГц

Максимальная пропускная способность 132 Мбайт/с

Средняя пропускная способность 64 Мбайт/с

32- разрядная передача данных

Мультиплексируемая шина адреса/данных для экономии контактов ввода/вывода

Процессорная независимость

Синхронность

До 10 PCI-нагрузок (5 модулей + 5 коннекторов) при максимальной частоте 33 МГц.

Работа с уровнями сигналов 5 В и 3,3 В

Согласование по времени определено для всех компонентов системы.


Исходя из технических характеристик, более приемлемым для межмодульного интерфейса является интерфейс CompactPCI.[2]

цифровой процессор радиальный интерфейс

3.4 Выбор ОЗУ


В настоящее время находит применение следующие виды ОЗУ статического и динамического типа.

Рассмотрим более подробно каждое из них.

Динамическое ОЗУ (DRAM)

Принцип устройства DRAM следующий: система металл-диэлектрик-полупроводник способна работать как конденсатор. Как известно, конденсатор способен некоторое время “держать” на себе электрический заряд. Обозначив “заряженное” состояние как 1 и “незаряженное” как 0, мы получим ячейку памяти емкостью 1бит. Поскольку заряд на конденсаторе рассеивается через некоторый промежуток времени (который зависит от качества материала и технологии его изготовления), то его необходимо периодически “подзаряжать” (регенерировать), считывая и вновь записывая в него данные. Из-за этого и возникло понятие “динамическая” для этого вида памяти.

Статическое ОЗУ(SRAM)

Триггером называют элемент на транзисторах, который может находиться в одном из двух устойчивых состояний (0 и 1), а по внешнему сигналу он способен менять состояние. Таким образом, триггер может служить ячейкой памяти, хранящей один бит информации. Любой триггер можно создать из трех основных логических элементов: И, ИЛИ, НЕ. Поэтому все, что относится к элементной базе логики, относится и к триггерам. Сама же память, основанная на триггерах, называется статической (SRAM)[8].

Для данного устройства обработки информации выберем статическое ОЗУ по двум причинам:

.         Статическая память работает на частоте процессора.

.         Статическую память не надо регенерировать, поэтому не нужно устройство управления регенерации.

Рассмотрим существующие типы статической памяти.

двухпортовое статическое ОЗУ

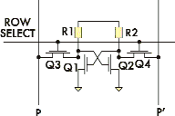
Структура двухпортового статического ОЗУ (рис. 3.3) содержит единый массив памяти (COMMON CENTRAL MEMORY) и два независимых порта (PORT_L и PORT_R) для обращения к этому массиву.


В отличие от статического элемента обычного ОЗУ (рис. 3.3,а) элементарная ячейка двухпортовой памяти реализована на шести транзисторах (рис. 3.3, б).

рисунок. 3.3, арисунок. 3.3, б

Основу ячейки составляет статический триггер, выполненный на транзисторах Q1, Q2. Ключевыми транзисторами Q3, Q4 триггер соединен с разрядными шинами P_L, P'_L, а ключевыми транзисторами Q5, Q6 - с разрядными шинами P_R, P'_R. Информация подводится к триггеру при записи и отводится при считывании по этим шинам. Ключевые транзисторы затворами соединены с шинами выбора строки ROW SELECT_L и ROW SELECT_R соответственно. При возбуждении строки одним из сигналов выборки ключевые транзисторы открываются и подключают входы/выходы триггера к разрядным шинам.

Классификация многопортовой памяти

Среди микросхем многопортовой памяти, насчитывается более 100 разновидностей. По способу исполнения внешнего интерфейса среди них можно выделить следующие семейства: Asynchronous Dual-Port RAMs, Synchronous Dual-Port RAMs, Bank-Switchable Dual-Port RAMs, FourPort RAMs и SARAMs.

Принцип работы асинхронного двухпортового ОЗУ

Во всех схемах с асинхронным доступом к общим ресурсам неизбежно возникают конфликтные ситуации. Применительно к двухпортовому ОЗУ, конфликты появляются при одновременном обращении двух независимых активных устройств к одной и той же ячейке памяти в процессе выполнения следующих операций:

запись через порт L - запись через порт R;запись через порт L - чтение через порт R.

При выполнении операции “запись через порт L - запись через порт R” состояние ячейки памяти будет оставаться неопределенным до тех пор, пока одно из активных устройств не завершит обращение к ней, и не закончатся переходные процессы. В этом случае триггер (рисунок. 3.3, б) примет устойчивое состояние, определенное “опоздавшим” устройством. При строго одновременном обращении триггер может принять любое состояние. При выполнении операции “запись через порт L - чтение через порт R” неопределенность существует только в отношении считываемых данных. С одинаковой вероятностью может быть считано как предыдущее значение ячейки памяти, так и вновь записанное в процессе текущего цикла обращения к памяти. Архитектура двухпортовой памяти предусматривает несколько способов разрешения таких конфликтных ситуаций: с помощью арбитражной логики, семафоров или запросов на прерывания.

Арбитражная логика. Арбитр двухпортового ОЗУ устраняет конфликты следующим образом. Сигналы адресных линий портов ADDRESS_L и ADDRESS_R поступают с двух направлений, и если их значения совпадают, то арбитр посылает одному из активных устройств сигнал BUSY' (“запрет доступа”). Этот сигнал поступает в опоздавшее к моменту арбитража активное устройство, а при строго одновременных обращениях - в устройство, выбранное случайным образом. Сигнал BUSY' удерживается все время, пока не закончится операция обращения к памяти. Дополнительно с сигналом BUSY' внутри кристалла памяти формируется сигнал INTERNAL WRITE INHIBIT (“блокировка записи”). При выполнении операции типа “чтение через порт R - чтение через порт L” арбитр также формирует сигналы занятости, но блокирование сигналов чтения не производится, и информация считывается одновременно через оба порта. Если адреса запрашиваемых ячеек разные, то доступ к содержимому ячейки памяти также производится одновременно через оба порта, так как в этом случае конфликты не возникают. Арбитр содержит элементы задержки DELAY, схему сравнения адресных линий ADD_COMP, логические элементы три И-НЕ, соединенные по схеме триггера, логические элементы для формирования сигналов занятости (рисунок. 3.4).


Сигналы CE_L = 0 и CE_R = 0 вызывают формирование сигналов BUSY_L' = 1 и BUSY_R' = 1, что соответствует отсутствию запрета доступа к ОЗУ со стороны обоих активных устройств.

Семафоры - это программные арбитры, регулирующие очередность обращения двух или более независимых активных устройств к общему ресурсу. Механизм действия семафоров в двухпортовом ОЗУ основан на том, что несколько ячеек памяти, не входящих в рабочее пространство, используются как указатели занятости определенных сегментов (банков) памяти. Нулевой код в семафоре соответствует занятому банку, а ненулевой - свободному. Алгоритм программного арбитража характеризуется следующей последовательностью действий:

· активное устройство формирует запрос на обращение к банку памяти путем записи “0” в соответствующую ячейку, используемую как семафор;· активное устройство считывает состояние семафора, сравнивает полученный код с нулевым кодом и, если банк занят (код ненулевой), переходит в состояние ожидания;

· если банк свободен, активное устройство получает доступ к его содержимому;

· активное устройство заканчивает обмен и освобождает занимаемый банк памяти путем записи “1” в соответствующий семафор.

Семафорная логика содержит два триггера-защелки и логические элементы два И-НЕ, соединенные по схеме триггера для формирования сигналов занятости банка GRANT' (рисунок. 3.5).

рисунок 3.5

Прерывания. Интерфейс системы прерываний асинхронных двухпортовых ОЗУ содержит буфер сообщений и логику формирования запросов на прерывания INTERRUPT TO L(R) SIDE (рис. 3.6).

рисунок 3.6

Например, запрос на прерывание INTERRUPT TO R SIDE формируется в случае записи данных через порт L в ячейку памяти с адресом 1FFFh (“буфер сообщений”). Считывание содержимого этой ячейки памяти через порт R приведет к автоматическому снятию этого запроса. По аналогии, при записи данных через порт R в ячейку памяти с адресом 1FFEh внутрисхемной логикой формируется запрос на прерывания INTERRUPT TO L SIDE. Ячейки, используемые в качестве буферов сообщений, входят в рабочее пространство памяти. В тех случаях, когда обслуживание по прерываниям не требуется, они используются как ячейки общего назначения.

Система ведущий/ведомый. Наращивание информационной емкости двухпортовых ОЗУ достигается путем соединения всех одноименных выводов микросхем, кроме CE' (“выбор кристалла”). Сигнал CE' обеспечивает обращение только к одному устройству в модуле памяти в каждый момент времени. Выводы сигналов занятости в этом случае соединяются по схеме “монтажное ИЛИ”.

Наращивание разрядности шин данных (рис. 3.7) осуществляется путем соединения всех одноименных входов микросхем, кроме информационных, и характеризуется одной особенностью: c целью предотвращения тупиковых ситуаций (одновременная выдача сигналов занятости для обоих портов) используется система “ведущий/ведомый”, предусматривающая применение микросхем двухпортовых статических ОЗУ с различной реализацией арбитражной логики.

рисунок 3.7

Первый тип арбитражной логики носит название “MASTER” и обеспечивает возможность работы микросхем памяти в режимах “обычный” или “ведущий” (формирует сигналы BUSY'_L, BUSY'_R). Второй тип носит название “SLAVE” и обеспечивает возможность работы только в режиме “ведомый” (принимает сигналы занятости, сформированные ведущим устройством). В качестве примеров “MASTER/SLAVE” устройств можно привести следующие: IDT7130(M)/ IDT7140(S), IDT7132(M)/ IDT7142(S), IDT7133(M)/ IDT7143(S).

Дополнительные функции. Большинство микросхем двухпортовой памяти поддерживает организацию обмена данными между шинами с разным форматом слова. Для этого в составе памяти предусмотрена возможность независимого обращения к байтам в слове данных. Требуемая разрядность шины данных каждого порта задается аппаратно с помощью специальных управляющих выводов. В качестве примера рассмотрим, как реализована эта функция в микросхеме IDT70V657S 32Kx36 DUAL-PORT RAM. Под управлением сигналов BE3', BE2', BE1' и BE0' задается следующий порядок доступа к данным в памяти:

· BE3' = 1, BE2' = 1, BE1' = 1 и BE0' = 0 - разрешение доступа к байту 0;· BE3' = 1, BE2' = 1, BE1' = 0 и BE0' = 1 - разрешение доступа к байту 1;· BE3' = 1, BE2' = 0, BE1' = 1 и BE0' = 1 - разрешение доступа к байту 2;· BE3' = 1, BE2' = 1, BE1' = 0 и BE0' = 1 - разрешение доступа к байту 3;· BE3' = 1, BE2' = 1, BE1' = 0 и BE0' = 0 - разрешение доступа к двум младшим байтам;· BE3' = 0, BE2' = 0, BE1' = 1 и BE0' = 1 - разрешение доступа к двум старшим байтам;· BE3' = 0, BE2' = 0, BE1' = 0 и BE0' = 0 - разрешение доступа ко всему слову.

Подводя итог, назовем основные области применения микросхем многопортовой памяти - это сетевые устройства с разделяемыми ресурсами и многопроцессорные устройства обработки данных

Синхронное двухпортовое ОЗУ (Synchronous Dual-Port RAMs)

К отличительным особенностям семейства Synchronous Dual-Port RAMs относятся: синхронный интерфейс с раздельными сигналами синхронизации CLK_R и CLK_L и внутренние счетчики (internal counters) для организации пакетного режима передачи данных [1, 3, 5]. Поскольку обязательным условием доступа активных устройств к пространству такой памяти является их взаимная синхронизация от одного системного таймера, никакой дополнительной логики (арбитраж, семафоры или прерывания) для разрешения конфликтных ситуаций не требуется.

рисунок 3.8

На рисунке. 3.8 показано отличие синхронного двухпортового ОЗУ от асинхронного. Операции обращения к ячейкам асинхронной памяти могут выполняться в произвольные моменты времени при условии соблюдения необходимых временных соотношений между сигналами установки адреса, управления, чтения/записи данных. Операции обращения к ячейкам синхронного двухпортового ОЗУ осуществляются строго под управлением внешнего сигнала синхронизации (CLK_R для порта R и CLK_L для порта L).

Архитектура синхронного двухпортового ОЗУ оптимизирована для применения в вычислительных сетях (ATM и Ethernet коммутаторы/маршрутизаторы) и системах беспроводной телефонии (базовые станции), обеспечивая следующие синхронные режимы работы памяти: Pipelined (конвейерный), Flow-through (сквозной) и Burst (пакетный). Режимы Pipelined и Flow-through отличаются структурой выходного устройства (рисунке. 3.9).

рисунок 3.9

В первом случае дополнительный буферный регистр-защелка по выходу (Output register) позволяет организовать конвейерный доступ к данным (одновременно с чтением по предыдущему адресу осуществляется запрос по следующему). Поэтому включение микросхемы двухпортового ОЗУ в режиме Pipelined позволяет сократить общее время обращения к памяти. Единственным недостатком этого режима является задержка на один период сигнала синхронизации при считывании первого слова. Во втором случае (режим Flow-through) считываемые данные непосредственно поступают на выходную шину микросхемы памяти (Output). Это позволяет обеспечить минимальную задержку при считывании первого слова. Однако все последующие обращения к памяти в этом режиме будут проходить за более длительное время, чем в режиме Pipelined. Режимы Flow-through и Pipelined задаются пользователем аппаратно.

Режим Burst предназначен для выполнения операций над последовательными потоками параллельных данных (например, потоками речевых сообщений) и имеет некоторое сходство с работой памяти FIFO. Работа в этом режиме начинается с параллельной загрузки начального значения внутреннего счетчика через внешнюю шину адреса. В дальнейшем при каждом обращении к памяти состояние внутреннего счетчика циклически инкрементируется. Наличие в синхронном двухпортовом ОЗУ счетчиков адреса позволяет освободить ресурсы управляющего процессора для других операций.

Двухпортовое ОЗУ с переключаемыми банками памяти (Bank-Switchable Dual-Port RAMs)

Память Bank-Switchable - это статическое ОЗУ с двумя интерфейсами, обеспечивающими независимый доступ к банкам в пространстве памяти. По структуре двухпортовое ОЗУ с переключаемыми банками памяти представляет собой промежуточный вариант между обычным ОЗУ и двухпортовой памятью. Так же как и в обычном ОЗУ, элементарная ячейка Bank-Switchable выполнена на четырех транзисторах. А наличие в составе Bank-Switchable двух интерфейсов с разделенными шинами адреса, данных и управления обеспечивает возможность независимого обращения к банкам в пространстве памяти по аналогии с тем, как это происходит в стандартной двухпортовой памяти (рисунок. 3.10 а, б).

рисунок 3.10 а                                      рисунок 3.10 б

Выбор того или иного банка памяти осуществляется посредством установки адреса банка на дополнительных линиях BA_R или BA_L.

В зависимости от реализации внешнего интерфейса обмена данными микросхемы памяти Bank-Switchable подразделяются на асинхронные и синхронные. Конфликтные ситуации в асинхронной памяти с переключаемыми банками разрешаются с помощью семафорной логики и системы прерываний. Синхронные устройства Bank-Switchable являются более перспективными изделиями и характеризуются широким перечнем дополнительных функций. Среди них можно выделить поддержку организации обмена данными между шинами с разным форматом слова, наличие внутренних счетчиков адреса, работа в режимах Pipelined и Flow-through. Микросхемы двухпортовой памяти с переключаемыми банками предназначены для применения в системах цифровой обработки изображений, системах промышленной автоматики и периферийных контроллерах.[10]

Исходя, из выше сказанного можно сказать, что двухпортовоя память с переключаемыми банками наиболее подходит для модуля обработки сигналов. Емкость памяти выбираем разрядностью данных 32 бит и глубиной достаточной для хранения требующейся информации.

3.5 Выбор ПЗУ


При построении модуля обработки информации нам необходимо выбрать внешнее постоянное запоминающееся устройство, на котором должны быть необходимые тестовые программы, по которой будет проверяться модуль обработки сигналов. Сейчас существуют ПЗУ выполненные в виде квази-диска - это так называемые Flash ПЗУ. Для нашей разработки выберем параллельное ПЗУ так как оно имеет быстродействие большее, чем последовательное ПЗУ. Емкость памяти выбираем разрядностью данных 32 бит и глубиной достаточной для хранения требующейся информации.

3.6 Функциональная схема модуля обработки информации


Рассмотрев структуру процессора, выбрав элементы памяти можно предложить функциональную схему следующего вида рисунок 3.11.

рисунок 3.11

 

4. Расчет производительности обмена данных


Произведем расчет производительности каналов обмена данными в устройстве.

Входные данные поступают со специализированного АЦП с частотой 15МГц формата 16х16, где первые 16 разрядов представляют действительную часть, а вторые 16 разрядов мнимую.

Данные поступают в параллельном формате, для того чтобы данные поступили на контроллер ввода их необходимо передать, как уже отмечалось выше, параллельный интерфейс, для, передачи, данных не подходит, поэтому будем использовать последовательный интерфейс.

Определим необходимую пропускную способность канала.

·106·32=480Мбит/с

Пропускная способность последовательного канала должна составлять порядка 500Мбит/с.

В данном дипломном проекте используется LVDS интерфейс данные, в котором передаются последовательно по 10 бит два бита, из которых являются служебными.

Определим частоту последовательного канала передачи данных, в настоящие время используются два типа микросхем (исходя из экономических показателей) MAX 9205-9206 и MAX 9207-9208.

Микросхема MAX 9205 это преобразователь параллельного кода в последовательный, а микросхема MAX 9206 преобразователь последовательного кода в параллельный. Отличие микросхем 05-06 от 07-08 заключается в том, что они могут работать на разных частотах 05-06 на частоте 40МГц, а микросхемы 07-08 на частоте 60МГц.

10·106·40=400Мбит/с для микросхемы 05-06

·106·60=600Мбит/с для микросхемы 07-08

Исходя из расчета, выбираем микросхемы MAX 9207-9208, так как они обеспечивают необходимую пропускную способность канала.

Для того чтобы поступающие данные обрабатывались в реальном масштабе времени необходимо высокое быстродействие, которое подразумевает под собой время, за которое данные будут обработаны сигнальным процессором, промежуточные значения помещены в локальную память, сформирован массив значений, а затем передан по шине Compact PCI универсальному процессору.

Определим скорость обмена и передачи данных между ЦСП ОЗУ и шиной Compact PCI.

Будем исходить из того, что процессор работает на частоте 120 МГц, используемая память, работает на частоте процессора, пропускная способность шины PCI составляет 1056Мбит/с.

Рассмотрим следующие этапы преобразования информации внутри МОСа.

. Накопление данных во входном буфере

. Поступление данных во внутреннюю память процессора

. Обработка информации и помещение ее в локальное ОЗУ

. Передача информации по шине PCI универсальному процессору

Во входной буфер данные поступают с частотой 15МГц разрядностью 32 бита, темп поступления составляет 10мс, после того, как данные поступили в буфер память переключает блоки за время порядка 120нсек.

За время 10-2секунды данные должны поступить во внутренние ОЗУ процессора, по определенному алгоритму обработаться, после чего промежуточные значения поступают в локальное ОЗУ, затем формируется массив значений объемом 512Kb, и он поступает в ОЗУ обмена контроллера PCI.

Определим, за какое количество тактов данные поступят в ОЗУ обмена контроллера PCI, если известно, что массив данных состоит из 256 отсчетов каждый отсчет представлен 512 значениями 32 разрядных слов, частота работы процессора 120МГц, темп поступления нового массива составляет 10мсек.

Рассмотрим схему прохождения данных внутри модуля рисунок 4.1









Как видно из рисунка за время 10мсек необходимо произвести 4 операции две операции записи и две операции чтения.

Передача данных осуществляется за 1 такт, за 5 тактов осуществляется установка блочного режима памяти, отсюда следует можно легко подсчитать количество тактов необходимое для передачи массива значений на ОЗУ обмена.

·(256·1такт + 5тактов)=133632, т.е. такое количество тактовых импульсов потребуется для чтения данных из входного буфера контроллера ввода, а соответственно для 4 операций потребуется 534528 тактов.

Определим, сколько тактов формирует процессор за 10мсек. За 1 секунду формируется 120миллионов тактов, отсюда следует, что за 10мсек будет сформировано 1,2 миллиона тактов, что является достаточным для выполнения двух операций записи и двух операций чтения.

Отметим, что во время преобразования информации объем ее остается постоянным, а именно это будет массив размером 512Kb, темп поступления новой информации составляет 10мс.

Определим, какое количество информации будет передано за 1 секунду, размер массива 512 Kb.

Получим , т.е. за 1 секунду необходимо передать 51Мбайт, максимальная пропускная способность шины PCI составляет, 132Мбайт/сек, что является достаточным для передачи такого объема информации.

Выше рассматривалась самая критическая ситуация, когда вся поступающая информация приходится только на один ЦСП, а в данном модуле используется два таких процессора, поэтому входной поток информации будет обработан как в случае последовательной работы процессоров, так ив случае их параллельной работы.

 

5. Описание принципиальной электрической схемы


Согласно со структурной схемой, описанной в пункте 2.2, разработали принципиальную электрическую схему, представленную в приложении .

Разберем принципиальную схему по элементам. На 1-м листе представлены 2 встроенных источника питания. Элементы DD1 (MAX1626ESA), VT1 (NDS8434A), VD7 (30BQ040), L1 (IHSM - 4825 18 мкГн ± 5%) - образуют импульсный стабилизатор напряжения, который вырабатывает сигнал VCC - 3.3 В. DD4 - линейный стабилизатор, выполнен на микросхеме LM1085IT -ADJ с выходным переменным напряжением, которое задают делители (резисторы) R5 и R6. Он формирует сигнал VCC3 номиналом 1.8 В . Схема линейного стабилизатора и расчет резисторов приведены ниже.


Расчет резисторов стабилизатора рассчитывается по формуле (4.1). Выходное напряжение Vout можно изменять в пределах 1.2 В - 15 В.

,(4.1)

т.к. на выходе Vout = 1.8 В, то

.44R6 = R5.

Возьмем R5 = 100 Ом ± 5 %, тогда R6 = 227.(27) Ом. Выберем из стандартного ряда резистор сопротивлением 220 Ом ± 5 %.

Также на этом листе схемы элемент DD2 представляет центральный процессор IDT79RV4650- 150MHz, DD3 - тактовый генератор (SG-8002JA-30 МГц) с тактовой частотой 30 МГц, DD5.1 - DD5.2 - ядро программируемой логической интегральной схемы EP20K200E, DD6 и DD7 - 2 микросхемы (EPC2LI20) ПЗУ конфигурации контроллера. Микросхема DD8 - это загрузочное ПЗУ фирмы AMD Am29LV040B. Элементами DD9 - DD16 являются 8 микросхем электронного диска (флэш ПЗУ) - AT45DB321.

На 2-м листе принципиальной электрической схемы (стр.29) показаны элементы DD17 - DD32, представляющие 16 микросхем асинхронного статического ОЗУ (IDT71V424S12PHI).

На 3-м листе схемы (стр.30) в качестве буферов магистрали ISA DD33 - DD42 приведены микросхемы IN74НСТ245AD. Для поддержания логического уровня и соответствующих стандартов на ISA к выходу буферов, через питание +5 В, подключена резистивная матрица (элементы A1 - A18) типа САТ16 номиналом 1 КОм. Разъем магистрали Х1 (БЕЖК.434464.00) используется для стыковки процессорного модуля с бортовым компьютером.

На печатной плате установлена группа светодиодов марки 3Л341 Г (VD1 - VD6), которые для зрительного восприятия выведены на планку процессорного модуля. Из них VD5 предназначен для индикации наличия сетевого напряжения питания +5 В, VD6 - для контролирования работоспособности встроенного источника питания, который вырабатывает сигнал VCC (+3.3 В). Остальные светодиоды установлены с целью контроля работоспособности устройства.

На внешней стороне планки модуля установлен разъем типа СНП 268 для подключения кабеля интерфейса RS - 232, используемого в технологических целях (Х2). Элементы DD43 - DD44 - преобразователи уровня для порта Com2, выполнены в виде микросхем MAX3243EWI фирмы MAXIM.

Разъемы Х3 - Х5 типа PLD10 предназначены для интерфейса JTAG. Он используется для программирования ПЛИС и ПЗУ конфигурации.

При работе модуля возникает большое количество шумов, помех, которые могут заглушить основные сигналы элементов устройства. Поэтому с целью защиты от помех в систему необходимо включать фильтры, сглаживающие помехи. Помехи бывают 2-х типов высокочастотные (ВЧ) и низкочастотные (НЧ). НЧ помехи возникают в питающей цепи. Для борьбы с ними устанавливаем на вводах питания, во избежание их дальнейшего распространения, электролитические конденсаторы большой емкости 100мкФ. ВЧ помехи возникают на выходах всех элементов схемы, т.к. они работают на большой частоте. Поэтому чтобы подавить шумы в местах их возникновения, размещаем керамические конденсаторы емкостью 0.1 мкФ на выходах элементов схемы.

 

6. Расчет надежности устройства


Под надёжностью устройства понимают свойство, обеспечивающее возможность выполнения этим устройством заданных функций с заданными параметрами (характеристиками), в определённых условиях эксплуатации и в течение требуемого интервала времени. Состояние устройства, при котором оно выполняет заданные функции с заданными характеристиками, называют работоспособностью. Свойство устройства сохранять работоспособность в течение требуемого интервала времени называют безотказностью. Нарушение работоспособности устройства называют отказом. Существует, также, понятие ремонтопригодности устройства, заключающееся в возможности предупреждения, обнаружения и устранения отказов путём проведения ремонтов и технического обслуживания.

Часто рассматривают предельное состояние устройства, при достижении которого дальнейшая его эксплуатация прекращается по соображениям безопасности или эффективности. Сохранение работоспособности (при установленной системе технического обслуживания и ремонтов) до предельного состояния называют долговечностью [11].

Таким образом, потенциальной свойство системы - её надёжность в общем случае проявляется в виде составляющих: безотказности, ремонтопригодности и долговечности. В зависимости от назначения системы каждая из указанных составляющих может иметь большее или меньшее значение.

Повышение надёжности является одним из главных направлений повышения качества аппаратуры. Повышенное внимание к вопросам надёжности устройств обусловлено появлением комплексов, состоящих из большого числа устройств, выполняющих различные функции. При этом выход из строя даже одного блока может вызвать нарушение работы всей системы в целом. Поиск такой неисправности может занимать, достаточно большой период времени, что естественно может негативно отразиться на объекте, для которого, и предназначена данная аппаратура.

Исходя из всего сказанного, очень важно оценить надёжность аппаратуры. Обычно надёжность аппаратуры оценивается с помощью вероятностных характеристик. Одной из таких характеристик является вероятность безотказной работы P(t):

(6.1)

где f (t) - плотность распределения вероятности отказа.

При расчёте надёжности аппаратуры принимаются следующие допущения:

•все элементы системы в смысле надёжности соединены последовательно, то есть отказ любого элемента приводит к отказу всей системы;

•отказы элементов являются случайными и независимыми;

•интенсивность отказов всех элементов системы не зависит от времени, то есть время работы до отказа элементов и всей системы распределено по экспоненциальному закону.

При расчёте надёжности разрабатываемой аппаратуры, также, возникают дополнительные сложности:

. оборудование имеет непостоянный состав (в зависимости от конкретного применения). Разные модули имеют различную надёжность, а следовательно будут меняться надёжность аппаратуры в целом.

. интенсивность отказа для многих элементов аппаратуры неизвестна или известна весьма ориентировочно (в основном для микросхем).

В связи с этим, расчёт надёжности можно произвести лишь к очень приблизительно. Произведём оценочный расчёт надежности модуля обработки информации. Интенсивность отказов радиоэлементов приведена в таблице 6.1.

Таблица 6.1

Наименование

Количество,Ni , ШТ .

lmin*10-6-1.

lmax*10-6-1

lNi*10-6, ч-1






min

max

1

Микросхемы

16

2,4

2,5

38,4

40

Резисторы CAT16

51

0,2

0,6

10,2

30,6

3

Конденсаторы CAP SMD 0603

66

0,5

0,7

33

46,2

4

Конденсаторы Tantal SMD

11

1,2

2,0

13,2

22

5

Диоды

2

0,3

0,5

0,6

1,0

7

Разъёмы

33

0,2

1,0

6,6

3,3

8

Соединения паянные

398

0,01

0,02

3,98

7,96


Используя данные таблицы, определим параметр потока отказов по формуле:

(6.2)

где S - количество функциональных частей аппаратуры.

Таким образом имеем:

(6.3)

(6.4)

Наработка на отказ вычисляется по формуле:

(6.4)

Подставляя в неё вычисленные значения lmax и lmin получаем:

(6,5)

Отсюда легко можно определить и среднее значение наработки на отказ:

 

7. Разработка алгоритма программы обработки информации


Модуль обработки сигналов (МОС) является устройством осуществляющий обработку информации в многозадачном режиме реального времени.

Алгоритм функционирования устройства включает в себя следующие части

Инициализация процессов и задач

Выполнение основного цикла задачи, которая запускается событиями, возникающими в системе.

 

.1 Алгоритм инициализации МОСа


Алгоритм инициализации МОСа можно разбить на несколько этапов:

Установка режима аппаратных средств

Установка векторов прерываний

Установка параметров вычислительной и периодической задачи

В блоках с 1 по 7 идет установка режимов работы устройств входящих в состав МОС.

В блоках с 8 по 15 устанавливаем вектора аппаратных и программных прерываний.

В оставшихся блоках 16,17 устанавливаем параметры вычислительной и периодической задачи.

Блок схема алгоритма инициализации представлена на рисунке 7.1

Рисунок 7.1

7.2 Алгоритм обработки внешнего аппаратного прерывания контроллера ввода ПДП

Обработка аппаратных прерываний выполняется до завершения подпрограммы обработки прерывания и не может быть прервана, поэтому подпрограмма должна быть минимального размера. Блок схема алгоритма приведена на рисунке 7.2

Рисунок 7.2

7.3 Алгоритм обработки программного прерывания контроллера ввода ПДП

Если прерывание пришло от контроллера ввода, то устанавливаем указатель на начало буфера ввода, номер блока данных 0. Если прерывание пришло от вычислительной задачи, то устанавливаем указатель буфера входных данных равным сумме начального адреса буфера данных, плюс произведение номера блока на размер блока. После чего программируем контроллер ввода в соответствии с перешедшим кодом прерывания. Блок схема алгоритма представлена на рисунке 7.3

Рисунок 7.3

7.4 Алгоритм обработки программного прерывания сторожевым таймером WDT

По истечению временного интервала WDT таймер формирует аппаратное прерывание.

В обработчике прерывания происходит уменьшение времени ожидания выполнения основного цикла программы (программный WDT таймер). Если интервал программного WDT таймера истек, то проверяется условие, МОС работает в автономном режиме, если нет, то выдается прерывание ведомому процессору по PCI, после чего задача ставится в режим останова и происходит сброс сторожевого таймера.

Блок схема алгоритма приведена на рисунке 7.4

рисунок 7.4

7.5 Алгоритм вычислительной задачи

В алгоритме вычислительной задачи необходимо:

.Определить какой блок пришел для обработки первый, промежуточный или последний.

.Обработать блок данных в соответствии с алгоритмом вычислительной подпрограммы.

Блок схема алгоритма вычислительной задачи приведена на рисунке

рисунок 7.5

7.6 Вычислительная подпрограмма

В качестве примера вычислительной подпрограммы используем алгоритм Быстрого Преобразования Фурье (БПФ).

Цель данного раздела ознакомится со средствами программирования CCS. Я зыка программирования Си и Ассемблера для процессоров семейства С6000.

Программа БПФ осуществляет преобразование отсчетов массива X размерностью [nx] из временной области в частотную область. Входные выходные данные размещаются в одном массиве (в одной области памяти). Массив коэффициентов БПФ размещается в массиве [W] n элементов, учитывая, что все данные являются комплексными числами, каждый элемент данных представлен действительной и мнимой составляющей.

Функция FFT_P2 вычисляет БПФ, для числа массивов размерностью n элементов массива [nx] являющейся степенью числа 2(2<=nx<=215)

Входные выходные значения и коэффициенты БПФ загружаются, как 16 разрядные целые числа ассемблерная реализация функции использует порядок расположения байт от младшего к старшему.

Основная вычислительная программа написана на языке программирования Си и использует функцию БПФ (CALC_FFT). И использует функцию реализующую на языке ассемблера TMSC 6000, и написанную в соответствии с согласия о вызовах и передаче параметров языка Си.

Эквивалент функции написанной на языке Си (алгоритм реализуемой ассемблерной функции представлен ниже)

/***************************************************************************/

/* */

/* CALC_FFT.C */

/* */

/* Функция БПФ  */

/* */

/************************************************************/

/* Вызов функции быстрого преобразования Фурье */

fft_p2(x_buffer, x_number, w_buffer);

/* Определение функции быстрого преобразования Фурье */

static void fft_p2(short x[], short nx, short w[])

{n1, n2, ie, ia, i, j, k, m;xt, yt, c, s;= nx;= 1;(k = nx; k > 1; k = (k >> 1)) {= n2;= n2 >> 1;= 0;(j = 0; j < n2; j++) {= w[2 * ia];= w[2 * ia + 1];= ia + ie;(i = j; i < nx; i += n1) {= i + n2;= x[2 * m] - x[2 * i];[2 * i] = x[2 * i] + x[2 * m];= x[2 * m + 1] - x[2 * i + 1];[2 * i + 1] = x[2 * i + 1] + x[2 * m + 1];[2 * m] = (c * xt + s * yt) >> 15;[2 * m + 1] = (c * xt - s * yt) >> 15;

}

}

ie = ie << 1;

}

return;

}

Функция CALC_FFT реализует БПФ с разряжением по частоте. Коэффициенты W берутся из массива элементы которого вычисляются в соответствии с выражением , где К специальный коэффициент в программе не вычисляется.

Приведенный выше текст программы на языке Си является алгоритмом для программы для программы языка Ассемблер.

В соответствии с этим алгоритмом выполним программу на языке Ассемблера оптимизированную для процессора TMS320C6701.

; Модуль FFT_P2.ASM реализации функции быстрого преобразования Фурье

; на ассемблере цифрового сигнального процессора TMS семейства 6000

; для программы CALC_FFT.C

.sect ".cod"; секция кода

.ref _fft_p2; точка входа C

; Вызов функции быстрого преобразования Фурье */

; fft_p2(x_buffer, x_number, w_buffer);

; B, S1FFT_P2

; LDH.D2T2*+DP[0x400], B4

; MVK.S10x0000, A4

; MVK.S220x0400, B5

;ADD.SIXA4, DP, A4

;||ADD.D2DP, B5, B5

;||MVK.S20X2F6B, B3

;MV.SIXB5, A6

;||MVKH.S20x0000, B3

; Определение функции быстрого преобразования Фурье

; void fft_p2(short x[], short nx, short w[])

; {

; Cмещение параметров функци от вершины стека:

; указатель на массив значений x[] - 0x01

; указатель на массив коэффициентов w[] - 0x03

; число отсчетов БПФ nx - 0x04

FFT_P2:

ADDK-40, SP, *+SP[0x3], *+SP[0x4], *+SP[0x1]

; short n1, n2, ie, ia, i, j, k, m;

; short xt, yt, c, s;

; Cмещение локальных переменных от вершины стека:

; n1 - 0x08

; n2 - 0x09

; ie - 0x0A

; ia - 0x0B

; i - 0x0C

; i - 0x0D

; k - 0x0E

; m - 0x0F

; xt - 0x10

; yt - 0x11

; c - 0x12

; s - 0x13

; n2 = nx;*+SP[0x4],B4, *+SP[0x9]

; ie = 1;x0001,B4, *+SP[0xA]

; for (k = nx; k > 1; k = (k >> 1)) {*+SP[0x4], B4, *+ SP[0xE]_K:LDH*+SP[0xE], B4_RET

; n1 = n2;*+SP[0x9], B4,*+SP[0x8]

; n2 = n2 >> 1;*+SP[0x9], B4, 0x1, B4,*+SP[0x9]

; ia = 0;,*+SP[0x8]

; for (j = 0; j < n2; j++) {,*+SP[0xD]_J:LDH*+SP[0xD], B5*+SP[0x9], B4, B4, B0_CHECK_K

; c = w[2 * ia];*+SP[0xB], B4*+SP[0x3], B5, B4, B4*+SP[0x0], B4,*+SP[0x12]

; s = w[2 * ia + 1];*+SP[0xB], B4, B4, B4, 0x1, B4*+B5[B4], B4,*+SP[0x13]

; ia = ia + ie;*+SP[0xA], B5*+B5[0xB], B4, B4, B4,*+SP[0x1B]

; for (i = j; i < nx; i += n1) {*+SP[0xD], B5*+B5[0x4], B4, *+SP[0xC]_I:LDH*+B5[0xC], B5, B4, B0_CHECK_J

; m = i + n2;*+SP[0xC], B5*+SP[0x9], B4, B5, B4, *+SP[0xF]

; xt = x[2 * m] - x[2 * i];*+SP[0x1], A4*+SP[0xC], A5*+SP[0xF], A0, A5, A4

||MVA4, A3, A0, A0*+A4[0x0], A3*+A0[0x0], B4, A3, B4, *+SP[0x10]

; x[2 * i] = x[2 * i] + x[2 * m];*+SP[0x1], A5*+SP[0xF], A0*+SP[0xC], A3, A4, A0, A0*+A0[0x0], A0*+SP[0xC], A3

||ADDAWA5, A3, A5*+A5[0x0], A5, A5, A0

||ADDAWA4, A3, A3, *+A3[0x0]

; yt = x[2 * m + 1] - x[2 * i + 1];*+SP[0xC], B5*+SP[0xF], B4*+SP[0x1], A3, B5, B5, B4, B4

||ADD1, B5, A0, B4, A3

||MVA3, A4

||LDH*+A3[A0], A0*+A4[A3], A3, A0, A0, *+SP[0x11]

; x[2 * i + 1] = x[2 * i + 1] + x[2 * m + 1];*+SP[0xC], B4*+SP[0xF], B6, A3, B5, B4, B4

||ADDB6, B6, B6, B4, B4

||LDH*+SP [0xC], B6

||ADD1, B6, A0*+B5[B4], B4

||LDH*+A3[A0], A0, B6, B6, 0x1, B4

||ADDA0, B4, A0, *+B5[B4]

; x[2 * m] = (c * xt + s * yt) >> 15;*+SP[0x12], B5*+SP[0x13], B6*+SP[0x10], B4*+SP[0x11], B7*+SP[0xF], A0*+SP[0x1], A3, B5, B4, B6, B5, B4, B4, 0xF, B4

||ADDAWA3, A0, A0, *+A0[0x0]

; x[2 * m + 1] = (c * xt - s * yt) >> 15;*+SP[0x13], B4*+SP[0x10], B6*+SP[0x12], B8*+SP[0x11], B5*+SP[0xF], B7*+SP[0x1], B8

||MPYB6, B8, B6, B4, B4, B7, B5, B4, B4, 0x1, B5

||SHRB4, 0xF, B4, *+B8[B5]

; }*+SP[0xC], B4*+SP[0x8], B5, B4, B4, *+B8[0xC]*+SP[0x4], B5*+SP[0xC], B4, B5, B0_I

; }_CHECK_J:LDH*+SP[0xD], B4*+SP[0x9], B5, B4, B4, *+B8[0xD]*+SP[0xD], B4, B5, B0_J

; ie = ie << 1;*+SP[0xA], B4, B4, B4, *+SP[0xA]

; }_CHECK_K:*+SP[0xE], B4, 0x1, B4, *+SP[0xE], B4, B0_K

; return;

; }_RET:.S2B3, SP4

8. Экспериментальная часть


В экспериментальной части осуществим выполнение вычислительной подпрограммы описанной в предыдущем пункте.

Выполнение подпрограммы произведем в интегрированной среде разработки Code Composer Studio (CCS).

Цикл разработки с использованием CCS

CCS является полностью законченной интегрированной отладочной средой разработчика, которая объединяет в себе все необходимые средства для проведения полного цикла разработки от конфигурирования системы, написания и компилирования программы до отладки и анализа проведения алгоритма.

Интегрированная среда разработки

CCS, как уже отмечалось выше, представляет собой интегрированную среду, совмещая в едином продукте все необходимое для разработки и позволяя работать в едином удобном оконном интерфейсе, а не переключатся между несколькими программными продуктами. В пределах рабочего стола CCS размещаются все необходимые окна, системы меню и конфигурируемые панели инструментов, которые позволяют осуществлять легкий и удобный доступ к часто используемым действиям, избавляя пользователя от необходимости выбирать их из достаточно разветвленной системы меню.

Конфигурация рабочего места стола CCS практически произвольно задается пользователем и может быть сохранена в специальном файле настроек.

Интегрированный редактор

Для редактирования файлов в CCS используется встроенный многооконный редактор с дружественным оконным интерфейсом, аналогичным используемому в MS Visual C++, но имеющий специфические необходимые для DSP расширения. Встроенный редактор имеет систему подсветки синтаксиса для всех типов, используемых в CCS файлов. Написание, редактирование и отладка кода производится в едином интерфейсе. Удобству работы способствуют такие функциональные возможности как контекстно зависимые меню, вызываемые правой кнопкой мыши, и плавающие конфигурируемые панели инструментов. Интересной особенностью редактора является включение в контекстно-зависимую систему помощи и систему проверки синтаксиса описания системы команд отлаживаемого DSP, что во многих случаях избавляет от необходимости держать на столе пару лишних томов документации и периодически в них заглядывать.

Средства генерации кода

В состав CCS входит специально разработанные TI (Texas Instrument) для ЦОС-применений средства генерации кода. Причем для каждого семейства ЦСП имеется свой набор таких средств, ориентированный на получение наиболее оптимального кода. Эффективность выходного кода достигается максимальным использованием ЦСП при построении кода с учетом спецификации его архитектуры.

Средства визуализации данных

Встроенные средства визуализации данных позволяют просматривать данные и сигналы в их оригинальных форматах во множестве окон просмотра. Окна просмотра присоединяются к точкам подключения, и их содержимое изменяется в реальном масштабе времени во время выполнения программы. В состав CCS включены стандартные окна просмотра как классических обработчиков, таких как БПФ, так и для популярных коммуникационных форматов, таких как глаз-диаграмма, созвездие, а также средства отображения изображений.

В интегрированной среде разработки Code Composer Studio произведем выполнения вычислительной подпрограммы быстрого преобразования Фурье для процессора TMS320C6701 написанной на языке Си, с последующей генерацией кода на языке Ассемблера.

Ниже на рисунках 8.1(а), 8.1(б), 8.1(в) представлено выполнение подпрограммы в режиме симулятора ССS.


рисунок 8.1а

рисунок 8.1 б

рисунок 8.1 в

На рисунке 8.1 (а) в нижнем окне отмечено, что компиляция Си программы в код Ассемблера удачно завершен количество ошибок 0.

Рисунок 8.2(б) отображает выполнение программы БПФ, в нижнем окне указывается количество тактов. На следующем рисунке 8.2(б) отображено завершение программы и конечное количество тактов которое затратил процессор на ее выполнение.

 

9. Экономическая часть

 

.1 Разработка ленточного графика


Для определения трудоемкости выполнения научно - исследовательских и работ и опытно - конструкторских работ, прежде всего, составляют перечень всех основных этапов и видов работ, которые должны быть выполнены в ходе осуществления данной научно - исследовательской работы. При этом способе внимание уделяется логическому упорядочению последовательности выполнения отдельных видов работ. В основе такого упорядочения лежит анализ смыслового содержания каждого вида работ и установление взаимосвязи между видами работ. Перечень этапов работ представлен в таблице 9.1

Одной из основных целей планирования научно - исследовательской работы является определение общей продолжительности её проведения. В качестве метода планирования вбираем ленточный график, так как НИР не продолжительна, число исполнителей небольшое и этапы работ следует последовательно. Ленточный график представлен на рисунке 9.1

При проведении дипломного проектирования по теме “Устройство обработки информации на базе сигнального процессора TMS320C6701” выделяются следующие этапы.

.Подготовительный этап. На этом этапе производится анализ существующей литературы по темам, касающихся проводимых исследований, разрабатывается технико-экономическое обоснование темы, выполняются необходимые расчеты, разрабатываются методика исследований и методика проведения экспериментов.

.Разработка теоретической части НИР. На этом этапе выполняется научная проработка с целью обоснования параметров и характеристик разрабатываемой системы, определяется концепция построения системы, выбираются и обосновываются принципы организации и функционирования системы.

.Разработка программных модулей. Разрабатывается необходимое программное обеспечение(ПО) для проведения экспериментов.

.Тестирование и отладка программы. Осуществляется тестирование ПО с целью поиска и удаления ошибок в программе.

.Подготовка экспериментов. Выполняется подготовка исходных данных для проведения экспериментов.

.Эксперимент. Проводится серия экспериментов с использованием разработанного ПО с целью проверки достижимости параметров и характеристик системы, определенных на этапе 2.

.Корректировка теоретической части НИР. Уточняются вопросы организации и функционирования системы, вносятся изменения, обусловленные проводимыми экспериментами.

.Выводы и предложения по НИР.

.Оформление отчета по НИР.

.Сдача темы заказчику.

Таблица 9.1

Этапы

Исполнитель

Продолжительность

1

Подготовительный

инженер

10

2

Разработка теоретической части

руководитель инженер

6

3

Разработка программных модулей

инженер

28

4

Тестирование и отладка программы

инженер

15

5

Подготовка экспериментов

инженер

1

Этапы

Исполнитель

Продолжительность

 

6

Эксперимент

Инженер

2

 

7

Корректировка теоретической части НИР

руководитель инженер

3

 

8

Выводы и предложения по НИР

руководитель инженер

3

 

9

Оформление отчета

Инженер

10

 

10

Сдача темы заказчику

Инженер

2

 

рисунок 9.1 Ленточный график

9.2 Составление сметы затрат на разработку и расчет цены НИР


Целью планирования себестоимости проведения НИР является экономически обоснованное определение величины затрат на ее выполнение. В плановую себестоимость НИР включаются все затраты, связанные с ее выполнением, независимо от источника их финансирования. Определение затрат на НИР производится путем составления калькуляции плановой себестоимости. Она является основным документом, на основе которого осуществляется планирование и учет затрат на выполнение НИР.

Для определения сметы затрат на проведение НИР рассматриваются следующие статьи затрат.

. Затраты на материалы.

Сумма расходов определяется по формуле

,

где количество единиц i -го материала,

стоимость единицы i -го материала,

число материалов.

Таблица 9.2 Расчет затрат на приобретение материалов

Вид материалов

количество

цена за единицу, руб.

Итого расходов, руб.

Дискеты

5

10

50

Бумага

1 пачка

110

110

Картридж для принтера

1

600

600

Итого:



760


. Основная заработная плата.

В разработке принимали участие два исполнителя: руководитель темы (оклад 3000 руб. на 1.04.02) и инженер (оклад1500 руб. на 1.04.02.). Руководителем затрачено на разработку 13 дней, инженером - 80 дней при месячном фонде времени одного разработчика 22 дня.

,

где Оi - оклад i - го исполнителя разработок (руб.),

Тi - время, затраченное i - м исполнителем (дни),

Fi - месячный фонд времени i - го разработчика (дни),

N - число разработчиков.

Зосн = 3000/22*13 + 1500/22*80 = 7227.27

. Дополнительная заработная плата рассчитывается как 10% от основной заработной платы.

Здоп = 0.1* Зосн

Здоп = 0.1*7227.27 = 722.727

. Отчисления на социальные нужды составляют 35.6% от основной заработной платы.

Зсоц = 0.356* Зосн

Зсоц = 0.356* 7227.27 = 2572.9

. Амортизация оборудования

,

где Собор - первоначальная стоимость оборудования,

Тдн - количество дней использования оборудования для проведения 0НИР,

Тр.дн - количество рабочих дней в году,

На - норма амортизации (20%).

Таблица 9.3 Расчет амортизации оборудования

Наименование оборудования

Стоимость, руб.

Время использования оборудования, дни

Итого, руб.

ПК на базе процессора Pentium III

18000

50

692,30

Принтер Canon BJC - 210

2560

25

49,2

Лицензионное программное обеспечение

8700

50

334,61

Итого:



1076,11


. Накладные расходы составляют 56,9% от четырех статей калькуляции.

Зн = 0.569 (Зм + Зосн + Зсоц + За + Здоп)

Зн = 0.569 (760 + 7227.27 + 2572.9 + 1076.11 + 722.727) = 7032.27

. Сметная стоимость составляет сумму шести статей калькуляции

Зсм = Зм + Зосн + Зсоц + За + Зн + Здоп

Зсм = 760 + 7227.27 + 2572.9 + 1076.11 + 7032.27 + 722.727 = 19391.27

. Прибыль составляет 25% от сметной стоимости


Пр = 0.25* 19391.27 = 4847.82

. Произведем расчет рыночной цены на разработанную продукцию

Цнир = Зсм + Пр

Цнир = 19391.27 + 4847.82 = 24239.08

 

9.3 Выводы по эффективности проекта


В данном диплом проекте разработано устройство обработки информации, которое входит в состав МВК и является устройством, которое определяет его производительность.

Устройство обработки информации состоит из двух модулей, которые включают в себя по два высокопроизводительных процессора TMS320C6701.

Разбиение устройства на несколько модулей позволяет наращивать производительность МВК в несколько раз путем подключения дополнительных модулей.

Рассматривая аналоги устройств обработки информации, построенные на процессорах других фирм, таких как Analog Device(21060LCW-160), Motorola(96002). Можно убедится в том, что эти устройства будут в несколько раз дороже, иметь большие габариты при заданной производительности.

Исходя из вышесказанного можно сделать вывод о том, что разработанное устройство в настоящее время является одним из самых производительных устройств для своего класса, имеет малые габариты, низкое энергопотребление.

Применение данного устройства позволит увеличить вычислительную мощность МВК во много раз, что говорит об его эффективности использования.

 

10. Безопасность и экологичность проекта


Свойства элементов окружающей человека среды и их состояния могут быть самыми разнообразными по отношению к человеку: благоприятными, не создающими угрозы здоровью человека, и неблагоприятными, когда такая угроза возникает. Неблагоприятные условия отождествляются с опасностью. Потенциальная опасность является одним из качеств любой деятельности. Под опасностью подразумеваются такие явления, процессы, объекты, воздействия, которые способны в определенных условиях наносить ущерб здоровью человека непосредственно или косвенно.

Для того чтобы условия труда не причиняли вреда здоровью человека необходимо выявлять и предупреждать, ограничивать или устранять опасные и вредные факторы производства, нормализовывать санитарно-гигиенические параметры производственной среды, защищать окружающую природную среду.

В данном дипломном проекте разрабатывается устройство обработки информации на базе цифрового сигнального процессора, устройство разрабатывается с применением ЭВМ в вычислительных центрах (ВЦ).

Труд персонала, принимающего участие в разработке, все более исключает физические усилия и переходит в разряд умственного труда. При этом соответственно снижаются физические и возрастают психофизиологические нагрузки, поэтому внимание в разделе сосредотачивается на освещении борьбы с некоторыми отрицательными проявлениями научно-технического прогресса, например, с нервно-психическими перегрузками людей, работавших на ЭВМ. Любая деятельность в современных условиях сопровождается повышением психофизиологической напряженности, увеличением информационной и нервно-эмоциональной нагрузок на человека, появлением новых физических видов воздействия на работающих. Ограничение подвижности людей, неравномерность мышечной и психологической нагрузок способствует развитию утомления и созданию предпосылок для травматизма, заболеваний и ошибок.

Цель раздела - помочь сделать труд человека не только безопасным, но и комфортным. Практическая реализация требований по охране труда способствует улучшению условий труда, снижению утомляемости, повышению работоспособности и сохранению здоровья работников вычислительного центра.

10.1 Опасные и вредные факторы в условиях ВЦ


Имеющийся в настоящее время комплекс разработанных организационных мероприятий и технических средств защиты, накопленный опыт работы ряда вычислительных центров показывают, что имеется возможность добиться значительных успехов в деле устранения воздействия опасных и вредных производственных факторов на работающих. Однако состояние условий труда и его безопасности в ряде ВЦ еще не удовлетворяют современным требованиям. Операторы ЭВМ, операторы по подготовке данных, программисты и другие работники ВЦ сталкиваются с воздействием таких опасных и вредных производственных факторов, как повышенный уровень шума, повышенная температура внешней среды, отсутствие или недостаток естественного света, недостаточная освещенность рабочей зоны, электрический ток, статическое электричество и другие.

Все вышеперечисленные факторы с учетом источников их происхождения можно свести в матрицу опасных и вредных производственных факторов (Таблица 10.1).

Таблица 10.1 Матрица опасных и вредных производственных факторов.


10.2 Анализ условий труда оператора вычислительной техники с оценкой тяжести и напряженности труда


Работа оператора ЭВМ связана с воздействием следующих психофизиологических факторов:

·   умственное перенапряжение;

·   эмоциональные перегрузки - гиподинамия;

·   перенапряжение зрительных и слуховых органов;

·   монотонность труда;

·   взаимоотношения в коллективе.

Воздействие указанных неблагоприятных факторов приводит к снижению работоспособности, вызываемому развивающимся утомлением. Появление и развитие утомления связано с изменениями, возникающими в процессе работы в центральной нервной системе, с тормозными процессами в коре головного мозга. Длительное нахождение оператора в зоне комбинированного воздействия различных неблагоприятных факторов может привести к профессиональному заболеванию.

10.2.1 Повышенный уровень шума

Повышенный шум вызывает трудности в распознавании цветовых сигналов, снижает быстроту восприятия цвета, остроту зрения, снижает способность быстро и точно выполнять координированные движения, уменьшает на 5-12% производительность труда. Длительное воздействие шума с уровнем звукового давления 90 дБ снижает производительность труда до 60%.

Причинами возникновения шума в ВЦ являются:

·   механический шум, обусловленный колебаниями аппаратуры (движение и удары головки принтера, механизмы подачи бумаги и красящей ленты);

·   шум, возникающий при образовании потоков воздуха вентилятором и кондиционером;

·   колебания, возникающие под действием электромагнитного поля в устройствах преобразования и стабилизации напряжения, а также люминесцентные лампы.

Требования к уровню шума определяются стандартными нормами. В помещениях программистов и операторов ЭВМ средний уровень шума не должен превышать 50 дБА, в помещениях для инженерно-технических работников 60 дБА. Мерами защиты от шума являются: акустические защитные перегородки, звукопоглощающее покрытие. На предприятии применяются звукопоглощающие покрытия, которые и будем использовать в данном ВЦ [ГОСТ 12.1.003-83]

10.2.2 Микроклимат в ВЦ

Как правило, все ВЦ имеют повышенную температуру помещений. Это связано с выделением тепла непосредственно от ЭВМ (до 80%). Незначительное количество составляет тепло, выделяемое вспомогательным оборудованием, приборами освещения и поступающее извне. В производственных помещениях, где выполняются работы с вычислительной техникой, величины температуры, относительной влажности и скорости движения воздуха в рабочей зоне должны соответствовать оптимальным значениям: в холодный период года - 22-24 оС, в теплый период - 23-25 оС; относительная влажность 40-60%; скорость движения воздуха - не более 0.1м/с. Повышенная температура воздуха на рабочем месте оператора снижает производительность труда, вызывает преждевременное утомление, притупляет внимание, ухудшает качественные показатели и может оказаться причиной заболевания. Для устранения вредного воздействия этого фактора необходимо проводить измерения параметров микроклимата не реже трех раз в смену. Помещения должны иметь, и имеют централизованную приточно-вытяжную вентиляцию и оконные кондиционеры [ГОСТ 12.1.005 - 88].

10.2.3 Освещенность ВЦ

Важную роль в работе операторов ЭВМ играет освещение. Оно должно соответствовать нормам СНиП 23-05-95. Недостаточное освещение вызывает преждевременное утомление, притупляет внимание, приводит к ошибкам в работе, ухудшает нормальную производственную деятельность пользователя, снижает остроту зрения и может оказаться причиной несчастного случая. Каждое помещение с дисплеями должно иметь естественное и искусственное освещение. Естественное освещение должно осуществляться через боковые светопроемы (окна), ориентированные преимущественно на северную сторону. Помимо естественного в помещения обязательно присутствует искусственное освещение. Рекомендуется система с использованием люминесцентных ламп типа ЛБ и светильников отраженного или рассеянного светораспределения, расположенных в равномерном прямоугольном порядке. Одним из мероприятий по устранению зрительного дискомфорта из-за недостаточного освещения является измерение освещенности. Нормируемое значение освещенности - 200лк.

10.2.4 Опасность поражения электрическим током

Электрические установки, к которым относится практически все оборудование ВЦ, представляют для человека большую потенциальную опасность. Токоведущие проводники, корпуса ЭВМ и прочего оборудования могут оказаться под напряжением в результате повреждения или пробоя изоляции, короткого замыкания, искрения, перегрузки проводников, плохих контактов. Проходя через тело человека, электрический ток оказывает термическое, электролитическое, механическое и биологическое воздействие на человека, вызывая ожоги, электротравмы, пожары.

10.2.5 Меры обеспечения безопасности поражения электрическим током

Для уменьшения риска поражения электрическим током используется защитное заземление согласно [ПУЭ]. Помещения ВЦ оборудуют контуром-шиной защитного заземления, электрически соединенной с заземлителем. Контур-шина укладывается в виде сетки под всей площадью, занимаемой ЭВМ. Все подлежащие заземлению элементы ЭВМ присоединяют к контуру-шине отдельными заземляющими проводниками, не допуская их последовательного включения. Подводка питания к ЭВМ осуществляется под съемными полами. Сети аварийного освещения и сигнализации проложены отдельно от других силовых и контрольных кабелей.[ПУЭ]

10.2.6 Статическое напряжение

К общим мерам защиты от статического электричества в ВЦ можно отнести общее и местное увлажнение воздуха. При относительной влажности воздуха 85% и более зарядов статического электричества практически не возникает. Но наличие сырости (относительная влажность >75%) в помещении является признаком повышенной опасности поражения человека электрическим током. Нормой относительной влажности воздуха, обеспечивающей защиту от статической электризации, считается величина не превышающая 60% [ГОСТ 12.1.083 - 88].

10.2.7 Электромагнитное излучение и уровень радиации в ВЦ

Видеотерминалы являются источником наиболее опасного фактора вредного воздействия - широкополосного спектра электромагнитных излучений: рентгеновского, ультрафиолетового (УФ), инфракрасного излучения, электромагнитных излучений промышленной частоты. В реальных условиях уровни УФ-излучения, исходящего от терминала (320 - 400 мкм), в десятки раз ниже допустимого уровня 10 Вт/см. То же можно сказать и о мягком рентгеновском излучении, которое в несколько раз ниже нормы 100 мкР/ч. Большинство мониторов создает повышенный уровень электростатического поля: отечественные мониторы создают напряженность электростатического поля, в 10 раз превышающую норму в 20кВ/м. Слабые электромагнитные поля вызывают аллергию, тошноту, усталость, головные боли. ЭМП промышленной частоты повышают риск роста опухолей. Электромагнитные поля дисплеев могут инициировать изменения в клетках вплоть до нарушения синтеза ДНК. Для снижения уровня электромагнитного излучения необходимо располагать мониторы так, чтобы расстояние до них составляло величину, равную длине вытянутой руки. Пользователи должны находиться не ближе, чем на 1.2м от задних и боковых поверхностей соседних терминалов, т.к. источник высокого напряжения компьютера - строчный трансформатор помещается в задней или боковой части терминала, причем стенка корпуса не экранирует излучения. Для уменьшения интенсивности излучения рекомендуется устанавливать на экран монитора специальные экранирующие фильтры и экраны. Но так как некоторые фильтры предназначены только для снижения яркости и не создают никакой защиты от излучений, можно ставить либо экран типа "Полароид" СП-90 (USA), либо австрийские стеклянные экраны. Из отечественных фильтров рекомендуется использование фильтра "Золотой щит" и "Платиновый щит".

Для контроля излучения дисплеев необходимо проводить измерения по электрической и электромагнитной составляющим электромагнитных полей. Измерения производятся на расстоянии 30 см от центра экрана и со всех сторон дисплея на расстоянии 5 см от излучающих поверхностей. Заключение о соответствии рабочего места требованиям безопасности по электромагнитным полям принимается, если около дисплея и на расстоянии 30 см от излучающей поверхности напряженность по электрической составляющей ≤50В/м; по магнитной составляющей ≤5А/м при времени пребывания в зоне ЭМП в течение 8 часов. Необходимо также проводить измерения рентгеновского, а для цветных мониторов и ультрафиолетового излучения. Нормы [СН и П 2.-01.02-83] этих излучений были указаны выше. Для определения допустимого времени пребывания персонала в электростатическом поле (ЭСП) дисплея измеряют напряженность ЭСП. Измерения проводят на расстоянии 5 и 30 см от экрана по оси, перпендикулярной к центру экрана. Заключение о соответствии рабочего места требованиям безопасности по ЭСП принимается, если на расстоянии 5 и 30 см от поверхности экрана напряженность ЭСП не превышает допустимого уровня, указанного в таблице (Таблица 10.2).

Таблица 10.2 Допустимые уровни ЭСП на рабочем месте.

Время пребывания Т, ч

Уровни напряженности, кВ/м

До 1 1 - 8 Не регламентируется

60 50 ≤20

.2.8 Обеспечение пожарной безопасности и организационно-технические рекомендации по предотвращению пожара вычислительном центре

В вычислительных центрах существует также опасность возникновения пожаров. По пожарной опасности помещения вычислительных центров относятся к категории В. Пожарную нагрузку ВЦ составляют горючие материалы, используемые для изготовления ЭВМ и периферийных устройств, изоляционные материалы проводов и кабелей, шкафы, стеллажи, материалы, используемые для эстетической отделки, горючие строительные конструкции, а также различная мебель. Электрические контакты в ЭВМ и периферийном оборудовании являются их неотъемлемой частью, от правильной работы которых зависит не только нормальное функционирование сетей, устройств и аппаратов, но и состояние пожарной безопасности. Нагрев электрических контактов, который может быть причиной пожара, обусловливается существованием переходного сопротивления между контактирующими элементами.

При предъявлении требований к эксплуатации помещений следует руководствоваться "Инструкцией по проектированию зданий и помещений для ЭВМ" СНиП-512-78, утвержденной Госстроем 22.12.78 и ГОСТ 12.1.004-91. Все стены помещения должны быть несгораемые с пределом огнестойкости 0.75 часа, дверь трудно сгораемая с пределом огнестойкости 0.6 часа. Подводка питания к ЭВМ осуществляется под съемными полами. Сети аварийного освещения и сигнализации проложены отдельно от других силовых и контрольных кабелей. Плиты съемного пола трудно сгораемые, с пределом огнестойкости более 0.5 часа, опоры пола несгораемые. Система вентиляции ВЦ имеет устройства, обеспечивающие автоматическое отключение ее при пожаре. В связи с тем, что каждая ЭВМ имеет собственную систему охлаждения, нет необходимости в системе воздуховодов. ЭВМ имеют блокировку, обеспечивающую ее отключение при остановке систем охлаждения. Работы по ремонту узлов (блоков) ЭВМ непосредственно в машинном зале, как правило, не допускаются. В случае необходимости проведения ремонта или технического обслуживания в помещении допускается иметь не более 0.5 литра легковоспламеняющейся жидкости в небьющейся, плотно закрывающейся таре. Промывка съемных устройств допускается только в специальных помещениях, оборудованных приточно-вытяжной вентиляцией.

Профилактическая промывка ЭВМ и контрольно-измерительных приборов в каждом случае должна проводиться с письменного разрешения начальника ВЦ и после согласования с пожарной охраной. Один раз в квартал должна проводиться очистка от пыли всех агрегатов машин и их узлов, кабельных каналов, межпольного пространства.

В помещении ВЦ запрещается применять пленку на нитрооснове, групповые розетки на сгораемой основе, панели, ковры и дорожки из синтетических материалов, горючий материал для акустической отделки стен и потолков, загромождать пути эвакуации, ставить на окна глухие металлические решетки, после окончания работы, перед закрытием помещения все электрические сети должны быть обесточены.

При возникновении пожара в помещении ВЦ применяются ручные огнетушители. С их помощью можно быстро ликвидировать очаг возгорания или локализовать огонь до прибытия пожарной команды. Применяются ручные углекислотные огнетушители типа ОУ-2, ОУ-5, ОУ-8, углекислотно-бромэтиловые огнетушители типа ОУБ-7, порошковые типа ОПС-10, ОХП-10 и ручные воздушно-пенные огнетушители типа ОВП-5, ОВП-10.

10.2.9 Перегрузки эмоциональные и умственные

В настоящее время быстро меняется соотношение между физическим и умственным трудом. При умственной работе изменяются обменные процессы, но повышение общего обмена незначительно, оно не превышает 10-15 %. В отличие от физической работы при умственной работе происходит сужение сосудов конечностей и расширение сосудов внутренних органов, пульс изменяется незначительно.

10.2.10 Перенапряжение зрительных и слуховых органов

Центральная нервная система получает информацию от внешнего мира, внешней среды с помощью чувствительных аппаратов, воспринимающих сигналы. Большая часть информации поступает от зрительных и слуховых органов. Главная задача после этого - анализ информации. Основная характеристика анализаторов - высокая чувствительность, хотя не всякий раздражитель, действующий на анализатор, вызывает ощущение. Чтобы ощущение проявилось, необходимо определенная интенсивность раздражителя. Всякое воздействие, превышающее предел интенсивности, вызывает боль и нарушение деятельности анализаторов.

10.2.11 Монотонность

Монотонность - психическое состояние человека, вызванное однообразием восприятий или действий. Соответственно различают два вида монотонности: монотонность за счет информационной перегрузки одних и тех же нервных центров в результате поступления большого объема одинаковых сигналов при многократном повторении единообразных движений; монотонность, вызываемую однообразием восприятия, из-за постоянства информации и недостатка новой информации. Таким образом, общие признаки для всех видов монотонности - перегрузка информацией при выполнении работы или, наоборот, ее недостаток, что накладывает на функциональное состояние человека определенный отпечаток: работник (оператор) теряет интерес к выполняемой работе и у него возникает состояние, которое называется «производственной скукой». Монотонная работа вызывает переоценку продолжительности рабочего времени (смена кажется значительно длиннее), работник с нетерпением ждет окончания смены, его клонит ко сну. Монотонная работа отрицательно сказывается на эффективности производства: ухудшаются экономические показатели, повышаются травматизм и аварийность, растет текучесть кадров. Учитывая отрицательное влияние монотонности на эффективность производства, важно использовать все меры предупреждения этого нежелательного явления.

Для уменьшения влияния монотонности на человека необходимо применять оптимальные режимы труда и отдыха в течение рабочего дня. Кроме перерыва для приема пищи назначать в течение рабочего дня дополнительные короткие перерывы для отдыха всей смены или отдельного работника в удобное для него время. Устанавливать частоту и длительность перерывов необходимо, исходя из конкретных условий труда; при этом важно учитывать, что при монотонной работе целесообразны частые, но короткие перерывы - от 2 до 5 мин через час или полчаса работы. Необходимо соблюдать эстетичность производства и осуществлять функциональное музыкальное оформление производственного процесса.

10.2.12 Утомление

Под утомлением понимается процесс понижения работоспособности, временный упадок сил, возникающий при выполнении определенной физической или умственной работы. Различают быстро развивающееся утомление (первичное утомление) и медленно развивающееся утомление (вторичное утомление). Быстро развивающееся утомление наступает в результате выполнения работы, для которой требуются значительные физические усилия или значительное напряжение. Утомление в этом случае является следствием нарушения центральной координации, возникновения экстренных очагов торможения из-за несоответствия рабочего задания функциональным особенностям организма. Характерной особенностью первичного утомления является относительно быстрое восстановление функций организма после работы. Медленно развивающееся утомление характеризуется постепенным снижением работоспособности в результате привычной, но чрезмерно длительной или монотонной работы. Возникает этот вид утомления чаще всего до приобретения трудовых навыков. Предупреждение утомляемости, меры по повышению работоспособности - многоплановые проблема социального и физиологического характера. Научная организация труда, проводимая с целью повышения производительности труда и предупреждения утомления, значительно облегчает и улучшает условия труда, способствует улучшению состояния здоровья рабочих и служащих. Признаком переутомления является пониженная работоспособность в начале рабочего дня, мало отличающаяся от уровня работоспособности в последний час работы в предыдущей смене. Первая степень переутомления характерна быстрым падением работоспособности в течение рабочего дня. Вторая степень переутомления характеризуется снижением работоспособности против обычного уровня в первый час работы. Хроническое переутомление определяется следующими признаками: ощущением утомления еще до начала работы, повышенной раздражительностью, снижением интереса к работе, ослаблением интереса к окружающим, снижением аппетита, потерей веса, нарушением сна, трудным засыпанием и пробуждением, бессонницей и т.д.

10.2.13 Стресс

При стрессе вся деятельность организма сопровождается усилением функций систем человеческого организма: слуха, зрения, мышц и т.д. В настоящее время установлено, что стресс - это реакция адаптации к чрезвычайным, экстремальным условиям, как физиологическим, так и психическим. Для обеспечения безопасности труда необходимо организовывать так производственный процесс, чтобы он исключал стрессы. Вместе с тем необходимо, чтобы в аварийных условиях стресс не явился причиной неправильных действий и не ухудшил производственную обстановку. Поэтому очень важно в процессе профессионального обучения подготовить рабочего к работе в экстремальных и аварийных условиях так, чтобы стрессы не помешали ему в этих сложных условиях выполнить свои профессиональные обязанности. Эффективным средством профилактики стрессов при экстремальных условиях является профессиональная подготовка на тренажерах, имитирующих аварии.

10.3 Рабочее время и время отдыха


Рабочим называют время, в течение которого согласно правилам внутреннего трудового распорядка или другим документам рабочие и служащие должны выполнять трудовые обязанности. Нормальная продолжительность рабочего времени рабочих и служащих на предприятиях, в учреждениях и организациях не может превышать 41 час в неделю. Основным режимом работы является пятидневная рабочая неделя с двумя выходными днями. При пятидневной рабочей неделе продолжительность ежедневной работы определяется правилами внутреннего трудового распорядка или графиками сменности, составляемыми с соблюдением установленной продолжительности рабочей недели и утверждаемыми администрацией по согласованию с профсоюзным комитетом. При шестидневной рабочей неделе продолжительность ежедневной работы не может превышать 7ч при недельной норме 41ч., 6ч при недельной норме 36ч и 4ч при недельной норме 24ч. Графики сменности для операторов ВЦ, занятых на непрерывных круглосуточных работах, составляют на основе типовых графиков четырех сменного дежурства. Графики сменности регламентируют время начала и окончания рабочего дня, перерывов для отдыха и питания, порядок чередования смен.

Время отдыха включает перерывы для отдыха и питания, междусменные перерывы, выходные (еженедельный отдых) и праздничные дни и отпуска. Перерыв для отдыха и питания предоставляется в течение рабочего дня. Перерыв не включается в рабочее время.

10.4 Эргономичность рабочего места


Эргономика производства являются составными частями культуры производства, т.е. комплекса мер по организации труда, направленных на создание благоприятной рабочей обстановки. В основе повышения культуры производства лежат требования научной организации труда. Эргономика - наука, изучающая функциональные возможности человека в трудовых процессах с точки зрения анатомии, антропологии, гигиены, физиологии и психологии в целях создания орудий и условий труда, а также технологических процессов, наиболее соответствующих высокой производительности труда человека.

Для создания благоприятных условий труда в ВЦ необходимо учитывать психофизиологические особенности человека, а также общую гигиеническую обстановку. Важную роль играет планировка рабочего места, которая должна удовлетворять требованиям удобства выполнения работ и экономии энергии и времени оператора, рационального использования производственных площадей и удобства обслуживания устройств ЭВМ, соблюдения правил охраны труда. При планировке рабочего места необходимо учитывать зоны досягаемости рук оператора при расположении дисплеев, пультовой пишущей машинки, пульта ЭВМ. Эти зоны, установленные на основании антропометрических данных человеческого тела, дают возможность рационально разместить как по горизонтали, там и по вертикали клавиатуру пульта, его сигнализацию и т.п. При организации рабочего места следует принимать во внимание данные антропометрии. Движения работника должны быть такими, чтобы группы мышц его были нагружены равномерно, а лишние непроизводительные движения устранены. Кнопки для включения, выключения и переключения должны обеспечивать минимальные затраты мускульной и нервной энергии и отвечать эстетическим требованиям.

Во время работы часто возникают ситуации, в которых оператор ЭВМ должен за короткий срок принять правильное решение. Для успешного труда в таких условиях необходима рационально организованная окружающая среда, ограждающая работника от воздействия посторонних раздражителей, которыми могут быть мрачная окраска устройств ЭВМ и помещения ВЦ, неудобное расположение сигнализации, клавиш управления и т.п. Поэтому всеми средствами нужно снижать утомление и напряжение оператора ЭВМ, создавая обстановку производственного комфорта.

10.5 Рекомендации по организации рабочего места оператора и размещению средств труда


Производственная среда, являющаяся предметным окружением человека, должна сочетать в себе рациональное архитектурно-планировочное решение, оптимальные санитарно-гигиенические условия (микроклимат, освещение, отопление, вентиляция и др., научно обоснованную цветовую окраску и создание высокохудожественных интерьеров). Контроль степени соответствия пространственно-компоновочных параметров рабочих мест с дисплеями эргономическим требованиям следует осуществлять дифференциальным методом, при котором производится измерение отдельных эргономических параметров рабочих мест и сравнение их с нормативными значениями. Фактические значения пространственно-компоновочных параметров рабочих мест следует измерять с помощью метрически проверенных инструментов: линейки, углового шаблона, угломера. Рабочие места (Рисунок 10.1, Рисунок 10.2) должны соответствовать требованиям ГОСТов и технической эстетики.

Результаты проведенных измерений занесены в таблицу и сопоставлены с нормативными значениями (Таблица 10.3). При этом параметр считается соответствующим эргономическим требованиям, если его значение равно нормативному или отличается от него не более чем на ±10 мм по линейному параметру и на ±1о по угловому параметру.

Видеотерминалы должны располагаться на расстояния не менее одного метра от стен и 1.5 м между собой. На одного человека должно приходиться не менее 6 м2 площади и 19.5 м3 объема помещения. Окна должны быть расположены с одной стороны рабочих помещений.

Таблица 10.3 Карта эргономического контроля рабочего места.

Таблица 10.3 Карта эргономического контроля рабочего места (продолжение)

Рисунок. 10.1. Оптимальное размещение средств труда: 1 - окна, 2 - осветительные приборы на потолке, 3 - рабочие места.

10.6 Расчет освещенности помещения


Для расчета общего равномерного освещения помещения ВЦ воспользуемся методом светового потока (коэффициента использования). При расчете учитывается прямой свет от светильника и свет, отраженный от стен и потолка.

(10.6.1)

где Ф - световой поток, лм;

E- нормированная минимальная освещенность лм;

S - площадь освещаемого помещения, м2

k - коэффициент запаса, учитывающий запыленность светильников и износ источников света в процессе эксплуатации;

z - коэффициент неравномерности освещения ;

h - коэффициент использования излучаемого светильниками светового потока;

n - число светильников в помещении.

Работа оператора ВЦ связана с частым чтением индикаторной информации. Наименьший размер объекта различения равен 0,15-0,3 мм (СН и П 23-05-95), это соответствует работам, связанным с очень высокой точностью, разряд зрительных работ 2, под разряд «г». Так как в помещении данного ВЦ используется общий тип освещения и люминесцентные лампы, то освещенность принимается согласно СН и П 23-05-95 равной 300лк.

Выбираем симметричный способ размещения светильников, при котором светильники располагаются как вдоль, так и поперек помещения на одинаковом расстоянии по углам прямоугольника.

Обеспечения равномерного распределения освещенности достигается в том случае, если соотношение расстояния между центрами светильников L к высоте их подвеса над рабочей поверхностью Hс составит для люминесцентных ламп 1,5.

Высота расположения светильников над освещенной поверхностью вычисляется по формуле:

(10.6.2)

где H - общая высота помещения (3м);

hc - расстояние от потолка до нижней части светильника (0,2м);

Тогда Hc=3 - 0,2 - 0,7=2,1 (м).

Таким образом:

L=1,5Hc=3,15 (м).

Длина помещения а=7м, ширина помещения b=5м.

Площадь помещения S=35 м2.

Необходимое число светильников определяем по формуле:

(шт).

Вычислим показатель помещения:

Для используемых на предприятии светильников типа ОРД - 2 при коэффициенте отражения потолка, равном 0,7 и коэффициенте отражения стен, равном 0,5 величина коэффициента использования светового потока h в зависимости от показателя помещения I определяется из таблицы 10.4

Таблица 10.4 Коэффициент использования светового потока

I

0,5

0,6

0,8

1

1,5

2

3

4

5

h

0,21

0,24

0,3

0,35

0,42

0,46

0,52

0,54

0,57


Таким образом, при показателе помещения, равном 1,389, коэффициент использования светового потока осветительной установки 0,35-0,42.

Для люминесцентных светильников коэффициент неравномерности освещения z=1,1.

Коэффициент запаса, учитывающий снижение освещенности, в процессе эксплуатации осветительной установки, определим согласно таблицам СН и П 23 - 05 - 95. Для ВЦ с воздушной средой, содержащей не более 5 мг/м2 пыли примем k=1,5.

Имея все исходные данные, определим световой поток одного светильника по формуле (10.6.1):

По значению светового потока светильника определим его тип, и тип ламп используемых в нем согласно ГОСТ 6825-74. Для данного ВЦ используется лампа типа ЛБ - 80 (Фл=5220 лм).подходящая для светильника типа ОДОР - 2 *80.

Таким образом, для данного ВЦ площадью 35 м2 требуется 8 ламп и 4 светильника типа ОДОР - 2 *80.

Расположение светильников в помещении ВЦ представлено на рисунок.10.3




Сод

 

.7 Экологичность проекта


В последнее время в нашей стране большое внимание стало уделяться охране окружающей среды. Причина кроется главным образом в том, что в период НТР и демографического взрыва человечество столкнулось с нарастающими, по своим масштабам разрушительных воздействий на природу, последствиями своей деятельности. Эта деятельность повлекла за собой сильные изменения в природных условиях - загрязнение окружающей среды, атмосферы, водоемов.

Поэтому важно предусмотреть мероприятия, которые свели бы на минимум загрязнение окружающей среды от производства, проектируемого изделия.

В процессе производства необходимо внедрение безотходных технологий изготовления деталей и узлов, очистка и утилизация отходов. Особого внимания требует вопрос о замене спиртово-фреоновой смеси для промывки печатных плат на другую, например спирто-бензиновую, из-за разрушительного воздействия фреона на озоновый слой атмосферы. Большую опасность представляют также и вредные выделения, образующиеся в результате пайки.

Для устранения возможности попадания вышеуказанных веществ в окружающую среду необходимо проводить ряд мероприятий: очистка воздуха с помощью Специальных фильтров, очистка воды от примесей, организация замкнутого цикла производства.

Очистка воздуха производится с помощью фильтров на основе адсорбентов. Применяется адсорбция твердыми поглотителями, основанная на избирательном извлечении вредных компонентов газа, например активированным углем, диоксидом кремния (SiO2), цеолитами (молекулярные сита) - синтетическими алюмосиликатными кристаллическими веществами, обладающими большой поглотительной способностью и высокой избирательностью, даже при весьма малой концентрации удаляемых веществ в газе.

Замкнутое производство наиболее оптимально из-за того, что вода, очищенная от химических реактивов, используется на производстве многократно. Это позволит вообще прекратить сброс сточных вод в окружающую среду. Такой способ уже широко применяется на многих предприятиях нашей страны.

 

Заключение


В ходе дипломного проектирования было разработано много процессорное устройство обработки информации на базе ЦСП.

При разработке устройства было изучено большое количество теоретического материала, что было отображено в теоретической части, были рассмотрены варианты реализации данного устройства с использованием ЦСП ведущих мировых производителей, таких как Analog Device, Motorola и Texas Instrument

На основе приведенных расчетов и анализа изложенных в частях настоящего дипломного проекта было показано, что наиболее оптимальным с экономической и технической точек зрения для решения поставленной задачи является реализация устройства обработки информации на базе процессора фирмы Texas Instrument TMS320C6701.

Была разработана принципиальная электрическая схема устройства, произведен расчет обмена данными, а также выполнена эмуляция работы законченного устройства с использованием отладочного программного средства Code Composer Studio.

 

Список используемых источников


1. http:\\www.finestreet.ru

2. http:\\www.mka.ru

3. Витязев В.В. Микропроцессоры в системах управления. Учебное пособие РГРТА Рязань1996г.

4. Конструкторское Бюро «КОРУНД - М» каталог продукции издание третье. Москва 2000г.

5. Журнал «Цифровая обработка сигналов» 1999г №1

6. Гончаров Ю интерфейс LVDS и его применение. - Компоненты и технологии № 3 2001г.

7. http:\\www.texas.ru

8. Информатика в понятиях и терминах /М., Просвещение, 1991г. -208с.: ил. - стр. 91.


Не нашли материал для своей работы?
Поможем написать уникальную работу
Без плагиата!
Без нейросетей!