|
1
|
2
|
|
-
по подробности описания
|
Операционные
|
|
Коэффициент
закрепления операций
|
От
10 до 20
|
|
Методы
определения операционных размеров
|
Расчетно-аналитический;
решением операционных размерных цепей
|
|
Метод
обеспечения точности
|
Настроенное
по пробным деталям оборудование
|
|
Метод
нормирования
|
Аналитический
- расчетный
|
Для среднесерийного производства определяем
объем партии запуска:
Где
-
годовой объем выпуска изделий;
а - периодичность запуска в днях (3,6,12,24
дня);
- количество рабочих дней.
детали
Для производств с поточной организацией следует
рассчитать такт выпуска изделий (интервал времени между выпуском готовых
изделий):
Где:
- действительный фонд времени работы оборудования в планируемый период при
заданном режиме работы, час:
Где:
-
количество календарных дней;
- количество
выходных дней;
- количество
праздничных дней;
-
продолжительность смены;
- количество смен;
- коэффициент
потери времени на ремонт;
- количество
предпраздничных дней
ч
3. Выбор и проектирование исходной
заготовки
.1 Выбор вариантов исходной
заготовки
Исходя из физических и технологических свойств
стали 19 ХГН, конфигурации и размеров детали в качестве заготовки может быть
использована: штамповка или прокат [2, c.
21, табл. 5.7]
Определим параметры исходных заготовок:
Ориентировочная масса штамповки:
Где
-
масса детали;
- расчетный
коэффициент, зависящий от формы детали;[2, c.
23,табл.5.9]
По ГОСТ 7505-89 «Поковки стальные штампованные.
Допуски, припуски и кузнечные напуски» определяем параметры заготовки:
Штамповочное оборудование: Горячештамповочный
пресс
Исходный индекс: 11 [3, c.
10, табл. 2];
Группа стали: М2 [3, c.
8, табл. 1];
Класс точности: Т2 [3, c.
28, табл. 19];
Степень сложности: С2 [3, c.
3]
Масса заготовки из проката:
Где
-
объем заготовки из проката,
;
- плотность
материала заготовки, кг/см;
Форма заготовки из сортового проката для детали
- тела вращения представляет цилиндр, с диаметром
,
и длиной
.
мм
где
-
наибольший диаметр детали.
мм
где
-
наибольшая длина детали.
Принимаем
=
55,64 мм
Масса заготовки из круглого проката:
Тогда масса заготовки из круглого проката:
кг
3.2 Технико-экономическое
обоснование оптимального варианта заготовки
Окончательное решение по выбору способа
изготовления заготовки принимают на основании экономического расчета. Критерием
оптимальности должна быть минимальная величина стоимости изготовления детали:
Где
-
стоимость исходной заготовки;
- стоимость
последующей механической обработки;
- стоимость
отходов при механической обработке.
Упрощенное сравнение альтернативных вариантов на
начальном этапе технологического проектирования, когда неизвестна технология
изготовления детали, основывается на укрупненном расчете затрат.
3.2.1 Вариант горячей штамповки
Стоимость заготовки, получаемой при помощи
горячей штамповки
Где
-
базовая стоимость 1кг заготовки в руб/кг;
- ориентировочная
масса штамповки, кг;
- коэффициент,
зависящий от класса точности штамповки;
- коэффициент,
зависящий от степени сложности штамповки;
- коэффициент,
учитывающий масс заготовки;
- коэффициент,
зависящий от материала;
- коэффициент,
учитывающий серийность производства.
= 11,2 руб/кг; [2,
c. 24]
Для класса точности Т2 -
=
1,05; [2, c. 25]
Для степени сложности С2 -
=
0,88; [2, c. 25, табл. 5,10]
= 1,25; [2, c.
25, табл. 5,11]
= 1,98; [2, c.
25]
При среднесерийном производстве
=
1,0
Стоимость механической обработки штамповки:
где
-
удельные затраты на съем 1 кг материала, руб/кг:
где
-
текущие затраты, руб/кг; [2, c.
26, табл. 5.12]
- капитальные
затраты, руб/кг;
=0,1…0,2 - коэффициент
эффективности капитальных вложений.
руб
Стоимость отходов:
Где
-
цена отходов, руб/кг.
Для конструкционных легированных сталей
=
0,4 руб/кг [2, c. 26]
руб
3.2.2 Вариант заготовки из проката
Стоимость заготовки из сортового проката:
где
=15,5
руб/кг - стоимость материала 1 кг проката, руб/кг;
[2, c.
27, табл. 5.13]
- стоимость
отрезки заготовки из проката:
где
=
30,2/час - приведенные затраты на рабочем месте руб/ч; [2, c.
27]
- штучное или
штучно-калькуляционное время на отрезку штучной заготовки, мин:
Где
-
основное технологическое время, мин;
= 1,5 -
коэффициент, учитывающий тип производства и вид оборудования.
Где
-
диаметр проката, мм.
мин
мин
руб
15,5*4,5+1,2=70,95
руб
Стоимость механической обработки:
руб
Стоимость отходов:
(3.16)
Стоимость изготовления детали:
(3.17)
3.3 Сравнение вариантов исходных
заготовок
Коэффициент использования материала при
штамповки:
(3.18)
Коэффициент использования материала при прокате:
(3.19)
На основании сопоставления технологической
себестоимости по рассматриваемым вариантам делаем вывод что оптимальным
вариантом получения заготовки является получением из штамповки.
Годовой экономический эффект от использования
оптимального варианта исходной заготовки:
(3.20)
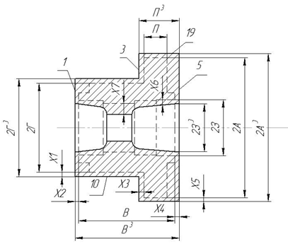
.4 Проектирование исходной заготовки
Вычерчиваем расчетную схему определения размеров
заготовки. На этой схеме размеры заготовки указанны с индексом «11».
Таблица 6 - Расчет размеров заготовки
Рисунок 2 - Расчетная схема определения размеров
исходной заготовки
Основные припуски на номинальные размеры детали
в зависимости от массы, класса точности, группы стали, степени сложности и
шероховатости заготовки принимаем по [3, c.
12, табл. 3]
Дополнительные припуски, учитывающие:
) Смещение по поверхности разъема штампа
- 0,2 мм [3, c. 14, табл. 4];
) Отклонение от плоскости - 0,2 мм [3, c.
12, табл. 5].
Допуски на штамповку в зависимости от исходного
индекса и габаритов штамповки принимаем по [3, c.
17, табл. 8].
Рассчитываем значения диаметров поверхностей
исходной заготовки и внесем в таблицу 5.
В+
(3.21)
Аналогично рассчитываем остальные диаметральные
размеры, результаты приводим в таблице 5.
Рассчитаем величины размеров исходной заготовки
в продольном направлении и внесем в таблицу 5.
(3.22)
Аналогично рассчитываем остальные линейные
размеры, результаты приводим в таблице 5.
Штамповочный уклон:
На наружной поверхности - не более 5º
Допускаемая величина остаточного слоя - 0,7 мм
[3, c. 21, табл. 10];
Допускаемое смещение по поверхности разъема
штампа- 0,5 [3, c.
20,табл.9];
Допускаемая величина заусенца - 3,0 мм [3, c.
21];
Шероховатость поверхности заготовки - Ra
40 мкм
Объем штамповки:
(3.23)
Масса штамповки:
(3.24)
Коэффициент использования материала на
штампованную заготовку:
(3.25)
4. Выбор технологических баз
Установка детали в приспособлении при
механической обработке должна отвечать принципам единства и постоянства баз,
что необходимо для обеспечения минимальных погрешностей изготовления детали.
Технологичность базирования и закрепления детали
характеризуется наличием опорных поверхностей (баз), совпадением
технологической и измерительной баз, точностью и шероховатостью базовых
поверхностей.
Подготовка баз для механической обработки происходит
на заготовительной операции.
На всех операциях технологического процесса
изготовления корпусаи требуется точное базировании заготовки в диаметральном и
осевом направлении. Это во многом обеспечивается применением самоцентрирующих
зажимных приспособлений, а также рациональным выбором диаметральных и осевых
баз.
В процессе изготовления детали от одной операции
к другой, точность и шероховатость технологических баз постоянно улучшается,
что снижает погрешность обработки на последующих операциях.
В качестве баз при токарной обработки необходимо
использовать повверхность 10,19.
В качестве баз при внутришлифовальной обработке
необходимо использовать поверхность 10.
Условные обозначения принятых черновых и
чистовых технологических баз в теоретических схемах базирования на различных
операциях технологического процесса изготовления корпуса приведены в плане
обработки.
Таблица 7 - Классификация технологических баз
|
№
операции
|
№
опорной точки
|
Наименование
базы, № базовой поверхности
|
Характер
проявления
|
Реализация
|
№
обрабатываемой поверхности
|
Операционные
размеры
|
Единство
баз
|
Постоянство
баз
|
|
|
|
Явная
|
Скрытая
|
Естественная
|
Искусственная
|
Станочное
приспособление
|
|
|
|
|
|
устА
005 010
|
1,2,3
|
Установочная
|
+
|
-
|
+
|
-
|
Патрон
трехкулачковый
|
3,10,2,9,1,12,6,13,
|
2Г,2К,2Л,М,ВФ
|
+
|
+
|
|
4,5
|
Направляющая
|
-
|
+
|
+
|
-
|
|
|
|
|
|
|
6
|
Опорная
|
+
|
-
|
+
|
-
|
|
|
|
|
|
|
устБ
005 010
|
1,2,3
|
Установочная
|
+
|
-
|
+
|
-
|
Патрон
трехкулачковый
|
19,4,11,20,5,15,8,14,7
|
2И,2З,
2Ж,2А, П,Х,В
|
+
|
+
|
|
4,5
|
Направляющая
|
-
|
+
|
+
|
-
|
|
|
|
+
|
+
|
|
6
|
Опорная
|
+
|
-
|
+
|
-
|
|
|
|
+
|
+
|
|
015
020
|
1,2,3
|
Установочная
|
+
|
-
|
+
|
-
|
Специальное
приспособление
|
16,17,
21,18
|
2С,2У,2Д,Т,
2Ч
|
+
|
+
|
|
4,5
|
Направляющая
|
-
|
+
|
+
|
-
|
|
|
|
+
|
+
|
|
6
|
Опорная
|
+
|
-
|
+
|
-
|
|
|
|
+
|
+
|
|
устА
030 035
|
1,2,3
|
Установочная
|
+
|
-
|
+
|
-
|
Патрон
мембранный
|
12,10
|
2К,2Г
|
+
|
+
|
|
4,5
|
Направляющая
|
-
|
+
|
+
|
-
|
|
|
|
+
|
+
|
|
6
|
Опорная
|
+
|
-
|
+
|
-
|
|
|
|
+
|
+
|
|
устБ
030 035
|
1,2,3
|
Установочная
|
+
|
-
|
+
|
-
|
Патрон
мембранный
|
14,11,4
|
2И,2Ж,2Я
|
+
|
+
|
|
4,5
6
|
Направл.
Опорная
|
-
+
|
+
-
|
+
+
|
-
-
|
|
|
|
+
+
|
+
+
|
5. Разработка технологического
маршрута и плана изготовление детали
.1 Выбор маршрута обработки
отдельных поверхностей детали
Определяем способ (точение, фрезерование,
шлифование и т.д.) и вид (черновая, чистовая, отделочная и т.д.) окончательной
обработки каждой поверхности детали.
Назначаем промежуточные способы виды обработки
(технологические переходы).
Определяем наиболее выгодный по критерию
наименьшей трудоемкости технологический маршрут каждой поверхности
Таблица 8 - Маршруты обработки поверхностей
Таблица
|
1
|
2
|
3
|
4
|
5
|
6
|
7
|
8
|
9
|
10
|
11
|
12
|
|
6
|
П
|
35
|
-
|
7
|
7
|
-
|
-
|
6.3
|
58
|
Рчер(13)+Рчист(10)+ТО+Ш(7)
|
2,5
|
|
7
|
П
|
38
|
-
|
7
|
7
|
-
|
-
|
6.3
|
58
|
Рчер(13)+Рчист(10)+ТО+Ш(7)
|
2,5
|
|
8
|
П
|
45
|
-
|
14
|
14
|
-
|
-
|
6.3
|
58
|
Рчер(13)+Рчист(10)+ТО+Ш(7)
|
2,5
|
|
9
|
Ц
|
45
|
7
|
14
|
14
|
-
|
-
|
6.3
|
58
|
Тчер(13)+Тчист(10)+ТО
|
2,2
|
|
10
|
Ц
|
57
|
35
|
14
|
-
|
-
|
2,5
|
58
|
Тчер(13)+Тчист(10)+ТО
|
2,2
|
|
11
|
Ц
|
36
|
5
|
14
|
14
|
0,03
|
-
|
2,5
|
58
|
Тчист(11)+ТО+
Ш(7)
|
2,3
|
|
12
|
Ц
|
35
|
16
|
7
|
7
|
0,015
|
-
|
2,5
|
58
|
Рчер(13)+Рчист(10)+ТО+Ш(7)
|
2,5
|
|
13
|
Ц
|
31
|
20
|
14
|
14
|
-
|
-
|
6.3
|
58
|
Рчер(13)+Рчист(10)+ТО
|
2,2
|
|
14
|
Ц
|
36
|
14
|
7
|
7
|
-
|
-
|
2,5
|
58
|
Рчер(13)+Рчист(10)+ТО+Ш(7)
|
2,5
|
|
15
|
Ц
|
45
|
12
|
7
|
7
|
-
|
-
|
6.3
|
58
|
Рчер(13)+Рчист(10)+ТО+Ш(7)
|
2,5
|
|
16
|
Ц
|
12
|
8
|
14
|
14
|
-
|
-
|
6.3
|
58
|
Счист(11)+ТО
|
1,2
|
|
17
|
Ц
|
7
|
7
|
14
|
14
|
-
|
-
|
6.3
|
58
|
Счист(11)+ТО
|
1,2
|
|
18
|
П
|
12
|
-
|
14
|
14
|
-
|
-
|
6.3
|
58
|
Счист(11)+ТО
|
1,2
|
|
19
|
Ц
|
90
|
15
|
14
|
14
|
-
|
-
|
6.3
|
58
|
Тчер(13)+Тчист(10)+ТО
|
2,2
|
|
20
|
К
|
0,5*45º
|
0,5
|
14
|
14
|
-
|
-
|
6.3
|
58
|
Тчист(11)+ТО
|
1,2
|
|
21
|
П
|
70
|
-
|
14
|
14
|
-
|
-
|
6.3
|
58
|
Фчист(11)+ТО
|
1,2
|
Где Тчерн - обтачивание черновое;
Рчерн - растачивание черновое;
ТО - термообработка;
Тчист - обтачивание чистовое;
Рчист - растачивание чистовое;
Ш - шлифование;
С- сверление
Ф - фрезерование
5.2 Технологический маршрут
изготовления детали
Определим этапы изготовления детали,
сформулируем технологические переходы и технологические операции, содержание
операций. Проведем выбор оборудования.
Таблица 9 - Технологический маршрут изготовления
корпуса.
|
№
операции
|
Наименование
операции
|
Оборудование
|
Содержание
операции
|
|
1
|
2
|
3
|
4
|
|
000
|
Заготовительная
|
Горячештамповочный
пресс
|
Штамповать
заготовку
|
|
005
|
Токарная
(черновая)
|
Токарно
- винторезный станок с ЧПУ 16К20Ф3
|
Установ
А. Установить, снять заготовку. Точить поверхности 1,10,3, начерно. Расточить
отверстие 12,13 начерно. Установ Б. Переустановить заготовку. Точить
поверхности 19,5 начерно. Расточить отверстие 14,15 начерно.
|
|
010
|
Токарная
(чистовая)
|
Токарно
- винторезный станок с ЧПУ 16К20Ф3
|
Установ
А. Установить, снять заготовку. Точить поверхности 3,10,2,9,1 начисто.
Расточить отверстие 12,13 начисто. Установ Б. Переустановить заготовку.
Точить поверхности 19,4,11,20,5 начисто. Расточить отверстие 14,15 начисто.
|
|
015
|
Координатно-
расточная
|
Вертикальный
координатно- расточный станок 2Е450АФ4
|
Установить,
снять заготовку. Сверлить отверстия 16,17 начисто
|
Таблицы
|
1
|
2
|
3
|
4
|
|
020
|
Фрезерная
|
Вертикально-
фрезерный станок с ЧПУ 6Р11МФ3
|
Установить,
снять заготовку. Фрезеровать поверхности 21 начисто
|
|
025
|
Термическая
обработка
|
|
Закалка
|
|
030
|
Внутришлифовальная
|
Внутрешлифовальный
станок 3К227В
|
Установ
А . Установить, снять заготовку.Шлифовать внутренние поверхности 12
окончательно. Установ Б. Переустановить заготовку. Шлифовать внутренние
поверхности 14 окончптельно.
|
|
035
|
Круглошлифовальная
|
Круглошлифовлаьный
станок 3У131ВМ
|
Установ
А. Установить, снять заготовку. Шлифовать поверхность 10 окончательно.
Установ Б. Переустановить заготовку. Шлифовать торец 4, 11 окончательно.
|
|
040
|
Слесарная
|
Тиски
универсальные
|
Притупить
острые кромки радиусом R 0.5
|
|
045
|
Контрольная
|
|
Окончательно
контролировать основные параметры
|
|
050
|
Термическая
обработка
|
|
Покрытие:
Хим. Окс. прм.
|
|
055
|
Моечная
|
Камерная
моечная машина
|
Промыть,
обдуть горячим воздухом
|
5.3 План изготовления детали
Разработаем план обработки детали «Корпус».
В первом столбце плана обработки показываем
номер и наименование операции, а так же применяемое оборудование.
Во втором столбце операционный эскиз, где
показывается эскиз обработки детали, с указанием обрабатываемых поверхностей
линей двойной толщиной, теоретической схемой базирования и операционных
размеров.
В третьем столбце указываются операционные
допуски и технические требования.
План обработки детали «корпус» представлена в
графической части данной работы.
6. Выбор технологической оснастки
Под технологической оснасткой понимают станочные
приспособления (приспособления для установки, закрепления, а при необходимости
и для совершения в процессе обработки обрабатываемой детали различных
движений), режущий и мерительный инструмент.
Таблица 10 - Выбор оборудования, приспособления,
инструмента
|
№
опер.
|
Наименование
операции
|
Оборудование
|
Технологическая
оснастка
|
|
|
|
Станочное
приспособления
|
Режущий
инструмент
|
Контрольно-измерительные
средства
|
|
1
|
2
|
3
|
4
|
5
|
6
|
|
005
|
Токарная
(черновая)
|
Токарный
винторезный станок с ЧПУ 16К20Ф3
|
Патрон
трех- кулачковый самоцентриру-ющий ГОСТ 2615-80
|
Резец
токарный проходной сборный с механическим креплением твердосплавных пластин.
Пластина трехгранная, Т15К6. φ=92º, φ1=8º, λ=0, α=12º, h=25, b=25, L = 125 ОСТ
2И.101-83
|
Калибр
- скоба ГОСТ 8355- 73; Калибр - пробка ГОСТ 14807 - 69; Шаблон ГОСТ 2534-79.
|
|
010
|
Токарная
(чистовая)
|
Токарный
винторезный станок с ЧПУ 16К20Ф3
|
Патрон
трех- кулачковый самоцентриру-ющий ГОСТ 2615-80
|
Резец
токарный проходной сборный с механическим креплением твердосплавных пластин.
Пластина трехгранная, Т15К6. φ=92º, φ1=8º, λ=0, α=12º, h=25, b=25, L = 125 ОСТ
2И.101-83; Резец токарный расточной сборный с механическим креплением
твердосплавных пластин. Пластина трехгранная, Т15К6 Φ=15º, λ=0, α=12º, h=20, b=20, L=100 ОСТ
2И.101-83
|
Калибр
- пробка ГОСТ 14827-69 Калибр - скоба ГОСТ 18355-73 Калибр ГОСТ 16085-80
|
|
015
|
Координатно-расточная
|
Вертикальный
координатно- расточный станок 2Е450АФ4
|
Приспособле-
ние сверлильное
|
Сверло
комбинированное ГОСТ
14952-75
|
Калибр
-пробка ГОСТ 14827-69
|
|
020
|
Фрезерная
|
Вертикально-
фрезерный станок с ЧПУ 6Р11МФ3
|
Приспособление
фрезерное
|
Концевая
фреза с цилиндрическим хвостовиком Ø10; ГОСТ
-17025-71; Р6М5.
|
Приспособление
мерительное с индикатором Калибр-скоба ГОСТ 18355-73
|
|
025
|
Термическая
|
|
|
|
|
|
030
|
Внутришлифовальная
|
Внутрешлифовальный
станок 3К228А
|
Патрон
мембранный самоцентрирующий Ост 3-3443-76
|
Шлифовальный
круг 5 25х30х12 ГОСТ 52781-2007
|
Калибр
пробка ГОСТ 14807-69 Приспособление мерительное с индикатором
|
Таблица
|
1
|
2
|
3
|
4
|
5
|
6
|
|
035
|
Круглошлифовальная
|
круглошлифовальный
3У131ВМ
|
Патрон
мембранный самоцентрирующий Ост 3-3443-76
|
Шлифовальный
круг 5 25х30х12 ГОСТ 52781-2007
|
Калибр
- пробка Приспособление мерительное с индикатором
|
|
040
|
Слесарная
|
Тиски
универсальные
|
|
|
|
|
045
|
Контрольная
|
|
|
|
|
|
050
|
Термическая
обработка
|
|
|
|
|
|
055
|
Моечная
|
Камерная
моечная машина
|
|
|
|
7. Определение операционных размеров
.1 Расчет операционных припусков и
размеров расчетно-аналитическим методом
Рассчитаем припуск на внутреннее отверстие
шестерни,
Таблица 11 - Последовательность обработки
поверхности, оборудование, установка
|
№
|
Методы
обработки поверхностей
|
Код
операции
|
Оборудование
|
Установка
заготовки
|
|
1
|
Растачивание
|
005
|
16К20Ф3
|
Патрон
трехкулачковый
|
|
2
|
Шлифование
|
030
|
3К228А
|
Патрон
мембранный
|
Таблица 12 - Расчет припуска
Элементы припуска - величину микронеровностей Rz
и глубину дефектного слоя h
назначаем по таблицам [4, с. 66] и [5, с. 69]
Определим элементы припуска
Суммарные отклонения расположения
,
мм, штампованной заготовки типа "вал" [4, с. 65]
Величина коробления:
(7.1)
Где
-
удельная величина изогнутости заготовки вала, мкм/мм;
- наибольшее
расстояние от обрабатываемой поверхности до одного из крайних торцев. вала, мм.
Величина пространственного отклонения :
(7.2)
Где
-
смещение оси обрабатываемого отверстия относительно базовой поверхности
заготовки [2, с 48].
Остаточное суммарное расположение заготовки,
после черновой обработки:
(7.3)
Где
-
коэффициент уточнения [5, с 73]
для перехода 1: Ку = 0,06;
для для перехода 2: Ку = 0,04
для перехода 3: Ку = 0,002;
Тогда:
Погрешность установки
для
чернового растачивания 440мкм;
Погрешность установки
для
чистового растачивания 100мкм
Погрешность установки
для
шлифования равна 30мкм мм.
Внесем значения
в
расчетную таблицу.
Минимальный припуск на черновую обработку: [2, с
48]
(7.4)
Минимальный припуск на чистовые операции:
Расчетные максимальные размеры для отверстий:
[2, с 48]
(7.5)
Расчетные минимальные размеры для отверстий: [2,
с 48]
(7.6)
Предельные значения операционных припусков для
отверстий: [2, с 49]
(7.7)

(7.8)
Проверка результатов расчета: [2, с 49]
(7.9)
Условие проверки выполнено верно, значит расчет
припусков выполнен правильно.
Рисунок 4 - Схема расположения припусков,
допусков и операционных размеров на отверстие
7.2 Расчет операционных размеров
статическим методом
Расчет припусков табличным методом выполним на
размер Ø52,8
мм
Расчет выполнен [2, с 51]:
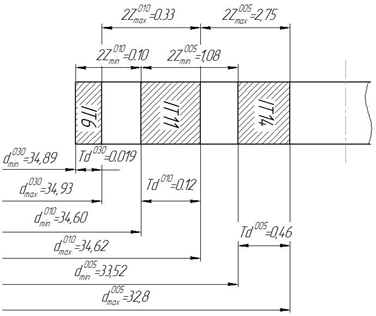
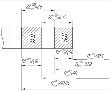
Таблица 13 - Расчет операционных размеров
|
№
опер.
|
Технологический
переход
|
Допуски
размера
|
Предельные
размеры, мм
|
Предельные
припуски, мм
|
|
|
Усл.
обозн.
|
Числ.
знач.
|
|
|
|
|
|
1
|
Точение
черновое
|
IT 14
|
Es1= 0 Ei1=
-0.54
|
90,5
|
93,2
|
2,6
|
4,12
|
|
2
|
Точение
чистовое
|
IT 11
|
Es2= 0 Ei2= -0.14
|
90
|
90,84
|
0,5
|
0,8
|
Рисунок 5 - Схема расположения припусков,
допусков и операционных размеров для Ø90мм
8. Расчет режимов обработки
.1 Расчет режимов обработки
расчетно-аналитическим методом
.1.1 Исходные данные
Деталь - шестерня заднего хода промежуточная;
Материал - сталь 19ХГН ГОСТ 10702 - 78
Заготовка - штамповка;
Обработка - токарная чистовая;
Тип производства - среднесерийное;
Приспособление - Патрон 3х кулачковый;
Смена детали - ручная;
Жесткость станка - средняя;
8.1.2 Структура операции
(последовательность переходов)
Оп 010 Токарная чистовая. Установ Б
Содержание операции: 1Точить поверхности,
выдержать размеры
; ; Ø
; 15, 0,5*45º ; 2Растачивать
поверхности выдерживая размеры: Ø
;
Ø
.1.3 Данные оборудования
Модель: 16К20Ф3;
Мощность: 10кВт;
Число скоростей шпинделя: 22;
Частота вращения шпинделя: 22-2240
;
8.1.4 Выбор инструмента
Резец токарный проходной сборный с механическим
креплением твердосплавных пластин 1h=16;
b=25; L=125;2h=25;
b=25; L=125;
Пластина трехгранная, Т15К6
φ=90º
; φ1=8º
; λ
= 0; α=
11º
[6, с. 128]
8.1.5 Расчет режимов резания
Глубина резания: t1=
1 мм, t2= 1 мм
Подача S,
мм/об: S1 = 0.6, S2
= 0.4 мм/об [8, с. 268]
Расчетная скорость резания V,
м/мин [8, с. 265]
(8.1)
Где
-
поправочный коэффициент; [8, с. 270]
T = 35 мин -
стойкость; (чпу)
m,x,y,
- показатели степени; m=0.2,
x=0.15, y=0.20;
[8, с. 270]
- поправочный
коэффициент, учитывающий фактические условия резания [8, с. 282];
(8.2)
Где
=
коэффициент, учитывающий качество обрабатываемого материала [8, с. 261];
= 1,0 -
коэффициент, учитывающий состояние поверхности заготовки [8, с. 263];
= 1,0 -
коэффициент учитывающий материал инструмента [8, с. 263];
(8.3)
Где
=
1,0 - коэффициент, характеризующий группу стали по обрабатываемости [8, с.
262];
- предел прочности
стали;
= 1,0 - показатели
степени [8, с. 262];
Частота вращения шпинделя[8, с. 280]
(8.4)
Корректировка режимов резания по паспортным
данным станка:
Фактическая частота вращения шпинделя:
Фактическая скорость резания [2, с. 97];
(8.5)
Минутная подача станка : [9, с. 101]
Расчет сил резания [8, с. 271]:
(8.6)
Где
=
300 - поправочный коэффициент; [8, с. 273]
x, y,
n - показатели
степени; x = 1.0;y=0.75;n=
-0.15; [8, с. 273]
- поправочный
коэффициент [8, с. 271];
(8.7)
Где
-
поправочный коэффициент на качество обрабатываемого материала [8, с. 264]:
(8.8)
Где n
= 0,75 - показатель степени [8, с. 264];
Где
-
поправочные коэффициенты, учитывающие влияние геометрических параметров режущей
части инструмента на составляющие силы резания
;
[8, с. 272]
Мощность резания; [8, с. 271]
Проверка мощности станка [2, с. 54];
(8.9)
Где
-
мощность станка;
= 0,9 -
коэффициент полезного действия привода
Условие соблюдается, значит, обработка возможна.
8.2 Определение режимов обработки
статическим методом
.2.1 Исходные данные
Расчет на внутришлифовальную операцию 030
Деталь - шестерня заднего хода промежуточная;
Материал - сталь 19ХГН ГОСТ 10702 - 78;
Заготовка - штамповка;
Обработка - внутрешлифовальная;
Тип производства - среднесерийное;
- Приспособление - Патрон мембранный
самоцентрирующий
Ост 3-3443-76;
Смена детали - ручная;
Жесткость станка - средняя;
Структура операции:
Шлифовать отверстие d
= 35Н7; m=14;
Данные оборудования
Модель - 3К228А
Мощность 7,5 КВт;
Диаметр отверстия х длина шлифования, мм:
50-300x400
Частота вращения шпинделя 4500-12000 об\мин
Скорость перемещения стола,м/мин: 2000-7000
Выбор режущих инструментов
Шлифовальный круг 5 25х30х12 ГОСТ 52781-2007
Расчет режимов резания
Глубина резания t,
мм
Глубину резания определяем на основании расчета
пунктов 7.1 , 7.2:
Глубина резания t
= 0,08 мм
Подача минутная продольная Sm, мм/мин,
определяется по формуле [1,0.214]:
SMпр
= SM*K1*K2
Где:
- подача по таблице, мм/об [9, с. 148];
- коэффициент,
зависящий от обрабатываемого материала [9, с. 148];
- коэффициент,
зависящий от формы заготовки [9, с. 148];
SM
= 7000*0,77-1,0 = 5390 мм/м (8.10)
Подача минутная поперечная St,
мм/дв.ход, определяется по формуле [1.С.214]:
St=St*K1*K2*K3*K4*K5*K6*K7
(8.11)
Где St
-
минутная подачи по таблице, мм/дв.ход [1, с.216];
К1-
коэффициент, зависящий обрабатываемого материала и точности обработки;
К2 -
коэффициент, зависящий от припуска;
Кз -
коэффициент, зависящий от диаметра шлифовального круга;
К4 -
коэффициент, зависящий от способа контроля размеров;
К5 -
коэффициент, зависящий от жесткости заготовки и формы поверхности;
К6 -
коэффициент, зависящий от жесткости станка и точности обработки
К7 -
коэффициент, зависящий от твердости шлифовального круга.
St =
0,007*1,1*0,93*1,0*1,2*1,0*1,0*1,0 = 0,009 мм/дв.ход
Скорость круга Vk,
м/с [1, с. 218]:
V = 35 м/с
Частота вращения шпинделя n,
мин-1, определяется по
формуле
[2, с. 97]:
1 (8.12)
-
Корректировка режимов резания по паспортным
данным станка: Т.к. на шлифовальном станке применяется бесступенчатое
регулирование, принимаем фактическую частоту вращения шпинделя
n = 318 мин-1
9. Нормирование технологических
операций
.1 Расчет норм времени на токарную
операцию 010
.1.1 Основное технологическое время
выполнения операции на основании принятых режимов обработки
(9.1)
Где
-
длина подвода режущего инструмента к обрабатываемой поверхности; [10, с. 85]
-
длина врезания режущего инструмента; [10, с. 85]
- длина перебега
режущего инструмента; [10, с. 85]
-
длина резания;
- число проходов;
9.2 Величина вспомогательного
времени
(9.2)
Где
-
время на установку и снятие заготовки; [11, с. 197, табл. 5.1]
- время на
закрепление и открепление детали; [11, с. 201, табл. 5.7]
- время на приемы
управления; [11, с. 205, табл. 5.9]
- время на
измерение детали; [11, с. 206, табл. 5.10]
- коэффициент для
среднесерийного производства.
= 1,85 -
коэффициент для среднесерийного производства.
.3 Операционное время
(9.3)
Время на обслуживание рабочего места, отдых: [2,
с. 56]
(9.4)
где
-
процент, зависящий от типа оборудования. [11, с. 209, табл. 5.17]
Величина штучного времени: [2, с. 56]
(9.5)
Величина штучно-калькуляционного времени
(9.6)
Где
-
подготовительно-заключительное время на обработку партии заготовок;
- количество
заготовок в партии запуска;
для токарной
операции =17 мин
9.4 Расчет норм времени на
внутришлифовальную операцию 030
Основное время:
(9.7)
τ2 = 0,34 -
время установившегося процесса,
τ3 = 0,15 -
время зачистки, мин;
К = 1,3 - обработка поверхностей с
одной галтелью.
Величина вспомогательного времени: [11, с. 101]
(9.8)
где
-
время на установку и снятие заготовки; [11, с. 200, табл. 5.1]
- время на
закрепление и открепление детали; [11, с. 201, табл. 5.7]
- время на приемы
управления; [11, с. 205, табл. 5.9]
- время на
измерение детали; [11, с. 206, табл. 5.10]
- коэффициент для
среднесерийного производства.
Операционное время:
(9.9)
Время на обслуживание рабочего места, отдых: [2,
с. 56]
(9.10)
где
-
процент, зависящий от типа оборудования. [11, с. 209, табл. 5.17]
Величина штучного времени: [2, с. 56]
(9.11)
Величина штучно-калькуляционного времени: [2, с.
56]
(9.12)
Где:
- подготовительно-заключительное время на обработку партии заготовок;
-
количество заготовок в партии запуска;
для шлифовальной
операции = 19 мин
10. Проектирование станочного
приспособления
10.1 Анализ
исходных данных
На основе анализа исходных данных необходимо
определить стратегию конструирования станочного приспособления.
Тип производства - среднесерийный;
Металлорежущий станок для токарной черновой
операции; 16К20Ф3;
Технические характеристики станка;
Таблица
|
Наибольший
диаметр изделия, устанавливаемого над станиной
|
500
мм
|
|
Наибольший
диаметр обрабатываемого изделия над станиной
|
320
мм
|
|
Наибольший
диаметр обрабатываемого изделия над суппортом
|
200
мм
|
|
Наибольшая
длина устанавливаемого изделия в центрах
|
1000
мм
|
|
Наибольшая
длина обрабатываемого изделия при 8-ми позиционной головке
|
750
мм
|
|
Пределы
частот вращения шпинделя
|
20…2500
мин-1
|
|
Мощность
электродвигателя главного движения
|
11
кВт
|
1) Тип приспособления - Патрон
трехкулачковый самоцентрирующий ГОСТ 2615-80;
) Схема станочного приспособления
зависит от структуры технологической операции и характеризуется следующими
признаками:
Количество одновременно устанавливаемых в
приспособление заготовок (многоместная);
число, используемых на операции режущих
инструментов (один);
последовательностью использования режущих
инструментов (последовательная);
числом позиций обработки (многопозиционная).
Состояние поверхности заготовки к моменту
выполнения операции - Rz 40; 174…217;
Задачи данного раздела:
Предложить схему установки заготовки;
Рассчитать усилия резания;
Рассчитать усилия закрепления заготовки;
Выбрать тип привода и определить его параметры;
Разработать конструкцию и выполнить сборочный
чертеж приспособления;
Выполнить описание конструкции и работы
станочного приспособления;
Выполнить рабочий чертеж одной из детали
приспособления.
10.2 Расчет усилий и моментов
резания
Из пункта 8.1.5.8 и 8.1.5.9 берем значения
усилий и моментов резания:
Сила резания при точении:
Мощность резания; [8, с. 271]
.3 Проверка мощности станка [2, с. 54];
(10.1)
Где
-
мощность станка;
= 0,9 -
коэффициент полезного действия привода
10.3 Расчет усилий закрепления
заготовки
Задачи подраздела:
выполнить схему усилий, действующих на
заготовке;
составить уравнение статики (усилий моментов);
вычислить величину усилия закрепления заготовки.
В процессе обработки на заготовку воздействует
система сил. С одной стороны действует сила резания, которая стремиться
повернуть заготовку в кулачках, с другой стороны сила зажима, препятствующая
этому. Из условия равновесия моментов данных сил и с учетом коэффициента запаса
определяем необходимое усилие зажима.
Рисунок 5 -Схема действий сил резания и сил
зажима.
Расчет усилий закрепления
заготовки:
, (10.2)
где:
=0,17
-коэффициент трения [12, c.
384, табл. 3];
=57 мм - диаметр
детали, зажимаемой в трехкулачковом патроне ;
=90 мм -
обрабатываемый диаметр заготовки;
-коэффициент
запаса:
, (10.3)
где:
=1,5
- гарантированный коэффициент запаса [12, c.
382];
=1,2 - учитывает
увеличение сил резания из-за случайных неровностей на обрабатываемой
поверхности заготовки [12, c.
382];
- учитывает
увеличение сил резания вследствие затупления режущего инструмента [12, c.
382, табл. 2];
=1,0 - учитывает
увеличение сил резания при прерывном резании
[12, c.
383];
=1,2 -
характеризует постоянство силы развиваемой зажимным механизмом [12, c.
383];
=1,0 -
характеризует эргономику немеханизированного зажимного механизма [12, c.
383].
Так как
оказался
меньше 2,5, то принимаем
Н
.4 Расчет зажимного механизма
Рычажные механизмы (РЗМ) нашли широкое
распространение как в комбинированных устройствах с ручным закреплением, так и
при механизированном закреплении в простых устройствах.
Достоинства этих механизмов: простота
конструкции, выигрыш в силе, технологичность, удобство в эксплуатации,
надежность, большой ход зажимного механизма.
Недостатки: не являются самотормозящими,
недостаточная компактность, сосредоточенный характер сил закрепления.
Исходные данные:
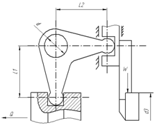
Рисунок 6 -Схема рычажного зажимного механизма
где: L1=50
мм;
L2=20 мм;
W=
Н.
.4.2 Расчет исходного усилия закрепления
заготовки [12, c. 408]:
(10.4)
где: n
= (0,85…0,95) -коэффициент полезного действия РЗМ [12, c.
408]:
Н
Определение реакции опоры [13, c.
21]:
Н (10.5)
Определение диаметра опоры рычага [13, c.
21]:
мм (10.6)
≥12,2 -условие соблюдается
Расчет хода рычага в месте закрепления [13, c.
21]:
(10.7)
где:
=0,27
мм -допуск на размер от базовой поверхности до поверхности закрепления
-гарантированный
зазор между поверхностью заготовки и зажимным элементом (0,2…0,4 мм);
- жесткость РЗМ
(14700…24500 кН/м);
-запас хода,
учитывающий износ и погрешность изготовления рычага (0,2…0,4 мм).
мм
Расчет хода рычага в месте соединения с приводом
[13, c. 22]:
мм (10.8)
10.5 Расчет силового привода
Расчет диаметра пневмоцилиндра [13, c.
25]:
, (10.9)
где:
=0,4
мПа - расчетное давление воздуха [13, c.
22];
=0,9 - коэффициент
полезного действия пневмодвигателя [13, c.
22];
мм
Скорректируем величину
по
нормали, приняв ближайшее наибольшее значение [12, c.
428, табл. 2];
10.6 Описательная часть
Описание конструкции станочного приспособления
Приспособление состоит из рычажного патрона с
установкой заготовки в центре и пневмопривода.
Патрон устанавливается на конец шпинделя и
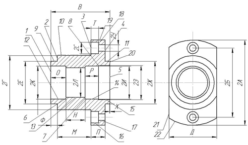
крепится с помощью пальцев 31 и гаек 28. Патрон состоит из корпуса 6, в
направляющие которого установлены подкулачники 12. К подкулачникам винтами 24 с
шайбами 39 крепятся сменные кулачки 8. В центровом отверстии корпуса патрона на
винте 2 установлена втулка 3. В паз подкулачника 12 и в выточку втулки 3 входят
сухари 15 и 16, установленные на рычаге 14 с помощью осей 10 и 11. Рычаг 14
установлен в корпусе патрона на оси 9. Ось фиксируется с помощью винтов
стопорных 25 и 26. К корпусу 6 винтами 23 с шайбами 38 крепится фланец 18 с
установленным в нем центром 19.
Пневмоцилиндр содержит корпус 5, в котором с
помощью болтов 22 с шайбами 38 установлена крышка 7. В пневмоцилиндре
установлен поршень 13, который с помощью гайки 29 с шайбой 36 крепится к штоку
20. В отверстие штока 20 входит трубка муфты 1 для подвода воздуха.
Муфта 1 установлена в корпусе 5 с помощью болтов
21 с шайбами 37.
Для уплотнения в пневмоцилиндре установлены
уплотнительные кольца 32, 32, 34, 35.
Для предотвращения ударов поршня о стенки
корпуса 5 и крышки 7 на поршне 13 установлены демпферы 4.
Пневмоцилиндр с помощью крышки 7 устанавливается
на заднем резьбовом конце шпинделя. Шпиндель фиксируется на крышке 7 с помощью
винта 27.
Описание работы приспособления
Патрон работает следующим образом:
Заготовка устанавливается на центе 19 и
поджимается задним центром.
При подаче воздуха в штоковую полость
пневмоцилиндра поршень 13 через шток 20, тягу 17, винт 2 тянет втулку 3 влево,
рычаг 14 поворачивается на оси 9, сдвигая подкулачники 12 с закрепленными на
них сменными кулачками 8, которые зажимают заготовку.
При подаче воздуха в поршневую полость
пневмоцилиндра, поршень 13 отходит вправо, описанный выше цикл происходит в
обратном направлении и заготовка разжимается.
Центральная втулка 3 сделана сферической и
установлена в корпусе 6 с зазором. При закреплении заготовки, установка
происходит по центру 19, кулачки 8 только передают вращающийся момент, и при
закреплении заготовки с отклонением от цилиндричности имеют возможность
самоустанавливаться по разным диаметрам при повороте втулки 3.
11. Экономическая часть
.1 Исходные данные для расчета
Дается краткое описание предложенных изменений
при проектировании технологии:
- предложено новое оборудование для выполнения
технологической операции;
- изменили способ получения заготовки;
применили совершенствованное приспособление;
спроектировали режущий инструмент,
который позволяет увеличить стойкость инструмента, увеличить режимы резанья, и
т.д.
Так же указывается тип производства, условия и
форма оплаты труда.
Базовый вариант
Операции 010, Установ Б - Токарная чистовая:
производится точение цилиндрических поверхностей
Оборудование - токарно-винторезный станок,
модель 16К20.
Оснастка - токарный трехкулачковый патрон.
Инструмент - резец проходной,расточной
Тип производства - серийный.
Условия труда - нормальные.
Форма оплаты труда - повременно-премиальная.
Проектный вариант
Операции 010, Установ Б - Токарная чистовая:
производится точение цилиндрических поверхностей
Оборудование - токарно-винторезный станок,
модель 16К20Ф3.
Оснастка - токарный трехкулачковый
самоцентрирующийся патрон.
Инструмент - резец проходной,
расточной(сборные).
Тип производства - серийный.
Условия труда - нормальные.
Форма оплаты труда - повременно-премиальная.
Необходимые исходные данные, цену материала
заготовки, отходов, инструмента, единицы оборудования, приспособления и др.
заносятся в таблицу 1.
Таблица14 - Исходные данные для расчета
экономической эффектности
|
№
|
Исходные
данные
|
Обозначение
|
Единица
измерения
|
Численное
значение
|
|
|
|
|
Базовый
вариант
|
Проектный
вариант
|
|
1
|
2
|
3
|
4
|
5
|
6
|
|
1
|
Годовая
программа выпуска
|
шт.2000020000
|
|
|
|
|
2
|
Норма
штучного времени на операцию
|
мин2,51,8
|
|
|
|
|
В
т.ч. машинное время
|
мин0,230,14
|
|
|
|
|
В
т.ч. ручное время
|
мин2,271,66
|
|
|
|
|
3
|
Цена
единицы оборудования
|
руб.14800001700000
|
|
|
|
|
4
|
Выручка
от реализации изношенного оборудования (5% от цены)
|
руб.7400085000
|
|
|
|
|
5
|
Цена
одной единицы приспособления
|
руб.1700020000
|
|
|
|
|
6
|
Выручка
от реализации изношенного приспособления (20 % от цены)
|
руб.34004000
|
|
|
|
|
7
|
Цена
единицы рабочего инструмента
|
руб.8001300
|
|
|
|
Таблица
|
1
|
2
|
3
|
4
|
5
|
6
|
|
8
|
Выручка
от реализации изношенного инструмента (20% от цены)
|
руб.160260
|
|
|
|
|
9
|
Количество
переточек
|
1515
|
|
|
|
|
10
|
Цена
одной переточки
|
руб.11,211,2
|
|
|
|
|
11
|
Стойкость
одной переточки
|
час1515
|
|
|
|
|
12
|
Масса
заготовки
|
кг1,41,4
|
|
|
|
|
13
|
Масса
детали
|
кг0,70,7
|
|
|
|
|
14
|
Стоимость
материала
|
руб./кг71,0971,09
|
|
|
|
|
15
|
Стоимость
отходов
|
руб./кг0,280,28
|
|
|
|
|
16
|
Часовая
тарифная ставка рабочего
|
руб./час45,0442,17
|
|
|
|
|
17
|
Часовая
тарифная ставка наладчика
|
руб./час58,5958,59
|
|
|
|
|
18
|
Габариты
станка
|
м2
|
2800х1100
|
3700х3000
|
|
|
19
|
Установленная
мощность единицы оборудования
|
кВт1111
|
|
|
|
|
20
|
Цена
за 1 м3 воды
|
руб./м32,92,9
|
|
|
|
|
21
|
Цена
за 1 кВт электроэнергии
|
руб./кВт2,22,2
|
|
|
|
|
22
|
Цена
за 1 м3 сжатого воздуха
|
руб./м30,2190,219
|
|
|
|
12. Расчет необходимого количества
оборудования и коэффициентов его загрузки
.1 Количество оборудования, необходимого
для производства годовой программы
Количество потребного для производства годовой
программы деталей,
(изделий) оборудования определяется в
зависимости от формы организации производства.
(12.1)
где
- норма штучного времени на
операцию, мин;
- годовая программа выпуска
деталей, шт.;
- коэффициент выполнения норм
(Приложение Г);
- годовой, эффективный фонд времени
работы оборудования (при односменном режиме работы - 2030 часов, при
двухсменном режиме - 4015 часов; при трехсменном режиме - 5960 часов, или из
раздела "Проектирование участка"), час.
Расчетное количество станков
округляется до ближайшего, большего числа и получаем, таким образом, принятое
или фактическое количество станков
шт
шт
.2 Расчет коэффициента загрузки
оборудования
Расчет коэффициента загрузки оборудования для
двух вариантов определяется по формуле:
(12.2)
где
- расчетное количество
оборудования;
- принятое количество оборудования.
13. Расчет численности
рабочих-станочников
Численность станочников (операторов)
рассчитывается по формуле:
(13.1)
где
- норма штучного времени на
операцию, мин;
- годовая программа выпуска
деталей, шт.;
- годовой, эффективный фонд времени
рабочего (можно принимать величину равную 1731 час., или из раздела
"Проектирование участка" ), час.
- коэффициент многостаночного
обслуживания, устанавливается для каждой операции, исходя из соотношения ручных
и машинных приемов операции:
(13.2)
где
- машинное (основное) время
выполнения операции, мин;
- ручное (вспомогательное) время
выполнения операции, мин.:
(12.3)
мин
мин
(принимаем 1 опер.)
(принимаем 1 опер.)
14 Расчет капитальных вложений в
оборудование
.1 Прямые капитальные вложения
, (14.1)
где
- цена единицы оборудования, руб.
- принятое количество оборудования;
- коэффициент загрузки.
руб.
руб.
14.2 Расчет сопутствующих
капитальных вложений
Затраты на доставку и монтаж
, (14.2)
где
- коэффициент на доставку и монтаж
(0,1…0,25);
- прямые капитальные вложения в
основное технологическое оборудование.
руб.
руб.
Затраты на дорогостоящие приспособления
, (14.3)
где
- количество приспособлений;
- цена единицы приспособления, руб.
- коэффициент загрузки.
руб.
руб.
Затраты на дорогостоящий инструмент
Рассчитывается, если стоимость
инструмента более 500 руб. и сроком службу более 1 года:
, (14.4)
где
- цена инструмента, руб.;
- машинное (основное) время, мин.;
- годовая программа выпуска
деталей, шт.;
-коэффициент случайной убыли
инструмента (Приложение Ж);
- стойкость инструмента между
переточками (Приложение Ж);
-количество переточек инструмента
до полного износа
руб.
руб.
Затраты на производственную площадь,
занятую основным оборудованием
, (14.5)
где
- принятое количество оборудования;
- площадь занимаемая одним станком
(паспорт станка), м2;
- коэффициент, учитывающий
дополнительную площадь
- цена 1 м2 площади
здания (Приложение Б), руб./м2.
- коэффициент загрузки.
руб.
руб.
Затраты на демонтаж оборудования
Рассчитывается если заменяется
специальное или универсальное оборудование с коэффициентом загрузки близким к
единице или если высвобождается оборудование за счет сокращения количества
станков
(14.6)
где
- высвобожденное количество
оборудования или заменяемое количество оборудования;
- цена единицы оборудования, руб.
руб.
руб.
Выручка от реализации оборудования
Рассчитывается, при реализация
замененного специального или универсального оборудования, с коэффициентом
загрузки близким к единице, или высвобожденного оборудования за счет сокращения
количества станков
, (14.7)
где
- высвобожденное количество
оборудования или заменяемое количество оборудования;
- цена единицы оборудования, руб.
руб.
руб.
Общие сопутствующие капитальные
вложения
, (14.8)
где
- затраты на доставку и монтаж,
руб.;
- затраты на дорогостоящее
приспособление, руб.;
- затраты на дорогостоящий
инструмент, руб.;
- затраты на производственную
площадь, занятую основным оборудованием, руб.;
- затраты на демонтаж оборудования,
руб.;
- выручка от реализации
оборудования, руб.
руб.
руб.
Общие капитальные вложения
(14.9)
- прямые капитальные вложения,
руб.;
- общие сопутствующие капитальные
вложения, руб.
руб.
руб.
Расчет удельных, капитальных
вложений на единицу изделия
, (14.10)
где
- общие капитальные вложения, руб.;
- годовая программа выпуска
деталей, шт.


15. Расчет технологической
себестоимости операции
.1 Затраты на основной материал за
вычетом отходов в стружку
, (15.1)
где
- цена материала заготовки
(Приложение 6), руб./кг.;
- масса заготовки (расчет), кг.;
- коэффициент
транспортно-заготовительных работ (для черных металлов 1,05…1,06; для цветных
металлов - 1,01…1,02);
- цена отходов (Приложение Е),
руб./кг.;
- масса отходов (расчет), кг.:
кг. (15.2)
- масса детали (расчет), кг.
руб.
15.2 Затраты на заработную плату
основных рабочих
(15.3)
где
- часовая тарифная ставка наладчика
(Приложение А), руб./час;
- часовая тарифная ставка
рабочего-оператора (Приложение А), руб./час;
- штучное время, мин;
- коэффициент премирования
(Приложение Г);
- коэффициент выполнения норм
(Приложение Г);
- коэффициент доплат (Приложение
Г);
- коэффициент условий труда
(Приложение Г);
- коэффициент за профмастерство
(Приложение Г);
- доплаты за вечерние и ночные
смены (Приложение Г);
- коэффициент отчислений на
социальные нужды (Приложение Г).
руб.
руб.
15.3 Затраты на текущий ремонт
оборудования
, (15.4)
где
- цена оборудования, руб.;
- выручка от реализации изношенного
оборудования (5 % от стоимости оборудования), руб.;
- коэффициент монтажа (1,1…1,25);
- штучное время, мин;
- коэффициент загрузки;
- коэффициент затрат на текущий
ремонт оборудования (
);
- эффективный годовой фонд времени
работы оборудования, час;
- коэффициент выполнения норм
(Приложение Г).
руб.
руб.
15.4 Затраты на амортизацию
оборудования
, (15.5)
где
- цена оборудования, руб.;
- выручка от реализации изношенного
оборудования (5 % от стоимости оборудования), руб.;
- годовая норма амортизационных
отчислений, зависит от срока службы оборудования (3,5…20), %;
- коэффициент монтажа (1,1…1,25);
- коэффициент загрузки;
- эффективный годовой фонд времени
работы оборудования, часах;
- коэффициент выполнения норм
(Приложение Г).
руб.
руб.
.5 Затраты на электроэнергию
, (15.6)
где
- мощность электродвигателя
(паспорт станка), кВт;
- машинное (основное) время, мин.;
- тариф платы за электроэнергию
(Приложение Б), руб./кВт;
- коэффициент загрузки
электродвигателя по времени (0,5…0,85);
- коэффициент загрузки
электродвигателя по мощности (0,7…0,8);
- коэффициент потерь электроэнергии
в сети (1,04…1,08);
- коэффициент одновременной работы
электродвигателей (0,8…1,0);
- коэффициент полезного действия
(0,7…0,95).
руб.
руб.
.6 Затраты на рабочий инструмент
, (15.7)
где
- цена инструмент, руб.;
- коэффициент
транспортно-заготовительных расходов на доставку инструмента (
);
- выручка от реализации изношенного
инструмента (20 % от стоимости инструмента), руб.;
- машинное (основное) время, мин.;
- коэффициент случайной убыли
инструмента (Приложение Ж);
- стойкость инструмента между
переточками (Приложение Ж), час;
- количество переточек (Приложение
Ж).
руб.
руб.
15.7 Затраты на переточку
инструмента
, (15.8)
где
- машинное (основное) время, мин.;
- цена одной переточки инструмента
(Приложение Ж), руб.;
- стойкость инструмента между
переточками (Приложение Ж), час;
- количество переточек (Приложение
Ж).
руб.
Проектный вариант не рассчитывается,
так как инструмент не перетачиваемый.
15.8 Затраты на содержание и
эксплуатацию приспособления
, (15.9)
где
- цена приспособления, руб.;
- коэффициент, учитывающий затраты
на ремонт приспособлений (1,5…1,6);
- выручка от реализации изношенного
приспособления (20 % от стоимости приспособления), руб.;
- количество приспособлений;
- коэффициент загрузки;
- годовая программа выпуска
деталей, шт.;
- физический срок службы
приспособлений (2…5), лет.
руб.
руб.
.9 Затраты на смазочно-охлаждающую
жидкость (СОЖ) и обтирочные материалы
, (15.10)
где
- количество оборудования;
- коэффициент загрузки;
- расходы на СОЖ на 1 станок в год
(400…1600), руб.;
- годовая программа выпуска
деталей, шт.
руб.
руб.
15.10 Затраты на технологическую
воду
, (15.11)
где
- эффективный годовой фонд времени
работы оборудования, часах;
- цена за 1 м3 воды
(Приложение Б), руб./м3;
- количество оборудования;
- коэффициент загрузки;
- удельный расход технологической
вода за 1 час работы станка (
), м3/час.;
руб.
руб.
, (15.12)
где
- количество оборудования;
- площадь занимаемая одним станком
(паспорт станка), м2;
- коэффициент, учитывающий
дополнительную площадь (Приложение В);
- коэффициент загрузки;
- цена 1 м2 площади
здания (Приложение), руб./м2;
- годовая программа выпуска
деталей, шт.
руб.
руб.
Затраты на сжатый воздух
, (15.13)
где
- количество оборудования;
- коэффициент загрузки;
- эффективный годовой фонд времени
работы оборудования, часах;
- удельный расход сжатого воздуха
за час (0,1…0,15), м3/час;
- тариф плата за 1 м3 сжатого
воздуха (Приложение Б), руб./м3.
- годовая программа выпуска
деталей, шт.
руб.
руб.
Затраты на подготовку и эксплуатацию
управляющих программ для станков с ЧПУ
Данная статья расходов
рассчитывается, если на рассматриваемых операциях применяются станки с ЧПУ.
, (15.14)
где
- стоимость управляющей программы
для станка с ЧПУ (Приложение Д), руб.;
- количество наименований
однотипных деталей, обрабатываемых на станках с ЧПУ (округляется до целого
меньшего числа), шт.:
, (15.15)
где
- эффективный годовой фонд времени
работы оборудования, часах;
- штучное время, мин;
- годовая программа выпуска
деталей, шт.;
- коэффициент, учитывающий
восстановление управляющей программы для станков с ЧПУ (
);
- коэффициент загрузки;
- период выпуска деталей данного
наименования (
), лет.
шт.
руб.
Базовый вариант не рассчитывается,
так как станок 16К20 не имеет ЧПУ.
Итого: себестоимость технологической операции
, (15.16)
где
- затраты на основной материал за
вычетом отходов, руб.;
- затраты на заработную плату
основных рабочих, руб.;
- затраты на текущий ремонт
оборудования, руб.;
- затраты на амортизацию
оборудования, руб.;
- затраты на электроэнергию, руб.;
- затраты на рабочий инструмент,
руб.;
- затраты на переточку инструмента,
руб.;
- затраты на содержание и
эксплуатацию приспособления, руб.;
- затраты на смазочно-охлаждающую
жидкость (СОЖ) и обдирочные материалы, руб.;
- затраты на технологическую воду,
руб.;
- затраты на содержание и
эксплуатацию производственной площади, руб.;
- затраты на сжатый воздух, руб.;
- затраты на подготовку и
эксплуатацию управляющей программы для станков с ЧПУ, руб.

Калькуляция себестоимости обработки детали по
вариантам технологического процесса
Таблица 15 - Калькуляция себестоимости обработки
детали
|
№
|
Статьи
затрат
|
Затраты,
руб.
|
отклонения
+/-
|
|
|
Вариант
1
|
Вариант
2
|
|
|
1
|
2
|
3
|
4
|
5
|
|
1
|
Технологическая
себестоимость 96,5794,34-
|
|
|
|
|
Общецеховые
накладные расходы (32)91,789-
|
|
|
|
|
2
|
Итого
цеховая себестоимость (33)188,27183,34-
|
|
|
|
Таблица
|
1
|
2
|
3
|
4
|
5
|
|
Заводские
накладные расходы (34)113,68110,3-
|
|
|
|
|
3
|
Итого
заводская себестоимость (35)301,95293,64-
|
|
|
|
|
Внепроизводственные
расходы (36)15,0914,68-
|
|
|
|
|
4
|
Всего
полная себестоимость (37)317,07308,32-
|
|
|
|
Знак «-» ставится, если Вариант 2 меньше Вариант
1.
Знак «+» ставится, если Вариант 2 больше Вариант
1.
16. Расчет показателей экономической
эффективности
.1 Расчет приведенных затрат на
единицу изделия
, (16.1)
где
- полная себестоимость операции,
руб.;
- единый нормативный коэффициент
эффективности капитальных вложений (Приложение Г);
- удельные, капитальные вложения
(см. п. 4.4), руб.
руб.
руб.
16.2 Расчет приведенных затрат на
годовую программу
, (16.2)
где
- приведенные затраты на единицу
изделия, руб.;
- годовая программа выпуска
деталей, шт.
Проектным вариантом считается тот,
который имеет наименьшие приведенные затраты на программу выпуска.
руб.
руб.
16.3 Условно-годовая экономия от
снижения себестоимости (ожидаемая прибыль от снижения себестоимости)
, (16.3)
где
- технологическая себестоимость
операции, соответственно по базовому и проектному вариантам, руб.;
- годовая программа выпуска
деталей, шт.
руб.
16.4 Налог на прибыль
, (16.4)
где
- коэффициент налогообложения
(Приложение Г);
- ожидаемая прибыль от снижения
себестоимости, руб.
руб.
16.5 Чистая ожидаемая прибыль
, (16.5)
где
- ожидаемая прибыль от снижения
себестоимости, руб.;
- налог на прибыль, руб.
руб.
16.6 Срок окупаемости капитальных
вложений
, (16.6)
где
- общие капитальные вложения в
проект (см. п. 4.3), руб.;
- чистая ожидаемая прибыль, руб.
Расчетный срок окупаемости
округляется до ближайшего, большего числа и получаем принятый срок окупаемости,
который в дальнейшем принимаем за горизонт расчета.
Если срок окупаемости по расчетам
получился близким к целому числу (1,92 года; 2,89 года, 0,95 года и т.д.), то
тогда для эффективности проекта расчетный срок окупаемости округляется до
целого числа плюс 1 (3 года, 4 года, 2 года и т.д.).
Принимаем
года.
16.7 Общий дисконтируемый доход
(общая дисконтируемая прибыль)
Общий дисконтируемый доход
рассчитывается в течение принятого горизонта расчета определяется по формуле:
, (16.7)
где
- ставка на капитал (при 20% Е=0,2;
при 5% Е=0,05 и т.д.);
- горизонт расчета, годах;
- 1-ый, 2-ой и т.д. год получения
прибыли, в пределах принятого горизонта расчета;
- дисконтные множители (Приложение
И);
- чистая ожидаемая прибыль, руб.
руб.
.8 Интегральный экономический эффект
(чистый дисконтируемый доход)
, (16.8)
где
- общий дисконтируемый доход, руб.;
- общие капитальные вложения в
проект, руб.
Если
, то проект можно считать
эффективным. В этом случае определяется прибыль на каждый вложенный рубль
(индекс доходности):
, (16.9)
где
- общий дисконтируемый доход, руб.;
- общие капитальные вложения в
проект, руб.
Если
, то проект считается не
эффективным. В этом случае выгоднее деньги положить на депозитный счет в банк
по расчетной ставке на капитал:
, (16.10)
где
- общие капитальные вложения в
проект, руб.;
- ставка на капитал (при 20% Е=0,2;
при 5% Е=0,05 и т.д.);
- горизонт расчета, годах;
- множители наращения (Приложение
К)
После всех расчетов пишется вывод
или заключение.
Заключение
В результате замены станка на более
производительный, уменьшилось общее время изготовления изделия, затраты на
изготовление и качество изготовления, повысилась конкурентоспособность
продукции. Вследствие этого повысилась эффективность производства и годовой
экономический эффект.
Проведен анализ технологичности, сделан вывод,
что деталь технологична;
На основании технико-экономического расчет была
спроектирована заготовка, полученная методом горячей штамповки;
Разработан технологический маршрут обработки
детали, проектировании план обработки;
Спроектированы технологические операции,
включающие выбор оборудования и технологической оснастки, расчет операционных
размеров, расчет режима и времени выполнения операции;
разработана технологическая документация.
Произведено технико-экономическое сравнение двух
вариантов обработки токарной операции, одна из которой с более технологичным
оборудованием.
Литература
1.Марочник
сталей и сплавов (Под общ. редакцией В.Г. Сорокина. - М.: Машиностроение ,
1989. - 640с.
.Михайлов
А.В. Методические указания для студентов по выполнению курсового проекта по
специальности 151001 Технология машиностроения по дисциплине «Технология
машиностроения» - Тольятти, ТТК, 2008.
.ГОСТ
7505-89. Поковки стальные штампованные. Допуски, припуски и кузнечные напуски.
- М.: Изд-во стандартов, 1990. - 52с.
.Добрыднев
И.С. Курсовое проектирование по предмету «Технология машиностроения»: Учеб.
Пособие для техникумов по специальности» Обработка металлов резанием». -М:
Машиностроение, 1985, 184с
.Горбацевич
А.Ф., Шкред В.А. Курсовое проектирование по технологии машиностроения: (Учебное
пособие для машиностроительных спец. вузов). четвертое издание перераб. и доп.
- М.: Высш. Школа 1983 - 256с.
.Нефедов
Н.А. Дипломное проектирование в машиностроительных техникумах: Учеб. пособие
для техникумов 2-е изд. перераб. и доп. - М.: Высш. Школа, 1986-239с.
.Справочник
технолога-машиностроителя. В 2-х т. Т. 1/Под ред. Косиловой А.Г. и Мещрякова
Р.Г. - М.: Машиностроение 1985. - 496 с.
.Справочник
технолога-машиностроителя. В 2-х т. Т. 2/Под ред. Косиловой А.Г. и Мещрякова
Р.Г. - М.: Машиностроение 1985. - 496 с.
.Барановский
Ю.В. Режимы резания металлов. Справочник. Изд. 3-е, перераб. и доп. М.,
Машиностроение, 1972 г.
.Добрыднев
И.С. Курсовое проектирование по предмету «Технология машиностроения»: Учеб.
пособие для техникумов по специальности «Обработка металлов резанием». -М:
Машиностроение, 1985, 184 с.
Приложения
Таблица. Часовые тарифные ставки на 2008 год
|
Разряды
|
Тарифная
сетка
|
3
|
4
|
5
|
6
|
7
|
|
Оплата
согласно тарифу
|
0
|
42,17
|
45,04
|
50,51
|
58,59
|
61,24
|
Цены на энергоносители на 2008 год
- тариф платы за электроэнергию;
- тариф плата за технологическую
воду;
- тариф плата за сжатый воздух;
- стоимость эксплуатации площади
зала;
Таблица. Значение коэффициента
Кд.пл., учитывающего дополнительную площадь
|
Основная
площадь занимаемая станком, Коэффициент, учитывающий
дополнительной площади,
|
|
|
до
2,5
|
5,0
|
|
2,5…5,0
|
4,5
|
|
5,1…9,0
|
4,0
|
|
9,1…14,0
|
3,5
|
|
14,1…20,0
|
3,0
|
|
20,1…75,0
|
2,0
|
|
свыше
75
|
1,5
|
Коэффициенты доплат на 2008 год
- коэффициент доплат за условия
труда (если они вредные):
-
- для
рабочих-операторов
-
- для
наладчиков;
- коэффициент выполнения норм;
- коэффициент доплат за
профмастерство (начиная с 3-го разряда);
- коэффициент премирования;
- коэффициент доплаты до часового,
дневного и месячного фондов;
- коэффициент доплат за вечерние и
ночные часы;
- единый социальный налог (26 %);
- коэффициент налогообложения (24%);
- коэффициент цеховых расходов;
- коэффициент заводских расходов;
- коэффициент внепроизводственных
расходов;
- нормативный коэффициент
эффективности.
Укрупненные нормативы стоимости разработки
программ для станков с ЧПУ
|
Тип
детали
|
Вид
обработки
|
Стоимость
программирования одного типа детали, руб.
|
|
Тела
вращения: втулки, фланцы пиноли, ступенчатые валы шпиндели
|
Точение
Шлифование
|
5000…7000
6000…9000 15000…20000
|
|
Корпусные
детали, крышки, плиты:
|
Сверление
Фрезерование Растачивание
|
15000…20000
|
|
Рычаги,
вилки, кронштейны, торцевые кулачки:
|
Фрезерование
по контуру Растачивание 1..2-х отверстий
|
15000…20000
|
|
Мелкое
литье с габаритами до 500*500*500 мм.
|
Фрезерование
плоскостей и окон прямоугольной формы Сверление Нарезание резьбы Растачивание
|
35000…40000
|
|
Мелкое
литье с габаритами до 1000*1000*1000 мм.
|
Фрезерование
плоскостей и окон прямоугольной формы Сверление Нарезание резьбы Растачивание
|
50000…70000
|
Таблица. Цена на материал на 1.01.2007 г.
|
№
|
Метод
получения и наименование материала
|
Цена
руб./кг
|
№
|
Метод
получения и наименование материала
|
Цена
руб./кг
|
|
Отходы:
|
32
|
5ХГНМ
|
90,47
|
|
1.
|
Черных
металлов
|
1,82
|
33
|
9ХС
|
52,12
|
|
2.
|
Бронзы
|
1,2
|
34
|
40ХГНМ
|
49,74
|
|
3.
|
Меди
|
1,54
|
35
|
19ХГН
|
50,33
|
|
4.
|
Латуни
|
1,54
|
36
|
20ХГНМ
|
50,52
|
|
5.
|
Цинка
|
0,03
|
37
|
6ХВ2С
|
93,45
|
|
6.
|
Алюминия
|
0,54
|
38
|
Х12МФ
|
119,42
|
|
Литье
до 1 тонны:
|
Штамповка:
|
|
7.
|
СЧ-21
|
56,52
|
39
|
Сталь
3
|
45,93
|
|
8.
|
СЧ-30
|
57,52
|
40
|
Сталь
15 - 20
|
52,33
|
|
9.
|
25Л
- 45Л
|
86,47
|
41
|
19ХГНМ
|
71,09
|
|
10.
|
30ХНМЛ
|
97,66
|
42
|
40ХГНМ
|
70,3
|
|
11
|
АЖ
9
|
158,25
|
43
|
Сталь
20Х - 50Х
|
56,11
|
|
12
|
АL
9
|
266,79
|
Прокат:
|
|
Литье
от 1 до 3 тонн:
|
44
|
Сталь
3, 20, 35
|
18,39
|
|
13
|
СЧ-21
|
48,94
|
45
|
У8А,
У10А, 65Г, 35Г
|
24,51
|
|
14
|
СЧ-30
|
49,74
|
46
|
Х12М,
Х12М1, Х12МФ
|
78,64
|
|
15
|
25Л
- 45Л
|
78,89
|
47
|
Сталь
20Х, 40Х, 45
|
23,99
|
|
16
|
30ХНМЛ
|
90,06
|
48
|
4Х5МФС
|
67,99
|
|
17
|
АЖ
9
|
146,42
|
40ХГНМ,
20ХГНМ, 19ХГН
|
26,97
|
|
18
|
АL
9
|
260,47
|
|
|
|
|
Литье
свыше 3 тонн:
|
50
|
ХВГ,
ХВГ1
|
36,85
|
|
19
|
СЧ-21
|
50,52
|
51
|
Р6М5
|
199,5
|
|
20
|
СЧ-30
|
51,52
|
52
|
Р18,
Р18Ф, ВК6ОМ
|
217,2
|
|
21
|
25Л
- 45Л
|
80,49
|
53
|
6ХВ2С
|
61,91
|
|
22
|
30ХНМЛ
|
91,67
|
54
|
ШХ15
|
18,18
|
|
23
|
АЖ
9
|
147,85
|
55
|
12Х18Н10Т,
08Х18Н10Т
|
139,79
|
|
24
|
АL
9
|
261,86
|
56
|
40Х13
|
65,9
|
|
Поковка:
|
57
|
Сталь
10
|
24,39
|
|
25
|
Сталь
10
|
35,14
|
58
|
Сталь
шпоночная
|
21,21
|
|
26
|
Сталь
20 - 50
|
35,14
|
59
|
М1
|
189,57
|
|
27
|
Сталь
15Х - 50Х
|
38,95
|
60
|
Л-63
|
139,35
|
|
28
|
4Х5МФС
|
106,05
|
61
|
ЛС
59-1
|
117,42
|
|
29
|
У8А,
У10А
|
44,54
|
62
|
Браж
9-4
|
143,54
|
|
30
|
Х12М
|
119,42
|
63
|
Д
16
|
157,82
|
|
31
|
Х12М1
|
118,82
|
64
|
АМЦМ-1
|
179,53
|
Таблица. Некоторые укрупненные данные для
расчета затрат на инструмент
Наименование инструмента
количество переточек
стоимость одной переточки
,
для перетачиваемого инструмента
,
для не перетачиваемого инструмента
|
коэффициент
случайной убыли
|
|
|
|
|
|
|
Долбяки:
дисковые косозубые чашечные и прямозубые
|
31
31 31
|
128,0
156,8 156,8
|
4,0
4,0 4,0
|
100…120
100…120 100…120
|
1,1…1,05
1,1…1,05 1,1…1,05
|
|
Зенкеры
и зенковки:
|
20
|
8,5
|
0,8…1,0
|
6…8
|
1,12…1,05
|
|
Метчики:
|
7
|
52,8
|
0,5…2,0
|
3,14
|
1,25…1,1
|
|
Плашки:
|
23
|
60,8
|
1,0
|
10
|
1,2…1,1
|
|
Полотна
ножовочные:
|
15
|
128,0
|
2,0
|
30,0
|
1,15…1,1
|
|
Протяжки:
граненные круглые шлицевые шпоночные
|
12
12 12 16
|
144,0
196,8 144,0 128,0
|
1,0…1,5
1,0…1,5 1,0…1,5 1,0…1,5
|
20
20 20 20
|
1,1…1,08
1,1…1,08 1,1…1,08 1,1…1,08
|
|
Развертки:
|
8
|
15,4
|
1,3
|
10…16
|
1,17…1,1
|
|
Резцы:
галтельные отрезные подрезные проходные расточные резьбовые фасонные
|
12
28 28 15 11 15 14
|
11,2
11,2 16,0 11,2 26,8 16,0 9,6
|
1,0…1,5
1,0…1,5 1,0…1,5 1,0…1,5 1,0…1,5 1,0…1,5 2,0
|
10…15
10…17 10…15 12…20 12,5 10…15 26,0
|
1,2…1,05
1,19…1,15 1,1…1,05 1,1…1,05 1,1…1,05 1,08…1,05 1,1…1,05
|
|
Сверла:
|
62
|
57,6
|
0,5
|
40,8
|
1,25…1,1
|
|
Фрезы:
дисковые концевые пазовые торцевые трехсторонние угловые фасонные
цилиндрические шпоночные
|
15
30 16 22 24 9 7 11 24
|
92,8
60,8 144,0 52,8 80,0 144,0 72,0 92,8 16,8
|
1,0…1,5
2,0 4,0 2,0 3,0 2,0 1,0…1,05 4,0 5,0…10,0
|
8,0
28,0 48,0 28,0 67,0 22,0 8,0 48,0 32,2
|
1,1…1,05
1,15…1,08 1,1…1,05 1,15…1,08 1,15…1,08 1,15…1,1 1,15…1,1 1,15…1,08 1,08…1,05
|
|
Шлифовальные
круги
|
16
|
144,0
|
2,0
|
30,0
|
1,1…1,05
|
Таблица. Дисконтные множители
(сложные проценты)
|
Год
Ставка
процентов на капитал,
|
|
|
5
|
10
|
15
|
20
|
25
|
30
|
35
|
40
|
45
|
|
1
|
0,952
|
0,909
|
0,87
|
0,833
|
0,8
|
0,769
|
0,74
|
0,714
|
0,67
|
|
2
|
0,907
|
0,826
|
0,756
|
0,694
|
0,64
|
0,592
|
0,549
|
0,51
|
0,476
|
|
3
|
0,864
|
0,753
|
0,658
|
0,579
|
0,512
|
0,455
|
0,313
|
0,364
|
0,328
|
|
4
|
0,823
|
0,683
|
0,572
|
0,482
|
0,409
|
0,35
|
0,24
|
0,26
|
0,234
|
|
5
|
0,783
|
0,621
|
0,497
|
0,402
|
0,328
|
0,269
|
0,193
|
0,186
|
0,167
|
Таблица. Множители наращения
(сложные проценты)
|
Год
Ставка
процентов на капитал,
|
|
|
5
|
10
|
15
|
20
|
25
|
30
|
35
|
40
|
45
|
|
1
|
1,05
|
1,1
|
1,15
|
1,2
|
1,25
|
1,3
|
1,35
|
1,4
|
1,45
|
|
2
|
1,025
|
1,21
|
1,323
|
1,44
|
1,563
|
1,69
|
1,822
|
1,96
|
2,1
|
|
3
|
1,158
|
1,331
|
1,121
|
1,728
|
1,876
|
2,197
|
2,46
|
2,744
|
3,05
|
|
4
|
1,216
|
1,464
|
1,749
|
2,1
|
2,345
|
2,856
|
3,321
|
3,842
|
4,42
|
|
5
|
1,276
|
1,61
|
2,01
|
2,52
|
2,931
|
3,713
|
4,484
|
5,378
|
6,41
|