Анализ качества изделия машиностроения
Государственное
образовательное учреждение
высшего
профессионального образования
«ПЕТЕРБУРГСКИЙ
ГОСУДАРСТВЕННЫЙ УНИВЕРСИТЕТ
ПУТЕЙ
СООБЩЕНИЯ МИНИСТЕРСТВА ПУТЕЙ СООБЩЕНИЯ
РОССИЙСКОЙ
ФЕДЕРАЦИИ»
Кафедра
«Технология металлов»
МЕТРОЛОГИЯ,
СТАНДАРТИЗАЦИИ
И
СЕРТИФИКАЦИИ
ПОЯСНИТЕЛЬНАЯ
ЗАПИСКА К КУРСОВОЙ РАБОТЕ
НА ТЕМУ:
АНАЛИЗ
КАЧЕСТВА ИЗДЕЛИЯ МАШИНОСТРОЕНИЯ
САНКТ-ПЕТЕРБУРГ
2011
Реферат
Данная курсовая работа
посвящена анализу качества изделия машиностроения.
Она состоит из
пояснительной записки и чертежа вала на формате А4. Пояснительная записка
состоит из 27 листов, содержит 16 рисунков и 7 таблиц. В записке описывается 11
задач.
В первой задаче приведен
пример стандарта, используемого на предприятии, и определение стандартизации.
Во второй задаче
рассчитана и выбрана посадка с натягом для соединения зубчатого колеса с валом.
Выполнен анализ полученной посадки и построена схема расположения полей
допусков. Обозначена посадка соединения и поля допусков сопрягаемых деталей на
эскизах.
В третьей задаче
подобраны посадки внутреннего и наружного колец подшипника.
Выполнен анализ
полученных посадок. Построены схемы расположения полей допусков. Обозначены на
эскизах посадки соединяемых деталей и поля допусков этих деталей.
В четвертой задаче
подобраны размеры шпонки для соединения шкива с валом.
Назначены посадки шкива
на вал и посадки шпонки с пазом вала и пазом втулки в соответствии с вариантом
задания. Выполнен анализ полученных посадок шпонки с пазом вала и пазом втулки.
Построены схемы расположения полей допусков этих соединений. Обозначены на
эскизах посадки соединяемых деталей и поля допусков деталей соединения.
В пятой задаче назначены
недостающие осевые и диаметральные размеры ступеней вала, исходя из
особенностей конструкции.
В шестой задаче
составлена схема размерной цепи. Решена задача расчета размерной цепи с помощью
метода полной взаимозаменяемости.
В задачах 7-11 рассмотрены вопросы
дальнейшего проектирования вала.
деталь
конструкция вал колесо
Задача 1
Приведите пример
стандарта, используемого на вашем предприятии, и определение стандартизации.
Стандартизация –
установление и применение правил с целью упорядочения деятельности в
определенной области на пользу и при участии всех заинтересованных сторон, в
частности для достижения всеобщей оптимальной экономии при соблюдении условий
эксплуатации и требований безопасности. Стандартизация основывается на
объединенных достижениях науки, техники и передового опыта. Она определяет
основу не только настоящего, но и будущего развития и должна осуществляться непрерывно.
Стандарт –
нормативно-технический документ по стандартизации, устанавливающий комплекс
норм, правил, требований к объекту стандартизации и утвержденный компетентным
органом.
Приведем примеры
стандартов, используемых на предприятии.
При оформлении конструкторской
документации используются: ГОСТ 2.301-68, ГОСТ 2.302-68, ГОСТ 2.303-68, ГОСТ
2.304-68 и т.д.
Электромонтаж
производится в соответствии с требованиями ГОСТ 23592-79.
Разделка проводов и
крепление жил производится в соответствии с требованиями ГОСТ 23587-79.
Задача 2
1. Рассчитать и выбрать
посадку с натягом для соединения зубчатого колеса с валом.
2. Выполнить анализ
полученной посадки и построить схему расположения полей допусков.
3. Обозначить посадку
соединения и поля допусков сопрягаемых деталей на эскизах.
Решение.
Значение наименьшего
расчетного натяга:
,
где Рэ –
удельное контактное эксплуатационное давление при действии крутящего момента,
Па.
,
где f = 0,15 – коэффициент трения,
n = 1,5 – 2 – коэффициент запаса
прочности соединения,
D = d – номинальный диаметр соединения, м,
L – длина соединения, м.
СD и Cd – коэффициенты Ламэ:
,
,
где d1 – внутренний диаметр вала (если вал полый). d1 = 0.
d2 – диаметр впадин зубчатого колеса.
Наибольший расчетный
натяг:
,
где Рдоп –
наибольшее допускаемое давление на поверхности вала или втулки, Па.
На поверхности втулки
отсутствуют пластические деформации при:
На поверхности вала
отсутствуют пластические деформации при:
Поправка к расчетному
натягу на смятие неровностей поверхности детали URz, остальные поправки можно принять
равными нулю.
,
где к – коэффициент,
учитывающий высоту смятия неровностей отверстия втулки и вала. Для принятого
метода сборки (с нагревом зубчатого колеса) принимаем: к = 0,5.
С учетом поправки
величины граничных допустимых значений функциональных натягов для выбора
посадки будут равны:
Выберем стандартную
посадку по наибольшему натягу.
Посадку будем выбирать в
системе отверстия.
В этой системе отверстие
имеет основное нижнее отклонение Н, где ЕI=0.
Исходя из условия, что
натяг, обеспечиваемый стандартной посадкой (ГОСТ 25347-82), должен быть меньше
функционального:
Nmax ф > Nmax = es – EI,
Определяем наибольшее
допустимое значение верхнего отклонения вала:
es < Nmax
ф – EI = 232 – 0 = 232 мкм.
В соответствии с
неравенством по ГОСТ 25347-82 выбираем поле допуска вала:
95u8: es = +173 мкм < (232 мкм = Nmax ф).
Принимаем поле допуска 95u8 (es = +173 мкм, ei =
+124 мкм).
Исходя из условия:
Nmin ф < Nmin = ei – ES
определяем наибольшее
допустимое значение верхнего отклонения основного отверстия:
ES < ei - Nmin
ф = +124 – 21 = 103 мкм.
В соответствии с
неравенством по ГОСТ 25347-82 выбираем поле допуска основного отверстия:
95Н8: ES = +54 мкм < 103 мкм.
Принимаем поле допуска
95Н8 (ES = +54 мкм, EI = 0).
Посадка 95Н8/u8 – относится к рекомендуемым.
Проанализируем выбранную
посадку с натягом, данные сведем в табл. 1.
Построим схему
расположения полей допусков (рис. 1) и эскизы сопрягаемых деталей (рис. 2).
Таблица 1
|
Параметры сопряжения
|
Для вала
|
Для отверстия
|
|
Номинальный размер, мм
|
95
|
95
|
|
Квалитет
|
8
|
8
|
|
Условное обозначение основного отклонения
|
u
|
Н
|
|
Условное обозначение поля допуска
|
u8
|
Н8
|
|
Верхнее отклонение, мм
|
еs = +0,173
|
ES = +0,054
|
|
Нижнее отклонение, мм
|
ei = +0,124
|
EI = 0
|
|
Наибольший предельный размер, мм
|
dmax = 95,173
|
Dmax = 95,054
|
|
Наименьший предельный размер, мм
|
dmin = 95,124
|
Dmin = 95,0
|
|
Допуск размера, мм
|
Td = 0,049
|
TD = 0,054
|
Характеристики посадки с
натягом.
Наибольший натяг: Nmax = dmax – Dmin = 95,173 – 95,0 = 0,173 мм
Наименьший натяг: Nmin = dmin – Dmax = 95,124 – 95,054 = 0,070 мм
Средний натяг: Nm = (Nmax + Nmin)/2 = (0,173 + 0,070)/2 = 0,1215 мм
Допуск натяга: TN = Nmax – Nmin = 0,173 – 0,070 = 0,103 мм
TN
= TD + Td = 0,054 + 0,049
= 0,103 мм
Задача 3
Вал вращается, корпус
редуктора неподвижен. Вид нагружения наружного кольца – местный, внутреннего –
циркуляционный. Осевая нагрузка на опору отсутствует.
1. Подобрать посадки
внутреннего и наружного колец подшипника.
2. Выполнить анализ
полученных посадок.
3. Построить схемы
расположения полей допусков.
4. Обозначить на эскизах
посадки соединяемых деталей и поля допусков этих деталей.
Подшипник №214, класс
точности: 5, d = 70 мм, D = 125 мм, В = 24 мм, r = 2,5 мм,
d’ = 79 мм, R = 19,5 кН, перегрузка: 300%.
Решение
Интенсивность нагрузки на
посадочные поверхности:
,
где B1 – рабочая ширина посадочного места, м:
В1 = В – 2r = 24 – 5 = 19 мм.
kp = 1,8 - динамический коэффициент
посадки, при перегрузке до 300%.
F = 1 – коэффициент, учитывающий
степень ослабления посадочного натяга (при сплошном вале).
FА = 1 – коэффициент неравномерности распределения
радиальной нагрузки.
По найденному значению РR и исходным данным выбираем поле
допуска посадочной поверхности вала: n6. [2]
Поле допуска отверстия в
корпусе под наружное кольцо выбираем в зависимости от перегрузки, типа корпуса
и типа подшипника: Js7. [2]
Определяем числовые
значения отклонений для этих полей допусков вала и отверстия в корпусе согласно
ГОСТ 25347-82.
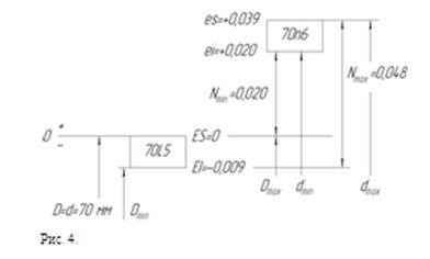
Отклонения вала Ø70n6: es = +39 мкм; ei =
+20 мкм.
Отклонения отверстия в
корпусе Ø125Js7: ES = +20 мкм; EI = -20 мкм.
Числовые значения
отклонений для полей допусков подшипника L5 и l5
определяем по ГОСТ 520-89.
Отклонения отверстия
внутреннего кольца Ø70L5: ES = 0; EI = -9 мкм.
Отклонения наружного
кольца подшипника Ø125l5: es = 0; ei = -11 мкм.
Посадка внутреннего
кольца подшипника на вал: Ø70L5/n6 (с натягом).
Посадка наружного кольца
в отверстие в корпусе: Ø125Js7/l5 (переходная).
На рис. 3 приведем пример
обозначения посадок подшипников качения на сборочных чертежах.
По найденным значениям
отклонений сопрягаемых деталей строим схемы расположения полей допусков
наружного кольца подшипника с корпусом и внутреннего кольца с валом и проводим
анализ этих посадок аналогично второй задаче (табл. 2,3; рис. 4,5).
Характеристики посадки с
натягом.
Наибольший натяг: Nmax = dmax – Dmin = 70,039 – 69,991 = 0,048 мм
Наименьший натяг: Nmin = dmin – Dmax = 70,020 – 70 = 0,020 мм
Средний натяг: Nm = (Nmax + Nmin)/2 = (0,048 + 0,020)/2 = 0,034 мм
Допуск натяга: TN = Nmax – Nmin = 0,048 – 0,020 = 0,028 мм
TN = TD + Td = 0,019 + 0,009 = 0,028 мм
Таблица 2
|
Параметры сопряжения
|
Для вала
|
Для отверстия
|
|
Номинальный размер, мм
|
70
|
70
|
|
Квалитет
|
6
|
5
|
|
Условное обозначение основного отклонения
|
n
|
L
|
|
Условное обозначение поля допуска
|
n6
|
L5
|
|
Верхнее отклонение, мм
|
еs = +0,039
|
ES = 0
|
|
Нижнее отклонение, мм
|
ei = +0,020
|
EI = -0,009
|
|
Наибольший предельный размер, мм
|
dmax = 70,039
|
Dmax = 70
|
|
Наименьший предельный размер, мм
|
dmin = 70,020
|
Dmin = 69,991
|
|
Допуск размера, мм
|
Td = 0,019
|
TD = 0,009
|
Таблица 3
|
Параметры сопряжения
|
Для вала
|
Для отверстия
|
|
Номинальный размер, мм
|
125
|
125
|
|
Квалитет
|
5
|
7
|
|
Условное обозначение основного отклонения
|
l
|
Js
|
|
Условное обозначение поля допуска
|
l5
|
Js7
|
|
Верхнее отклонение, мм
|
еs = 0
|
ES = +0,020
|
|
Нижнее отклонение, мм
|
ei = -0,011
|
EI = -0,020
|
|
Наибольший предельный размер, мм
|
dmax = 125,0
|
Dmax = 125,020
|
|
Наименьший предельный размер, мм
|
dmin = 124,989
|
Dmin = 124,980
|
|
Допуск размера, мм
|
Td = 0,011
|
TD = 0,040
|
Характеристики переходной
посадки.
Наибольший зазор: Smax = Dmax – dmin = 125,020 – 124,989 = 0,031 мм
Наибольший натяг: Nmax = dmax – Dmin = 125,0 – 124,980 = 0,020 мм
Средний зазор: Sm = (Smax + Smin)/2 = (0,031 – 0,020)/2 = 0,011 мм
Средний натяг: Nm = (Nmax + Nmin)/2 = (0,020 - 0,031)/2 = -0,011 мм
Допуск зазора: TS = Smax + Nmax = 0,031 + 0,020 = 0,051 мм
Допуск натяга: TN = Smax + Nmax = 0,031 + 0,020 = 0,051 мм
Задача 4
1. Подобрать размеры
шпонки для соединения шкива с валом.
2. Назначить посадку
шкива на вал и посадки шпонки с пазом вала и пазом втулки в соответствии с
вариантом задания.
3. Выполнить анализ
полученных посадок шпонки с пазом вала и пазом втулки.
4. Построить схемы
расположения полей допусков этих соединений.
5. Обозначить на эскизах
посадки соединяемых деталей и поля допусков деталей соединения.
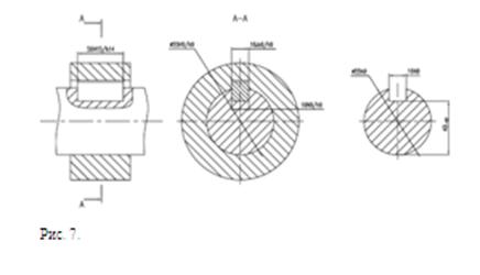
Вид шпоночного
соединения: нормальное, d = 55 мм, l = 56 мм.
Решение.
По ГОСТ 23360-78 для вала
Ø55 находим сечение шпонки bxh = 16х10 мм и ширину ступицы шкива lc = 75 мм > l.
Допуски на глубину пазов
вала и втулки:
t1 = 6+0,2 или d - t1 = 55 – 6 = 49-0,2;
t2 = 4,3+0,2 или d + t2 = 55 + 4,3 = 59,3+0,2.
Предельные отклонения
размеров по ширине паза вала и паза втулки должны соответствовать полям
допусков ГОСТ 25347-82:
При нормальном
соединении: на валу N9, во втулке Js9.
Предельные отклонения на
ширину шпонки устанавливают по h9.
Сопряжение шпонки с пазом
вала будет осуществляться по посадке 16N9/h9, а с пазом
втулки - 16Js9/h9 (переходные посадки).
Отклонения на
несопрягаемые размеры, которые рекомендует ГОСТ 23360.
На высоту шпонки 10h11 = 10-0,090
На длину шпонки 56h14 = 56-0,74
На длину паза вала 56H15 = 56-1,2
В соответствии с
рекомендациями [2] принимаем посадку шкива на вал 55Н9/h9.
По ГОСТ 25347-82 находим
отклонения, соответствующие принятым полям допусков.
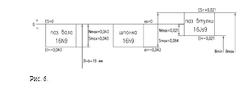
Для ширины шпонки b = 16h9; es =
0, ei = -43 мкм.
Для ширины паза вала: В =
16N9: ES = 0, EI =
-43 мкм.
Для ширины паза втулки: Ввт
= 16Js9: ES = +21 мкм, EI =
-21 мкм.
Проведем анализ посадок
табл. 4,5; приведем схему расположения полей допусков рис. 6 и эскиз шпоночного
соединения рис. 7.
Таблица 4
|
Параметры сопряжения
|
Для вала
|
Для отверстия
|
|
Номинальный размер, мм
|
16
|
16
|
|
Квалитет
|
9
|
9
|
|
Условное обозначение основного отклонения
|
h
|
N
|
|
Условное обозначение поля допуска
|
h9
|
N9
|
|
Верхнее отклонение, мм
|
еs = 0
|
ES = 0
|
|
Нижнее отклонение, мм
|
ei = -0,043
|
EI = -0,043
|
|
Наибольший предельный размер, мм
|
16,0
|
16,0
|
|
Наименьший предельный размер, мм
|
15,957
|
15,957
|
|
Допуск размера, мм
|
Td = 0,043
|
TD = 0,043
|
Характеристики переходной
посадки.
Наибольший зазор: Smax = Dmax – dmin = 16,0 – 15,957 = 0,043 мм
Наибольший натяг: Nmax = dmax – Dmin = 16,0 – 15,957 = 0,043 мм
Средний зазор: Sm = (Smax + Smin)/2 = (0,043 – 0,043)/2 = 0
Средний натяг: Nm = (Nmax + Nmin)/2 = (0,043 – 0,043)/2 = 0
Допуск зазора: TS = Smax + Nmax = 0,043 + 0,043 = 0,086 мм
Допуск натяга: TN = Smax + Nmax = 0,043 + 0,043 = 0,086 мм
Характеристики переходной
посадки.
Наибольший зазор: Smax = Dmax – dmin = 16,021 – 15,957 = 0,064 мм
Наибольший натяг: Nmax = dmax – Dmin = 16,0 – 15,979 = 0,021 мм
Средний зазор: Sm = (Smax + Smin)/2 = (0,064 – 0,021)/2 = 0,0215 мм
Средний натяг: Nm = (Nmax + Nmin)/2 = (0,021 – 0,064)/2 = -0,0215 мм
Допуск зазора: TS = Smax + Nmax = 0,064 + 0,021 = 0,085 мм
Допуск натяга: TN = Smax + Nmax = 0,064 + 0,021 = 0,085 мм
Таблица 5
|
Параметры сопряжения
|
Для вала
|
Для отверстия
|
|
Номинальный размер, мм
|
16
|
16
|
|
Квалитет
|
9
|
9
|
|
Условное обозначение основного отклонения
|
h
|
Js
|
|
Условное обозначение поля допуска
|
h9
|
Js9
|
|
Верхнее отклонение, мм
|
еs = 0
|
ES = +0,021
|
|
Нижнее отклонение, мм
|
ei = -0,043
|
EI = -0,021
|
|
Наибольший предельный размер, мм
|
16,0
|
16,021
|
|
Наименьший предельный размер, мм
|
15,957
|
15,979
|
|
Допуск размера, мм
|
Td = 0,043
|
TD = 0,042
|
Задача 5
Используя заданные по
варианту размеры назначить недостающие осевые и диаметральные размеры ступеней
вала, исходя из особенностей конструкции.
Решение.
Назначаем недостающие
размеры (табл. 6.).
Таблица 6
|
Диаметр ступени,
мм
|
Заданные размеры
сопрягаемых деталей,
мм
|
Конструктивно назначенные
размеры ступеней вала,
мм
|
|
1
|
2
|
3
|
|
Ø70
|
Ширина ступени: 24
|
|
Ø95
|
Ширина зубчатого колеса L=150
|
Ширина ступени: 170
|
|
-
|
Буртик-упор для зубчатого колеса
|
Назначаем: Ø115;
ширина: 26
|
|
-
|
Ступень для съемника перед правым подшипником
|
Назначаем: Ø95;
ширина: 30
|
|
Ø70
|
Ширина подшипника В=24
|
Ширина ступени: 24
|
|
-
|
Ступень под крышку с сальниковым уплотнением
|
Назначаем: Ø63;
ширина: 50
|
|
Ø55
|
Ширина шкива b=75
|
Ступень под шкив на 5 мм короче: 70
|
|
|
Общая длина вала: 394 мм
|
Задача 6
При обработке вала с
размерами, установленными в задаче 5, необходимо обеспечить отклонения размера
между опорами под подшипник по двенадцатому квалитету (h12). Для этого необходимо:
1.
Составить схему
размерной цепи.
2.
Решить прямую
задачу (задачу синтеза) размерной цепи с помощью метода полной
взаимозаменяемости.
Решение.
Необходимо при обработке
вала выдержать размер АΔ= 226h12 = 226-0,46 (рис. 9).
Составим схему размерной
цепи (рис. 10).
Производим проверку
замкнутости размерной цепи, мм:
,
где Aj – номинальные размеры составляющих
звеньев;
m-1 – общее число составляющих звеньев
без замыкающего;
εj – передаточные отношения
составляющих звеньев.
АΔ =
+1·394 - 1·144 - 1·24 = 226 мм
Найдем значения единиц
допуска для составляющих звеньев.
А1 = 394 мм;
А2 = 144 мм;
А3 = 24 мм;
Коэффициент точности:
По данным ГОСТ 25346-89
ближайшее меньшее значение коэффициента точности к полученному будет для 10
квалитета. Оно равно 64 (IT10=64i).
Назначаем по ГОСТ
25346-89 допуски составляющих звеньев по 10 квалитету:
ТА1 = 0,230;
ТА2 = 0,140 мм.
Звено А3
выбираем увязывающим.
Сумма допусков
составляющих звеньев без увязывающего:
Допуск увязывающего
звена:
Отклонения составляющих
звеньев назначаем в тело детали:
А1 (394h10): Es = 0; Ei =
-230; Ec = -115 мкм;
А2 (144Н10): Es = +140; Ei = 0; Ec =
+70 мкм;
АΔ (226h12): Es = 0; Ei =
-460; Ec = -230 мкм.
Рассчитаем положение
середины поля допуска увязывающего звена:
Предельные отклонения увязывающего
звена:
EsАувяз = EсАувяз + ТАувяз/2
= +45 + (90/2) = +90 мкм
EiАувяз = EсАувяз - ТАувяз/2
= +45 - (90/2) = 0 мкм
Результаты расчетов
сведем в табл. 7.
Таблица 7
|
Номиналь-ный размер звена Aj, мм
|
Допуск размера ТАj, мкм
|
Верхнее отклонение EsAj, мкм
|
Нижнее отклонение EiAj, мкм
|
Середина поля допуска ЕсАj, мкм
|
Передаточ-ное отношение звена εj
|
Произведе-ние ε·ЕсАj, мкм
|
|
226h12
|
460
|
0
|
-460
|
-230
|
|
|
|
A1=394h10
A2=144H10
|
230
140
|
0
+140
|
-230
0
|
-115
+70
|
+1
-1
|
-115
-70
|
|
A3увяз=24
|
90
|
+90
|
0
|
+45
|
-1
|
-45
|
Проверка правильности
выполненных расчетов.
Задача 7
Используя данные задач 2,
3, 4, 5, 6 указать на эскизе полученные поля допусков осевых и диаметральных
размеров вала.
Решение.
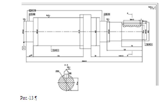
Проставим размеры на
рабочем чертеже вала, используя комбинированный метод (рис. 11).
Для обработки левой части
(после обработки правой) вал поворачивают на 180°, т.е. происходит смена
технологических баз для формирования размеров как вдоль оси, так и
диаметральных.
Обеспечение при обработки
точности размеров 24+0,09, 144Н10, 394h10 обеспечит точность размера 226h12, определяющего качество сборки.
Для всех свободных
размеров отклонения принимаем по 14 квалитету (по «среднему» классу точности).
На чертеже об этом сделаем запись в технических требованиях.
Задача 8
1.
Выбрать средство
измерения для контроля размера вала под посадку с натягом.
2. Охарактеризовать
выбранное измерительное средство: наименование, ГОСТ, цена деления шкалы,
диапазон измерений, погрешность измерения, температурный режим, вариант
использования.
Решение.
Размер вала под посадку с
натягом: 95u8. По ГОСТ 8.051-81 определяем:
Допускаемая погрешность
измерения: 12 мкм.
Допуск размера: 54 мкм.
Так как вал имеет
значительную массу, то будем использовать не станковые, а накладные средства
измерения.
Рекомендуемые средства
измерения:
1. Микрометр гладкий МК с величиной
отсчета 0,01 мм, с закреплением на стойке, предельная погрешность измерения: 5
мкм.
2. Скобы индикаторные с ценой деления 0,01 мм, с закреплением на стойке, предельная погрешность измерения: 15 мкм.
Для контроля размера
выберем микрометр. Микрометр гладкий МК ГОСТ 6507-78; цена деления 0,01 мм; диапазон измерений 75-100; погрешность измерения 5 мкм; температурный режим - 2°С; закреплен
на стойке (изолирован от рук оператора).
Задача 9
Назначить допуски
соосности и цилиндричности для поверхностей вала под подшипники, и радиального
биения – для поверхностей вала под зубчатое колесо и под шкив, используя
нормальный уровень относительной геометрической точности.
Решение.
Назначим отклонения формы
и расположения для поверхностей вала диаметром Ø95u8, Ø70n6, Ø55h9.
Задан нормальный уровень
относительной геометрической точности А. По ГОСТ 24643-81 определяем
соответствующую степень точности формы. Для Ø95u8 – 7 степень точности, для Ø70n6 – 5 степень точности, для Ø55h9 – 8 степень точности.
Допуск цилиндричности по
ГОСТ 24643-81 для Ø70n6 и 5
степени точности – 6 мкм.
Допуск радиального биения
по ГОСТ 24643-81 для Ø95u8 и 7
степени точности – 40 мкм, для Ø55h9 и 8 степени точности – 60 мкм.
Допуск соосности
поверхностей под подшипники в диаметральном выражении по ГОСТ 24643-81. Для
вала Ø70n6 (5 степень
точности) он составит 16 мкм. В радиусном выражении – 16/2=8 мкм.
В качестве базы для
оценки радиального биения примем ось вала.
Обозначение отклонений
формы и расположения поверхностей покажем на рисунке 12.
Задача 10
Назначить требования к
шероховатости поверхностей вала, исходя из нормального уровня относительной
геометрической точности А.
Решение.
Для нормального уровня
точности А принимаем Rz≤0,2T в пределах от 320 до 10 мкм и от
0,10 до 0,025 мкм. Rа≤0,05T в пределах от 2,5 до 0,002 мкм.
Величины допусков для
рассматриваемых размеров принимаются по ГОСТ 25346-89. Расчетные значения Rа или Rz округляем до ближайшего меньшего стандартного значения.
Для Ø70n6: Т = 19 мкм, Rа ≤ 0,95 мкм, выбираем Rа = 0,8 мкм.
Для Ø95u8: Т = 54 мкм, Rz ≤ 10 мкм, выбираем Rz = 10 мкм.
Для Ø55h9: Т = 74 мкм, Rz ≤ 14 мкм, выбираем Rz = 12,5 мкм.
Для 16N9: Т = 43 мкм, Rz ≤ 8 мкм, выбираем Rz = 8 мкм.
Для прочих поверхностей
назначаем Rz = 20.
Обозначение параметров
шероховатости поверхностей вала приведем на рисунке 13.
Задача 11
1. Проанализировать точность резьбового
соединения в соответствии с заданием по своему варианту.
Привести эскизы
резьбового соединения с обозначением посадки и отдельно деталей соединения с
обозначением полей допусков.
1. Пояснить содержание условных
обозначений.
2. Определить номинальные размеры
параметров резьбы, показав их на эскизе.
3. Установить предельные отклонения
диаметров резьбы, их предельные размеры и допуски. Определить зазоры.
4. Построить в масштабе схему
расположения полей допусков, указав предельные размеры диаметров резьбы.
Резьба М22-6Н/6d-30.
Решение.
Проанализируем точность
резьбового соединения М22-6Н/6d-30.
На рис. 14 приведем эскизы резьбового соединения, и эскизы полей допусков
деталей соединения.
Условное обозначение
указывает, что резьба метрическая (угол профиля 60°), с крупным шагом,
диаметром 22 мм, длиной свинчивания 30 мм.
6Н/6d – обозначение посадки резьбового
соединения;
6Н – поле допуска
среднего и внутреннего диаметров резьбы гайки;
6d – поле допуска среднего и наружного диаметров резьбы болта;
6 – степень точности,
определяющая допуски диаметров резьбы гайки и болта;
Н, d – основные отклонения соответственно
диаметров резьбы гайки и болта.
ГОСТ 24705-81 и ГОСТ
8724-81 определяем номинальные размеры наружного D (d), внутреннего D1 (d1) и среднего D2 (d2) диаметров резьбы, шага резьбы Р,
исходной высоты профиля Н, а также угла профиля α для резьбы с номинальным
диаметром 22 и крупным шагом.
D = d = 22,000; D1 = d1 = 19,294; D2 = d2 = 20,376; Р = 2,5;
Н = 0,8667Р = 2,167; α
= 60°.
На рис. 15 показаны
основные параметры анализируемой резьбы.

По ГОСТ 16093-81
устанавливаем предельные отклонения диаметров резьбы, сопрягаемых на посадках с
зазором, мкм:
Для гайки М22-6Н:
ESD = +Н/8; EID = 0;
ESD2 = +224; EID2
= 0;
ESD1 = +450; EID1
= 0.
Для болта М22-6d:
esd
= -106; eid = -441;
esd2
= -106; eid2 = -276;
esd1
= -106; eid1 = -Н/8.
Предельные размеры и
допуски средних диаметров резьбы болта и гайки, мм:
D2max
= 20,376 + 0,224 = 20,6; d2max = 20,376 - 0,106 = 20,27;
D2min
= 20,376 + 0= 20,376; d2min = 20,376 - 0,276 = 20,1;
TD2
= D2max - D2min = 0,224; Td2 = d2max
- d2min = 0,17
Для других диаметров
резьбы расчет предельных размеров аналогичен. Отклонения шага и половины угла
профиля, влияющие на взаимозаменяемость, учитываются допуском на средний
диаметр.
Зазоры в соединении по среднему
диаметру, мм:
S2max
= D2max - d2min = 20,6 - 20,1 = 0,5;
S2min
= D2min - d2max = 20,376 - 20,27 = 0,106.
На рис. 16 покажем
расположение полей допусков диаметров резьбы, предельные размеры и зазоры в
масштабе 100:1.
В отличие от схем
расположения полей допусков гладких соединений для схемы расположения полей
допусков резьбового соединения условно принимается соосное расположение резьбы
болта и гайки, поэтому на схеме откладываются половины значений отклонений.
Учитывая особенности
работы резьбового соединения М22-6Н/6d-30 и его точность, контроль параметров резьбы рекомендуется осуществлять
резьбовыми калибрами.

Список использованной
литературы
1.
Анурьев В.И.
Справочник конструктора-машиностроителя: в 2 т. / В.И. Анурьев. – М.:
Машиностроение, 2001. – Т. 2. – 912 с.
2.
Допуски и
посадки: справочник: в 2 ч. / под ред. В.Д. Мягкова. – Л.: Машиностроение,
1982. – Ч. 1. – 544 с.; Ч. 2. – 448 с.
3.
Крылова Г.Д.
Основы стандартизации, сертификации, метрологии/ Г.Д. Крылова. – М.:
ЮНИТИ-ДАНА, 2000. – 711 с.
4.
Якушев А.И.
Взаимозаменяемость, стандартизация и технические измерения / А.И. Якушев. – М.:
Машиностроение, 1986. – 352 с.
5.
Зябрева Н.Н.
Пособие к решению задач по курсу «Взаимозаменяемость, стандартизация и
технические измерения» / Н.Н. Зябрева, Е.И. Перельман, М.Я. Шегал. – М.: Высшая
школа, 1977. – 176 с.
6.
Сергеев А.Г.
Сертификация. / А.Г. Сергеев, М.В. Латышев. - М.: Логос, 2000. – 248 с.