Ремонт копировальных аппаратов

  • Вид работы:
    Курсовая работа (т)
  • Предмет:
    Информационное обеспечение, программирование
  • Язык:
    Русский
    ,
    Формат файла:
    MS Word
    2,59 Мб
  • Опубликовано:
    2012-11-07
Вы можете узнать стоимость помощи в написании студенческой работы.
Помощь в написании работы, которую точно примут!

Ремонт копировальных аппаратов

1. Исходные данные

1.1 Условия работы копировального аппарата


. Диапазон температур: 10°C - 32°C (50°F - 89,6°F)

. Уровень влажности: Относительная влажность 15% - 80%

. Освещенность: менее чем 1500 люкс (не подвергать воздействию прямого солнечного света или сильного искусственного освещения).

. Вентиляция: Полное обновление воздуха в помещении не менее 3 раз в час.

. Допустимый уровень запыленности менее чем 0,10 мг/м3

. Не следует устанавливать копировальный аппарат в непосредственной близости от оборудования, формирующего направленные воздушные потоки (вентиляторы, кондиционеры, очистители воздуха и т. д.) или в области воздействия прямого солнечного света.

. Исключить установку оборудования в местах с повышенным содержанием коррозионных газов.

. Выполнить установку оборудования на устойчивую и ровную поверхность.

. Исключить размещение оборудования в местах с периодическим возникновением мощных уровней вибрации.

ТРЕБОВАНИЯ К ПИТАНИЮ ПРЕДУПРЕЖДЕНИЕ

. Требуется убедиться, что розетка питания располагается в непосредственной близости от копировального аппарата. Необходимо проверить, что вилка надежно вставлена в розетку.

. Не следует использовать переходники или удлинители.

. Необходимо принять надлежащие меры по заземлению аппарата.

Уровень входного напряжения:

Северная Америка: 110 - 120 В, 60 Гц, 8 A

Европа: 220 - 240 В, 50/60 Гц, 4 A

Допустимое отклонение по входному напряжению, при котором гарантируется заявленное качество изображения ±10%.Допустимое отклонение по входному напряжению, гарантирующее стабильную работу аппарата ±15%.

1.2 Состав копировального аппарата

Принцип переноса изображения методом копирования изобретен специалистами английской фирмы XEROX, поэтому часто копировальные аппараты называют ксероксами, хотя такое определение, естественно, подходит только к устройствам, выпускаемым данной фирмой. Остальные должны называться просто «копировальные аппараты», а сама работа - «копирование».

В общих чертах процесс копирования состоит из следующей последовательности действий. Считывание информации с оригинала, перенос информации об оригинале на копию в виде придания различного электростатического заряда на поверхности листа копии, распределение тонера на листе копии в соответствии с распределением зарядов, закрепление изображения копии высокотемпературным валиком. На выходе получается копия.

Для считывания информации используется сочетание галогеновой лампы холодного свечения и датчика. В зависимости от размеров аппарата либо движется крышка аппарата с оригиналом, а лампа неподвижна, либо лампа движется, а оригинал остается неподвижным.


Работа копировального аппарата состоит из нескольких основных этапов. Все этапы взаимосвязаны. Хорошее качество копии зависит от правильного выполнения всех этапов работы копировального аппарата.

Основные этапы работы копировального аппарата.

копировальный аппарат сборочный деталь

Зарядка


На данном этапе на поверхности фотопроводника барабана формируются равномерно расположенные заряды определенной величины. Зарядка происходит при помощи главного коротрона (коротрона зарядки) <#"577689.files/image004.gif">

На этом этапе формируется скрытое электростатическое изображение на барабане. Свет от лампы копирования направляется на документ, отражается от документа и через систему зеркал, объектив, оптическое изображение проецируется на барабан. Свет, отраженный от светлых участков документа имеет высокую интенсивность, а отраженный от темных участков имеет низкую интенсивность

При попадании света на барабан, в слое генерирования носителей заряда, образуются положительные и отрицательные заряды. Положительные заряды, образованные в СГН-слое движутся в направлении отрицательных зарядов на поверхности фотопроводника, отрицательные заряды движутся в направлении положительных зарядов алюминиевого слоя.

Таким образом, положительные и отрицательные заряды в алюминиевом слое и на поверхности фотопроводника, взаимно нейтрализуются, соответственно уменьшается потенциал поверхности барабана.


Способность СГН-слоя порождать электрические заряды увеличивается пропорционально интенсивности света падающего на барабан. Следовательно, высокая интенсивность света отраженного от светлого участка документа, приводит к большему числу электрических зарядов порожденных СГН-слоем. При этом нейтрализуется большое количество отрицательных зарядов на поверхности фотопроводника, что приводит к уменьшению потенциала поверхности. Низкая интенсивность света от темных участков документа, приводит к меньшему порождению электрических зарядов в СГН-слое, при этом нейтрализуется меньшее количество отрицательных зарядов на поверхности фотопроводника.

Соответственно потенциал поверхности барабана уменьшается на меньшую величину. Потенциал поверхности барабана, соответствующий более светлому участку документа, меньше потенциала, соответствующего более темному участку документа. Таким образом, формируется скрытое электростатическое изображение.

Проявление


На данном этапе частички тонера <#"577689.files/image007.gif">

Процесс переноса изображения заключается в переносе частичек тонера, формирующих видимое изображение, расположенных на поверхности фоторецептора на бумагу. Бумага, на которую переносится изображение, заряжается коротроном <#"577689.files/image008.gif">

На этом этапе лист бумаги с нанесенным на него изображением оригинала, отделяется от барабана. В процессе переноса бумага заряжена более сильно, чем фоторецептор, соответственно между ними возникает сила притяжения. Для того чтобы ослабить эту силу, коротрон отделения формирует на поверхности листа заряд переменного тока (для снижения потенциала бумаги до уровня потенциала барабана).

В результате этого сила притяжения между барабаном и бумагой ослабевает, и бумага под действием собственного веса отделяется от барабана. Если этого не происходит, то бумага отделяется от барабана механическим способом.

После этапа отделения бумаги, копия почти готова, но еще требуется закрепление, иначе ее возможно испортить любым механическим воздействием (например, стереть пальцем). Для закрепления копии используется специальное приспособление - фьюзер (печка).

Печка состоит из тефлонового вала и резинового вала. Внутри тефлонового вала располагается нагревательная лампа, которая разогревает этот вал, до температуры порядка 200 °С. Лист подается между тефлоновым и резиновым валом и как бы прокатывается между ними. Таким образом, тонер, расположенный на листе бумаги, спекается, и образуется устойчивая к внешним воздействиям копия оригинала.

Очистка барабана.


Оставшийся тонер на поверхности фоторецептора, после процесса переноса изображения, удаляется на данном этапе при помощи лезвия очистки (ракеля). Отработанный тонер скапливается в специальном бункере. По мере накопления отработанного тонера, этот бункер требует очистки.

Термозакрепление


При термосиловом закреплении копия с тонерным(порошковым) изображением проходит между двумя разогретыми валиками, прижатыми друг к другу.

Валики выполняют различные функции. Прижимной валик (lower fixing roller) прижимает копию лицевой стороной к нагревательному валику (Upper fixing roller - его часто называют фьюзерным). За счет упругой деформации прижимного валика происходят прижим копии под давлением и изгибание бумаги в зоне контакта в сторону нагревательного валика, что увеличивает площадь контакта.

Нагревательный валик разогревает порошковое изображение до 140-180°С. Тонер оплавляется, и полученная пленка прижимается к бумаге. Время закрепления - 1-2 с.

Фьюзерный валик - полая металлическая (например, стальная) трубка, покрытая слоем тефлона(антипригарного) покрытия. Внутри цилиндра размещен нагревательный элемент - галогенная лампа накаливания в форме длинной трубки. Прижимной валик - или алюминиевый цилиндр, покрытый 10-миллиметровым слоем термостойкой резины, имеющий диаметр и длину одинаковые с фьюзерным валиком, или сплошной валик, изготовленный на металлическом основании из резины. толщиной 40-200 мкм.

Копия проходит через закрепляющее устройство, обращенная тонерным изображением в сторону фьюзерноговалика, и прижимается к нему вторым валиком. Кроме того, в устройстве есть механизм отделения бумаги от валика.

Чтобы обеспечить оплавление порошка, но не допустить вредного перегрева копии, устройство термоузлазакрепления снабжено датчиком температуры и термопредохранителем для аварийного отключения нагревательного валика.

Разрядка


На данном этапе происходит удаление остаточного потенциала с поверхности барабана. При освещении барабана светом от лампы разрядки, происходит генерирование положительных и отрицательных зарядов в слое генерирования носителей, что приводит к нейтрализации и исчезновению остаточных зарядов на поверхности алюминиевого слоя и поверхности барабана. В итоге потенциал поверхности барабана после этого этапа приближается к нулю. В копировальных аппаратах разных производителей возможны незначительные отличия в реализации процессов ксерографии.

В заключении стоит отметить, что копировальные аппараты могут быть как монохромные, так и полноцветные. Отличие в их работе состоит в необходимости вставлять не одну тубу с черным тонером, а несколько туб с порошками разного цвета. Поскольку заполненность цветных оригиналов, как правило, превышает 5%, то это ведет к повышенному расходу тонера и, как следствие, к большей себестоимости цветных копировальных работ по сравнению с черно-белыми.

2. Расчётно-технологическая часть

.1 Технологический процесс ремонта

.1.1 Состав сборочных единиц

Главный двигатель аппарата выполнен в составе приводного модуля с соответствующим редуктором. Модуль фиксируется на корпусе копира в специально отведенном месте несколькими винтами. Зубчатый ротор двигателя вращает (через соответствующие передаточные числа редуктора) две шестерни, одна из них приводит в движение картридж драм-юнита, вторая - валы узла закрепления тонера и ролики протяжки бумаги. Сигналы управления и питания модуля приходят на плату управления двигателем со стороны основной платы управления копира, на разъем, обозначенный как CN1.

Двигатель, используемый в данном копировальном аппарате, относится к типу бесколлекторных двигателей постоянного тока (или, иначе говоря, к шпиндельным двигателям), управление которым осуществляется с помощью специальной микросхемы (драйвер двигателя).

Конструктивно двигатель состоит из статора с определенным количеством обмоток и ротора с постоянным многополюсным кольцевым магнитом. В нашем случае применительно к принтеру Xerox WC315/320 в целях уменьшения шага и снижения пульсаций вращающего момента количество обмоток увеличено до 9, т.е. одна фаза имеет три обмотки.

Ротор двигателя расположен снаружи и имеет постоянный кольцевой многополюсный магнит, а на статоре расположены обмотки, которые зафиксированы на плате (данную конструкцию двигателя называют «обращенной»). Чтобы вызвать вращение ротора, необходимо пропустить ток через обмотки статора в определенной последовательности. Питание обмоток статора осуществляется таким образом, что между намагничивающей силой (создаваемой статором) и магнитным потоком сохранялось смещение на определенный угол, т.е. создается вращающееся магнитное поле, воздействующее на постоянные магниты ротора. В результате, ротор, состоящий из кольцевого многополюсного постоянного магнита, начинает перемещаться вслед за магнитным полем статора и вращаться. Вращение ротора может продолжаться только в результате переключения обмоток статора. Причем при переключении должны выполняться два условия, согласно которым обмотки статора должны переключаться в определенный момент и с заданной последовательностью. Положение ротора при этом определяется с помощью датчиков положения, в качестве которых используются три датчика Холла. На выходе каждого из этих датчиков формируются дифференциальные сигналы, которые показывают силу и направление магнитного потока в том месте, где установлен датчик. Когда ротор вращается, сигналы от датчиков Холла представляют собой синусоидальные напряжения. На основе анализа сигналов от датчиков Холла, микросхема - драйвер двигателя подключает ту или иную фазу статора.

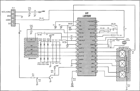
Принципиальная схема платы управления главного двигателя копировального аппарата Xerox WC315/320

Сила магнитного поля определяет мощность и скорость двигателя. Изменением силы тока через обмотки можно добиться изменения частоты вращения и вращающего момента двигателя. Наиболее типичный способ регулировки силы тока - это управление средним значением тока через обмотки, что выполняется путем импульсной модуляции напряжения питания обмоток за счет задания длительностей подачи и снятия напряжения питания. Таким образом, чтобы добиться требуемого среднего значения напряжения и, как следствие, среднего тока. Скорость, как правило, задается двумя способами: опорным импульсным сигналом или регулировкой тока протекающего через обмотки двигателя. Принципиальная схема платы двигателя Xerox W СЗ15/320 представлена на рис. 3.

Номера контактов разъема, их обозначение, а также функциональное назначение представлены в таблице 1.

Скорость вращения двигателя определяется датчиком скорости индуктивного типа, обмотки которого выполнены в виде печатного монтажа (под магнитом ротора на печатной плате вытравлены меандровые дорожки проводника, образующие катушку индуктивности, в которой наводится ЭДС при вращении постоянного кольцевого магнита ротора).

Таблица 1. Назначение сигналов разъема CN1

Номер контакта

Обозначение

Назначение

1

VCC(+24V)

Питание платы управления двигателем.

2

GND

Земля платы управления двигателем.

3

LOCK

Сигнал является сигналом готовности двигателя. С помощью этого сигнала микропроцессор копира контролирует работу двигателя. Если этот сигнал установился в низкий уровень, значит, двигатель исправен, i е вращается с заданной скоростью Если же после активизации сигнала S/S сигнал I OCK не установится в низкий уровень через некоторый период времени, то возникает фатальная ошибка неисправности главного двигателя, с последующей индикацией на панели (U1).

4

S/S

Сигнал является сигналом запуска и выключения двигателя (Старт/Стоп). Когда микропроцессор управления активизирует этот сигнал высоким уровнем, двигатель запускается и вращается в течение всего периода времени, пока он активен.


Цоколевка управляющей микросхемы

Фазы двигателя на схеме обозначены W1. W2, W3. каждой фазе соответствует две обмотки на статоре двигателя. Положение ротора отслеживается тремя датчиками Холла, которые обозначены на принципиальной схеме HI, Н2, НЗ.

Внутренняя структурная схема драйвера главного двигателя LB1920

Управление обмотками выполняется выходным каскадом, реализованным в составе управляющей микросхемы. Формирование управляющих сигналов для двигателя, а также контроль тока в обмотках и управление ими осуществляется (как мы уже отметили) через специализированную микросхему (драйвер) LBJ920. Микросхема LB1920 (см. рис.4) предназначена для управления 3-фазным бесколлекторным двигателем. К ее особенностям можно отнести следующее:

широкий диапазон рабочих напряжений: 9 -30 В:

возможность работы с токами, величиной до 3.1А;

наличие встроенной защиты от превышения тока;

наличие встроенной схемы контроля датчиков Холла:

наличие цифровой регулировки скорости;

наличие вывода внешней блокировки (S/S):

наличие встроенной защиты от перегрева кристалла микросхемы.

Внутренняя структура микросхемы LB1920 и распределение сигналов по контактам микросхемы показаны на рис. 5. Назначение контактов микросхемы, входные и выходные сигналы описаны в таблице 2.

Номер вывода

Обозначение

Описание

 

20,19,18, 17,16,15

INl/2/3(+) INl/2/3(-)

Входные сигналы от трех датчиков Холла. Каждым датчиком формируется два сигнала: IN+ и IN-. Сигнал от датчика считается активным, если потенциал IN+ больше IN-.

 

8,9,10

OUT 1/2/3

Выходы для подключения фаз двигателя.

 

14

Vm

Используется для питания выходного каскада управляющей микросхемы. Также используется для контроля за током выходного каскада, для этого между шинами Vcc и Vm включается резистор Rf.

 

3

Vcc

Питающее напряжение. Номинал напряжения до ЗОВ.

 

7

CR

Вход частотозадающей цепочки для ШИМ генератора выходного каскада микросхемы.

 

25

INT IN

Вход интегрирующей цепи компенсации операционного усилителя

 

26

INT OUT

Выход для подключения интегрирующей цепи компенсации операционного усилителя

 

24

DOUT

Выход схемы управления скоростью

 

27

POUT

Вывод схемы ФАПЧ

 

23

LD

Выход схемы управления скоростью. Сигнал на этом выводе устанавливается в низкий уровень, когда скорость двигателя соответствует заданному значению.

 

4

FGIN+

Вход сигнала с индуктивного датчика скорости вращения ротора

 

5

FGIN-

 

6

FGOUT

Выход компаратора сигнала скорости вращения ротора.

 

28

FGSOUT

Выходной сигнал импульсов датчика скорости вращения. Этот сигнал формируется на выходе внутреннего триггера Шмитта. Сигнал представляет собой прямоугольные импульсы, частота которых соответствует скорости вращения ротора двигателя.

 

21

XTAL

Вывод для подключения резонатора.

 

1

5V

Выход внутреннего стабилизированного источника питания +5V

 

2

7V t-

Выход внутреннего стабилизированного источника питания +7V

 

13

S/S

Входной сигнал Старт/Стоп (Start/Stop). Этим сигналом осуществляется запуск и останов двигателя. Низким уровнем сигнала двигатель запускается, а высоким - выключается.

 

12

F/R

Вывод управления направлением вращения ротора двигателя



2.1.2  Изменение свойств деталей в ходе ремонта

Во время проведения диагностики стало известно, что неисправен двигатель копировального аппарата. Все остальные детали были в хорошем состоянии.

При инициализации процесса копирования визуально убедились, что двигатель не вращался, при незначительном проворачивании ротора двигателя вручную при повторной инициализация процесса копирования наблюдали незначительное подергивание ротора двигателя. Все эти проявления неисправности явно указывали на неправильную работу двигателя, и, скорее всего, такое поведение было связано с неправильной работой схем управления двигателем.

Диагностика состояния подшипников ротора (а их там два) выявила дефект в одном из них, - подшипник проворачивался с трудом, а в некотором положении вращение его было просто невозможным. Ремонт модуля главного двигателя заключался в замене дефектного подшипника и припаиванию к контакту провода одной из обмоток статора.

После замены неисправных деталей, принтер стал полностью рабочим

2.1.3  Технические условия на ремонт

Как уже приводилось выше, для ремонта необходимо было провести визуальную диагностику работы принтера, найти причину неисправности и устранить её.

2.1.4  Схемы сборки сборочных единиц

Схема копировального аппарата с неподвижным стеклом оригинала :1 фоторецептор; 2 - коротрон зарядки; 3 - зеркала оптической системы (лампа экспонирования на схеме не показана); 4 - объектив; 5 - лампа для стирания кромок изображения; 6 - вентилятор для охлаждения оптической системы; 7 - проявляющее устройство; 8 - устройство подачи тонера; 9 - обходной лоток; 10 - лоток для автоматической подачи бумаги; 11 - коротрон переноса; 12 - коротрон отделения; 13 - пальцы отделения; 14 - устройство очистки фоторецептора; 15 - устройство термосилового закрепления изображения; 16 - прижимной валик устройства; 17 - фьюзерный (нагревательный валик); 18 - устройство отделения копии от фьюзерного валика; 19 - приемный лоток; 20 - вытяжное устройство; 21 - озоновый фильтр, 22 - резервуар для использованного тонера; 23 - ракель; 24 - лампа стирания заряда; 25 - ролики бумагопроводящей системы.

Принципиальная схема платы управления главного двигателя копировального аппарата Xerox WC315/320

Внутренняя структурная схема драйвера главного двигателя LB1920

2.2     Организация ремонта

2.2.1 Организационные формы ремонта

В копировальном аппарате Xerox неисправность проявлялась следующим образом: при его включении после первоначальной аппаратной диагностики копир устанавливался в режим готовности, а при выполнении печати с ПК или копировании - через несколько секунд после начала выполнения процесса он выдавал ошибку U1, которая сигнализировала об неисправности главного привода копировального аппарата. Предварительная диагностика показала, что замятий бумаги в принтере нет, подклинивание модуля драм-юнита и узла закрепления также не наблюдалось. Проворачивание шестеренок редуктора главного привода вручную, также выполняется без излишнего усилия. Все эти факторы явно указывали на неисправность главного двигателя или схемы его управления.

Для того чтобы визуально проконтролировать состояние двигателя при инициализации процесса копирования, было принято решение снять заднюю крышку копировального аппарата. После снятия крышки было визуально изучено положение двигателя в копире, его состояние и состояние элементов схемы управления - никаких признаков дефектов обнаружено не было, корпуса всех элементов были целыми, потемнений платы и корпусов микросхем от перегрева также не наблюдалось. При инициализации процесса копирования визуально убедились, что двигатель не вращался, при незначительном проворачивании ротора двигателя вручную при повторной инициализация процесса копирования наблюдали незначительное подергивание ротора двигателя. Все эти проявления неисправности явно указывали на неправильную работу двигателя, и, скорее всего, такое поведение было связано с неправильной работой схем управления двигателем.

Диагностика и поиск неисправностей.

Изначально была проведена проверка наличия напряжений питания модуля. При включении копировального аппарата и активизации процесса копирования мы проконтролировали наличие напряжения +24В на контакте 1 разъема CN1 (в результате проверки убедились в наличии +24 В, и в том, что при выполнении копирования «просадки» этого напряжения также не наблюдалось). Далее была проведена проверка управляющего сигнала S/S (Старт/Стоп), высокий уровень (+5В) которого разрешает работу двигателя, т.е. его вращение. С нажатием клавиши, запускающей процесс копирования, сигнал S/S также присутствовал, следовательно, электронные схемы со стороны цепей управления работают правильно. Дальнейшая проверка была направлена на диагностику сигнала LOCK, который при достижении двигателем заданной скорости должен установиться в логический низкий уровень» (именно по наличию или отсутствию этого сигнала управляющая электроника и проверяет работоспособность модуля главного привода).

Так как каждый раз при активизации процесса копирования выдавалась ошибка модуля привода и вращения двигателя не наблюдалось, то, как и ожидалось, при проверке осциллографом сигнала на контакте 3 разъема CN1управляющего сигнала обнаружено не было (о чем свидетельствовал высокий уровень этого сигнала). Результаты первичной диагностики позволили высказать обоснованное предположение, что неисправность в микросхеме драйвере или в самом двигателе.

Следующий этап диагностики был направлен на проверку микросхемы управления двигателем. Первоначально была произведена проверка напряжений питания микросхемы (U1) после включения копира. Все необходимые напряжения присутствовали и были в «норме» (напряжения на контактах: 1 - (+5В), 2 - (+7В), 14 - (+24В), 3 - (+24В)). Затем была произведена проверка сигнала S/S на 13 выводе микросхемы - при инициирования процесса копирования сигнал менял свой уровень с высокого на низкий, что свидетельствовало о работоспособности транзистора Q1 и его цепей обвязки.

В дальнейшем была проведена проверка наличия опорного синусоидального напряжения (на выводе 21 U1), которое формируется кварцевым резонатором Y101 - оно также наблюдалось и соответствовало норме). С целью проверки датчиков Холла и индуктивного датчика скорости вращения ротора при включенном копире был провернут ротор двигателя вручную, одновременно производилось измерение сигналов на соответствующих входах микросхемы (контакты 20,19,18,17,16,15,5,6). На входах от датчиков Холла наблюдались синусоидальные сигналы очень малой амплитуды, на входе 5 от датчика скорости - синусоидальный сигнал, а на 6 выводе - прямоугольные сигналы. Все эти сигналы свидетельствовали об исправности цепей обвязки.

Дальнейший ход поиска неисправности было решено направить на проверку выходного силового каскада схем управления обмотками двигателя и на проверку их самих. С целью получения объективных данных обмотки двигателя были отключены от выводов микросхемы, для чего были выпаяны джамперы на плате управления главным приводом. «Прозвонка» выводов 8,9,10 между собой в различных направлениях показала наличие высоких сопротивлений , при чем разброс значений для всех фаз был незначительным, что также свидетельствовало об исправности силового выходного каскада.

Но дальнейшая прозвонка самих обмоток двигателя выявила обрыв одной из них. Для локализации неисправного «объекта», выявления причины и местонахождения обрыва, было принято решение разобрать модуль двигателя. Модуль привода вместе с редуктором был предварительно снят с копировального аппарата (см. рис. 6 и 7). Для доступа к обмоткам двигателя потребовалось снятие его ротора, что повлекло за собой разборку и снятие редуктора (см. рис. 8 и 9). Разборка никаких особых затруднений не вызвала, за исключением процесса снятия стопорной шайбы оси ротора. После извлечения ротора и визуального осмотра состояния обмоток статора в месте пайки провода одной из обмоток был обнаружен его разрыв (см. рис. 10), который, по всей вероятности, появился в результате вибрации статора с обмотками (это явление достаточно редкое, но в нашем случае оно и было основной причиной появления неисправности, из-за которой двигатель не работал). Диагностика состояния подшипников ротора (а их там два) выявила дефект в одном из них, - подшипник проворачивался с трудом, а в некотором положении вращение его было просто невозможным. Дальнейший ремонт модуля главного двигателя заключался в замене дефектного подшипника и припаиванию к контакту провода одной из обмоток статора.
В заключение необходимо отметить, что рассмотренная последовательность поиска неисправности, а также методика диагностирования и тестирования двигателя и микросхемы драйвера вполне могут быть использованы для проверки шпиндельных двигателей и схем управления самых различных печатающих устройств. А учитывая тенденцию производителей применять шпиндельные двигателя во многих узлах устройств (для протяжки бумаги, в приводах узлов фиксации тонера, в блоках лазер сканер и т.д.).

2.2.2 Организация и планировка рабочего места

Организация рабочего места должна использоваться рационально. Расположение оборудования и инструментов, эффективное использование производственных площадей, создание удобных и безопасных условий труда.
Рекомендуется располагать все предметы на рабочем месте в пределах вытянутой руки, это используется для того чтобы не делать лишних движений, которые вызывают дополнительные затраты рабочего времени и повышают утомляемость рабочего. Также рабочее место должно быть хорошо освещено.

2.2.3  Подбор оборудования

Для ремонта копировального аппарата использовались следующие инструменты: отвёртка, мультиметр (для “прозвонки” и паяльник.

3. Комплект документов на технологический процесс

Сертификат на услуги по ремонту компьютерной техники - это документ, который удостоверяет качество предоставляемых услуг, их соответствие тем или иным требованиям и нормам, прописанным в соответствующей нормативно-технической документации. Получение сертификата на услуги по ремонту компьютеров не является обязательной процедурой (как и для всех видов услуг), так как коды ОКП (Общероссийский классификатор продукции), соответствующие услуге данного типа не вошли в перечень обязательной сертификации.

На услуги по ремонту компьютерной техники рекомендуется оформлять сертификат в добровольном порядке. Сертификат на услуги по ремонту компьютерной техники, оформленный в добровольном порядке, является документом, который будет удостоверять качество услуг не по всем пунктам соответствующего Государственного стандарта, а только по тем, которые выберет получатель.

Экономическая оценка процесса

Диагностика/тестирование Первоначальная диагностика (без разбора оборудования) - 0руб.


Ремонт модуля главного двигателя (замена дефектного подшипника и припаивание к контакту провода одной из обмоток статора)=500руб.

Заключение

В процессе выполнения курсовой работы я рассмотрел основные моменты по ремонту копировальных аппаратов. В частности Xerox WC315/320. Также я применил теоретические знания, полученные во время обучения. Весь вышеизложенный материал может быть с успехом применен на практике.

В процессе выполнения курсовой работы были изучены принципы работы копировальных аппаратов и их компоненты, виды, а также рассмотрена полная принципиальная схема.

В последнем разделе курсовой работы были изложены требования к рабочему месту инженера - программиста.

Подводя итоги, мы лишь вспомним об основных достоинствах Xerox WC 315/320. К ним можно причислить исключительно выгодное сочетание цены и технических характеристик. Простоту установки, настройки и управления. Высочайшее качество копирования и печати:

разрешение до 600х1800 точек на дюйм;

256 градаций шкалы серого для воспроизведения фотографий и полутонов;

режим автоматического управления качеством изображения;

режимы “Фото” и “Текст”.


Не нашли материал для своей работы?
Поможем написать уникальную работу
Без плагиата!
Без нейросетей!