|
Текущий угол ,
град.
|
Текущий зазор,
мкм
|
Текущее
давление, МПа
|
|
0 10 20 30 40 50
Текущий угол, град
|
63 63 62 60 57
54 Текущий зазор, мм
|
0,500 0,547
0,598 0,657 0,732 0,830 Текущее давление, МПа
|
|
60 70 80 90 100
110 120 130 140 150 160 170 180
|
50 46 41 37 32
28 23 20 16 14 12 10 10
|
0,965 1,157
1,438 1,861 2,509 3,514 5,067 7,388 10,537 13,855 15,087 10,776 0,506
|
Максимальный и минимальный текущие зазоры 63 мкм 10 мкм.
Максимальное давление в слое масла 15,1 МПа.
Критическая толщина пленки масла 4 мкм
Коэффициент запаса по толщине пленки масла 2,54.
Таблица 1.9.
|
Расстояние от середины
вкладыша, мм
|
Давление в
зазоре, МПа
|
Расстояние от середины
вкладыша, мм
|
Давление в
зазоре, МПа
|
|
0 3 5 8 10 13
|
15,09 15,04
14,83 14,37 13,61 12,51
|
15 18 20 23 25
|
11,02 9,11 6,74
3,88 0,5
|
Коэффициенты трения 0,00118 и сопротивления вращению 5,6.
Сила 0,052 кН; мощность 0,303 кВт трения.
Мощность механических потерь в двигателе 35,1 кВт.
Относительные механические потери в коренных подшипниках 6 %.
Коэффициент окружного расхода масла 0,019.
Коэффициент расхода масла через нагруженную часть 0,221.
Коэффициент расхода масла через ненагруженную часть 0,349.
Коэффициент расхода масла, увлекаемого в зазор 3,739.
Теплоемкость масла 2,004 кДж/(кг С).
Приращение температуры масла в нагруженной зоне подшипника 42,8 град. С.
Tемпературa масла на входе в зазор 84 град. С.
Средняя температурa
масла в зазоре 101 град. С.
Объемный и массовый расходы масла 0,122E-04 куб.м/с 0,011 кг/с.
Число Зоммерфельда 5,348.
Относительный эксцентриситет 0,81.
Угол наклона прямой, проходящей через центры окружностей 37.
Таблица 1.10.
|
Текущий угол
|
Текущий зазор,
мкм
|
Текущее
давление, МПа
|
|
0 10 20 30 40 50
60 70 80 90 100 110 120 130 140 150 160 170 180
|
96 96 94 91 86
81 75 68 61 53 46 38 32 25 20 16 12 11 10
|
0,500 0,522
0,545 0,573 0,609 0,657 0,726 0,826 0,981 1,226 1,629 2,315 3,514 5,632 9,253
14,648 19,648 16,698 0,510
|
Максимальный и минимальный текущие зазоры 96 мкм 10 мкм.
Максимальное давление в слое масла 19,6 МПа.
Критическая толщина пленки масла 4 мкм.
Коэффициент запаса по толщине пленки масла 2,5.
Таблица 1.11.
|
Расстояние от середины
вкладыша, мм
|
Давление в
зазоре, МПа
|
Расстояние от середины
вкладыша, мм
|
Давление в
зазоре, МПа
|
|
0 3 5 8 10 13
|
19,65 19,59
19,31 18,7 17,71 16,26
|
15 18 20 23 25
|
14,31 11,8 8,69
4,93 0,5
|
Коэффициенты трения 0,0097 и сопротивления вращению 7,3
Сила 0,042 кН; мощность 0,247 кВт трения.
Мощность механических потерь в двигателе 35,1 кВт.
Относительные механические потери в коренных подшипниках 4,9 %.
Коэффициент окружного расхода масла 0,011.
Коэффициент расхода масла через нагруженную часть 0,218.
Коэффициент расхода масла через ненагруженную часть 0,822.
Коэффициент расхода масла, увлекаемого в зазор 2,579.
Теплоемкость масла 2,004 кДж/(кг С).
Приращение температуры масла в нагруженной зоне подшипника 27,1 град. С.
Tемпературa масла на входе в зазор 81 град. С.
Средняя температурa
масла в зазоре 94 град. С.
Объемный и массовый расходы масла 0,324E-04 куб.м/с 0,029 кг/с
Число Зоммерфельда 9,182.
Относительный эксцентриситет 0,85.
Угол наклона прямой, проходящей через центры окружностей 34.
Таблица 1.12.
|
Текущий угол
|
Текущий зазор,
мкм
|
Текущее давление,
МПа
|
|
0 10 20 30 40 50
60 70 80 90 100 110 120 130 140 150 160 170 180
|
129 128 126 121
115 108 99 90 80 70 59 49 40 31 24 18 14 11 10
|
0,500 0,512
0,526 0,542 0,563 0,591 0,632 0,693 0,788 0,943 1,205 1,671 2,534 4,183 7,345
12,933 19,930 19,356 0,513
|
Максимальный и минимальный текущие зазоры 129 мкм 10 мкм.
Максимальное давление в слое масла 19,9, МПа.
Критическая толщина пленки масла 4 мкм.
Коэффициент по толщине пленки масла 2,59.
Таблица 1.13.
|
Расстояние от середины
вкладыша, мм
|
Давление в
зазоре, МПа
|
Расстояние от середины
вкладыша, мм
|
Давление в
зазоре, МПа
|
|
0 3 5 8 10 13
|
19,93 19,87
19,58 18,97 17,96 16,49
|
15 18 20 23 25
|
14,51 11,96 8,81
5 0,50
|
Коэффициенты трения 0,0082 и сопротивления вращению 8,3.
Сила 0,036 кН; мощность 0,210 кВт трения.
Мощность механических потерь в двигателе 35,1 кВт.
Относительные механические потери в корен. подшипниках 4,2 %.
Коэффициенты окружного расхода масла 0,009.
Коэффициенты расхода масла через нагруженную часть 0,214.
Коэффициенты расхода масла через ненагруженную часть 1,479.
Коэффициенты расхода масла, увлекаемого в зазор 1,968.
Теплоемкость масла 2,004 кДж/(кг С).
Приращение температуры масла в нагруженной зоне подшипника 18,2 град. С.
Tемпературa масла на входе в зазор 81 град. С.
Средняя температурa
масла в зазоре 89 град. С.
Объемный и массовый расходы масла 0,691E-04 куб.м/с 0,063 кг/с.
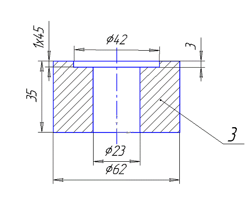
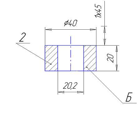
Допустимая скорость изнашивания антифрикционного материала вкладыша % 1,2
мкм/тыс. ч
Предельная скорость изнашивания антифрикционного материала вкладыша %
35,7 мкм/тыс.
4.6 Расчет выпускного клапана
Впускные и выпускные клапаны работают в тяжелых
условиях. Выпускной клапан, кроме динамического воздействия, подвержен
воздействию горячих продуктов сгорания, омывающих его тарелку, вследствие чего
последняя при работе двигателя значительно нагревается. Поэтому материал для
изготовления таких клапанов должен быть жаростойким, антикоррозионным,
достаточно прочным и вязким, износоустойчивым, не склонным к короблению и
образованию трещин, не способным закаливаться на воздухе, при повторных
нагревах должен сохранять первоначальные физические свойства. Для быстроходных
двигателей клапаны изготовляют из специальных сталей типа сильхром с
содержанием 2,2 - 3,9% Si, 2,5 - 20%Cr, 23 - 27% Ni.предел
прочности такой стали при температуре нагрева 800
С
составляет около 5 кг/мм
при удлинении порядка 46%.
Угол фаски опорного седла клапана:
Допускаемые напряжения изгиба в тарелке клапана:
Давление в конце расширения при пуске двигателя:
Площадь проходного сечения клапана:
Диаметр горловины клапана:
Полный ход клапана:
Диаметр тарелки клапана:
Толщина тарелки клапана:
Диаметр штока клапана:
Радиус перехода от штока к тарелке клапана:
Проверка тарелки клапана на прочность:
Расчетное значение больше принятого, принимаем
Наибольшее усилие, возникающее в момент открытия
клапана:
Площадь сечения штока:
Напряжения сжатия от наибольшей силы:
Удовлетворяет условию
Выводы: Данный раздел является основой всего
дипломного проекта. В этом разделе производился расчет всех необходимых
параметров двигателя. Основываясь на среднестатистические данные параметров
современных отечественных и зарубежных дизелей, произвели анализ этих
параметров и по результатам анализа выбрали двигатель WD 615. По
методу Гриневецкого-Мазинга произвели расчет основных показателей двигателя при
процессах всасывания, сжатия, горения, расширения и выпуска. Попутно определили
удельный эффективный расход топлива, механический, индикаторный, эффективный
КПД. Отдельные из этих показателей применили при расчете основных
конструктивных элементов и деталей дизеля. К спроектированному двигателю
подобрали основные системы обеспечивающие работу дизеля.
5. Расчет агрегата наддува
Исходными данными для расчета являются (из глав 1 и 2):
·
мощность
двигателя Ne = 176 кВт;
·
удельный расход
топлива ge = 215 г/(кВт·ч) = 0,215кг/(кВт·ч);
·
давление
наддува Рк = 0,169 МПа;
·
коэффициент
избытка воздуха α = 1,617;
·
коэффициент
продувки φа = 1,149;
·
температура газов
перед турбиной tг = 858К;
·
расход воздуха
двигателем Gв = 0,187 кг/с;
·
расход газа
двигателем Gв = 0,194 кг/с;
·
степень
повышения давления pк = 1,695.
Для дальнейших расчетов принимаем давление и температуру наружного
воздуха То = 305 К; Ро = 0,10 МПа.
Теперь можно перейти к расчету турбокомпрессора.
5.1 Расчет компрессора
Параметры турбокомпрессора оказывают большое влияние на показатели дизеля
с газотурбинным наддувом. Для наддува судовых дизелей применяются, как правило,
центробежные компрессоры с рабочими колесами полуоткрытого типа и радиальными
лопатками /9/.
Работа адиабатного сжатия 1 кг воздуха в наддувочном компрессоре от
давления Ро до давления Рк
Lад=
·То·
·305·
48210 Дж/кг.
Где k = 1,4 - показатель адиабатного сжатия в компрессоре; R -
газовая постоянная воздуха, R = 287 Дж/(кг·К).
Задавшись безразмерным коэффициентом напора ηh =1,28 , найдем окружную скорость И2 на внешнем
диаметре колеса D2 (рис. 6.1)
Полученное значение И2 близко к диапазону 200-350 м/с
характерному для выполненных двигателей и меньше значения 450 м/с граничного по
условиям прочности.
Далее определяем размеры входного устройства. Его
проходное сечение равно
(6)
где С0 - скорость воздуха на входе; γ0 - плотность воздуха на всасывании.
Наибольшее значение КПД компрессора достигает при скорости воздуха
непосредственно на входе в рабочее колесо С1 равной (0,28-0,32)·И2. Принимаем
С1= 0,28·И2 = 0,28·274,4 = 77 м/с. Согласно /9/ скорость С0 =(0,3-0,4)·С1.
Принимаем С0 = 0,3·С1 = 0,3·77 = 23 м/с.
Плотность воздуха на всасывании определяем по формуле
Рис. 5.1. Рабочее колесо нагнетателя
Тогда, подставив в формулу (6) известные величины получим
Принимаем коэффициент потерь входного устройства
равным ξ0=0,2, тогда плотность воздуха на входе в рабочее
колесо равна
Проходное сечение на входе в рабочее колесо равно
Принимаем диаметр вала компрессора равным dв =
0,01 м = 10 мм. Тогда диаметр ступицы колеса равен
0 = dв + 30 = 10 + 30 = 40 мм = 0,040 м.
Диаметр входной части рабочего колеса равен
Принимаем безразмерный коэффициент расхода равным q =
0,005. Внешний диаметр колеса
равен
Принимаем D2 = 0,10 м, что соответствует
типоразмерному ряду турбокомпрессоров типа ТК по ГОСТ-9658.
Оцениваем частоту вращения ротора турбокомпрессора
52170 об/мин.
Полученная частота вращения близка к значениям
характерным для турбокомпрессора четырехтактного судового дизеля /7, стр.133,
рис. 3.17 и 10, стр.182/.
Определяем средний диаметр на входе в рабочее колесо
Находим окружные скорости во входном сечении (рис.
6.2)
Рис. 5.2. График скоростей на входе в колесо
компрессора
Углы изгиба лопаток колеса на входе
Принимаем поправки ∆β0=30’ и ∆β1=3°, тогда действительные углы изгиба
β0д = β0 + ∆β0 = 43°
+ 30’ = 43°30’;
β1д = β1 + ∆β1 =
27°25’ + 3° = 30°25’.
Относительная скорость воздуха W1 на
входе в колесо (на среднем диаметре) равна
Температура воздуха на входе в рабочее колесо равна
Отношение скорости воздуха W1 к скорости
звука α равно
Полученное значение М1 лежит в рекомендованных
пределах 0,30-0,60 /9, стр.5/.
Для лопаток радиального типа угол изгиба лопаток на
выходе равен β2 = 90°.
Принимаем из диапазона 15-26° значение δк равным δк = 24°. Тогда число рабочих лопаток равно
Шаг лопаток составляет
Выбираем толщину лопатки δ2 равной δ2 = 1,0 мм, толщину δ1 принимаем равной δ1 = 5 мм. При этом коэффициенты раскрытия лопаток будут таковы
Ширина лопатки на входе воздушного потока в рабочее
колесо равна
Задаемся радиальной составляющей скорости на выходе
С2г = С1 = 77 м/с (рис. 6.3).
Коэффициент закрутки φ2 при числе лопаток ZЛ = 15 равен φ2 = 0,88.
Рис. 5.3. График скоростей на выходе из колеса
компрессора
Скорость закручивания потока на выходе равна
Абсолютная скорость потока на выходе из рабочего
колеса составит
Составляющие относительной скорости равны
Поэтому относительная скорость воздуха на выходе из
колеса равна
Углы α2 и β2 определяются из выражений
Далее определяем изменения термодинамических параметров
воздушного потока при его движении через каналы рабочего колеса.
Температуру воздуха на входе в рабочее колесо
определили раннее Т1 = 303 К.
Коэффициент потерь при осевом входе воздуха в
компрессор принимаем (как и ранее) равным ξ0 = 0,2, тогда потери энергии на входе в рабочее
колесо равны
Показатель политропы процесса на участке входа
Давление воздуха на входе в рабочее колесо
Потери энергии в колесе компрессора складываются из
следующих составляющих.
Принимая коэффициент потерь при загнутых лопатках на
входе равным ξ1=0,5, потери на входе в колесо составят

Принимая коэффициент потерь на поворот потока в
рабочем колесе равным ξ2 = 0,4, потери на поворот составят
Принимая коэффициент потерь на трение в каналах между
лопатками равным ξ3 = 0,15
потери на трение составят
Принимая коэффициент потерь на трение диска равным ξ4 = 0,05 потери на трение диска составят
Принимая коэффициент потерь при изменении скорости
потока в колесе от W1 на входе до W2 на выходе
равным ξ5 = 0,5 потери составят
Таким образом, суммарные потери будут равны
L∑
= L1 + L2 + L3 + L4 + L5 = 961 + 2645 + 288 + 1237 + 2282 = 7413 Дж/кг.
Для колес с радиально направленными рабочими лопатками
коэффициент μк определяется по уравнению
Температура воздуха на выходе из колеса равна
Показатель политропы процесса сжатия воздуха в колесе
находим из выражения
дизель судно речной флот
Давление воздуха на выходе из рабочего колеса
Плотность воздуха при определенных выше условиях равна
Ширина лопатки на выходе воздушного потока из рабочего
колеса равна
Находим отношение в2/D2 = 0,0063/0,10
= 0,063. Полученное отношение попадает в обычные пределы 0,045-0,07.
Далее определяем размеры выходного направляющего
аппарата, который включает безлопаточную часть диффузора, лопаточный диффузор и
улитку.
Рассчитываем безлопаточную часть.
Внешний диаметр безлопаточного диффузора принимаем
равным
3 = 1,2 · D2 = 1,2 · 0,10 = 0,12 м.
Поскольку принята постоянная ширина диффузора, то
радиальная составляющая абсолютной скорости потока на выходе из безлопаточного
диффузора равна
Скорость закручивания потока равна
Абсолютная скорость потока составит
Температура воздуха на выходе из безлопаточного
диффузора
Принимаем показатель политропы на рассматриваемом
участке равным
nд = 1,7, тогда давление воздуха
Для проверки правильности выбора D3 и
в3 находим вспомогательные величины
Полученные величины подставляем в соотношение
Поскольку несоблюдение равенства не превышает 5%
размеры D3 и в3 оставляем прежними.
Оцениваем угол вектора абсолютной скорости на выходе
из безлопаточного диффузора
Рассчитываем лопаточный участок диффузора (рис. 5.4).
Рис. 5.4. Направляющий аппарат диффузора
Внешний диаметр принимаем равным D4 =
1,6 · D2 = 1,6 · 0,10 = 0,16 м.
Количество лопаток Zн направляющего
аппарата принимаем меньше числа лопаток рабочего колеса и не кратным ZЛ,
тогда Zн = 14 шт.
Толщина лопаток принимается равной δн = 2 мм.
Угол лопатки на входе β3 выбираем из условия получения нулевого угла атаки β3 = α3.
На выходе из лопаточного аппарата принимаем α4 ≈ β4 = 25°.
Лопатки выполняем в виде дуг окружности, радиус дуги
определяем из выражения
Радиус окружности центров дуг лопаток равен
Шаг лопаток на входе воздушного потока в лопаточный
диффузор составляет
на выходе
При этом коэффициент раскрытия лопаток на внутреннем
диаметре равен
на внешнем
Принимаем равенство плотностей γ’3 ≈ γ3.
Плотность воздуха при определенных выше условиях равна
Радиальная скорость на входе в лопаточный направляющий
аппарат
Абсолютная скорость составит
Температура воздуха на входе в лопаточный диффузор
Принимаем показатель политропы на рассматриваемом
участке равным nд = 1,7, тогда давление воздуха
Плотность равна
Полученное значение γ’3 отличается от принятого ранее менее чем на 4%,
поэтому вносить коррективы в расчет, связанный с определением С’3г не нужно.
Абсолютная скорость потока на выходе из лопаточного диффузора
принимается равной C4 = 0,8 · С1 = 0,8 · 77 = 62 м/с.
Ее радиальная составляющая равна
Скорость закручивания потока составит
Температура воздуха на выходе из лопаточного диффузора
Коэффициент потерь в каналах диффузора принимаем
равным ξд = 0,2, тогда потери энергии равны
Показатель политропы процесса сжатия воздуха в
диффузоре находим из выражения
Давление воздуха на выходе из рабочего колеса
Плотность воздуха при определенных выше условиях равна
Ширина лопатки на выходе воздушного потока из рабочего
колеса компрессора равна
Находим отношение характерных площадей
Полученное отношение меньше рекомендованных /9/
пределов 2,5-3,5, однако для малоразмерных компрессоров это приемлемо, тем
более, что заданное πк
обеспечивается.
Переходим к расчету улитки.
Среднюю скорость потока на выходе из улитки принимаем
равной
5 = 0,8 · С1 = 0,8 · 77 = 49,6 м/с.
Тогда температура воздуха на выходе составит
Принимаем КПД улитки равным η5 = 0,5, тогда показатель политропы расширения равен
Давление воздуха на выходе из улитки
Полученное давление Р5 обеспечивает заданное давление
Рк.
Плотность воздуха при определенных выше условиях равна
Выходная площадь сечения улитки
Диаметр улитки на выходе
Изменение диаметра по углу улитки αу определим по уравнению
Радиус внутренней поверхности
Максимальный радиус улитки
Удельная адиабатная работа сжатия равна
ад=
·То·
· 305 ·
48210 Дж/кг.
Адиабатный КПД компрессора
Полученное значение КПД близко к значениям указанным в
/9/.
Коэффициент напора равен
Полученное значение укладывается в диапазон указанный
в /9/.
Мощность, потребляемая компрессором
5.2 Расчет газовой турбины
Для привода компрессора используются как осевые, так и радиальные
центростремительные турбины. Типоразмерный ряд турбокомпрессоров (ГОСТ 9558-66)
предусматривает применение осевых турбин в агрегатах наддува типа ТК-18, ТК-23,
ТК-30, ТК-38, ТК-50 и ТК-64, которыми оснащаются мощные средне- и малооборотные
дизели и радиальных центростремительных турбин в турбокомпрессорах типа ТКР-7,
ТКР-8,5, ТКР-11, ТКР-14 и ТКР-23, используемых для форсировки быстроходных
двигателей.
Расчет проводим для осевой газовой турбины.
Расход газов берем из главы 1
Температура газов перед турбиной определена в главе 1
и равна Тг = 858 К.
Принимаем скорость газового потока на входе в сопловой
аппарат равной СГ = 100 м/с. Показатель адиабаты согласно /9/ равен кг =1,34. Число Маха равно
Тогда температура заторможенного потока на входе в
сопловой аппарат равна
Из главы 1 находим общий КПД турбины, учитывающий и
механические потери в турбокомпрессоре ηТ = 0,944. Там же определена удельная адиабатическая работа расширения в турбине
Противодавление за турбиной принимаем равным Р2 =
0,108 МПа = 108000 Па. Таким
образом, давление газов перед турбиной будет равно
Задаемся степенью реактивности турбины ρ = 0,25. Удельная адиабатная работа расширения газа в
сопловом аппарате равна
Принимаем коэффициент скорости соплового аппарата
равным φ=0,95. Тогда абсолютная скорость потока на выходе из
сопла составит
Принимаем значение параметра χ = 0,5. Находим окружную скорость
По соображениям прочности И не должна превышать 350
м/с. Это условие соблюдается.
Принимая частоту вращения ротора турбокомпрессора
равной частоте вращения компрессора (определенной в разделе 6.1) nт = nк =
52170 об/мин, находим средний диаметр рабочего колеса турбины
Определяем давление, температуру и плотность газа на
выходе из соплового аппарата
Проходное сечение соплового венца будет равно
Угол α1, между вектором абсолютной скорости С1 и плоскостью вращения ротора
турбокомпрессора принимаем равным α1 = 20˚.
Количество сопловых лопаток (рис. 6.5) оцениваем по их
шагу tc, задаваясь значением tc = 11 мм =
0,011 м получим
Принимаем ZC = 26 шт
Рис. 5.5. Колесо турбины с решеткой
Принимаем толщину выходной кромки сопловой лопатки
равной δс = 1,5 мм = 0,0015 м, тогда коэффициент раскрытия
лопаток аппарата находим из выражения
Радиальная длина (высота) лопаток соплового аппарата
равна
Параметры газовой струи на входе в рабочее колесо
определяет следующим образом.
Относительная скорость на входе в колесо равна
Температура заторможенного потока
Угол между вектором относительной скорости и
направлением вращения рабочего колеса
Работа адиабатного расширения газа в рабочем колесе
равна
Принимаем коэффициент скорости равным ψ = 0,9. Тогда на выходе из рабочего колеса
относительная скорость газа составит
Угол между вектором относительной скорости и
направлением вращения рабочего колеса выбираем для активной лопатки равным β2 = β1 - 5 = 38 - 5 = 33˚.
Принимаем шаг лопаток равным tр = 12 мм =
0,012 м, тогда число рабочих лопаток равно
Принимаем число рабочих лопаток равным Zр =
24. Принимаем толщину выходной кромки рабочей лопатки равной δР = 1,0 мм = 0,001 м, тогда коэффициент раскрытия
лопаток аппарата находим из выражения
Температура и плотность потока на выходе из рабочего
колеса равны
Высоту рабочих лопаток принимаем равной lр = lс =
0,024 м. Корректируем угол
Тогда β2 = 25˚.
Находим величину напряжений на разрыв рабочей лопатки
от центробежных сил
Полученные напряжения меньше допустимых 240-260 МПа.
Абсолютная скорость газа на выходе из рабочего колеса
равна
Угол между вектором скорости и направлением вращения
колеса равен
Работа на окружности рабочего колеса турбины
Адиабатный КПД турбины
Окружной КПД
В первом приближении потери на утечки, трение и
вентиляцию принимаем равными 3%, тогда внутренний КПД турбины
Механический КПД турбины принимаем из главы 1 равным ηМ = 0,944. Тогда эффективный КПД турбины и развиваемая
ею мощность равны
Определяем небаланс мощности турбины и компрессора
Полученное значение мощности турбины соответствует
небалансу мощности, потребляемой компрессором, менее 5%, расчет можно считать
выполненным.
6. Научно - исследовательский фрагмент. Установка генератора
кавитации в топливную систему буксира проекта Р-50
.1 Обоснование установки генератора кавитации
Для повышения технико - экономических показателей судна проекта Р-50,
было принято решение установить генератор кавитации в топливную систему ГД (WD 615) c целью уменьшения удельного расхода топлива и повышению
моторесурса главных двигателей.
Ресурс и эффективность работы топливной аппаратуры в большей степени
зависит от физико-химического состава топлива и его подготовки перед подачей в
топливную систему двигателя.
Одним из способов повышения надёжности топливной аппаратуры судовых
дизелей, является её кавитационная обработка в системе топливоподачи.
При обработки топлива данным способом под воздействием кавитации
алгомераты и молекулы углеводородов расщепляются на более лёгкие, что приводит
к уменьшению вязкости и плотности, снижению температуры вспышки. При обработке
смеси топлива и воды происходит образование мелкодисперсной водотопливной
эмульсии с размерным рядом частиц водной фазы до 1-5 мкм.
Генератор кавитации позволяет обрабатывать различные сорта топлив, имеет
простую констукцию и технологию изготовления и при этом обеспечивает:
· Уменьшение вязкости и плотности топлива, что понижает
величину сил трения и износ прецизионных пар топливной аппаратуры, способствует
снижению их перегрева и заклинивания, образования нагара на поверхности
элементов распылителей форсунок.
· Снижение температуры вспышки, что значительно улучшает
способность топлив к самовоспламенению, определяющий дальнейший процесс
сгорания и уровень тепловых и механических напряжений в деталях ЦПГ.
· Уменьшение размеров твёрдых примесей в топливе, что снижает
вероятность образования задиров на поверхностях прецизионных пар, коррозии
деталей топливной аппаратуры, ЦПГ и систем газовыпуска, увеличивая их ресурс.
· Гомогенизацию обводнённых топлив до уменьшения размеров
частиц водной фазы до 1-5 мкм, что даёт возможность их применения без
отрицательного воздействия водной составляющей на прецизионные пары топливной
аппаратуры, не вызывая нарушений в их работе.
.2 Сущность изобретения
Генератор кавитации является гидродинамическим устройством,
обеспечивающим возникновение режима ультразвуковой кавитации за счет перепада
давлений на входе и выходе устройства.
Устройство содержит: цилиндрический корпус 1 с патрубками 2, 3 подачи и
удаления жидкого топлива. В патрубке 2 размещена винтовая вставка 6 для
перемешивания топлива. В корпусе 1 размещен ультразвуковой струйный излучатель
7. Излучатель 7 выполнен в виде двух спиралей 7a, 7b
Архимеда, лопасти которых имеют противоположные направления и расположены друг
между другом. Устройство дополнительно снабжено камерой 14 переменного сечения,
расположенной за струйным излучателем 7 по ходу потока жидкого топлива. Камера
имеет сужающуюся и расширяющуюся части 14a, 14b.
Минимальный диаметр do камеры 14
определяется соотношением:
do -
минимальный диметр камеры, м;
К= 5. ..10 - расчетный коэффициент, учитывающий физические свойства
жидкого топлива;
Q -
заранее заданный расход жидкого топлива, проходящий через систему
топливоподачи, м3/с;
P2 -
заранее заданная величина давления в потоке жидкого топлива на выходе из
указанной камеры, Па;
Pc -
давление в потоке жидкого топлива, при котором при заданном перепаде между
давлением в этом потоке перед струйным излучателем 7 и давлением в этом потоке
в сужающейся части 14a
камеры 14 после струйного излучателя 7 возникает кавитация в потоке топлива в
расширяющейся части 14b
камеры 14
Изобретение относится к системам топливоподачи энергетических установок,
а именно к устройствам для обработки жидкого топлива, а более точно, к
устройствам для обработки жидкого топлива кавитацией в системе топливоподачи.
Устройство может быть использовано при подготовке жидкого топлива для
энергетических установок. Наиболее успешно изобретение может быть использовано
при подготовке тяжелых низкосортных видов топлива.
При использовании в энергетических установках тяжелых низкосортных видов
топлива сгорание такого топлива из-за наличия в нем разнообразных примесей
происходит не полностью. Это обусловливает относительно невысокую эффективность
использования такого топлива, а также увеличивает количество вредных выбросов в
атмосферу. Поэтому такое топливо нередко подвергают предварительной обработке
для диспергирования и гомогенизации содержащихся в нем примесей.
Известен ультразвуковой гидродинамический излучатель [SU, A, 1532083] предназначенный для получения мелкодисперсных
эмульсий. Излучатель содержит цилиндрический корпус, в стенках которого
выполнены входные тангенциальные отверстия для образования вихревой камеры.
Излучатель снабжен выходным соплом, расположенным коаксиально вихревой камере.
Выходное сопло выполнено витым в направлении, совпадающем с направлением оси
тангенциального отверстия в корпусе вихревой камеры. В крышке камеры, соосно
выходному соплу, выполнено отверстие для установки пористого вкладыша.
При работе такого устройства жидкость поступает в вихревую камеру
излучателя через входные тангенциальные отверстия и под воздействием
центробежных сил образует в вихревой камере закрученный жидкостный вихревой
поток. При этом в вихревой камере образуется зона разряжения. Под действием
создавшегося перепада давления через пористый вкладыш всасывается газовоздушный
компонент, который захватывается вращающейся с большой скоростью жидкостью,
смешивается с ней и под действием возникающих в излучателе ультразвуковых
колебаний интенсивно диспергируется. В выходном сопле происходит дополнительная
закрутка газожидкостного потока и еще более интенсивное диспергирование
жидкости.
Описанный гидродинамический излучатель позволяет проводить обработку
жидкости в потоке. Он используется для интенсификации различных технологических
процессов получения мелкодисперсных эмульсий, а также для пенообразования и
газонасыщения жидкости.
Однако при использовании такого устройства для обработки высоковязких
жидкостей, таких, как тяжелые низкосортные типы топлива, не достигается
достаточно высокой степени гомогенизации и диспергирования жидкости. Это
обусловлено тем, что возникающие в излучателе ультразвуковые колебания не
обладают достаточно высокой амплитудой для успешной обработки таких жидкостей.
Процессы диспергирования и гомогенизации высоковязких жидкостей наиболее
успешно осуществляются под воздействием ультразвуковых колебаний,
сопровождающихся кавитацией.
Известно устройство для обработки жидкого топлива кавитацией в системе
топливоподачи [FR, A, 2612567] содержащее цилиндрический
корпус с патрубками для подачи и отвода жидкого топлива в ультразвуковой
струйный излучатель. Ультразвуковой струйный излучатель выполнен в виде двух
коаксиально размещенных по отношению друг к другу спиралей Архимеда, лопасти
которых ориентированы в противоположных направлениях. Одна из спиралей жестко
прикреплена к основанию корпуса, а другая установлена с возможностью перемещения
вдоль оси корпуса, причем лопасти одной спирали размещены между лопастями
другой спирали так, что обращенные друг к другу поверхности лопастей спиралей
образуют каналы для прохождения обрабатываемой жидкости.
При работе такого устройства внутрь корпуса через патрубок для подачи
жидкости поступает подлежащее обработке топливо, проходит через каналы,
образованные лопастями струйного излучателя, и через отверстие в основании
корпуса поступает в выходной патрубок. Поток жидкости, проходящий через струйный
излучатель, испытывает торможение на его лопастях. При этом возникают колебания
давления, происходящие с ультразвуковой частотой. В локальных областях потока
минимальное давление оказывается меньше давления насыщенных паров
обрабатываемой жидкости и возникает явление кавитации, что обеспечивает высокое
качество обработки топлива.
Это устройство позволяет проводить эффективную обработку жидкого топлива,
в том числе низкосортных высоковязких его типов, при давлении на выходе из
устройства, совпадающем с давлением топливоподачи системы, от 1 до 5 кгс/см2.
При более высоких значениях давления топливоподачи, что имеет место, например,
при подаче его в котельных установках, создание условий для возникновения
кавитации, а, значит, и для качественной обработки топлива, затруднено.
Авторами было установлено, что давление, при котором возникает кавитация
в потоке жидкости в таком устройстве, зависит от перепада между давлением в
потоке жидкости до струйного излучателя и давлением в потоке жидкости после
струйного излучателя. При увеличении давления на выходе из устройства величина
этого перепада резко возрастает. Так, при давлении топливоподачи 1.5 кгс/см2
для возникновения кавитации необходимо, чтобы этот перепад составлял 3. 6
кгс/см2, а при давлении топливоподачи 10.20 кгс/см2уже около 100 кгс/см2.
Очевидно, что для создания такого перепада давления, а, значит, и для
качественной обработки топлива при относительно высоком давлении топливоподачи
потребуются такие большие энергетические затраты, которые сведут на нет весь
экономический эффект, полученный от обработки топлива.
В основу настоящего изобретения положена задача создания устройства для
обработки жидкого топлива кавитацией в системе топливоподачи, которое между
ультразвуковым струйным излучателем и патрубком для отвода жидкого топлива было
бы выполнено таким образом, чтобы обеспечить кавитацию в потоке жидкости при
увеличении давления на выводе из устройства с сохранением относительно
небольшого перепада между давлением в потоке жидкости до ультразвукового струйного
излучателя и давлением в потоке жидкости после указанного излучателя и тем
самым уменьшить энергетические затраты при обработке жидкого топлива, а также
повысить качество обработки топлива и тем самым уменьшить количество вредных
выбросов в атмосферу при его сжигании.
Поставленная задача решается тем, что устройство для обработки жидкого
топлива кавитацией в системе топливоподачи, содержащее корпус с патрубками для
подачи и отвода жидкого топлива, и ультразвуковой струйный излучатель для
создания пульсаций давления в потоке жидкого топлива, в соответствии с
изобретением снабжено камерой с переменным диаметром сечения, расположенной за
струйным излучателем по ходу потока жидкого топлива, содержащей сужающуюся и
расширяющуюся части, при этом минимальный диаметр камеры определяется
соотношением
где
do
минимальный диаметр камеры, м;
К= 5.10 расчетный коэффициент, учитывающий физические свойства жидкого
топлива;
Q
заранее заданный расход жидкого топлива, проходящего через систему
топливоподачи, м3,c;
P2
заранее заданная величина давления в потоке жидкого топлива на выходе из
указанной камеры, Па;
Pc
давление в потоке жидкого топлива, при котором при заданном перепаде между
давлением в этом потоке перед струйным излучателем и давлением в этом потоке в
сужающейся части камеры после струйного излучателя возникает кавитация в потоке
топлива в расширяющейся части камеры, Па.
После прохождения потоков жидкого топлива через ультразвуковой излучатель
в этом потоке, так же, как это имеет место в известном устройстве, описанном
выше, возникают пульсации давления, происходящие с ультразвуковой частотой. При
прохождении пульсирующим потоком сужающейся части камеры скорость потока
возрастает, а среднее давление падает. Среднее давление в потоке достигает
наименьшего значения в самой узкой части камеры, и при минимальных значениях
пульсирующего давления в потоке возникают кавитационные полости. При
прохождении потоком расширяющейся части камеры скорость этого потока
замедляется, а давление возрастает. В результате кавитационные полости
схлопываются и происходит гомогенизация и эмульгирование жидкого топлива.
Благодаря тому, что минимальный диаметр камеры определяется в
соответствии с найденной авторами зависимостью, указанной выше и учитывающей
физические свойства жидкого топлива, характеристики системы топливоподачи, а
также найденную авторами зависимость между перепадом между давлением в потоке
жидкого топлива до струйного излучателя и давлением в этом потоке после
струйного излучателя в сужающейся части камеры и давлением в потоке, при
котором возникает кавитация, последняя возникает при относительно небольшом
значении указанного перепада и относительно большом значении давления на выходе
из камеры.
Таким образом, предлагаемое устройство обеспечивает благодаря кавитации
высококачественную обработку жидкого топлива, в том числе его низкосортных
высоковязких типов и тем самым обеспечивает уменьшение количества вредных
выбросов в атмосферу. Благодаря тому, что кавитация возникает при относительно
небольшом перепаде давления и относительно высоком давлении на выходе из
устройства, предлагаемое устройство обеспечивает снижение эгнергозатрат при
обработке жидкого топлива при относительно высоких значениях давления
топливоподачи в системе.
Целесообразно для придания потоку жидкого топлива вращательного движения
в патрубке подачи жидкого топлива установить винтовую вставку. Благодаря этой
вставке подаваемая жидкость дополнительно перемешивается перед поступлением в
ультразвуковой струйный излучатель, что еще больше повышает качество обработки
топлива.
В дальнейшем изобретение поясняется подробным описанием примера его
осуществления со ссылками на прилагаемые чертежи, на которых: на фиг. 1 - общий
вид устройства, выполненного в соответствии с изобретением, в разрезе; на фиг.
2 поперечный разрез подвижной спирали струйного излучателя в увеличенном
масштабе; фиг. 3 показывает камеру с переменным диаметром сечения, показанную
на фиг. 1, в разрезе, в увеличенном масштабе; фиг. 4 - изображает зависимость между
давлением, при котором возникает кавитация, и перепадом между давлением в
потоке жидкости до струйного излучателя и давлением в потоке жидкости после
струйного излучателя.
Как показано на фиг. 1, устройство для обработки жидкого топлива
кавитацией в системе топливоподачи в соответствии с изобретением содержит
цилиндрический корпус 1 с патрубком 2 для подачи жидкого топлива и патрубком 3
для его отвода. Патрубок 2 соединен с помощью гайки 4 с трубопроводом 5,
сообщающимся с резервуаром для топлива (на фиг. не показан). В патрубке 2
установлена винтовая вставка 6. Коаксиально корпусу 1 установлен ультразвуковой
струйный излучатель 7. Струйный излучатель 7 выполнен в виде двух спиралей
Архимеда 7a и 7b, ориентированных вогнутыми сторонами одна к другой. При этом
лопасти одной спирали 7a
ориентированы в направлении, противоположном направлению лопастей спирали 7b. Спирали 7a и 7b
установлены так, что лопасти одной спирали размещены между лопастями другой
спирали и образуют каналы 7с прямоугольного сечения для прохождения
обрабатываемого топлива. Одна из спиралей 7a расположена на основании 8. Поперечный разрез спирали 7a, размещенной на основании 8,
изображен на фиг. 2. Основание 8 со спиралью 7a может перемещаться вдоль оси корпуса 1 (фиг. 1) по
направляющим 9 с помощью регулировочной гайки 10 и втулки 11. Вторая спираль 7b размещена на крышке 12 корпуса 1 и
закреплена неподвижно относительно корпуса 1 с помощью винтов 13. При
перемещении спирали 7а относительно спирали 7b происходит изменение площади поперечного сечения каналов 7с.
В крышке 12 выполнено отверстие для прохождения жидкого топлива.
Ультразвуковой струйный излучатель может быть выполнен и иначе, например
так, как это описано в известном устройстве [SU, A, 1532083]
Устройство снабжено камерой 14 с переменным диаметром сечения,
закрепленной, например, с помощью сварки на крышке корпуса 12 корпуса 1 так,
что ось камеры 14 совпадает с осью струйного излучателя 7. Камера 14 имеет
сужающуюся часть 14а, расширяющуюся часть 14b и минимальный диаметр do.
Минимальный диаметр do
определяется в соответствии с предложенной авторами зависимостью. Для каждого
струйного излучателя может быть построена зависимость давления, при котором
возникает кавитация, от перепада между давлением в потоке до струйного
излучателя и давлением в потоке после струйного излучателя. Зависимость для
излучателя, используемого в предлагаемом устройстве, приведена на фиг. 4. По
оси абсцисс отложены значения давления Р с, при котором происходит кавитация, в
мегапаскалях, а по оси ординат - соответствующие значения перепада между
давлением до струйного излучателя и давлением после струйного излучателя ΔP, также в мегапаскалях.
Из фиг. 4 видно, что кривая вначале имеет относительно пологую часть, а
затем круто поднимается. Более пологая часть кривой соответствует относительно
небольшим значениям перепада давления ΔP и соответственно относительно
небольшим значениям давления Рс. Целесообразно выбирать значения давления Рс из
значений, соответствующих этой относительно пологой части кривой. При определении
параметров описываемой конструкции авторы приняли величину давления Рс, равной
0,2 МПа. Из графика на фиг. 4 видно, что при этом значении давления Рс перепад
Р между давлением в потоке струйного излучателя и давлением в потоке в
сужающейся части камеры после струйного излучателя составляет 0,6 МПа.
Относительно небольшие значения перепада давления соответствуют относительно
небольшим затратам энергии и обуславливают экономичность и эффективность работы
устройства. Авторами установлено, что показанная на фиг. 4 зависимость
определяется в первую очередь видом излучателя и очень мало зависит от вида
используемого топлива. Поэтому такую зависимость можно использовать при выборе
характеристик такого устройства для обработки различных видов топлива.
Минимальный диаметр do
камеры 14 зависит от характеристик обрабатываемого топлива. Характеристики
топлива, а именно плотность, вязкость и другие, учитываются коэффициентом К,
значение которого выбирается равным от 5 до 10 и рассчитывается известным в
гидравлике способом. Проведенные авторами исследования и расчеты показали, что
для более вязких видов топлива следует выбирать более высокие значения
коэффициента К. Например, для мазута с вязкостью 600 сСТ при 20oC K=10.
Минимальный диаметр dо
камеры 14 зависит также от заранее заданного расхода 0 жидкого топлива,
проходящего через систему топливоподачи. Как уже упоминалось выше, спираль 7b струйного излучателя 7 может
перемещаться вдоль его оси. При этом изменяется площадь поперечного сечения
каналов 7с, что позволяет регулировать расход системы в некотором диапазоне.
Каждая система имеет определенный диапазон расхода топлива. При расчете
минимального диаметра do
камеры 14 можно воспользоваться средним значением между минимальным и
максимальным значениями расхода. Но использовать среднее значение расхода
топлива можно только в том случае, если максимальное и минимальное значения
расхода 0 отличаются друг от друга не более, чем на 100% В том случае, если
расход может изменяться в процессе работы более, чем на 100% целесообразно
использовать два устройства, работающих параллельно.
Минимальный диаметр do
камеры 14 зависит также от величины заранее заданного давления Р2 в потоке
жидкого топлива на выходе из указанной камеры. Эта величина совпадает с
давлением топливоподачи и задается в зависимости от давления, требуемого для
работы конкретной энергетической установки.
Используя предлагаемую авторами зависимость, определяют минимальный
диаметр doкамеры 14.
Опытным путем авторами установлено, что область возникновения кавитации
при выбранном давлении Рс имеет некоторую протяженность. Поэтому камера 14
может иметь минимальный диаметр do,
при котором обеспечивается возникновение кавитации при заданных характеристиках
системы топливоподачи, на некотором расстоянии от выхода из струйного
излучателя. Это позволяет выбрать форму стенок сужающейся части 14а камеры 14
так, чтобы минимизировать гидравлическое сопротивление. В описываемом
устройстве продольный размер сужающейся части 14а камеры 14 был выбран таким,
чтобы обеспечить радиус скругления стенок камеры 14, равным двум минимальным
диаметрам do.
Продольный размер расширяющейся части 14b камеры 14 выбирается также из соображений наименьшего
гидравлического сопротивления. Вместе с тем, выходной диаметр камеры 14 должен
быть таким, чтобы обеспечить удобную стыковку с выходным патрубком 3. Из
гидравлики известно, что наименьшее гидравлическое сопротивление будут иметь
конические стенки, расходящиеся под углом, не превышающим 10o. Из этих соображений и определен
продольный размер расширяющейся части 14b камеры 14.
Устройство работает следующим образом:
Поток жидкого топлива подается по трубопроводу 5 в патрубок 2 для подачи
топлива, где, проходя через винтовую вставку 6,поток приобретает вращательное
движение. Затем топливо поступает в цилиндрический корпус 1.
При прохождении через каналы 7с струйного излучателя 7 поток жидкого
топлива становится вихревым, и в нем возникают колебания давления,
совершающиеся с ультразвуковой частотой. Поток топлива проходит через отверстие
в крышке 12 и поступает в камеру 14. При прохождении потока жидкого топлива
через сужающуюся часть 14а камеры 14 давление в потоке топлива снижается. При
прохождении потока топлива через самую узкую часть камеры с диаметром dо давление достигает своего
минимального значения. Причем, поскольку давление в потоке, как было упомянуто,
меняется с ультразвуковой частотой, то при прохождении через узкую часть камеры
14 с минимальным диаметром dо
минимальное значение давления в локальных областях потока становится меньше
давления насыщенных паров жидкости, в результате чего в потоке возникают
кавитационные полости. Затем поток жидкого топлива проходит через расширяющуюся
часть 14b камеры 14, в которой происходит его
торможение. Давление постепенно возрастает и даже при минимальных значениях
давления остается больше давления насыщенных паров. В результате парогазовые
кавитационные полости схлопываются, а имеющиеся в топливе водяные и
смолисто-асфальтовые частицы разбиваются, топливо эмульгируется и
гомогенизируется.
Таким образом, предлагаемое устройство обеспечивает высококачественную
обработку топлива, в том числе его высоковязких низкосортных типов, при
относительно высоком давлении топливоподачи и относительно небольшом перепаде
между давлением в потоке до струйного излучателя и давлением в потоке после
струйного излучателя в сужающейся части камеры. Этим обеспечивается экономия
энергии, повышается эффективность сжигания обработанного топлива и тем самым
улучшается экология окружающей среды.
6.3Формула изобретения
. Устройство для обработки жидкого топлива кавитацией в системе
топливоподачи, содержащее корпус с патрубками для подачи и отвода жидкого
топлива и ультразвуковой струйный излучатель для создания пульсаций давления в
потоке топлива, отличающееся тем, что устройство снабжено камерой с переменным
диаметром сечения, расположенной за струйным излучателем по ходу потока жидкого
топлива, содержащей сужающуюся и расширяющуюся части, при этом минимальный
диаметр d0 камеры определяется соотношением
где К 5 10 расчетный коэффициент, учитывающий физические свойства жидкого
топлива;
Q
заранее заданный расход жидкого топлива, проходящего через систему
топливоподачи, м3/с;
Р2 заранее заданная величина давления в потоке жидкого топлива на выходе
из указанной камеры, Па;
Рс давление в потоке жидкого топлива, при котором при заданном перепаде
между давлением в этом потоке перед струйным излучателем и давлением в этом
потоке в сужающейся части камеры после струйного излучателя возникает кавитация
в потоке топлива в расширяющейся части камеры, Па.
. Устройство по п.1, отличающееся тем, что в патрубке для подачи жидкого
топлива установлена винтовая вставка.
7.Технологический раздел. Применение полимерных клеёв в судоремонте
Применение полимерных клеёв в судоремонте разработано на основании опыта
монтажа судовых технических средств.
Распределяется на:
· Установку главных и вспомогательных двигателей,
вспомогательных механизмов, подшипников валопроводов на фундаменты;
· Установку призонных болтов главных и вспомогательных
двигателей, механизмов, валопроводов;
· Монтаж дейдвудных подшипников валопроводов и их составных
частей; подшипников рулевых устройств и их составных частей;
· Сборку фланцевых соединений рулевых устройств и корпусных
деталей главных и вспомогательных двигателей, механизмов и других судовых
технических средств;
· Сборку составных гребных винтов переменного и фиксированного
шага;
· Сборку конусных соединений гребных валов с винтами и
полумуфтами, промежуточных и упорных валов с полумуфтами;
· Восстановление повреждений и коррозионную защиту деталей
судовых технических средств на судах всех классов, типов и назначений и
содержит необходимые технологические указания на выполнение этих работ;
Работы по монтажу судовых технических средств (СТС) с помощью клеёв
должны выполняться под контролем ОТК.
Работы по монтажу поднадзорных Регистру судовых технических средств с
помощью клеёв должны быть согласованы и выполняться под надзором Российского
Морского Регистра.
7.1Общие технические требования и указания
В необходимых случаях должно быть выполнено и согласовано с Регистром
расчётное обоснование.
Следует помнить, что работы по сборке узлов с применением клея должны
быть выполнены в сжатые сроки (в течение времени жизнеспособности клея). В
связи с этим подготовка инструмента и приспособлений должна проводиться
заблаговременно и особо тщательно.
Клей применяют при сборке узлов, детали которых изготовлены из
углеродистой и коррозионно - стойкой стали, чугуна, бронзы и латуни в любых
сочетаниях. Для выполнения работ по сборке и разборке деталей с применением
клея применяют оборудование (рештования, такелажные и другие приспособления).
Монтаж и демонтаж выполняют в соответствии с действующими технологическими
схемами.
При нагреве деталей необходимо контролировать температуру и равномерность
нагрева , не допуская перегрева отдельных участков, попадания открытого огня на
плёнку клея и резиновые уплотнения. Контроль температуры производится
контактным термометром.
Подготовительные работы.
Специальная оснастка необходимая для монтажа судовых технических средств
(СТС) с помощью клея:
· Пресс с гидро- или пневмоприводом или ручной;
· Противень из белой жести или листовой стали толщиной 0,5-1,0
мм;
· Трубка красномедная отожженная или резиновая с ниппелем и накидными
гайками;
· Мерные сосуды или весы; шпатель для перемешивания компонентов
(деревянный, металлический или пластмассовый);
· Штуцер для соединения трубки с деталью;
· Электрокалорифер или другие средства нагрева.
При монтаже судовых технических средств должны применяться
конструкционные клеи, обладающие стойкостью к бензину и маслу, вибростойкостью,
грибо и тропикоустойчивостью.
|
№
|
Марка
|
Прочность клеевого
соединения, не менее
|
Температура воздуха, детали
при применение клея
|
Время жизнеспособности при t 200С
|
Время полного отверждения,
не мнее
|
Температурный
интервал эксплуатации
|
|
|
При сдвиге
|
При сжатии
|
|
|
|
|
|
|
Мпа (кг/см2)
|
0С
|
ч
|
Ч
|
0С
|
|
1
|
К-153
|
13 (130)
|
160 (1600)
|
15-35
|
0,7-1,0
|
24 - при 200С 12 - при 350С
3 - при 60 0С
|
+60 -60
|
|
2
|
ЭД-20 ЭД-16
|
11 (110)
|
100 (1000)
|
|
|
|
-40 +100
|
|
|
|
|
|
|
|
|
|
|
В таблице приведены наименьшие величины прочностных характеристик клеёв,
полимеризация которых осуществляется при t=15-200С. Прочность клеевого соединения увеличивается на
25-30% при осуществлении нагрева при t=600С в течение не менее 6 часов.
Состав компонентов клеёв.
|
№
|
Марка
|
Наименование
компонента
|
Количество по массе, г
(объёму, мл)
|
|
1
|
К-153
|
Смола эпоксидная (компаунд
К-153А) Отвердитель -
полиэтиленполиамин
|
100(84) 12(11)
|
|
2
|
ЭД-20 ЭД-16
|
Смола эпоксидная (ЭД-20;
ЭД-16) Пластификатор - дибутилфталат Отвердитель - полиэтиленполиамин
|
100(84) 15(14)
12(11)
|
Примечание: взамен дибутилфталата может быть использован жидкий тиокол
марки НВТ - 1 в количестве 20 - 30г на 100г. смолы.
Материалы, применяемые при приготовлении клеёв, должны удовлетворять
требованиям действующей нормативной документации. Качество материалов должно
быть подтверждено сертификатми, а при необходимости проверено в заводской
лаборитории.
Хранение материалов следует осуществлять в соответствии с требованиями
нормативной документацией с соблюдением правил пожарной безопасности и охраны
труда.
Поверхности деталей, предназначенные для склеивания должны быть чистыми,
без следов влаги, грязи, ржавчины, окисных плёнок и пыли. Для этого детали
должны быть очищены при необходимости механической щёткой, шлифовалной шкуркой,
наждачным кругом или другими средствами.
Поверхности деталей на участках адгезии с клеем должны быть обезжирены.
Обезжиривание поверхности необходимо выполнять следующим образом:
· Протереть ветошью, смоченной бензином или уайт - спиритом, а
затем досуха чистой ветошью;
· Протереть 1-2 раза с интервалом 5-10 минут чистой ветошью,
смоченной ацетоном, и затем - сухой ветошью;
· Допускается протирка только ветошью, смоченной ацетоном, не
менее 2 раз и затем- сухой ветошью;
· После последней протирки ветошь должна оставаться чистой, в
противном случае, операцию обезжиривания необходимо повторить.
Приготовление клея.
Клей следует приготавливать непосредственно перед употреблением и в
количествах, которые могут быть использованы в течении времени их
жизнеспособности. Добавление новой порции компонентов в неизрасходованный клей
во избежание своевременного отверждения не допускается. Необходимо так же
исключить попадание воды в компоненты клея и приготовленный клей.
Приготовление клея производится следующим образом:
· Необходимое количество смолы выливают в противень;
· При приготовлении состава необходимое количество
пластификатора выливают на смолу и тщательно перемешивают в течение 3-5 мин;
при использовании ранее приготовленной смеси смолы и пластификатора (срок
хранения которой не должен превышать одного месяца) её так же тщательно
перемешивают;
· Необходимое количество наполнителя (если он входит в состав
клея) вводят в смолу при постоянном помешивании, затем клей перемешивают 3-5мин
до получения однородной массы;
· После перемешивания клей должен отстояться в течении 2-8мин.
Перемешивание клея необходимо выполнять плавными перемешиваниями шпателем
шириной 50-100мм, взбалтывая клей. Необходимое количество компонентов
определяют взвешиванием ли мерными ёмкостями.
Количество клея предназначенного для использования, как правило, на 10-15
% больше расчётного.
Загустевший клей не разбавляется и к употреблению не пригоден.
.2Сборка деталей узлов с
применением клея
Основные технические требования:
Перед началом выполнения работ по монтажу деталей с применением клея
должны быть закончены и предъявлены ОТК и представителю Регистра работы,
недоступные для контроля после этого.
Допускается выполнение работ при температуре окружающей среды не ниже
+150С при условии обеспечения нагрева деталей и оснастки (пресса и трубок), а
так же компонентов, входящих в состав клеёв, до t +25-+35 0С. При этом допускается, в отдельных случаях,
осуществлять контроль температуры деталей на ощупь.
Нагрев деталей необходимо осуществлять при помощи калориферов,
инфракрасных излучателей, гибких электронагревательных устройств, пара, ламп
(форсунок) типа «Вулкан», газовых горелок или другими средствами.
Для измерения температуры при нагреве необходимо использовать термометры,
термокарандаши и др. средства.
Нагрев смолы рекомендуется выполнять в закрытой ёмкости, помещённой в
воду, имеющей температуру 30-500С. Нагрев компонентов или смеси без отвердителя
разрешается проводить закрытым источником тепла (электрогрелками, калориферами
или другими способами). При этом температура не должна превышать 350С.
Во избежание быстрой полимеризации введение отвердителя рекомендуется
производить при температуре не выше 250С
Платики изготавливают из стеклоткани, паронита, липкой или изоляционной
ленты, фоторопластовой плёнки. Размеры платиков назначаются исходя из размеров
соединяемых деталей не менее 4 шт. на каждый пояс, равномерно расположенных по
окружности. Толщина платиков соответствует минимальному требованию значению
зазора клеем и наличаем наполнителя.
Заполнение радиальных (на сторону) зазоров до 1 мм. осуществляется путём
нанесения клея на сопрягаемые поверхности деталей перед их установкой на место.
Толщина ноносимого слоя при этом примерно 0,5 мм. Заполнение клеем зазоров (на
сторону) более 1 мм. осуществляется под давлением от пресса (как правило,
винтового типа) через подводной канал на собранном узле.
При использовании клея без наполнителя наибольшая допустимая величина
радиального зазора 3 мм.
При использовании клея с наполнителем наибольшая допустимая величина
радиального зазора 10 мм.
Перед началом выполнения работ по монтажу деталей с применением клея
должны быть закончены и предъявлены ОТК и представителю Регистра работы,
недопустимые для контроля после этого.
При повышении максимального допустимого зазора для принятого метода
заполнения зазора клеем на площади не более 20% поверхности сопряжения
допускается сохранение метода.
При заполнение зазора в соединение с помощью пресса смонтировать и
зафиксировать взаимное положение деталей до начала подачи клея в зазор.
При заполнение зазора в соединение методом нанесения клея следует
смонтировать и зафиксировать взаимное положение деталей в период
жизнеспособности клея.
При сборке узла со шпоночным соединением с помощью клея зазоры в
шпоночном соединение не регламентируются и заполнение их клеем не требуется в
случаях, если в соответствии с выполненным расчётом обеспечивается величина
запаса несущей способности клеевого слоя не менее значений, требуемых для
бесшпоночного клеевого соединения. В остальных случаях шпонки устанавливаются с
помощью клея, если в шпоночных соединениях не обеспечены посадки,
предусмотренные ТУ на ремонт либо другой нормативной документацией.
При наличае шпонки в соединение, шпонка должна быть закреплена на валу
винтами.
При радиальном зазоре более 2 мм необходимо предусмотреть мероприятия для
уплотнения жидкого клея в замкнутом контуре.
Уплотнение может быть выполнено как: конструктивный элемент детали;
дополнительный технологический узел, устанавливаемый временно или постоянно.
Допускается уплотнять зазоры подручными средствами: липкой лентой; резиновым
шнуром, эпоксидной шпатлёвкой, пластилином, ветошью и.т.д.
1-дейдвудная труба; 2- дейдвудная втулка; 3- уплотнение; 4- кольцо из
двух половин; 5-планка приварная; 6- болт прижимной; 7-гайка.
Полноту заполнения зазора определяют по появлению клея из отводных
каналов. Проверка полноты заполнения зазора клеем путём извлечения детали не
допускается.
После заполнения зазоров подводящие и отводящие каналы заглушают пробками
(металлическими или деревянными), удаляют подтёки клея.
Пробки и места их установки (подводящие и отводящие каналы) следует
выбирать из условия отсутствия помех при эксплуатации узла. В противном случае
пробки удаляют после отверждения клея.
После отверждения клея, удаляют временные технологические уплотнения.
На период отверждения клея должны быть предусмотрены мероприятия для
предотвращения подвижки сопрягаемых деталей относительно друг друга. В том
числе это касается (если применимо) запрета на: проворачивание валопровода;
бункеровку судна; погрузку, выгрузку и перемещение крупногабаритных грузов на
судне; переход судна на другой причал; продолжения монтажных работ, способных
изменить взаимное положение деталей.
Для ускорения процессов полимеризации клея рекомендуется производить
нагрев деталей до температуры 60-700С и выдержку при этой температуре не менее
3 часов до полного отверждения клея. Нагрев должен производиться, как правило,
чем через 2 часа после сборки соединения.
Полное отверждение клея сопровождается следующими внешними признаками:
· Металлический предмет не вдавливается в плёнку клея
· Наблюдается хрупкий излом плёнки при температуре 20-300С
· При низких температурах окружающей среды клей загустевает,
его прочностные свойства несколько увеличиваются
· При нагревании загустевший клей несколько размягчается (что
не происходит с загустевшим клеем), прочность падает
· Загустевание (застывание )необходимо отличать от
действительного его отвержления
Соединение клеевое.
Клеевое соединение применяется при монтаже узлов с цилендрическими,
коническими и плоскостными поверхностями разъёма (деталей рулевых устройств,
дейдвудных устройств, муфтовых соединений)
Требования:
· Необходимо подготовит поверхность к сборке.
· Необходимость применять разделяющие слои назначается
технологом исходя из технологических требований к сборке, работе и разборке
узла.
· Требования к зазорам(согласно вышеперечисленным требованиям к
клеевому соединению)
· Отверждение клея осуществляется при взаимном положение
деталей в узле, соответствующим конечному.
· После полного или частичного отверждению клея взаимное
перемещение деталей недопустимо.
Клеепрессовое соединение.
Клеепрессовые соединения применяются при монтаже соединений с конической
поверхностью разьёма (в том числе для сборки гребных винтов и полумуфт на
валах, а так же деталей рулевых устройств (штыри, баллеры )).
При выборе клеепрессового соединения необходимо обеспечить контакт
конусных поверхностей с проверкой на краску, обеспечивающий точное центрование
деталей относительно друг друга.
Заполнение зазоров клеем необходимо выполнять методом на нанесения на
склеиваемые поверхности. Соответственно действительны ограничения зазоров. При
взаимном положении деталей в узле, соответствующим начальным при напресовке.
Заполнение зазоров в соединение осуществляется нанесением слоя клея на
соединяемые конические поверхности деталей перед сборкой с последующим осевым
перемещением деталей по слою неотверждённого (сырого) клея, до определённого
расчётом положения.
Подготовление поверхностей выполняется согласно (правилам представленным
ранее).
Разделяющий слой на конических поверхностях не применяется.
Детали напрессовываются в конечное положение в период жизнеспособности
клея.
При выполнении клеепрессового соединения усилие напрессовки, как правило,
значительно меньше приведённого ТУ на ремонт значения.
Отверждение клея осуществляется при взаимном положении деталей в узле,
соответствующем конечному. После полного или частичного отверждения клея,
взаимное перемещение деталей не допустимо.
Соединение с натягом по планке отверждённого клея.
Соединение с натягом по планке отверждённого клея применяют при ремонте
корпусных соединений (детали рулевых устройств, и конусных соединений
неответственных узлов).
Состояние подвижной относительно клея должно соответствовать общим
требованиям технических условий на ремонт устройства или другой нормативной
документации.
Подвижная относительно слоя клея поверхность не должна иметь кольцевых
(или под углом к направлению сдвига) канавок, выборок, карманов и.т.д.
На подвижную относительно слоя поверхность наносят разделяющий слой.
Отверждение клея осуществляется при взаимном положении деталей в узле,
соответствующем начальной напрессовке.
После полного отверждения выполняют напрессовку детали в конечное
положение.
Напрессовку деталей рулевых устройств по планке отверждённого клея
допускается выполнять с подогревом охватывающей детали до температуры, не
превышающей допустимого в эксплуатации для используемого в ремонте клея (обычно
до температуры около 600С).
7.3 Контроль качества
Контроль качества технологических операций должен осуществлять ОТК.
Контролю ОТК подлежит:
· Наличие паспортов или сертификатов на компоненты клея и
соответствие паспортных данных требованиям стандартов и технических условий
· Определение сроков хранения
компонентов
· Пригодность компонентов клея к использованию по внешним
признакам
· Определение отверждаемости, жизнеспособности и при
необходимости прочности клея на сдвиг в оговорённых случаях
· Подготовка поверхности к склеиванию (в том числе качество
обезжиривания, температура деталей и клея)
· Установка деталей перед заполнением зазора клеем, в том числе
установка в начальное положение деталей в конических соединениях
· Уплотнение монтажных зазоров, правильность установок деталей
в начальное положение и величины осевого перемещения для клеепрессовых
соединений и соединений с натягом по плёнке отверждённого клея
· Выполнение требований по отверждению клея перед выполнением
последующих работ.
7.4 Методика испытания клея на сдвиг
Образцы для испытаний.
Втулка
оправка
Стержень
1- Стержень; 2- Втулка; 3 - оправка ; 4 - клей; 5 - стол пресса.
Прочность клея на сдвиг определяется в следующих случаях:
· При предварительных испытаниях с целью определения
пригодности для использования материалов, гарантийный срок хранения которых
истёк;
· При контрольных испытаниях с целью определения полимеризации
клея в зоне выполнения работ, когда температура окружающего воздуха в течении
большей части суток ниже +150С и при этом не осуществляется нагрев деталей.
Для предварительных испытаний клея на сдвиг материалы необходимо брать из
той же партии, что и для выполнения работ. Результат предварительных испытаний
распространяется на партию материалов и действителен в течение трёх месяцев.
Для контрольных испытаний клей необходимо брать непосредственно из
замеса, приготовленного для применении на месте.
Для испытания необходимо изготовить образцы:
· Один комплект для предварительных
испытаний
· 2-4 комплекта для контрольных
испытаний
· Оправка 1шт
Материал деталей: Ст3пс
Подготовка к испытаниям.
Поверхности А и Б образцов обезжирить, протереть ветошью, смоченной
растворителем, затем протереть чистой сухой бязевой ветошью. После протирки
ветошь должна оставаться чистой, в противном случае операцию обезжиривания
необходимо повторить.
Нанести клей на поверхности А и Б образцов, затем стержни вставить во
втулки и провернуть для равномерного распределения клея по склеиваемым
поверхностям.
Установить образец на ровную горизонтальную поверхность и выдержать до
полного отверждения клея. При контрольных испытаниях образцы устанавливать в
зоне выполнения работ для обеспечения сходных с рабочими клеевым соединениям
условий полимеризации (температура, влажность и.т.д.).
Испытания образцов на сдвиг производить на машине (прессе) для
прочностных испытаний, на которой можно получить усилие до 50кН (5т.) при
скорости движения нагружающего зажима не более 10мм/мин.
Перед испытанием образец выдержать в помещении для выравнивания
температуры образца до комнатной (18-250С).
Для испытания образец установить в оправку. Усилие при испытании должно
медленно возрастать до разрушения (сдвига стержня образца относительно втулки)
клеевого соединения.
Хранение и приём пищи на рабочих местах, а так же совместное хранение
спец одежды и продуктов питания не допускается.
Для приготовления клея следует брать необходимое количество исходных
компонентов, а для обезжиривания поверхностей деталей - возможно меньшее
количество уайт - спиртиа, бензина или ацетона.
Хранение компонентов на рабочих местах запрещается.
Категорически запрещается при работе с клеями, их компонентами, уайт -
спиртиа, бензином, ацетоном и другими растворителями работать с открытым огнём,
зажигать спички, курить, производить работы сопровождающие искрение.
Не допускается загромождение места работы. К рабочему месту должен быть
обеспечен свободный подход.
Используемые для обезжиривания тампоны и ветошь, остатки материала
необходимо собрать в металлические ёмкости с герметичными крышками и удалить в
место, указанное органами пожарного надзора.
Пожароопасные вещества (ацетон, бензин, и др. ) должны содержаться в
герметичной небьющейся посуде ёмкостью не более 2 литров.
При окончании работы либо временном её прекращении запрещается оставлять
сосуды с пожароопасными веществами и составами у рабочего места.
При использовании источников тепла с открытым пламенем должны быть
приняты меры пожарной безопасности, включающие оснащение рабочих мест
средствами пожаротушения с учётом местных условий. Работы допускается выполнять
только по согласованию с судовой администрацией и органами пожарного надзора.
Разлитый клей или его компоненты необходимо удалять механическим путём и
промывать при необходимости загрязнённые места горячим 10% раствором соды.
Предел прочности клея на сдвиг определяется по формуле:
tсдв=0,8*Q
(tсдв=0.08*Q)
где
tсдв -
предел прочности клеевого соединения на сдвиг, МПа (кг/см2)
Q -
усилие, при котором началось разрушение клеевого соединения, кН (кг)
Партия материалов пригодна к прменению при получении в ходе
предварительных испытаний значения предела прочности клеевого соединения на
сдвиг не менее 11 МПа (110 кг/см2).
Процесс отверждения клея считать завершившимся и пригодным к эксплуатации
при получении в ходе контрольных испытаний значения педела прочности на сдвиг
не менее 10 МПа (100 кг/см2). В противном случае следует продолжить процесс
полимиризации рабочего слоя клея и через некоторое время произвести испытание
следующего образца.
7.5 Требования безопасности
При выполнении работ по ремонту СТС с помощью клеёв возможны следующие
виды опасности:
· Интоксикация вредными веществами
· Попадание материалов на открытые участки тела
· Пожарная опасность
· Ожоги
Источники перечисленных выше опасностей могут быть процессы приготовления
клеёв, обезжиривание поверхностей, запрессовка клея в зазор между соединениями
деталей, нагрева компонентов клея и деталей при выполнении работ
При подготовке, организации и выполнении работ необходимо
руководствоваться следующими нормативными документами:
· РД 5.0241-91 «ССБТ. Безопасность труда на промышленных
предприятиях ММФ»
· РД 31.83.04-89 «Безопасность труда при строительстве и
ремонте судов»
· ОСТ 5.0330-84 «ССБТ. Погрузочно - разгрузочные работы при
· строительстве и ремонте судов. Требования безопасности»
· РД 31.52.18-87 «Правила пожарной безопасности при проведение
огневых работ на судах»
· РД 31.81.10-76 «Правила техники безопасности на судах
морского флота»
· РД 5Р.9767-92 «Клеи для судостроения. Типовые технологические
процессы приготовления и применения»
К работам непосредственно с клеями могут быть допущены работники,
достигшие 18 летнего возраста, прошедшие предварительные и периодические
медицинские осмотры, все необходимые инструктажи и проверки знаний требований
охраны труда при работе с клеями, а так же инструктаж по пожарной безопасности.
Кроме того, допущенные к работе лица должны быть обучены действиям в аварийной
ситуации (разлив и воспламенение материалов, попадание материалов на кожные
покровы и.т.д), а так же применение средств индивидуальной защиты и оказанию
первой медицинской помощи, потерпевшим при несчастных случаях
К работам не должны допускаться лица с кожными или аллергическими
заболеваниями (дерматит, экзема, бронхиальная масса и.т.д.), а так же с
хроническими заболеваниями верхних дыхательных путей и слизистых оболочек глаз
Работы по применению клеёв необходимо производить в спецодежде и с
применением индивидуальных средств защиты.
Работы связанные с приготовлением клеевых составов и их компонентов,
должны производиться в резиновых либо других подходящих для этой цели
перчатках.
Для защиты дыхательных путей от пыли в необходимых случаях применяюь
респиратор ШБ-1 типа «Лепесток - 200».
В случае обильного облива спецодежды клеем либо его компонентами, её
необходимо немедленно сменить.
Удаление попавшего на кожу клея или эпоксидной смолы необходимо
производить мягкими бумажными салфетками или тампонами из ваты с последующей
обработкой кожи горячей водой с мылом, а затем смазать мазью на основе
вазилина, ланолина или касторового масла. Не допускается для мытья рук
органические растворители, ацетон, бензол и.т.д.
При попадании на кожу полиэтиленполиамина или других отвердителей
поражённый участок должен быть промыт обильной струёй воды, а затем сделаны
примочки из пяти процентного раствора уксусной или лимонной кислоты. При
попадании в глаза - немедленно промыть их струёй воды в течении 10-15 минут и
направить пострадавшего к врачу.
Хранение и приём пищи на рабочих местах, а так же совместное хранение
спецодежды и продуктов питания не допускается.
Для приготовления клея следует брать необходимое количество исходных
компонентов, а для обезжиривания поверхности детали - возможно меньшее
количество уайт- спирита, бензина, ацетона.
Хранение компонентов на рабочих местах запрещается.
Категорически запрещается при работе с клеями, их компонентами,
уайтспиритом, бензином, ацетоном и другими растворителями работать с открытым
огнём, зажигать спички, курить, производить работы, сопровождающиеся искрением
и.т.д.
Не допускается загромождение места работы. К рабочему месту должен быть
обеспечен свободный подход.
Используемые для обезжиривания тампоны и ветошь, остатки полимерного
материала необходимо собрать в металлические ёмкости с герметичной крышкой и
удалить в место, указанное органами пожарного надзора.
Пожароопасные вещества (ацетон, бензин) должны содержаться в герметичной
небьющейся посуде ёмкостью не более 2 литров.
По окончании работы либо временном её прикращении заперщается оставлять
сосуды
РАЗДЕл 8. БЕЗОПАСНОСТЬ ЖИЗНЕДЕЯТЕЛЬНОСТИ
8.1 Оценка пожароопасной обстановки в ЧС
.1.1 Общие сведения
Тяжелые последствия для населенных пунктов, промышленных производств,
экипажей и судов речного, морского флота оказывают чрезвычайные ситуации (ЧС),
связанные с пожарами. Они наносят огромный материальный ущерб экономике, гибнут
и получают травмы сотни, тысячи людей, губительно воздействуют на состояние
окружающей среды.
Предприятия, плавсредства, объекты, технологические процессы, которые
используют, перевозят легко воспламеняющие, горючие жидкости, твердые горючие
вещества и т. п. называют пожароопасными. Степень опасности их зависит от
количества потенциальной энергии.
В условиях промышленного производства, функционирования технологических
процессов, транспортировки пожароопасных веществ при возможных контактах их с
окислителем может возникнуть пожар как в помещениях, так и в отсеках, на
палубах судна.
Пожар есть неконтролируемый процесс горения, сопровождаемый уничтожением
материальных ценностей и создающий опасность для жизни людей. Пространство,
охваченное пожаром, разделяют на три зоны: активного горения, теплового
воздействия и задымления.
Пожарная безопасность объектов зависит от степени огнестойкости
материалов, т. е. способности оказывать сопротивление воздействию высоких
температур.
Основными поражающими факторами пожара для людей являются: термическое
воздействие и химическое заражение ядовитыми веществами, газами, образующимися
при горении.
8.1.2 Оценка пожарной обстановки
Определяющим в образовании этой обстановки является:
наличие условий для возникновения горения и пожаров;
характер застройки, огнестойкость здания в населенных пунктах;
горючести материалов помещений, объектов;
направление, скорости ветра;
наличие, количество, тип горючих веществ и материалов и др.
определение пожароопасности проведем для трёх наиболее характерных
случаев:
1. оценка пожароопасной обстановки в населенном пункте;
2. определение времени воспламенения горючих веществ и протяженности
зон теплового воздействия пожара;
. оценка степени термического поражения человека от горящего
резервуара с горючей жидкостью на промплощадке или на палубе судна
8.1.3 Оценка пожароопасной обстановки в
населенном пункте
Оценка пожарной обстановки и последствий, которые могут возникнуть в
населенном пункте в результате пожара с учетом характера застройки деревянными,
кирпичными домами и административными зданиями.
Под пожарной обстановкой понимается совокупность условий, складывающихся
в результате возникновения пожаров в населенных пунктах водного транспорта.
Пожарная обстановка в населенном районе будет зависеть от характера
застройки, огнестойкости зданий, категории пожарной опасности объектов и
производств, размещенных на территории.
Степень огнестойкости зданий промышленных,
транспортных помещений с учетом типа, состава веществ, материалов и времени
пределов их огнестойкости -
, ч
определяется по таблице 5.1.
Таблица 9.1.
Степень огнестойкости Время
предела огнестойкости
Характеристика
|
конструкций
|
|
|
|
ІІІ
|
1,5
|
Сооружения каменные,
кирпичные с деревянными оштукатуренными переборками
|
|
ІV
|
1
|
Деревянные
здания и сооружения
|
По характеру застройки, здания населенного пункта представляют:
деревянные дома;
кирпичные дома с деревянными оштукатуренными переборками;
два административных кирпичных с деревянными переборками здания.
Судоремонтный завод включает слесарный, литейный, сборочные цеха, которым
соответствует категория пожарной опасности объекта «Г - пожароопасная».
Исходными данными для оценки являются:
r -
расстояние между зданиями, м;
- скорость ветра, м/с;
V=5
м/с
- влажность воздуха,
;
Определим плотности застройки территории
для деревянных зданий:
- для кирпичных зданий:
для административных зданий:
где
- площадь
зданий, цехов,
;
- площадь территорий,
.
Вероятность возникновения и распространения пожара - Р
% в зависимости от плотности - П % определяется по таблице 5.2.
Таблица
9.2
|
Р %
|
10
|
20
|
30
|
40
|
50
|
60
|
70
|
80
|
90
|
|
П %
|
8
|
12
|
16
|
18
|
22
|
28
|
34
|
40
|
48
|
Вероятность возникновения и распространения пожара в
зависимости от расстояния между зданиями - r,
соответствующему противопожарному разрыву, определяется по таблице 5.3.
Таблица 9.3.
|
Р %
|
86
|
67
|
45
|
27
|
24
|
10
|
3
|
2
|
|
r %
|
5
|
10
|
15
|
20
|
30
|
40
|
50
|
70
|
Скорость распространения пожара в зависимости от
скорости ветра и влажности воздуха находятся по графику рис9.1.
Рис 9.1. Зависимость распространения пожара от скорости
ветра и влажности воздуха.
Из графика видно, что при V=5 м/с,
=40 % будет характерна для средней скорости
распространения пожара:
скорость пожара населенного пункта с деревянной застройкой
составляет Vпож=150 - 200 м/ч;
скорость распространения пожара населенного пункта с
каменными зданиями составляет Vпож=60 - 120 м/ч.
8.1.4 Определение времени
воспламенения горючего вещества (резины)
Время воспламенения резины при воздействии на них теплового
потока плотностью q создаваемого пожаром определяется по таблице
Критическая тепловая нагрузка для резины составляет :
.
|
Плотн. тепл. Пот q ,
кВт/ 2050100150200
|
|
|
|
|
|
|
Время восплам. ,с70,310,23,41,61,02
|
|
|
|
|
|
8.1.5 Оценка протяженности зоны теплового
воздействия при горении заводского здания
Протяженность зоны теплового воздействия при горении зданий оценивается
по формуле:
где плотность потока собственного излучения пламени
пожара -
L -
длина объекта горения, L = 15 м;
H -
высота объекта горения, H = 40 м
Полученные значения
в
зависимости от плотности теплового потока q, представлены
в виде таблице 5.5.
Таблица 9.5.
|
q 2050100150200
|
|
|
|
|
|
|
101622.627.732
|
|
|
|
|
|
q
20 50 100 150 200
10 16 22.6 27.7 32
8.1.6 Определение протяженности зоны теплового
воздействия при горении резервуара с нефтепродуктами, расположенного на судне
Протяженность зоны теплового воздействия при горении нефтепродуктов в
резервуаре определяется:
,
Где:
- диаметр
резервуара.
Полученные значения 
в
зависимости от теплового потока, аналогичным образом представлены в виде
таблице 5.6.
Таблица 9.6.
|
 2050100150200
|
|
|
|
|
|
|
0,550,881,241,531,76
|
|
|
|
|
|
8.1.7 Оценка степени термического поражения
человека от горящего резервуара с нефтепродуктами
В резервуаре возгорания горючей жидкости при
разгерметизации резервуара происходит диффузионное горение образующегося
парогазовоздушного облака. Так как эти жидкости или горючие газы находятся под
давлением собственных паров, то при горении возникает так называемый «огненный
шар», который создаёт основной тепловой поток -
,
определяемый соотношением:
Плотность потока собственного излучения огненного шара
для расчетов принимаем:
Значение
определяется
из выражения:
где R - расстояние от огненного шара до облучаемого
объекта, R=15 м;
Дэф - эффективный диаметр огненного шара, м.
где М - масса горючей жидкости в резервуаре, М = 1500
кг;
Коэффициент излучения огненного шара
определяется по формуле:
Время существования огненного шара
определяется по формуле:
Время достижения болевого ощущения
определяется:
Для оценки вероятности термического поражения человека
с летальным исходом тепловым излучением от горящего резервуара, определяют
функцию Ф:
Степень поражения человека
в зависимости от функции Ф, характеризующей тепловой
поток -
и время существования огненного шара -
, находится по таблице 7,[5].
Выводы:
1. Здания, (деревянные дома, кирпичные дома с деревянными оштукатуренными
переборками) находящиеся на территории населенного пункта Отрадное, в котором
находится морской порт и судоремонтный завод включающий в себя слесарный,
литейный, сборочные цеха, промплощадку, отвечают III и V
степени огнестойкости. Категория пожарной опасности объекта с учетом характера
технологических процессов соответствует категории Г.
2. Вероятность возникновения и распространения пожара в зависимости от
плотности застройки деревянными домами, кирпичными домами, административными
зданиями, соответственно 62%, 82%, 100%.
3. Вероятность возникновения и распространения пожара в зависимости
от расстояния между зданиями (деревянными, кирпичными, административными)
соответственно 58%, 15%, 58%.
4. Скорость распространения пожара, при скорости ветра 5 м/с и
влажности воздуха 40%, составляет для деревянных домов 150 - 200 м/ч, для
кирпичных 60 - 120 м/ч.
5. Время воспламенения резины, при плотностях
теплового потока 20, 50, 100, 150, 200 кВт/м
,
соответствует значениям 70.3, 10.2, 3.4, 1.6, 1.02 с.
. Протяженность зоны теплового воздействия при
горении зданий и при горении нефтепродуктов в резервуаре представлены в
соответствующих таблицах пунктов 3.3 и 3.4.
8.2 Охрана труда
.2.1 Расчет уровня вибраций опорных поверхностей
дизеля в октавных полосах частот и выбор виброизоляторов
Общие сведения
Уровни вибраций
(дБ)
опорных поверхностей дизеля в октавных полосах частот можно определить по
формуле:
где Д - диаметр цилиндра дизеля, м;
n -
число оборотов вала дизеля, об/м;
Z -
число цилиндров дизеля;
- составляющая, учитывающая характер спектра вибраций
дизеля, которая зависит от отношения частот f/fmax,
дБ;
f -
средняя частота октавной полосы (63, 125, 250, 500, 1000, 2000, 4000, 8000 Гц);
fmax
- частота, на которой наблюдается максимальный уровень вибраций, которая
определяется по формуле:
- коэффициент, учитывающий изменение частоты
максимального уровня в зависимости от числа оборотов дизеля;
k -
коэффициент тактности дизеля, который для 4-х тактного дизеля равен 0,5;
- поправка, учитывающая число оборотов дизеля, дБ.
Частоты возмущающих сил 1, 2, порядков определяются по
формулам:
Частота свободных вертикальных колебаний дизеля вдоль
оси Z:
Число опорных виброизоляторов:
оп=M/F;
где M - масса дизеля, кг;
С - общая динамическая жесткость виброизоляторов,
Па*м;
F -
номинальная нагрузка на один виброизолятор, кг.
8.2.2 Программа расчета уровней
вибраций дизеля WD 615 в октавных полосах
частот
Исходные данные:
Мощность дизеля N, кВт
176
Диаметр цилиндра дизеля Д, м 0,12
Число оборотов вала дизеля n,
об/мин 1500
Число цилиндров дизеля Z 6
Коэффициент тактности дизеля k 0.5
Масса дизеля, кг 1760
8.2.2.1 Расчет уровня вибраций опорных
поверхностей в октавных полосах частот
Таблица 9.7.
|
Расчёт почастотных
составляющих спектра вибрации
|
|
63
|
125
|
250
|
500
|
1000
|
2000
|
4000
|
8000
|
|
76 96
|
78
|
81
|
86
|
93
|
96
|
58
|
-193
|
|
96
|
95
|
95
|
95
|
94
|
92
|
Спектр уровней вибрации дизеля заносится в таблицу5.8.
Для определения спектра Nа
необходимо в строку 88 до средней частоты 2000 включительно, внести с
клавиатуры значения уровней вибрации из строки 79, обозначенной
прямоугольником, а на других частотах из строки 80, обозначенной треугольником
до частоты 8000Гц.
Таблица 9.8.
|
Частота,Гц
|
63
|
125
|
250
|
500
|
1000
|
2000
|
4000
|
8000
|
|
Nа, дБ
|
76
|
78
|
81
|
86
|
93
|
96
|
94
|
92
|
8.2.2.2 Выбор виброизолятора для
дизеля
Уровни виброускорения опорных поверхностей дизеля сравниваются с
предельными значениями [N],
представленными в таблице 5.9. Предельные значения устанавливают уровни
вибрации лап дизеля, при которых уровни структурного шума в ближайших к
машинному отделению помещениях судна не будет превышать нормативного спектра
шума для жилых помещений.
Таблица 9.9.
|
Частота,Гц
|
63
|
125
|
250
|
500
|
1000
|
2000
|
4000
|
8000
|
|
[N], дБ
|
68
|
69
|
70
|
73
|
77
|
84
|
90
|
96
|
|
Nа, дБ
|
76
|
78
|
81
|
86
|
93
|
96
|
94
|
92
|
Тип виброизолятора выбирается таким образом, что его акустическая
эффективность (таблица 5.10.) была бы не ниже величины W превышения уровней вибрации дизеля Na над допустимыми значениями [N].
Таблица 9.10.
|
Акустическая
эффективность виброизоляторов, дБ
|
|
Частота,Гц
|
63
|
125
|
250
|
500
|
1000
|
2000
|
4000
|
8000
|
|
АКСС-М
|
0
|
0
|
10
|
5
|
7
|
12
|
15
|
18
|
|
АКСС-И
|
18
|
15
|
12
|
17
|
20
|
23
|
24
|
25
|
|
РН
|
14
|
12
|
10
|
15
|
17
|
18
|
20
|
20
|
|
АПрС
|
23
|
20
|
15
|
20
|
23
|
25
|
25
|
25
|
|
W, дБ
|
8
|
9
|
11
|
13
|
16
|
12
|
4
|
-4
|
|
Таблица9.11.
|
|
Расшифровка
марки виброизолятора
|
Нагрузка, кГ
|
|
АКСС-М -
|
амортизатор корабельный со
страховкой (резина жёсткая);
|
220
|
400
|
|
АКСС-И -
|
амортизатор корабельный со
страховкой (резина мягкая);
|
220
|
400
|
|
РН -
|
амортизатор
резиновый наклонный;
|
|
|
200
|
650
|
|
АПрС -
|
амортизатор
пружинный со страховкой.
|
|
|
200
|
400
|
Выбирается виброизолятор: марка АКСС - И;
нагрузка 220 кг;
жесткость (табл. 5) 3900000.
Рекомендуемое число виброизоляторов 10 шт.
Принимаем число виброизоляторов 10 шт.
8.2.2.3 Проектирование системы виброизоляции
При проектировании системы виброизоляции необходимо обеспечить высокую
акустическую эффективность крепления и надежность его работы.
Следует стремиться к тому, чтобы частота свободных колебаний
виброизолированного двигателя была бы как можно ниже; не допускается совпадения
частот свободных колебаний и возмущающих сил.
Частота свободных колебаний двигателя зависит от динамической жесткости
виброизоляторов (таблица 5.12.), их количества и массы механизма.
Таблица 9.12.
|
Марка
|
АКСС-М
|
АКСС-И
|
РН
|
АПрС
|
|
Нагрузка,кГ
|
220
|
400
|
220
|
400
|
200
|
650
|
200
|
400
|
|
С, Па*м
|
9700000
|
10300000
|
3900000
|
5200000
|
3300000
|
10300000
|
140000
|
267000
|
Расчет частот колебаний
Частота (Гц) возмущающих сил дизеля:
первого порядка 17
второго порядка 50
Частота свободных вертикальных колебаний дизеля 23
Частота свободных вертикальных колебаний дизеля не должна совпадать с
частотами возмущающих сил, чтобы не вызывать опасных резонансов и усилений
колебаний.
8.2.2.4 Подготовка данных для построения
спектров вибрации
Таблица 9.13.
|
Частота,Гц
|
63
|
125
|
250
|
500
|
1000
|
2000
|
4000
|
8000
|
|
Nа, дБ
|
76
|
78
|
81
|
86
|
93
|
96
|
94
|
92
|
|
[N], дБ
|
68
|
69
|
70
|
73
|
77
|
84
|
90
|
96
|
|
АКСС-И
|
18
|
15
|
12
|
17
|
20
|
23
|
24
|
25
|
|
Nф, дБ
|
58
|
63
|
69
|
69
|
73
|
73
|
70
|
67
|
|
Примечание
|
Nф - уровни вибрации на фундаменте после
виброизоляторов.
|
|
Выводы:
1. Виброизоляция дизеля необходима для погашения механических
колебаний, вызванных возвратно - поступательными движениями кривошипно-шатунного
механизма.
2. Сопоставив уровни вибраций на опорах дизеля с допустимым уровнем
вибрации, выбрали виброизолятор типа АКСС - И с максимальной нагрузкой 220кг.
. Количество виброизоляторов 10 шт. удовлетворяет условиям при
которых частота возмущающих сил не совпадает с собственными вертикальными
колебаниями.
9.
ТЕХНИКО-ЭКОНОМИЧЕСКОЕ ОБОСНОВАНИЕ ПРОЕКТА
9.1 Общие сведения
Экономический расчёт эффективности СЭУ предполагает, что новая установка,
по сравнению с ранее используемой на судне прототипе, обеспечивает выполнение,
одного или нескольких из ниже перечисленных условий:
снижение строительной стоимости СЭУ, а, следовательно, и судна-прототипа
в целом;
снижение удельных расходов топлива и масла на единицу мощности СЭУ;
увеличение технического ресурса двигателей до капитального ремонта
(списания);
увеличение скорости хода;
снижение расходов на ремонт СЭУ.
Важнейшим этапом экономического обоснования проекта СЭУ является выбор
показателей, которые бы достаточно полно и всесторонне доказывали бы её более
высокую эффективность.
Поскольку эффективность СЭУ оценивается при условии ее монтажа на заранее
заданном проекте судна (проект Р-50 «Рейдовый 50»), то определение
экономической эффективности основывается на сопоставлении расчетных
эксплуатационно-экономических результатов, достигаемых судном с базовой СЭУ
(судно-прототип) и судном с новой СЭУ (новое судно).
Обеспечение сопоставимости сравниваемых вариантов по объему производимой
продукции (работы) приводит к тому, что стоимостные результаты работы нового
судна и судна-прототипа во всех случаях будет совпадать. Следовательно,
экономическая эффективность будет определяться лишь разницей затрат на
строительство и эксплуатацию судна-прототипа и нового судна.
При экономическом обосновании нового судна его эффективность обычно
проверяется по целому ряду показателей:
срок окупаемости дополнительных капитальных вложений, осуществляемых как
за счёт собственных средств, так и за счёт банковского кредита:
удельные капитальные вложения на единицу продукции(работы);
экономия капитальных вложений;
себестоимость перевозок;
производительность труда экипажа судна
9.2 Обоснование судна- прототипа
Основные технико-эксплуатационные показатели сравниваемых судов
Таблица10.1.
|
Наименование
показателя
|
Величина
показателя
|
|
Судно-прототип
|
Новое судно
|
|
Грузоподъемность Q,
т Основные размерения: Длина L, м Ширина B, м Высота борта H,
м Марка вспомогательных двигателей: Количество Мощность Nэ, кВт
|
96 20 6,6 2,7 6
ЧНСП 18/22 2 165
|
96 20 6,6 2,7
WD 615 2 176
|
|
Род топлива: Удельный
расход g, кг/кВт*ч
|
дизельное 0,234
|
дизельное 0,215
|
|
Скорость судна, V,км/ч
|
18
|
21.6
|
|
Численность
экипажа, чел
|
3
|
3
|
|
Строительная стоимость
судна без СЭУ Ц .руб. В том числе стоимость СЭУ, Цсэу, тыс.руб.
|
10.000.000 623
|
10.000.000 600
|
9.3 Выбор эксплуатационных
показателей
Численные значения эксплуатационных показателей серийных транспортных
судов выбираются по приложению 1 [6].
Эксплуатационные показатели сравниваемых судов
Таблица 10.2
|
Характер
использования судна
|
Период
эксплуатации, tЭ , сут.
|
Нагрузка на одну тонну
грузоподъемности εг
|
Коэффициенты, отражающие
распределение периода эксплуатации по составляющим, доли единиц
|
|
|
|
Ходовое время с грузом tхг
|
Ходовое время
порожнем tхп
|
Навигационный
ремонт tнр
|
Прочие
составляющие tп
|
|
Транспортное на местных линиях
(прототип)
|
205
|
0,85
|
0,35
|
0,1
|
0,04
|
0,5
|
|
Транспортное на местных
линиях (новое)
|
205
|
0,85
|
0,35
|
0,1
|
0,04
|
0,5
|
9.4 Расчёт годового объёма продукции
Требования обеспечения сопоставимости сравниваемых вариантов при расчёте
экономической эффективности судов приводит к необходимости определения
соотношения годовых объёмов продукции, производимой при использовании старого и
нового судна.
За среднегодовой объем продукции (работы) может быть принята транспортная
работа, выраженная в тонно-километрах, В (грузооборот).
Поскольку судно-прототип и новое судно имеют одинаковые показатели, то:
9.5 Определение расчетной цены двигателя
Цена любого промышленного изделия, в том числе и двигателя, определяется
на основе сметной калькуляции на его производство в условиях конкретного
предприятия и внешних ценообразующих факторов. Сметная калькуляция включает:
сырье и материалы за вычетом возвратных отходов;
полуфабрикаты собственного производства;
покупные комплектующие изделия, покупные полуфабрикаты и услуги
кооперированных предприятий;
топливо и энергия на технические нужды, заработная плата рабочих; расходы
на подготовку и освоение производства;
отчисления на социальные нужды;
общепроизводственные расходы;
потери от брака;
прочие производственные расходы и внепроизводственные расходы.
Определение стоимости двигателя с использованием параметрического метода.
Удельная мощность двигателя, кВт/мин-1:
для судна-прототипа
1
кВт/мин-1
для нового судна
кВт/мин-1
где Nд - мощность двигателя, кВт,
n -
число оборотов, об/мин;
Условный рабочий объем двигателя, м3:
для судна-прототипа
м3
для нового судна
м3
где D-диаметр цилиндра, м;
S-ход
поршня, м;
z-число
цилиндров;
pk-степень
наддува.
Расчетный объем работы за период наработки до
капитального ремонта, млн.кВт∙ч:
для судна-прототипа
млн.кВт∙ч
для нового судна
млн.кВт∙ч
где tкр - ресурс до капитального ремонта.
По графикам рис. 7-9. [6 ], для быстроходных
двигателей мощностью до 300 кВт, снимаем значения цены двигателей Д1, Д2 и Д3.
для судна-прототипа : - для нового судна:
Д1 = 11,3 тыс. дол. Д1 = 11 тыс. дол
Д2 = 14 тыс. дол. Д2 = 13 тыс. дол.
Д3 = 13 тыс. дол. Д3 = 13,5 тыс. дол.
Расчетная цена двигателя определяется по формуле:
для судна-прототипа
тыс.руб.
для нового судна:
тыс.руб.
где γi-удельный вес i-го ценообразующего параметра
γ1 = 0,35; γ2 = 0,4; γ3 = 0,25.
Кд-курс доллара на дату произведения расчетов. (31,35 руб.)
9.6 Расчёт строительной стоимости судна с новой
СЭУ
Цена судна определяется на основе сметной калькуляции на его производство
в условиях конкретного предприятия и уровня плановой прибыли. При этом без
учёта на добавленную стоимость и надбавок посредников:
Ц = С+П = SСi+П;
где С - полная себестоимость постройки судна, тыс.руб.
П - плановая прибыль судостроительного предприятия, тыс.руб.
Сi - затраты по i- калькуляционной статье затрат
расходов, тыс.руб.
Рассмотрим агрегатный метод основанный на предварительном установлении
строительной стоимости судна- прототипа, тыс.руб.:
Где
-
строительная стоимость судна-прототипа без СЭУ, тыс.руб.;
- строительная стоимость главных двигателей
судна-прототипа
Расчеты строительной стоимости вспомогательных
двигателей производится в таблице 6.3.
Расчёт себестоимости СЭУ
|
Наименования
составляющих стоимостей
|
Источник или
норма
|
Размер
составляющих, тыс. руб.
|
|
|
СЭУ судна
-прототипа
|
СЭУ нового судна
|
|
1. Цена СЭУ,
тыс.руб.
|
|
401
|
389
|
|
2. Затраты на сооружение
фундаментов и монтаж, тыс.руб.
|
6% от п.1
|
22,2
|
21,5
|
|
3. Стоимость запасных
частей, тыс.руб.
|
3% от п.1
|
11
|
10
|
|
4. Заготовительно-складские
расходы, тыс.руб.
|
5% от суммы п.1 и п.3
|
19
|
18,4
|
|
5. Затраты на
транспортировку, тыс.руб.
|
15% от суммы п.1 и п.3
|
57,1
|
55,3
|
|
6.Плановая прибыль
судостроительного предприятия, тыс.руб.
|
30% от суммы
п.п. 1-5
|
143,8
|
139,2
|
|
Итого строительная
стоимость вспомогательных двигателей, тыс.руб.
|
654,1
|
633,4
|
Значение строительной стоимости судна-прототипа выбираем по таблице 10
[8] :
=$318979 тыс.=318979∙31,35=10,000,000.руб.;
где $-курс доллара на дату произведения
расчетов.(31,35 руб.)
Строительная стоимость нового судна:
руб.
Где Ц
-
строительная стоимость нового судна без СЭУ, руб.;
Ц
- строительная стоимость СЭУ нового судна, тыс.руб.;
руб.
Из расчетов видно что, стоимость новых двигателей
значительно меньше стоимости двигателей судна-прототипа, следовательно, и
стоимость постройки нового судна будет значительно ниже.
9.7 Расчёт эксплуатационных затрат на годовой
объём продукции судов
Себестоимость содержания судов в эксплуатации включает в себя следующие
составляющие: расходы на оплату труда экипажа с рационом бесплатного питания;
отчисления на социальные нужды, топливо и энергия; вспомогательные механизмы,
износ малоценных и быстроизнашивающихся предметов, амортизация основных фондов,
затраты на ремонт фондов, прочие расходы, налоги, сборы, платежи.
Так как у нового судна по сравнению с судном - прототипом некоторые
статьи затрат на содержание судов в эксплуатации не изменяются по величине или
изменяются весьма незначительно, то представляется целесообразным разбить
годовые эксплуатационные издержки на две составляющие:
И=
нi
Где Cиi-расходы на содержание судна в эксплуатации по i-ой
статье затрат, зависящие от технико-экономических показателей, тыс.руб.;
Cнi -
расходы по содержанию судна в эксплуатации по i-ой статье
затрат, не зависящие от технико-эксплуатационных показателей СЭУ, тыс.руб.;
Kp=1,2
- коэффициент распределяемых расходов по управлению и обслуживанию флота;
Затраты на годовой объём перевозок определяются по
следующим выражениям:
По судну-прототипу на годовой объём продукции:
Где
-затраты
на перевозки по i-му изменяющему элементу, тыс.руб.
-сумма i-х статей затрат в себестоимости перевозок;
где
-затраты
на оплату труда с отчислениями, тыс.руб.;
-затраты на топливо и энергию, тыс.руб.
-затраты на амортизацию СЭУ, тыс.руб.
-затраты на ремонт, тыс.руб.
9.7.1 Расчёт затрат на оплату труда экипажа
Так как численность экипажа на судне прототипе и новом судне одинаковая
то и затраты на оплату заработной платы, рацион бесплатного питания и
отчисления на социальные нужны будут одинаковы.
9.7.2 Расчёт затрат на топливо и энергию
Расходы на топливо и энергию включают в себя затраты на топливо Ст и
масло См:
Стэ = Ст + См;
В общем случае затраты на топливо рассчитываются по выражению:
где
- цена
одной тонны топлива для вспомогательных двигателей для дизельного топлива 28
тыс.руб. .
-расход топлива за навигацию вспомогательными
двигателями, т.
Расход топлива главными двигателями:
где g
-удельный расход топлива главными двигателями, г/кВт∙ч;
- мощность главными двигателями, кВт;
- число главных двигателей на судне;
tэ, -
длительность эксплуатационного периода, сут.;
- коэффициент использования мощности судовой
электростанции, равный для судов внутреннего плавания 0,75.
- коэффициент, учитывающий одновременность работы
главными двигателями, равный на судах с двумя главными двигателями 0,6.
для судна-прототипа
т
для нового судна
т
Затраты на топливо:
.для судна-прототипа
руб.
для нового судна
руб.
В общем случае затраты на масло рассчитываются по
выражению:
где Цм =14 тыс.руб. - цена 1 т масла;
Расходы масла вспомогательными двигателями:
м- удельный расход масла вспомогательными двигателями,
г/кВт ч.
для судна-прототипа
т.
для нового судна
т.
Расходы на масло:
.для судна-прототипа
тыс.руб.
для нового судна
тыс.руб.
Расходы на топливо и энергию:
руб.
руб.
9.7.3 Расчёт размера амортизационных отчислений
Размер амортизационных отчислений по СЭУ зависит от срока службы и
стоимости.
Среднегодовая наработка двигателя;
ч
Для определения числа текущих ремонтов за срок службы
составим ремонтную схему с числом капитальных ремонтов nк = 1.
Двигатель судна-прототипа 6 ЧНСП 18/22, технический
ресурс до первого капитального ремонта 25000 ч., коэффициент β=0,8, число ремонтных циклов будет равно 2.
В первом ремонтном цикле:
РЦ1=0,8
∙25000/2150
= 11 лет
за ремонтный цикл будет проведено 2 средних и 8
текущих ремонтов.
Во втором ремонтном цикле:
РЦ2 = 0,8
∙25000/2150
= 9 лет
за ремонтный цикл будет проведено 1 средний и 6
текущих ремонтов.
Срок службы двигателя:
ТД = РЦ1+РЦ2 = 11+9 = 20 лет
Ремонтная схема представляет 1 капитальный, 3 средних
и 15 текущих ремонтов.
П-Т-Т-Т-Т-С-Т-Т-С-Т-Т-К-Т-Т-Т-Т-С-Т-Т-Т-Л
Среднегодовые затраты на все виды ремонта, тыс. руб.:
;
тыс.руб.
где nт, nс, nк - число текущих, средних и капитальных ремонтов;
ST,SC,SK -
стоимость текущих, средних и капитальных ремонтов, тыс.руб;
nд -
количество вспомогательных двигателей на судне;
Тд - срок службы двигателя, лет.
kн -
коэффициент, учитывающий затраты на неплановые ремонты и модернизацию.
Амортизационные отчисления на полное восстановление
СЭУ в зависимости от срока службы, тыс. руб.
тыс.руб.
где Цэу - стоимость СЭУ, тыс.руб.
Лэу=3-5% от Цэу - ликвидационная стоимость СЭУ,
тыс.руб.
Лэу = 0,03∙ Цэу = 0,03∙ 623,1 =18,7
тыс.руб.;
Двигатель нового судна WD 615, имеет
число капитальных ремонтов nк=1, технический ресурс до первого капитального
ремонта 30000 ч., коэффициент β = 0,8, число ремонтных циклов будет равно 2.
В первом ремонтном цикле:
РЦ1=0,8
∙30000/2150
= 13 лет
за ремонтный цикл будет проведено 3 средних и 8
текущих ремонтов.
Во втором ремонтном цикле:
РЦ2 = 0,8
∙30000/2150
= 10 лет
за ремонтный цикл будет проведено 2 средних и 6
текущих ремонтов.
Срок службы двигателя:
ТД = РЦ1+РЦ2 = 13+10 = 23 год
Ремонтная схема представляет 1 капитальный, 5 средних
и 16 текущих ремонтов.
П-Т-Т-Т-Т-С-Т-Т-С-Т-Т-С-Т-К-Т-Т-Т-С-Т-Т-С-Т-Т-Л
Среднегодовые затраты на все виды ремонта, тыс. руб.:
;
тыс.руб.
где nт, nс, nк - число текущих, средних и капитальных ремонтов;
ST,SC,SK -
стоимость текущих, средних и капитальных ремонтов, тыс.руб;
nд -
количество вспомогательных двигателей на судне;
Тд - срок службы двигателя, тыс.руб.
kн -
коэффициент, учитывающий затраты на неплановые ремонты и модернизацию.
Амортизационные отчисления на полное восстановление
СЭУ в зависимости от срока службы, тыс. руб.
тыс.руб.
где Цэу - стоимость СЭУ, тыс.руб.
Лэу=3-5% от Цэу - ликвидационная стоимость СЭУ,
тыс.руб.
Лэу = 0,03∙ Цэу = 0,03∙ 603 = 18,1
тыс.руб.;
Затраты на годовое содержание судна прототипа в
эксплуатационном периоде составит:
руб.
где
-затраты
на топливо и энергию, тыс.руб.
-затраты на амортизацию СЭУ, тыс.руб.
-затраты на ремонт, тыс.руб.
Затраты на годовое содержание нового судна в
эксплуатационном периоде составит:
руб.
По результатам расчетов видно что, затраты на годовое
содержание нового судна в эксплутационном периоде существенно дешевле.
Затраты на годовой объём перевозок судна прототипа
определяются:
По новому судну на годовой объем перевозок:
Рассчитанные значения основных показателей
экономической эффективности занесены в таблицу.
Вывод: по результатам проведенных расчетов, на
буксирном теплоходе «Рейдовый 50», замена старого главного двигателя марки
6ЧН18/22 мощностью 165 кВт на новый марки WD 615 мощностью
176 КВТ приведет к значительным снижениям расходов на эксплуатацию, ремонт.
Сократятся расходы на постройку судна, сократятся расходы на годовое содержание
судна в эксплуатационный период.
ВЫВОДЫ
Целью дипломного проекта являлась модернизация главных двигателей
буксираа проекта Р-50. Для достижения указанной цели сделан анализ тенденций
развития двигателей внутреннего сгорания речных судов и судов «река-море»
плавания. На основе анализа установлено, что основными направлениями
совершенствования двигателей является повышение их оборотности и применение
высокого наддува.. Из анализа параметров двигателей было выявлено, что наиболее
подходящим для замены штатных двигателей типа марки 6ЧНСП 18/22 теплохода
проекта Р-50 является двигатель WD
615. Для обеспечения потребной мощности, частоты вращения гребного вала и
повышения экономичности выбранного двигателя форсировался по среднему
эффективному давлению за счет применения более высокого наддува.
Для обеспечения указанных требований был выполнен тепловой расчет, в
котором подтвердилась возможность обеспечить указанные выше параметры. При этом
давление наддува составило 0,211 МПа, а удельный эффективный расход топлива 215
г/(кВт×ч).
На основе данных теплового расчета выполнен динамический расчет
двигателя. В ходе расчета построена индикаторная диаграмма рабочего процесса в
цилиндре двигателя и диаграмма сил инерции. По результатам расчета динамики
выявлено, что для устранения неравномерности вращения коленчатого вала нужно
использовать маховик, параметры которого были определены.
На основе определенных в динамическом расчете усилий проведены
прочностные расчеты коленчатого вала (в двух опасных положениях и по
требованиям Регистра), подшипников, поршневой группы, шатуна, крышки, втулки,
впускных и выпускных клапанов. Выбранные геометрия и материалы указанных
деталей удовлетворяют условиям обеспечения необходимой прочности.
Далее были определены параметры топливной аппаратуры.
В дипломном проекте был спроектирован и рассчитан турбокомпрессор.
Определенные в расчете параметры обеспечивают необходимые по тепловому расчету
параметры наддува.
В качестве узлового вопроса в дипломном проекте был разработан проект
установки в топливную систему главных двигателей генератора кавитации в
соответствии с патентом РФ № 2084681. Для уменьшения вязкости и плотности
топлива, снижения температуры вспышки, уменьшения размеров твёрдых примесеё в
топливе, в следствии чего уменьшения расхода топлива.
В технологическом разделе рассмотрен процесс выполнения ремонтных работ с
применением полимерных клеёв.
Выполнены следующие разделы:
В разделе «Охрана труда» Расчет шумовых характеристик дизеля, в ходе
которого выбран двухкамерный глушитель шума, обеспечивающий снижение внешнего
шума до нормативного значения, и расчет уровней звуковой мощности, излучаемой
турбонаддувом.
. В разделе «Безопасность жизнедеятельности» выполнена оценка обстановки
при пожаре.
В разделе «Технико-экономическое обоснование СЭУ» проведено сопоставление
показателей судна-прототипа и нового судна. Из сопоставления видно, что новое
судно имеет преимущества перед судном-прототипом, выражающееся меньшими
эксплуатационными затратами на сопоставимый объем продукции и меньшей
себестоимостью перевозок (97,9%). Срок окупаемости дополнительных капитальных
вложений составляет 2,4 года. Кроме того, новые главные двигатели обладают
меньшими массо-габаритными показателями (по габаритам в среднем 18% и по массе
16%) , что существенно улучшает возможность размещения дополнительного
оборудования в машинном отделении и улучшает условия эксплуатации.
Таким образом, на основе проделанной работы можно сделать вывод о том,
что поставленная в дипломном проекте цель успешно выполнена.
Список использованной литературы
1. БЕЗЮКОВ
О.К. Парк дизелей судов внутреннего и смешанного плавания и перспективы его
развития. Электронное учебное пособие. СПГУВК. 1997.
. Правила
технической эксплуатации дизелей речного флота. М.: Транспорт, 1989.
3. БЕЗЮКОВ
О.К., НЕСТЕРЕНКО И.Ф.. Расчет рабочего цикла четырехтактного судового дизеля с
газотурбинным наддувом. СПб.: СПГУВК, 2008. 54 с.
4. ХАНДОВ
З.А. Судовые двигатели внутреннего сгорания. - М.: Транспорт, 1968.
. НЕСТЕРЕНКО
И.Ф. Судовые двигатели внутреннего сгорания и их эксплуатация. Методические указания.
СПб.: СПбГУВК, 1997.
6. Дизели.
Справочник. / Под ред. В.А. Ваншейдта. М.: Машиностроение, 1964.
7. ХАНДОВ
З.А. Судовые двигатели внутреннего сгорания. (Конструкции и расчеты). - М.:
Транспорт, 1968.
. ВАНШЕЙДТ
В.А. Конструирование и расчет прочности судовых дизелей. - Судостроение, 1969.
. САМСОНОВ
В.И., ХУДОВ Н.И. Двигатели внутреннего сгорания морских судов. - М.: Транспорт,
1990.
. ЛЕБЕДЕВ
О.Н., СОМОВ В.А., КАЛАШНИКОВ С.А.. Двигатели внутреннего сгорания речных судов.
- М.: Транспорт, 1990.
. Справочник
по технической механике. / Под ред. Акад. А.Н. Динника. М.-Л.:
ОГИЗ-ГОСТЕХИЗДАТ, 1949.
. КАМКИН
С.В., ВОЗНИЦКИЙ И.В., ШМЕЛЕВ В.П.. Эксплуатация судовых дизелей.- М.:
Транспорт, 1990.
. ЛЕБЕДЕВ
О.Н., СОМОВ В.А., КАЛАШНИКОВ С.А. Двигатели внутреннего сгорания речных судов. М.: Транспорт, 1990, 328
с.
14. НЕСТЕРЕНКО
И.Ф. Методика расчета агрегата наддува. СПб., ГУВК,1999, 17 с.
15. КАМКИН
С.В., ВОЗНИЦКИЙ И.В., ШМЕЛЕВ В.П. Эксплуатация судовых дизелей. М.: Транспорт, 1990, 344
с.
16. ВЕШКЕЛЬСКИЙ
С.А. Справочник судового дизелиста. Вопросы и ответы. - Л.: Судостроение, 1990,
368 с..
. МАТВЕЕВ
Ю.И. Лазерные технологии в судовом машиностроении: монография. - Н.Новгород:
ГОУ ВПО ВГАВТ, 2003. - 96 с.
18. СКОРНЯКОВ
В.П. Безопасность жизнедеятельности. Часть II. Безопасность в чрезвычайных ситуациях: Учебное пособие. -
СПб.: СПГУВК, 1996. - 113 с.
19. СКОРНЯКОВ
В.П. Безопасность жизнедеятельности. Защита от чрезвычайных ситуаций объектов
водного транспорта. Методическое пособие. - СПб.: СПГУВК, 2000. - 19 с.
. СКОРНЯКОВ
В.П., ФЕДОРОВ Е.Ю. Безопасность жизнедеятельности. Защита от ЧС:
Учебно-методическое пособие. - СПб.: СПГУВК, 2008. - 63 с.
21. Методические
указания по определению экономической эффективности внедрения новой техники на
промышленных предприятиях. - Л.: Транспорт, 1984.
22. Отраслевая
методика определения экономической эффективности новой техники, изобретений и
рационализаторских предложений на предприятиях речного транспорта. - Л.:
Транспорт, 1988.
. ЛАЗАРЕВ
А.Н., ФИЛИППОВ Н.М. Экономическое обоснование дипломных проектов по судовым
энергетическим установкам судов речного флота. Методические указания. СПб.,
СПГУВК, 1999.
. ЛАЗАРЕВ
А.Н., ФИЛИППОВ Н.М., СЕЛИВАНОВ Е.Н., СИЛАНТЬЕВ В.А., СМИРНОВ С.П. Справочные
материалы для выполнения курсовых и дипломных проектов и практических занятий.
Методические указания. СПб., СПГУВК, 2003.
25. КАРДАКОВ
А.А. Автореферат. Диссертации на тему соискание учёной степени кандидата
технических наук. Оценка технического состояния судовых дизелей и систем
газовыпуска методом теплового диагностирования.