Анализ, расчеты и оптимизация конструкторско-технологических размерных цепей корпусных деталей авиадвигателей
Министерство
образования и науки Украины
Национальный
аэрокосмический университет им. Н.Е. Жуковского «ХАИ»
Лабораторная
работа №1 по курсу:
“Технология
авиадвигателестроения”
Анализ,
расчеты и оптимизация конструкторско-технологических размерных цепей корпусных
деталей авиадвигателей
Выполнила:
студентка гр. 243
Третьяк Е. В.
Принял: Сотников В.Д.
Харьков 2008
Рис.1. Эскиз корпусной детали
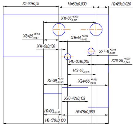
Рис.2. Размерная схема по координате Х
Расчет размерных цепей по координате Х
;
;
;
;
;
;
;
;
;
;
;
;
;
;

;
;
;
;
;
;
;
;
;
;
;
;
;
;
Рис.3. Размерная схема по координате
Y
цепь корпусный деталь авиадвигатель
Расчет размерных цепей по координате Y
;
;

;
;
;
;
;
;
;
;
;
;
;
;
;
;
;
;
;

.
Брак по размеру Н1
Принимая
получаем
,
где
- среднеквадратичное отклонение
размеров.
Определяем величины нормированной
функции Лапласа для параметров
и
:
По таблице Лапласа находим ее
значения для соответствующих
и
:
и
. Вероятность брака составит
.