Электронный термометр

  • Вид работы:
    Курсовая работа (т)
  • Предмет:
    Информатика, ВТ, телекоммуникации
  • Язык:
    Русский
    ,
    Формат файла:
    MS Word
    2,33 Мб
  • Опубликовано:
    2012-05-22
Вы можете узнать стоимость помощи в написании студенческой работы.
Помощь в написании работы, которую точно примут!

Электронный термометр

Негосударственное образовательное частное учреждение

высшего профессионального образования

Санкт-Петербургский институт управления и права







КУРСОВОЙ ПРОЕКТ

по учебной дисциплине

Микропроцессорные средства и системы

на тему

Электронный термометр

Студента: Мангушева Э.Ф.





САНКТ-ПЕТЕРБУРГ

г.

РЕФЕРАТ

Данная пояснительная записка содержит страницы, на которых размещены таблиц, рисунков. При написании использовано источников.

Ключевые слова: измерения, микроэлектроника, датчик, алгоритмизация, программирование, температура.

Целью данной работы являлась разработка электронного термометра с микропроцессорным управлением.

электрический термометр устройство

СОДЕРЖАНИЕ

ОПРЕДЕЛЕНИЯ, ОБОЗНАЧЕНИЯ И СОКРАЩЕНИЯ

ВВЕДЕНИЕ

1. АНАЛИЗ ЗАДАЧИ

2. РАЗРАБОТКА СТРУКТУРНОЙ СХЕМЫ

3. ВЫБОР ЭЛЕМЕНТНОЙ БАЗЫ

3.1 ВЫБОР ДАТЧИКА ТЕМПЕРАТУРЫ

3.2 ВЫБОР ИНДИКАТОРА

3.3 ВЫБОР МИКРОКОНТРОЛЛЕРА

4. РАЗРАБОТКА ФУНКЦИОНАЛЬНОЙ СХЕМЫ

5. РАЗРАБОТКА АЛГОРИТМА РАБОТЫ

ЗАКЛЮЧЕНИЕ

СПИСОК ИСПОЛЬЗОВАННЫХ ИСТОЧНИКОВ

ПРИЛОЖЕНИЕ А (ТЕКСТ ПОГРАММЫ)

ОПРЕДЕЛЕНИЯ, ОБОЗНАЧЕНИЯ И СОКРАЩЕНИЯ

МК - Микроконтроллер

АЦП - Аналогово-цифровой преобразователь

ЖКИ -Жидко-кристаллический индикатор

ИОН - Источник опорного напряжения

ВВЕДЕНИЕ

Термо́метр (греч. <#"564576.files/image001.gif">

Рисунок 1 - Структурная схема

3. ВЫБОР ЭЛЕМЕНТНОЙ БАЗЫ

Элементная база, как правило, выбирается исходя из требований к проектируемому устройству. К критериям выбора элементной базы можно так же отнести серийность разрабатываемого прибора, так как в случае крупносерийного производства на итоговую цену прибора начнет оказывать вид монтажа корпусов выбранных элементов. Автоматизированный монтаж является более дешевым, качественным и быстрым по сравнению с ручным, что тем ощутимей, чем крупнее партия изготавливаемых приборов.

Поэтому, если необходимый элемент выпускается в корпусе, приспособленном для автоматизированного монтажа, перспективней выбрать именно его. Как правило, это планарные корпуса (для монтажа на поверхность платы, а не в отверстия в плате). Так же, при выборе элементной базы, косвенным критерием может служить наличие достаточно полного и подробного описания на элемент, чем, к сожалению, пренебрегают некоторые производители радиоэлектронных компонентов.

В нашем случае определяющими требованиями являются: минимальные габариты и вес, диапазон рабочих температур, низкое энергопотребление, диапазон и погрешность измерений (для датчика).

Итак, для электронного термометра необходимо выбрать следующие компоненты:

·        датчик температуры;

·        ЖКИ;

·        микроконтроллер.

.1 ВЫБОР ДАТЧИКА ТЕМПЕРАТУРЫ

Для измерения температуры существует несколько типов датчиков, которые можно поделить по одному основному критерию: по виду выходного сигнала: аналоговый или цифровой.

В случае цифрового выхода, выходной сигнал не требует каких-либо преобразований и может напрямую фиксироваться управляющим микроконтроллером. При использовании датчика с аналоговым выходом (как правило, выход датчика представляет собой зависимость вида: температура - напряжение), необходимо оцифровывать полученный сигнал средствами МК. В общем случае, датчики с цифровым выходом имеют более высокую точность, но и более высокую стоимость, в сравнении с аналоговым.

Т.к. основным критерием выбора датчика является его цена, мною был выбран датчик температуры TMP36GT9 производства компании Analog Devices [2], удовлетворяющий всем требованиям к проектируемому прибору, и имеющий ряд преимуществ, к которым можно отнести:

1.         низкое напряжение питания;

2.      калиброван непосредственно в °C;

.        низкая цена;

.        низкое самонагревание.

Технические характеристики выбранного датчика:

·        диапазон измерения температуры -40… +125º С;

·        соответствующий выходной сигнал 0,1 В ... 1,7 В;

·        масштабный коэффициент 10 мВ/° C;

·        напряжение питания 2,7 В … 5,5 В;

·        потребляемый ток 35 мкА (макс);

·        точность: ±1 º С.

Назначение выводов датчика представлено на рисунке 2. Зависимости тока потребления от температуры, выходного напряжения от температуры, а также типовая схема подключения представлены на рисунках 3 - 5 соответственно.

Рисунок 2- Назначение выводов датчика TMP36GT9

Рисунок 3- Зависимость тока потребления от температуры

Рисунок 4- Зависимость выходного напряжения от температуры

Рисунок 5- Типовая схема подключения датчика TMP36


В качестве интерфейса с пользователем необходимо выбрать индикатор, способный отображать символьную информацию (значение скорости ветра), обладающий низким энергопотреблением и способный работать в заданном диапазоне температур.

Среди множества средств индикации, в соответствии с выдвинутыми требованиями, наиболее подходящими являются символьные ЖК-индикаторы, а точнее ЖК-модули на основе данных индикаторов, содержащие встроенный контроллер ЖК-индикатора HD44780 фирмы Hitachi, или KS0066 фирмы Samsung, или любой другой совместимый контроллер. Подобные ЖК-модули обладают следующими преимуществами:

1.         стандартизированный интерфейс подключения и управления модулем;

2.      минимальное задействование ресурсов управляющего микроконтроллера (всю нагрузку по обновлению дисплея, дешифрации и выводу на дисплей символа, так же встроенные контроллеры содержат небольшой объем памяти для хранения отображаемых символов);

.        самое низкое энергопотребление по сравнению с подобными, не жидкокристаллическими индикаторами;

.        могут подключаться напрямую к линиям ввода/вывода управляющего микроконтроллера;

.        не требуют каких-либо дополнительных “навесных” элементов (в случае, если не требуется регулировка контрастности - в этом случае контрастность будет всегда максимальной);

.        Кроме того, современные символьные ЖК-модули обладают высокой контрастностью и широкими углами обзора, а так же широким диапазоном температур эксплуатации и низкой стоимостью.

Мной выбран ЖК-модуль MT-16S2D отечественной фирмы МЭЛТ [3]. Жидкокристаллический модуль MT-16S2D состоит из БИС контроллера управления и ЖК панели.

Контроллер управления КБ1013ВГ6, производства ОАО «АНГСТРЕМ», аналогичен HD44780 фирмы Hitachi и KS0066 фирмы Samsung. Внешний вид модуля приведен на рисунке 6.

Модуль позволяет отображать 2 строки по 16 символов, что позволит сделать индикацию более информативной. Символы отображаются в матрице 5х8 точек.

Между символами имеются интервалы шириной в одну отображаемую точку. Каждому отображаемому на ЖКИ символу соответствует его код в ячейке ОЗУ модуля. Модуль содержит два вида памяти - кодов отображаемых символов и пользовательского знакогенератора, а также логику для управления ЖК панелью.

Рисунок 6 - Внешний вид модуля MT-16S2D

В таблице 1 приведено назначение выводов модуля MT-16S2D. Важной особенностью всех подобных модулей (а точнее встроенных контроллеров) является возможность их подключения к управляющему контроллеру как по полной 8-и разрядной шине, так и по урезанной 4-х разрядной (для экономии линий ввода/вывода управляющего контроллера). Правда, во втором случае необходимо будет записывать/читать данные в/из модуля в два захода: сначала старшую тетраду байта, затем младшую. Поскольку в нашем случае линий ввода/вывода достаточно, то чтобы не усложнять программу управляющего контроллера, будем использовать полное - 8-и разрядное подключение.

Диапазон рабочих температур модулей фирмы МЭЛТ составляет от -30 до +70°C.

Таблица 1 - Назначение выводов модуля MT-16S2D


Модуль содержит ОЗУ размером 80 байтов по адресам 0h-27h и 40h-67h для хранения данных (DDRAM), выводимых на ЖКИ. Распределение адресов отображаемых на ЖКИ символов представлено на рисунке 7.

Рисунок 7 - Распределение адресов отображаемых на ЖКИ символов

В таблице 2 приведены команды управления модулем MT-16S2D, они совпадают с командами для других HD44780-совместимых модулей.

Таблица 2 - Команды управления модулем MT-16S2D


Для отображения символов на дисплее, встроенные контроллеры модулей содержат одну или несколько таблиц знакогенератора, в которых каждому коду (однобайтовому числу) соответствует символ. Символами являются прописные и строчные буквы алфавитов, цифры и другие вспомогательные символы и знаки препинания. Таким образом, чтобы вывести на дисплей какой-либо символ, необходимо записать соответствующий код в ячейку ОЗУ модуля по адресу из диапазона отображаемых адресов (рисунок 7).

В таблицах знакогенератора модулей, поддерживающих русский алфавит, как правило содержатся только те русские буквы, которые в том или ином виде не встречаются в латинском алфавите, что в некоторых модулях приводит к некорректному отображению строчных русских букв, или отсутствию некоторых из них.

Еще одной важной особенностью модуля MT-16S2D является наличие двух таблиц знакогенератора. Первая таблица является такой же как и у модулей других производителей, поддерживающих русские шрифты.

Вторая содержит улучшенный русский шрифт, где русский алфавит представлен полностью в обоих регистрах (прописные и строчные буквы), и он не пересекается с латинскими символами, поэтому ее использовать целесообразней. Вторая таблица знакогенератора модуля MT-16S2D приведена в таблице 5.

Характеристики модуля по постоянному току при различных напряжениях питания приведены в таблице 3.

Таблица 3 - Характеристики модуля MT-16S2D по постоянному току


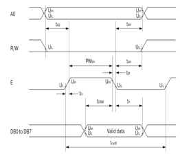
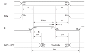
Динамические характеристики модуля приведены в таблице 4, а временные диаграммы чтения и записи на рисунке 8 и рисунке 9 соответственно.

Таблица 4 - Динамические характеристики модуля MT-16S2D


Рисунок 8 - Временная диаграмма чтения из ЖК-модуля MT-16S2D

Рисунок 9 - Временная диаграмма записи в ЖК-модуль

Таблица 5 знакогенератора ЖК-модуля MT-16S2D


3.3 ВЫБОР МИКРОКОНТРОЛЛЕРА

Выбор микроконтроллера производился из семейства микроконтроллеров MCS-51 (разработчик - фирма Intel), т.к. архитектура данного семейства изучается по дисциплине настоящего курсового проекта.

Микропроцессорная архитектура MCS-51 является стандартом "де-факто" в области встраиваемых систем управления. Первые микроконтроллеры семейства MCS-51 были выпущены на рынок фирмой Intel более 20 лет назад. Архитектура оказалась настолько удачной, что за два десятилетия развития она не претерпела каких-либо значительных изменений. По номенклатуре кристаллов семейство MCS-51 не имеет себе равных среди 8-разрядных встраиваемых микропроцессоров. По лицензии фирмы Intel микроконтроллеры выпускают огромное количество производителей полупроводниковой техники.

Мною выбирался микроконтроллер из серии С8051F0xx компании Silicon Laboratories. Микроконтроллеры семейства C8051F000 [4] представляют собой полностью интегрированные на одном кристалле системы для обработки смешанных (аналого-цифровых) сигналов, в состав которых входит прецизионный 12-разрядный (F000/01/02/05/06/07) или 10-разрядный (F010/11/12/15/16/17) многоканальный АЦП. Сравнительная характеристика МК приведена в таблице 6. Каждый МК имеет усилитель с программируемым коэффициентом усиления, два 12-разрядных ЦАП, два компаратора напряжения (кроме F002/07/12/17, которые имеют один компаратор напряжения), источник опорного напряжения и 8051-совместимое микропроцессорное ядро с 32 Кбайтами Flash-памяти. Кроме этого имеются аппаратно реализованные последовательные интерфейсы I2C/SMBus, SPI и УАПП, а также программируемый массив счетчиков/таймеров (ПМС) с пятью модулями захвата/сравнения. Имеются также четыре 16-разрядных таймера общего назначения и четыре 8-разрядных цифровых порта ввода/вывода общего назначения. МК C8051F000/01/02/10/11/12 содержат 256 байт ОЗУ и обладают производительностью до 20 MIPS. МК C8051F005/06/07/15/16/17 содержат 2304 байт ОЗУ и обладают производительностью до 25 MIPS. Все МК имеют встроенные схему слежения за напряжением питания, сторожевой таймер, тактовый генератор и представляют собой, таким образом, функционально-законченную систему на кристалле. Каждый МК имеет эффективные средства для управления аналоговыми и цифровыми периферийными модулями. Имеется возможность внутрисхемного программирования Flash-памяти, что обеспечивает долговременное (энергонезависимое) хранение данных, а также позволяет осуществлять обновление программного обеспечения в готовых изделиях. Каждый МК с целью уменьшения энергопотребления может отключить любые периферийные модули. Встроенный интерфейс JTAG позволяет производить «неразрушающую» (не используются внутренние ресурсы) внутрисхемную отладку в режиме реального времени, используя МК, установленные в конечное изделие. Средства отладки обеспечивают проверку и модификацию памяти и регистров, расстановку точек останова и временных меток, пошаговое исполнение программы, а также поддерживают команды запуска и остановки. В процессе отладки с использованием интерфейса JTAG все аналоговые и цифровые периферийные модули полностью сохраняют свою работоспособность. Каждый МК предназначен для работы в промышленном температурном диапазоне (-45ºС…+85ºС) при напряжении питания 2,7В…3,6В. На порты ввода/вывода, выводы интерфейса JTAG, а также на вывод /RST могут быть поданы входные сигналы напряжением до 5В. МК C8051F000/05/10/15 выпускаются в 64-выводных корпусах типа TQFP. МК C8051F001/06/11/16 выпускаются в 48-выводных корпусах типа TQFP. МК C8051F002/07/12/17 выпускаются в 32-выводных корпусах типа LQFP.

Таблица 6. Сравнительная характеристика микроконтроллеров


Исходя из характеристик МК, приведенных в табл. 6 мной была выбрана модель - С8051F001. Данная модель микроконтроллера выбрана исходя из соответствия следующим требованиям: низкая себестоимость, наличие 12-ти разрядного АЦП, 16 линий вв./вывода, миниатюрный корпус (малые габариты и вес).

Данный микроконтроллер относится к самой дешевой линейке МК компании Silicon Laboratories и обладает самым маленьким объемом встроенной Flash-памяти программ. Но его возможностей с избытком достаточно для реализации поставленной задачи.

Таблица 7. Основные электрические параметры


Таблица 8. Предельно допустимые параметры

Предельная рабочая температура

от -55ºС до +125ºС

Температура хранения

от -65ºС до +150ºС

Напряжение на любом выводе (кроме Vdd и портов ввода/вывода) относительно DGND

от -0.3В до (VDD + 0.3В)

Напряжение на любом выводе портов ввода/вывода или на выводе RST относительно DGND

от -0.3В до 5.8В

Напряжение на выводе VDD относительно DGND

от -0.3В до 4.2В

Максимальный суммарный ток выводов VDD, AV+, DGND и AGND

800мA

Максимальный выходной втекающий ток любого канала портов ввода/вывода

100мA

Максимальный выходной втекающий ток любого другого вывода

25мA

Максимальный выходной вытекающий ток любого канала портов ввода/вывода

100мA

Максимальный выходной вытекающий ток любого другого вывода


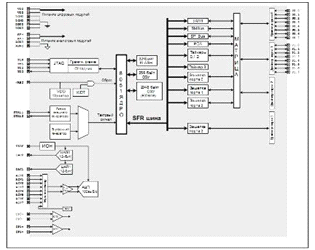
Данный микроконтроллер является типичным представителем архитектуры MCS-51, в этом он мало отличается от аналогичных микроконтроллеров других производителей. Структурная схема МК C8051F001 приведена на рис. 10. Цоколевка и габаритные размеры корпуса TQFP-48 приведена на рис. 11.

Рисунок 10. Структурная схема C8051F001

Рисунок 11. Цоколевка и габаритные размеры корпуса TQFP-48

МК семейства C8051F000 имеют ряд важных особенностей, которые позволяют улучшить общую производительность и упростить использование МК в конечных приложениях. 21 источник прерываний (8051 имеет 7 источников прерываний) позволяют многочисленным аналоговым и периферийным модулям прерывать работу МК. Система управления прерываниями требует меньшего вмешательства со стороны программы, что улучшает ее производительность. Дополнительные источники прерываний очень полезны при построении многозадачных систем, работающих в режиме реального времени.

Имеется семь источников сброса: встроенная схема слежения за напряжением питания, сторожевой таймер, детектор исчезновения тактирования, компаратор 0, принудительный программный сброс, вывод CNVSTR и вывод /RST. Вывод /RST является двунаправленным, т.е. может быть как входом внешнего сигнала сброса, так и выходом сигнала сброса, сгенерированного внутри МК схемой слежения за питанием.

Любой источник сброса, за исключением схемы слежения за питанием и входных выводов сброса, могут быть отключены программно. Сторожевой таймер может быть включен после сброса типа POR (сброс при включении питания) в процессе инициализации МК.

МК имеет внутренний тактовый генератор, который после сброса используется как источник тактовых импульсов по умолчанию. При необходимости можно “на лету” подключить внешний тактовый генератор, который для генерации тактовых импульсов использует кварцевый или керамический резонатор, конденсатор, RC-цепочку или внешний источник импульсов. В приложениях с пониженным энергопотреблением крайне полезным может быть режим работы МК с медленным (мало потребляющим) внешним кварцевым генератором с периодическим переключением на быстрый (до 16 МГц) внутренний генератор.

Модуль АЦП МК C8051F001 состоит из 9-канального программируемого аналогового мультиплексора (AMUX), программируемого усилителя (PGA), 12-разрядного АЦП последовательного приближения с производительностью до 100 тыс. преобразований в секунду, устройства выборки-хранения(УВХ) и программируемого детектора диапазона (см. рис. 12). AMUX, PGA, режимы преобразования и детектор диапазона настраиваются программным путем при помощи регистров специального назначения (см. рис 12). Модуль АЦП (АЦП, УВХ и PGA) включен только тогда, когда бит ADCEN регистра управления АЦП ADC0CN установлен в 1. Сброс этого бита в 0 переводит АЦП в режим пониженного энергопотребления. Чтобы подать смещение на АЦП, необходимо установить в 1 бит разрешения смещения(BIASE) в регистре REF0CN.

Рисунок 12. Функциональная схема 12-разрядного АЦП

Схема ИОН состоит из генератора стабилизированного напряжения 1,2В с нестабильностью по напряжению 0,0015%/ºС (типичное значение) и выходного буферного усилителя с Кусил = 2. Опорное напряжение с вывода VREF может использоваться внешними устройствами системы, при этом ток через этот вывод должен быть не более 200 мкА (см. рис. 13). Если требуется опорное напряжение другой величины, можно программно отключить внутренние стабилизатор и буферный усилитель, а к выводу VREF подключить внешний ИОН. Внешнее опорное напряжение должно быть не более AV+ - 0.3В. Регистр управления ИОН REF0CN позволяет включать и отключать стабилизатор и буферный усилитель. Бит BIASE регистра REF0CN разрешает работу схемы смещения АЦП и ЦАП. Бит REFBE регистра REF0CN управляет выходным буфером внутреннего ИОН. Если ИОН отключен, ток потребления стабилизатора и буферного усилителя уменьшается до 1 мкА (типичное значение) и менее, а выход буферного усилителя переводится в высокоимпедансное состояние. Если внутренний стабилизатор используется в качестве генератора опорного напряжения, биты BIASE и REFBE должны быть установлены в 1. Если используется внешний ИОН, бит REFBE следует сбросить в 0, а бит BIASE должен быть установлен в 1. Если ни АЦП, ни ЦАП не используются, оба этих бита можно сбросить в 0 с целью уменьшения энергопотребления.

Датчик температуры подключен к девятому каналу входного мультиплексора АЦП. Бит TEMPE регистра REF0CN разрешает или запрещает работу датчика температуры. В случае запрещения датчик температуры по умолчанию переводится в высокоимпедансное состояние. Любые аналого-цифровые измерения показаний запрещенного датчика температуры возвратят незначащие данные.

Рисунок 13. Функциональная схема источника опорного напряжения

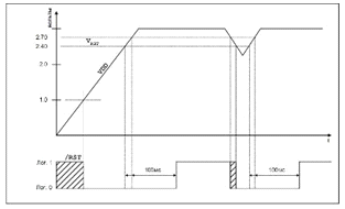
МК семейства C8051F000 содержат схему слежения за напряжением питания, которая удерживает МК в состоянии сброса, пока напряжение питания VDD не превысит в процессе включения уровень VRST (См. временную диаграмму на рис. 14). В течение таймаута схемы слежения за напряжением питания (100 мс) на выводе /RST удерживается низкий логический уровень, что позволяет напряжению питания стабилизироваться.

Рисунок 14. Временная диаграмма работы схемы слежения за напряжением питания

При завершении сброса типа POR флаг PORSF (RSTSRC.1) аппаратно устанавливается в 1. Все другие флаги сброса в регистре RSTSRC являются неопределенными. Флаг PORSF сбрасывается в 0 при сбросе от любого другого источника. Т.к. при сбросе любого типа выполнение программы начинается с одного и того же адреса (0x0000), программа может опросить флаг PORSF, чтобы определить, было ли включение питания причиной сброса. Содержимое внутренней памяти данных после сброса типа POR следует считать неопределенным.

Когда при выключении или сбое питания напряжение питания VDD опускается ниже уровня VRST, схема слежения за напряжением питания установит на выводе /RST низкий логический уровень и переведет CIP-51 в состояние сброса (см. рис. 14). Когда VDD превысит уровень VRST, CIP-51 выйдет из состояния сброса точно так же, как при сбросе типа POR. Следует иметь ввиду, что, хотя содержимое внутренней памяти данных и не изменяется при сбросе типа PFR, невозможно определить, опускалось ли напряжение VDD ниже уровня, необходимого для сохранения данных. Если флаг PORSF установлен в 1, данные нельзя более считать действительными.

Внешний вывод /RST позволяет внешней схеме перевести МК в состояние сброса. Подача на вывод /RST сигнала с низким активным уровнем заставит МК перейти в состояние сброса. Несмотря на наличие внутренних слаботоковых подтяжек, желательно обеспечить на выводе /RST внешние подтягивающие и/или развязывающие цепи, чтобы предотвратить ложные сбросы, вызванные шумом. После снятия сигнала с низким активным уровнем с вывода /RST МК будет оставаться в состоянии сброса еще по крайней мере 12 тактовых циклов. При завершении внешнего сброса устанавливается в 1 флаг PINRSF (RSTSRC.0). Допустимое напряжение на выводе /RST составляет 5В.

4. РАЗРАБОТКА ФУНКЦИОНАЛЬНОЙ СХЕМЫ

Функциональная схема приведена на рисунке 15. К выводам порта P0 МК подключена шина данных (D0…D7) ЖКИ. К выводам p0.0, p0.1, p0.2 подключены линии адресного сигнала, выбора режима чтение/запись, и линия строба ЖКИ соответственно.

Керамический конденсатор C1 подключен к выводу питания датчика температуры TMP36 для фильтрации помех по питанию, как того требует документация [2]. Физически он должен располагаться как можно ближе к самому датчику. Вывод VOUT датчика TMP35 подключен к выводу AIN0 АЦП МК.

МК семейства C8051F000 содержат схему слежения за напряжением питания, которая удерживает МК в состоянии сброса, пока напряжение питания VDD не превысит в процессе включения уровень VRST. В течение таймаута схемы слежения за напряжением питания (100 мс) на выводе /RST удерживается низкий логический уровень, что позволяет напряжению питания стабилизироваться. Следовательно, при включении питания с помощью переключателя SW1, система слежения за напряжением питания генерирует сигнал RST, тем самым запуская работу самого МК. К выводу RST, чтобы предотвратить ложные сбросы, вызванные шумом, подключен подтягивающий резистор на напряжение питания R1 и керамический конденсатор C2 (в соответствии с рекомендациями [4] ).

При напряжении питания 3В модуль ЖКИ автоматически устанавливает уровень контраста, установленный на заводе-изготовителе. Питаться прибор может от любого источника стабилизированного напряжения 3В и номинальным выходным током (не менее) 5мА.

Рисунок 15 - Функциональная схема термометра

5. РАЗРАБОТКА АЛГОРИТМА РАБОТЫ

Выходное напряжение датчика температуры TMP36 прямо пропорционально температуре. Его можно преобразовать в цифровой код с помощью встроенного в МК АЦП и отобразить на ЖКИ. Следует отметить, что для заданной точности измерений достаточно использовать 8-битный двоичный код. С этой целью при применении преобразователя ADC используется только старший байт. Первая процедура аналого-цифрового преобразователя ADC работает совместно с процедурой обработки прерывания от преобразователя ADC0_ISR. Процедуры ADC содержит цепочку операторов: разрешения преобразователя, запуска процесса преобразования, ожидания прерывания от преобразователя по окончанию процесса преобразования и сохранения в качестве результата старшего байта.

Процедура обработки прерывания ADC0_ISR в этом случае сводится к трем операциям: очистке флага прерывания, запрещению преобразователя и установке флага переноса, которого ожидает процедура ADC. Полученный двоичный код N связан с измеренным напряжением U следующим уравнением:

=VREF-N/256, где VREF - опорное напряжение.

С другой стороны, выходное напряжение датчика пропорционально температуре:

= T * 0.01, где Т - температура в градусах Цельсия.

Решая совместно уравнения и используя VREF = 2.4 В (опорное напряжение внутреннего генератора) можно получить Т = N-240/256. Необходимо еще учесть тот факт, что если параметр N меньше 50-ти, то температура отрицательная. Все преобразования производятся в процедуре масштабирования SCALE, двоичный код N передается процедуре через аккумулятор А. Поэтому масштабирование выполняется путем умножения байта кода на байт константы 240, а из двухбайтного результата сохраняется лишь старший байт, что эквивалентно делению на 256. Также проводится проверка на отрицательную температуру (N < 50) и при положительном результате записывается 1 в переменную ZNAK.

Для отображения двух десятичных цифр на ЖКИ необходимо полученный двоичный результат преобразовать в десятичный. Для этого используется процедура BIN_BCD, которая из двоичного формат записи, преобразует его в вид Packed BCD, при этом входной параметр передается также через аккумулятор МК. Преобразование выполняется путем целочисленного деления двоичного кода на 10. С помощью свопинга частного четырехбитный код десятков пересылается в старшие биты байта, после чего с помощью операции логического ИЛИ можно упаковать обе цифры в один байт для получения формата Packed BCD.

Обмен с ЖК-модулем осуществляется в соответствии с описанием на модуль и рекомендациями фирмы производителя. Для упрощения работы с модулем целесообразно использовать только процедуру для записи байта, а вместо чтения бита занятости в начале каждого обращения к модулю ЖКИ использовать временную задержку в 50 мс.

Процедура INIT_LCD является процедурой инициализации дисплея. Она включает в себя 3 команды. Первая - function set устанавливает параметры интерфейса: ширину данных 8 бит, число строк 2. Вторая команда Entry Mode Set устанавливает режим ввода: направление сдвига вправо и сдвиг курсора, а не дисплея. И третья команда инициализации Display Control включает дисплей и курсор в обычном режиме.

Процедура очистки дисплея Clear_SCRN содержит только одну команду- clear display (код команды 01h). Блок-схема алгоритма работы термометра приведена на рисунке 16. Исходный текст программы приведен в приложении А.

Рисунок 16 - Блок-схема алгоритма работы термометра

ЗАКЛЮЧЕНИЕ

В данной работе был разработан прибор - цифровой термометр. Прибор включает в себя датчик, микроконтроллер и ЖК-дисплей. Микроконтроллер обрабатывает сигнал, поступающий от датчика и выводит значение на дисплей.

Разработанное устройство удовлетворяет всем требованиям технического задания. При выборе элементной базы, были учтены требования для сведения к минимуму габаритов и веса устройства. Себестоимость устройства также невелика, самый дорогой элемент - ЖКИ производства компании МЭЛТ. Использован микроконтроллер семейства MCS-51 компании Silicon Laboratories - C8051F001. В результате проделанной работы был разработан электронный термометр с микропроцессорным управлением и с диапазоном измерения от -40… +50 ºС и точностью измерения 1 ºС. Электронный термометр работает от любого источника стабилизированного напряжения 3 В. Потребляемый ток - 5 мА. Потребляемая мощность ≈ 15 мВт.

В завершение проектирования прибора был разработан алгоритм и написана программа для работы устройства (текст программы в приложении A).

СПИСОК ИСПОЛЬЗОВАННЫХ ИСТОЧНИКОВ

1)      Термометр [Электронный ресурс] : Материал из Википедии- свободной энциклопедии. - : <#"564576.files/image024.gif">

Похожие работы на - Электронный термометр

 

Не нашли материал для своей работы?
Поможем написать уникальную работу
Без плагиата!
Без нейросетей!