Автоматическая измерительная система в виде электронного термометра

  • Вид работы:
    Курсовая работа (т)
  • Предмет:
    Информатика, ВТ, телекоммуникации
  • Язык:
    Русский
    ,
    Формат файла:
    MS Word
    73,12 Кб
  • Опубликовано:
    2012-09-11
Вы можете узнать стоимость помощи в написании студенческой работы.
Помощь в написании работы, которую точно примут!

Автоматическая измерительная система в виде электронного термометра

Оглавление

Введение

. Основная часть

.1 О возможности применения датчиков температуры серии AD22100

.2 Назначение, основные технические характеристики термометра

.3 Описание работы электрической схемы

.4 Выбор элементной базы

.5 Конструктивные особенности термометра

.6 Технология изготовления печатной платы

.6.1 Общие особенности разработки и изготовления печатной платы

.6.2 Технология ремонта печатной платы

.6.3 Технология изготовления печатной платы при помощи лазерного принтера

.7 Особенности настройки термометра

. Основные характеристики термодатчиков

.1 Технические характеристики интегральных датчиков температуры

. Техника безопасности

.1 Влияние электрического тока на человеческий организм

Заключение

Приложения

Список используемой литературы

Введение

Электронные термометры представляют собой автоматические устройства.

В общем случае, автоматическими устройствами называются такие устройства, которые позволяют осуществлять операции измерения каких-либо величин или управления какими-либо объектами без непосредственного участия человека.

Автоматическое устройство, как правило, может состоять из следующих основных элементов:

датчика - чувствительного элемента, воспринимающего измеряемую величину и преобразующего ее в электрический сигнал;

нормирующего преобразователя - преобразующего сигнал датчика в унифицированный выходной сигнал требуемой величины и формы;

программного устройства - элемента, вырабатывающего управляющий электрический сигнал заданной формы и уровня;

устройства сравнения - элемента, в котором происходит сравнение сигналов от датчика и от программного устройства;

усилителя мощности - позволяющего усилить сигнал до уровня, необходимого для приведения в действие исполнительного устройства;

непосредственно исполнительного устройства.

Совокупность всех этих элементов и объекта регулирования образует систему автоматического регулирования. Система, которая осуществляет лишь автоматическое измерение какой-либо величины (температуры, освещенности) и регистрирует эти показания, но не оказывает воздействия на процесс, называется автоматической измерительной системой или системой автоматического контроля, если измерения проводятся с целью проверки соответствия измеряемой величины установленным требованиям.

Целью данного курсового проекта является разработка автоматической измерительной системы в виде электронного термометра и ее системы управления.

Тема была и остается актуальной. Без автоматического измерения температуры не существует технологических процессов на производстве; автоматически контролируется температура в различных бытовых приборах и устройствах. Схемотехника подобных устройств постоянно совершенствуется.

Главными задачами курсового проекта являются:

выбор схемы электронного термометра, позволяющего измерять температуру не менее, чем в трех точках;

разработка печатной платы, на которой предстоит разместить основные элементы;

разработка электрической монтажной схемы соединений;

разработать основные указания по настройке и регулировке термометра.

1. Основная часть

.1 О возможности применения датчиков температуры серии AD22100

Датчики температуры серии AD22100 имеют разные буквенные индексы, которые отличают их между собой разными рабочими интервалами температуры: КТ (KR) - 0…100ºС, АТ (АR) - минус 40…плюс85 ºС и ST (SR) - минус 50…плюс 150 ºС. При напряжении питания 5 В потребляемый ток не превышает 0,5 мА.

Выходное напряжение UВЫХ линейно зависит от температуры корпуса датчика. Его значение при температуре Т, заданной в градусах Цельсия, можно найти по формуле:

UВЫХ = UП * (1375 + 22,5 * Т) / 5000

которая справедлива при напряжении питания UП от 4 до 6 В. Отклонение от этого закона не превышает 1 ºС.

Таким образом, при UП = 5 В Т = 0 ºС напряжение на выходе датчика будет составлять 1, 375 В, изменяясь на 0,0225 В с каждым градусом температуры. Характеристики датчиков строго нормированы, поэтому при необходимости их можно подключать поочередно к одному и тому же измерителю температуры без дополнительной калибровки.

1.2 Назначение, основные технические характеристики термометра

Термометр предназначен для измерения температуры в интервале температур от минус 40 до плюс 85 ºС в трех необходимых местах. Напряжение питания термометра - 9 В. Минимальное напряжение питания составляет 6,8 В. Климатические условия эксплуатации: температура окружающей среды от 10 до 35 ºС, атмосферное давление от 650 до 806 мм рт.ст., относительная влажность воздуха не более 80% при 25 ºС.

1.3 Описание работы электрической схемы

Электрическая схема трехточечного термометра представлена на рис. 1.1 Число размещенных датчиков ВК1…ВК3 ограничено лишь суммарным током, потребляемым от батареи GB1. Любой из них подключают к измерительному узлу нажатием соответствующей кнопки SB1…SB3. Одновременно вторая группа контактов кнопки замыкает цепь питания прибора. Высокая крутизна температурной характеристики датчиков позволяет обойтись без усилителя, применив в качестве индикатора температуры микроамперметр РА1, включенный в диагональ измерительного моста, образованного датчиком и резистивным делителем напряжения R1R5R6.

Чтобы нулевой температуре соответствовало нулевое показание микроамперметра, суммарное падение напряжения на резисторах R5 и R6 должно быть равно 1, 375 В. Этого можно добиться с помощью подстроечного резистора R6. Сумма сопротивлений резисторов R2, R4 и рамки микроамперметра должна быть выбрана таким образом, чтобы каждому градусу температуры, соответствовало отклонение стрелки микроамперметра РА1 на 1 мкА. Это позволит, взяв микроамперметр нужной чувствительности, использовать имеющуюся на его шкале градуировку для отсчета температуры.

Интегральный стабилизатор DA1 понижает напряжение батареи GB1 до необходимых для питания датчиков 5В. Светодиод HL1 служит индикатором не только включения прибора, но и состояния батареи GB1. Пока ее напряжение в норме и находится в пределах 6,8…9 В, при нажатии любой из кнопок SB1…SB3 к светодиоду HL1 будет приложено напряжение более 1,8 В и он будет светиться. Полное отсутствие свечения светодиода свидетельствует о необходимости замены батареи.

Чтобы не влиять на работу стабилизатора DA1, ток в цепи контроля выбран небольшим, а в качестве светодиода НL1 применен светодиод красного свечения повышенной яркости. Если установить светодиод другого цвета, то изменится порог срабатывания индикатора.

В качестве датчика температуры можно также применить три соединенных последовательно полупроводниковых диода. Они могут быть любого типа - германиевыми или кремниевыми. Важно лишь, чтобы диоды были малогабаритными, это уменьшит инерционность прибора.

Действие термометра, в данном случае, основано на том, что падение напряжения на полупроводниковом диоде при неизменном прямом токе линейно зависит от температуры его p-n перехода. Если при нулевой температуре установить ток через микроамперметр РА1 равным нулю, то с нагревом диодов напряжение на них уменьшается и через микроамперметр потечет ток, пропорциональный температуре.

При колебаниях температуры в месте установки датчика на 20 ºС показания термометра будут изменяться менее чем на 1 %. Но если оставить в схеме один диод, сохранив прежнюю чувствительность, то погрешность увеличится в три раза.

1.4 Выбор элементной базы

Для повышения точности отсчета температуры желательно применить прибор со шкалой большого размера. Необходимо только, чтобы значения тока полного отклонения в обе стороны не превышали 50 мкА. Дело в том, что датчики серии AD22100 не могут принимать втекающий ток в вывод 2 не более 80 мкА, а именно в этом режиме они работают при отрицательной температуре.

Сбалансировав измерительный мост не при нулевой температуре, а при минимальной отрицательной, можно воспользоваться микроамперметром с нулем в начале шкалы и значительно большим током полного отклонения.

Для этого достаточно с помощью подстроечного резистора R6 установить напряжение в точке соединения резисторов R1, R2 и R5 равным выходному напряжению датчика при нужной температуре. В данном случае оцифровку шкалы микроамперметра придется изменить.

В приборе можно использовать резисторы типа МТ, МЛТ и С2-29В. В случае применения резисторов типа МЛТ, то их следует подбирать с погрешностью 1…2 %. Подстроечные резисторы из серии СП3 19а. Конденсаторы - КМ5 или КМ-6. Переключатели SB1…SB3 - из серии тумблеровПТ26-1, ПТ2-26 или кнопки серии ПКН6-1 необходимого варианта исполнения. Датчики температуры ВК1…ВК3 подсоединяются к прибору через разъемы Х1а…Х3а типа ОНЦ-ВГ, РШ2Н-1 или другие аналогичные. Выбор разъемов определяется их габаритными размерами.

Перечень элементов, входящих в состав термометра представлен в таблице 1.1

Таблица 1.1

Позиционное обозначение

Наименование

Количество

Примечание


Резисторы



R1

МЛТ-0,125 1к ±10%

1

МЛТ-0,125 20к ±10%

1

* -подбирается при регулировке

R3

МЛТ-0,125 2,2к ±10%

1

 

R4

СП3-19а 10к

1

 

R5

МЛТ-0,125 1к

1


R6

СП3-19а 1к

1



Конденсаторы



С1, С2

КМ-5 0,1 мк

2



Микросхемы



DA1

78L05

1



Светодиод



HL1

КИПД24В

1



Прочие элементы



SB1…SB3

Тумблер ПТ26-1

3


Х1…Х3

Разъем ОНЦ-ВГ

3


РА1

Микроамперметр М4248 50-0-50

 1


ВК1…ВК3

AD22100 AT

3



1.5 Конструктивные особенности термометра

Монтаж термометра выполняется навесным способом. Большинство деталей размещается на печатной плате рис.1.2. Она крепится на выводах микроамперметра РА1, который размещается на корпусе из изоляционного материала. На передней панели прибора, кроме микроамперметра, устанавливаются тумблеры SB1…SB3, разъемы Х1а…Х3а и светодиод HL1.

Поскольку датчики вынесены на расстояние более 1…2 м от измерительного блока, то соединительные провода должны быть экранированы. Датчики, установленные на открытом воздухе или в помещении с повышенной влажностью, а также места пайки проводок к их выводам обязательно защищают влагостойким, например, эпоксидным компаундом. При измерении температуры воды или другой жидкости на защиту датчиков от ее воздействия следует обратить особое внимание.

Эскиз корпуса термометра с расположенными на передней панели органами управления изображен на рис. 1.3. Электрическая схема кабеля, соединяющего датчик с соответствующим разъемом на передней панели, показан на рис.1.4. Электрическая монтажная схема соединений представлена на рис.1.5.

1.6 Технология изготовления печатной платы

.6.1 Общие особенности разработки и изготовления печатной платы

Проектирование печатной платы наиболее удобно проводить в масштабе 2:1 на миллиметровой бумаге или на ПК в программе Sprint-layout 4.0 rus с шагом 2,5 мм. При проектировании в масштабе 1:1 рисунок получается мелким, плохо читаемым и поэтому при дальнейшей работе над печатной платой неизбежны ошибки. Масштаб 4:1 приводит к большим размерам чертежа и неудобству в работе.

Все отверстия под выводы деталей в печатной плате целесообразно размещать в узлах сетки, что соответствует шагу 2,5 мм на реальной плате.

С таким шагом расположены выводы у большинства микросхем в пластмассовом корпусе и транзисторов.

В отверстия с шагом 2,5 мм, лежащие на сторонах квадрата 7,5×7,5 мм, удобно монтировать микросхему в круглом металлостеклянном корпусе. Для установки на плату микросхемы в пластмассовом корпусе с двумя рядами жестких выводов в плате необходимо просверлить два ряда отверстий. Шаг отверстий - 2,5 мм, расстояние между рядами кратно 2,5 мм.

Если размеры печатной платы заданы, вначале необходимо начертить ее контур и крепежные отверстия. Вокруг отверстий выделяют запретную для проводников зону с радиусом, несколько превышающим половину диаметра металлических крепежных элементов.

Далее следует примерно расставить наиболее крупные детали. Их размещение обычно связано с общей конструкцией устройства, определяемой размерами корпуса или свободного места в нем.

Часто, особенно при разработке портативных приборов, размеры корпуса определяют по результатам разводки печатной платы.

Микросхемы размещают так, чтобы все соединения на плате были возможно короче, а число перемычек было минимальным. В процессе разводки проводников взаимное размещение микросхем приходится менять не раз. Рисунок печатных проводников аналоговых устройств любой сложности обычно удается развести на одной стороне платы. Аналоговые устройства, работающие со слабыми сигналами, и цифровые на быстродействующих микросхемах независимо от частоты их работы целесообразно собирать на платах с двусторонним фольгированием, причем фольга той стороны платы, где располагают детали, будет играть роль общего провода и экрана. Фольгу общего провода не следует использовать в качестве проводника для большого тока, например, от выпрямителя блока питания, от выходных ступеней, от динамической головки.

Перед началом разводки необходимо измерить и записать размеры мест, занимаемых используемыми элементами. Резисторы МЛТ-0,125 устанавливают рядом, соблюдая расстояние между их осями 2,5 мм, а между отверстиями под выводы одного резистора - 10 мм. Так же размечают места для чередующихся резисторов МЛТ-0,125 и МЛТ-0,25, либо двух резисторов МЛТ-0,25, если при монтаже слегка отогнуть один от другого ( три таких резистора поставить вплотную к плате уже не удастся). С такими же расстояниями между выводами и осями элементов устанавливают большинство малогабаритных диодов и конденсаторов КМ-5 и КМ-6, вплоть до КМ-6Б емкостью 2,2 мкФ. Не надо размещать бок о бок две детали размером более 2,5 мм, их следует чередовать с деталями более узкими. Если необходимо, расстояние между контактными площадками той или иной детали увеличивают относительно необходимого.

Если резисторы, диоды и другие детали с осевыми выводами располагать перпендикулярно печатной плате, можно существенно уменьшить ее площадь, однако рисунок печатных проводников усложнится.

При разводке следует учитывать ограничения в числе проводников, умещающихся между контактными площадками, предназначенными для подпайки выводов радиоэлементов. Для большинства деталей диаметр отверстий под выводы может быть равен 0,8 мм.

Между контактными площадками отверстий с межцентровым расстоянием 2,5 мм провести проводник практически нельзя. Однако, это можно сделать, если у одного или обоих отверстий такая площадка отсутствует.

Вполне возможна прокладка проводника между контактной площадкой, центр которой лежит в 2,5 мм от края платы, и этим краем.

При использовании микросхем, у которых выводы расположены в плоскости корпуса (серии 133, К134 и др.), их можно смонтировать, предусмотрев для этого соответствующие фольговые контактные площадки с шагом 1,25 мм, однако это заметно затрудняет и разводку, и изготовление платы. Гораздо целесообразнее чередовать подпайку выводов микросхемы к прямоугольным площадкам со стороны деталей и к круглым площадкам через отверстия - на противоположной стороне. В этом случае плата должна быть двусторонняя.

Узел, собранный на печатной плате, подключают к другим узлам устройства гибкими проводниками. Чтобы не испортить печатные проводники при многократных перепайках, желательно предусмотреть на плате в точках соединений контактные стойки диаметром 1 и 1,5 мм. Стойки вставляют в отверстия. Просверленные точно по диаметру, и пропаивают.

Если разводка делается на бумаге, то предварительно ее необходимо выполнить мягким карандашом. Сторону печатных проводников рисуют сплошными линиями, обратную сторону - штриховыми.

По окончании разводки и корректировки чертежа под него кладут копировальную бумагу красящим слоем вверх и красной или зеленой шариковой ручкой обводят контуры платы, а также проводники и отверстия, относящиеся к стороне деталей. В результате на обратной стороне листа получится рисунок проводников для стороны деталей.

Далее необходимо вырезать из фольгированного материала заготовку соответствующих размеров и разметить ее с помощью штангенциркуля сеткой с шагом 2,5 мм.

После этого фломастером размечают по клеточкам центры всех отверстий, накалывают их шилом и сверлят все отверстия сверлом диаметром 0,8 мм.

После сверления платы заусенцы с краев отверстий снимают сверлом большего диаметра или мелкозернистым бруском. Плату обезжиривают, протерев салфеткой, смоченной спиртом или ацетоном, после чего, ориентируясь на положение отверстий, переносят на нее нитрокраской рисунок печатных проводников в соответствии с чертежом.

Необходимую густоту краски определяют опытным путем по качеству проводимых линий. При необходимости ее разбавляют ацетоном или растворителем647.

В первую очередь рисуют контактные площадки, а затем проводят соединения между ними, начиная с тех участков, где проводники расположены тесно. После того как рисунок в основном готов, следует по возможности расширить проводники общего провода и питания, что уменьшит их сопротивление и индуктивность, а значит, повысит стабильность работы устройства. Целесообразно также увеличить контактные площадки, особенно те, к которым будут припаяны стойки и крупногабаритные детали.

Протравленную плату тщательно отмывают от следов хлорного железа под струей горячей воды, одновременно очищая каким-либо скребком от рисунка, сделанного нитрокраской.

Промытую плату просушивают, рассверливают и раззенковывают при необходимости отверстия, в том числе и не имеющие контактной площадки, зачищают мелкозернистой наждачной бумагой, протирают салфеткой, смоченной спиртом или ацетоном, а затем покрывают канифольным лаком.

Перед монтажом радиоэлементов на плату потемневшие выводы следует зачищать до блеска, лудить их не обязательно. Микросхемы следует подпаивать за кончики выводов, вставляя их в монтажные отверстия не до упора, а лишь до выхода выводов со стороны пайки на 0,5…0,8 мм, - это облегчит их демонтаж случае ремонта и уменьшит вероятность замыканий в двусторонних платах. Под радиоэлементы в металлических корпусах при монтаже на двустороннюю плату следует подложить бумажные прокладки и приклеить их канифольным лаком. Смонтированную плату необходимо отмыть спиртом, пользуясь небольшой жесткой кистью, а затем покрыть канифольным лаком.

1.6.2 Технология ремонта печатной платы

При ремонте печатного монтажа необходимо учитывать, что печатная плата может быть покрыта изолирующим лаком, поэтому для подсоединения приборов к отдельным печатным проводникам следует применять острые наконечники. С их помощью можно проколоть защитную пленку и осуществить контакт с печатным проводником.

Для предотвращения отслаивания фольги при пайке необходимо, чтобы все выводы деталей были хорошо облужены. Место паек нужно смазать жидким флюсом и паять припоем ПОС-61. Пайка с применением флюса, содержащего кислоты, недопустима. При отсутствии специального паяльника для пайки плат можно применять обычные, мощностью 25 - 40 Вт, с заточенным жалом. Оно должно быть чистым, хорошо залуженным, с диаметром не более 4 мм. Время пайки должно быть минимальным. Длительное прогревание фольги не желательно, так как это приводит к ее отслаиванию.

При внешнем осмотре печатных плат нужно проверить целостность печатных проводников, убедиться в отсутствии трещин, разрывов, прогоревших участков, установить, не поврежден ли изолирующий слой между проводниками и проводящий слой в местах пайки навесных элементов.

В случае отслаивания фольги рекомендуется следующий способ ремонта:

) поврежденное место тщательно очищают от грязи;

) на фольгу в месте повреждения наносится тонкий слой клея БФ-2 или БФ-4;

) для ускорения склейки можно провести горячим паяльником по отслоившемуся участку фольги;

) тщательно проверить фольгу, убедиться в том, что отсутствуют паразитные замыкания и разрывы.

Если произошло отслаивание и разрыв фольги, то рекомендуется проделать следующее:

) удалить остатки фольги данного проводника;

) очистить плату от грязи;

) точки, электрический контакт которых необходимо восстановить, соединяются с помощью медного луженого проводника диаметром 0,3-0,4 мм.

1.6.3 Технология изготовления печатной платы при помощи лазерного принтера

Всё большую популярность приобретает способ изготовления единичных печатных плат с переносом рисунка с распечатки на лазерном принтере. Печатать лучше всего на тонкую мелованную бумагу - в ней меньше ворс, хороший результат получается на листах журнала "Стерео&Video", а также подложках "самоклеек" и термобумаге для факсов (сторону подобрать экспериментально). В лазерных принтерах следует включить режим максимальной подачи тонера (отключить "экономичный" режим, если он был включен, контраст - на максимум), а также использовать тракт с минимальным изгибом бумаги (такая опция есть в старых моделях HP LJ 2, LJ4 и др.). Рисунок платы должен быть "отзеркален", такая опция имеется в меню печати многих графических программ, например Corel Draw, Corel Photo Paint, а при печати из программ, не умеющих "зеркалить", необходимо применять вывод на Postscript принтеры, опция отзеркаливания у которых имеется в драйвере. Вместо вывода на лазерном принтере можно использовать ксерокопирование, но также в режиме с максимальной контрастностью и на термобумагу от факсов. При изготовлении двухслойных печатных плат для уменьшения термоусадки бумаги последнюю рекомендуется перед печатью изображения "прогнать" через принтер вхолостую (без печати рисунка). Кроме того, обе стороны должны быть на одном листе во избежание сильного рассогласования из-за разной термоусадки бумаги. Обезжиренная плата ложится медью вверх на ровную поверхность, сверху полученный отпечаток тонером вниз. Все это со стороны бумаги прижимается утюгом (секунд на 20 - 30), разогретым до температуры 80…85ºС. Утюг должен расплавлять изображение, сделанное лазерным принтером, не сразу. То есть тонер при такой температуре должен стать из твердого вязким, но не жидким. Когда плата остынет, её нужно опустить в теплую воду, подержать там несколько минут. Как бумага раскиснет всё легко сдерется, остальное просто скатать пальцем. Вместо воды удалить бумагу можно серной кислотой. Если дорожки смазанные, вы неаккуратно снимали утюг или ставили холодный груз. Если дорожки где-то отсутствуют, утюг слишком холодный. Если дорожки стали широкими, утюг слишком горячий, или слишком долго грели плату. Если плата двухсторонняя, то сначала на просвет совмещаются бумажные распечатки обеих сторон, в любых свободных противоположных местах иголкой прокалываются два технологических отверстия, первая сторона платы "гладится" как обычно, потом сверлится по технологическим отверстиям тонким сверлом, а с другой стороны по ним же на просвет совмещается с бумажной распечаткой другой стороны.

Травить можно и хлорным железом (для ускорения немного подогреть), и солянкой с гидропиритом.

Всё это применялось даже на гетинаксе, никаких отслоений дорожек нет, нормально выполняются дорожки шириной до 0,8 мм, а при некотором опыте и до 0,5 мм. После травления тонер удаляется ацетоном, смывкой лака для ногтей или аэрозолем Flux Off. Далее слесарные операции осуществляются в обычном порядке.

1.7 Особенности настройки термометра

Калибровку термометра производят, помещая один из датчиков поочередно в холодную и горячую среду, например, воду с контролируемой точным лабораторным термометром температурой. При температуре среды, близкой к нулевой (или другой, при которой мост должен быть сбалансирован), стрелку микроамперметра РА1 устанавливают на соответствующее показанию образцового термометра деление шкалы с помощью подстроечного резистора R6.

Затем переносят датчик в среду с температурой, как можно больше отличающейся от первой, дожидаются стабилизации показаний (стрелка микроамперметра РА1 должна перестать ползти) и вновь устанавливают стрелку на нужное деление. На этот раз - подстроечным резистором R4. Если пределов регулировки R4 недостаточно, следует изменить номинал резистора R2. Процедуру калибровки необходимо повторить несколько раз.

2. Основные характеристики термодатчиков

печатный плата электронный термометр

2.1 Технические характеристики интегральных датчиков температуры

Технические характеристики некоторых интегральных датчиков приведены в таблице 2.1.

Таблица 2.1 Датчики температуры


3. Техника безопасности

.1 Влияние электрического тока на человеческий организм

Электрический ток, проходя через тело человека, может вызывать два вида поражений - электрический удар электрическую травму.

Более опасен электрический удар, так как при нем поражается весь организм. Смерть наступает от паралича сердца или дыхания, а иногда от того и другого одновременно.

Электрическими травмами называют поражение током внешних частей тела; его ожоги, металлизация кожи и др. Поражения током носят, как правило, смешанный характер и завися от величины и рода действия, путей, по которым проходит ток, а также от физического и психического состояния человека в момент поражения.

Переменный ток промышленной частоты человек начинает ощущать при 0,6…15 мА. Ток 12…15 мА вызывает сильные боли в пальцах и кистях. Человек выдерживает такое состояние 5…10 с и может самостоятельно оторвать руки от электродов. Ток 20…25 мА вызывает очень сильную боль, руки парализуются, затрудняется дыхание, человек не может самостоятельно освободиться от электродов. При токе 50…80 мА наступает паралич дыхания, а при 90…100 мА - паралич сердца и смерть.

Менее чувствительно человеческое тело к постоянному току. Его воздействие ощущается при 12…15 мА. Ток 20…25 мА вызывает незначительное сокращение мышц рук. Только при токе 90…110 мА наступает паралич дыхания. Самый опасный - переменный ток частотой 50…60 Гц. С увеличением частоты токи начинают распространяться по поверхности кожи, вызывая сильные ожоги, но не приводя к электрическому удару.

Величина тока, проходящего через тело человека, зависит от сопротивления тела и приложенного напряжения. Наибольшее сопротивление току оказывает верхний роговой слой кожи, лишенный нервов и кровеносных сосудов. При сухой неповрежденной коже сопротивление человеческого тела электрическому току равно 40000…100000 Ом.

Роговой слой имеет незначительную толщину ( 0,05…0,2 мм ) и при напряжении 250 В мгновенно пробивается. Повреждение рогового слоя уменьшает сопротивление человеческого тела до 800…1000 Ом. Сопротивление уменьшается также с увеличением времени воздействия тока. Поэтому очень важно быстро устранить соприкосновение пострадавшего с токоведущими частями.

Исход поражения во многом зависит также от пути тока в теле человека. Наиболее опасны пути руки - ноги и рука - рука, когда наибольшая часть тока проходит через сердце.

На величину сопротивления, а, следовательно, и на исход поражения электрическим током большое влияние оказывает физическое и психическое состояние человека. Повышенная потливость кожного покрова, переутомление, нервное возбуждение, опьянение приводят к резкому уменьшению сопротивления тела человека (до 800…1000 Ом). Поэтому даже сравнительно небольшие напряжения могут привести к поражению электрическим током.

Каждый работающий с электро-, радиоаппаратурой должен помнить, что человеческий организм поражает не напряжение, а величина тока. При неблагоприятных условиях даже низкие напряжения (30…40 В) могут быть опасными для жизни. Если сопротивление тела человека равно 700 Ом, то опасным будет напряжение 35 В.

Заключение

Пояснительную записку данного курсового проекта можно рассматривать как конструкторский документ, на основании которого можно изготовить трехточечный термометр и его систему управления.

Пояснительная записка содержит описание работы электрической схемы термометра, печатную плату, электрическую монтажную схему; приводятся новейшие сведения по изготовлению единичных печатных плат, необходимые данные по настройке изделия. В разделе техники безопасности рассмотрены вопросы воздействия электрического тока на организм человека.

Пояснительная записка может являться учебным пособием при изучении соответствующих разделов дисциплины «Монтаж, наладка и эксплуатация САУ».

Приложения























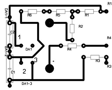
Рис.1.4 Схема печатной платы с расположением элементов (вид со стороны деталей)
















Список используемой литературы

1. Б.И. Горошков Автоматическое управление. М: ИРМО «Академия» 2003

. Ю.М.Келим Типовые элементы систем автоматического управления М.ИНФРА.2004

. В.Ю. Шишмарев Типовые элементы систем автоматического управления М.ИЦ Академия .2004

. В.З. Найдеров и др. Функциональные устройства на микросхемах, М., Радио и связь, 1985

. Н.Н. Горюнов и др. Справочник по полупроводниковым приборам. М., Энергия, 1985

. ГОСТ 2.105, ГОСТ 2.106 Правила оформления текстовой документации.

. Д.Граф, В.Шиитс. Энциклопедия электронных схем. Т.7, Ч.1, изд. ДМК, М., 2000

. Справочник « Радиокомпоненты и материалы « М., « Радио и связь «, 1996

. Г.Н. Полухина. Охрана труда в электротехнической промышленности «М., Энергия, 1990

Похожие работы на - Автоматическая измерительная система в виде электронного термометра

 

Не нашли материал для своей работы?
Поможем написать уникальную работу
Без плагиата!
Без нейросетей!