Часы реального времени

  • Вид работы:
    Курсовая работа (т)
  • Предмет:
    Информатика, ВТ, телекоммуникации
  • Язык:
    Русский
    ,
    Формат файла:
    MS Word
    251,69 Кб
  • Опубликовано:
    2012-09-11
Вы можете узнать стоимость помощи в написании студенческой работы.
Помощь в написании работы, которую точно примут!

Часы реального времени

СОДЕРЖАНИЕ

ВВЕДЕНИЕ

. ОСНОВНЫЕ ТЕОРЕТИЧЕСКИЕ СВЕДЕНИЯ

1.1 Микроконтроллер Atmega8 фирмы Atmel6

.2 Часы реального времени DS1307 фирмы Dallas Semiconductor

.3 LCD дисплей WH1602D фирмы Winstar

.АНАЛИЗ ПРИНЦИПА ДЕЙСТВИЯ РАЗРАБОТАННОЙ СХЕМЫ

.РЕАЛИЗАЦИЯ ПРОГРАММНОЙ ЧАСТИ

.1 Описание работы программы

.2 Описание исходного кода программы

ЗАКЛЮЧЕНИЕ

СПИСОК ИСПОЛЬЗУЕМЫХ ИСТОЧНИКОВ

ПРИЛОЖЕНИЕ

ВВЕДЕНИЕ

В современном мире ни один электрический прибор не обходится без использования микроконтроллеров. Равно как и не обходится без визуализации информации с помощью LCD дисплеев.

В данном курсовом проекте также используются оба эти элемента. Так, в качестве управляющего микроконтроллера был выбрал Atmega8 фирмы ATMEL. В качестве знакосинтезирующего ЖК-дисплея выбран WH1602D фирмы Winstar.

Помимо этого, важным элементом прибора является микросхема, носящая название «часы реального времени»(RTC) модели DS1307 фирмы Dallas Semiconductor, которые обеспечивают точный ход разрабатываемых часов.

В первой главе подробно рассматриваются все перечисленные элементы, приведены их параметры, характеристики, схемы и назначение выводов.

Вторая глава посвящена описанию принципиальной электрической схемы разрабатываемого устройства. Объяснено назначение каждого используемого пина микросхем.

Третья глава описывает программную часть проекта. Рассмотрены возможные варианты реализации, принципы работы каждого элемента с программной точки зрения. После чего даётся описание исходного кода микроконтроллера, всех реализованных функций.

. ОСНОВНЫЕ ТЕОРЕТИЧЕСКИЕ СВЕДЕНИЯ

.1 Микроконтроллер Atmega8 фирмы Atmel

программа часы микроконтроллер

Микроконтроллер ATmega8 выполнен по технологии CMOS, 8-разрядный, микропотребляющий, основан на AVR-архитектуре RISC. Выполняя одну полноценную инструкцию за один такт, ATmega8 достигает производительности 1 MIPS на МГц, позволяя достигнуть оптимального соотношения производительности к потребляемой энергии. Цоколевка микросхемы представлена на рисунке 1.1, назначение выводов приведено в таблицах 1-4.

Технические параметры:

Память для программ составляет 8 Кб с возможностью перезаписать 10 000 раз

байт флеш-памяти для хранения переменных (100 000 циклов перезаписи)

Кб ОЗУ и 32 регистра общего назначения

Два 8-разрядных Таймера/Счетчика с раздельным прескалером, режим сравнения

-разрядный Таймер/Счетчик с раздельным прескалером, режим сравнения, режим захвата

Таймер реального времени с независимым генератором

канала ШИМ

каналов 10-разрядного АЦП

Двухпроводный последовательный интерфейс

Программируемый последовательный USART

Интерфейс SPI с режимами Master/Slave

Программируемый сторожевой таймер с отдельным независимым генератором

Встроенный аналоговый компаратор

Сброс при включении питания, программируемая защита от провалов питания

Встроенный калиброванный RC-генератор

Обработка внутренних и внешних прерываний

режимов с пониженным энергопотреблением: Idle, ADC Noise Reduction, Power-save, Power-down, и Standby

Напряжение питания 4.5 - 5.5В

Тактовая частота 0-16 МГц

порта ввода/вывода, объединенных в 3 группы:

Порт В (PB0 - РВ7): Два вывода (РВ6 и PB7) используются для подключения кварцевого резонатора. Выводы РВ2 - РВ5 зарезервированы для внутрисхемного программирования. Таким образом, для общего применения остаются порты PB0 и PB1.

Порт С (PC0 - РС6 : 7 выводов): Порты PC0 - РС5 можно использовать в качестве аналоговых входов. РС6 обычно используется для сброса.

Порт D (PD0 - PD7 : 8 выводов): Эти порты можно использовать для общего применения.

Описание выводов микроконтроллера ATmega8

Название

Тип

Описание





7

VCC

Вход

напряжение питания от +4.5 до +5.5 В

8,22

GND

Вход

Общий (земля)

20

AVcc

Вход

напряжение питания + 5 В для модуля АЦП

21

ARef

Вход

вход опорного напряжения для АЦП


Таблица 1. Питание.

Название

Тип

Описание

14

PB0

Вход/Выход

цифровой порт РВ0

14

ICP1

Вход

захват входа 1





15

PB1

Вход/Выход

цифровой порт РВ1

15

OC1A

Выход

выход сравнения/ШИМ 1А





16

PB2

Вход/Выход

цифровой порт PB2

16

OC1B

Выход

выход сравнения/ШИМ 1В

16

SS

Вход

вход Slave для SPI





17

PB3

Вход/Выход

цифровой порт РВЗ

17

OC2

Выход

выход сравнения/ШИМ 2

17

MOSI

Вход/Выход

вход данных в режиме Slave для SPI и ISP / выход данных в режиме Master для SPI и ISP





18

PB4

Вход/Выход

цифровой порт РВ4

18

MISO

Вход/Выход

вход данных в режиме Master для SPI и ISP / выход данных в режиме Slave для SPI и ISP





19

PB5

Вход/Выход

цифровой порт РВ5

19

SCK

Вход/Выход

тактовый вход в режиме Slave для SPI и ISP / тактовый выход в режиме Master для SPI и ISP





9

PB6

Вход/Выход

цифровой порт РВ6 при работе от встроенного генератора

9

XTAL1

Вход

тактовый вход, кварцевый резонатор

9

TOSC1

Вход

не используется при работе от внешнего генератора





10

PB7

Вход/Выход

цифровой порт РВ7 при работе от встроенного генератора

10

XTAL2

Вход

для подключения кварцевого резонатора

10

TOSC2

Выход

тактовый выход при работе от встроенного генератора


Таблица 2. Порт B

Название

Тип

Описание





23

PC0

Вход/Выход

цифровой порт РС0

23

ADC0

Вход

аналоговый вход канал 0





24

PC1

Вход/Выход

цифровой порт РС1

24

ADC1

Вход

аналоговый вход канал 1





25

PC2

Вход/Выход

цифровой порт PC2

25

ADC2

Вход

аналоговый вход канал 2





26

PC3

Вход/Выход

цифровой порт РСЗ

26

ADC3

Вход

аналоговый вход канал 3





27

PC4

Вход/Выход

цифровой порт РС4

27

ADC4

Вход

аналоговый вход канал 4

27

SDA

Вход/Выход

канал данных для 2-проводного последовательного интрефеиса





28

PC5

Вход/Выход

цифровой порт РС5

28

ADC5

Вход

аналоговый вход канал 5

28

SCL

Выход

тактовый выход для 2-проводного последовательного интерфейса





1

PC6

Вход/Выход

цифровой порт РС6

1

RESET

Вход

внешний сброс


Таблица 3. Порт С

Название

Тип

Описание





2

PD0

Вход/Выход

цифровой порт PD0

2

RxD

Вход

вход приемника USART





3

PD1

Вход/Выход

цифровой порт PD1

3

TxD

Выход

выход передатчика USART





4

PD2

Вход/Выход

цифровой порт PD2

4

INT0

Вход

внешнее прерывание канал 0





5

PD3

Вход/Выход

цифровой порт PD3

5

INT1

Вход

внешнее прерывание канал 1





6

PD4

Вход/Выход

цифровой порт PD4

6

XCK

Вход/Выход

внешний такт для USART

6

T0

Вход

внешний вход Timer 0





11

PD5

Вход/Выход

цифровой порт PD5

11

T1

Вход

внешний вход Timer 1





12

PD6

Вход/Выход

цифровой порт PD6

12

AIN0

Вход

вход аналогового компаратора канал 0





13

PD7

Вход/Выход

цифровой порт PD7

13

AIN1

Вход

вход аналогового компаратора канал 1


Рисунок 1.1 - Расположение выводов Atmega8 в DIP корпусе

.2 Часы реального времени DS1307 фирмы Dallas Semiconductor

Часы реального времени с последовательным интерфейсом DS1307 - это малопотребляющие полные двоично-десятичные часы-календарь, включающие 56 байтов энергонезависимой статической ОЗУ. Адреса и данные передаются последовательно по двухпроводной двунаправленной шине. Часы-календарь отсчитывают секунды, минуты, часы, день, дату, месяц и год. Последняя дата месяца автоматически корректируется для месяцев с количеством дней меньше 31, включая коррекцию високосного года. Часы работают как в 24-часовом, так и в 12-часовом режимах с индикатором AM/PM. DS1307 имеет встроенную схему наблюдения за питанием, которая обнаруживает перебои питания и автоматически переключается на питание от батареи.

Точность часов зависит от точности кварцевого резонатора и точности соответствия между ёмкостной нагрузкой схемы тактового генератора и внутренней ёмкостью кварцевого резонатора. Дополнительная погрешность будет вноситься дрейфом частоты кварцевого резонатора, происходящим из-за температурных перепадов. Помехи и шум внешней схемы могут привести к убыстрению синхронизации.

Характеристики

часы реального времени (RTC) отсчитывают секунды, минуты, часы, дату месяца, месяц, день недели и год с компенсацией високосного года, действительной до 2100 года;

-байтовое энергонезависимое ОЗУ с питанием от батареи для хранения пользовательских данных;

двухпроводной последовательный интерфейс;

программируемый выходной сигнал с прямоугольными импульсами (для тактирования внешних устройств);

автоматическое обнаружение падения напряжение и схема переключения на батарею;

потребление менее 500 нА в режиме батарейной поддержки при работающем тактовом генераторе;

промышленный диапазон температур: от - 40 °C до + 85 °C;

микросхема производится в 8-выводных корпусах DIP и SOIC.

Выводы часов расположены следующим образом:

Рисунок 1.2 - Расположение выводов DS1307 в DIP корпусе

, X2 - Выводы для подключения кварцевого резонатора на частоту 32.768 кГц- Вывод для подключения 3-х вольтовой батареи резервного питания- Земля- линия данных шины i2c- линия тактовых импульсов шины i2c/OUT - выходной сигнал для тактирования внешних устройств- питание 5 вольт

Карта адресов для RTC и регистров ОЗУ представлена на рисунке. 1.3. Регистры RTC расположены в ячейках адресов от 00h до 07h. Регистры ОЗУ расположены в ячейках адресов от 08h до 3Fh. В процессе многобайтного доступа, когда адресный указатель достигает 3Fh (конец пространства ОЗУ), он перемещается на ячейку 00h - начало пространства RTC.

Рисунок. 1.3. Карта адресов DS1307

Информация от часов и календаря получается чтением соответствующих байтов регистра. Регистры RTC показаны на рисунке 1.4. Время и календарь устанавливаются или инициализируются записью соответствующих байтов регистра. Содержимое регистров времени и календаря имеет двоично-десятичный формат. Бит 7 регистра 0 - это бит останова часов (clock halt - CH). Когда этот бит установлен в 1, тактовый генератор выключен. Когда сброшен в 0, - тактовый генератор включен.может работать и в 12-часовом, и в 24-часовом режимах. Бит 6 регистра часов отвечает за выбор 12- или 24-часового режима. Когда он установлен в 1, выбран 12-часовой режим. В этом режиме бит 5 - это бит AM/PM, при этом высокий логический уровень означает PM. В 24-часовом режиме бит 5 - это бит второго десятка часов (20 - 23 часа).

При появлении на двухпроводной шине условия START, текущее время копируется во второй набор регистров. Информация о времени читается из этих вспомогательных регистров, в то время как часы могут продолжать работать. Это устраняет необходимость перечитывать регистры DS1307 в случае обновления их содержимого во время чтения.

Рисунок 1.4. Регистры хронометра DS1307

.3 LCD дисплей WH1602D фирмы Winstar

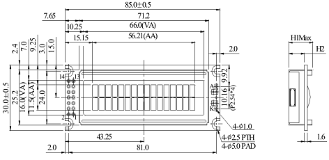
Рисунок 1.5. Размеры и номера выводов WH1602D дисплей WH1602D использует контроллер HD44780. Этот контроллер, производимый фирмой Hitachi фактически является промышленным стандартом при произведстве алфовитно-цифровых ЖКИ-модулей.

Аналоги этого контроллера или совместимые с ним по интерфейсу и командному языку выпускают множество фирм, среди которых: Epson, Toshiba, Sanyo, Samsung, Philips. Ещё большее число фирм производят ЖКИ-модули на базе данных контроллеров. Эти модули можно встретить в самых устройствах: измерительных приборах, медицинском оборудовании, промышленном и технологическом оборудовании, офисной технике - принтерах, телефонах.

Алфовитно-цифровые ЖКИ-модули представляют собой недорогон и удобное решение, позволяющее сэкономить время и ресурсы при разработке новых изделий, при этом обеспечивают отображение большого объёма информации при хорошей различимости и низком энергопотреблении.

Контроллер HD44780 потенциально может управлять 2-мя строками по 40 символов в каждой, при матрице символа 5 х 7 строчек.

В рамках одного формата могут производиться ЖКИ-модули нескольких конструктиров, отличающиеся как габаритами ЖКИ, так и размерами платы и посадки. В нашем случае используется WH1602D, размеры которого указаны на рисунке 1.5. Назначение выводов приведены в таблице 5.

№ вывода

Название

Функция

1

Vss

Общий (GND)

2

Vdd

Напряжение питания

3

Vo

Контрастность

4

RS

Команды/Данные

5

R/W

Чтение/запись

6

E

Выбор модуля

7

Линия данных 0

8

DB1

Линия данных 1

9

DB2

Линия данных 2

10

DB3

Линия данных 3

11

DB4

Линия данных 4

12

DB5

Линия данных 5

13

DB6

Линия данных 6

14

DB7

Линия данных 7

Таблица 5. Назначение выводов WH1602D

ЖКИ-модули могут оснащаться задней подсветкой, размещённой между ЖКИ и печатной платой, для чего ЖКИ производится полупрозрачным или прозрачным задним слоем. Сама подсветка может быть реализована несколькими способами: с помощью электролюминисцентной панели, представляющей собой тонкую плёнку, излучающей свет при прикладывании переменного тока повышенного напряжения порядка 100…150 В; люминисцентной лампой с холодным катодом(также работающей при повышенном напряжении), излучение которого равномерно распределяется по всей площади ЖКИ с помощью отражателя или светодиода; третий вариант - подсветка на основе светодиодной матрицы. Этот вариант не требует высоковольтного источника, кроме того имеет значительно большее время наработки. А также только она допустима к эксплуатации в расширенном диапазоне температор(-20оС…+70 оС). Этот вариант подсветки и используется в выбранном дисплее.


.АНАЛИЗ ПРИНЦИПА ДЕЙСТВИЯ РАЗРАБОТАННОЙ СХЕМЫ

Рисунок 2.1 - Принципиальная схема прибора ЧБ-1.

Основным элементом схемы является микроконтроллер Atmega8 фирмы ATMEL. К порту D контроллера подключён знакосинтезирующий ЖКИ дисплей WH1602D следующим образом: нулевой пин порта D подключён к входу RS - командный флаг - если подать 0, то мы посылаем команду. Если 1 -посылаются данные.

Первый пин к входу RW - Чтение/запись - 1 - читаем данные, 0 - записываем.

Второй пин на вход E - импульс - чтобы модуль начал обработку данных с остальных контактов, необходимо установить 1 на время подачи сигналов.

Третий мин оставляем свободным.

С четвёртого по седьмой - четырёхразрядная шина данных(4 пин порда D соответствует четвёртому пину порта данных, пятый пятому и т.д.). Первые четыре разряда порта данных дисплея подводим к «земле».

Также в LCD дисплее имеются контакты VDD и VSS, к которым подводят +5 вольт и «землю» соответственно.

Оставшийся контакт - VEE - отвечает за контрастность изображения. Если закоротить на минус, то получим максимальную контрастность. Необходимо этот контакт подключить к минусу через резистор номиналом 4.7 кОм(номинал определён опытным путём с помощью переменного резистора).

Далее рассмотрим пины порта B микроконтроллера. Порт используется для настройки часов и будильника, а также для подачи информационного сигнала на динамик.

Так, к нулевому пину порта подключена кнопка «+1 Hour», которая добавляет 1 час к значению времени(при замыкании на пин подаётся низкий уровень).

Первый пин используется для подключения динамика и вывода мелодии во время срабатывания будильника.

Ко всем последующим пинам также подключены кнопки:

Пин два - плюс 10 минут к значению времени\будильника.

Пин три - плюс 1 минута к значению времени\будильника.

Пин четыре - плюс 1 день к значению даты\будильника.

Пин пять - плюс 1 месяц к значению даты\будильника.

Пин шесть - останавливает проигрывание мелодии при срабатывании будильника.

Пин семь - переключает между отображением времени-даты и настройкой будильника.

От порта С задействованы лишь выводы SDA и SDL(пин четыре и пять соответственно). Они используются для образования связи с часами реального времени(RTC) DS1307 по I2C шине.

Ко входам X1 и X2 подключается кварцевый резонатор с частотой 32768 Гц(«часовой» кварц). Производитель DS1307 рекомендует заземлить корпус кварца, для уменьшения погрешности.

Ко входам SCA и SCL подводится +5 вольт через подтягивающие резисторы. Также эти входы образуют шину I2C с соответствующими входами микроконтроллера.

3.РЕАЛИЗАЦИЯ ПРОГРАММНОЙ ЧАСТИ

.1 Описание работы программы

Реализовать инкрементирование секунды можно несколькими способами:

. Используя встроенный в микроконтроллер таймер, сконфигурированный на вызов прерывания по совпадению.

. Используя внешнюю микросхему.

Рассмотрим оба варианта.

В первом случае необходимо настроить таймер на определённую частоту, кратную основной частоте микроконтроллера (в нашем случае она равна 4 МГц). Предделитель должен быть кратен степени двойки. Например, возьмём предделитель равный 1024. Тогда 4 * 106 / 1024 = 3906 - частота работы таймера, Гц. Для вызова прерывания необходимо задаться каким-либо числом для сравнения. Если взять число 7812(вдвое больше частоты работы таймера), то прерывание будет срабатывать каждые две секунды(поскольку Гц = 1/с, то число 3906 означает число тактов в секунду. И с заданным числом для сравнения как раз и сравнивается число тактов). Поскольку нам нужно инкрементировать значение часов каждую секунду, то число для сравнения должно быть 3906. Этот вариант не гарантирует высокой точности хода.

Второй вариант предусматривает использование отдельной микросхемы, отвечающей за ход часов. Всё, что нужно для работы - задать начальное значение даты и времени, а также подключить внешний «часовой» кварц. Далее и будем использовать этот вариант.

Из всех существующих микросхем была выбрана DS1307 ввиду её распространённости, простоты использования и дешевизны. Для получения текущего значения времени будем использовать прерывания по таймеру так, как было описано выше.

Средства используемой среды разработки(CodeVisionAVR) позволяют сильно упростить работу с LCD дисплеем, предлагая готовые функции инициализации и вывода символов. Но при этом мы обязаны работать по четырёхразрядной шине, вместо восьмиразрядной, что повлияет на скорость вывода информации. Обновлять информацию на дисплее будем сразу после считывания значения времени с микросхемы DS1307 в том же прерывании.

Для обеспечения возможности настройки часов и будильника, порт B микроконтроллера будет опрашивать состояние кнопок, соединенных с «землёй».

.2 Описание исходного кода программы

Строки 1-19: подключение необходимых заголовочных файлов, конфигурирование микроконтроллера для работы с внешними устройствами.

Строки 21-39: объявление глобальных переменных с заданием начальных значений.

Строки 43-50: функция, вызываемая по прерыванию таймера. Обнуляет значение счётчика, изменяет изначально заданное число для сравнения(поскольку при инициализации на дисплей выводится информационное сообщение и во время его отображение прерывание срабатывать не должно) и вызывает функцию Display();

Строки 52-67: функция About(). Выводит на дисплей «бегущую» строку с информацией об устройстве и её авторе.

Строки 69-74: функция Delay_note(). Используется для обеспечения возможности задания «паузы» в работе с помощью переменной(встроенная функция delay_ms() способна принимать только константы). Это необходимо при проигрывании мелодии, т.к. время задержки звука задана в массиве и для каждой ноты разное значение задержки.

Строки 76-108: функция Alarm(). Вызывается, когда значение даты и времени совпадает со значением переменных, хранящих настройки будильника. Она выводит на дисплей сообщение о включении будильника и проигрывает мелодию, задавая логические уровни на входе динамика с определённой частотой, значение которых хранится в массиве.

Строки 110-222: функция Display(). Обрабатывает значением переменных времени, предотвращая ввод неверных значений времени(например, если значение hour=23, то нажимая на кнопку «+1 Hour», значение hour обнуляется, инкрементируя значение переменной day, после чего выводит информацию на дисплей. Аналогичные операции функция проделывает, если идёт работа с настройкой будильника.

Строки 224-298: функция Setting().Отвечает за обработку нажатия кнопок, соответствующим образом подстраивая часы или будильник. Также отвечает за остановку будильника.

Строки 300-354: функция main(). Производит начальную настройку портов ввода\вывода, значение регистров таймера, включает прерывания, после чего инициализирует LCD дисплей и сразу же вывод информационное сообщение с помощью функции About(). Затем инициализирует работу I2C шины и микросхемы RTC DS1307, задаёт ей начальные значения даты и времени, после чего входит в бесконечный цикл, вызывая функцию Settings() для обработки нажатия клавиш и проверяя необходимость включения будильника.

ЗАКЛЮЧЕНИЕ

В данном курсовом проекте была написана программа для микроконтроллера Atmega8 фирмы ATMEL. Программа была написана на языке С и составляет более 350 строк кода, реализующих взаимодействие со сторонними устройствами, вместе образующие устройство часов с функцией будильника. Разработка программы велась в среде программирования CodeVisionAVR 1.25.

Спроектированная принципиальная электрическая схема и созданная «прошивка» микроконтроллера проверены с помощью программного продукта Proteus 7.10 SP0, позволяющего симулировать работу электрических схем. В процессе выполнения проекта были сделаны обоснования выбора способа решения поставленной задачи, даны описания используемых компонентов.

СПИСОК ИСПОЛЬЗУЕМЫХ ИСТОЧНИКОВ

http://piclist.ru/D-DS-DS1307-RUS/D-DS-DS1307-RUS.html (дата обращения: 24.08.2012)

<http://my-avr.at.ua/publ/1-1-0-17> (дата обращения: 24.08.2012)

Datasheet ATmega8. © Atmel Corporation. <http://www.atmel.com/> (дата обращения: 24.08.2012)

Белов Л.В. Самоучитель разработчика устройств на микроконтроллерах AVR. - СпБ.: «Наука и техника», 2008 г. - 196 с.

ПРИЛОЖЕНИЕ

#include <mega8.h>

// I2C Bus functions

#asm

.equ __i2c_port=0x15 ;PORTC

.equ __sda_bit=4

.equ __scl_bit=5

#endasm

#include <i2c.h>

#include <ds1307.h>

#asm

.equ __lcd_port=0x12 ;PORTD

#endasm

#include <lcd.h>

#include <stdio.h>

#include <delay.h>

#include <bcd.h>

al_cl=0;char lcd_buffer[33];char hour=10; char min=2;char sec=30; char day=10; char month=9;char year=12; char hour_b=12;char min_b=0; char day_b=10; char month_b=9;char melody[] = {99,175,109,107,106,102,99,144,111,175,96,99,107,107,107,107,102,104,170,96,99,109,109,109,109,107,106,143,109,141,99,109,109,109,109,111,176,96,104,116,112,109,107,106,64,73,143,107,131,99,144,80,80,112,111,64,75,173,128,0};int notefreq[] = {0,4748,4480,4228,3992,3768,3556,3356,3168,2990,2822,2664,2514,2374,2240,2114,1996,1884,1778,1678,1584,1495,1411,1332,1257,1187,1120,1057,998,942,889,839,792};int pausedelay[] = {32,64,128,256,512,1024,2048,4096}; max_day[]={31,28,31,30,31,30,31,31,30,31,30,31};

#pragma rl+ char arr[] = "

Курсовой проект студента группы #113319 Гундина Александра. 2012. (Часы-будильник) " ;

#pragma rl- Display();

// Timer 1 output compare A interrupt service routine[TIM1_COMPA] void timer1_compa_isr(void)

{H=0;L=0;AH=0x0F;AL=0x42;();

}About(void)

{ int i=0 , a=0;

_gotoxy(0,0);

(i=0; i < sizeof(arr)-16 ; i++)

{(a=0; a<15 ; a++)

{_gotoxy(a,0); _putchar(arr[i+a]);

}_ms(50);

}

} delay_note (unsigned int delay)

{ i;(i=0; i< delay; i++) _ms(1);

}Alarm()

{ char freqnote;// Код нотыchar delaynote;// Код длительностиchar tmp;// Временная переменная cnt;

_clear();(lcd_buffer," ALARM!!!");

lcd_puts(lcd_buffer);=0;// На начало мелодии

while (melody[cnt]!=0)

{ (PINB.6==0) // Stop ALARM; =melody[cnt];= tmp&0x1F;// Код ноты

delaynote = (tmp>>5)&0x07;// Код длительности(freqnote!=0)// Если не пауза

{// включаем звукA=notefreq[freqnote];A=0x40;

}_note(pausedelay[delaynote]); // выдерживаем длительность нотыA=0x00; //выключаем звук

delay_note(8); //выдерживаем паузу

//чтоб две ноты не сливались в одну++;// Следующая нота

} _clear();

} Display()

{ (al_cl==0) //режим Alarm/clock(+)

{

/// Условия часов.(sec>59) // если сек = 60

{++; // добавляем 1 к переменной "минута"

sec=0; //зануляем переменную "секунда" _set_time(hour,min,sec);

}(min>59) // если мин = 60

{++; // добавляем 1 к переменной "час"

min=0; // зануляем переменную "минута" _set_time(hour,min,sec);

}(hour>23) // так как у нас часы имеют 24 часовый формат

{ // при достижении 24 часов, онулируем все переменные.

hour=min=sec=0;++; _set_time(hour,min,sec); _set_date(day,month,year);

} ((month==2) && ((year%4)==0))

{(day > max_day[month-1]+1) day=1;(day==0) day = max_day[month-1]+1;

}

{(day > max_day[month-1]) day=1;(day==0) day = max_day[month-1];

}

(month>11)

{=day=1;++; _set_date(day,month,year);

} _get_time(&hour,&min,&sec); //считать время_get_date(&day,&month,&year); //считать дату _gotoxy(4,0); _putchar(hour/10+0x30);_putchar(hour%10+0x30);_putchar(':');_putchar(min/10+0x30);_putchar(min%10+0x30);_putchar(':');_putchar(sec/10+0x30);_putchar(sec%10+0x30); _gotoxy(4,1);_putchar(day/10+0x30);_putchar(day%10+0x30);_putchar('.');_putchar(month/10+0x30);_putchar(month%10+0x30);_putchar('.');_putchar(year/10+0x30);_putchar(year%10+0x30);

}

{ (min_b>59) // если мин = 60

{_b++; // добавляем 1 к переменной "час" =0; // зануляем переменную "минута"

}(hour_b>23) // так как у нас часы имеют 24 часовый формат

{ // при достижении 24 часов, онулируем все переменные.

hour_b=0;_b=0; _b++;

} ((month_b==2) && ((year%4)==0))

{(day_b > max_day[month_b-1]+1) day_b=1;(day_b==0) day_b = max_day[month_b-1]+1;

}

{(day_b > max_day[month_b-1]) day_b=1;(day_b==0) day_b = max_day[month_b-1];

}(month_b>11)

{=1;=1;

} _gotoxy(0,0); _putchar('A');_putchar('l');_putchar('.');_putchar(' ');_putchar(hour_b/10+0x30);_putchar(hour_b%10+0x30);_putchar(':');_putchar(min_b/10+0x30);_putchar(min_b%10+0x30);_gotoxy(4,1);_putchar(day_b/10+0x30);_putchar(day_b%10+0x30);_putchar('.');_putchar(month_b/10+0x30);_putchar(month_b%10+0x30);

}

}Setings()

{ (al_cl==0) //режим Alarm/clock(+)

{(PINB.0==0) //+1 HOUR

{_ms(250); // задержка 1/4 сек. (для удобства) выбора++;_set_time(hour,min,sec);

}(PINB.2==0) // +10 MIN

{_ms(250); (min<50)min+=10; _set_time(hour,min,sec);

}(PINB.3==0) // +1 MIN

{_ms(250); ++; _set_time(hour,min,sec);

}(PINB.4==0) // +1 DAY

{_ms(250); ++; _set_date(day,month,year);

} (PINB.5==0) // +1 MONTH

{_ms(250); ++; _set_date(day,month,year);

} (PINB.7==0)

{_ms(250); _cl=1;

}

}

{ (PINB.0==0)

{_ms(250); _b++;

}(PINB.2==0)

{_ms(250); (min_b<50)min_b+=10;

}(PINB.3==0)

{_ms(250);_b++;

}(PINB.4==0)

{_ms(250); _b++;

}(PINB.5==0)

{_ms(250); _b++;

} (PINB.7==0)

{_ms(250); _cl=0; _clear();

}

}

}main(void)

{tmp;=0xFF; =0x02;=0xFF;=0x00;

=0xFF;=0x00;

=0x80;A=0x00;B=0x05;H=0x00;L=0x00;H=0x00;L=0x00;AH=0xB7;AL=0x00;BH=0x00;BL=0x00;

// Timer(s)/Counter(s) Interrupt(s) initialization=0x10;

// LCD module initialization_init(16);();

// Global enable interrupts

#asm("sei")c_init();_init(0,1,0);=rtc_read(0x00);=tmp&0b01111111;_write(0x00,tmp);=rtc_read(0x02);=tmp&0b10111111;_write(0x02,tmp);_set_date(day,month,year); //установить дату: день,месяц,год

rtc_set_time(hour,min,sec); //установить время: часы, минуты, секунды

lcd_clear(); (1)

{ ();(hour==hour_b && min==min_b && day==day_b && month==month_b) // срабатывание будильника

Alarm();

};

}

1.      

Похожие работы на - Часы реального времени

 

Не нашли материал для своей работы?
Поможем написать уникальную работу
Без плагиата!
Без нейросетей!