Автоматизации технологического участка производственного предприятия

  • Вид работы:
    Контрольная работа
  • Предмет:
    Информационное обеспечение, программирование
  • Язык:
    Русский
    ,
    Формат файла:
    MS Word
    437,43 Кб
  • Опубликовано:
    2012-04-29
Вы можете узнать стоимость помощи в написании студенческой работы.
Помощь в написании работы, которую точно примут!

Автоматизации технологического участка производственного предприятия

Задание 1. Разработать алгоритм автоматизации технологического участка производственного предприятия

Производственное предприятие машиностроительного профиля имеет три цеха металлообработки, оснащённые фрезерными и токарными станками с числовым программным управлением. Для перемещения заготовок и деталей общей массой до 1200 кг на предприятии имеется грузовая тележка (рис.1), оснащённая электроприводом постоянного тока, который получает питание от аккумуляторной батареи 6. Грузовая тележка перемещается по горизонтальному рельсовому пути 7, который, благодаря расположению производственных цехов, и склада готовой продукции, имеет три правых и один левый повороты (рис. 2). Таким образом, движение тележки от зоны загрузки к месту разгрузки можно автоматизировать.

Рис. 1. Общий вид тележки для перемещения груза

Для этого нам необходим реверсивный тяговый привод , что уже предусмотрено конструкцией, и привод поворота передней оси 5. Также тележку необходимо оснастить устройством, позволяющим определять место поворота к нужному цеху и место остановки для погрузки или разгрузки. Для этой цели можно использовать фотоэлектрические датчики 4, а на месте поворота или остановки установить пластины, окрашенные в светлый тон для лучшего отражения света. Кроме того, на тележке требуется установить пульт управления 1, позволяющий управлять пуском и задавать маршрут перемещения: номера цехов, куда необходимо доставить заготовки. Для предупреждения персонала о передвижении, на тележке установлена звуковая и световая сигнализации. Также на тележку спереди и сзади необходимо установить ультразвуковые датчики 3, сигнал от которых при обнаружении препятствия в зоне действия, вызовет отключение тягового двигателя 8 и включение блока динамического торможения. Данная мера предназначена для предотвращения выхода из строя механизмов тележки от столкновения со случайным препятствием, и повреждения самих препятствий.

Рис. 2. Расположение производственно-складских помещений с указанием точек маршрута

Задание маршрута происходит следующим образом:

Клавишей "Вверх" выбирается пункт назначения груза (точка маршрута). Далее нажимается кнопка "Пуск", и через 10 с включаются звуковая и световая сигнализации, и тележка начинает перемещение от стартовой позиции к указанной точке. Если на тележке находятся заготовки для нескольких цехов, то после выбора первой точки нажимается клавиша "Ввод". Когда задана последняя точка маршрута, нажимается кнопка "Пуск". После остановки тележки на промежуточной точке и разгрузке с неё необходимых заготовок, нажимается кнопка "Пуск" и тележка начинает перемещение к следующей точке маршрута.

Когда тележка достигнет конечной точки, на пульте выбирается код исходной точки (склад заготовок - точка 0) и нажимается кнопка "Пуск". Тележка возвращается в начальный пункт маршрута.

Если после разгрузки заготовок в каком-либо цехе возникла необходимость отправить готовые детали на склад, то на пульте управления выбирается код 4 (склад готовой продукции) и нажимается клавиша "Ввод", а затем - кнопка "Пуск". После отработки заданных в исходной точке маршрутов, тележка отправится к точке 4.

Для определения мест поворота и остановки применяются фотоэлектрические датчики (рис. 3), состоящие из источника света (сверху) и приёмника света. При перемещении тележки свет из датчика попадает на тёмную поверхность пола и большая часть его поглощается. При попадании света на гладкую пластину большая часть его отражается в приёмник, и в схему управления поступает определённый сигнал.

Рис. 3. Фотоэлектрические датчики. Вид снизу

Если засвечены два левых датчика, то система управления воспринимает это как признак левого поворота при движении вперёд, либо как признак реверса тягового привода при движении назад при отработке разветвлённого маршрута. Если засвечены два правых датчика, то система управления воспринимает это как признак правого поворота при движении вперёд, либо как признак реверса тягового привода при движении назад при отработке разветвлённого маршрута. Если засвечены все четыре датчика, то система управления воспринимает это как признак окончания перемещения и вырабатывает команду торможения.

Таким образом, сигналы от пульта управления и фотоэлектрических датчиков нужно подавать на порт ввода/вывода микроконтроллера, который настраивается на ввод информации. Сигналы от ультразвуковых датчиков нужно подать на входы порта, отвечающие за обработку внешних прерываний. Т.о. аварийные сигналы будут обрабатываться в режиме прерывания основной программы. Сигналы управления приводами тележки и блоком динамического торможения поступают из порта, настроенного на вывод информации.

Для построения алгоритма составим таблицу входных, выходных и промежуточных сигналов.

Сигналы

Назначение

Примечание

Входные сигналы

"Ввод"

Запись в память кода точки маршрута


"Вверх"

Выбор кода точки маршрута


"Пуск"

Запуск выполнения/продолжения программы


"Влево"

Признак левого поворота

Сигналы от фотоэлектрических датчиков

"Вправо"

Признак правого поворота


"Стоп"

Признак остановки


"Авария"

Вызов подпрограммы обработки внешнего прерывания

Сигнал от ультразвуковых датчиков

Выходные сигналы

КМ1,КМ2

Управление тяговым приводом

вперёд/назад

КМ3,КМ4

Управление приводом поворота

влево/вправо

KМ5

Управление блоком динамического торможения


KV

Управление световой и звуковой сигнализацией


Промежуточные сигналы

Т5

Окончание выдержки времени 5 с


Т10

Окончание выдержки времени 10 с


Т30

Окончание выдержки времени 30 с



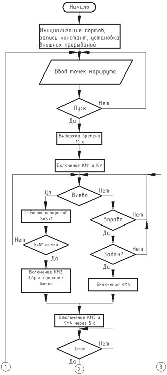
На основании вышеизложенного составим алгоритм основной программы управления контроллером:



Рис. 4. Алгоритм основной программы контроллера

Сигналы от ультразвуковых датчиков инициируют запуск подпрограммы обработки внешнего прерывания, алгоритм которой представлении ниже:

Рис. 5. Алгоритм подпрограммы обработки внешнего прерывания

автоматизация технологический логический контроллер

Задание 2. Выбрать ПЛК и разработать управляющую программу для реализации РКС

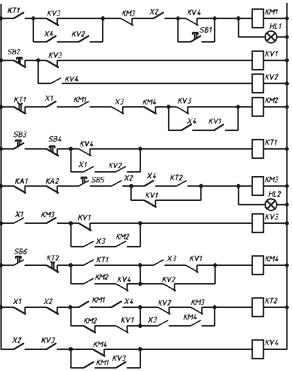
Релейно-контактная схема управления объектом


Для реализации данной схемы выбираем логический контроллер S7-1200 фирмы Siemens с модулем процессора 1214С. Модуль процессора имеет 14 каналов для ввода дискретных сигналов и 10 каналов для вывода дискретных сигналов. К достоинствам данного контроллера можно отнести наличие символических адресов, т.е. программисту не нужно запоминать адреса входов и выходов, а использовать в программе принятые на принципиальной схеме обозначения кнопок, реле, контакторов и т.п. Составим таблицу, в которой отразим соответствие входных и выходных сигналов адресам ввода/вывода. Для использования выходных сигналов в тексте программы необходимо записать их состояния в память контроллера. Состояния промежуточных сигналов реле времени также записываются в память контроллера.

Таблица 1.1. Адреса входных и выходных сигналов.

Входной сигнал

Адрес

Адрес

Адреспамяти

SB1

I0.0

KM1

O0.0

М1.0

SB2

I0.1

KM2

O0.1

М1.1

SB3

I0.2

KM3

O0.2

М1.2

SB4

I0.3

KM4

O0.3

М1.3

SB5

I0.4

KV1

O0.4

М1.4

SB6

I0.5

KV2

O0.5

М1.5

X1

I0.6

KV3

O0.6

М1.6

X2

I0.7

KV4

O0.7

М1.7

X3

I1.0

Промежуточные сигналы

X4

I1.1

КТ1

T1

М2.0

KA1

I1.2

КТ2

T2

М2.1

KA2

I1.3





Составим логические выражения для выходных переменных:


Составим логические выражения для промежуточных переменных:



По полученным выражениям составим программу управления логическим контроллером на языке STL:

);

);

A(;

ON KV4;

O SB1;

);

S KM1; //Запись в память состояния КМ1

A KM1; // Чтение из памяти состояния КМ1

= KM1; // Установка выхода в состояние КМ1

AN T1;X1;KM1;X3;KM4;( ;KV3;( ; X4;

A KV1;

) ;

) ;

S KM2; //Запись в память состояния КМ2

A KM2; // Чтение из памяти состояния КМ2

= KM2; // Установка выхода в состояние КМ2

AN KA1;KA2;SB5;X2;( ;KV1;( ;X4; KT2;

) ;

) ;

S KM3; //Запись в память состояния КМ3

A KM3; // Чтение из памяти состояния КМ3

= KM3; // Установка выхода в состояние КМ3

A SB6;T2;( ;KT1;( ;KM2;KV4;

) ;

) ;( ;KV2;( ;

A X3;

AN KV1;

) ;

) ;

S KM4; //Запись в память состояния КМ4

A KM4; // Чтение из памяти состояния КМ4

= KM4; // Установка выхода в состояние КМ4

AN SB2;

AN KV3;

S KV1; //Запись в память состояния КV1

A KV1; // Чтение из памяти состояния КV1

= KV1; // Установка выхода в состояние КV1

AN SB2;

A KV4;

S KV2; //Запись в память состояния КV2

A KV2; // Чтение из памяти состояния КV2

= KV2; // Установка выхода в состояние КV2

A X1;KM3;( ;KV1;( ;

A X3;

A KM2;

) ;

) ;

S KV3; //Запись в память состояния КV3

A KV3; // Чтение из памяти состояния КV3

= KV3; // Установка выхода в состояние КV3

A X2;KV3( ;KM4;( ;

A KM1;

A KV3;

) ;

) ;

S KV4; //Запись в память состояния КV4

A KV4; // Чтение из памяти состояния КV4

= KV4; // Установка выхода в состояние КV4

A SB3;SB4;( ;KV4;( ;

A X1;

A KV2;

) ;

) ;

L S1T#1s; // Значение уставки времени - 1 с

SF T1; // Запуск таймера с задержкой на отключение

S KT1; //Запись в память состояния КT1

A KT1; // Чтение из памяти состояния КT1

AN X1;X2;( ;( ;KM1;X4;

) ;( ;KM2;KV1;

) ;

) ;( ;KM3; KV2;

) ;

) ;

L S2T#1s; // Значение уставки времени - 1 с

SF T2; // Запуск таймера с задержкой на отключение

S KT2; //Запись в память состояния КT2

A KT2; // Чтение из памяти состояния КT2

Приведём схему подключения внешних цепей контроллера:


Список использованной литературы


1.       SIMATIC S7-1200 - микроконтроллер для Totally Integrated Automation. Технический каталог. ООО Siemens, 2009 г.

2.       Ганс Бергер. Автоматизация посредством STEP 7 с использованием STL и SCL и программируемых контроллеров SIMATIC S7-300/400. 2001 г.

Похожие работы на - Автоматизации технологического участка производственного предприятия

 

Не нашли материал для своей работы?
Поможем написать уникальную работу
Без плагиата!
Без нейросетей!