Технология ремонта, настройки и регулировки ресивера 'Samsung DSB-350'

  • Вид работы:
    Дипломная (ВКР)
  • Предмет:
    Информатика, ВТ, телекоммуникации
  • Язык:
    Русский
    ,
    Формат файла:
    MS Word
    2,25 Мб
  • Опубликовано:
    2012-05-17
Вы можете узнать стоимость помощи в написании студенческой работы.
Помощь в написании работы, которую точно примут!

Технология ремонта, настройки и регулировки ресивера 'Samsung DSB-350'

Содержание

 

Введение

1. Технологическая часть

1.1 Технические характеристики спутникового терминала

1.2 Антенны спутникового приема СТВ-12 с позиционером

1.3 Геостационарные спутники работающие в Ku-дапазоне

1.4 Спутниковый терминал на базе ресивера

1.4.1 Технические параметры конвертера Ku-диапазона

1.4.2 Технические параметры ресивера SAMSUNG DSB-350

1.4.3 Структурная схема ресивера SAMSUNG DSB-350

1.4.4 Электрическая схема SAMSUNG DSB-350

1.4.5 Интерфейс СМАРТ-карт

1.5 Расчетная часть. Программирование CAM-модуля

2. Организационная часть

2.1 Организация рабочего стола радиомеханика

2.2 Перечень контрольно-измерительных приборов и инструментов

2.3 Охрана труда

2.4 Методика настройки параболической антенны и конвертера

2.5 Технология ремонта ресивера SAMSUNG DSB-350

2.6 Испытание и прогон

3. Экономическая часть

3.1 Исходные данные

3.2 Организация ремонтной мастерской

3.2.1 Эффективный фонд времени

3.2.2 Расчет площади мастерской

3.3 Технико-экономические показатели

3.3.1 Расчет численности работающих в ремонтной мастерской можно произвести 2 - мя методами:

3.3.2 Расчет фонда заработной платы

3.4 Расчет отчислений в Пенсионный фонд

3.5 Расчет годового объема работ

3.6 Смета цеховых расходов

3.6.1 Общепроизводственные расходы

3.7 Расчет производственной себестоимости

3.7.1 Калькуляция полной себестоимости

3.8 Основные технико-экономические показатели работы участка

Заключение

Список литературы

Введение

Устройства для приема спутникового сигнала. Их называют "спутниковые ресиверы" - устройства для раскодировки спутникового сигнала и передачи его на ТВ устройство для показа. Современный спутниковый сигнал - цифровой, поэтому его необходимо перевести в доступный вид. Однако все не так просто, что бы хоть что то понимать в ресиверах, необходимо сказать пару слов о кодированном ТВ.

Что бы сделать просмотр ТВ более качественным, необходима финансовая подпитка компаний. Поэтому появилось платное ТВ. Что бы платное ТВ смотрели только те, кто заплатил денежки - ввели систему кодирования. Кодирование - штука тонкая, однако жажда халявы и вполне реальные чувства обиды берут свое и знания простых людей расширяются постоянно в этом направлении.

Ресивер внешне напоминает видеомагнитофон. У него есть входы (DVB спутниковый вход) и выходы (SCART, RCA, Audio). На вход подается спутниковый сигнал, а с выхода идет обычный видеосигнал. Если ресивер принимает только открытый (не закодированный) сигнал, то он называется FTA (Free To Air) ресивером. Это самые дешевые устройства на рынке (от 1500 рублей).

Следующий тип ресиверов имеет специальный модуль, который зашит в ресивер. Как правило, он поддерживает только один тип карт кодированного ТВ и далеко не всегда может быть изменен. В России два оператора платного ТВ - НТВ+ и Триколор ТВ. Соответственно ресиверы бывают с включенным специальным модулем - поддержкой кодировки Viaccess (НТВ+) или со специальным модулем Z-crypt (Триколор). Правда Триколор не имеет карт и помимо модуля, в ресивер встраивается эмулятор карты. На самом деле кодировок гораздо больше и если предположим вы хотите смотреть канал Viasat и у Вас есть родственник, который оплачивает за Вас подписку в Прибалтике, то Вам нужен ресивер со специальным модулем с поддержкой Videoguard.

Однако встраиваемые модули теряют универсальность. В ресивер с Viaccess модулем, нельзя вставить Viasat карту. Для этого был придуман универсальный CI (Common Interface) интерфейс. Он представляет из себя PCMCIA совместимый разъем, в который вставляется специальный модуль - CAM модуль. Это устройство содержит программу для работы с картами доступа и имеет два разъема. Один для установки в ресивер, другой - картоприемник. Такие CAM модули сразу поддерживают несколько кодировок для различных карт доступа и иногда могут быть перепрограммированы на другие кодировки. Ресивер обязательно должен иметь CI интерфейс, что бы в него можно было вставить такой модуль.

То, что тут написано - это довольно важно, поскольку нас всех ожидает переход на цифровое наземное ТВ и никто не может предсказать чем это кончится. В Москве уже есть кодированные эфирные цифровые каналы именно с таким принципом работы.

1. Технологическая часть


1.1 Технические характеристики спутникового терминала


Первое, на что нужно обратить внимание, к какому типу относится модель интересующего спутникового ресивера. Наиболее многочисленный класс аппаратуры - это спутниковые ресиверы, предназначенные для приема телепрограмм обычной четкости. О возможности приема таких программ свидетельствует поддержка данной моделью спутникового ресивера стандарта вещания DVB-S / MPEG2. Другой, пока менее распространенный на рынке класс аппаратов, - это спутниковые ресиверы, позволяющие принимать спутниковые программы, транслирующиеся с использованием более прогрессивного способа вещания (стандарт DVB-S2/MPEG-4 h2.64). Отличительной чертой этого стандарта является применение эффективных средств обработки сигнала, позволяющих увеличить число каналов обычной четкости, транслирующихся в цифровом пакете, и передавать программы в формате HDTV. Известные модели аппаратов, относящихся к этому классу, являются мультистандартными - они могут использоваться и для просмотра программ, транслирующихся в соответствии с требованиями стандарта DVB-S / MPEG-2.

Основные характеристики антенны:

Материал: Сталь (0,8мм)

Тип зеркальной системы: offset

Размеры рефлектора: 900x1000мм.

Ширина луча: 2 гр.

Фокусное расстояние: 450 мм.

Тип подвески: Азимутальная

Диапазон установки: 10"-70"

Способ изготовления: Горячая штамповка

Покрытие материала: Порошковое напыление

Цвет: Светло-серый

Спецификации:

Фокусное расстояние, мм: 450

Диапазон частот, Ггц: 10,95 - 12,75

Коэффициент усиления (11,3 Ггц), дб: 39.1

Ширина луча, град: 2.0

Уровень кроссполяризации, дб: < 30

Отношение фокуса к диаметру: 0,5

Подвеска и база:

Тип подвески: Азимут. - угломестная

Диапазон перемещения по азимуту, град.: 0-360

Рабочая устойчивость от ветра, м/сек: < 25

Разрушающая сила ветра, м/сек: 45

Масса антенны + база, кг: 8

Страна-производитель: Россия

Спутник Eutelsat W4, выведенный на орбиту в мае 2000 г., является четвертым из серии аппаратов, построенных для "Eutelsat" фирмой "Алкатель Спэйс". Российский луч спутника W4 обеспечивает покрытие Восточной Европы и европейской части России с высокой излучаемой мощностью своих 19 стволов, предназначенных для предоставления широкого спектра услуг, включая телевидение, радио, мультимедиа и Интернет. В рамках дистрибьюторского соглашения с компанией "Eutelsat", подписанного в июле 2002 года, "Интерспутник" осуществляет маркетинг и продажу спутниковой емкости и телекоммуникационных услуг системы "Евтелсат". Сегодня "Интерспутник" использует значительный ресурс на спутнике W4 для обеспечения вещания телеканалов одной крупнейших телекомпаний непосредственного вещания в странах СНГ.

Характеристики спутника:

Орбитальная позиция 36,1° в. д.

Дата запуска 24 мая 2000 г.

Производитель Alcatel Space (Франция)

Срок службы 12 лет

Контрольная станция Eutelsat Communications System Control Centre (Франция)

Диапазон частот Ku

Количество транспондеров 31 (19 работают в российском луче)

Полоса пропускания, МГц 33

Диапазон рабочих частот (линия вверх / линия вниз)

,30 - 18,10ГГц / 11,70 - 12,50ГГц

Поляризация круговая (российский луч)

1.2 Антенны спутникового приема СТВ-12 с позиционером


Офсетная антенна наиболее распространена в индивидуальном приёме спутникового телевидения, хотя в настоящее время используются и другие принципы построения наземных спутниковых антенн. Офсетная антенна представляет собой несимметричную вырезку из параболоида вращения с облучателем в фокусе параболоида. Фокус такого сегмента расположен ниже геометрического центра антенны. Это устраняет затенение полезной площади антенны облучателем и его опорами, что повышает ее коэффициент полезного использования при одинаковой площади зеркала с осесимметричной антенной. К тому же, облучатель установлен ниже центра тяжести антенны, тем самым увеличивая ее устойчивость при ветровых нагрузках. Зеркало офсетной антенны крепится почти вертикально. В зависимости от географической широты угол ее наклона немного меняется. Такое положение исключает собирание в чаше антенны атмосферных осадков, которые сильно влияют на качество приема. На просвет антенна представляет не круг а эллипс, вытянутый по вертикали. Размеры офсетной антенны обычно приводят в эквиваленте усиления по отношению к прямофокусным. Если по горизонтали данный размер совпадает, то по вертикали он будет, примерно, на 10 % больше.

Обычно офсетные антенны используются для приёма сигнала С и Ku-диапазона (в линейной и круговой поляризации). Однако, возможен и приём сигнала в Ка-диапазоне, а также комбинированный.

К спутниковой антенне между ресивером подключается позиционер, показанный на рисунке 1.4 Позицонер - это устройство, предназначенное для управления работой актуатора. При настройке спутниковой антенны он запоминает определённую позицию как номер, а уже потом при нажатии соответствующей цифры позиционер выгоняет шток актуатора на нужную длину, отсчитывая импульсы с датчика актуатора. Позиционер может быть встроенным в Ресивер цифрового телевидения или выполненным в виде отдельного блока.

В случае внешнего устройства позиционер управляется либо со своего пульта, либо при использовании с аппаратурой того же производителя - через интерфейс от ресивера цифрового телевидения.

Спутниковый позиционер служит для управления поворотной антенной. Характеристики позиционера фирмы Moteck V-BOX-II:

Работа с любыми типами актуаторов и мотоподвесов

Память на 60 позиций

Возможность управления с ресивера позволяет устанавливать позиционер в любом месте

Входное напряжение 230В/50Гц

Вес 1.3 кг

Потребляемая мощность 80Вт (max)

Напряжение на мотор 36В/3.5A

Важно при работе с позиционером, чтобы позиционер работал с антенной корректно, необходимо первоначальное определение электронных пределов поворота антенны и установка значения счетчика на среднее значение.

В позиционере предусмотрен автоматический режим инициализации.

Рисунок 1. - Схема подключение позиционера

1.3 Геостационарные спутники работающие в Ku-дапазоне


Геостационарные спутники расположены строго над экватором, на высоте 35 786 км над уровнем моря, в связи с этим для описания положения спутника достаточно указать, над каким меридианом он находится.

Для неподвижного наблюдателя геостационарный спутник как бы висит в одной и той же точке неба, не меняя своего положения в зависимости от времени суток и времени года.

Применяя различные виды модуляции, через спутник можно передавать как цифровую информацию, так и аналоговые сигналы. Большинство спутников имеют несколько передатчиков - транспондеров, каждый из которых покрывает некоторую полосу частот. Типовые диапазоны Также, транспондеры различаются поляризацией с которой они работают. Спутники размещаются в трёх зонах, обусловленных существованием поясов Ван Аллена.

Геостационарные спутники располагаются над Землёй на высоте 35786 км, средневысотные спутники занимают диапазон от 5000 до 15000 километров, для покрытия всей земной поверхности таких спутников требуется около 10, такие спутники нашли применение в системе GPS; завершают классификацию низкоорбитальные спутники, которых для покрытия связью всей Земли нужно не менее пятидесяти.

Частоты Ku-диапазона расположены в пределах от 10,7 до 12,75 ГГц. Для спутникового телевидения используются два основных диапазона: Ku-диапазон (10,7 - 12,75 ГГц) и С - диапазон (3,5 - 4,2 ГГц). Европейские спутники вещают преимущественно в Ku-диапазоне. Российские и азиатские спутники обычно ведут вещание в обоих частотных диапазонах.

Ku-диапазон условно разбит на три поддиапазона:

Первый диапазон (10,7-11,7 ГГц) носит название диапазон FSS.

Второй диапазон (11,7-12,5 ГГц) называется DBS-диапазоном.

Третий диапазон (12,5-12,75 ГГц) иногда называется по имени французских спутников Telecom, использующих для вещания эти частоты.

Соответственно, и Ku-конвертеры бывают трех типов:

. Однодиапазонные с полосой частот 10,7 - 11,7 ГГц,

. двухдиапазонные - 10,7 - 12,5 ГГц,

. трехдиапазонные (или Full Band, Wide Band, Triple) с полосой частот 10,7 - 12,75 ГГц. Данный вид конвертеров используется в частности для приема сигнала со спутника eutelsat W4, W7 (НТВ+, Триколор, Радуга)

Геостационарный спутник - спутник, который располагается на высоте 35786 км над экватором и обеспечивает непрерывность передачи данных.

Геостационарная орбита (ГСО) - круговая орбита, расположенная над экватором Земли (0° широты), находясь на которой, искусственный спутник обращается вокруг планеты с угловой скоростью, равной угловой скорости вращения Земли вокруг оси, и постоянно находится над одной и той же точкой на земной поверхности. Геостационарная орбита является разновидностью геосинхронной орбиты и используется для размещения искусственных спутников (коммуникационных, телетрансляционных и т.п.).

Спутник должен обращаться в направлении вращения Земли, на высоте 35 786 км над уровнем моря. Именно такая высота обеспечивает спутнику период обращения, равный периоду вращения Земли. Спутник, находящийся на геостационарной орбите, кажется неподвижным из любой точки на поверхности Земли. В результате, неподвижно закреплённая направленная антенна может сохранять постоянную связь с этим спутником. Большинство спутниковых сетей VSAT обслуживаются геостационарными спутниками. Связь через геостационарный спутник не имеет перерывов в обслуживании, обусловленных взаимным перемещением спутника и наземной станции, а система из трех спутников обеспечивает охват практически всей территории земной поверхности.

Геостационарный спутник оснащается 12-20 транспондерами, с полосами частот шириной от 36 до 50 МГц. Транспондер с пропускной способностью в 50 Мбит/с может использоваться для передачи одного канала со скоростью 50 Мбит/с или 800 цифровых голосовых каналов с пропускной способностью в 64 кбит/с, либо других комбинаций. Кроме того, два транспондера могут работать в одном и том же частотном диапазоне, используя волны с перпендикулярной поляризацией. В первых спутниках связи применялось статическое разделение транспондеров на отдельные частотные каналы. В настоящее время также применяется мультиплексирование с временным разделением.

Преимущества систем спутниковой связи на основе спутников с ГСО:

Отсутствие перерывов связи из-за взаимного перемещения КА и пользовательского терминала во время сеанса связи

Охват связью 95% поверхности Земли системой, состоящей всего из 3 геостационарных спутников

Отсутствие необходимости в организации межспутниковой связи (в отличие, например, от низкоорбитальных систем)

Недостатки систем спутниковой связи на основе спутников с ГСО:

ресивер спутниковый радиомеханик сигнал

Высокая стоимость космического сегмента и наземной инфраструктуры

Большие задержки в распространении сигнала.

1.4 Спутниковый терминал на базе ресивера


1.4.1 Технические параметры конвертера Ku-диапазона

Конвертер является одним из основных узлов приемной антенной спутниковой системы. От его технических параметров и эксплуатационных характеристик во многом зависят возможности всей приемной установки в целом. Технические параметры характеризуют конвертер с точки зрения выполнения им основных функций при преобразовании СВЧ-сигнала спутниковой трансляции (для Ku-диапазона - это область частот 10,7-12,75 ГГц). Эксплуатационные характеристики (к которым можно отнести и особенности конструктивного исполнения устройства) должны обеспечивать работоспособность конвертера в жестких условиях: перепады температуры и влажности, солнечная радиация, другие воздействия окружающей среды. Сопоставляя возможности этого важного компонента с конкретными условиями спутникового приема, пользователь может оценить рабочие параметры всей системы в целом. Рекомендации по подбору спутникового конвертера сформулированы в "Теле-Спутнике" №1, 1998 г. Дополнительные требования, обусловленные использованием этих устройств в составе систем, предназначенных для приема цифровых спутниковых трансляций, изложены в "Теле-Спутнике" № 9, 10.

Используя достижения технологии изготовления СВЧ-устройств, выпуском конвертеров занимаются в настоящее время большое число фирм, имеющих устойчивую репутацию на этом рынке, и малоизвестные производители. Иногда значения некоторых важных параметров отсутствуют в предоставляемых технических описаниях. Встречается ситуация, когда изготовители конвертеров в рекламных целях приписывают своей продукции явно преувеличенные возможности: сверхнизкие значения коэффициента собственных шумов, особо стабильные частотные и фазовые характеристики, идеальные параметры согласования с линией передачи и прочее.

Чаще всего пользователь не может самостоятельно измерить значения большинства технических параметров конвертера. Для определения некоторых параметров, например, фазового шума гетеродина, требуются специальные измерительные приборы, которыми располагают лишь некоторые из ведущих фирм, занимающихся СВЧ-техникой. В этих условиях при выборе модели конвертера чаще всего полагаются на степень известности фирмы-производителя или на сложившиеся спрос и предложение на этом рынке. Поскольку в подавляющем большинстве случаев предполагается применение конвертера в типичных условиях эксплуатации для приема цифровых (реже аналоговых) трансляций, целесообразно произвести сравнительные испытания конвертеров в одинаковых условиях приема спутникового сигнала без использования специальной измерительной аппаратуры.

Виды конверторов:

универсальный конвертер,

одиночный конвертер для приема сигналов с круговой поляризацией,

сдвоенный (Twin) конвертер для приема сигналов с круговой поляризацией

Популярность конвертеров с офсетным облучателем обусловлена широким использованием в индивидуальных и небольших коллективных приемных спутниковых установках офсетных антенн небольшого размера. Конвертеры универсального типа чаще всего используют для приема сигнала, имеющего линейную поляризацию (популярные спутники Hot Bird, 13° в. д., Astra, 19° в. д., Sirius, 5° в. д.). Интерес к конвертерам Ku-диапазона, предназначенным для приема сигналов с круговой поляризацией, связан с популярностью пакета программ HTB-Плюс (Eutelsat W4, 36° в. д.).

Техническое описание:

Вход ГГц: 11.7-12.75

Выход МГц: 950-2000

Коэффициент шума дБ: 0.2

Коэффициент усиления дБ: 50 (min)

Частота гетеродина ГГц: 9.75/10.6

Разъем: F-тип 75 Ом

Напряжение питания:

вертикальная поляризация В: 13.0

горизонтальная поляризация В: 18.0

Переключение поддиапазонов кГц: 0/22

1.4.2 Технические параметры ресивера SAMSUNG DSB-350


Технические характеристики ресивера:

Тюнер

Диапазон частот (МГц): 950-2150

Уровень входного сигнала (дБм): - 65 ~ - 25

Выбор каналов: синтезатор частоты с ФАПЧ

Входное сопротивление (Ом): 75 (несимметричный вход)

Тип соединителя: F-тип, гнездо

Управление мощностью: LNB (В (кГц)) 13 V/18 V, 22 КГц, тон: поддержка 1.2

Демодулятор

Тип: QPSK DEMODULATION (DVB-S)

Скорость вывода символов (Мс/сек): 2-45

Внутренний ИОП: кодировка Витерби, скорость кодирования - 1/2.2/3.3/4.5/6.7/8

Внешний ИОП: кодировка Рид Соломон (204, 188) t=8

Декодер изображения

Системное декодирование: MPEG 2 ISO/TEC 13818 (трансп. поток)

Контур и уровень: MPEG 2 (4: 2: 2)

Скорость передачи данных (Мб/сек.): 1-15

Форматы видео: 4: 3 (обычный формат) и 16: 9 (широкоэкранное изображение)

Разрешение изображения: 720-576-50пол/сек

Декодер звука

Системное декодирование: MPEG 1 ISO/TEC 11172~3 сжатие I & II

Режим аудио: моно, двойной, стерео, совмещенное стерео

Частота сэмплирования (кГц): 32/44.1/48

Аудио - и видео - выходыSCART: изображение (CVBS, RGB, YUV, S-Video), звук левый и прав.SCART: изображение (композит), звук левый и прав.

Гнезда RCA: изображение (композит), звук левый и прав.цифровой звуковой вывод

Компонент (Y, Pb,Pr): Уровень на выходе Y: 1 Впик 75Ом

Уровень на выходах Pb/Pr: 0,684 Впик (75Ом)

Модулятор ВЧ

Вывод модулятора: CH 21_69 (установл. CH 21)

Тип видео: PAL B/G, K, I

Уровень вывода UHF (дБм): 70 - /+ 5

Соединительный вывод: IEC штырь

Антенный коннектор: О/Р IEC гнездо

Метод настройки: синтезатор частоты с ФАПЧ

Электропитание

Тип: SMPS

Входное напряжение (В (Гц)): 100-240 (АС 50-60)

Предохранитель (А): 250 В/Т 1.6АH

Последовательный интерфейс данных

Стандарт: RS232C, макс.115.2кБ

Тип соединения - 9-контактное гнездо типа D

Модуль условного доступа

слота, встроенный viaccess - интерфейс

СТВ ресиверы SAMSUNG серии DSB-350X предназначены для приема открытых FTA-каналов цифровой системы спутникового ТВ DVB-S, а также скремблированных каналов о кодировке VIACCESS. Хорошие потребительские характеристики тюнеров привели к их большой популярности среди установщиков комплектов для приема СТВ. Немаловажным фактором широкого распространения тюнеров на территории России и стран СНГ является внесение компанией НТВ+ модели DSB 350 в список рекомендуемого оборудования. Цифровые СТВ ресиверы SAMSUNG серии DSB-350X завоевали огромную популярность у потребителей, обеспечивающих прием СТВ программ компании НТВ+. Следует напомнить, что НТВ+ в 1997 году стала первым отечественным организатором DTH (Direct То Home) проекта непосредственного ТВ вещании. В феврале 1999 года компания перешла нa цифровые методы ретрансляции ТВ программ, что привело к увеличению количества ретранслируемых программ с пяти до пятидесяти. Поскольку вещание данных программ платное, возник вопрос о выборе системы кодирования. (скремблирования) программ. Выбор был сделан в пользу системы VIACCESS французской компании France Telecom, как наиболее устойчивой к пиратскому взлому для нелегального просмотра.

1.4.3 Структурная схема ресивера SAMSUNG DSB-350


Рисунок 2 - Структурная схема ресивера

Тюнеры "DSB-B350", выше приведена структурная схема на рисунке 2, (входит в список рекомендованного оборудования компании НТВ+) и DSB-B350W предназначены для приема открытых FTA-каналов цифровой системы спутникового ТВ DVB-S, а также скремблированных каналов в кодировке VIACCESS с использованием внутреннего программного декодера. Различие моделей DSB-B350V" и DSB-B350W состоит в том, что второй имеет в своем составе два СI-интерфейса для установки САМ-модулей, поддерживающих дескремблирование других систем условного доступа. Наличие двух слогов для смарт-карт VIACCESS позволяет использовать тюнер для приема программ двух провайдеров платных каналов. Установка в тюнер DSB-B350W дополнительных САМ-модулей увеличивает количество поставщиков программ до четырех. Возможно использование САМ-модулей под следующие системы ассемблирования: VIACCESS, ORE CRYPT, IRDETO, NAGRAVISION, CRYPTOWORKS, CONAX, SECA. Поскольку со спутника W4 осуществляются передачи программ ТРИКОЛОР ТВ компании НСК и программ компании ПОВЕРХНОСТЬ, для одновременного приема НТВ+ и ТРИКОЛОР ТВ необходимо в тюнер DSB-B350W установить САМ-модуль ORE CRYPT с соответствующими смарт-картами. Если необходимо дополнительно принимать программы компании ПОВЕРХНОСТЬ, устанавливают во второй картоприемник оплаченную смарт-карту. Для приема каналов НТВ+ и ПОВЕРХНОСТЬ достаточно использования тюнера DSB B350V.

Диапазон его входных рабочих частот лежит в пределах 950.2150 МГц. Тюнер поддерживает режимы приема программ в режимах МСРС (множество программ на одной несущей) и SCPC (одна программа на одной несущей). Настройка на требуемый канал, преобразование и выделение I-и Q-составляющих осуществляет ИМС TDA8260, выпускаемая фирмой NXP (PHILIPS). Переключение поляризации принимаемого сигнала производится посредством изменения уровня инжектируемого в кабель снижения постоянного напряжения (13,5 или 18 В). Поддиапазоны Ku-диапазона переключаются с помощью подачи в кабель снижения синусоидального не модулированного сигнала частотой 22 кГц, амплитудой 0,6 В. Демодулятор может принимать сигналы, модулированные четырехфазной манипуляцией (OPSK), со скоростями потока в диапазоне 2.45 Мбит/с. Коррекция ошибок осуществляется декодером сверточного кода Виттерби (допустимые значения: 1/2, 2/3.3/4.5/6.7/8 С длиной кодового ограничения К = 7) и декодера кодов Рида-Соломона.

CI-интерфейс использует для работы технологию "клиент-сервер". САМ модуль. используя клиентское приложение, получает доступ " ресурсам, предоставляемым сервером (хост-процессором тюнера). CI-процесс, выполняемый тюнером, обеспечивает предоставление ресурсов (хостинг).

Специализированный контроллер CI-интерфейса позволяет CI-процессу осуществлять адресный доступ к двум независимым САМ-модулям условного доступа и на аппаратном уровне управляет различными транзакциями (обменом данных) между модулем и ресивером

Транспортный поток TS поступает на коммутатор CI-интерфейсов, управляемый микроконтроллером

СIMAX 2.0 (фирмы SCM Mycrosystems). Сигнал TS проходит либо через САМ модуль, либо поступает непосредственно на ИМС декодера. У тюнера DSB-350 отсутствуют все цепи, связанные с CI-инетрфейсами.

Как упоминалось выше, серия DSB-350 разработана на основе многофункционального однокристального процессора STi5518 выпускаемого фирмой STMycroelectonics. Его ядром является 32-битный RlSC-микроконтроллер ST20 с тактовой частотой 81 МГц. ИМС STi5518 является многофункциональным устройством и содержит на своем кристалле все схемы декодирования сигнала TS в сигналы изображения и звукового сопровождения принимаемого ТВ канала. Спутниковые каналы после QPSK-демодуляции демультиплексируются и декодируются в MPEG-декодере в соответствии со спецификацией MPEG-2 MP@MLISO/IEC 13818. На выходе тюнера формируется видеосигнал в форматах 4: 3 или 16: 9 (720 пикселов на 576 строк при частоте полей 50 Гц) с моно - или стереозвуковым сопровождением. Преобразование звукового сигнала из цифрового в аналоговый осуществляет сдвоенный ЦАП CS4339 фирмы CIRRUS LOGIC.

Видеосигнал на выходе тюнера может быть представлен в композитном (ПЦТС) и компонентном (S-Video, YPrPb) видах. Компонентный выход позволяет в полной мере использовать возможности системы DVB-S, получив изображение студийного качества (очень ярко данный факт проявляется при подключении тюнеров к компонентному входу широкоэкранного ТВ приемника). Звук выводится как в аналоговом, так и в цифровом (S-PDIF) виде. Видео и звуковые сигналы коммутируются на RCA-разъемы или на два комплексных разъема SCART.

Тюнеры предусматривают прием радиопрограмм, телетекста, субтитров. Имеется возможность электронной навигации по программам (EPG). Контроль, настройка параметров отображается посредством экранной графики OSD. Возможно хранение в памяти настроек до 4000 принимаемых каналов.

Контроль условного доступа осуществляется посредством двухслотового карт-ридера, управляемого ИМС TDA8020 фирмы NXP (PHILIPS). Используемые смарт-карты должны удовлетворять стандартам ISO 7816 или EMV2000. Допускается обновление программного обеспечения (ПО) со спутника или хост-компьютера через последовательный интерфейс RS-232, работающий на скорости 115,2 кбит/с.

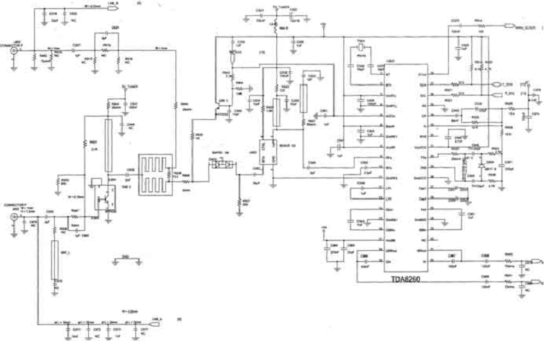
1.4.4 Электрическая схема SAMSUNG DSB-350


Рисунок 3 - Электрическая схема БП

Принципиальная электрическая схема блока питания SAMSUNG серии DSB-B350X приведена на рис.3. Сетевое напряжение питания через предохранитель F1 и помехоподавляющий фильтр, собранный на элементах РС2, РС6, РС12, РС18, PL1 и PL2, поступает на диодный мост PD1-PD4. Пульсации сглаживаются емкостью РСЗ. Токоограничивающий резистор PR1 ограничивает ток через диодный мост в момент зарядки РСЗ при включении СТВ приемника в сеть. Варистор VA1 защищает источник питания от перенапряжения. Если питающее напряжение превышает норму, сопротивление варистора уменьшается, ток через предохранитель F1 увеличивается, и он перегорает.

На первичную обмотку трансформатора РТ1 периодически подается выпрямленное напряжение, коммутируемое мощным ключевым транзистором Q2, который запускается схемой ШИМ контроллера IC1.

Накопленная в трансформаторе энергия передается во вторичные обмотки. Контроллер IC1 при включении источника питания в сеть запускается выпрямленным сетевым напряжением, подаваемым через резисторы PR2, PR3. После запуска источника питания и появления напряжения во вторичных обмотках, IC1 питается напряжением обмотки 5-6 РТ1, выпрямленным диодом PD11. Стабилизация выходного напряжения производится элементами IC2, PD14. Оптрон PD14 гальванически развязывает первичные и вторичные цепи. Если выходные напряжения увеличиваются, транзистор, входящий в состав оптрона, открывается, ШИМ в составе IC1 уменьшает длительность импульсов, управляющих выходным транзистором. Энергия, передаваемая во вторичные цепи, уменьшается, и при этом соответственно уменьшаются выходные напряжения источника питания.

Из напряжений вторичных обмоток РТ1 с помощью однополупериодных выпрямителей на диодах PD6, PD7, PD9. PD10, PD12, PD13 формируются постоянные напряжения 24, 17, 14 и 3,3 В, которые используются для питания всех узлов тюнера. Интегральные стабилизаторы U11, U12 и U13 формируют из напряжений 6 и 14 В напряжения +5 В (2 канала) и +12 В соответственно.

Программа управления СТВ приемником записана во FLASH-памяти ИМС U5 (M29W320DT) объемом 32 Мбит. Программа модифицируется либо с помощью интерфейса RS-232, при этом загрузчик не модифицируется, либо с помощью J-TAG интерфейса, входящего в состав ИМС U2. Интерфейс J-TAG подключается к разъему J5 (CON20A). Динамическое ОЗУ U3, U4 (IS42S16400А фирмы ISSI, 64 Мбит) используется декодером MPEG-2 управляющим процессором и цифровым кодером. Схема с ФАПЧ на ИМС U1 служит для формирования опорной частоты 27 МГц необходимой для работы узлов ИМС U2. Задающим является кварц X1, его частота изменяется под воздействием напряжения коррекции, формируемым БИС U2. Схема сброса выполнена на элементах U7, U8. Кнопка аппаратного сброса JR1 находится на печатной плате и используется при ремонте тюнера. Цифровой звуковой сигнал с выхода U2 поступает на ИМС ЦАП U15. Аналоговые сигналы с его выхода поступают на двухканальный ФНЧ U602.

Рисунок 4 - Принципиальная схема преобразователя ПЧ

ПЦТС с сигналами звука и сигналы YPrPb поступают на блок RCA-разъемов Т2. ПЦТС сигналы R, G и В и звука поступают на разъем SCART (PERITEL) U16A. Разъем SCART U16B используется для подключения внешнего источника (например, DVD-проигрывателя). Сигнал ПЧ подается через входной коаксиальный F-разъем на вход усилителя, компенсирующего затухания сигнала в кабеле снижения, собранного на СВЧ транзисторе Q1. С выхода усилителя сигнал подается через микрополосковый делитель на выходной F-разьем (петля обхода для подключения второго тюнера) и на управляемый аттенюатор D903, Q901, входящий в систему АРУ входного сигнала. Напряжения питания/переключения поляризации конверюров, сигналы переключения принимаемых поддиапазонов и сигналы системы DISEqC, инжектируемые в кабель снижения, подаются на F-разъемы через ФНЧ фильтры на микрополосковых линиях и SMD-конденсаторах C9I9, С920. C971-C973 и С977. Далее сигнал через полосовой фильтр подается на вход демодулятора с нулевой ПЧ на ИМС U902 TDA8260. Демодулятор синхронизируется кварцем Y1, входящим в состав петли ФАПЧ, образцовая частота XT_OUT синхронизирует QPSK-демодулятор PN1010. Демодулированные сигналы квадратурных I - и Q-составляющих поступают на QPSK-демодулятор, проходят декодирование Виттерби, деперемежение, декодирование Рида-Соломона и компенсацию энергетической дисперсии.

Рисунок 5 - QPSK-демодулятор

QPSK-демодулятор (рисунок 5) управляется по цифровой шине I2С. ИМС U9 (LNBP13SP фирмы STMicroelectronics) управляет работой конвертера LNB. Управляющие сигналы с выхода U2 устанавливают напряжение питания конвертера и наличие сигнала 22 кГц для переключения поддиапазонов Кu-диапазона.

Плата панели управления подключается с помощью плоского ленточного шлейфа через разъемы J4/J10. Для вывода символов на дисплей центральный процессор в составе U2 по последовательной шине посылает соответствующий код на преобразователи U10, U12. Одновременно с этим сканируется состояние управляющих кнопок SW10-SW15.

1.4.5 Интерфейс СМАРТ-карт

Для доступа к базовому бесплатному пакету Триколор ТВ необходимо:

Ознакомиться и принять условия Соглашения об использовании пакета телевизионных программ 'Триколор ТВ', транслируемых ЗАО 'Национальная спутниковая компания'.

Иметь ресивер, оснащенный слотом Common Interface, и спутниковую антенну, настроенную на прием сигнала пакета Триколор ТВ (спутник Eutelsat W4, орбитальная позиция 36 градусов восточной долготы).

Приобрести комплект из модуля условного доступа DRE-Crypt и смарт-карты доступа "Триколор ТВ".

Настроить ресивер на прием каналов пакета Триколор ТВ ("прописать каналы").

Установить модуль условного доступа DRE Crypt и смарт - карту доступа, как описано ниже.

Доступ к базовому бесплатному пакету Триколор ТВ не требует регистрации или активации карты доступа и модуля.

Порядок установки модуля доступа DRE-Crypt и смарт-карты доступа Триколор ТВ

Прочтите раздел руководства пользователя Вашего спутникового ресивера, касающийся установки модуля доступа.

В целях безопасности отключите ресивер от сети питания.

Вставьте модуль DRE-Crypt в слот Вашего ресивера и аккуратно протолкните до упора (не прилагайте больших усилий). В большинстве ресиверов следует устанавливать модуль красочной этикеткой вверх.

Вставьте смарт-карту доступа "ТриколорТВ" в слот в модуль DRE-Crypt (золотистая контактная площадка должна смотреть вверх) и аккуратно протолкните до упора.

Включите ресивер и переключите его на приём какого либо канала из пакета Триколор ТВ.

1.5 Расчетная часть. Программирование CAM-модуля


Инструкция по прогрммирование CAM-модулей на примере программатора CAS Interface II (USB). Программирование модуля типа Matrix Reload (Magic) CAM:

.        Программу необходимо зарегестрировать для нормальной работы

2.       Вставьте Matrix Reload CAM в адаптер PC MCI CAS Interface II, затем откройте программу CAS Interface II, и ожидайте мгновение, пока программа соединяет CAS Interface II с вашим компьютером, щёлкните по иконке Matrix Reload CAM в меню программы CAS Interface Studio

.        Нажмите кнопку Connect, и когда программа законнектится с модулем - нажмите кнопку Erase.

.        Программа спросит, уверены ли вы, что хотите стереть Flash - память модуля, ответьте Yes.

.        Вы можете наблюдать поблочное стирание Flash - память модуля.

.        После процедуры стирания Flash - память модуля, вы можете теперь загрузить файл XILINX, для чего нажмите кнопку Write в секции XILINX Functions и укажите программе путь к файлу matrix. cas

.        Когда выбираете файл, нажав на кнопку открыть, вы тем самым активируете процесс загрузки XILINX. Вы можете наблюдать процесс загрузки по синему индикатору.

После окончания процесса загрузки файла XILINX нажмите кнопку Open file в секции Flash functions и укажите программе путь к файлу типа MR 1.081fix с расширением *. bin

. Когда выбираете файл, нажав на кнопку открыть, вы тем самым активируете процесс загрузки файла программного обеспечения САМ модуля MR 1.081fix (версия по вашему усмотрению).

. Когда процесс записи завершится, то в окне программы вы увидите следующее сообщение. Отключите CAS интерфейс от компьютера. Модуль готов к работе. Приятного просмотра.

Расчетная часть.

Задание: По входной и выходной вольтамперной характеристике выбрать рабочие точки транзистора. Определить сопротивления коллектора RК и сопротивления базы RБ, при напряжении входа равного UВХ. = 2В, при напряжения питания равного 8 вольт UПИТ = 8В, определить рассеиваемую мощность на резисторе.

Рисунок 6 - Электрическая схема транзисторного ключа

Расчет: Из справочника выбираем транзистор КТ3102А. Вольт-амперная характеристика представлена на рисунке 7, и выбираем рабочие точки в режиме насыщения и отсечки.

Рисунок 7 - Вольт-амперная характеристика КТ3102А

Электрические параметры транзистора КТ3102А

Статический коэффициент передачи тока в схеме с общим эмиттером h21Э=70…140

IK max-постоянный ток коллектора, мА……100

UЭБ max-постоянное напряжения эмиттера-база, В….5

UКБ max-постоянное напряжения коллектор-база, В….50

UКЭ max-постоянное напряжения коллектор-эмиттер, В….45

PK max-постоянное рассеваемая мощность, мВт……300

На рисунке 1.12 на вольтамперной характеристике точками A, B, C, D обозначены режимы работы транзистора в режиме насыщения и отсечки.

1.       Определяем коэффициент усиления по току KI по формуле:

KI=IВЫХ. /IВХ., (1.1)

где KI - коэффициент усиления по току,

IВЫХ. - ток выхода, А;

IВХ. - ток входа, А.

KI = IВЫХ. / IВХ. = 35 × 10-3 А / 0,6 × 10-3 А = 58

.        Определяем коэффициент усиления по напряжению KU по формуле:

KU = UВЫХ. / UВХ.,(1.2)

где KU - коэффициент усиления по напряжению

UВЫХ. - напряжения выхода, В;

UВХ. - напряжения входа, В.

KU = UВЫХ. / UВХ. = 4 В / 0.4 В = 100

.        Определяем сопротивления резистора коллектора RК по формуле:

 

RК = UПИТ - 0,2/IВЫХ.,(1.3)

где RК - сопротивления резистора коллектора RК, Ом;

UПИТ - напряжения питания, В;

,2 - напряжения падения между килектором и эмиттером, В;

IВЫХ. - ток выхода, А.

 

RК = UПИТ - 0,2/IВЫХ. = 8 В - 0,2 В / 35 × 10-3 А = 220 Ом

.        Определяем рассеиваемую мощность на резисторе по формуле:

 

P=U×I,(1.4)

где P - мощность, Вт;

U - напряжения, В;

I - ток, А.

 

P = U × I = 7,8 В × 35 × 10-3 А = 0,273 Вт

Выбираем резистор по ГОСТу RК = 240 Ом с рассеиваемой мощностью 0,5 Вт

.        Определяем сопротивления резистора базы RБ по формуле:

 

RБ. = UВХ. - UБЭ. / IВХ.,(1.5)

где RБ. - сопротивления резистора базы, Ом;

UВХ. - напряжения входа, В;

UБЭ. - напряжения между базой и эмиттером, В;

IВХ. - ток входа, А.

 

RБ. = UВХ. - UБЭ. /IВХ. = 2 В - 0,8 В / 0,6 × 10-3 А=2 кОм

. Определяем рассеиваемую мощность на резисторе по формуле (1.4):

 

P = U × I = 1,2 × 0,6 × 10-3 = 0,00072 Вт

Выбираем резистор по ГОСТу RБ=2 кОм с рассеиваемой мощностью 0,125 Вт

2. Организационная часть


2.1 Организация рабочего стола радиомеханика


Рабочий стол радиомеханика. Комната рабочего должна находиться в хорошем освещенном месте. На столе должна стоять вентиляционное оборудование, чтобы все пары, дым и другие вредные и химические вещества удалялись из помещения через вентиляционную трубу, а затем на улицу. Рабочему также не помешает и настольная лампа для дополнительного освещения, если механик будет работать с мелкими элементами и в трудном доступном месте для него. Необходимо иметь халат для предотвращения порождения электрическим током. На столе должны лежать только те инструменты, которые ему необходимы в первую очередь для ремонта и обслуживании радиоэлектронной аппаратуры. Ненужные инструменты следует отложить или убрать в сторону, т.к. они будут ему мешать и отвлекать от работы.

На столе радиомеханика необходимо иметь антистатический браслет, стол должен быть заземлен, т.к. при ремонте ресивера, а он собран на радиоэлементах высокой частоты (ВЧ), а они чувствительны к статике. Также рабочий стол должен быть укомплектован измерительной аппаратурой с рациональным ее размещением. При выборе контрольно-измерительного оборудования для каждого рабочего места должны учитываться характер производства, соответствие его точности характеристик, требовании технических условий, простота и удобства эксплуатации, и ряд других условий. При единичном производстве предпочтение отдаются более сложной универсальной аппаратуре, с которой можно настроить и проверить большое количество операций; в то время как при массовом производстве, где настройка и регулировка испытание в соответствии с технологией разделяются на большое количество операцией, рабочее место должно оборудоваться аппаратурой, специально предназначенной для выполнения определенных операцией.

Во всех случаях точность контрольно-измерительной аппаратура должна превысить примерно в три раза заданную точность настройки, установленную техническими условиями на изделие.

Категорически запрещается допускать на свое рабочее место посторонних людей, т.к. они могут повредить вашу аппаратуру, а это может привести к плохим последствиям, т.к. рабочий, который ремонтирует эту аппаратуру, полностью несет за нее большую ответственность. Ни в коем случае не должен приходить на работу в нетрезвом состоянии, т.к. это очень опасно при обслуживании аппаратуры. Иногда из - за такой халатности человека может привести к смерти. В любой мастерской должен быть склад для запасных деталей, которые нужны при ремонте и замене радиоэлектронной аппаратуры. Должны находиться полки, куда будет складываться вся техника до и после ремонта.

2.2 Перечень контрольно-измерительных приборов и инструментов


Для регулировки и ремонта ресиверов требуется:

. Мультиметр универсальный DT 838 с возможностью измерения:

)        постоянного напряжения - до 1000 В;

2)      переменного напряжения - до 750 В.

)        Входное сопротивление - не менее 20 кОм/В.

Он объединяет в себе несколько функций: вольтметр, амперметр и омметр, представляющее собой лёгкое портативное устройство, которое удобно использовать для базовых измерений и поиска неисправностей в труднодоступных местах. Основные функции:

тест диодов - проверка целостности полупроводниковых диодов

прозвонка - измерение электрического сопротивления со звуковой (иногда и световой) сигнализацией низкого сопротивления цепи (обычно менее 50 Ом);

тест транзисторов - проверка полупроводниковых транзисторов;

измерение температуры;

. Частотомер. Используется для измерения частоты, временных интервалов, осуществляет счет импульсов;

. Набор инструментов. Предназначен для сборки и разборки устройства, также в него в основном входят кусачки, бокорезы, отвертки разных типов и празмеров, пинцет.

. Паяльная станция необходима для распайки неисправных радиодеталей, в том числе чиповых, также в нем присутствует фен, для отпаивания микросхем, где очень много выводов. Незаменимый прибор для радиомеханика.

. Осциллограф с полосой до 50 МГц, диапазоном уровней исследуемых сигналов от 100 мВ до 250 В. осциллограф - применяется для визуального наблюдения сигналов сложной формы и определения их частоты, амплитуды, длительности и других параметров

6. Блок питания. Используется при ремонте оборудования, используется как постоянный источник питания.

Материалы:

припой ПОС-61;

канифоль, флюс;

спирт этиловый технический 80%;

марля - для протирки;

паста КПТ-8 - для смазывания контактирующих поверхностей транзисторов, диодов, микросхем, так как требуется теплопроводность с одного элемента на другой.

2.3 Охрана труда


Охрана труда - это свод законодательных актов и правил, соответствующих им гигиенических, организационных, технических, и социально-экономических мероприятий, обеспечивающих безопасность, сохранение здоровья и работоспособность человека в процессе труда (ГОСТ 12.0.002-80).

Охрана труда и здоровье трудящихся на производстве, когда особое внимание уделяется человеческому фактору, становится наиважнейшей задачей. При решении задач необходимо четко представлять сущность процессов и отыскать способы (наиболее подходящие к каждому конкретному случаю) устраняющие влияние на организм вредных и опасных факторов и исключающие по возможности травматизм и профессиональные заболевания.

Во избежание травм и несчастных случаев при ремонте блоков и модулей ресиверов необходимо строго придерживаться правил техники безопасности, которые сводятся к следующему:

1. Запрещается включать импульсные БП в отсутствии нагрузки.

. При ремонте СТВ приемников с импульсными БП следует включать в сеть через разделительный трансформатор.

. Запрещается работать с СТВ приемниками вблизи заземленных конструкций (батареи центрального отопления и т.п.), если они не имеют изолирующего ограждения.

4. Работы, связанные с регулировкой, измерением режимов транзисторов и микросхем, определением некачественных контактов в элементах схемы, которые выполняются обычно при включенном ресивере, должны проводиться инструментами с хорошо изолированными ручками и только одной рукой. Другой рукой нельзя касаться металлических токопроводящих предметов на блоках ресивера и измерительной аппаратуре. Под ногами должен находиться изолирующий коврик.

. Замеры в импульсном блоке питания, где высокое напряжение производить одной рукой.

.        Замену микросхем/микроконтроллеров, а также СВЧ блоков производить в антистатических перчатках.

. Корпус ресивера и металлические корпуса измерительных приборов заземлить.

. Выводы приборов, используемых для измерения напряжений и токов, должны быть надежно защищены от возможности случайных прикосновений.

. Перед каждой операцией, связанной с выключением ресивера для проверки или ремонта, разрядить электролитические конденсаторы на выходе блока питания и отсоединить сетевой шнур.

. Запрещается подавать напряжение на ресивер при искусственно замкнутых предохранителях, а также включать и выключать ресивер непосредственным соединением или обрывом проводов.

При ремонте радиомеханику требуется исключительная внимательность. При этом несмотря на защищенность и соблюдении техники безопасности радиомеханик должен быть готов к электрическим ударам от едва заметных до весьма ощутимых, это поможет ему избежать отрицательных последствий ударов током.

2.4 Методика настройки параболической антенны и конвертера


Комплект спутникового телевидения:

. Тарелка (зеркало) служит для приема (отражения) сигнала со спутника. Тарелка должна быть диагональю от 60 см до 1,2 метра - в зависимости от рельефа местности и препятствий, которые стоят на пути спутникового сигнала (деревья, дома, и т.д.).

. Конвертор (голова) служит для конвертирования сигнала, отражающегося от тарелки, и отправки его на ресивер. Конверторы существуют с разным количеством выходов, для подключения одного, двух и более ресиверов.

. DiSEq (дисек) служит для соединения нескольких конверторов.

. Кабель.

. Кронштейн служит для крепления тарелки к стене. Выбор зависит от диагонали тарелки.

. DVB-ресивер - самая дорогая часть всего комплекта. Для бесплатных каналов, достаточно самого обыкновенного ресивера. Для приема платных каналов используются ресиверы с картоприемниками.

Выбор места установки спутниковой антенны.

Все спутники расположены на геостанционарной орбите в направлении с юго-востока по юго-запад. Соответственно окна должны выходить на юг или юго-запад, в противном случае спутниковая антенна устанавливается на крыше здания. Для того, чтобы более точно определиться с местом установки нужно рассчитать угол места и азимут.

Угол места

угол, на который отклоняется от горизонтали линия прямой видимости на спутник. Вычисляется по формуле:

=arctg{ [Cos (g2 - g1) x Cos (v) - 0.151] /sqrt (1 - Соs2 (g2 - g1) х Cos2 (v)] }

Азимут - направление, указывающее на спутник в зависимости от расположения места приема. Значение рассчитывается по формуле:

ф= 180° + arctg{tg (g2 - g1) /sin (v) }

где g1 - долгота спутника, g2 - долгота места приема, v - широта места приема.

Рисунок 8 - Параболическая антенна в собранном виде

Установка кронштейна

Для установки кронштейна необходимо иметь дрель с перфоратором или ударным механизмом для сверления бетонных или кирпичных стен. Устанавливать кронштейн желательно на расклинивающиеся анкерные болты. Принципом работы расклинивающегося анкерного болта является расклинивание упорных лепестков при затягивании болта внутри бетонной стены, что обеспечивает надежное крепление кронштейна к стене.

Сборка спутниковой антенны.

Сборка спутниковой антенны осуществляется в соответствии с инструкцией. При сборке необходимо аккуратно обращаться с зеркалом антенны (особенно с теми, которые изготовлены из алюминия), не наносить никаких механических повреждений, меняющий геометрию зеркала. После сборки проверяется прочность затяжки всех креплений. При сборке антенны особое внимание надо уделить установке спутникового конвертора (LNB). Правильность установки поляризации конвертора очень сильно влияет на качество принимаемого сигнала. Этого можно достигнуть экспериментальным путем: вращением конвертора вокруг своей оси до получения максимального сигнала. В этой позиции следует закрепить конвертор.

Протяжка спутникового кабеля

Если спутниковая антенна висит за окном, то отверстия под кабель можно сделать в двух местах: либо в углу оконной рамы, либо в стене на уровне пола, если есть длинное сверло. Если антенна стоит на крыше, кабель проводится либо по фасаду здания (кабель крепится на верху крыши и возле окна в стене через оконную раму), либо по слаботочным стоякам здания.

Рисунок 9 - Настройка каналов

Настройка спутниковой антенны и спутникового ресивера (тюнера)

Наиболее правильный и точный вариант настройки спутниковой антенны - это настройка при помощи спектроанализатора. За его неимением антенна настраивается при помощи спутникового тюнера или телевизора. Предварительно надо с минимальной точностью определиться с сектором поиска сигнала. Для этого необходимо рассчитать угол места и азимут спутника по формулам. При помощи компаса можно определиться с азимутом (положение антенны в градусах по компасу относительно севера), а при помощи транспортира и линейки с углом места. Если в предполагаемой зоне отсутствуют деревья, дома и другие препятствия, то можно приступать к поиску сигнала при помощи тюнера. Кабель от LNB подключается к тюнеру и на тюнере выставляется меню уровня сигнала. На антенне затягиваются все регулировочные болты так, чтобы ее можно было при необходимости сдвинуть. Далее антенна поворачивается в направлении магнитного азимута. Может появиться слабый сигнал, в противном случае слегка регулируется азимут в любом направлении до тех пор пока сигнал не начнет появляться. Если все ещё нет сигнала, это означает, что угол места установлен не верно. Если сигнал обнаружен, плавно регулируется азимут и угол места, наблюдая за показаниями уровня сигнала. По достижению максимального сигнала необходимо окончательно затянуть все регулируемые болты. Осталось проверить прием сигнала и убедится, что это сигнал с нужного спутника. Далее в меню спутникового тюнера производится поиск каналов и их сохранение.

2.5 Технология ремонта ресивера SAMSUNG DSB-350


Перед началом ремонта, радиомеханик должен правильно разобрать ресивер, чтобы не повредить его и составные части. Для разборки тюнера необходимо:

открутить три винта на задней панели и снять верхнюю крышку;

отсоединить шнур питания и шлейф, соединяющий основную плату и плату панели управления;

снять переднюю панель, ослабив фиксаторы;

выкрутить пять винтов, крепящих основную плату к основанию, и три винта, крепящих её к задней панели, а затем - снять плату;

выкрутить три винта, крепящих плату панели управлении к передней панели, и снять плату.

Сборка тюнера осуществляется в обратном порядке.

Поиск неисправностей и их устранение производят в следующем порядке.

Разбирают тюнер и производят визуальный осмотр. При этом промеряют правильность крепления печатных плат, отсутствие у них сколов и изгибов. Визуально проверяют качество пайки, отсутствие "холодных" паек и коротких замыканий между печатными проводниками. Также визуально проверяют электролитические конденсаторы (особенно в источнике питания). Конденсаторы, залитые электролитом и имеющие вздутие, заменяют. Остатки электролита смывают спиртом. Подключают к входу тюнера источник сигнала - кабель снижения антенны (с заведомо исправным конвертором), настроенной на любой доступный для приема спутник (например, W4 36' в. д.), и включают тюнер в сеть.

Дальнейший поиск неисправностей осуществляется с помощью следующего алгоритма:

. Тюнер не входит в дежурный режим (Standby), индикаторы на передней панели не светятся

Измеряют выходные напряжения источника питания. Если напряжения в норме, переходят к пункту 2. в случае их отсутствия или несоответствия норме переходят к следующему пункту.

.1 Если предохранитель F1 исправен, переходят к пункту 1.2 Перегорание предохранителя говорит о неисправности источника питания, в этом случае последовательно проверяют следующие элементы: VA1. PD1-PD4, PR1, Q2, ZD2, IC1, PD14, IC2. Возможен одновременный выход нескольких указанных элементов. После замены элементов контролируют выходные напряжения источника питания и температуру Q2 на отсутствие перегрева.

.2 Измеряют сопротивление между выходными линиями источника питания (катоды выпрямительных диодов) и схемной "землей". Низкое сопротивление в этих цепях (единицы Ом), говорит о пробое соответствующего диода. Также необходимо проверить выходное сопротивление стабилизаторов U11-U13. Если во вторичных цепях короткое замыкание отсутствует и все элементы целые, то можно с большой степенью вероятности утверждать о неработоспособности схемы первоначального запуска/питания IC1 либо схемы стабилизации выходных напряжений. Для устранения дефекта проверяют PR2, PR3, PC 13 (часто встречающийся дефект обрыва одного из резисторов и потеря емкости конденсатором), PD11, PR9 и PD14, IC2.

.3 Короткое замыкание в цепях питания свидетельствует о пробое одною или нескольких полупроводниковых приборов, запитываемых этими цепями. К дефектной цепи может быть подключено несколько элементов, поэтому необходимо выявить именно дефектную цепь (элемент). Косвенным признаком выхода из строя дефектного прибора может служить вздутие, обугливание его корпуса. Если внешний осмотр не приносит результатов, можно определить вышедший из строя элемент путем исключения. Для этого необходимо, контролируя сопротивление между цепью питания и корпусом, последовательно выпаивать фильтрующие дроссели, которые включены последовательно с каждым потребителем напряжения. (Наиболее сложной в плане проверки является цепь +3,3 В). Выявив неисправный элемент, его заменяют.

. На индикаторе передней панели светятся все сегменты. Тюнер не выходит из дежурного режима

Осциллографом проверяют наличие тактовых импульсов частотой 27 МГц на выв.120 U2 (осц.1 на рис.10). Желательно проконтролировать сигнал частотомером. В случае отсутствия импульсов или значительного отличия частоты от номинальной, проверяют узлы задающего генератора (в первую очередь, элементов XI,U1). Далее осциллографом и частотомером измеряют форму и частоту сигналов тактирования динамического ОЗУ на выв.118 U2 (осц.2) и выв.82 U2 (осц.3), а также наличие сигнала RESET на выв.124 U2 (при нажатии кнопки JR1) и сигнала выбора кристалла FLASH памяти СЕ на выв.132 U2 (осц.4). Если сигналы в норме, переходят к пункту 2.2 В противном случае пропаивают ИМС U2-U5 с помощью паяльной станции и, если результата нет, заменяют U2.

Рисунок 10 - Осциллограммы в контрольных точках схемы:

) 27 МUц вывод 120 U2 STi5518;

) 81 МГц вывод 118 U2 STi5518;

) 120 МГц вывод 82 U2 STi5518;

) RESET вывод 124 U2 STi5518, CE вывод 132 STi5518

. Тюнер включается, на индикаторе отображается номер принимаемой программы, звук есть, изображения нет

Проверяют сигналы осциллографом на выв.32-34 U2 (осц.5, 6 на рис.11). При их отсутствии измеряют сопротивление между указанными выводами и общим проводом тюнера. Если проверка показывает короткое замыкание, заменяют ИМС U2. При наличии сигналов на выходе U2 необходимо проверить на короткое замыкание выходы U14, а также защитные стабилитроны, подключенные параллельно входам/выходам разъемов SCART. Обычно пробой выходных цепей тюнера происходит при нарушении правил эксплуатации (соединение включенных в сеть устройств).

Рисунок 11 - 5) Y_OUT вывод 32 U2 STi5518;

6) V-OUT вывод 32 STi5518, C_OUT вывод 33 STi5518

4. Тюнер включается, OSD-графика есть, звук и изображение отсутствуют

.1 Если индикатор уровня принимаемого сигнала показывает его отсутствие, необходимо проверить сигналы SCLTUNER и SDA TUNER (осц.7 на рис.12).

Рисунок 12 - 7) SCL_TUNER вывод 21 U2 STi5518, SDA_TUNER вывод 20 U2 STi5518

.2 Если индикатор уровня показывает наличие сигнала, необходимо проконтролировать прохождение сигналов транспортного потока (осц.8,9) от OPSK-демодулятора U901 до процессора U2. Проверке подлежат элементы RP12-RP14, CIRN1-CIRN2, CIIC1-CIIC4. Прежде всего, необходимо проверить качество пайки резисторных сборок и при их нарушении пропаять.

Рисунок 13 - 8) DOTS-D7TS выводы 9-12, 14-18 U901 PN1010;

) BYTE_CLOCK вывод 6 U901 PN1010, VALID вывод 5 U901 PN1010

5. Тюнер не определяет САМ модуль Устанавливают САМ-модуль в Cl-интерфейс.

Проверяют наличие напряжения питания модуля +3,3 В на контактах 17, 51, 85, 119. В случае отсутствия питания проверяют исправность элементов СЮ 1, CIQ3-CIQ5, CIPSW1, CIPSW2. В противном случае проверяют связи между CIIC1 U2 и Cl-интерфейсами. Отсутствие определения САМ-модуля в обоих слотах обычно свидетельствует о выходе из строя ИМС CIIC1.

. Тюнер не открывает VIACCESS-программы при установке в карт-ридер заведомо исправной смарт-карты

Проверку осуществляют при установленной в слот карт-ридера заведомо исправной и оплаченной смарт-карты. На выв.1, 7 CAIC1 в зависимости от используемого слота должен присутствовать низкий уровень. Отсутствие сигнала говорит о нарушении работы контактов детектора карты. Частотомером контролируют колебания частотой 7,1428 МГц на выв.26, 29 CAIC1. В случае их отсутствия или существенного отклонения от нормы проверяют CAIC2 и САХ1. Осциллографом проверяют наличие сигналов синхронизации и обмена данными между картой и CAIC1. В случае отсутствия сигнала на какой-либо линии проверяют качество контакта ламелей слота карт-ридера и смарт-карты. Если контакт не нарушен, необходима замена CAIC1.

Рисунок 14 - Алгоритм поиска неисправностей 1

Рисунок 15 - Алгоритм поиска неисправностей 2

2.6 Испытание и прогон


Главной целью любою ремонта является возврат его пользователю в рабочем состоянии по возможности без ухудшения его характеристик, желательно с гарантией его достаточно продолжительной дальнейшей работоспособности. Достичь той цели можно, только ответив на вопросы - была ли однозначно установлена причина возникновения неисправности и эта ли причина устранена квалифицированной заменой элементов. Важность этих вопросов заключается в том, что без ответа на них Вы не можете гарантировать дальнейшую работу прибора. Например, не определив первопричину отказа. Вы можете, заменив множество неисправных деталей и проведя трудоемкие работы при включении получить практически тот же результат, аналогичный исходному состоянию до ремонта. Поэтому окончательная диагностика, настройка и тестирование производятся, как правило, минимум в течение полчаса нормальной работы изделия. В качестве окончательной проверки после ремонта многие мастера рекомендуют провести так называемый "тепловой прогон", в течение 15 минут, засунув ресивер в полиэтиленовый пакет. В течение этого времени температура всех компонентов достигает установившегося значения и при этом моделируются реальные условия работы.

Государственными стандартами не допускается снижение параметров безопасности отремонтированной аппаратуры в пределах, установленных изготовителем в течение срока службы и после него. Отремонтированную аппаратуру следует обязательно подвергать контролю на соответствие требованиям нормативной документации неразрушающими методами и средствами измерений, обеспечивающими необходимую точность и достоверность измерений, а также внешним осмотром и опробованием в работе. Аппаратура после ремонта должна сохранять конструкцию, исключающую опасность поражения электрическим током клиента. Кроме прочего, после ремонта аппаратура должна иметь сопротивление изоляции на корпус при нормальных условиях не ниже установленной изготовителем. Поэтому, многие мастера на сопроводительных документах, который они выдают заказчику при передаче отремонтированного оборудования, ставят отметку, подтверждающая техническую приемку и проверку на безопасность этой самой аппаратуры. Отремонтированный аппарат обязательно проверяется в присутствии заказчика и выдается после согласования положительных результатов ремонта. При оказании услуг юридическим лицам, проверка и выдача аппарата представителю юридического лица осуществляется при наличии соответствующей доверенности от юридического лица и подписании им акта приёмки. Клиенту, так же лучше сразу при сдаче, разъяснить риск, связанный с возможным проявлением в полученной аппаратуре дефектов, не указанных в документах на ремонт. Он так же должен понимать последствия возможной полной или частичной утраты работоспособности аппарата или отдельных его узлов и блоков в процессе дальнейшей эксплуатации в случае нарушений им условий эксплуатации аппаратуры, наличия следов коррозии, попадания влаги, либо механических повреждений и т.п. По нормативным документам после выполнения платного ремонта на выполненные работы и замененные детали должна выдаваться гарантия сроком не мене чем на 3 месяца после получения техники клиентом.

3. Экономическая часть


3.1 Исходные данные


Ремонтная мастерская проводит ремонт радиоэлектронной аппаратуры:

         ресиверов;

2        аудио и видео аппаратуры;

         бытовой техники.

Режим работы: 1 сменный.

Продолжительность смены - 8 часов.

Дополнительная ЗП - (10 - 12) %.

Отчисления в Пенсионный фонд - 26,2%

Примечание: Материалы используемые при ремонте оплачивает потребитель.

3.2 Организация ремонтной мастерской


Действительны фонд времени определяется исходя из номинального, и зависит от вида оборудования, сложности, среднего простоя оборудования в ремонте.

Фд= (КД - КВ - КП) * Ксм * Тсм * Кр - (Тпр + Трег) (3.1)

где КД - количество календарных дней в году (365)

КВ - количество выходных дней в году (104)

КП - количество праздничных дней в году (7)

Ксм - количество смен в сутки (1)

Тсм - продолжительность смены, час (8)

Кр - коэффициент учета времени пребывания оборудования в ремонте (0,98)

Тпр - сокращенные праздничные дни (7)

Трег - регламентируемые перерывы на отдых, час (83)

Фд = (365 - 104 - 7) * 1 * 8 * 0,98 - (7 + 83) + 1901,36 часов.

3.2.1 Эффективный фонд времени

Полезный эффективный фонд времени рабочего находим с вычетом невыходов на работу (прогулы): основные, очередные, отпуска, болезни и т.д.

Фэв = (40% - 45) % * Фд (3.2)

где Фэв - эффективный фонд времени

Фэв = 0,4 * 1901,36 = 760,54 час.

3.2.2 Расчет площади мастерской

Площадь мастерской включает:

производственная площадь (занятую оборудованием, рабочими местами) - ремонтная площадь; вспомогательная площадь (занятую складскими помещениями для основных и комплектующих материалов, для хранения радио техники до и после ремонта);

Служебные и бытовые помещения (кабинет административно -

технического персонала, гардероба, сан узла).

Ремонтная площадь определяется по формуле

рем = fуд * С (3.3)

где f уд - удельная площадь 6 м2 - определяется по удельной площади на 1 рабочего место;

С - количество рабочих мест;

рем = 6*4 = 24 м2

Вспомогательная площадь определяется:

По укрепленным показательным показателям и составляет 25% от производственной площади.

всп = Sрем * 0, 25 м2 (3.4)всп = 24 * 0, 25 = 6 м2

Площадь служебных помещений определяется по удельной площади одного служебного места по формуле:

сл = Р рук * f (4.5)

Где Ррук - руководитель 1 человек= 4 м2 - удельная площадь одного служебного места; Sсл = 1 * 4 = 4м2

Площадь бытовых помещений определяется по удельной площади

на 1 - го рабочего:

быт = R * f м2 (3.6)

Где R - количество работающих 6 - человек;- удельная площадь бытовых помещений на 1 - работающего - 1, 25 м2

быт = 6 * 1, 25 = 7,5м2

Общая площадь участка определяется по формул:

уч = Sрем + Sвсп + Sслуж+ Sбыт (3.7)уч = 24 + 6 + 4 + 7,5= 41,5м2= S*H = 41,5*2,5=103,75 м3

3.3 Технико-экономические показатели


3.3.1 Расчет численности работающих в ремонтной мастерской можно произвести 2 - мя методами:

по рабочим местам;

по трудоемкости работ;

Выбираем метод расчета по рабочим местам.

Устанавливаем явочное число (Ря) работающих в одну смену, и определяем по формуле:

Ря = Тшт / Тсм (3.8)

где Тшт - трудоемкость работ в ремонтной мастерской чел. / час;

Тсм - продолжительность смены, час;

Ря = 35,75/8 = 6,46 - принимаем 6 человек.

Для определения списочного состава работающих в мастерской следует

учесть сменность работы (Ксм) и плановый коэффициент выхода на работу.

Рсп = Ря * Ксм / (1 - а) (3.9)

где а = 0,16, Рсп = 6 *1/ (1 - 0,16) = 7,95 = 7 чел.

Таблица 3.1 - Сводная ведомость списочного состава работающих в мастерской

№ п/п

Категории работающих

Количество работающих

% от общего кол-ва работающих

1

Основные рабочие

4

67

2

Мастер

1

16

4

Приемщица уборщица

1

16


Итого

6

100


Ря - условно разбивается на категории работающих.

3.3.2 Расчет фонда заработной платы

Фонд заработной платы основных рабочих определяется по формуле:

Фобщ. осн. раб. = Тс * Фд * Кз/п * Пр (3.10)

где Тс - тарифная ставка руб. /час;

Кз/п - коэффициент доплаты к заработной плате (3,33);

Пр - премия (1,2);

Фобщ. осн. раб. = 55 * 1901,36 * 3,33 * 1,2 = 417880,9руб.

Среднемесячная заработная плата основного рабочего.

Зср. м = Фобщ. осн / Ря * 12 (3.11)

где Ря - количество рабочих человек;

- число месяцев в году;

Зср. м = 417880,9/ 6 * 12 = 835761,8руб.

Фонд заработной платы инженерно-технических работников (ИТР) - мастер.

Фонд заработной платы ИТР исчисляется на основе штатного расписания средних должностных окладов и числа работников каждой группы. Премии для ИТР в фонд заработной платы не включается, а выделяются из материального поощрения.

Величина основной заработной платы ИТР за год определяется по формуле:

Зосн. окл. = Р * О * 12 (3.12)

где Р - число работников данной группы;

О - месячный должностной оклад, руб.;

- число месяцев работы.

Зосн. окл. = 1 * 8500 * 12 = 102000руб.

Здоп. = Зосн. окл. * 10%/100% (3.13)

Здоп. = 102000 * 10%/100% = 10200руб.

Згодов. итр = Зосн. окл. + Здоп. (3.14)

Згод. итр = 102000 + 10200 = 112200руб.

Зср =102000/12 = 8500 руб.

Расчет фонда заработной платы приемщицы - уборщицы.

Фонд заработной платы младшего обслуживающего персонала (МОП) исчисляется на основе штатного расписания. Премии для МОП в фонд заработной платы не включается, а выделяется из фонда материального поощрения. Величина основной заработной платы МОП за год определяется:

Зосн. окл. = Р * О * 12 (3.15)

где Р - число работников данной группы;

О - месячный оклад, рублей;

- Число месяцев работы.

Зосн. окл. = 1 * 3500 * 12 = 42000 руб.

Здоп. = Зосн. окл. * 10%/100% (3.16)

Здоп. = 42000 * 10%/100% = 4200руб.

Згод. моп = 42000 + 4200 = 46200 руб., Зсрмоп = 46200/12 = 3850 руб.

Таблица 3.2 - Сводная ведомость фонда заработной платы персонала ремонтной мастерской

Категории работающих, чел.

Кол-во работ-их, чел.

Основной фонд ЗП, руб.

Дополнительный фонд ЗП, руб.

Годовой фонд ЗП, руб.

Распред.  Фонд ЗП, %

1

Основные рабочие

4

417880,9

41788,09

459668,99

74,37

2

ИТР

1

102000

10200

112200

18,15

3

МОП

1

42000

4200

46200

7,48

Итого


561880,9

56188,09

618068,99

100


3.4 Расчет отчислений в Пенсионный фонд


Единый социальный налог (ЕСН) берется из расчета 26, 2% от общего годового фонда заработной платы ремонтной мастерской.

ЕСН = Фгод. * 0,262 (3.17)

ЕСН = 618068,99* 0,262= 161934,07руб.

3.5 Расчет годового объема работ


Расчет годового объема работ вычисляется по формуле:

г = Р * Фд * Квн / Нвр (3.18)

где Р - количество основных рабочих (4 человек)

Фд - действительный фонд времени (час)

Квн - коэффициент выполнения нормы к = 0,9;

Нвр - норма времени на ремонт 1 аппарата (2 часа);

г = 4 * 1901, 36 * 0, 9/2 = 3422,45рем.

Расчет амортизации оборудования

Таблица 3.3 - Характеристика производственного оборудования

Наименование обор-ия.

Кол-во шт.

Мощность, кВт.

Оптовая цена оборуд. Руб

Полная стоимость оборуд. Руб.

Амортизация



одного

всех



%

руб.

Осциллограф С1-12

3

0,04

0,12

3000

9000

10

900

Генератор НЧ

2

0,06

0,12

10000

20000

10

2000

Генератор ВЧ

2

0,04

0,08

10000

20000

10

2000

Измеритель АЧХ Х1-50

1

0,04

0,04

7000

7000

10

700

Мультиметр Ц4357

4

----

----

1000

4000

10

400

Компьютер

1

1,0

1,0

6000

6000

10

600

Позиционер

4

0,04

0,16

6000

24000

10

2400

Итого

17

1,22

1,52

46000

69000


6900


Потребляемое количество энергии на технологические цели определяется по формуле:

Пэ = М * Фд * Киэ (3.19)

где М - суммарная мощность оборудования, кВт;

Фд - действительный фонд рабочего времени (Фд = 1901,36);

Киэ - коэффициент использования силовой энергии (Киэ = 0,5%);

Пэ = 1,52 * 1901,36 * 0,5 = 1445,00 руб.

Для расчета затрат для технического осмотра и ремонта необходимо:

Рассчитать расходы на проведение капитальных, средних и текущих ремонтов за год. На предприятии эти расходы рассчитывают в процентном отношении пропорционально основной заработной плате основных производственных рабочих:

Зосн. рем. = Зосн. пр. р * 10% (3.20)

Зосн. рем =317113,38* 10% = 31711 руб.

Таблица 3.4 - Расходы на технические цели при эксплуатации оборудования.

Показатель

Сумма руб.

Амортизация оборудования и дорогостоящего инвентаря

6900

Затраты на электроэнергию на технологические цели

1445

Затраты на технический осмотр и ремонт оборудования

31711

Итого (Qрсо.)

40056


3.6 Смета цеховых расходов


Цеховые расходы подразделяются на расходы, связанные с содержанием и эксплуатаций оборудования и общецеховые расходы. Смета цеховых расходов составляется по статьям и элементам затрат.

Таблица 3.5 - Смета общепроизводственных расходов

 п/п

Наименование статей расходов

Методика расчета

Сумма, руб.

1

2

3

4

11

Аренда помещения

Сар. =S*Ca*12, где S-пл. помещения, м2 Са - стоимость 1 м2 12 - месяцев

Cap. = 41,5*200*12=99600 руб

22

Вода для производственых и бытовых нужд

Св. =Qв. *Ряв. *12*Цв где, Qв - расход воды, м3. Ря - число работающих 12 - месяцев; Цв - цена за 1 м3 воды.

Схол. =2*6*12*7,12=1025,28 руб. Сгор. =3*7*12*47,45 = =11957,4руб. Скап. = (Схол. +Сгор.) *8,35= =108405,38руб Свсего = Схол. +Сгор. + +Скап. = 121387,37 руб.

33

Отопление

Сотп. =V*12*Цп., Где - V-объем помещения м3 12-месяцев Цп - 1 м3 площади

Сотп. =103,75*12*14,28= =17178,84 руб.

44

Электроэнергия для освящения

Сэ=Пэ*12*Цэл. где: Пэ - потребляемое кол-во электроэнергии; 12 - месяцев; Цэл. - цена 1кВт/час электроэнергии

Сэ= 100*12*1,90= =2280 руб.

55

Услуга (телефон, кабельное подключение).

САТС = N*12*Т где: N-кол-во телефонных номеров; 12-месяцев; Т-тариф за услуги в месяц.

САТС = 2*12*300= =720 руб.


3.6.1 Общепроизводственные расходы


Таблица 3.6 - Сводная ведомость общепроизводственных расходов

№ п/п

Затраты

Сумма, руб.

1

Аренда

99600

2

Водоснабжение

121387,37

Отопление

17178,84

4

Электроснабжение

2280

5

Услуга АТС

720

Итого (QОЦР)

241165,37


3.7 Расчет производственной себестоимости


Годовая производственная себестоимость - ремонтной мастерской определяется:

Спр = Зосн. р + Qрсо + Qоцр + ЕСН (3.21)

где Зосн. р - основная заработная плата основных рабочих, руб.;рсо - расходы при эксплуатации оборудования, руб;оцр - общепроизводственные расходы, руб.;

ЕСН - единый социальный налог, руб.

Спр = 417880,9+ 42840 + 175428 + 161934,07= 1039248,35руб.

Расчет внепроизводственных расходов

Вр = Спр * 5% (3.22)

где Спр - производственная себестоимость, руб.;

Вр - расходы на рекламу, транспорт, выезд на дом к клиенту.

Вр = 1039248,35* 0,05 = 51962,42руб.

Расчет полной себестоимости

Сп. = Спр+ Вр (3.23)

где Вр - непроизводственная себестоимость

Спр - производственная себестоимость

Сп = 1039248,35+51962,42= 1091210,76руб.

3.7.1 Калькуляция полной себестоимости


Таблица 3.7 - Плановая калькуляция ремонтной мастерской

 №

Затраты

Сумма, руб.

% к итогу

1

Основная заработная плата основных рабочих

417880,9

49,16

2

ЕСН

161934,07

19,05

3

Расходы на содержание и эксплуатацию оборудования (Qрсо)

42840

5,04

4

Общепроизводственные расходы (Qоцр)

175428

20,64

5

Внепроизводственные расходы

51962,42

6,11


ПОЛНАЯ СЕБЕСТОИМОСТЬ

850045,39

100


3.8 Основные технико-экономические показатели работы участка


Таблица 3.8 - Основные технико-экономические показатели работы ремонтной мастерской

Показатели

Ед. измер.

План.

Расчет годового объема работ

шт. /год

3422,45

Производственная себестоимость продукции

руб.

1091210,76

Амортизация оборудования

шт.

17

Суммарная мощность оборудования

кВт

1,52

Общая площадь участка

м2

41,5

Отчисление в Пенсионный фонд

руб.

161934,07

Всего работающих, том числе



а) основные рабочие

чел.

4

б) МОП

чел.

1

в) ИТР

чел.

1

Годовой фонд ЗП работающих, в том числе:



а) основных рабочих

руб.

459668,99

б) МОП

руб.

112200

в) ИТР

руб.

46200

Производственная площадь на 1 рабочего

м2

7,5

Общепроизводственные расходы:



 

Аренда помещения

руб.

99600

 

Водоснабжение

руб.

121387,37

 

Отопление

руб.

17178,84

 

Электроэнергия

руб.

2280

 

Услуга (АТС)

руб.

7200

 

Себестоимость одного ремонта

руб.

152

 



Заключение


В своем дипломном проекте я выполнил требования, которые были заданы руководителем:

.        Разработана технология ремонта, настройки и регулировки ресивера SAMSUNG DSB-350;

2.       Дано описание технических характеристик, структурной и электрической схемы;

.        Был разработан алгоритм поиска неисправности;

.        Приведены основные требования техники безопасности при обслуживании и ремонте ресиверов.

Также представил всю технико-экономическую документацию. Рассчитал численность работающих; фонд заработной платы персонала по категориям работающих; составил смету цеховых расходов. Представленная в дипломном проекте информация может быть использована при техническом обслуживании и ремонте ресиверов SAMSUNG DSB-350 и аналогичных.

Список литературы


1. Ремонт спутниковых ресиверов. - М.: СОЛОН-ПРЕСС, 2010. - 104 с.: ил. - (Серия "Ремонт", выпуск 120).

. Журнал "Ремонт и сервис" №6,-М.: "Ремонт исервис 21", 2009. - 79 с.

. Спутниковое телевидение. Телевизионные антенны. Издательство: Оникс., 2006. Автор: Рыженко В.И., Назаров В.И. - 31с.

4. http://www,monitor.net.ru/

. <http://www.remserv.ru>

Похожие работы на - Технология ремонта, настройки и регулировки ресивера 'Samsung DSB-350'

 

Не нашли материал для своей работы?
Поможем написать уникальную работу
Без плагиата!
Без нейросетей!