Спектральный анализ и исследование систем
Задание на курсовое проектирование
1) Задать математическую модель сигнала и
построить соответствующие графики;
2) Исследовать спектральный состав сигнала
· С помощью комплексного ряда Фурье.
Определить верхнюю граничную частоту и ширину спектра сигнала
· С использованием спектральной
плотности сигнала. Определить верхнюю граничную частоту и ширину спектра
сигнала
· С помощью ДБПФ. Определить верхнюю
граничную частоту и ширину спектра сигнала;
3) Построить на одном графике исходный
сигнал и преобразованный с верхней граничной частотой, равной 0,5 от
рассчитанной;
4) Рассчитать номиналы и параметры
элементов Т - образной схемы ФНЧ
) Рассчитать основные характеристики двух
T - образных звеньев, соединённых по цепной схеме, с использованием А -
параметров четырёхполюсника;
) Построить АЧХ и ФЧХ T - образного
фильтра ФНЧ, с использованием программы Electronic Workbench 5.12;
) Список литературы.
1. Формирование математической модели сигнала и
построение ее графика
Исходные данные:
Формирование полной математической модели
сигнала:
График полной математической модели сигнала:
. Исследование спектрального состава сигнала
а ) с использованием комплексного ряда Фурье:
Задание числа гармоник
число N заданно глобально в конце документа,
Вычисление коэффициентов ряда Фурье
осуществляется по следующей формуле:
Полученные значения коэффициента Фурье:
где с - спектр сигнала;
- модуль спектра
амплитуд;
- аргумент спектра
фаз.
График спектра амплитуд:
для удобства управления процессом анализа лучше
задавать значение конечной переменной здесь
График спектра фаз:
График спектра построен только для положительных
амплитуд, это так называемый односторонний спектр.
Расчет ширины спектра сигнала:
На основании графика спектра амплитуд можно
сделать вывод, что первый нуль амплитуды спектра коэффициента
при
к=5.
Определим верхнюю граничную частоту и ширину
спектра.
Ширина спектра сигнала определяется по следующей
формуле:
где
это
несущая частота
где
-это
ширина спектра сигнала
Ширина спектра сигнала лежит в диапазоне от 0 до
б) с использованием спектральной плотности сигнала:
Построение графика спектральной плотности
сигнала:
График спектральной плотности

Действительные значения:
-это ширина
спектра сигнала
Поиск 1-го нуля спектральной плотности:
в) с использованием быстрых преобразований
Фурье:
б) число отсчетов должно быть равно два в
степени
Формирование дискретной модели сигнала.
Необходимо принять во внимание :
а) нумерация элементов вектора должна начинаться
с 0.
Задание дискретного периода
(задание дискретного периода равного 2 в 6
степени)
число дискретных отсчетов периода равно 2^M
задание текущего числа отсчетов
График сигнала заданного в дискретной форме:
задание сигнала в дискретной форме
коэффициент масштабирования.Одному дискретному
отсчету соответствует М мсек
Массив чисел содержит 33 числа, потенциально их
всегда можно вывести с помощью процедуры g=FFT .
В подавляющем большинстве случаев основной энергетический
вклад осуществляют низшие гармоники, которые имеет смысл представить в таблице
для удобства вывода данных:
исключение ошибки из расчета
Построение графиков спектров амплитуд и фаз:
График спектра амплитуд:
График спектра фаз:
По графику спектра амплитуд можно определить
верхнюю граничную частоту. Определим ее по 1 амплитудному коэффициенту.
Вычисление частоты основной гармоники
осуществляется по следующей формуле
- частота основной
гармоники
Ширина спектра сигнала рассчитывается по
следующей формуле:
верхняя граничная частота
- ширина спектра
сигнала
Вывод:
Ширина спектра сигнала лежит в диапазоне от 0 до
. Исследования спектрального состава сигнала с
помощью быстрых преобразований ряда Фурье
Преобразование и обработка сигнала связана с
выбором того или иного числа гармоник, а так же управлением их амплитудами по
определенным законам. Для обработки сигнала необходимо учитывать все гармоники,
полученные в результате FFT.
для восстановления сигнала необходимо учитывать
все гармоники
математический модель сигнал
преобразование
фильтрация гармоник по уровню 0.04. На выходе
устройства будут появляться гармоники, амплитуда которых >0.04
устройство пропускает на выход 1-ую и 2-ую
гармоники
Обратное дискретное преобразование ряда Фурье
- гармоники полученные в результате FFT
Для получения всего импульса необходимо брать
полное значение периода. Оно задано выше в значениях "k".
Построение графика обработанного сигнала:
График восстановленного сигнала представлен в
дискретной форме, т.е в виде отсчетов. Для построения графика в реальном
времени необходимо выполнить следующие преобразования.
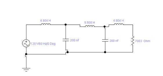
. Расчет номиналов и параметров элементов Т -
образной схемы ФНЧ
схема Т-образного ФНЧ
Расчет реактивных сопротивлений фильтра:
Формирование A - матриц последовательных и
параллельных звеньев фильтра:
Формирование A - матрицы фильтра:
График входного сопротивления фильтра:
В полосе прозрачности изменение модуля входного
сопротивления заметны, характер сопротивления близок к активному
График АЧХ фильтра:
График ФЧХ фильтра
5. Расчет основных характеристик двух,
каскадно-соединенных T - образных схем ФНЧ с использованием А - параметров
Формирование А - матриц последовательных и
параллельных звеньев фильтра
Строим эквивалентную схему сопротивлений.
Формирование А - матрицы ФНЧ
Для любой частоты можно рассчитать матрицу А -
параметров
В полосе прозрачности изменение модуля входного
сопротивления заметны, характер сопротивления близок к активному
График волнового сопротивления фильтра:
Расчет волнового сопротивления фильтра:
Расчет АЧХ и ФЧХ фильтра
График АЧХ фильтра:
6. Проверка модулированием Т-образного ФНЧ в EWB
5.12 и построение АЧХ и ФЧХ
АЧХ и ФЧХ ФНЧ полученные с помощью программы EWB
5.12
Заключение
В курсовой работе была выполнен
спектральный анализ и исследование системы.
На первом этапе работы был исследован спектр
сигнал и определена ширина спектра с помощью: комплексного ряда, спектральной
плотности сигнала, ДБПФ. Построены графики спектров и восстановленных сигналов.
На втором этапе работы было исследовано
прохождение сигнала через Т-образный ФНЧ с использованием численных методов и
параметров K(jw)
и S(w)
и построены соответствующие графики.
На третьем этапе работы схема ФНЧ была
смоделирована в EWB
5.12 и построена его АЧХ и ФЧХ.
Список литературы
1) Баскаков
С.И. «Радиотехнические цепи и сигналы»
2) Конспект
лекций по дисциплине «Теоретические основы радиотехники и ближней локации»
Акулова В.Г