Система охранно-пожарной сигнализации

  • Вид работы:
    Дипломная (ВКР)
  • Предмет:
    Информатика, ВТ, телекоммуникации
  • Язык:
    Русский
    ,
    Формат файла:
    MS Word
    293,03 Кб
  • Опубликовано:
    2012-06-15
Вы можете узнать стоимость помощи в написании студенческой работы.
Помощь в написании работы, которую точно примут!

Система охранно-пожарной сигнализации

Аннотация

Тема данной дипломной работы «Система охранно-пожарной сигнализации» (ОПС) в рамках которой была рассмотрена техническая сторона системы ОПС.

Задача системы ОПС состоит в своевременном обнаружений, обработке и передаче поступившего сигнала о начале возгорания, нарушения доступа в помещении, подаче определенных команд на центральный пульт.

Исходя из поставленной задачи, в дипломной работе последовательно рассмотрены обзор существующих систем ОПС, практическое применение в системе ОПС пожарных извещателей СПД 3.2, ИП 102, описание конструкции системы ОПС, описание самостоятельного решения датчиков, пуско-наладочные работы системы ОПС, проработка возможных неисправностей монтажа и методы диагностики, характеристика используемых средств измерений и наладки, техника безопасности при производстве и эксплуатации изделия, были произведены расчеты на себестоимость стенда и размещения датчиков в реальных условиях. Также была выбрана и обоснована схема системы ОПС и разработаны методические указания по эксплуатаций системы ОПС.

Содержание

Введение

. Общая часть

.1       Выбор и обоснование схемы ОПС

.2       Обзор существующих систем ОПС (ТТХ)

.3       Практическое применение в системе ОПС пожарных извещателей СПД3.2, ИП102

.4       Практическая схема системы ОПС назначение узлов

.5       Описание конструкции системы ОПС

. Специальная часть

.1 Расчет размещения датчиков в реальных условиях помещения

.2 Описание самостоятельного решения датчиков

. Организация производства

.1 Разработка технологической карты установки системы ОПС

.2 Пуско-наладочные работы системы ОПС

.3 Проработка возможных неисправностей монтажа и методы диагностики

.4 Характеристика используемых средств измерений и наладки

. Экономическая часть

.1 Расчет себестоимости изделия

. Мероприятие по технике безопасности и противопожарной безопасности

.1 Техника безопасности при производстве и эксплуатации изделия

. Инструкция по эксплуатаций

.1 Разработать инструкцию по эксплуатаций изделия

Заключение

Список литературы

Приложения

Введение

Под системой охранно-пожарной сигнализации следует понимать целый комплекс технических устройств, которые способствуют своевременному обнаружению, обработке и передаче поступившего сигнала о начале возгорания, нарушения доступа в помещении, подаче определенных команд, автоматически приводящих в действие механизм включения установок пожаротушения, вызов охраны на место взлома, а также обеспечения срабатывания противодымной защиты и других устройств, необходимых для комплексного обеспечения безопасности на объекте.

Оборудование объектов современными системами охранно-пожарной сигнализации показало свою большую эффективность и экономическую оправданность, именно поэтому руководители различного уровня все чаще прибегают к установке автоматических систем сигнализации, позволяющих значительно сократить использование охранников.

В первую очередь в установке таких систем нуждаются объекты, возгорание которых или проникновение на которые может привести к крупным материальным потерям или даже гибели людей. Цель установки систем пожарной сигнализации - обеспечение автоматического обнаружения объекта возгорания, своевременное включение систем, информирующих людей о пожаре или проникновении на объект, обеспечивающих локализацию или защиту.

Средства охраны призваны защитить информационные ресурсы предприятия от хищения, несанкционированного копирования и модификации. Актуальность данной проблемы обусловлена тем, что сколько веков существует человечество, столько времени и присутствует проблема воровства. В разные времена она решалась по-разному. Замки и охранники, собаки и механические ловушки. Все шло в дело, чтобы уберечь свое имущество. Но с наступлением эры технического прогресса почти повсеместно стали использовать технические средства защиты. И в первую очередь охранные сигнализации.

Охранно-пожарная сигнализация - это базовый элемент в системе безопасности любого предприятия. Системы охранно-пожарной сигнализации постоянно совершенствуется, изобретаются новые способы обнаружения пожара, снижается процент ложных тревог.

На любом предприятии, в каждом офисе необходимо иметь такую систему. Это продиктовано как желанием владельца обезопасить свое имущество, жизнь и здоровье сотрудников, так и государственными стандартами и нормативными актами МЧС. В целом пожарная сигнализация предназначена для выявления пожара на начальной стадии возгорания и передачи сигнала тревоги на пульт охраны.

Следующим шагом в развитии систем пожарной безопасности является автоматическая пожарная сигнализация, которая, в дополнение к основной функции, запускает систему оповещения людей о пожаре, а также приводит в действие установки автоматического пожаротушения, систему дымоудаления и другую противопожарную автоматику. Это система быстрой и автоматизированной реакции на возникновение очага пожара или задымления обнаруженного пожарными датчиками.

Системы охранной и пожарной сигнализации многое объединяет. Они имеют общие каналы связи, используют похожие алгоритмы приема и обработки информации. Поэтому их логично объединяют в одну систему - охранно-пожарную сигнализацию.

Техническое средство охраны - это базовое понятие, обозначающее аппаратуру, используемую в составе комплексов технических средств, применяемых для охраны объектов от несанкционированного проникновения.

Техническое средство охраны - это вид техники, предназначенный для использования силами охраны с целью повышения эффективности обнаружения нарушителя и обеспечения контроля доступа на объект охраны.

Исторически сложилось несколько подходов к решению проблем классификации ТСО. Нами будет рассмотрен подход, который можно характеризовать как обобщенный, не провоцирующий полемики на предмет большей или меньшей корректности тех или иных подходов, ибо их отличия проистекают из отличий вполне определенных целей классификации. Некоторые неудобства для понимания могут создавать различия в терминологии, когда близкие понятия обозначаются разными словами, как то: средство обнаружения, датчик, извещатель. Иногда применительно к конкретным физическим принципам действия применяется слово "детектор" как разновидность извещателя. По сути, ко всем этим терминам следует относиться как к синонимам, обозначающим близкие понятия - элементы аппаратуры технических средств охранной сигнализации, исполняющих функцию реагирования на внешнее воздействие. Например, сейсмическое СО реагирует на колебание почвы, вызванное движением кого-либо или чего-либо. Каждое СО строится на определенном физическом принципе, на основе которого действует его чувствительный элемент. Таким образом:

а) чувствительный элемент - это первичный преобразователь, реагирующий на воздействие на него объекта обнаружения и воспринимающий изменение состояния окружающей среды;

б) средство обнаружения - это устройство, предназначенное для автоматического формирования сигнала с заданными параметрами вследствие вторжения или преодоления объектом обнаружения чувствительной зоны данного устройства.

Содержание и суть названных и иных понятий будут раскрываться в излагаемом курсе последовательно по принципу "от простого к сложному". При этом, исходя из дидактических принципов познания, преследуется цель удобного восприятия и запоминания наиболее важных ключевых понятий. Поэтому используется прием краткого повтора в изложении наиболее существенных для понимания читателя определений, описаний понятий и пояснений физической сути рассматриваемых принципов построения СО, ТСО или ТСОС.

Охранная сигнализация используется уже очень давно, и давно перестала быть чем-то экзотическим. Практически каждый второй магазин, офис, склад имеют охранную сигнализацию. Принцип действия охранной сигнализации очень прост. Инсталлятором (монтажной организацией) рассматриваются места возможного проникновения на объект и блокируются охранными датчиками (в этом плане наиболее уязвимыми с точки зрения безопасности являются окна и двери). В помещении охраны устанавливается прибор охранной сигнализации. В случае открытии двери, окна, разбитии стекла, несанкционированном проникновении в офис, срабатывает соответствующий датчик, и сигнал передаётся на прибор охранной сигнализации в помещении охраны. Включается звуковая и световая сигнализация, оповещая охрану о том, что на объект, в таком то месте кто-то проник. Наиболее распространёнными датчиками, используемыми в охранной сигнализации являются инфракрасные датчики движения, акустические датчики разбития стекла, герконы (магнитно-контактные).

Приёмно-контрольные приборы, используемые в охранной сигнализации также представлены весьма широкой номенклатурой. От простейших, управляемых нажатием одной, двух кнопок, до компьютерных систем, где оператор может видеть на экране монитора план всего здания.

При выборе конкретных приёмно-контрольных приборов не следует забывать, что охранная сигнализация монтируется не просто для того, чтобы она была, а для облегчения работы охраны. Поэтому монтаж сложных в эксплуатации систем охранной сигнализации не всегда технически оправдан.

И, наконец, один из самых главных вопросов. Куда будет приходить сигнал с приёмно-контрольного прибора. В случае наличия на объекте охраны этот вопрос решается просто, конечно в помещении охраны. А если охраны нет? Ведь далеко не каждая фирма способна оплачивать услуги охраны. Здесь существует несколько вариантов:

а) сдача объекта на пульт вневедомственной охраны;

б) применение автодозвонщика, который в случае сработки охранной сигнализации по заранее запрограммированным телефонным номерам передаст речевое сообщение о факте проникновения на объект;

в) применение GSM дозвонщика (для не телефонизированных объектов).

Все виды охранных сигнализаций можно разделить на стационарные (устанавливаемые в каком-то определенном месте в помещении) и мобильные (которые можно переносить с места на место). Простейший пример стационарного устройства - тревожная кнопка. Вы нажали ее, и охрана в курсе, что на вас совершено нападение. Примером мобильного устройства может служить маленькая сирена, установленная под дверь.

Аналоговые охранные панели. Отличие этого оборудования прежде всего в том, что оно контролирует положение шлейфа и различает состояние "норма", "тревога", "повреждение шлейфа". Эти особенности делают этот класс охранных панелей более защищенным, устойчивым к интеллектуальному взлому.

Цифровые охранные панели. Они защищают не только от повреждений линий связи, но и от подмены аналогичными устройствами. Опрос каждого шлейфа происходит 180 раз в секунду.

Радио охранные сигнализации - сигнализации, действующие с помощью радиоканала. Основное их преимущество - высокая мобильность, отсутствие строительно-монтажных работ, возможность использования при охране объектов, требующих минимального вмешательства

Конечно же, охранная сигнализация не сможет препятствовать проникновению вора внутрь охраняемого помещения, но по сигналу, поданному на пульт вневедомственной охраны, прибудет наряд милиции, и если уж не задержит преступника на месте, то раскроет кражу по «горячим следам» и вернет вам ваше имущество.

Кроме того, вскрыв помещение и обнаружив сигнализацию, вор, понимая, что может быть застигнут на месте преступления, постарается быстро покинуть его. Как правило, он хватает те вещи, которые попали под руку, не имея возможности обыскать досконально объект. Поэтому ущерб хозяевам квартиры наносится минимальный.

Требования к технической укреплённости объекта должны определятся значимостью объекта, видом и концентрацией материальных или иных ценностей на нём, его строительными и архитектурно планировочными решениями, режимом работы и многими другими факторами, которые необходимо учитывать при проектировании комплексной системы защиты объекта.

Таким образом, техническая укреплённость объекта - это совокупность мероприятий направленных на усиление конструктивных элементов зданий, сооружений, помещений и защищаемых территорий, обеспечивающих необходимое и достаточное противодействие несанкционированному проникновению нарушителя в защищаемую зону, взлому и другим преступным посягательствам.

Цель дипломной работы является разработка учебно-методического комплекса для изучения системы охранно-пожарной сигнализации.

Раздел 1. Общая часть

.1      Выбор и обоснование схемы ОПС

Система охранной сигнализации (ОС) - это совокупность взаимосвязанных технических средств для обнаружения признаков нахождения нарушителя на охраняемых объектах, сбора, обработки, передачи и представления в заданном виде информации потребителям. В функции системы охранно-пожарной сигнализации (ОПС) входит обнаружение как проникновения, так и признаков пожара на объекте. Технические средства (ТС) ОПС в соответствии с ГОСТ 26342-84 классифицируются по двум признакам: области применения и функциональному назначению.

По области применения ТС подразделяются на охранные и охранно-пожарные.

По функциональному назначению ТС подразделяются на две группы:

а) ТС обнаружения (извещатели), предназначенные для формирования и передачи информации о состоянии контролируемых параметров;

б)ТС оповещения, предназначенные для приема, преобразования, передачи, хранения, обработки и отображения информации (системы передачи извещений, ППК, оповещатели).

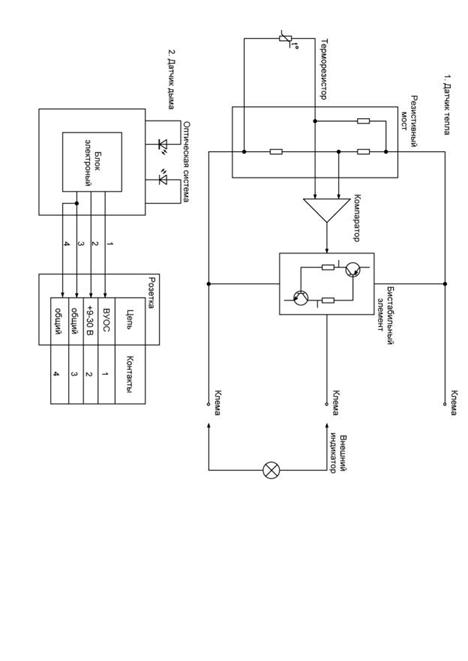
Из рисунка 1 видно, что в систему ОПС входят извещатели, включенные в шлейфы сигнализации (ШС) и передающие сигнал на приемно-контрольный прибор, управляющий оповещателями (световым и звуковым). К ПКП подключено шифроустройство, с помощью которого обеспечивается санкционированный, то есть без формирования тревожного извещения, вход на охраняемый объект хозоргана или доверенного лица. ОПС объектовая оборудована средствами отображения информации о проникновении и (или) пожаре, что позволяет проводить контроль помещений (зон) объекта визуально.

Рисунок 1 - Структурная схема объектовой ОПС.

Извещателем называется первичное техническое средство для обнаружения изменения среды (проникновения, пожара) и форматирования извещения: охранного, пожарного или обоих - охранного и пожарного.

Извещением в технике ОПС называется сообщение, несущее информацию о состоянии охраняемого объекта, передаваемого с помощью электрических, световых и (или) звуковых сигналов. Извещения разделяются на тревожные и служебные. Тревожное извещение несет информацию о проникновении или пожаре. Служебное извещение содержит информацию о "взятии" под охрану, "снятии" с охраны, неисправности аппаратуры и др.

Шлейф охранной сигнализации (ШС) - это электрическая цепь, соединяющая выходные цепи охранных извещателей, включающая в себя вспомогательные (выносные) элементы (диоды, резисторы) и соединительные приборы, предназначенные для выдачи на приёмно-контрольный прибор извещений о проникновении, пожаре или неисправности. В некоторых случаях предусматривается через шлейф подача электропитания на извещатели.

Приёмно-контрольный прибор (ППК) служит для приёма сигнала от извещателей, обработки его и передачи в удобном виде либо на центральный пульт, либо далее в другой приёмно-контрольный прибор. Потребителем информации системы ОПС, является персонал служб безопасности и охраны, на который возложены функции реагирования на тревожные и служебные извещения, поступающие с охраняемых объектов.

В процессе обзора современных автоматизированных систем управления на российском рынке выяснилось, что система "Орион" наиболее подходит к обеспечению защиты информации на данном объекте. Эта система имеет следующие технические и качественные особенности:

. Технические особенности:

)        охранная сигнализация:

а) независимый контроль в одном шлейфе контакта тревоги и контакта блокировки датчика;

б) отсутствие ограничений на количество зон в разделе;

в) напряжение во всех шлейфах - 24 В;

г) автоматический сброс тревоги извещателей с питанием по шлейфу;

д) разнообразные способы взятия/снятия под охрану: с ПЭВМ, с пульта "С2000", с клавиатуры "С2000-К", с помощью ключа Touch Memory, с помощью Proximity-карты.

)        пожарная сигнализация:

а) распознавание двойной сработки извещателей в одном шлейфе;

б) автоматический сброс извещателей, питаемых по шлейфу;

в) подключение адресных извещателей;

г) программирование сценариев для управления АСПТ и оповещения.

)        управление видеонаблюдением:

а) автоматическое и ручное управления системами видеонаблюдения через релейные модули;

б) реагирование системы на самые разнообразные события: от тревоги и предоставления доступа до удаленного управления постановкой на охрану.

)        управление инженерными системами зданий:

а) использование шлейфов сигнализации;

б) для измерения значений аналоговых параметров (температура, давление, влажность);

в) программирование сценариев для управления инженерными системами зданий.

. Качественные особенности:

)        модульность - систему можно постепенно наращивать и модернизировать;

)        комплексность - позволяет организовать управление пятью подсистемами безопасности объекта: охранная сигнализация, пожарная сигнализация, контроль доступа, управление системой видео наблюдения и управление инженерными системами здания. Каждая из подсистем реализует весь набор функций, которые для нее предусмотрены;

)        интеллект - все пять подсистем безопасности не только управляются из одного центра, но и взаимодействуют между собой.

)        Например, при срабатывании датчика охранной сигнализации включается запись событий, которые происходят в опасной зоне, на видеомагнитофон, на монитор выводится изображение охраняемой зоны, в которой сработал датчик, или при срабатывании пожарной сигнализации включается система оповещения, блокируются противопожарные двери и разблокируются двери на путях эвакуации. В принципе система ОПС позволяет управлять всеми подсистемами безопасности жизнеобеспечения здания по технологии интеллектуального здания. Каждое устройство, которое входит в комплект системы ОПС, имеет множество параметров и конфигурируется самим пользователем. Например, прибор DSC имеет 28 параметров конфигурации. Это позволяет создавать уникальную, полностью адаптированную под данный объект систему безопасности. С одной стороны, это значительно затруднит действия злоумышленника, а с другой - заказчик сам создаст то, что ему нужно, не посвящая в свои тайны третьих лиц.

)        надежность - система обладает высокой устойчивостью к саботажу, к действиям злоумышленников. Шлейфы приборов системы обладают устойчивостью к попыткам закорачивания их участков, имеют возможность контролировать блокировочные контакты корпусов извещателей, в том числе и в неохраняемое время, когда на объекте присутствуют посторонние.

)        Обмен по интерфейсной магистральной линии ведется с применением средств криптозащиты, поэтому исключена возможность обхода системы заменой приборов аналогичными из состава системы. Доступ к управлению системой закрыт парольной защитой, а доступ к компьютеру - биометрическим считывателем отпечатков пальцев операторов системы. Вместе с уникальной конфигурацией это делает ИСО "Орион" устойчивой к внешним угрозам.

)        автоматическое реагирование на события - в ИСО "Орион" возможно программирование различных сценариев для, управления автоматической системой пожаротушения и оповещения.

)        экономичность - подсистема контроля доступа имеет самые низкие затраты в расчете на одну дверь по сравнению с другими ИСО. Заказчик сам определяет какой тип идентификатора (ключи Touch Memory, Proximity карты или PIN-код) ему использовать.

.2 Обзор существующих систем ОПС

Системы охранно-пожарной сигнализации (ОПС) в том или ином виде используются сегодня практически на всех объектах. Это связано с тем, что использование электроники, в конечном счете, всегда выгоднее, чем использование охранников.

Системы охранно-пожарной сигнализации предназначены для определения факта несанкционированного проникновения на охраняемый объект или появления признаков пожара, выдачи сигнала тревоги и включения исполнительных устройств (световых и звуковых оповещателей, реле и т.д.). Системы охранной и пожарной сигнализации по идеологии построения очень близки друг другу и на небольших объектах, как правило, бывают совмещены на базе единого контрольного блока - прибора приемно-контрольного (ППК) или контрольной панели (КП).

В настоящее время на российском рынке представлены различные системы охранно-пожарной сигнализации, от простейшей до наиболее сложной. Возможности систем ОПС, построенных на различном оборудовании, существенно отличаются, хотя каждая из существующих систем удовлетворяет требованиям НПБ. Классификация систем ОПС представлена на рисунке 1.

Каждый класс существующих систем охранно-пожарной сигнализации имеет свои плюсы и минусы. Далее проанализируем каждый из существующих классов.

Рисунок 1- Современные системы ОПС.

 

Пороговые системы сигнализации с радиальными шлейфами.

Приемно-контрольный прибор (ПКП) в такой системе - это моноблок. Емкость системы рассчитана на несколько десятков шлейфов сигнализации, а ее увеличение осуществляется благодаря установке дополнительных приборов. Связи между функционированием нескольких ПКП в системе нет.

В этой системе каждый пожарный извещатель (датчик) имеет прошитый еще на заводе-изготовителе порог срабатывания. Например, тепловой извещатель такой системы пожарной сигнализации сам примет решение о пожаре и сработает только при достижении определённой температуры, подав при этом сигнал. Место возгорания можно установить только с точностью до шлейфа, так как подобные системы представляют собой радиальную топологию построения шлейфов сигнализации, когда от контрольной панели в разные стороны идут кабели пожарных шлейфов - лучи. В каждый такой луч обычно включают порядка 20-30 датчиков, и при срабатывании одного из них контрольная панель отображает только номер шлейфа (луча) в котором сработал пожарный извещатель. То есть в случае поступления тревожного сообщения необходимо осмотреть все помещения, через который тянется шлейф.

Преимущества: невысокая цена оборудования.

Недостатки:

)        невозможно проверить правильность прихода тревожного сигнала без сброса питания со шлейфа сигнализации;

)        отсутствие контроля работоспособности извещателей, система сообщает только о неисправности шлейфа;

)        существует ограничение на площадь и количество защищаемых помещений;

)        в шлейф сигнализации обязательно должны быть включены оконечные устройства;

)        в каждом помещении должно быть установлено, как минимум, два извещателя;

)        высокий уровень ложных тревог;

)        большая зависимость от человеческого фактора (насколько оперативно будут проверены помещения, через которые пролегает шлейф, пославший сигнал тревоги) - позднее обнаружение пожара;

)        дорогостоящий монтаж и техническое обслуживание, неэкономный расход монтажных материалов;

)        при большом количестве шлейфов сигнализации на объекте невозможно контролировать систему сигнализации с одного прибора.

Пороговые системы сигнализации с модульной структурой.

Приемно-контрольное оборудование в такой системе - это набор блоков, связанных линией связи. Самый распространенных протокол для линий связи - RS-485. Блоки для подключения шлейфов сигнализации размещаются в непосредственной близости от мест установки извещателей. Емкость приемно-контрольных приборов рассчитана на более ста шлейфов сигнализации, а ее увеличение осуществляется благодаря установке дополнительных блоков. Все события в системе сигнализации передаются на центральный блок, установленный в диспетчерской, и отображаются на системном пульте управления.

Отличие пороговой сигнализации с модульной структурой от пороговой сигнализации с радиальными шлейфами состоит в том, что в этой системе существует возможность подключения как однопороговых шлейфов, так и двухпороговых. Последние формируют сигнал «Пожар1» при срабатывание одного извещателя и «Пожар2» при срабатывании двух и более извещателей.

Преимущества:

)        возможность подключения большого количества шлейфов при централизованном контроле всех событий на одном системном пульте;

)        экономия кабеля, так как нет необходимости прокладывать все шлейфы от диспетчерской до защищаемых помещений;

)        невысокая цена оборудования.

Недостатки:

)        аналогичные недостатки, как и у пороговой сигнализации с радиальными шлейфами, за исключением последнего пункта;

)        протокол RS-485 предусматривает только последовательное соединение блоков линий связи, не допускает их ответвлений от центральной магистрали более чем на 2 м, ограничивает их протяженность 1200 метрами;

)        линии связи должны быть тщательно настроены, а в качестве физической среды использовать витую пару.

Адресно-опросные системы сигнализации.

Отличие данной системы от пороговой состоит в топологии построения схемы (кольцевая архитектура) и алгоритмом опроса датчиков. Контрольная панель адресно-опросной системы циклически опрашивает подключенные пожарные извещатели с целью выяснить их состояние; контрольная панель пороговой сигнализации постоянно ждет сигнала от датчика. В данной системе, также как и у пороговой, сам извещатель принимает решение о пожаре. В адресно-опросных системах сигнализации существует четыре вида сигналов, которые могут приходить с извещателей: «Норма», «Неисправность», «Отсутствие», «Пожар».

Преимущества:

)        информативность полученных сообщений;

)        возможность контроля работоспособности пожарных извещателей;

)        выгодное соотношение цена-качество.

Недостатки:

)        позднее обнаружение пожара.

Адресно-аналоговые системы сигнализации.

Приемно-контрольный прибор (ПКП) в такой системе - это моноблок с одним или несколькими адресными шлейфами сигнализации, имеющими кольцевую структуру. В один шлейф можно включить до 200 устройств. В кольцевую систему включаются:

)        адресные автоматические пожарные извещатели,

)        адресные ручные пожарные извещатели,

)        адресные реле,

)        адресные оповещатели,

)        модули контроля.

В отличие от вышеперечисленных систем пожарной сигнализации, в данной системе извещатель является измерительным устройством и не принимает решения о пожаре. Датчик передает на ПКП значение измеряемого параметра (оптическая плотность среды в дымовой камере и скорость изменения температуры), а также свой адрес и результаты теста самодиагностики. Такой подход позволяет отличить неисправность в электрических цепях извещателя от необходимости профилактических работ по очищению дымовой камеры от накопившейся пыли.

Одно из достоинств данной сигнализации состоит в том, что питание и опрос всех устройств осуществляются с двух сторон, поэтому обрыв адресного шлейфа не влияет на работу системы сигнализации. ПКП также фиксирует место обрыва шлейфа и формирует соответствующее сообщение, в то время как вся система продолжает функционировать.

Еще одно достоинство состоит в том, что в данной системе предусмотрен помехоустойчивый алгоритм обработки значений контролируемого параметра. Для принятия решения о пожаре прибор использует не единичный результат измерения, а заранее определенный набор записей о состоянии контролируемой среды, интегрируя его по времени. При таком подходе скачкообразные линейной зависимостью с неизменным во времени угловым коэффициентом кратковременные помехи игнорируются, а сигнал от реального очага возгорания, характеризующийся линейной зависимостью с неизменным во времени угловым коэффициентом, фиксируется.

Преимущества:

)        возможность обнаружения очага возгорания на самом раннем этапе его возникновения (за счет настройки чувствительности для каждого извещателя);

)        надежность кольцевых шлейфов;

)        низкий уровень ложных тревог;

)        постоянный контроль работоспособности всех компонентов системы сигнализации (все устройства, подключенные к шлейфу, опрашиваются с интервалом в несколько секунд);

)        возможность установки одного извещателя в помещении;

)        неограниченность количества защищаемых помещений;

)        отсутствие оконечных устройств в адресных шлейфах;

)        возможность получения подробной информации от каждого компонента системы сигнализации;

)        низкие затраты монтажные работы и техническое обслуживание.

Недостатки:

)        необходимость использовать для монтажа адресно-аналогового шлейфа сигнализации только витую пару (так как протокол обмена информацией устанавливает жесткие требования к физической среде, в которой распространяются сигналы);

)        максимальная протяженность кабеля не должна превышать 2000 м - извещатель не может быть удален от ПКП на расстояние, превышающее 1/2 длины кольцевого шлейфа;

)        высокая стоимость оборудования.

1.3 Практическое применение в системе ОПС пожарных извещателей СПД 3.2, ИП 102

Извещателем в системе охранно-пожарной сигнализации называется устройство, формирующее извещение при появлении пожара или проникновения. В зависимости от способа приведения в действие, он может быть автоматическим или ручным (неавтоматическим). В функции автоматического извещателя входит обнаружение факторов, сопутствующие пожару, а также попытки проникновения или физического воздействия, превышающего нормированный уровень, и формировании тревожного извещения.

Извещатель является конструктивно законченным устройством, выполняющим самостоятельные функции в системе сигнализации. Наиболее близким по смыслу к слову "извещатель" является "детектор" (от латинского detector - открыватель, обнаружитель).

В системе охранно-пожарной сигнализации могут использоваться как независимые охранные и пожарные извещатели, так и охранно-пожарные, совмещающие функции охранного и пожарного извещателя (например, ультразвуковой извещатель "Эхо-А").

Одной из основных составных частей извещателя является чувствительный элемент, выполняющий функции преобразователя информации и реагирующий на внешнее физическое воздействие. Если чувствительный элемент выделен и размещён в отдельной конструктивно законченной части извещателя, он называется датчиком (сенсором).

В основу классификации охранных и охранно-пожарных извещателей в соответствии с нормативными документами, а также сложившейся практикой положены следующим основные признаки:

вид зоны обнаружения;

принцип действия;

характер охраняемого объекта;

способ функционирования;

способ электропитания.

Пожарный извещатель оптический комбинированный тепло-дымовой СПД 3.3 предназначен для раннего обнаружения загорания, сопровождающегося появлением огня или дыма малой концентрации в закрытых помещениях различных зданий и сооружений. Область применения извещателя распространяется на такие объекты как: Образовательные учреждения, детские сады, медицинские учреждения, административные здания и сооружения, торговые центры и многие другие.

Технические характеристики

Чувствительность извещателя

0,05-0,2 дБ/м

Напряжение питания

12 ±1,8 В

Ток потребления в дежурном режиме, мА

не более 0,25

Инерционность срабатывания

не более 10 сек

Допустимый уровень воздействия фоновой освещенности

12000 лк

Допустимая скорость воздушного потока

до 10 м/с

Помехоустойчивость ( по ГОСТ Р 53325):


- к наносекундным импульсам напряжения

3 степень

- к электростатическому разряду

3 степень

- к электромагнитному полю

3 степень

Способ защиты от поражения электрическим током

3 класс

Степень защиты оболочки извещателя

IP 30

Габаритные размеры

Ø=100мм; h=46мм

Вес извещателя

150 г.

Максимальная относительная влажность

95±3% при +25ºС

Диапазон рабочих температур

-30…+55 °С

Средний срок службы

не менее 10 лет

Конструкция и принцип работы

Датчик обнаруживает дым с помощью инфракрасного излучателя и фотоприемника. Элементы смонтированы в специальной дымовой камере. В базовом состоянии фотоприемник не может видеть сигнал инфракрасного излучателя, но при попадании частичек дыма в камеру, фотоприемник может обнаружить сигнал за счет искажений. Если дыма становится много, искажения луча становится сильным, фотоприемник получает сигнал от излучателя и отправляет сигнал пожарной тревоги на центральный блок и включается встроенная в датчик звуковая сирена.

Состояние индикатора

Индикация

Дежурный режим

Мигание оптического индикатора с периодом (5±1) сек.

Режим "Пожар"

Постоянное свечение оптического индикатора

Извещатель СПД-3.2предназначен для круглосуточной и непрерывной работы со следующими приборами:

ППК-2; «Нота», «Сигнал-ВК», «Радуга» , «Луч»; «DSC»; «Сигнал-20»; «Гранд Магистр»; «Гранит»; «ВЭРС»;

любыми другими приемно-контрольными приборами, обеспечивающими напряжение питания в шлейфе сигнализации в диапазоне от 9 до 30 В и воспринимающими сигнал "Пожар" в виде скачкообразного уменьшения внутреннего сопротивления извещателя в прямой полярности до величины не более 1 кОм.

Особенности:

промигивание светодиода в дежурном режиме;

в извещателе применена микросхема осуществляющая цифровую обработку сигналов оптопары, а также новый алгоритм компенсации запыленности, повышающий помехозащищенность и позволяющий исключить ложные срабатывания;

малые габаритные размеры и современный дизайн корпуса;

наличие запирающего устройства;

корпус извещателя изготовлен из ударопрочного и износостойкого материала - АБС;

Светодиод оптической системы вырабатывает световые импульсы, причем при отсутствии дыма на фотоприемник попадает незначительное количество световой энергии и усиленный сигнал фотоприемника оказывается значительно ниже порогового значения, и схема вырабатывает сигнал низкого уровня, поддерживающий выходной ключ в закрытом состоянии.

При появлении дыма в оптической камере импульсы инфракрасного излучения, отражаясь от дымовых частиц, попадают на фотоприемник, усиленный сигнал которого сравнивается с пороговым уровнем, и, если превышение над порогом повторяется пять раз подряд, схема регистрирует состояние "Пожар". При этом схема вырабатывает сигнал, поступающий на выходной ключ, который уменьшает выходное сопротивление извещателя до величины не более 450 Ом при токе 20 мА, что является сигналом срабатывания для приемно-контрольного прибора.

Ток, протекающий через открытый выходной ключ, обеспечивает свечение оптического индикатора извещателя, а также выносного устройства оптической сигнализации (ВУОС) подключаемого к контактам 1 и 4 розетки.

Возврат извещателя в дежурный режим после срабатывания (сброс) осуществляется путем снятия с извещателя питания на время, не менее 3 с. Короткозамкнутые контакты 1 и 2 извещателя обеспечивают возможность формирования в шлейфе приемно-контрольного прибора режима "Обрыв" при изъятии извещателя из розетки.

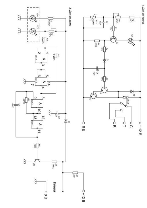
Датчик дыма в ИП СПД 3.2 (Приложение А).

Устройство работает следующим образом : на диодах VD1 и VD2 выполнена оптопара с открытым каналом В качестве излучающего и приемного светодиодов используется светоизлучающий ИК диод АЛ107Б. При освещении светодиода VD2 потоком ИК излучения от светодиода VD1 первый будет иметь небольшое сопротивление, и в точке соединения резисторов R2, R3 и светодиода VD2 значение напряжения будет менее половины напряжения питания. На триггере Шмитта (элементы DD1.1, DD1.2) установится уровень логического "0". Генератор импульсов, выполненный на элементах DD1 3, DD1 4 блокирован этим уровнем (на выводе 9 DD1.3). Транзистор VT1 закрыт уровнем логического "0" на выводе 11 элемента DD1.4. При попадании дыма на датчик освещенность светодиода VD2 уменьшается и, как следствие, увеличивается его сопротивление. Напряжение в точке соединения элементов R2, R3, VD2 возрастает, приводит к срабатыванию триггера Шмитта и включению генератора на элементах DD1.3, DD1.4. С выхода последнего триггера (11 DD1.4) через резистор R6 положительные импульсы поступают на базу транзистора VT1. Он открывается и замыкает линию связи через резистор R7 на землю. При этом напряжение в точке соединения элементов VD3, R7, R8 уменьшается, а при закрывании транзистора VT1 - увеличивается. Таким образом, при появлении дыма на выходе линии (точка соединения элементов VD3, R7, R8) будут присутствовать импульсы с частотой, задаваемой генератором на элементах DD1.3, DD1.4. Эти импульсы обрабатываются схемой оповещения о пожаре (на рис. не показана), и выдается сигнал тревоги. Питание устройства осуществляется по линии связи от источника +12 В через резистор R8. При этом в исходном состоянии (дым отсутствует) конденсатор С2 заряжен через диод VD3. При срабатывании датчика питание устройства будет осуществляться от конденсатора С2, который подзаряжается через диод VD3 при закрывании транзистора VT1. При замыкании линии через резистор R7 и транзистор VT1 диод VD3 препятствует разряду конденсатора С2. Вместо светодиодов АЛ107Б можно использовать АЛ108, Настройка датчика заключается в установке порога срабатывания триггера Шмитта изменением сопротивления резистора R2.

Описание электрической принципиальной схемы датчика тепла ИП СПД 3.2 (Приложение А).

Небольшая схема датчика сконструирована на базе термистора, реагирующего на повышение температуры окружающей среды. Условие тревоги отмечается светодиодом, который используется также в качестве индикатора при настройке схемы. В случае тревоги реле включает достаточно мощную звуковую сигнализацию. Кроме того, контакт реле может быть использован в режиме круглосуточного обслуживания охранного пульта. Для наблюдения за закрытым помещением, например за котельной, термистор помещается внутри, тогда как корпус вместе с электрической схемой устанавливается снаружи, с другой стороны огнестойкой двери или перегородки.

Как показано на принципиальной схеме, детектор содержит два каскада транзисторов: один из них- компаратор напряжения, а другой- схема Да рлингтона (составной резистор), управляющий ток которой очень мал.

При обычной температуре окружающей среды сопротивление термистора RT1 составляет приблизительно 100 кОм. Термистор вместе с регулируемым сопротивлением RP1 и последовательным ограничительным сопротивлением сопротивлением R2 образуют делитель напряжения. Напряжение с делителя подается подается на базу транзистора Т1, который используется как компаратор: пороговое напряжение компаратора равно сумме напряжений смещения светодиода D1 и перехода база- эмиттер транзистора Т1.

Этот порог приблизительно равен 2 В (считая от плюса схемы). Пока напряжения на концах термистора не упадет ниже 10 В, транзистор Т1 закрыт: ток в цепи эмитте- коллектор отсутствует, светодиод не горит, напрежение на выводах резистора R1 равно 0, реле обесточено.

Резистор R3 ограничивает ток базы Т1 и мало влияет на порог срабатывания. Регулируемый резистор RP1 позволяет повысить напряжение на базе Т1, но таким образом, чтобы транзистор все еще был надежно закрыт (D1 не светится).

При повышении температуры окружающей среды сопротивление термистора уменьшается. Напряжение на базе транзистора Т1 падет, и он открывается. Загорается светодиод, и на резисторе R1 появляется напряжение, определяющее ток через светодиод.

С этого момента конденсатор С1 быстро заряжается через резистор R4 и диод D2. Последний препятствует быстрому разряду конденсатора С1 через резистор R1 при возврате транзистора Т1 в закрытое состояние (что маловероятно, за исключением случаев отсутствия или перемещения огня или разрушения датчика от перегрева). Это приводит к задержке включения тревоги.

Задержка возникает благодаря очень малому току потребления составного транзистора, используемого для включения и выключения реле. В данном случае эта схема может иметь два состояния закрытое и открытое. Действительно, начиная с момента заряда конденсатора С1 ток базы подается на составной транзистор Т2,Т3, который открывается и включает реле. Пока светодиод горит, заряд С1 поддерживается транзистором Т1, находящимся в режиме насыщения. И наоборот, когда светодиод гаснет, конденсатор С1 разряжается, обеспечивая ток насыщения составного транзистора, который тем самым удерживается

Извещатель пожарный тепловой максимально-дифференциальный ИП 102.Прибор работает по принципу действия с использованием зависимости электрического сопротивления элемента, поэтому мы также будем использовать ВТ кабель шлейф ПС типа КСПВ-4х0,5.

ИП 102(ECO-1005). Технические характеристики

Температура срабатывания при медленном повышении

58°C

Срабатывание при скорости повышения температуры

8°C/мин. и более

Средняя площадь, контролируемая одним извещателем

до 55 м2

Рабочее напряжение

от 8 В до 30 В

Амплитуда пульсаций напряжения питания

±2 В, макс.

Номинальный ток в дежурном режиме

140 мкА

Допустимый ток в режиме "Пожар"

50 мА, макс.

Высота с базой Е1000В

50 мм

Диаметр

102 мм

Вес с базой Е1000В

120 г

Размер лазерного тестера ЛТ

83х30х15 мм

Вес лазерного тестера ЛТ

30 г

Диапазон рабочих температур

-30°C +70°C

Максимально допустимая относительная влажность

95%

Степень защиты оболочки извещателя

IP23

При разработке пожарных извещателей серии ECO1000 были учтены особенности построения и эксплуатации системы пожарной и пожарно-охранной сигнализации в России, а именно:

а) Обеспечена совместимость практически с любыми пожарными приемно-контрольными приборами (ПКП), в том числе и со знакопеременным напряжением в шлейфе сигнализации, например, с "ППК-2", "РАДУГА", Луч, "СИГНАЛ-20П", "ВЭРС-ПК", УОТС, РУБЕЖ, DSC.

б) Расширенный диапазон рабочих температур извещателей серии ECO1000 от - 30°С до +70°С обеспечивает работу в отапливаемых и неотапливаемых помещениях.

в) Широкий диапазон рабочих напряжений питания, от 8 до 30 вольт, позволяет использовать извещатели серии ECO1000 в системах пожарной и пожарно-охранной сигнализации.

г) Извещатели серии ECO1000 устанавливаются:

) в базовые основания Е1000R (база с резистором);

) в базовые основания Е1000В (база без резистора);

) в розетки от ДИП через адаптер Е1000А.

д) Релейные базы Е412NL, Е412RL и устройства согласования от SYSTEM SENSOR M412NL, M412RL, M424RL позволяют подключать извещатели серии ECO1000 к ПКП охранно-пожарных сигнализаций с четырехпроводной схемой включения, например, Vista, DSC, Napco, C & K, Veritas.

а) Стабилизация токов встроенного светодиода и выносного оптического сигнализатора, обеспечивает постоянную высокую яркость их свечения во всем диапазоне рабочих напряжений питания.

б) Непосредственное измерение температуры и скорости ее увеличения определяет высокую надежность срабатывания, при отсутствии ложных тревог.

в) Обеспечены простота и удобство включения теста - дистанционно, при передаче кодированного сигнала с с лазерного тестера ЛТ (фото справа) на светодиод датчика, производится его включение и формируется сигнал «Пожар» для проверки системы.

г) Для защиты от пыли извещатели ИП101-23 поставляются с надетыми на них пластмассовыми технологическими крышками

д) Базовые основания защищают извещатели серии ECO1000 от несанкционированного извлечения и обеспечивают надежное крепление в условиях транспортной тряски при их установке на подвижных объектах.

е) Использование печатной платы с экранирующим слоем повысило устойчивость датчика к воздействию внешних электромагнитных помех.

ж) Высокая защита от коррозии обеспечена специальным покрытием и герметизацией отдельных секторов монтажной платы.

з) Имеет сертификаты ССПБ, ГОСТ Р.

1.4    Практическая схема системы ОПС назначения узлов

Элементами системы являются технические средства охранно-пожарной сигнализации. Обобщенная схема, характеризующая состав системы тревожной сигнализации, изображена на рис.1. Для конкретной системы состав технических средств определяется способом организации охраны, а также потребностями пользователя. В зависимости от вида охраны она может быть организована как автономная или централизованная. Для автономной охраны характерно наличие одного объекта защиты, представляющего собой одно или комплекс помещений, расположенных в пределах одного или нескольких зданий, объединенных общей территорией. Обязательными элементами системы в этом случае являются извещатель, оповещатель и источник их электропитания. На практике связь между извещателем, оповещателем и системой передачи извещений на объекте всегда осуществляется через приемно-контрольный прибор охранно-пожарной сигнализации.

С целью повышения достоверности получаемой информации при организации охраны объекта применяют многорубежные комплексы сигнализации. Каждый из рубежей представляет собой совокупность совместно действующих технических средств обнаружения (извещателей), связанных между собой электрической цепью (шлейфом), позволяющей выдать независимое раздельное извещение о проникновении или попытке проникновения нарушителя в охраняемую зону (или несколько зон, составляющих рубеж). При этом в каждый рубеж сигнализации должны быть включены извещатели, основанные на разных принципах действия. В случае автономной охраны многорубежная система охранной сигнализации может быть организована с помощью многошлейфного прибора, имеющего раздельную индикацию о срабатывании извещателей, включенных в ШС и составляющих рубеж или его выделенную часть.

В технической литературе встречается также термин "контролируемая зона". Обычно это часть охраняемого объекта, контролируемая одним шлейфом охранной сигнализации (для комплексов охранной сигнализации), одним шлейфом пожарной сигнализации (для установок пожарной сигнализации), одним шлейфом охранно-пожарной сигнализации или совокупностью шлейфов охранной и пожарной сигнализации (для комплексов охранно-пожарной сигнализации). В более широком понимании это контролируемый объект (или часть объекта), для которого его состояние может быть однозначно отображено с помощью средств индикации, оповещения, или передано на ПЦН, а также обеспечивается раздельное управление (взятие под охрану, снятие с охраны ручным или автоматическим способом, управление объектовым оборудованием и т.д.).

 <#"564242.files/image004.gif">

Рисунок 1.5.1 - Классификация приемно-контрольных приборов.

Классификация систем передаче извещений представлена на рисунке 1.5.2.

Рисунок 1.5.2 - Классификация систем передачи извещений.

По способу отображения поступающей на пульт централизованного наблюдения информации системы передачи извещений подразделяются на системы с индивидуальным или групповым отображением информации в виде световых и звуковых сигналов, с отображением информации на дисплее с применением устройств обработки и накопления базы данных.

К техническим средствам сбора и обработки информации относятся приборы приемно-контрольные, контрольные панели, сигнально-пусковые устройства, системы передачи извещений и т.п. Они предназначены для непрерывного сбора информации от технических средств обнаружения (извещателей), включенных в шлейфы сигнализации, анализа тревожной ситуации на объекте и ее отображения, управления местными световыми и звуковыми оповещателями, индикаторами и другими устройствами (реле, модем, передатчик и т. п.), а также формирования и передачи извещений о состоянии объекта на центральный пост или пульт централизованного наблюдения, Они же обеспечивают сдачу под охрану и снятие объекта (помещения) с охраны по принятой тактике, а также в ряде случаев электропитание извещателей.

Шлейф сигнализации (ШС) - это электрическая цепь, соединяющая выходные цепи извещателей, включающая в себя вспомогательные элементы (диоды, резисторы и т. п.), соединительные провода и коробки и предназначенная для выдачи извещений о проникновении, попытке проникновения, пожаре, неисправности, а в некоторых случаях и для подачи электропитания на извещатели.

Зона - это часть охраняемого объекта, контролируемая одним или несколькими шлейфами сигнализации. Поэтому термин "зона", используемый в описаниях зарубежной аппаратуры, является в данном случае синонимом термина "шлейф сигнализации".

Приборы приемно-контрольные классифицируются по информационной емкости (количеству контролируемых шлейфом сигнализации) на приборы малой (до 5 ШС), средней (от 6 до 50 ШС) и большой (свыше 50 ШС) информационной емкости. По информативности приборы могут быть малой (до 2-х видов извещений), средней (от 3 до 5 видов) и большой (свыше 5 видов) информативности.

Приборы приемно-контрольные (ППК) и контрольные панели (КП) являются основными элементами, формирующими на объекте информационно-аналитическую систему охранной, пожарной или охранно-пожарной сигнализации. Такие системы могут быть автономными или централизованными. При централизованной охране объектовый комплекс технических средств, формируемый одним или несколькими ППК (КП), образует объектовую подсистему охранно-пожарной сигнализации, которая с помощью системы передачи извещений (СПИ) передает в заданном виде информацию о состоянии объекта на пульт централизованного наблюдения (ПЦН), размещаемый в центре приема извещений о тревоге (пункте централизованной охраны - ПЦО). Информация, формируемая ППК или КП при автономной и централизованной охране, передается сотрудникам специальных служб обеспечения охраны объекта, на которых возложены функции реагирования на тревожные извещения, поступающие с объекта.

Кабель для монтажа систем сигнализации КСВЭВ 2х0.5.

КСВЭВ кабель предназначен для монтажа систем связи, сигнализации и телекоммуникаций при рабочем напряжении до 250 В переменного тока.

КСВЭВ - кабель с однопроволочными медными жилами диаметром 0.40, 0.50, 0.64, 0.80 мм, с изоляцией и оболочкой из ПВХ пластиката, экран выполнен из алюмопластмассовой ленты с продольной прокладкой дренажной жилы из луженого медного проводника, для внутренней неподвижной прокладки. Цветовая маркировка изолированных жил кабеля КСВЭВ представлена в таблице 1.5.1.

Таблица 1.5.1 - Цветовая маркировка изолированных жил кабеля КСВЭВ.

Число жил в кабеле

Цвет изоляции жил

КСВЭВ 2

белый, коричневый

КСВЭВ 4

то же, а также зеленый, желтый

КСВЭВ 6

то же, а также серый, розовый

КСВЭВ 8

то же, а также синий, красный

Основные электрические параметры кабеля КСВЭВ представлена в таблице 1.5.2.

Таблица 1.5.2 - Основные электрические параметры кабеля КСВЭВ

Наименование параметра

Величина параметра

Электрическое сопротивление токопроводящих жил постоянному току при 20oС и длине 1 км., не более Ом/км.:  Для жил диаметром 0,40 мм  Для жил диаметром 0,50 мм  Для жил диаметром 0,64 мм  Для жил диаметром 0,80 мм

 148.0  94.0  58.0  36.0

Сопротивление изоляции на длине 1 км при температуре 20oС и нормальной относительной влажности, не менее МОм:

50

Электрическая емкость для неэкранированных кабелей цепи марок КСВВ, не более нФ/км: "жила - жила"

110

Электрическая емкость для экранированных кабелей цепи марок КСВЭВ, не более нФ/км:  "жила - жила"  "жила - экран"

140  200

 

Конструктивные параметры кабеля КСВЭВ представлена в таблице 1.5.3.


Таблица 1.5.3 - Конструктивные параметры кабеля КСВЭВ

Число жил и  диаметр мм

размер, мм

 



масса нм, кг/км

масса кабеля, кг/км

Индуктивность, мГн/км

КСВЭВ 2х0,40

3,1

3,6

11,2

0,90

КСВЭВ 4х0,40

3,6

5,9

16,6

0,95

КСВЭВ 6х0,40

4,1

8,1

20,9

1,00

4,4

10,6

25,5

1,10

КСВЭВ 10х0,40

5,2

12,7

32,6

1,20

КСВЭВ 12х0,40

5,2

14,9

36,2

1,20

КСВЭВ 2х0,50

3,3

4,9

13,2

0,90

КСВЭВ 4х0,50

3,8

8,6

19,7

0,95

КСВЭВ 6х0,50

4,4

12,3

26,5

1,00

КСВЭВ 8х0,50

4,7

15,8

32,3

1,10

 

Условия эксплуатации:

Вид климатического исполнения (по ГОСТУ 15150-69):

УХЛ и Т категории размещения 2, 3, 4. Окружающая среда - от минус 40оС до плюс 60оС, в условиях монтажных изгибов - до 0оС, повышенная влажность воздуха - до 98% при температуре - до 35оС;

Минимальный радиус изгиба - 10 номинальных наружных диаметров кабеля;

Не распространяет горение при одиночной прокладке.

Минимальный срок службы кабеля - 15 лет.

В главе были рассмотрены и проанализированы существующие системы ОПС и их конструкция, практическое применение в системе ОПС пожарных извещателей СПД 3.3 и ИП 102 и описана их схема электрическая принципиальная, также была выбрана и обосновано схема системы ОПС.

На оснований главы можно сделать следующие выводы:

а) Выбранная схема системы ОПС является оптимальная для сборки учебного стенда системы ОПС.

б) Для учебного стенда лучшей системой является пороговые системы сигнализации с модульной структурой.

в) Выбранные пожарные извещатели являются лучшими образцами для демонстраций в связи с их широким применением.

Раздел 2. Специальная часть

.1 Расчет размещения датчиков в реальных условиях помещения

Для расчета размещения датчиков в реальных условиях помещения я выбрал мастерские ГОУ БПФ “ПГУ им. Т.Г. Шевченко”.

этаж:

)        Электромонтажная мастерская. Оборудован электроприборами и различной электроаппаратурой. Оптимальной считаю установку оптико-электронных дымовых ИП, т.к. важна высокая скорость срабатывания извещателя.

)        Лекционная аудитория. Нет особых свойств и характеристик. Отсутствие источников запыления позволяет установить оптико-электронные дымовые ИП.

)        Столярная мастерская. При обработке древесины образуется стружка и различного вида пыль, при наличий которой невозможно использовать дымовые ИП, а также при горений древесины резко повышается температура в помещений, поэтому предлагаю применить тепловые максимально-дифференциальные ИП.

)        Лаборатория испытаний строй материалов и конструкций. Не имеется особенных характеристик и пожароопасных веществ, поэтому целесообразно применит тепловые максимально-дифференциальные ИП.

)        Механическая мастерская. Не имеется особенных характеристик и пожароопасных веществ, поэтому целесообразно применит тепловые максимально-дифференциальные ИП.

этаж:

)        Слесарная мастерская. Имеется наличие различных электростанков. Предлагаю применить дымовые оптико-электронные ИП.

)        Сварочный участок. Также подвержен пыли и дымообразованию. Целесообразно применить тепловые максимально-дифференциальные ИП.

)        Комната мастеров. Не имеется особенных характеристик и пожароопасных веществ, поэтому целесообразно применит тепловые максимально-дифференциальные ИП.

)        Отделочно-штукатурная мастерская. Имеется пылеобразования, в связи с работой со строительными материалами, поэтому считаю целесообразно применить тепловые максимально-дифференциальные ИП, т.к. дымовые и за пыли могут выйти из строя.

)        Кабинет технического творчества. Нет особых свойств и характеристик. Отсутствие источников запыления позволяет установить оптико-электронные дымовые ИП.

Таким образом мы устанавливаем дымовые оптико-электронные ИП в помещениях:

-го этажа:

)        Электро монтажная мастерская

)        Лекционная аудитория

-го этажа:

)        Кабинет технического творчества

)        Слесарная мастерская

Максимально-дифференциальные тепловые ИП устанавливаем в помещениях:

-го этажа

)        Столярная мастерская

)        Лаборатория испытаний строй материалов и конструкций

)        Механическая мастерская

-го этажа

)        Сварочный участок

)        Комната мастеров

)        Отделочно-штукатурная мастерская

Расчет необходимого количества пожарных извещателей

Расчет осуществляем по данным таблицам свода правил 5.13130.2009 "Системы противопожарной защиты. УСТАНОВКИ ПОЖАРНОЙ СИГНАЛИЗАЦИИ И ПОЖАРОТУШЕНИЯ АВТОМАТИЧЕСКИЕ. Нормы и правила проектирования."

Площадь, контролируемая одним точечным дымовым пожарным извещателем, а также максимальное расстояние между извещателями и извещателем и стеной, необходимо определять по таблице 2.1.1, но, не превышая величин, указанных в технических условиях и паспортах на извещатели.

Таблица 2.1.1 - Расчет размещения дымовых пожарных извещателей.

Высота защищаемого помещения, м

Средняя площадь, контролируемая одним извещателем,м2

Максимальное расстояние, м



между извещателями

от извещателя до стены

До 3,5

До 85

9,0

4,5

Св. 3,5 до 6,0

До 70

8,5

4,0

Св. 6,0 до 10,0

До 65

8,0

4,0

Св. 10,5 до 12,0

До 55

7,5

3,5

 

Таблица 2.1.2 - Расчет размещения тепловых пожарных извещателей.

Высота защищаемого помещения,м

Средняя площадь, контролируемая одним извещателем,м2

Максимальное расстояние, м



между извещателями

от извещателя до стены

До 3,5

До 25

5,0

2,5

Св. 3,5 до 6,0

До 20

4,5

2,0

Св. 6,0 до 9,0

До 15

4,0

2,0

 

Площадь, контролируемая одним точечным тепловым пожарным извещателем, а также максимальное расстояние между извещателями и извещателем и стеной, определятся по таблице 2.

Расчет количества пожарных извещателей на площадь рассчитывается по формуле:

ИП=Sпом./hп.п.

Где Sпом- площадь помещения;п.п- средняя площадь контролируемая одним извещателем;

Таблица 2.1.3 - Расчет размещения пожарных извещателей в выбранных помещениях.

№ п/п

Наименование кабинета

Площадь кабинета, м2

Высота потолочного перекрытия, м

Количество ИП





дымовых

тепловых

1

Электромонтажная мастерская

49

5

1

3

2

Лекционная аудитория

70

5

1

4

3

Столярная мастерская

105

5

2

6

4

Лаборатория испытаний строй материалов и конструкций

70

5

1

4

5

Механическая мастерская

70

5

1

4

6

Слесарная мастерская

70

5

1

4

7

Сварочный участок

140

5

2

7

8

Комната мастеров

35

5

1

2

9

Отделочно-штукатурная мастерская

107

5

2

6

10

Кабинет технического творчества

35

5

1

2

 

2.2 Описание самостоятельного решения датчиков


Пожарный извещатель - устройство для формирования сигнала о пожаре. Использование термина «датчик» является неправильным, так как датчик - это часть извещателя. Несмотря на это, термин «датчик» используется во многих отраслевых нормах, в значении «извещатель».

Условное обозначение пожарных извещателей должно состоять из следующих элементов: ИП Х1Х2Х3-Х4-Х5.

Аббревиатура ИП определяет наименование «извещатель пожарный». Элемент Х1 - обозначает контролируемый признак пожара; вместо Х1 приводят одно из следующих цифровых обозначений:

- тепловой;

- дымовой;

- пламени;

- газовый;

- ручной;

…8 - резерв;

- при контроле других признаков пожара.

Элемент Х2Х3 обозначает принцип действия ПИ; вместо Х2Х3 приводят одно из следующих цифровых обозначений:

- с использованием зависимости электрического сопротивления элементов от температуры;

- с использованием терма ЭДС;

- с использованием линейного расширения;

- с использованием плавких или сгораемых вставок;

- с использованием зависимости магнитной индукции от температуры;

- с использованием эффекта Холла;

- с использованием объемного расширения (жидкости, газа);

- с использованием сегнетоэлектриков;

- с использованием зависимости модуля упругости от температуры;

- с использованием резонансно-акустических методов контроля температуры;

- радиоизотопный;

- оптический;

- электроиндукционный;

- с использованием эффекта «памяти формы»;

…28 - резерв;

- ультрафиолетовый;

- инфракрасный;

- термобарометрический;

- с использованием материалов, изменяющих оптическую проводимость в зависимости от температуры;

- аэроионный;

- термошумовой;

- при использовании других принципов действия.

Элемент Х4 обозначает порядковый номер разработки извещателя данного типа.

Элемент Х5 обозначает класс извещателя.

Автоматические пожарные извещатели в зависимости от возможности их повторного включения после срабатывания делятся на следующие типы:

.        возвратные извещатели с возможностью повторного включения - извещатели, которые из состояния пожарной тревоги могут без замены каких либо узлов снова вернуться в состояние контроля, если только исчезли факторы, приведшие к их срабатыванию. Они подразделяются на типы:

.        извещатели с автоматическим повторным включением - извещатели, которые после срабатывания самостоятельно переключаются в состояние контроля;

.        извещатели с дистанционным повторным включением - извещатели, которые при помощи дистанционно подаваемой команды могут быть переведены в состояние контроля;

.        извещатели с ручным включением - извещатели, которые при помощи ручного переключения на самом извещателе могут быть переведены в состояние контроля;

.        извещатели со сменными элементами - извещатели, которые после срабатывания могут быть переведены в состояние контроля лишь путем замены некоторых элементов;

.        извещатели без возможности повторного включения (без заменяемых элементов) - извещатели, которые после срабатывания больше не могут быть переведены в состояние контроля.

Автоматические пожарные извещатели по типу передачи сигналов делятся:

.        двухрежимные извещатели с одним выходом для передачи сигнала как об отсутствии так и наличии признаков пожара;

.        многорежимные извещатели с одним выходом для передачи ограниченного количества (более двух) типов сигналов о состоянии покоя, пожарной тревоги или других возможных состояний;

.        аналоговые извещатели, которые предназначены для передачи сигнала о величине значения контролируемого ними признака пожара, или аналогового/цифрового сигнала, и который не является прямым сигналом пожарной тревоги.

Тепловые извещатели

Тепловые извещатели применяются, если на начальных стадиях пожара выделяется значительное количество теплоты, например в складах горюче-смазочных материалов. Либо в случаях, когда применение других извещателей невозможно.

Применение в административно - бытовых помещениях запрещено!

Поле наибольшей температуры располагается на расстоянии 10...23 см от потолка. Поэтому именно в этой области желательно располагать теплочувствительный элемент извещателя. Тепловой извещатель, расположенный под потолком на высоте шести метров над очагом пожара сработает при тепловыделении пожара 420 кВт, а на высоте 10 метров - при 1,46 МВт.

Точечные тепловые извещатели

Точечный тепловой извещатель, реагирует на факторы пожара в компактной зоне.

Многоточечные тепловые извещатели

Тепловые многоточечные извещатели - это автоматические извещатели, чувствительные элементы которых представляют собой совокупность точечных сенсоров дискретно расположенных на протяжении линии. Шаг их установки определяется требованиями нормативных документов и техническими характеристиками, указываемыми в технической документации на конкретное изделие.

Линейный тепловой извещатель (термокабель)

Существует несколько типов линейных тепловых пожарных извещателей, конструктивно отличающихся друг от друга:

.        полупроводниковый - линейный тепловой пожарный извещатель, у которого в качестве сенсора температуры используется покрытие проводов веществом, имеющим отрицательный температурный коэффициент. Данный вид термокабеля работает только в комплекте с электронным управляющим блоком. При воздействии температуры на любой участок термокабеля изменяется сопротивление в точке воздействия. С помощью управляющего блока можно задать разные пороги температурного срабатывания;

.        механический - качестве сенсора температуры данного извещателя используется герметичная металлическая трубка, заполненная газом, а также датчик давления, подключенный к электронному блоку управления. При воздействии температуры на любой участок сенсорной трубки изменяется внутреннее давление газа, значение которого регистрируется электронным блоком. Данный тип линейного теплового пожарного извещателя многоразового действия. Длина рабочей части металлической трубки сенсора имеет ограничение по длине до 300 метров:

.        электромеханический - линейный тепловой пожарный извещатель, у которого в качестве сенсора температуры используется термочувствительный материал, нанесенный на два механически напряженных провода (витая пара), Под воздействием температуры термочувствительный слой размягчается, и два проводника накоротко замыкаются.

Дымовые извещатели

Дымовые извещатели - извещатели, реагирующие на продукты горения, способные воздействовать на поглощающую или рассеивающую способность излучения в инфракрасном, ультрафиолетовом или видимом диапазонах спектра.

Дымовые извещатели могут быть точечными, линейными, аспирационными и автономными.

Признак, на который реагируют дымовые извещатели - дым. Наиболее распространенный тип извещателя. При защите системой пожарной сигнализации административно-бытовых помещений необходимо использовать только дымовые извещатели. Использование других типов извещателей в административно-бытовых помещениях запрещено. Количество извещателей, защищающих помещение зависит от размеров помещения, типа извещателя, наличие систем (пожаротушения, дымоудаления, блокировки оборудования) которыми управляет пожарная сигнализация.

До 70% пожаров возникает из тепловых микроочагов, развивающихся в условиях с недостаточным доступом к ним кислорода. Такое развитие очага, сопровождающееся выделением продуктов горения и протекающее в течение нескольких часов, характерно для целлюлозосодержащих материалов. Обнаруживать подобные очаги наиболее эффективно регистрацией продуктов горения в небольших концентрациях. Это позволяют делать дымовые или газовые извещатели.

Оптические извещатели

Дымовые извещатели, использующие оптические средства обнаружения, реагируют по-разному на дым разных цветов. В настоящее время производители предоставляют ограниченную информацию о реакции дымовых извещателей в технических характеристиках. Информация о реакции извещателя включает только номинальные значения реакции (чувствительности) на серый дым, а не чёрный. Часто указывается диапазон чувствительности вместо точного значения.

Точечные дымовой извещатели

Точечный извещатель реагирует на факторы пожара в компактной зоне. Принцип действия точечных оптических извещателей основан на рассеивании серым дымом инфракрасного излучения. Хорошо реагируют на серый дым, выделяющийся при тлении на ранних стадиях пожара. Плохо реагирует на чёрный дым, поглощающий инфракрасное излучение.

Для периодического обслуживания извещателей необходимо разъемное соединение, так называемая «розетка» с четырьмя контактами, к которой подключается дымовой извещатель. Для контроля отключения датчика от шлейфа существуют два отрицательных контакта, которые замыкаются при установки извещателя в розетку.

Во всех точечных дымовых оптических пожарных извещателях ИП 212-ХХ по классификации НПБ 76-98 используется эффект диффузного рассеивания излучения светодиода на частицах дыма. Светодиод располагается таким образом, чтобы исключить прямое попадание его излучения на фотодиод. При появлении частиц дыма часть излучения отражается от них и попадает на фотодиод. Для защиты от внешнего света оптопара - светодиод и фотодиод, размещаются в дымовой камере из пластика чёрного цвета.

Экспериментальные исследования показали, что время обнаружения тестового очага пожара при расположении дымовых извещателей на расстоянии 0,3 м от потолка возрастает в 2…5 раз. А при установке извещателя на расстоянии 1 м от перекрытия можно прогнозировать увеличение времени определения пожара уже в 10…15 раз.

Когда разрабатывались первые советские оптические дымовые извещатели, не было специализированной элементной базы, стандартных светодиодов и фотодиодов. В дымовом фотоэлектрическом извещателе ИДФ-1М в качестве оптопары использовались лампа накаливания типа СГ24-1,2 и фоторезистор типа ФСК-Г1. Это определяло низкие технические характеристики извещателя ИДФ-1М и слабую защиту от внешних воздействий: инерционность срабатывания при оптической плотности 15 - 20 %/м составляла 30 с, напряжение питания 27±0,5 В, ток потребления более 50 мА, масса 0,6 кг, фоновая освещенность до 500 лк, скорость воздушного потока до 6 м/с.

В комбинированном дымо-тепловом извещателе ДИП-1 были применены светодиод и фотодиод, причем расположенные в вертикальной плоскости. Использовалось уже не непрерывное излучение, а импульсное: длительность 30 мкс, частота 300 Гц. Для защиты от помех было применено синхронное детектирование, т.е. вход усилителя был открыт только во время излучения светодиода. Это обеспечило более высокую защиту от помех, чем в извещателе ИДФ-1М и значительно улучшило характеристики извещателя: инерционность снизилась до 5 с при оптической плотности 10%/м, т.е. в 2 раза меньшей, масса снизилась в 2 раза, допустимая фоновая освещенность увеличилась в 20 раз, до 10000 лк, допустимая скорость воздушного потока увеличилась до 10 м/с. В режиме "Пожар" включался светодиодный индикатор красного цвета. Для передачи сигнала тревоги в извещателях ДИП-1 и ИДФ-1М использовалось реле, что определяло значительные токи потребления: более 40 мА в дежурном режиме и более 80 мА в тревоге, при напряжении питания 24±2,4 В и необходимости использования раздельных сигнальных цепей и цепей питания.

Линейный дымовой извещатель

Линейный дымовой двухкомпонентный извещатель, состоит из блока приемника и блока излучателя (либо одного блока приемника-излучателя и отражателя) реагирует на появление дыма между блоком приемника и излучателя.

Устройство линейных дымовых пожарных извещателей основано на принципе ослабления электромагнитного потока между разнесенными в пространстве источником излучения и фотоприемником под воздействием частиц дыма. Прибор такого типа состоит из двух блоков, один из которых содержит источник оптического излучения, а другой - фотоприемник. Оба блока располагают на одной геометрической оси в зоне прямой видимости.

Особенностью всех линейных дымовых извещателей является функция самотестирования с передачей сигнала «Неисправность» приемно-контрольному прибору. Из-за этой особенности правильным является применение только в знакопеременных шлейфах. Включение линейных извещателей в знакопостоянные шлейфы ведет к блокировке сигналом «Неисправность» сигнала «Пожар», что противоречит НПБ 75.

В один из первых советских линейных извещателей имел название ДОП-1 и использовал в качестве источника света лампу накаливания СГ-24-1,2. В качестве фотоприемника использовался германиевый фотодиод. Извещатель состоял из приемно-передающего блока, служащего для излучения и приема светового луча, и светоотражателя, устанавливаемого перпендикулярно направленному световому лучу на требуемом расстоянии. Номинальное расстояние между приемно-передающим блоком и отражателем 2,5±0,1 м.

Устройство фотолучевое ФЭУП-М советского производства состояло из излучателя и фотоприёмника инфракрасного луча.

Аспирационный дымовой извещатель

Аспирационный дымлвлй извещатель, использует принудительный отбор воздуха из защищаемого объёма с мониторингом ультрачувствительными лазерными дымовыми извещателями обеспечивает сверхраннее обнаружение критической ситуации. Аспирационные дымовые пожарные извещатели позволяют защитить объекты, в которых невозможно непосредственно разместить пожарный извещатель.

Пожарный аспирационный извещатель применим в помещениях архивов, музеев, складов, серверных, коммутаторных помещений электронных узлов связи, центров управления, «чистых» производственных зон, больничных помещений с высокотехнологичным диагностическим оборудованием, телевизионных центров и радиовещательных станций, компьютерных залов и других помещений с дорогостоящим оборудованием. То есть для наиболее важных помещений, где хранятся материальные ценности или где огромны средства, вложенные в оборудование, либо где велик ущерб от остановки производства или прерывания функционирования, либо велика упущенная выгода от потери информации. На таких объектах крайне важно достоверно обнаружить и ликвидировать очаг на самой ранней стадии развития, на этапе тления - задолго до появления открытого огня, либо при возникновении перегрева отдельных компонент электронного устройства. При этом, учитывая, что такие зоны обычно оснащены системой контроля температуры и влажности, в них производится фильтрация воздуха, имеется возможность значительно увеличить чувствительность пожарного извещателя, избежав при этом ложных срабатываний.

Недостатком аспирационных извещателей является их высокая стоимость.

Радиоизотопный извещатель

Радиоизотопный извещатель - это дымовой пожарный извещатель, который срабатывает вследствие воздействия продуктов горения на ионизационный ток внутренней рабочей камеры извещателя.

Принцип действия радиоизотопного извещателя основан на ионизации воздуха камеры при облучении его радиоактивным веществом. При введении в такую камеру противоположно заряженных электродов возникает ионизационный ток. Заряженные частички «прилипают» к более тяжелым частичкам дыма, снижая свою подвижность - ионизационный ток уменьшается. Его уменьшение до определенного значения извещатель воспринимает как сигнал «тревога». Подобный извещатель эффективен в дымах любой природы. Однако наряду с описанными выше достоинствами, радиоизотопные извещатели имеют существенный недостаток, о котором не следует забывать. Речь идет об использовании в конструкции извещателей источника радиоактивного излучения. В связи с этим возникают проблемы соблюдения мер безопасности при эксплуатации, хранении и транспортировки, а также утилизации извещателей после окончания срока эксплуатации. Эффективен для обнаружения возгораний сопровождающихся появлением так называемых «черных» видов дыма, характеризующихся высоким уровнем поглощения света.

Извещатели пламени

Извещатель пламени - извещатель, реагирующий на электромагнитное излучение пламени или тлеющего очага.

Извещатели пламени применяются, как правило, для защиты зон, где необходима высокая эффективность обнаружения, поскольку обнаружение пожара извещателями пламени происходит в начальной фазе пожара, когда температура в помещении ещё далека от значений, при которых срабатывают тепловые пожарные извещатели. Извещатели пламени обеспечивают возможность защиты зон со значительным теплообменом и открытых площадок, где невозможно применение тепловых и дымовых извещателей. Извещатели пламени применяются для организации контроля наличия перегретых поверхностей агрегатов при авариях, например, для обнаружения пожара в салоне автомобиля, под обшивкой агрегата, контроля наличия твердых фрагментов перегретого топлива на транспортере.

Ручные извещатели

Ручной извещатель - устройство, предназначенное для ручного включения сигнала пожарной тревоги в системах пожарной сигнализации и пожаротушения. Ручные пожарные извещатели следует устанавливать на высоте 1,5 м от уровня земли или пола. Освещенность в месте установки ручного пожарного извещателя должна быть не менее 50 Лк.

Ручные пожарные извещатели должны устанавливаться на путях эвакуации в местах, доступных для их включения при возникновении пожара.

В сооружениях для наземного хранения легковоспламеняющихся и горючих жидкостей ручные извещатели устанавливаются на обваловке.

Выбор пожарных извещателей, разрешенных к применению на территории Российской Федерации позволяет проектировать системы пожарной сигнализации, учитывая характеристики защищаемых помещений объекта, а также материальные возможности и пожелания заказчика. В таблице 1.2 приведены основные технические характеристики наиболее часто применяемых пожарных извещателей.

Таблица 1 - Основные технические характеристики извещателей пожарных.

Модель

Страна-производитель

Принцип действия

Порог срабатывания

Инерционность срабатывания, с

Питание В/мА

Диапазон раб. температур, С

Тепловые ПИ

ИП 101-1А

Россия

Тепловой мгновенный

50…100

60

10…25 / 0.05

-30…+100

ИП 101-2

Россия

Тепловой макс. диф.

54…56

60

24 / 0.3

-40…+70

ИП 103-2

Россия

Тепловой мгновенный

54…78

80…100

22…65 / 1

-40…+50

ИП 103-4/1

Россия

Тепловой мгновенный

60…70

120

12…30 / 150

-30…+50

ИП 105

Беларусь

Тепловой максимальный

60…70

120

12…30 / 0.03

-50…+50

Дымовые ПИ

ДИП-3

Россия

Дымовой оптический

0,05…0,5 Дб/м

5

24 / 0.5

-30…+70

ДИП-34а

Россия

Дымовой оптический

0,05…0,2 Дб/м

10

8…28 /0.6

-10…+50

ИП 212-41М

Россия

Дымовой оптический

0,05…0,2 Дб/м

5

9…28 / 0.5

-10…+50

ИП 212-5М

Дымовой оптический

0,05…0,2 Дб/м

5

16…24 / 0.5

-30…+60

ИП 212-34 (ДИП34)

Россия

Дымовой оптический

0,05…0,2 Дб/м

10

12…28 / 0.12

0…+50

Ручные ПИ

ИПР

Россия

Поворот ручки

-

-

18…24 / 18

-50…+50

ИПР-К

Россия

Нажатием на пластину

-

-

18…24 / 18

-40…+55

ИПР-3СУ

Россия

Нажатием на кнопку

-

-

9…28 / 30

-40…+60

ИПР АС-05

Россия

Нажатием на кнопку

-

-

16…28 / 0.4

-50…+50








В данной главе были разработаны расчеты размещения датчиков в реальных условиях помещения а также рассмотрены более подробно датчики системы ОПС. На оснований главы можно сделать следующие выводы:

Для каждого пожарного извещателя должны быть учтены конструктивные особенности периметра и его условий эксплуатаций

 

 

Раздел 3. Организация производства

.1      Разработка технологической карты установки системы ОПС

Технологическая карта установки системы ОПС приведена в таблице 1.

Таблица 1 - Технологическая карта установки системы ОПС

Наименование операции

Количество операций

Норматив времени, мин.

Оперативное время, мин.

1. Монтажная Засверловка отверстий Сверловка отверстий Сверление отверстий распиловка обработка кромок разметка

 1 1 1 1 1 1

 30 20 45 45 120 20

 30 20 45 45 120 20

Итого Тс. = 280мин

 

2. Сборочная Установка ИП СПД-3.2 ИП-102 датчик разбитого стекла ИК-датчика движения клемных калодок ППК Блока питания СНК Прокладка кабельных трасс

 1 1 1 1 10 1 1 2 5

 10 10 10 10 5 20 20 5 72

 10 10 10 10 50 20 20 10 360

Итого Тм. = 500 мин.

 

3. Пуск-наладка системы

1

900

900

Итого Тр. = 900 мин.

 

3.2 Пуско-наладочные работы системы ОПС


Пусконаладочные работы должны выполняться монтажно-наладочной организацией в соответствии с требованиями СНиП 3.05.06-85.

Для проведения пусконаладочных работ заказчик должен:

а) согласовать с монтажно-наладочной организацией сроки выполнения работ, предусмотренные в общем графике;

б) обеспечить наличие источников электроснабжения;

в) обеспечить общие условия безопасности труда.

До начала пусконаладочных работ в процессе производства монтажных работ должны быть проведены индивидуальные испытания (настройка, регулировка, юстировка) приемноконтрольных приборов, сигнально-пусковых устройств, извещателей и т.п. в соответствии с техническими описаниями, инструкциями, ПУЭ.

Производство пусконаладочных работ осуществляется в три этапа:

а) подготовительные работы;

б) наладочные работы;

в) комплексная наладка технических средств.

На этапе выполнения подготовительных работ должны быть:

а) изучены эксплуатационные документы на технические средства сигнализации;

б) оборудованы необходимым инвентарем и вспомогательной оснасткой рабочие места наладчиков.

На этапах наладочных работ и комплексной наладки должна производиться корректировка ранее проведенной регулировки технических средств, в том числе: доведение параметров настройки до значений, при которых технические средства могут быть использованы в эксплуатации; вывод аппаратуры на рабочий режим, проверка взаимодействия всех ее элементов в режимах "Тревога", "Пожар", "Неисправность" и т.д.

Пусконаладочные работы считаются законченными после получения предусмотренных проектом и технической документацией параметров и режимов, обеспечивающих устойчивую и стабильную работу технических средств (без ложных сигналов тревоги).

3.3 Проработка возможных неисправностей монтажа и методы диагностики


Сбои в работе оборудования, используемого в современных системах безопасности, абсолютно недопустимы. Но, как и любая другая техника, оно постоянно подвергается риску выхода из строя по многим причинам (перепады напряжения, ошибки в работе программного обеспечения, механические повреждения и даже «обычное» загрязнение). Залог бесперебойной работы таких систем заключается в регулярной профилактике, быстром устранении неисправностей и качественном обслуживании систем охранной сигнализации.

а) Диагностика оборудования, кабельных и беспроводных сетей, проверка контактов.

б) Обновление и настройка программного обеспечения, обработка информации систем видеонаблюдения и контроля доступа.

в) Инструктаж сотрудников, отвечающих за обслуживание систем пожарной сигнализации, составление инструкций по эксплуатации для каждой системы.

г) Обслуживание систем охранной сигнализации: очистка объективов видеокамер, считывателей систем контроля доступа, прочистка датчиков дыма и тепла.

д) Проверка резервных систем питания.

е) Ремонт и замена неисправного оборудования, поставка расходных материалов и комплектующих.

ж) Анализ эффективности и рекомендации по модернизации систем безопасности.

Квалифицированное техническое обслуживание охранно-пожарной сигнализации повысит срок службы оборудования, снизит затраты на ремонт и устранит риск отказа систем. Внешний осмотр оборудования, тестовые запуски систем пожаротушения и сигнализации позволят со 100%-вероятностью убедиться, что системы находятся в норме и правильно сработают в экстренной ситуации. Сроки плановых проверок устанавливаются индивидуально, в зависимости от сложности и размеров систем (ежемесячно, ежеквартально или по особому графику).

Основным методом диагностики в случае не исправности одного или более датчиков используется метод прозвонки по питающим выводам от приемно-контрольного прибора к датчикам что позволяет быстро и с большой вероятностью найти неисправный элемент или датчик системы ОПС.


3.4 Характеристика используемых средств измерений и наладки

 

При приемке выполненных работ по монтажу и наладке установок пожарной и охранно-пожарной сигнализации проводят внешний осмотр установок, измерение сопротивления шлейфа сигнализации и его изоляции, испытание работоспособности установок.

При внешнем осмотре проверяют состояние линейной части шлейфов сигнализации и соответствие проложенных электропроводок, установленных извещателей, приборов, коробок и т. д. проектной документации или акту обследования.

Измерение сопротивления шлейфа сигнализации, а также его изоляции производился омметром М416.

Измерители сопротивления заземления М416 предназначены для измерения сопротивления заземляющих устройств, активных сопротивлений, а также может быть использован для определения удельного сопротивления грунта. Диапазон измерения от 0,1 Ом до 1000 Ом. Измеритель сопротивления заземления М416 рассчитан для работы при температуре окружающего воздуха от -25°С до +60°С и относительной влажности до 95% при температуре плюс 35°С.

Технические характеристики:

Прибор имеет четыре диапазона измерения:

,1 Ом - 10 Ом;

,5 Ом - 50 Ом;

Ом - 200 Ом;

Ом - 1000 Ом

Основная погрешность приборов не превышает ± (5 + (N/Rx-1)) в процентах от измеряемой величины при сопротивлениях вспомогательного заземлителя и зонда не более: 500 Ом в диапазоне 0,1 - 10 Ом; 1000 Ом в диапазоне 0,5 - 50 Ом; 2500 Ом в диапазоне 2 - 200 Ом; 5000 Ом в диапазоне 10 - 1000 Ом; где N - конечное значение диапазона, Ом, Rx - измеряемое сопротивление, Ом. Питание прибора М416 - сухие элементы напряжением 4,5 В. Потребляемый ток - не более 90 мА. Один комплект сухих элементов обеспечивает не менее 1000 измерений. Напряжение на зажимах прибора при разомкнутой внешней цепи и номинальном значении напряжения источника питания - не менее 13 В. Дополнительная погрешность, вызванная влиянием блуждающих токов частоты 50 Гц не превышает половины основной погрешности.

Масса прибора М416 без упаковки - не более 3 кг. Габаритные размеры - 245x140x170 мм.

Для наладки системы ОПС использовался тестер.

Цифровой мультиметр DT-838 производит измерения силы постоянного тока, сопротивления, величины постоянного и переменного напряжения, температуры.

Качество соединения проводников или пайки можно проверить с помощью звуковой прозвонки.

Технические характеристики:

Параметр

Значение

Разрядность

Напряжение

=1000В   ~750В

Ток

=10А

Диапазон частот по переменному току

45...450 Гц

Сопротивление

2 МОм

Температура

-20...1370°С

Диод-тест

Есть

Габаритные размеры

126х70х28 мм

Вес

137 г

Питание

Батарея =9В типа "Крона"


В данной главе были разработаны методические указания по эксплуатаций систем ОПС и технологическая карта, рассмотрены пусконаладочные работы систем ОПС, проработка возможных неисправностей при монтаже и методы диагностики и характеристики используемых средств измерений и наладки.

 

 

Раздел 4. Экономическая часть

 

.1 Расчет себестоимости изделия


Расчет затрат, включаемых в себестоимость изделия.

Исчисление себестоимости единицы продукции по элементам (статьям) затрат называется калькуляцией. В основе калькуляции себестоимости лежит учет эксплуатационных расходов предприятий по элементам и статьям затрат. планирование, учет и калькуляция себестоимости продукции на предприятиях радиотехнической промышленности осуществляется в соответствии с отраслевыми нормативами , которые устанавливают признаки квалификации и состав затрат, включаемых в себестоимость радиотехнической продукции, производится:

а) По природе затрат;

б) По видам продукции, работ, услуг;

в) По видам расходов;

г) По месту возникновения затрат;

д) По способу отнесения затрат на единицу продукции.

По природе все затраты, включаемые в себестоимость, делятся на две группы:

а) затраты прошлого труда (сырье, материалы и т.д.).

б) затраты живого труда (заработная плата).

Группировка затрат по видам продукции, работ и услуг важна для определения фактической себестоимости изделия.

По видам расходов различают статьи калькуляции. К статьям калькуляции относятся затраты на:

а) сырье и материалы;

б) покупные комплектующие и полуфабрикаты;

в) основную заработную плату производственных рабочих;

г) содержание и эксплуатацию оборудования.

Расчет затрат на сырье и материалы.

При единичном производстве применяется метод нормативной калькуляции, как системы технико-экономических норм и нормативов материальных, трудовых и денежных ресурсов. Основными показателями являются нормы расхода комплектующих, основных материалов на единицу продукции.

Стоимость материалов на одно изделие, с учетом транспортных расходов определяется по формуле: (4.1.1).

, (4.1.1)

где Рм.т. - стоимость материалов на одно изделие, с учетом транспортных расходов;

к = 1,1 - коэффициент, учитывающий транспортные расходы, которые составляют 10% от стоимости материалов;

Рмат. - общая стоимость материалов.

Результаты расчетов затрат на основные материалы приведены в таблице 4.1.1.

Таблица 4.1.1 - Результаты расчетов затрат на основные материалы.

Наименование материала

Расход на одно изделие

Цена материала, руб.

Стоимость материала на одно изделие, руб.

ДСП, м2

0,625

500

62,5

Лак, кг.

0,05

100

12,5

Итого Рмат. = 75 руб.


Стоимость материалов с учетом транспортных расходов составляет

Рм.т.=1,1*75=82,5 руб.

Расчет затрат на комплектующие с учетом транспортных расходов производится по формуле (4.1.2).

, (4.1.2)

где Рк.т. - стоимость комплектующих с учетом транспортных расходов;

к = 1,1 - коэффициент, учитывающий транспортные расход, которые составляют 10% от стоимости комплектующих;

Рк. - стоимость комплектующих одного изделия.

Результаты расчета затрат на комплектующие приведены в таблице 4.1.2.

Таблица 4.1.2 - Результаты расчета затрат на комплектующие.

Наименование комплектующих

Цена комплектующих, руб.

Количество комплектующих на одно изделие, шт.

Стоимость комплектующих на одно изделие, руб.

СПД датчик дыма

120

1

120

ИПС102 датчик тепла

100

1

100

Датчик разбития стекла

120

1

120

СНК 2

30

2

60

Ручной извещатель

100

1

100

Пьезо электрическая сирена

150

1

150

ППК DSC

1100

1

1100

ИК-датчик движения

100

1

100



Итого Рк =1850 руб.


Стоимость комплектующих с транспортными расходами составляет

Рк.т.=1,1*1850=2035 руб.

Расчет затрат на полуфабрикаты и стандартные изделия.

Расчет затрат на полуфабрикаты и стандартные изделия производятся по формуле (4.1.3).

, (4.1.3)

где Рп.т. - затраты на полуфабрикаты и стандартные изделия с учетом транспортно-технических расходов;

к - коэффициент, учитывающий транспортно-технологические расходы, которые составляют 10% от стоимости полуфабрикатов;

Рп. - стоимость всех полуфабрикатов и стандартных изделий, используемых при производстве одного изделия.

Результаты расчета затрат на полуфабрикаты и стандартные изделия приведены в таблице 4.1.3.

Таблица 4.1.3 - Результаты расчета затрат на полуфабрикаты и стандартные изделия.

Наименование полуфабриката

Цена, руб.

Расход на одно изделие, шт.

Стоимость на одно изделие, руб.

Блок питания

300

1

300

Акуммулятор

180

1

180

Винт М4

0,15

4

0,6

ШВВП-кабель*10 м

20

1

200

UTP-кабель*10 м

17

1

170

Клемные колодки

5

10

50

Итого Рп. = 900,6 руб.


Затраты на полуфабрикаты и стандартные изделия составляют

Рп.т. = 1,1*900,6 =990,66 руб.

Расчет затрат на оплату труда.

Формы и система оплаты труда определяют порядок начисления заработной платы в зависимости от его результата.

В радиотехнической промышленности применяют две формы оплаты труда сдельная и повременная.

Проектируемое устройство изготавливается в единичном экземпляре в лабораторных условиях. Вся работа по монтажу, сборке и наладке выполняется рабочим-монтажником II разряда, сдельная часовая тарифная ставка которого равна 10,60 рубля. Для расчета заработной платы по монтажу и сборке учитывается сдельно-премиальная системы оплаты труда, так как на эти операции установлены производственные расценки.

Для расчета заработной платы по наладке и регулировке используем повременную оплату труда регулировщика, часовая ставка которого составляет 12,62 рубля.

Рабочее время изготовления устройства подразделяется на выполнение заданных операций.

Подготовительно-заключительное время - это время, необходимое для ознакомления с предстоящей работой, подготовки к выполнению производственного задания и завершение работы.

Время на отдых и личные надобности - перерывы в течение смены для отдыха, в целях поддержания нормальной работоспособности и предупреждения переутомления рабочих, время, затрачиваемое на личную гигиену, личные надобности.

К нормируемым затратам рабочего времени относятся: подготовительно-заключительное, оперативное время обслуживания рабочего места.

Операции, производимые при монтаже, сборке и регулировке приведены в таблице 4.1.4.

Таблица 4.1.4 - Операции, производимые при монтаже, сборке и регулировке.

Наименование операции

Количество операций

Норматив времени, мин.

Оперативное время, мин.

1. Монтажная Засверловка отверстий Сверловка отверстий Сверление отверстий Ламинирование ДСП распиловка обработка кромок разметка

 1 1 1 1 1 1 1

 30 20 45 180 45 120 20

 30 20 45 180 45 120 20

Итого Тс. = 460мин

2. Сборочная Установка датчика дыма датчика тепла датчик разбитого стекла ИК-датчика движения клемных калодок ППК Блока питания СНК Прокладка кабельных трасс

 1 1 1 1 10 1 1 2 5

 10 10 10 10 5 20 20 5 72

 10 10 10 10 50 20 20 10 360

Итого Тм. = 500 мин.

3. Пуск-наладка системы

1

900

900

Итого Тр. = 900 мин.

Расчет заработной платы.

Сдельная заработная плата за монтажные и сборочные операции, выполняемые монтажником второго разряда определяя по формуле (4.1.4).

, (4.1.4)

где Σ Топ. - суммарное время на выполнение операций с учетом времени на личные нужды и отдых, а также времени на подготовку и заключение операции.

Сi - часовая тарифная ставка операции.

Расчет заработной платы.

Монтажная: Lt. = 7,6 * 10,60 = 80,56 руб.

Сборка: Lt. = 8,3 * 10,60 = 87,98 руб.

Регулировка: Lt. = 15 * 12,62 = 189,3 руб.

Результаты расчетов сведем в таблицу 4.1.5.

Таблица 4.1.5 - Результаты расчетов заработной платы.

Вид работ

Разряд

Время выполнения, ч.

Часовая тарифная ставка, руб.

Заработная плата, руб.

Монтаж

2

7,6

10,60

80,56

Сборка

2

8,3

10,60

87,98

Регулировка

2

15

12,62

189,3

Итого 357,84


Премиальная заработная плата рассчитывается по формуле (4.1.5).

, (4.1.5)

где Hпр. - процент премиальной заработной платы, составляющий 25% от сдельной заработной платы..пр. = 357,84 *  = 89,46 руб.

Основная заработная плата рассчитывается по формуле (4.1.6).

 (4.1.6)

.осн. = 357,84 + 89,46 = 447,3 руб.

Дополнительная заработная плата рассчитывается по формуле (4.1.7).

 (4.1.7)

где Ндоп. - процент дополнительной заработной платы, составляющий 12% основной заработной платы.. = 447,3 *  = 53,76 руб.

Полная заработная плата определяется по формуле (4.1.8).

 (4.1.8)

.пол. = 447,3 + 53,76 = 501,06 руб.

Определим сумму единого социального налога по формуле (4.1.9).

 (4.1.9)

где Нс.с. - процент единого социального налога, составляющий 24 % от полной заработной платы..c. = 501,06 * = 120,25 руб.

Результаты расчетов заработной платы за изготовление устройства сведены в таблицу 4.1.6.

Таблица 4.1.6 - Результаты расчетов заработной платы за изготовление устройства.

Показатели заработной платы

Условные обозначения

Сумма, руб.

Сдельная

LT.

357,84

Премиальная

Lпр.

89,46

Основная

Lосн.

447,3

Дополнительная

Lдоп.

53,76

Полная

Lпол.

501,06


Расчет цеховых расходов на изготовление изделия.

В виду того, что изделие изготавливается в единичном экземпляре используются лабораторные здания, оборудование, инструменты и незначительный расход электроэнергии, то амортизационные отчисления, затраты на освоение и подготовку, электроэнергию и износ инструмента и приспособлений включаем в цеховые и лабораторные расходы и рассчитываем по формуле (4.1.10).

, (4.1.10)

где Рц. - цеховые расходы на изготовление изделия;.пол. - полная заработная плата;

Рц. = 501,06 *  = 225,47 руб.

Расчет полной себестоимости изделия.

Полная себестоимость изделия изготовленного в единичном экземпляре в лабораторных условиях, представляет собой сумму всех производственных затрат, заработной платы и всех видов отчислений.

Расходы на производство по статьям затрат сведены в таблицу 4.1.7.

Таблица 4.1.7 - Расходы на производство по статьям затрат.

№ п/п

Наименование статей затрат

Условные обозначения

Затраты на одно изделие

1.

Стоимость материалов

Рмат.

82,5

2.

Стоимость комплектующих

Рк.

2035

3.

Стоимость стандартных изделий

Рп.

990,66

4.

Полная заработная плата

Lпол.

501,06

5.

Отчисления единого социального налога

Lc.c.

120,25

6.

Цеховые расходы

Рц.

225,47

7.

Полная себестоимость

Спол.

3954,94


Общая себестоимость изготовляемого изделия с учетом данных из таблицы 4.1.7 составляет 3954,94 руб.

В данной главе была рассчитана себестоимость изделия в которую входили затраты на сырье, материалы, полуфабрикаты, комплектующие, стандартные изделия, затраты на оплату труда, затраченное время, заработная плата, цеховые расходы. На основании главы можно сделать следующие выводы: по затратам на изготовление учебного стенда системы ОПС считаю что затраты вполне оптимальны так как подобный стенд ускорит обучение монтажников систем ОПС что в свою очередь компенсирует затраты на ее изготовление.

Полная себестоимость учебного методического стенда системы ОПС составила 3954,94 руб.

Раздел 5. Мероприятие по технике безопасности и противопожарной безопасности

.1 Техника безопасности при монтаже и эксплуатации изделия

При подключении, монтаже и эксплуатации устройств, входящих в состав системы ОПС, необходимо руководствоваться «Правилами технической эксплуатации электроустановок потребителей» и «Правилами техники безопасности при эксплуатации электроустановок потребителей».

К работе с Системой допускаются лица, изучившие настоящее руководство, а также прошедшие аттестацию по технике безопасности на 3 группу допуска при эксплуатации электроустановок, инструктаж по технике безопасности на рабочем месте.

Проведение всех работ по подключению и монтажу устройств Системы не требует применения специальных средств защиты.

Не допускается использовать при чистке загрязненных поверхностей абразивные и химически активные вещества.

Запрещается устанавливать устройства Системы на токоведущих поверхностях и в сырых помещениях (с влажностью выше 80%).

Общие рекомендации.

Устройства Системы рекомендуется устанавливать в местах, наиболее приспособленных для выполнения ими функционального назначения, и отвечающих дополнительным требованиям (например, обеспечение конфиденциальности вводимой информации, исключение несанкционированного доступа посторонних лиц и др.) при этом не должно быть затруднено проведение работ по их техническому обслуживанию. Перед подключением устройств Системы необходимо изучить технические характеристики, принципы работы и особенности подключения этих устройств.

а) При подключении оборудования необходимо строго соблюдать полярность соединения устройств Системы.

б) Выбор проводов и кабелей, способов их прокладки должен производиться в соответствии с требованиями СНиП 3.05.06-85, ВСН 116-87, НПБ 88-2001.

в) При подключении соединительных проводов к клеммам устройств не следует применять чрезмерных усилий при затягивании винтов во избежание выхода клемм из строя.

г) При установке аппаратных адресов устройств, имеющих для этой цели DIP-переключатели, не следует применять чрезмерных усилий при смене положения переключателей во избежание выхода их из строя.

д) Во избежание выхода из строя блоков, обеспечивающих связь устройств Системы по протоколу RS-485, при питании нескольких устройств от различных источников, минусовые выводы питания этих устройств должны быть объединены.

Монтажно-наладочные работы следует начинать только после выполнения мероприятий по технике безопасности согласно СНиП III-4-80.

При монтаже, транспортировке, хранении, списании и захоронении радиоизотопных пожарных извещателей должны выполняться требования "'Основных санитарных правил работы с радиоактивными веществами и другими источниками ионизирующих излучений ОСП-72/87.

При работе с ручными электроинструментами необходимо соблюдать требования ГОСТ 12.2.013-87.

При работе с клеями следует соблюдать меры предосторожности и правила безопасности в соответствии с требованиями ГОСТ 12.1.007-76 и ТУ 38 103211-76.

В данной главе была рассмотрена техника безопасности при эксплуатаций системы ОПС. На основании главы можно сделать следующие выводы: при правильном соблюдений условий эксплуатаций систем ОПС особою угрозу для жизни и здоровья нет, процент травматизма сведен к минимальному.

Раздел 6. Инструкция по эксплуатации

.1 Разработать инструкцию по эксплуатации изделия

При эксплуатации системы ОПС необходимо соблюдать:

а) Правила устройства электроустановок (ПУЭ);

б) Межотраслевые правила по охране труда (правила безопасности) при эксплуатации электроустановок ПОТ Р М-016-2001;

в) правила технической эксплуатации электроустановок потребителей, утвержденных приказом Минэнерго РФ №6 от 13.01.03;

г) действующие инструкции предприятия по охране труда, технике безопасности и пожарной безопасности;

д) правила безопасности, изложенные в эксплуатационных документах на все приборы и устройства сторонних производителей, подключенных к системе СКБВ.

К эксплуатации системы ОПС допускаются лица изучившие настоящее РЭ, имеющие удостоверение на право работы на электроустановках до 1000 В и прошедшие инструктаж по технике безопасности на рабочем месте.

При работе с ручными электроинструментами необходимо соблюдать требования ГОСТ 12.2.013.0-91.

При эксплуатации системы ОПС следует соблюдать требования:

а) перед включением системы проверить надежность элементов заземления;

б)система содержит электрические цепи с опасным для жизни напряжением 220 В;

в) запрещается открывать крышку блока ППК и БП, не отключив его от сети питания и ИБП;

г) все операции по замене плат и элементов устройств необходимо проводить при отключенном напряжении питания;

д) ремонт должен производиться в специализированных организациях, имеющих право ремонта взрывозащищенного электрооборудования.

Исходя из наличия на объекте сетей электроснабжения напряжением 380/220В с глухо заземленной нейтралью. Для защиты обслуживающего персонала от повреждения электрическим током при повреждении изоляции предусматривается зануление металлических корпусов электрооборудования и приборов. Зануление электрооборудования выполняется металлическим соединением их корпусов с нейтралью сети электроснабжения, для чего используется третьи жилы питающих кабелей.

Эксплуатационное обслуживание установок пожарной сигнализации.

Эксплуатационное обслуживание предусматривает выполнение регламентных работ по ТО и Р.

Регулировку и замену (монтаж) пожарных извещателей (ПИ) производят в соответствии с ТД, а также руководящими и другими НТД. Резерв ПИ на объекте составляет не менее 10 % от количества смонтированных.

ПИ должны содержаться в чистоте. При проведении ремонтных работ они должны быть защищены от попадания штукатурки, побелки и т.п. В местах, где возможно механическое повреждение ПИ, предусматривают защитные устройства, не препятствующие воздействию факторов пожара на ПИ. Должен быть обеспечен свободный доступ к ПИ для выполнения работ по ТО и ППР.

На ручной ПИ, в случае его неисправности, устанавливают табличку до восстановления его работоспособности.

ППКП и ППУ устанавливают в недоступных для посторонних лиц местах и опломбируют. Приборы жестко крепят к несущим конструкциям и основаниям на стенах с нулевым распространением огня. После окончания ремонта и замены отдельных ТС следует провести испытания АУП в дежурном режиме в течение не менее 72 часов.

К линейным цепям (шлейфам сигнализации, электропроводке и т.п.) должен быть обеспечен доступ для осмотра и ТО. Провода и кабели не должны иметь перекручивании, вмятин и повреждений участков изоляции.

В данной главе была разработана инструкция по эксплуатаций в ходе которой были рассмотрены условия эксплуатаций и возможные последствия при неправильной эксплуатаций.

Заключение

В данном дипломном проекте были рассмотрены основные приборы системы ОПС, разработана схема системы ОПС для учебного стенда.

Рассмотрены существующие системы ОПС и их характеристики, а также характеристики датчиков и конструкций системы ОПС, методы монтажа и пуско-наладочных работы системы ОПС.

Рассмотрены требования руководящих документов к системам охранно-пожарной сигнализации.

Рассмотрена схема электрическая принципиальная датчиков СПД 3.2 и ИП 102.

Проведен расчет себестоимости учебного стенда.

Разработаны меры по обеспечению безопасных условий труда и требований к эксплуатаций системы ОПС.

Список литературы

Учебные пособия и методические указания

1.       Барсуков, В. С., Марущенко, В. В., Шигин, В. А. Интегральная безопасность: Информационно-справочное пособие [Текст] / В. С. Барсуков.-М.: РАО “Газпром”, 2004. - 170 с.

.        Бузов, Г. А., Калинин, С. В., Кондратьев, А. В. Защита от утечки информации по техническим каналам : Учебное пособие[Текст]/ Г. А. Бузов. М. : Горячая линия - Телеком, 2005. - 416 с. : ил.

.        Василенок, В. Л. , Вус, М. А., Горшков, В. В. Введение в безопасность предпринимательства : Учебное пособие [Текст] / В. Л. Василенок- Санк- Петербург : Высшая административная школа мэрии, 1999. - 99 с.

.        Дворский, М. Н., Палатченко, С. Н. Техническая безопасность объектов предпринимательства : Учебное пособие[Текст] / М. Н. Дворский. - М. : А-депт, 2006. - 304 с.

.        Игнатьев, В.А. Информационная безопасность современного коммерческого предприятия [Текст] / В.А. Игнатьев. - Старый Оскол: ТНТ, 2005. - 448 с., ил.

.        Каторин, Ю. Ф., Лысов, А. В., Остапенко, А. Н. Энциклопедия промышленного шпионажа : Энциклопедия [Текст] / Ю. Ф. Каторин. - М. : Издательство Полигон, 2000. - 512 с. : ил.

.        Кечиев, Л. Н. ЭМС и информационная безопасность в системах телекоммуникаций : Учебное пособие [Текст] / Л. Н. Кечиев, П. В. Степанов. М. : Изд. дом "Технологии", 2005. - 615 с. : ил.

.        Лунгенов, А. Н., Рыжов, А. Л. Технические средства и способы добывания и защиты информации : Учебное пособие [Текст] / А. Н. Лунгенов. - М. : ВНИИ "Стандарт", 1993. - 95 с.

.        Малюк, А. А. Информационная безопасность: концептуальные и методологические основы защиты информации : учебное пособие [Текст] / А. А. Малюк. - М. : Горячая линия - Телеком, 2004. -280 с.

.        Собурь, С. В. Пожарная безопасность предприятия : Учебно-справочное пособие [Текст] / С. В. Собурь. - М.: Спецтехника, 2003. - 496 с., ил.

.        Степанов, Е. А., Корнеев, И. К. Информационная безопасность и защита информации : Учебное пособие [Текст] / Е. А. Степанов. - М. : Ифра-М, 2001. - 304 с.

.        Торокин, А. А. Инженерно-техническая защита информации : Учебное пособие [Текст] / А. А. Торокин. - М. : Гелиос АРВ, 2005. - 960 с.

.        Хореев, А. А. Защита информации от утечки по техническим каналам : учеб. пособие [Текст] / А. А. Хорев. - М. : Академия, 2008. - 256 с.

.        Чипига, А.Ф. Информационная безопасность автоматизированных систем: учеб. пособие для студентов вузов, обучающихся по специальностям в обл. информ. безопасности [Текст]/ А.Ф. Чипига. - М.: Гелиос АРМ, 2010. - 336 с., ил.

.        Чипига, А. Ф., Лапина, М. А. Организационное обеспечение информационной безопасности : Учебное пособие [Текст] / А. Ф. Чипига. - Ставрополь : СевКавГТУ, 2009. - 439 с.

.        Ярочкин, В. И. Информационная безопасность : Учебное пособие для студентов непрофильных вузов [Текст] / В. И. Ярочкин. - М. : Междунар. Отношения, 2000. - 400 с. : ил.

Приложения

Приложение А

Схема электрическая принципиальная ИП СПД 3.3


Приложение Б

Структурная схема ИП СПД 3.3

Похожие работы на - Система охранно-пожарной сигнализации

 

Не нашли материал для своей работы?
Поможем написать уникальную работу
Без плагиата!
Без нейросетей!