Синтезирование фильтров высоких частот методами Баттерворта и Чебышева

  • Вид работы:
    Курсовая работа (т)
  • Предмет:
    Информатика, ВТ, телекоммуникации
  • Язык:
    Русский
    ,
    Формат файла:
    MS Word
    2,6 Мб
  • Опубликовано:
    2012-06-07
Вы можете узнать стоимость помощи в написании студенческой работы.
Помощь в написании работы, которую точно примут!

Синтезирование фильтров высоких частот методами Баттерворта и Чебышева















Синтезирование фильтров высоких частот методами Баттерворта и Чебышева

Содержание:

Задание для курсового проекта

Введение

Синтез ФВЧ в программе Multisim

Аппроксимация по Баттерворту

Проверка частотных характеристик фильтра

Аппроксимация по Чебышеву

Проверка частотных характеристик фильтра

Список используемой литературы

Задание для курсового проекта

Рис.1: Задание для курсового проекта

Согласно заданию для курсового проекта (рис. 1):

fг = 5400 Гц

граничная частота полосы пропускания (ПП) для фильтра верхних частот (ФВЧ).

fЗ = 20100 Гц

граничная частота полосы затухания (ПЗ) для ФВЧ.

∆A = 1,5 дБ

максимально-допустимое значение рабочего ослабления в ПП.

min = 35 дБ

минимально-допустимое значение рабочего ослабления в ПЗ.

Введение

 

Фильтры - это частотно-избирательные устройства, которые пропускают или задерживают сигналы, лежащие в определенных полосах частот. До 60-х годов для реализации фильтров применялись, в основном, пассивные элементы, т. е. индуктивности, конденсаторы и резисторы.

Основной проблемой при реализации таких фильтров оказывается размер катушек индуктивности (на низких частотах они становятся слишком громоздкими). С разработкой в 60-х годах интегральных ОУ появилось новое направление проектирования активных фильтров на базе ОУ. В активных фильтрах применяются резисторы, конденсаторы и усилители (активные компоненты), но в них нет катушек индуктивности. В дальнейшем активные фильтры почти полностью заменили пассивные.

Сейчас пассивные фильтры применяются только на высоких частотах (выше 1МГц), за пределами частотного диапазона большинства ОУ широкого применения.

В данной работе синтезированы фильтры высоких частот двумя методами - по Баттерворту и по Чебышеву, в программе Multisim входящей в состав программного пакета National Instruments: Circuit Design Suite 11.0

фильтр частота синтез аппроксимация

Синтез ФВЧ в программе Multisim


Аппроксимация по Баттерворту


В программе Multisim 11.0 выбираем инструмент «Создатель фильтров» («Инструментарий» → «Создатель схем» → «Создатель фильтров»).

Вводим данные согласно заданию для курсового проекта (рис.1), нажимаем кнопку «Проверить», надпись «Расчет произведен успешно» говорит о том, что характеристики фильтра введены корректно (рис.2), далее нажимаем кнопку «Создать» для синтеза схемы данного фильтра.

Рис.2: Аппроксимация по Баттерворту

Создатель фильтров закрылся, а схема фильтра изображена в окне программы (рис.3).

Рис.3: Начальная схема ФВЧ

Компоненты данного ФВЧ:

Конденсатор 8.703 nF.

Конденсатор 21.01 nF.

Индуктивность 6.356 mH.

Индуктивность 2.633 mH.

Преобразуем схему, что бы можно было заменить её подсхемой:

)        Удаляем источник питания, сопротивления нагрузки и источника, нулевую точку.

)        Добавляем выводы подсхемы.

Получаем схему (рис.4) выделив элементы которой заменяем их подсхемой (рис.5), на основе которой строим схему для измерения характеристик фильтра.

Рис.4: Компоненты ФВЧ

Рис.5: Подсхема - ФВЧ по Баттерворту

Составляем электрическую схему (рис.6) добавив источник питания, сопротивление источника, сопротивление нагрузки, два плоттера Боде, осциллограф, два амперметра и два вольтметра.

Рис.6: Схема для проверки частотных характеристик фильтра

Проверка частотных характеристик фильтра


а) Частота 1000 Гц:

В свойствах источника питания выставляем частоту 1000 Гц.

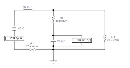
Включаем моделирование, показания приборов изменились (рис.7). Амперметр и вольтметр со стороны нагрузки (R2) имеют показания во много раз ниже значений на приборах со стороны источника питания, значит фильтр не пропускает частоты в ПЗ.

Показания плоттера Боде XBP1 (рис.8) отображают зависимость рабочего ослабления от частоты тока источника питания, при частоте 1000 Гц затухание составляет 83,44 dB, что соответствует требованиям минимального рабочего ослабления в ПЗ (Amin=35 дБ).

Показания осциллографа (рис.10) и приборов (рис.7), подтверждают правильность работы фильтра. При напряжении со стороны источника (канал А), напряжение после фильтра (канал В) значительно ниже (рис.10).

Рис.7: Показания приборов на схеме при частоте 1000 Гц

Рис.8: Показание плоттера Боде - рабочее ослабление при частоте 1000 Гц

Рис.9: Показание плоттера Боде - фаза при частоте 1000 Гц

Рис.10: Показания осциллографа при частоте 1000 Гц

б) Частота 2500 Гц:

В свойствах источника питания выставляем частоту 25000 Гц, эта частота является граничной частой для ПП.

Показания приборов (рис.11) и показания осциллографа (рис.14) отображают состояние цепи при котором фильтр пропускает частоту - токи и напряжение на входе и выходе фильтра сопоставимы:

Ток на входе 0,100A, на выходе 0,106A (рис.11).

Напряжение на входе 68,017V, на выходе 58,139V (рис.11).

Показания плоттера Боде XBP1 (рис.12) отображают значение соответствующее требованиям задания - рабочее ослабление на частоте 25000Гц примерно равно 1,4dB.

Рис.11: Показания приборов на схеме при частоте 25000 Гц

Рис.12: Показание плоттера Боде - рабочее ослабление при частоте 25000 Гц

Рис.13: Показание плоттера Боде - фаза при частоте 25000 Гц

Рис.14: Показания осциллографа при частоте 25000 Гц

Аппроксимация по Чебышеву


В программе Multisim 11.0 выбираем инструмент «Создатель фильтров» («Инструментарий» → «Создатель схем» → «Создатель фильтров»).

Вводим данные согласно заданию для курсового проекта (рис.1), нажимаем кнопку «Проверить», надпись «Расчет произведен успешно» говорит о том, что характеристики фильтра введены корректно (рис.15), далее нажимаем кнопку «Создать» для синтеза схемы данного фильтра.

Рис.15: Аппроксимация по Чебышеву

Создатель фильтров закрылся, а схема фильтра изображена в окне программы (рис.16).

Рис.16: Начальная схема ФВЧ

Компоненты данного ФВЧ:

Конденсатор 15,01 nF.

Индуктивность 1,83 mH.

Индуктивность 1,83 mH.

Преобразуем схему, что бы можно было заменить её подсхемой:

)        Удаляем источник питания, сопротивления нагрузки и источника, нулевую точку.

)        Добавляем выводы подсхемы.

Получаем схему (рис.17) выделив элементы которой заменяем их подсхемой (рис.18), на основе которой строим схему для измерения характеристик фильтра.

Рис.17: Компоненты ФВЧ

Рис.18: Подсхема - ФВЧ по Баттерворту

Составляем электрическую схему (рис.19) добавив источник питания, сопротивление источника, сопротивление нагрузки, два плоттера Боде, осциллограф, два амперметра и два вольтметра.

Рис.19: Схема для проверки частотных характеристик фильтра

Проверка частотных характеристик фильтра


а) Частота 1000 Гц:

В свойствах источника питания выставляем частоту 1000 Гц.

Включаем моделирование, показания приборов изменились (рис.20). Амперметр и вольтметр со стороны нагрузки (R2) имеют показания во много раз ниже значений на приборах со стороны источника питания, значит фильтр не пропускает частоты в ПЗ.

Показания плоттера Боде XBP1 (рис.21) отображают зависимость рабочего ослабления от частоты тока источника питания, при частоте 1000 Гц затухание составляет 83,571 dB, что соответствует требованиям минимального рабочего ослабления в ПЗ (Amin=35 дБ).

Показания осциллографа (рис.23) и приборов (рис.20), подтверждают правильность работы фильтра. При напряжении со стороны источника (канал А), напряжение после фильтра (канал В) значительно ниже (рис.20).

Рис.20: Показания приборов на схеме при частоте 1000 Гц

Рис.21: Показание плоттера Боде - рабочее ослабление при частоте 1000 Гц

Рис.22: Показание плоттера Боде - фаза при частоте 1000 Гц

Рис.23: Показания осциллографа при частоте 1000 Гц

б) Частота 2500 Гц:

В свойствах источника питания выставляем частоту 25000 Гц, эта частота является граничной частой для ПП.

Показания приборов (рис.24) и показания осциллографа (рис.27) отображают состояние цепи, при котором фильтр пропускает частоту - токи и напряжение на входе и выходе фильтра сопоставимы:

Ток на входе 0,100A, на выходе 0,106A (рис.24).

Напряжение на входе 68,017V, на выходе 58,139V (рис.24).

Показания плоттера Боде XBP1 (рис.25) отображают значение соответствующее требованиям задания - рабочее ослабление на частоте 25000Гц примерно равно 1,405dB.

Рис.24: Показания приборов на схеме при частоте 25000 Гц

Рис.25: Показание плоттера Боде - рабочее ослабление при частоте 25000 Гц

Рис.26: Показание плоттера Боде - фаза при частоте 25000 Гц

Рис.27: Показания осциллографа при частоте 25000 Гц

Список используемой литературы:

1)      Атабеков Г.Н. Основы теории цепей. М.: Энергия, 1978.

)        Зевеке Г.В., Ионкин П.А., Нетушил А.В., Страхов С.В. Основы теории цепей.- М.: Энергия, 1989.

)        Ред Э. Справочное пособие по высокочастотной схемотехнике. Схемы, боки, 50-омная техника: Пер. с нем. - М.: Мир, 1990. - 258 с., ил.

)        Справочная документация по программе «Multisim 11.0» (National Instruments: Circuit Design Suite 11.0)

Цепь в режиме до коммутации:


Цепь в установившемся режиме:

Похожие работы на - Синтезирование фильтров высоких частот методами Баттерворта и Чебышева

 

Не нашли материал для своей работы?
Поможем написать уникальную работу
Без плагиата!
Без нейросетей!