Расчёт параметров измерительных приборов для измерения электрического тока, напряжения и сопротивления, определение их метрологических характеристик
Аннотация
В данном курсовом проекте рассмотрены принципы действия измерительных
устройств для измерения электрического тока и напряжения, а также рассчитаны
параметры многопредельного амперметра магнитоэлектрической системы и
четырехплечего уравновешенного моста постоянного тока. Определены их
метрологические характеристики. Разработана принципиальная схема амперметра с
последовательной температурной компенсацией и функциональная схема
измерительных преобразователей средств измерений давления цифровыми методами.
Содержание:
Введение
. Анализ
измерительных устройств для измерения электрического тока, напряжения и
сопротивления
.1 Анализ
элементов электрических измерительных цепей
.2 Анализ
измерительных механизмов приборов прямого действия
.3 Анализ
преобразователей токов и напряжений
.4 Анализ
электромеханических приборов
. Расчёт
параметров многопредельного амперметра магнитоэлектрической системы,
определение его метрологических характеристик
.1 Выбор
провода для обмотки рамки МЭМ
.2 Расчёт и
определение всех параметров рамки магнитоэлектрического механизма
.3
Определение значений добавочных сопротивлений и шунтов
.4 Определим
собственное потребление мощности магнитоэлектрического механизма и амперметра в
целом
.5
Определение постоянной механизма по току и напряжению
. Разработка
принципиальной схемы амперметра с последовательной температурной компенсацией
.1
Определение абсолютной, относительной, приведенной погрешностей, класса
точности разработанного прибора по результатам поверки
. Расчёт
параметров и построение четырехплечего уравновешенного моста постоянного тока
.1 Расчёт
сопротивлений плеч моста
.2
Определение чувствительности моста по току, напряжению и мощности
. Оценивание
характеристик погрешности и вычисление неопределенности измерений
.1 Описание
измерения и составление его модели
.2 Нахождение
результата измерений
.3 Анализ
источников погрешности результата измерений
.4 Вычисление
характеристик погрешности результата измерений
.5 Вычисление
неопределенности измерений
.6 Переход от
характеристик погрешности к неопределенности измерений
.7 Отчёт о
неопределенности измеряемой величины и составление бюджета неопределенности
. Разработка
функциональных схем измерительных преобразователей средств измерений различных
физических величин цифровыми методами. Определение их метрологических
характеристик
Заключение
Список
используемой литературы
Введение
Измерения - один из важнейших путей познания природы человеком. Они
играют огромную роль в современном обществе.Наука и промышленность не могут
существовать без измерений. Недаром великий русский учёный Дмитрий Иванович
Менделеев говорил, что «наука начинается тогда, как начинают измерять». Каждую
секунду в мире производятся многие миллиарды измерительных операций, результаты
которых используются для обеспечения надлежащего качества и технического уровня
выпускаемой продукции, обеспечения безопасной и безаварийной работы транспорта,
для медицинских и экологических диагнозов и других важных целей. Практически
нет ни одной сферы деятельности человека, где бы интенсивно не использовались
результаты измерений, испытаний и контроля.
Основа любой формы управления, анализа, прогнозирования, планирования,
контроля или регулирования - достоверная исходная информация, которая может
быть получена лишь путем измерения требуемых физических величин (ФВ),
параметров и показателей. И естественно, что только высокая и гарантированная
точность результатов измерений обеспечивает правильность принимаемых решений.
Этим всем занимается такая наука как метрология.
Метрология - наука об измерениях, методах и средствах обеспечения их
единства и способов достижения требуемой точности измерения.
Основные задачи метрологии:
) Установление единиц ФВ, гос. эталонов и эталонных средств
измерения.
2) Разработка теории, методов и средств измерений.
) Обеспечение единства измерений.
) Разработка методов оценки погрешности, состояния средств
измерений и контроля.
) Разработка методов передачи размеров единиц от эталонов к
рабочим средствам измерений.
Измерение физической величины - нахождение значения физической величины
опытным путем с помощью специальных технических средств (средств измерений).
Измерения различаются:
- по точности: равноточные и неравноточные;
по числу измерений: однократные и многократные;
по отношению к изменению измеряемой величины: статические и динамические;
по метрологическому назначению:технические и метрологические;
по выражению результата измерений:абсолютные и относительные;
по общим приемам получения результатов измерений: прямые, косвенные,
совместные и совокупные.
При реализации любого процесса измерения необходимы технические средства,
осуществляющие восприятие, преобразование и представление числового значения
физических величин.
Средства измерений в зависимости от назначения и метрологических функций
делятся на:
- меры;
измерительные преобразователи;
измерительные установки;
измерительные системы;
измерительно-вычислительные комплексы;
измерительные приборы - средства измерения, предназначенные для получения
значения измеряемой физической величины в установленном диапазоне; для
выработки сигнала измерительной информации в форме, доступной для
непосредственного восприятия наблюдателем
1. Анализ
измерительных устройств для измерения электрического тока, напряжения и
сопротивления
.1 Анализ элементов электрических измерительных цепей
Одним из элементов электрических измерительных цепей является
измерительный резистор. Приближенная эквивалентная схема резистора для цепи
переменного тока представлена на рис.1.
Рис.1.Эквивалентная схема резистора для цепи переменного тока
На
рис.1
- сопротивление резистора для цепи постоянного тока,
- индуктивность обмотки,
- емкость, включенная между концами резистора,
которая эквивалентна распределенной межвитковой емкости обмотки. Выражение для
полного комплексного сопротивления резистора имеет вид:
Создать
измерительный резистор, в котором ток и напряжение точно совпадают по фазе,
невозможно, так как несмотря на применение различных способов намотки провода
резистора, уменьшающих реактивное сопротивление, в резисторах всегда имеются
некоторые остаточные реактивности.
При
изготовлении резисторов в зависимости от номинального значения сопротивления
резисторов применяются различные способы намотки.
Индуктивности
резисторов в генри определяются по следующим формулам:
а) петлевого резистора(рис. 2а)
б)
с унифилярной обмоткой (рис. 2б)
Рис.2. Измерительные резисторы: а) петлевой резистор; б) резистор с
унифилярной формой.
Все размеры выражаются в метрах, а коэффициент
определяется по кривой (рис. 3.)
Измерительные конденсаторы, предназначенные для работы при низких
напряжениях, имеют чаще всего плоские электроды, а для работы при высоких
напряжениях используют конденсаторы с цилиндрическими электродами.
Рис.3.
Кривая зависимости
Емкость в пикофарадах плоского конденсатора, состоящего из N обкладок, соединенных через одну
параллельно, равна:
,
где s -
площадь обкладки, м;
d- расстояние
между обкладками, м;
- относит.диэлектрическая
проницаемость диэлектрика.
Емкость, в пФ, цилиндрического конденсатора, представляющего коаксиально
расположенные проводящие цилиндры равна:
, где
l- длина
цилиндров, м;
D1
- внешний диаметр
внутреннего цилиндра, м;
D2 - внутренний диаметр внешнего цилиндра, м.
К измерительным конденсаторам предъявляют следующие требования:
1) постоянство емкости во времени;
2) минимальные потери в диэлектрике;
3) высокое сопротивление изоляции;
) независимость емкости от температуры, частоты, напряжения и
формы его кривой.
В наибольшей степени этим требованиям удовлетворяют воздушные
конденсаторы.
В качестве элементов измерительных цепей широко используются катушки
индуктивности.
Индуктивность в генри тороидальной катушки определяется по формулам:
1) для катушек с каркасом прямоугольного сечения:
2) для катушки с каркасом круглого сечения:
Взаимная индуктивность в генри тороидальной катушки определяется по
формулам:
1) для катушки с каркасом прямоугольного сечения:
2) для катушки с каркасом круглого сечения:
где
- средний размер катушек;
и
-аксиальный и радиальный размеры средних витков
внутренней катушки (предполагается, что размеры витков наружного слоя мало
отличаются от размеров витков внутреннего слоя);
-
диаметр среднего витка внутренней катушки (предполагается, что диаметр витков
наружного слоя мало отличается от диаметра витков внутреннего слоя).
.2 Анализ измерительных механизмов приборов прямого действия
Измерительным механизмом называется часть конструкции средства измерений,
состоящая из элементов, взаимодействие которых вызывает их взаимное перемещение.Поэтому
всякий механизм, как преобразователь электрической величины в механическое
перемещение, имеет неподвижную и подвижную части с расположенными на них
обмотками или электродами, а также отсчетное устройство для определения
перемещения подвижной части.
На
подвижную часть действует вращающий момент
,
являющийся однозначной функцией действующей величины и угла поворота подвижной
части, и противодействующий момент
,
зависящий от угла поворота подвижной части и направленный на встречу
вращающему.
Противодействующий
момент создается при помощи спиральной пружины, растяжек и подвесов путем их
закручивания и равен:
где
- удельный противодействующий момент пружины,
растяжки или подвеса,
.
Под
действием вращающего момента, равного:
подвижная
часть отклоняется до тех пор, пока не будет выполнено условие:
Уравнение
преобразования механизма прибора имеет следующий вид:
Для
того чтобы подвижная часть занимала положение равновесия быстро, механизмы
снабжают успокоителями. Успокоители бывают воздушные, жидкостные и
магнитоиндукционные. Они создают момент, пропорциональный угловой скорости
подвижной части:
где
- коэффициент успокоения,
.
Кроме
моментов
и
на
подвижную часть механизма действуют моменты, обусловленные трением в опорах,
трением подвижной части о воздух, неуравновешенностью подвижной части и др.
Отношение
углового и линейного перемещения указателя к току, вызвавшему его перемещение,
называют чувствительностью механизма по току и выражают в
или
:
Отношение перемещения указателя к падению напряжения на зажимах механизма
при протекании тока, вызвавшему это перемещение, называют чувствительностью по
напряжению:
где
- сопротивление обмотки механизма.
Величина, обратная чувствительности, называется постоянной механизма и
обозначается соответственно:
- для
постоянной по току и
- для
постоянной по напряжению
Практически
для механизмов приборов со встроенной шкалой чувствительность определяют как
отклонение указателя в делениях или миллиметрах шкалы на единицу измеряемой
величины:
Если
механизм прибора имеет световой отсчет и отдельную шкалу в миллиметрах, то
отклонение указателя определяется по формуле:
где
- расстояние между зеркальцем подвижной части и
шкалой,
.
Наряду с такими характеристиками качества механизмов, как
чувствительность, собственное потребление мощности, восприимчивость к влияниям
внешних факторов, уравновешенность, важным показателем, характеризующим
качество механизма с подвижной частью, установленной на опорах, является
коэффициент добротности. Коэффициент добротности обратно пропорционален приведенной
погрешности от трения. Для сравнения механических качеств различных механизмов
в практике приборостроения широко пользуются практическим коэффициентом
добротности, равным:
где
- масса подвижной части,
;
-
вращающий момент, приведенный к углу
,
.
В зависимости от физических явлений, использованных для создания
вращающего момента, различают следующие механизмы: магнитоэлектрические,
электродинамические, ферродинамические, электростатические, электромагнитные,
индукционные.
Принцип действия магнитоэлектрических механизмов заключается во
взаимодействии поля постоянного магнита с катушкой (рамкой), по которой протекает
ток.
Достоинства магнитоэлектрических приборов:
1) Данные приборы наиболее чувствительны и точны.
2) Изменение температуры и внешнее магнитное поле мало влияют на работу
прибора.
3) Равномерное деление шкалы.
) Малое потребление энергии.
Недостатки магнитоэлектрических приборов:
1) Данные приборы непригодны для измерения переменного тока и
напряжения.
2) Инерционность подвижной системы.
) Реагируют только на постоянные составляющие.
Магнитоэлектрические измерительные механизмы включаются непосредственно в
электрическую цепь и позволяют измерять малые токи (20 - 50 мкА).
Следовательно, магнитоэлектрические измерительные механизмы можно использовать
как микро - и миллиамперметр постоянного тока. Расширение пределов измерений
амперметра возможно за счет включения шунта параллельно прибору.
Принцип действия приборов электродинамической системы основан на
взаимодействии магнитных полей двух катушек (рис.4), по которым протекают токи.
Рис.4. Катушки электродинамического механизма
Поворот подвижной катушки осуществляется вращающим моментом, вызванным
взаимодействием магнитных полей катушек с токами. Уравнение преобразования для
приборов электродинамической системы имеет вид:
,
где
- число витков катушки;
- угол
поворота подвижной катушки;
-
взаимная индуктивность катушек прибора электродинамической системы;
-
действующие значения токов в катушках.
Если по катушке протекает переменный ток, то уравнение преобразования
примет вид:
Из уравнения преобразования следует, что перемещение подвижной части
механизма, при работе на переменном токе, зависит как от токов в его катушках,
так и от разности фаз между этими токами. Это дает возможность использовать
приборы электродинамической системы не только в качестве вольтметров и
амперметров, но и в качестве ваттметров.
Принцип действия электростатических приборов основан на взаимодействии
электрически заряженных проводников. Под действием электростатических сил
подвижная пластина втягивается в пространство между неподвижными системами.
Уравнение преобразования электростатического измерительного механизма
имеет вид:
Показания электростатических приборов не зависят от приложенного
напряжения. Линеаризация шкалы осуществляется выбором формы пластин.
Достоинства электростатических приборов:
1) Широкий частотный диапазон измерения переменного напряжения.
2) Независимость от магнитных полей.
) Малое потребление энергии
Недостатки электростатических приборов:
1) Влияние внешних электрических полей.
2) Низкая чувствительность приборов.
Принцип действия приборов электромагнитной системы основан на
взаимодействии магнитного поля, создаваемого током в неподвижной катушке с
подвижным ферромагнитным сердечником.
Уравнение преобразования прибора электромагнитной системы имеет вид:
Если
по катушке будет протекать синусоидальный ток, то производится усреднение по
времени и уравнение преобразования примет следующий вид:
Таким
образом, угол поворота подвижной части прибора электромагнитной системы не
зависит от направления тока и пропорционально квадрату среднеквадратического
значения тока. Поэтому электромагнитные приборы можно использовать для
измерения постоянного и переменного тока.
Достоинством
таких приборов является простота конструкции и способность выдерживать большие
нагрузки.
Недостатки
приборов электромагнитной системы:
1) Большое собственное потребление энергии.
2) Невысокая точность.
) Небольшая чувствительность.
) Сильное влияние внешних магнитных полей.
) Узкий предел измерений.
Для расширения пределов измерений применяются шунты и добавочные
сопротивления. В области повышенных частот используются трансформаторы тока.
Для расширения пределов измерения вольтметров электромагнитной системы
применяются измерительные трансформаторы напряжения.
Таким образом, приборы электромагнитной системы применяются в основном в
качестве щитовых приборов (амперметров, вольтметров) переменного тока
промышленной частоты, а также для измерения частоты.
В индукционных измерительных механизмах особым расположением катушек
получают вращающееся магнитное поле, в котором пронизываемый алюминиевый диск
(цилиндр) индуцирует вихревые токи, что вызывает возникновение вращающего момента.
Индукционные измерительные механизмы применяются в электрических счетчиках
электроэнергии.
1.3 Анализ преобразователей токов и напряжений
Простейшим измерительным преобразователем тока в напряжение является шунт
постоянного тока.Он представляет собой четырехзажимный резистор, выходные
зажимы, в которых подводится ток I, называются токовыми, а выходные зажимы, с
которых снимается напряжение U, называются потенциальными (рис 4а).

а) б)
Рис. 5. Шунт
Нагрузка,подключенная к зажимам шунта (рис.4.б), влияет на его выходное
напряжение, которое при заданном токе равно:
Если сопротивление нагрузки велико по сравнению с сопротивлением шунта,
то, пренебрегая малыми величинами второго порядка, можно записать:
Шунты
изготавливаются из манганина и применяются в сочетании с магнитоэлектрическими
милливольтметрами для измерения токов, а также для измерения токов другими
методами. Влияние сопротивлений соединительных проводов и сопротивления прибора
учитывается при подгонке шунтов для точных приборов.
Преобразователями
напряжения в ток являются добавочные резисторы, включаемые последовательно с
измерительными механизмами (ИМ), входной величиной которых является ток (рис.
6).
Рис.
6. Добавочный резистор, включенный последовательно с измерительным механизмом
Ток в цепи измерительного механизма (рис.6) равен:
где:
- полное сопротивление обмотки ИМ;
-
номинальное сопротивление добавочного резистора;
-
коэффициент преобразования.
Добавочные резисторы изготавливаются из манганина в виде проволочных или
печатных резисторов.Добавочные резисторы используются также для расширения
верхних пределов измерения вольтметров, параллельных цепей ваттметров и
фазометров.
Для уменьшения напряжения в строго определенное число раз применяют
делители напряжений (рис.7).
Рис.7. Делитель напряжения
Делитель напряжения является преобразователем напряжения в напряжение,
имеющим номинальный коэффициент преобразования
,меньший
единицы.
Делители
напряжения используются для расширения верхних пределов измерения приборов с
высоким входным сопротивлением.По используемым в делителях напряжений элементам
различают резистивные, емкостные и индуктивные делители.Емкостные делители
часто применяют при высоких напряжениях. Так, для расширения верхних пределов
измерения электростатических вольтметров применяют емкостный делитель
напряжения (рис.8).
Рис.
8. Емкостный делитель
В
этом случае:
.
Для
уменьшения или увеличения переменных токов и напряжений в строго определенное
число раз с сохранением их фазы широкое распространение получили измерительные
трансформаторы тока и напряжения. Они применяются для расширения пределов
измерения приборов и для гальванического разделения частей измерительной цепи.
Трансформатор тока является преобразователем тока в ток, а трансформатор
напряжения - преобразователем напряжения в напряжение.
Измерительный
трансформатор принято характеризовать коэффициентом трансформации, понимая под
номинальным коэффициентом трансформации трансформатора тока:
,
трансформатора
напряжения:
Номинальные
коэффициенты трансформации указываются на щитках трансформаторов в виде
отношений токов или напряжений.
1.4 Анализ электромеханических приборов
Электромеханические приборы - это показывающие приборы прямого действия,
показания которых являются непрерывной функцией измеряемой величины.
К электромеханическим приборам относятся:
1) приборы магнитоэлектрической системы;
2) приборы электродинамической системы;
) приборы электростатической системы;
) приборы индукционной системы.
Электроизмерительные приборы характеризуются:
1) диапазоном измерений;
2) погрешностями;
) чувствительностью;
) мощностью, потребляемой от источника измеряемой величины;
) зависимостью показаний от влияющих величин (температуры
окружающей среды, формы кривой и частоты измеряемого тока или напряжения и
т.д.)
Нормирующее значение для прибора с равномерной или степенной шкалой
обычно принимается равным конечному значению рабочей части шкалы (верхнему
пределу измерения), если нулевая отметка находится на краю или вне шкалы.
Класс точности прибора - обобщенная характеристика прибора, определяемая
пределами допускаемой основной погрешности и изменением показаний прибора под
действием влияющих величин, а также другими свойствами прибора. Зная класс
точности прибора, можно найти предел допускаемой основной погрешности
наибольшую основную погрешность прибора, допущенного к применению.
Для амперметров, вольтметров ваттметров класс точности численно равен
пределу допускаемой основной приведенной погрешности прибора.
Различные приборы в зависимости от принципа действия, схемы и конструкции
по-разному реагируют на влияющие величины.
Например, в магнитоэлектрических приборах изменение температуры
окружающей среды приводит к следующим изменениям: изменяются сопротивления
измерительной цепи, изменяются упругие свойства пружин, изменяются магнитные
свойства постоянного магнита, но последние два явления почти полностью взаимно
компенсируются.
В
магнитоэлектрических приборах рамка наматывается медной проволокой (реже
алюминиевой) и ее сопротивление увеличивается на 4% на каждые 10°С роста
температуры. В простейшем случае, когда через рамку протекает весь измеряемый
ток (в микроамперметрах и миллиамперметрах с верхними пределами измерения, не
превышающими 30-50 мА), изменение сопротивления рамки не вызывает погрешности
прибора. В схемах амперметров с шунтами, изготовленными из манганина
(сопротивление манганина практически не зависит от температуры), при увеличении
температуры окружающей среды возникает отрицательная погрешность, для
уменьшения которой приходится применять схемы температурной компенсации. В
простейшем случае последовательно с рамкой включают резистор
из манганина (рис.9).
Рис.9.
Схема температурной компенсации
Тогда температурный коэффициент сопротивления цепи рамки уменьшится, и
относительная температурная погрешность прибора определится по формуле:
где
- температурный коэффициент сопротивления цепи рамки;
-сопротивление
обмотки рамки, пружинок и соединительных проводов;
-
сопротивление шунта;
-
сопротивление добавочного резистора из манганина.
В
приборах высокого класса точности применяют последовательно-параллельную схему
температурной компенсации.
Температурная
погрешность магнитоэлектрических вольтметров, возникающая при увеличении
температуры окружающей среды, отрицательна и определяется по формуле:
где
- сопротивление добавочного резистора из манганина.
Из
формулы видно, что температурную погрешность вольтметра можно уменьшить,
увеличивая стабильное добавочное сопротивление.
Для
электромагнитных и электродинамических вольтметров температурная погрешность
зависит от температурного коэффициента момента пружин и температурного
коэффициента сопротивления катушек и определяется по формуле:
где
- температурный коэффициент момента пружинок (он
отрицателен и составляет 0,2-0,3 % на 10˚С).
Второй
член выражения зависит от предела измерения прибора. Наибольшей погрешностью
обладает вольтметр на самом низком пределе измерения.
В
электродинамических амперметрах с последовательной схемой соединения катушек и
в электромагнитных амперметрах температура влияет только на упругие свойства
пружин. Поэтому температурная погрешность их не превышает
0,2% на 10ºС и не требует специальных способов компенсации.
Показания
электродинамических и электромагнитных вольтметров существенно зависят от
частоты измеряемого напряжения. Главной причиной расхождения их показаний на
постоянном и переменном токах является наличие индуктивного сопротивления
.
Погрешность при переходе от постоянного тока к переменному будет равна:
где
- показания прибора на постоянном токе;
-
переменное напряжение, вызывающее то же показание прибора;
-
сопротивление вольтметра на постоянном токе;
-
активное сопротивление цепи вольтметра на переменном токе.
При
частотах до 2000 Гц, при которых работают эти приборы, можно считать отличие
от
,
обусловленное вихревыми токами в толще меди обмотки и окружающих металлических
частях прибора, пренебрежимо малым. Тогда, принимая
=
,
получаем:
или
Для
компенсации этой погрешности часть добавочного резистора вольтметра (рис.10)
шунтируется конденсатором С так, чтобы при определенной частоте индуктивное
сопротивление цепи вольтметра было малым. Однако при рассмотрении частотной
погрешности электромагнитных вольтметров надо иметь в виду, что индуктивность
изменяется с изменением угла отклонения и погрешности различны при различных
показаниях. Поэтому частотная компенсация справедлива только для одного
показания, т.е. малоэффективна.
Рис. 10. Схема вольтметра с частотной компенсацией
Показания электростатических вольтметров практически не зависят от
частоты и формы кривой измеряемого напряжения; кроме того, эти приборы обладают
очень большим входным сопротивлением, определяемым по формуле:
,
где
- входная емкость прибора.
Для
расширения пределов измерения электростатических вольтметров применяют
емкостные делители.
Вследствие
того что магнитоэлектрические приборы обладают высокой чувствительностью и
малым собственным потреблением, они широко используются в сочетании с
преобразователями для создания приборов переменного тока (например,
выпрямительных, электронных и термоэлектрических).
2. Расчёт
параметров многопредельного амперметра магнитоэлектрической системы,
определение его метрологических характеристик
Исходные данные
) Пределы измерений:
|
1 вар.
|
0,75 В
|
1,5 В
|
3 В
|
7,5 В
|
15 В
|
30 В
|
75 В
|
150 В
|
300 В
|
2) Максимальный ток в рамке: 0.45 мА;
3) Магнитная индукция в воздушном зазоре постоянного магнита: 0.09 Тл;
) Вращающий момент при максимальном токе в рамке:
Н*м;
) Количество делений шкалы: 30.
2.1 Выбор провода для обмотки рамки МЭМ
Для обмотки выбираем медный провод, т. к. медь имеет малое значение
удельного электрического сопротивления. По каждому квадратному миллиметру медного
провода протекающий ток должен быть не более 17 A. Диаметр проволоки выбираем,
учитывая максимальный ток, протекающий в рамке (0,45 мА). Значит, что для тока
0,45 мА минимальная площадь сечения
, т.е.
. Для обмотки рамки выбираем медный
провод диаметром
мм.
2.2 Расчёт и определение всех параметров рамки
магнитоэлектрического механизма
Выберем рамку с алюминиевым каркасом прямоугольной формы размером
.
Рассчитаем активную площадь рамки:
где
- активная площадь рамки,
- длина
рамки,
;
- ширина
рамки,
;
Вращающий
момент рамки:
где
- вращающий момент рамки,
;
-
магнитная индукция в воздушном зазоре,
- ток в
обмотке катушки,
;
-
активная площадь рамки,
;
- число
витков.
Выразим
и найдем количество витков обмотки:
Определим сопротивление обмотки:
где
- сопротивление противодействующих пружин,
-
удельное электрическое сопротивление меди,
;
- площадь
сечения провода,
:
где
- диаметр медной проволоки,
;
- длина
медного провода,
:
где
- число витков;
-
периметр рамки,
:
Следовательно
.
Сопротивление обмотки равно:
Рассчитаем удельный противодействующий момент пружины.
Противодействующий момент создается при помощи спиральной пружины,
растяжек и подвесов путем их закручивания и равен:
где
- удельный противодействующий момент пружины,
растяжки или подвеса,
.
- угол
отклонения стрелки прибора;
Т.к
при нахождении стрелки прибора в положении равновесия противодействующий момент
равен вращательному
,то при заданном конечном угле поворота 150 можно
записать следующее равенство:
-
конечный угол отклонения стрелки прибора;
Выразим
удельный противодействующий момент пружины:
2.3 Определение значения добавочных сопротивлений и шунтов
В
задании заданы пределы измерения (
) и
максимальный ток в рамке. Задача состоит в определении тока
(рис.11).
Рис. 11. Упрощенная схема амперметра
Пользуясь
первым законом Кирхгоффа и формулой для делителя напряжения выведем формулу для
расчёта
:
;
;
;
;
;
где
- сопротивление рамки.
2.4 Определим собственное потребление мощности
магнитоэлектрического механизма и амперметра в целом
Мощность
определяется по формуле:
Определим
мощность потребляемую рамкой магнитоэлектрического механизма:
Найдём
мощность, потребляемую амперметром начиная с четвёртого предела измерения.
При
включении шунта сопротивление амперметра равно параллельному соединению
сопротивления шунта и сопротивления рамки.
Мощность
при первом пределе измерения:
Мощность
при втором пределе измерения:
Мощность
при третьем пределе измерения:
Мощность
при четвёртом пределе измерения:
Мощность при пятом пределе измерения:
Мощность при шестом пределе измерения:
Мощность при седьмом пределе измерения:
Мощность при восьмом пределе измерения:
Мощность при девятом пределе измерения:
2.5 Определение постоянной механизма по току и напряжению
Отношение
углового или линейного перемещения указателя к току, вызвавшему его
перемещение, называют чувствительностью механизма по току и выражают в
:
где
- чувствительность механизма по току;
-
количество делений шкалы;
-
максимальный ток протекающий через рамку,
.
Величина,
обратная чувствительности, называется постоянной механизма по току:
Величина,
обратная чувствительности, называется постоянной механизма по напряжению:
3. Разработка принципиальной схемы амперметра с
последовательной температурной компенсацией
Разработаем
принципиальную схему амперметра, включая и схему последовательной температурной
компенсации (температурная компенсация не должна превышать
при повышении температуры на
).
Так
как в рассчитанном амперметре рамка намотана медной проволокой, то ее
сопротивление
увеличивается на
при изменении температуры на10 оС. В
простейшем случае, когда через рамку протекает весь измеряемый ток, изменение
сопротивления рамки не вызывает погрешности прибора.
В
схемах амперметров с шунтами, изготовленными из манганина (сопротивление
манганина практически не зависит от температуры), при увеличении температуры
окружающей среды возникает отрицательная погрешность, для уменьшения которой
приходится применять схемы температурной компенсации. В простейшем случае
последовательно с рамкой включают резистор
из
манганина (рис.12).
Рис. 12. Схема температурной компенсации
Рассчитаем
сопротивление резистора
, который обеспечивает температурную компенсацию
амперметра.
Температурный
коэффициент полного сопротивления рамки (сопротивление обмотки и сопротивление
пружин):
где
- сопротивление обмотки рамки.
- температурный коэффициент сопротивления обмотки (для
медной обмотки
)
- сопротивление пружин.
- температурный коэффициент пружин
Относительная температурная погрешность прибора равна 1.5% (по заданию) и
определяется по формуле:
где
- сопротивление обмотки рамки, пружинок и соединительных
проводов;
R -
сопротивление шунта;
- сопротивление добавочного резистора из манганина.
Выразим сумму сопротивлений
:
Напряжение на сопротивлении нагрузки шунта
определяется выражением:
где
- сопротивление добавочного резистора из манганина.
Выразим сопротивление добавочного резистора R:
где
- максимальный ток рамки
- максимальный предел измерения
.
3.1 Определение абсолютной, относительной, приведенной
погрешностей; класса точности разработанного прибора по результатам поверки
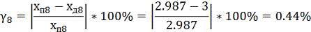
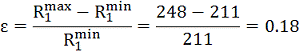
Определим к какому классу точности можно отнести разработанный прибор по
результатам поверки (при поверке прибора в точках верхних пределов измерения).
Истинные пределы измерения:
Пределы измерения при поверке:
|
8 вар.
|
|
|
15.01*10-3
|
3,1*10-2
|
14,97*10-2
|
0.309
|
1.489
|
2.987
|
14.903
|
Класс точности средства измерений - обобщенная характеристика данного
типа средства измерений, как правило, отражающее уровень их точности,
выражаемая пределами допускаемых основной и дополнительной погрешности, а также
другими характеристиками, влияющими на точность.
В нашем случае класс точности можно определить по относительной
погрешности при поверке прибора в точках верхних пределов измерений.
Относительная погрешность определяется по формуле:
где
- показание прибора;
- действительное значение измеряемой величины.
Определим относительную погрешность для каждого предела измерения:
Так как относительная погрешность при поверке прибора в точках верхних
пределов измерений не превышает 3.3%, то прибор относится к классу точности 4.
Абсолютная погрешность определяется по формуле:
Приведенная погрешность определяется по формуле:
4. Расчет
параметров и построение четырехплечего уравновешенного моста постоянного тока
Исходные данные
Пределы измерения сопротивлений:
Мощность рассеивания на сопротивлении не должна превышать0.02 Вт
Мощность, рассеиваемая любым плечом моста не превышала 0,15 Вт
4.1 Расчет сопротивлений плеч моста
Четырехплечий мост, регулируемым сопротивлением которого будет являться
сопротивление
(рис.13).
Рис.
13. Схема четырехплечего моста
Рассчитаем
сопротивление плеч моста так, чтобы:
)
мощность, получаемая гальванометром, при расстройке моста была максимальной;
)
мощность, рассеиваемая любым плечом моста, не превышала
.
Мощность
, получаемая гальванометром, пропорциональна мощности
, рассеиваемой в сопротивлении
, следовательно, параметры моста необходимо выбрать
так, чтобы сопротивление
было нагружено предельно, а мощность
должна быть равна установленному значению.
следует,
что чем больше
и чем меньше
тем
больше.
Определим оптимальные значенияmи n.
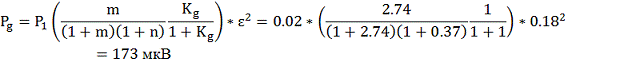
Предельна мощность, рассеиваемая любым плечом моста равна:
где
- мощность рассеиваемая на резисторе
Выразим m:
Принимая
, получим
, где
Найдем значенияmи n:
Среднее значение изменяемого сопротивления
:
Определим значения сопротивлений
и
:
Рассчитаем пределы регулирования резистора
:
Рассчитаем напряжение питания моста:
Определим входное сопротивление на зажимах гальванометра:
Расстройка
определяется по формуле:
Для того чтобы мощность, получаемая гальванометром, была максимальной,
коэффициент согласования
должен быть равен 1, следовательно, входное сопротивление на
зажимах гальванометра
должно быть равно сопротивлению гальванометра
.
Мощность, получаемая гальванометром, определяется по формуле:
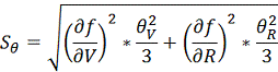
4.2 Определение чувствительности моста по току, напряжению и
мощности
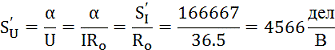
Определение постоянной гальванометра по току.
Чувствительность моста по напряжению к относительному изменению
сопротивления
Чувствительность
моста по току при
:
Чувствительность
моста по току при
:
Чувствительность
моста по мощности при
:
Чувствительность
моста по мощности при
:
Так
как при изменении измеряемого сопротивления на
стрелка
должна отклониться на одно деление шкалы, значит интервал изменения
сопротивления - это
, то полное число делений будет равно:
Определим
постоянную гальванометра по току:
где
- полное число делений шкалы;
-
мощность, получаемая гальванометром;
- сопротивление
гальванометра.
прибор
ток метрологический амперметр
5.
Оценивание характеристик погрешности и вычисление неопределенности измерений
.1 Описание измерения и составление его модели
В результате измерений напряжения электрического тока с помощью
вольтметра и токового шунта при температуре
получено ряд показаний вольтметра
в милливольтах (где
|
79,835
|
79,83
|
79,832
|
79,835
|
79,84
|
79,835
|
79,833
|
79,833
|
79,827
|
79,838
|
|
79,832
|
79,833
|
79,832
|
79,832
|
79,828
|
79,832
|
79,83
|
79,835
|
79,831
|
79,835
|
|
79,831
|
79,833
|
79,832
|
79,832
|
79,829
|
79,836
|
79,832
|
79,834
|
79,839
|
79,832
|
|
79,825
|
79,838
|
79,835
|
79,825
|
79,835
|
79,83
|
79,834
|
79,835
|
79,827
|
79,835
|
|
79,837
|
79,833
|
79,833
|
79,832
|
79,827
|
79,831
|
79,83
|
79,836
|
79,831
|
79,826
|
|
79,832
|
79,832
|
79,838
|
79,832
|
79,842
|
79,828
|
79,844
|
79,837
|
79,833
|
79,826
|
|
79,84
|
79,83
|
79,843
|
79,831
|
79,844
|
79,831
|
79,846
|
79,832
|
79,833
|
79,832
|
|
79,832
|
79,832
|
79,828
|
79,828
|
79,832
|
79,83
|
79,835
|
79,835
|
79,832
|
79,832
|
|
79,835
|
79,835
|
79,835
|
79,835
|
79,834
|
79,833
|
79,832
|
79,829
|
79,835
|
79,832
|
|
79,832
|
79,839
|
79,836
|
79,842
|
79,834
|
79,833
|
79,835
|
79,84
|
79,826
|
79,824
|
|
79,837
|
79,832
|
79,834
|
79,839
|
79,832
|
79,825
|
79,832
|
79,837
|
79,832
|
79,826
|
|
79,835
|
79,83
|
79,835
|
79,832
|
79,835
|
79,832
|
79,832
|
79,835
|
79,836
|
79,835
|
|
79,834
|
79,833
|
79,832
|
79,838
|
79,832
|
79,834
|
79,838
|
79,835
|
79,842
|
79,834
|
|
79,834
|
79,827
|
79,832
|
79,837
|
79,829
|
79,834
|
79,83
|
79,832
|
79,835
|
79,829
|
|
79,832
|
79,835
|
79,832
|
79,832
|
79,839
|
79,838
|
79,825
|
79,833
|
79,832
|
79,835
|
|
79,832
|
79,839
|
79,833
|
79,834
|
79,832
|
79,832
|
79,835
|
79,832
|
79,833
|
|
79,835
|
79,835
|
79,832
|
79,834
|
79,836
|
79,827
|
79,835
|
79,837
|
79,832
|
79,826
|
|
79,829
|
79,832
|
79,83
|
79,839
|
79,831
|
79,842
|
79,831
|
79,823
|
79,835
|
79,829
|
|
79,833
|
79,835
|
79,832
|
79,834
|
79,835
|
79,832
|
79,832
|
79,84
|
79,835
|
79,825
|
|
79,833
|
79,832
|
79,832
|
79,839
|
79,835
|
79,834
|
79,832
|
79,835
|
79,829
|
79,841
|
Модель измерения:
где
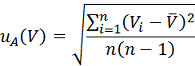
5.2 Нахождение результата измерений
На основе полученных значений вычисляем среднее значение арифметическое
значение напряжения V, мВ, по формуле:
Значение сопротивления шунта
Установлено при его калибровке для
.
Результат измерения силы тока
получаем по формуле:
.3 Анализ источников погрешности результата измерений
Среднеквадратическое отклонение, характеризующее случайную составляющую
погрешности при измерениях напряжения S(V), мВ, вычисляем по формуле
Тогда
Границы
неисключенной систематической погрешности вольтметра в милливольтах определены
при его калибровке в виде следующего выражения:
Тогда при
получаем:
Границы
неисключенной систематической погрешности значения сопротивления шунта,
определенные при его калибровке, и равны:
Тогда при

Границы неисключенной систематической составляющей погрешности значения
сопротивления шунта, обусловленной погрешностью измерений температуры, находим
из формулы, определяющей зависимость сопротивления от температуры:

где
- значение сопротивления при
В случае, когда границы погрешности измерения температуры равны Dt границы соответствующей
составляющей погрешности значения сопротивления равны:
Таким образом, при
получаем:
В дальнейшем эту составляющую погрешности (ввиду ее малости по сравнению
с другими составляющими) можно не учитывать.
.4 Вычисление характеристик погрешности результата измерений
Делают предположение о равномерном распределении неисключенных
систематических составляющих погрешности результата измерений внутри их границ qV и qR. Тогда СКО суммарной неисключенной систематической
составляющей погрешности результата измерений силы тока Sq, А, определяем по формуле:
где
коэффициенты влияния.
Таким образом получаем:
Доверительные границы суммарной неисключенной систематической составляющей
погрешности результата измерений силы тока q(p) при
доверительной вероятности p =
0,95 оцениваем по формуле:
СКО случайной
составляющей погрешности результата измерений силы тока S определяем по
формуле:
Таким образом, получаем:
СКО суммарной погрешности результата измерений силы тока SS вычисляем по формуле:
Доверительные границы погрешности результата измерений силы тока D0,95 при p = 0,95 и эффективном числе
степеней свободы fэф = n - 1 = 199 вычисляем по формуле:
Таким образом, подставляя значения, получаем:
.5 Вычисление неопределенности измерений
Стандартную неопределенность напряжения, обусловленную источниками
неопределенности, имеющими случайный характер, uA(V) определяем по
формуле:
Тогда получаем:
Стандартную неопределенность силы тока, обусловленную источниками
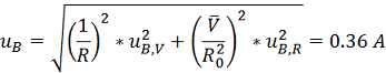
неопределенности, имеющими случайный характер, uA определяем по формуле:
Границы систематического смещения при измерениях напряжения, определенные
при калибровке вольтметра, равны 3×10-4×V + 0,02. Тогда соответствующую стандартную неопределенность
uB,V вычисляем по формуле:
Границы, внутри которых лежит значение сопротивления шунта, определены
при калибровке шунта и равны 7×10-4R. Тогда при R = R0 соответствующую
стандартную неопределенность uB,R вычисляем по формуле:
Границы изменения значения сопротивления шунта, обусловленного изменением
температуры, равны a×Dt×R0. Соответствующую
стандартную неопределенность uB,t получаем в соответствии с
формулой:
В дальнейшем этой составляющей неопределенности (ввиду ее малости по
сравнению с другими составляющими) можно пренебречь.
Суммарную стандартную неопределенность uB, вычисленную по типу
В, определяем по формуле:
где
,
коэффициенты влияния
Таким образом, получаем:
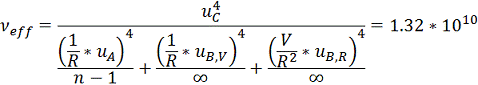
Суммарную стандартную неопределенность uc вычисляем по
формуле:
Эффективное число степеней свободы veff рассчитываем по
формуле:
Коэффициент охвата k получаем по формуле:
Расширенную неопределенность U0,95 определяем следующим
образом:
.6 Переход от характеристик погрешности к неопределенности
измерений
Используя оценки характеристик погрешности, полученные в 5.3 и 5.4
пунктах, можно продемонстрировать получение оценок неопределенностей.
Схема 1
I = 1.14 A S = 3.99мA,
(0,95) = 1.01мA,= 2,= 200I = 1.14 A, uA = S =
3.99мA,
,
гдеk = 1,1 приp = 0,95,
,
|
U0,95 = t0,95(veff)×uC= 0.71 A
|
|
|
Схема 2
|
I = 1.14 A, D0,95 = 7.66мA, p = 0,95
|
|
I = 1.14A, U0,95 = 0.71A, z0,95 =
1,96,
|
5.7 Отчёт о неопределенности измеряемой величины и
составление бюджета неопределенности
Бюджет неопределенности представляет собой список неопределенности с
соответствующими им стандартными неопределенностями, собранный для определения
суммарной стандартной неопределенности результата измерений. Список часто
включает в себя дополнительную информацию, такую как коэффициент
чувствительности, степени свободы для каждой стандартной неопределенности и
идентификацию средних, соответствующих каждой стандартной неопределенности, в
терминах оценок типа А или типа В.
|
Источник неопределенности
|
Метод расчёта стандартной неопределенности
|
|
Случайный источник
|
|
|
Калибровка вольтметра
|
|
|
Калибровка шунта
|
|
|
Изменение температуры
|
|
Эффективное число степеней свободы
Коэффициент охвата
Суммарную стандартную неопределенность
6. Разработка функциональных схем измерительных
преобразователей средств измерений различных физических величин цифровыми
методами. Определение их метрологических характеристик
Исходные данные
Функциональный генератор состоит из инвертирующего интегратора и
неинвертирующего триггера Шмитта. В качестве датчика давления используется
интегрирующий конденсатор. Разработайте схему измерения давления в узком
диапазоне значений вокруг номинального значения Р.
Разработка схемы
Схема, представленная на рисунке 14, применяется для измерения давления
цифровым методом. В качестве датчика давления используется интегрирующий
конденсатор, который включен в измерительный мост. При изменении давления
изменяется расстояние между обкладками конденсатор, следовательно, изменяется
емкость конденсатора
, т.к.
относительная диэлектрическая проницаемость пространства
между обкладками,
диэлектрическая проницаемость в вакууме (
Ф/м), S
площадь обкладок, d
расстояние между ними.
Процесс измерения состоит из следующих этапов:
. Изменение давления при помощи первичного измерительно преобразователя
преобразуется в электрический сигнал. Перед началом измерений мостовую схему
уравновешивают. При изменении ёмкости конденсатора мост выйдет из состояния
равновесия и между точка Aи Б
возникает напряжение.
. Величина напряжения при помощи интегратора преобразуется пилообразное
напряжение, а далее при помощи триггера Шмитта уже получаются серия
периодических импульсов, длительность
которых пропорциональна значению
напряжения. Устройство, при помощи которого осуществляется это преобразование,
называется преобразователем напряжение-время.
. Интервал времени
при помощи счётчика импульсов преобразуется в двоичное
число. Счетчик подсчитывает импульсы, поступающие с тактового генератора, в
течение времени tx. По окончании этого измерительного интервала в момент
времени t2 ждущий мультивибратор (одновибратор) М1 вырабатывает короткий
импульс, по которому триггер-защелка запоминает содержимое счетчика для
последующих преобразований. В момент времени t3 на счетчик поступает импульс от
одновибратора М2, и его показания сбрасываются. Таким образом, электронный
вентиль, пропускающий на счетчик импульсы очень стабильной частоты fc, открыт
только в течение интервала tx, а в остальное время он закрыт.
. Информация в двоичном коде переводится в десятичный и отображается на
дисплее в виде светящихся цифр. Эта функция выполняется при помощи дешифратора,
устройства управления ЖК дисплеем.
Пусть N - это общее число импульсов, прошедших через электронный вентиль
за время tx, тогда
. Таким образом, число посчитанных счетчиком импульсов будет
пропорционально времени tx(
, а, следовательно, и неизвестной
величине давления.
Точность измерений зависит в основном от стабильности и точности
тактового генератора, а также измеряемый интервал времени должен быть
значительно больше периода тактового генератора. Очевидно, что здесь не будет
никакой неопределенности результатов, как это происходит в случае измерений с
помощью аналогового прибора.
Разрешающая способность такого прибора можно улучшать почти до бесконечности,
увеличивая количество цифр на дисплее. В данном приборе нет механических
частей, поэтому погрешности, связанные с трением, здесь не требуется
контролировать и компенсировать вращающие моменты, следовательно, конструкция
будет менее хрупкой. Возможно дальнейшая обработка результатов при помощи
компьютеров и микропроцессоров.
Но не всё так идеально! Значительная погрешность измерений может
появиться, если измеряемый период времени сравним с величиной периода тактового
генератора
.
,
где
На рисунке 15 показаны счётные импульсы при
т.е. предполагается, что
последовательность тактовых импульсов имеет 50% коэффициент заполнения. Если
событие А произошло в момент времени tA, находящийся в интервале АВ,
число посчитанных импульсов будет равно (а + 1), а если tA лежит в
интервале ВС, количество импульсов составит а.
Рис. 15. Погрешность при измерении времени
В этом случае погрешность измерений можно определить следующим образом:
Для b ≥ 1/2 можно аналогично записать
Например,
А) определим максимальную относительную погрешность при измерении
интервала времени, равного 15мкс, при частоте генератора тактовых импульсов
70кГц.
В данном случае
Следовательно,
Рассчитаем погрешность:
Б) определим максимальную относительную погрешность при измерении
интервала времени, равного 15.2мкс, при частоте генератора тактовых импульсов
11МГц.
В данном случае
Следовательно,
Рассчитаем погрешность:
Вторая важная характеристика цифровых измерительных приборов - это
разрешающая способность. Она определяет минимальный интервал времени, который
можно измерить. Теоретически, не существует нижнего предела измерения частоты,
но на практике при увеличении периода ухудшается разрешающая способность, что и
является ограничивающим фактором. Диапазон измеряемых частот настраивается
выбором соответствующей тактовой частоты fc.
ЗАКЛЮЧЕНИЕ
В результате данной курсовой работы были закреплены знания об
- элементах электрических измерительных цепей: измерительных резисторах
для цепей переменного тока, измерительных конденсаторах, измерительных катушках
индуктивности и взаимной индуктивности.
измерительных механизмах приборов прямого действия
преобразователях токов и напряжений
электромеханических приборах
электрических измерительных цепях
оценивании характеристик погрешностей и вычислении неопределенности
измерений
В результате расчета параметров многопредельного амперметра
магнитоэлектрической системы получены следующие значения технических и
метрологических характеристик:
- пределы измерения
максимальная потребляемая мощность
чувствительность механизма по току
;
постоянная механизма по току
;
класс точности 4.
В
курсовой работе также была разработана принципиальная схема амперметра, включая
и схему температурной компенсации. Температурная компенсация не превышает
при повышении температуры на
.
В
результате проведенных расчетов параметров четырехплечего уравновешенного моста
моста постоянного тока определены следующие значения технических и
метрологических характеристик:
пределы
измерения сопротивлений
;
мощность
рассеивания на сопротивлении не превышает
;
чувствительность
моста по напряжению к относительному изменению сопротивления
;
чувствительность
моста по току при коэффициенте согласования
-
, при коэффициенте согласования
-
чувствительность
моста по мощности при коэффициенте согласования
-
мВт, при коэффициенте согласования
-
;
постоянная
гальванометра по току
.
При проведении обработки результатов была получена линейная зависимость
напряжения на резисторе от тока, протекающего через него.
СПИСОК
ИСПОЛЬЗУЕМОЙ ЛИТЕРАТУРЫ
1. Методические
указания на курсовое проектирование по дисциплине «Метрология, методы и приборы
технических измерений». 2012
2. Ратхор
Т.С. Цифровые измерения. Методы и схемотехника. 2004
. Малиновский
В.Н. Электрические измерения. 1982.