Расчёт каскадов радиопередатчика на биполярных транзисторах
Курсовой проект
Расчёт каскадов радиопередатчика на
биполярных транзисторах
Техническое
задание
Несущая
частота:
Мощность в нагрузке:
Вид
модуляции: амплитудная модуляция
Полоса
модуляции:
Сопротивление
нагрузки:
Реферат
В данной работе рассчитывается каскады радиопередатчика на биполярных
транзисторах.
Пояснительная записка к курсовому проекту состоит из 24 страниц, в неё
входят 3 рисунков, 3 источника информации и 2 приложений.
Содержание
Введение
1. Расчёт
выходного каскада на заданную мощность
2. Расчет
цепи смещения выходного транзистора
3. Расчет
выходной согласующей цепи
. Расчёт
согласующей цепи между выходом предварительного и входной цепью выходного
каскада
.Расчет
предварительного каскада усиления мощности
. Расчёт
автогенератора
7. Расчёт
элементов эмиттерной коррекции
. Расчет
режима транзистора в автогенераторе
. Расчёт
колебательной системы автогенератора
. Расчет цепи
питания
. Выбор
варикапа и расчет его режима
Выводы
Список
источников информации
Приложение 1
Введение
Курсовой проект представляет собой сложный комплекс вопросов
принципиального, схемного, расчетного и конструкционного характера: выбор схем,
транзисторов, элементов колебательных систем, способа модуляции или
манипуляции, источника питания, путей обеспечения работоспособности передатчика
при заданных внешних условиях (изменении питающих напряжений и параметров
антенны, изменении температур окружающей среды, механической тряске или ударах
и др.)
Главная задача проектирования состоит в выборе наиболее эффективных с
технико-экономической точки зрения путей реализации технических условий на
проектируемое устройство. Прежде всего, на основе действующих норм,
государственных стандартов и других нормативных документов необходимо составить
технические условия (требования).
В мощных каскадах передатчиков применяют тиристоры, биполярные и полевые
транзисторы, варакторы (варикапы), туннельные диоды, ЛПД и диоды Ганна.
Преимущества транзисторов в мощных радиопередатчиках не столь бесспорны,
как в радиоприемных или вычислительных устройствах. Безусловным достоинством
транзисторов является устойчивость к механическим воздействиям и большой срок службы.
В условиях правильной эксплуатации их не приходится менять на протяжении всего
срока службы аппаратуры. Однако в мощных каскадах передатчиков транзисторы
часто используют на пределе по току, напряжению, нагреву и поэтому здесь нет
оснований рассчитывать на такую же высокую надежность транзисторов, как в
маломощных устройствах (вычислительных машинах и т. п.). Транзисторам присуще
постепенное ухудшение свойств (деградация), которое у «мощных» транзисторов
из-за работы на предельных режимах происходит интенсивнее, чем у маломощных.
Отсутствие цепи накала у транзисторов обусловливает их немедленную
готовность к работе, но не приводит к заметной экономии электроэнергии питания,
так как затраты энергии в цепях накала современных ламп составляют 4...5% их номинальной
мощности и меньше.
Низкие питающие напряжения резко упрощают систему защиты обслуживающего
персонала. Возможность работы всех каскадов передатчика от одного или
небольшого числа источников постоянного тока заметно упрощает его устройство.
Кроме того, низкие питающие напряжения при относительно большой мощности
определяют малые нагрузочные сопротивления (десятки, единицы и даже доли Ома).
По этой причине вредное действие паразитных емкостей, шунтирующих нагрузку,
существенно меньше, чем в лампах, что позволяет в широком диапазоне частот (до
100... 1000 МГц) использовать нерезонансные схемы с резистивной
(апериодической) нагрузкой, исключить в каскадах перестраиваемые контура, что
улучшает надежность и конструктивные характеристики передатчика в целом и
упрощает его настройку. Кроме того, апериодическая (резистивная) нагрузка
позволяет строить генераторы, в которых транзисторы работают в режимах с
негармоническими формами напряжений. Среди этих режимов особенно интересен
ключевой режим, который отличается повышенным КПД, малой рассеиваемой
мощностью, меньшей критичностью к амплитуде входного сигнала и к усилительным
свойствам транзистора и отсюда более высокой надежностью. Вместе с тем малые
входные и выходные сопротивления затрудняют согласование транзисторов с другими
элементами передатчика и друг с другом. Большие токи, неизбежные при больших
мощностях и малых напряжениях, приводят к дополнительным трудностям при
конструировании источников питания для транзисторных передатчиков. В маломощных
(Р< 10... 100 Вт) передатчиках полная замена ламп транзисторами приводит к
уменьшению габаритов и массы (тем более заметному, чем меньше его мощность). В
мощных передатчиках габариты и масса определяются не только активными
приборами, но и в значительной степени деталями цепей согласования,
колебательных систем и радиаторами охлаждения. Кроме того, из-за низких
допустимых температур транзисторов системы их охлаждения оказываются более
массивными и имеют большие габариты, поэтому здесь применение транзисторов может
не приводить к существенному выигрышу в массе и габаритах передатчика в целом.
Недостатки транзисторных передатчиков, прежде всего, связаны с высокой
стоимостью мощных транзисторов из-за чрезвычайно сложной технологии их
производства. Другие их недостатки по сравнению с лампами определяются малой
мощностью одного транзистора и высокой чувствительностью их к перегрузкам.
Транзисторы, как правило, не допускают даже кратковременных перегрузок по
токам, по напряжениям и по рассеиваемой на них мощности. Отсюда критичность к
рассогласованиям с нагрузкой, к изменениям режимов работы и т. д. Им присуща
большая склонность к паразитным колебаниям и, главное, выход из строя при их
появлении, а также из-за наведенных ЭДС (атмосферное электричество, от других
передатчиков). Все это зачастую требует сравнительно сложных схем сложения
мощностей на выходе передатчика и создание систем защиты транзисторов от
превышения напряжений, температуры при работе в изменяющихся условиях
(изменения нагрузки, питания, охлаждения и др.) и вследствие этого снижается
надежность передатчика в целом.
1. Расчёт выходного каскада на заданную мощность
Определяем необходимую колебательную мощность выходного каскада
Выбираем
для выходного каскада транзистор КТ940, имеющий допустимую мощность рассеяния
на коллекторе
.
Параметры
транзистора:
граничная
частота усиления по току
среднее
во времени значение коэффициента усиления тока
крутизна
линии граничного режима
напряжение
отсечки
ёмкость
эмиттерного перехода
ёмкость
коллекторного перехода
допустимое
обратное напряжение на базе
индуктивность
базового выхода
индуктивность
эмиттерного выхода
Определяем
значение частоты, на которой модуль коэффициента передачи тока |β| уменьшается в
раз по
сравнению со статическим коэффициентом β0
(транзистор включён по схеме с общим эмиттером)
Определяем
возможную величину напряжения источника питания коллекторной цепи
выбираем
рекомендуемое значение
.
Выбираем
угол отсечки коллекторного тока
. Тогда
коэффициенты Берга имеют значения:
Выбираем
высоту импульса коллекторного тока
принимаем
.
Граничное
значение коэффициента напряжённости режима
Амплитуда
1-й гармоники коллекторного напряжения
Амплитуда
1-й гармоники коллекторного тока
Постоянная составляющая коллекторного тока
Колебательная
мощность (по 1-й гармонике)
Потребляемая
мощность
Мощность
рассеивания на коллекторе
КПД
выходного каскада (электронный КПД коллекторной цепи)
Амплитуда
1-й гармоники управляющего заряда
Наименьшее
мгновение значения напряжения на эмиттерном переходе
Постоянная
составляющая напряжения на эмиттерном переходе
Амплитуда
1-й гармоники напряжения на эмиттерном переходе
Необходимое
сопротивление коллекторной нагрузки
Расчётный
параметр
Амплитуда
1-й гармоники базового тока
Сопротивление
корректирующего резистора
Часть входной мощности, обусловленной потерями на корректирующем
резисторе
Активная
часть входного сопротивления
Часть
входной мощности, обусловленной потерями на входном сопротивлении
Суммарная
входная мощность каскада
Коэффициент
усиления по мощности
Входная
индуктивность
Входная ёмкость
Сопротивление,
шунтирующее входную цепь
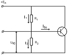
2.
Расчет цепи смещения выходного транзистора
Рис
2. Схема смещения от источника питания
Применяя
схему (рис.2), можно установить требуемый режим по постоянному току при
выполнении условий
и
Отсюда
;
Выбираем
R1 = 640
Ом; R2 = 60 Ом.
При этом на базе действует фиксированное смещение, равное Uотс (за счет делителя напряжения R1R2), и автосмещение
за счёт
постоянной составляющей базового тока
При
этом параметры делителя обеспечивают и коррекцию частотной зависимости Кu
при закрытом эмиттерном переходе.
Для
стабилизации фиксированного смещения при изменении Uотс в диапазоне температур вместо R2 можно применить диод, изготовленный из того же
материала, что и транзистор. При открытом диоде напряжение на нём сохраняется
равным Uотс в
широком диапазоне изменения внешних условий.
3.
Расчет выходной согласующей цепи
В
соответствии с заданным сопротивлением нагрузки Rn =
50 Ом. Из расчета Rk =
2,43 Ом; из параметров транзистора Ck = 55 пФ.
Применим для согласования выходного сопротивления генератора с нагрузкой
П-образную инвертирующую цепь (рис 3).
Рис 3. Выходная согласующая цепь мощного усилителя.
Характеристическое сопротивление согласующей цепи (ЦС)
Ёмкости
ЦП
С
учётом выходной емкости транзистора
Индуктивность
ЦС
Коэффициент
фильтрации по 2-й гармонике
Для улучшения фильтрации применим усложненный вариант согласующей цепи
Рис 4. Выходная ЦС с улучшенной фильтрацией
Задаемся
значением коэффициента h
отсюда
Определяем
ёмкость С3
Определяем
индуктивность L3
отсюда
Коэффициент
фильтрации по второй гармонике
радиопередатчик транзистор автогенератор варикап
4.
Расчёт согласующей цепи между выходом предварительного и входной цепью
выходного каскада
Пересчитаем
параллельное сопротивление Rпар в
сопротивлении Rпосл,
включенное последовательно в контур Lвх,Свх,Rвх.
мощность,
расходуемая в параллельном сопротивлении
мощность,
расходуемая в последовательном сопротивлении
Так
как эти мощности равны, то:
Требуется
на заданной частоте преобразовать входное сопротивление мощного транзистора
где
, в сопротивлении, равному требуемому сопротивлению
нагрузки предварительного каскада
,
обеспечить гармоническую форму тока на входе транзистора. В качестве входной
согласующей цепи применим Г-образный четырёхполюсник,
Определяем
добротность согласующей цепи
Индуктивность
согласующей цепи находим из соотношения
;
Ёмкость
согласующей цепи находим из соотношения
;
выбираем
.
5.
Расчет предварительного каскада усиления мощности
Дано:
входная мощность оконечного каскада Pвх ум = 0,203 Вт.
Принимаем
КПД цепи согласования ηцс = 0,7 и
определяем необходимую колебательную мощность выходного каскада
Выбираем
для выходного каскада транзистор КТ929А, имеющий допустимую мощность рассеяния
на коллекторе Рдоп = 6 Вт.
Параметры
транзистора:
граничная
частота усиления по току f t = 180
МГц
среднее
во времени значение коэффициента усиления тока В = 15
крутизна
линии граничного режима Sгр = 0,3
напряжение
отсечки Uотс = 1 В
ёмкость
эмиттерного перехода Сэ = 300 пФ
ёмкость
коллекторного перехода Ск = 25 пФ
допустимое
обратное напряжение на базе Uбдоп = -
5В
допустимое
напряжение на коллекторе Uкдоп = 36В
допустимая
высота импульса коллекторного тока ikдоп =1.5А.
индуктивность
базового вывода Lб = 2,4нГн
индуктивность
эмиттерного вывода Lэ = 1нГн
Определяем
значение частоты, на которой модуль коэффициента передачи тока |β| уменьшается в
раз по
сравнению со статическим коэффициентом β0
(транзистор включён по схеме с общим эмиттером)
Определяем
возможную величину напряжения источника питания коллекторной цепи
Выбираем
угол отсечки коллекторного тока θ = 900. Тогда коэффициенты
Берга имеют значения:
Выбираем
высоту импульса коллекторного тока
ik max = (0,8…0,9) ik доп = (0,8…0,9)1.5 = 1,2 …1,35 А
принимаем
ik max =1 А.
Граничное
значение коэффициента напряжённости режима
ξгр= 1 -
Амплитуда
2-й гармоники коллекторного напряжения
Амплитуда
1-й гармоники коллекторного тока
Постоянная
составляющая коллекторного тока
Колебательная
мощность (по 1-й гармонике)
Потребляемая
мощность
Мощность
рассеивания на коллекторе
КПД
выходного каскада (электронный КПД коллекторной цепи)
Амплитуда
1-й гармоники управляющего заряда
Наименьшее
мгновение значения напряжения на эмиттерном переходе
Постоянная
составляющая напряжения на эмиттерном переходе
Необходимое
сопротивление коллекторной нагрузки
Расчётный
параметр
Амплитуда
1-й гармоники напряжения на эмиттерном переходе
Амплитуда
1-й гармоники базового тока
Сопротивление
корректирующего резистора
Мощность
потерь на корректирующем резисторе
Активная
часть входного сопротивления
Часть
входной мощности, обусловленной потерями на входном сопротивлении
Суммарная
входная мощность каскада
Коэффициент
усиления по мощности
Входная
индуктивность
Входная
ёмкость
Сопротивление,
шунтирующее входную цепь
6.
Расчёт автогенератора
Выбираем
транзистор малой мощности типа КТ316A, его параметры:
граничная
частота усиления по току f t = 800
МГц
среднее
во времени значение коэффициента усиления тока В = 20
крутизна
линии граничного режима Sгр = 10м
напряжение
отсечки Uотс = 0,5
В
ёмкость
эмиттерного перехода Сэ = 3 пФ
ёмкость
коллекторного перехода Ск = 2 пФ
постоянная
времени цепи обратной связи
τос = 150
пс
допустимое
обратное напряжение на базе Uбдоп = 4 В
допустимое
напряжение на коллекторе Uкдоп = 8 В
допустимая
высота импульса коллекторного тока ikдоп =4 мА.
допустимая
мощность рассеяния на коллекторе Pдоп = 150
мВт
Активная
часть емкости коллекторного перехода
Ско
= 0,5Ск = 0,5·3 = 1,5 пФ
Сопротивление
базы
Граничные
частоты
7.
Расчёт элементов эмиттерной коррекции
Сопротивление
корректирующей цепочки
→36Ом
Дополнительное
сопротивление базовой коррекции
Емкость
корректирующей цепочки

Сопротивление
упрощённой эмиттерной коррекции
Крутизна
переходной характеристики транзистора с коррекцией
8.
Расчет режима транзистора в автогенераторе
Выбираем
высоту импульса коллекторного тока
Выбираем
постоянное напряжение на коллекторе
выбираем
Выбираем
угол отсечки Ө =900, тогда
α0 = 0,218;
α1 = 0,319; γ0 = 0,109;
соsӨ = 0,5.
Амплитуда
1-й гармоники коллекторного тока
Постоянная
составляющая коллекторного тока
Переменное
напряжение на базе ( амплитуда 1-й гармоники)
Амплитуда
1-й гармоники напряжения на коллекторе
Сопротивление
коллекторной нагрузки
Мощность
1-й гармоники
Потребляемая
мощность
Мощность,
рассеиваемая на коллекторе
КПД
коллекторной цепи
Напряжение
смещение
Проверка:
Коэффициенты
напряженности режима
9. Расчёт колебательной системы автогенератора
Выбираем индуктивность контура и её добротность
L = 1
мкГн; Q = 120
Характеристическое сопротивление контура
Суммарная
емкость контура
Эквивалентное
резонансное сопротивление контура
Коэффициент
включения контура в коллекторную цепь
Емкость
контура со стороны коллекторной цепи
Емкость
контура со стороны базовой цепи
выбираем
С1 = 170 пФ
Емкость
контура в коллекторно-базовой цепи (последовательно с индуктивностью).
;
Этот
конденсатор берем типа КПК для подстройки контура. Чтобы сопротивление нагрузки
, пересчитанное к выходным электродам транзистора, не
снижало заметно добротность контура, принимаем
Добротность
последовательной цепочки СсвRн
Q2 =7
Емкость
связи генератора с нагрузкой

Емкость
пересчитанная параллельно емкости С2
Емкость
контура в коллекторной цепи
Выбираем
С2 = 150 пФ
10.
Расчет цепи питания
Блокировочное
сопротивление
Rбл = 5Rk = 5·138,4 = 692Ом; выбираем Rбл = 700 Ом.
Блокировочная
емкость
выбираем
Хсбл1 = 0,1 Ом
Напряжение
источника питания
Выбираем
Еп= 9 В
11.
Расчет цепи смещения
Составляющие
комбинированной схемы смещения
Напряжение
источника фиксированного смещения(от делителя напряжения источника питания)
Сопротивление
источника фиксированного смещения
Проверка
Сопротивление
автосмещения в эмиттерной цепи
Параметры
делителя напряжения
выбираем
R1 =5,6 кОм
выбираем
= 3 кОм
Блокировочная
емкость в цепи автосмещения
выбираем
Сбл2 = 13 пФ
11.
Выбор варикапа и расчет его режима
.
Выбираем варикап КВ 102 А
.
Пределы изменения емкости Сmin...Cmax=10.8...18.5 пФ
3. Добротность Q=50 f=50 МГц
4.
Допустимое обратное напряжение U доп
= 45 В
.
Степень нелинейности v=0.5
.
Относительная девиация частоты δω/ω=0.0005
.
Полоса модуляции частот 300…3400 Гц
.
Коефициент гармоник Кг=5℅
Средняя
емкость варикапа и напряжения смещения
Uво=4В
Относительное изменение емкости
варикапа
Коэфициент
вклада варикапа в суммарную емкость контура
Нормированная
амплитуда
Коефициент
включения варикапа в контур
Амплитуда
низкочастотного напряжения на варикапе
Амплитуда
первой гармоники
Емкость
связи
Питание
от Епит автогенератора
Находим
R2
Элементы схемы
|
Поз. обозн.
|
Название
|
Количество
|
Примечания
|
|
Сэ
|
К73-16 63В 400 пФ
+5% ОЖО.461.108ТУ
|
1
|
|
|
Ск
|
К73-16 63В 70 пФ +5% ОЖО.461.108ТУ
|
1
|
|
|
Свх
|
К73-16 63В 880 пФ +5% ОЖО.461.108ТУ
|
1
|
|
|
С1
|
К73-16 63В 147 пФ +5% ОЖО.461.108ТУ
|
1
|
|
|
С3
|
К73-16 63В 32 пФ +5% ОЖО.461.108ТУ
|
1
|
|
|
С
|
К73-16 63В 220 мкФ +5% ОЖО.461.108ТУ
|
2
|
|
|
Сэ1, Сэ2
|
К73-16 63В 200 пФ +5% ОЖО.461.108ТУ
|
2
|
|
|
Ск1, Ск2
|
К73-16 63В 10 пФ +5% ОЖО.461.108ТУ
|
2
|
|
|
Свх1
|
К73-16 63В 740 пФ +5% ОЖО.461.108ТУ
|
1
|
|
|
Свх2
|
К73-16 63В 18 нФ +5% ОЖО.461.108ТУ
|
1
|
|
|
Сэ3
|
К73-16 63В 2,5 пФ +5% ОЖО.461.108ТУ
|
1
|
|
|
Ск3
|
К73-16 63В 3 пФ +5% ОЖО.461.108ТУ
|
1
|
|
|
Ск0
|
К73-16 63В 1,5 пФ +5% ОЖО.461.108ТУ
|
1
|
|
|
Скор
|
К73-16 63В 4,9 пФ +5% ОЖО.461.108ТУ
|
1
|
|
|
Ссум
|
К73-16 63В 5 пФ +5% ОЖО.461.108ТУ
|
1
|
|
|
С1-1
|
К73-16 63В 110 пФ +5% ОЖО.461.108ТУ
|
1
|
|
|
С3-1
|
К73-16 63В 4,7 пФ +5% ОЖО.461.108ТУ
|
1
|
|
|
Ссв
|
К73-16 63В 23 пФ +5% ОЖО.461.108ТУ
|
1
|
|
|
С2-1
|
К73-16 63В 82 пФ +5% ОЖО.461.108ТУ
|
1
|
|
|
Сбл1
|
К73-16 63В 22 пФ +5% ОЖО.461.108ТУ
|
1
|
|
|
Сбл2
|
К73-16 63В 75 пФ +5% ОЖО.461.108ТУ
|
1
|
|
|
VT1
|
КТ940
|
1
|
|
|
VT2
|
КТ929А
|
1
|
|
|
VT3
|
КТ920А
|
1
|
|
|
VT4
|
КТ310А
|
1
|
|
|
VT5
|
КВ102А
|
1
|
|
|
Rк-1
|
С2-23-0,125 6,2 Ом+5% БАДК.4304.001ТУ
|
1
|
|
|
Rпар-1
|
С2-23-0,125 5,6 Ом+5% БАДК.4304.001ТУ
|
1
|
|
|
R1-1
|
С2-23-0,125 270
Ом+5% БАДК.4304.001ТУ
|
1
|
|
|
R2-1
|
С2-23-0,125 11,5
Ом+5% БАДК.4304.001ТУ
|
1
|
|
|
Rн-2
|
С2-23-0,125 50 Ом+5% БАДК.4304.001ТУ
|
1
|
|
|
Rк-2
|
С2-23-0,125 2,5 Ом+5% БАДК.4304.001ТУ
|
1
|
|
|
R1-2
|
С2-23-0,125 180
Ом+5% БАДК.4304.001ТУ
|
1
|
|
|
R2-2
|
С2-23-0,125 18
Ом+5% БАДК.4304.001ТУ
|
1
|
|
|
Rпосл
|
С2-23-0,125 0,91 Ом+5% БАДК.4304.001ТУ
|
1
|
|
|
Rк-3
|
С2-23-0,125 39 Ом+5% БАДК.4304.001ТУ
|
1
|
|
|
Rэ-1
|
С2-23-0,125 22 Ом+5% БАДК.4304.001ТУ
|
1
|
|
|
Rвх-1
|
С2-23-0,125 1,2 Ом+5% БАДК.4304.001ТУ
|
1
|
|
|
Rпар-2
|
С2-23-0,125 11 Ом+5% БАДК.4304.001ТУ
|
1
|
|
|
Rк-4
|
С2-23-0,125 2 кОм+5% БАДК.4304.001ТУ
|
1
|
|
|
Rэ-2
|
С2-23-0,125 110 Ом+5% БАДК.4304.001ТУ
|
1
|
|
|
Rвх-2
|
С2-23-0,125 0,3 Ом+5% БАДК.4304.001ТУ
|
1
|
|
|
Rпар-3
|
С2-23-0,125 51 Ом+5% БАДК.4304.001ТУ
|
1
|
|
|
Rкор
|
С2-23-0,125 36 Ом+5% БАДК.4304.001ТУ
|
1
|
|
|
Rэ-3
|
С2-23-0,125 75 Ом+5% БАДК.4304.001ТУ
|
1
|
|
|
R’кор
|
С2-23-0,125 240 Ом+5% БАДК.4304.001ТУ
|
1
|
|
|
Rк-5
|
С2-23-0,125 116 Ом+5% БАДК.4304.001ТУ
|
1
|
|
|
Rбл
|
С2-23-0,125 620 Ом+5% БАДК.4304.001ТУ
|
1
|
|
|
R1-3
|
С2-23-0,125 8,2 Ом+5% БАДК.4304.001ТУ
|
1
|
|
|
R2-3
|
С2-23-0,125 2,2 Ом+5% БАДК.4304.001ТУ
|
1
|
|