Расчет параметров аналого-цифрового преобразователя с неравномерной характеристикой квантования для телефонных каналов
Введение
В связи с цифровизацией сетей связи на
сегодняшний день является актуальным вопрос проектирования и разработки новых
улучшенных цифровых систем передачи.
Для получения навыков в проектировании цифровых
систем передачи необходимо разработать нетиповую систему передачи,
обеспечивающую топологию «точка-точка» и содержащую подсистемы передачи
аналоговых и дискретных сигналов. При проектировании необходимо рассчитать
параметры преобразователей аналоговых и цифровых сигналов, параметры линейного
тракта, а также разработать структуру цикла. В результате необходимо получить
структурную схему аппаратуры оконечной станции.
Курсовой проект был создан на основе
«Учебно-методических указаний по курсовому проектированию цифровых систем
передачи».
Объем данной курсовой работы 62 листа. Имеется 9
таблиц, 9 рисунков. При написании было использовано 6 литературных источников.
1.
Постановка задачи курсового проектирования
.1
Исходные данные
В данной курсовой работе необходимо
спроектировать цифровую систему передачи. Эта система должна содержать
следующие каналы (табл. 1.1):
) 24 телефонных каналов. Частоту следования
кодовых групп и число бит в кодовом слове необходимо рассчитать;
) 3 канал вещания, с частотой следования кодовых
групп 13-18 кГц и 7 битами в кодовом слове;
) 16 каналов ПДС со скоростями не больше 4,8
кбит/с, требования к соответствующим преобразователям «цифра-цифра» или кодекам
которых необходимо рассчитать;
) 4 каналов ПДС со скоростью 19,2 кбит/с; с
частотой следования кодовых групп основной 19,4-25 кГц и 4 битами в кодовом
слове;
) 64 каналов СУВ;
)Номер студенческого билета №1407244.
Таблица 1.1 - Заданные каналы цифровой системы
передачи
|
Наименование
канала
|
Наименование
параметра
|
Значение
параметра
|
|
Канал
телефонный
|
Число
каналов
|
24
|
|
Частота
следования код. гр., кГц
|
Расчет
|
|
Число
битов в код. слове, бит
|
Расчет
|
|
Канал
вещания
|
Число
каналов
|
3
|
|
Частота
следования код. гр., кГц
|
13-18
|
|
Число
битов в код. слове, бит
|
7
|
|
Канал
ПДС-4,8 кбит/с
|
Число
каналов
|
16
|
|
Частота
следования код. гр., кГц
|
Расчет
|
|
Число
битов в код. слове, бит
|
Расчет
|
|
Канал
ПДС-19,2 кбит/с
|
Число
каналов
|
4
|
|
Частота
следования код. гр., кГц осн.
|
19,4-25
|
|
Число
битов в код. слове, бит доп.
|
4
|
|
Канал
передач СУВ
|
Число
каналов
|
64
|
Для расчета параметров телефонных каналов заданы
требования к этим параметрам, представленные в таблице 1.2.
Таблица 1.2 - Заданные требования к каналам
|
Для
телефонного канала
|
|
fн, кГц
|
fв, кГц
|
∆fф, кГц
|
p1, дБм0
|
p2, дБм0
|
Pш.н., дБм0
|
aн, дБ
|
Pш.и., пВт
|
R, Ом
|
Номер
шкалы
|
|
0,2
|
4,1
|
1,0
|
-35
|
-10
|
-60
|
30
|
200
|
600
|
14
|
|
Для
каналов ПДС-4,8 кбит/с ПДС-19,2 кбит/с
|
|
δн , %
|
10
|
|
|
|
|
|
|
|
|
|
|
|
В таблице используются следующие обозначения:
fн - нижняя граница
эффективно передаваемых частот канала;
fв - верхняя граница
эффективно передаваемых частот канала;
∆fф
- ширина полосы расфильтровки фильтров, используемых в дискретизаторе и
восстановителе аналоговой формы сигнала;
p1 - нижняя граница
нормируемого диапазона уровней преобразуемого сигнала в ТНОУ;
p2 - нижняя граница
нормируемого диапазона уровней преобразуемого сигнала в ТНОУ;
aн - минимально
допустимое значение защищенности передаваемого сигнала от шумов в заданном
диапазоне изменения его уровней;
Pш.н. - допустимое
значение абсолютного уровня шумов на выходе незанятого телефонного канала или
канала вещания в ТНОУ;
Pш.и. - ожидаемое значение
средней мощности шумов в канале, возникающих из-за погрешностей изготовления
кодеков. Это значение приведено в ТНОУ и относится к полосе, равной половине
частоты дискретизации;
R - сопротивление
телефонного или канала видеотелефонной связи;
δн - предельно
допустимое значение фазовых дрожаний (краевых искажений) передаваемого
дискретного сигнала.
Синтез оптимальной шкалы квантования данный
курсовой проект в себя не включает, для него задана семисегментная шкала. В
пределах одного сегмента шаги квантования одинаковы. Шкала характеризована
отношением шага квантования каждого сегмента к шагу квантования первого
сегмента, а также отношение числа шагов в каждом сегменте к числу шагов в
первом сегменте. Параметры шкалы квантования представлены в таблице 1.3.
Таблица 1.3 - Шкала квантования для
положительной ветви квантующей характеристики
|
Сегмент
№ 2
|
Сегмент
№ 3
|
Сегмент
№ 4
|
|
    
|
|
|
|
|
|
|
2
|
1
|
4
|
3/2
|
16
|
1/2
|
В таблице используются следующие обозначения:
∆1 - шаг квантования первого сегмента;
∆2 - шаг квантования второго сегмента;
∆3 - шаг квантования третьего сегмента;
∆4 - шаг квантования четвертого сегмента;
n1 - число шагов
квантования в первом сегменте;
n2 - число шагов
квантования во втором сегменте;
n3 - число шагов
квантования в третьем сегменте;
n4 - число шагов
квантования в четвертом сегменте;
При проектировании линейного тракта в данном
варианте используется телефонный кабель, параметры которого приведены в таблице
1.4. В этой же таблице приведены параметры линейного тракта, необходимые для
проектирования цифровой системы передачи.
Таблица 1.4 - Параметры кабеля и линейного
тракта
|
α(0,5*fт.п.),
дБ/км
|
Zв, Ом
|
L, км
|
∆aз, дБ
|
Uвых, В
|
|
135300155,5
|
|
|
|
|
В таблице использованы следующие обозначения:
α(0,5*fт.п.)
- километрическое затухание кабеля;
Zв - волновое
сопротивление;
L - длина линейного
тракта проектируемой системы;
∆aз
- помехи помехозащищенности регенератора;
Pвп - абсолютный
уровень помех на входе регенератора;
Uвых - амплитуда
импульсов в кабеле на выходе регенератора.
1.2
Порядок выполнения курсового проекта
) Проектирование подсистемы аналого-цифрового
преобразования.
В данном курсовом проекте в результате
проектирования необходимо получить значения следующих параметров:
fд - частота
дискретизации преобразуемых сигналов при частоте повторения кодовых слов
(кодовых групп);
m - число бит в
кодовом слове на выходе АЦП;
Uогр - напряжение
соответствующее порогу ограничения квантующей характеристики;
aш(p)
- зависимость помехозащищенности передаваемых сигналов от их уровня в заданном
диапазоне.
Необходимо также построить график зависимости
помехозащищенности передаваемых сигналов от их уровня в заданном диапазоне.
) Проектирование подсистемы преобразований
дискретных сигналов.
В результате проектирования необходимо получить:
m - минимально
допустимое число бит в кодовых словах или кодовых группах канального цифрового
сигнала ЦСП, обеспечивающего организацию цифрового канала заданной пропускной
способности и заданного качества;
fг - частоту
повторения кодовых групп в данном цифровом канале;
η - коэффициент
использования пропускной способности цифрового канала.
) Проектирование циклов передачи.
В результате проектирования необходимо получить
значения следующих параметров:
fт - тактовая
частота цифрового группового сигнала;
fц - частота
повторения циклов;
fсц - частота
повторения сверхциклов;
Nц - число тактовых
интервалов в цикле;
Nсц - число тактовых
интервалов в сверхцикле;
η - коэффициент
использования пропускной способности проектируемой ЦСП.
Также необходимо представить структуру цикла.
) Проектирование линейного тракта.
В результате проектирования необходимо получить:
ls - предельно
допустимую длину регенерационного участка;
as - допустимое
затухание сигнала на регенерационном участке;
n - наиболее
вероятное число регенерационных участков в линейном тракте проектируемой
системы;
Uвх - амплитуду
импульсов, приведенная ко входу регенераторов;
Pl - допустимую
вероятность ошибок в передаче символов в регенерационном участке.
) Разработка структурной схемы аппаратуры
оконечной станции ЦСП.
В результате разработки должны быть получены:
а) структурная схема мультиплексора и
демультиплексора;
б) схема оконечной аппаратуры линейного тракта
передачи и приема;
в) схема генераторной аппаратуры.
2.
Передача аналоговых сигналов
.1
Расчет частоты дискретизации
Частота дискретизации должна быть выбрана таким
образом, чтобы исходный сигнал мог быть выделен в неискаженном виде из спектра
дискретизированного сигнала.
Выбор частоты дискретизации осуществляется в
соответствии с теоремой дискретизации (теоремой В.А.Котельникова), в
соответствии с которой частота дискретизации выбирается из условия:
fд ≥ 2fв
+ ∆fф, кГц, (2.1)
где fд
- частота дискретизации преобразуемых сигналов при частоте повторения кодовых
слов (кодовых групп);
fв - верхняя граница
эффективно передаваемых частот (табл. 1.2);
∆fф
- ширина полосы расфильтровки фильтров, используемых в дискретизаторе и
восстановителе аналоговой формы сигнала (табл. 1.2).
fд ≥ 2*4,1 +
1,
fд ≥ 9,2 кГц.
Если отношение верхней и нижней частот менее
двух, то частоту дискретизации можно уменьшить и выбрать из условия:
(fв
+ ∆fф/2) ≤ fд
≤ 2*(fн - ∆fф/2),
(2.2)
fн - нижняя граница
эффективно передаваемых частот (табл. 1.2).
В данном варианте это условие не выполняется,
поэтому частота дискретизации выбирается по теореме Котельникова.
Для дальнейшего проектирования и расчетов удобно
выбрать частоту дискретизации:
fд. = 9,6 кГц.
Для проверки правильности выбора частоты
дискретизации строится спектр дискретизированного сигнала, представленный на
рисунке 2.1.
Рисунок 2.1 - Спектр дискретизированного сигнала
При дальнейших расчетах необходимо будет также
использовать значение ширины спектра преобразуемого сигнала, которое
рассчитывается по формуле:
∆f
= fв - fн,
кГц, (2.3)
∆f
= 4,1 - 0,2 = 3,9 кГц
2.2
Расчет числа бит в кодовом слове
При расчете числа бит в кодовом слове первым
шагом является нахождение величины порогового напряжения и шага квантования в
первом сегменте.
Расчет значения шага квантования в первом
сегменте для телефонного канала производится по допустимому уровню шумов в
незанятом канале и по допустимой защищенности сигналов от шумов на выходе
канала.
Для дальнейших расчетов необходимо перевести
допустимое значение абсолютного уровня шумов на выходе незанятого канала из дБ
в Вт:
, мВт, (2.4)
где pш.н. -
допустимое значение абсолютного уровня шумов на выходе незанятого канала в дБ
(табл. 1.2).
Сначала производится расчет шага
квантования в первом сегменте по допустимому уровню шумов в незанятом канале:
, (2.5)
где fд - частота
дискретизации преобразуемых сигналов при частоте повторения кодовых слов
(кодовых групп) (2.1);
∆f - ширина
спектра преобразуемого сигнала (2.3);
Pш.н. -
допустимое значение абсолютного уровня шумов на выходе незанятого канала в Вт
(2.4);
Pш.и. -
ожидаемое значение средней мощности шумов в канале, возникающих из-за
погрешностей изготовления кодеков в Вт (табл. 1.2);
R - сопротивление
телефонного канала (табл. 1.2).
.
Расчет по допустимому уровню шумов
на выходе канала производится по формуле:
, В, (2.6)
где ∆1 - шаг квантования в
первом сегменте;
R -
сопротивление телефонного канала (табл. 1.2);
fд - частота
дискретизации преобразуемых сигналов при частоте повторения кодовых слов
(кодовых групп) (2.1);
∆f - ширина
спектра преобразуемого сигнала (2.3);
p1 - нижняя
граница нормируемого диапазона уровней преобразуемого сигнала в ТНОУ (табл.
1.2);
aн -
минимально допустимое значение защищенности передаваемого сигнала от шумов в
заданном диапазоне изменения его уровней (табл. 1.2);
Pш.и. -
ожидаемое значение средней мощности шумов в канале, возникающих из-за
погрешностей изготовления кодеков (табл. 1.2).
Так как значение шага квантования,
рассчитанное по допустимой защищенности сигналов от шумов на выходе канала
меньше, то для последующих расчетов используется это значение.
Для расчета значения напряжения
сначала необходимо определить эффективное напряжение, соответствующее верхней
границе динамического диапазона сигнала. Для его определения можно использовать
следующую формулу:
, В,
(2.7)
где p2 - верхняя
граница нормируемого диапазона уровней преобразуемого сигнала в ТНОУ (табл.
1.2);
R -
сопротивление телефонного канала.
.
Напряжение ограничения
рассчитывается по формуле:
(2.8)
где Uэфф2 -
эффективное напряжение на верхней границе динамического диапазона (2.7).
.
Для расчета количества битов в кодовом
слове необходимо знать параметры шкалы квантования, шаг квантования первого
сегмента и значение напряжения ограничения. Для последующих расчетов необходимо
знать коэффициент λ,
который
определяется параметрами шкалы квантования:
(2.9)
где N - число
сегментов в положительной ветви квантующей характеристики (табл. 1.3);
- отношение шага квантования k-го сегмента
к шагу квантования первого сегмента (табл. 1.3);
- отношение числа шагов квантования
k-го сегмента
к числу шагов квантования первого сегмента (табл. 1.3).
Расчета количества битов в кодовом
слове производится по формуле:
, (2.10)
где Uогр -
напряжение ограничения сигнала (2.8);
λ - коэффициент, определяемый
параметрами шкалы квантования (2.9);
∆1 - величина шага квантования
первого сегмента (2.6).
.
Далее необходимо рассчитать новое
значение шага квантования первого сегмента шкалы квантования:
,
(2.11)
где Uогр -
напряжение ограничения сигнала (2.8);
λ - коэффициент, определяемый
параметрами шкалы квантования (2.9);
m - число бит
в кодовом слове (2.10).
.
Зная величину шага квантования
первого сегмента и параметры шкалы квантования, можно рассчитать значения шагов
квантования остальных сегментов:
, (2.12)
где ∆1 - шаг квантования
первого сегмента (2.11);
- отношение шага квантования k-го сегмента
к шагу квантования первого сегмента (табл. 1.3).
Для расчета значения напряжения
верхней границы первого сегмента используется формула:
(2.13)
где N - число
сегментов в положительной ветви квантующей характеристики (табл. 1.3);
- отношение шага квантования k-го сегмента
к шагу квантования первого сегмента (табл. 1.3);
- отношение числа шагов квантования
k-го сегмента
к числу шагов квантования первого сегмента (табл. 1.3);
Uогр -
напряжение ограничения сигнала (2.8).
.
Для расчета остальных значений
напряжений, соответствующих верхним границам сегментов используется формула:
(2.14)
где j - номер
сегмента, для которого рассчитывается напряжение;
- отношение шага квантования k-го сегмента
к шагу квантования первого сегмента (табл. 1.3);
- отношение числа шагов квантования
k-го сегмента
к числу шагов квантования первого сегмента (табл. 1.3);
U1 -
напряжение верхней границы первого сегмента (2.13).
В
Так как используется семисегментная
шкала квантования, которая имеет четыре сегмента в положительной области, то:
U4 = Uогр, В, (2.15)
U4 = 0,98 В.
где Uогр
- напряжение ограничения сигнала (2.8).
Следующим этапом расчетов является построение
графика зависимости защищенности от значения уровня сигнала. Для этого
выбираются пять значений уровней сигнала:
, дБ, (2.16)
где p1 - нижняя
граница нормируемого диапазона уровней преобразуемого сигнала в ТНОУ (табл.
1.2);
p2 - нижняя
граница нормируемого диапазона уровней преобразуемого сигнала в ТНОУ (табл. 1.2).
дБ
Для каждого уровня сигнала
динамического диапазона необходимо рассчитать значения эффективного напряжения:
, (2.17)
где pci - уровень
сигнала динамического диапазона, для которого находится значение эффективного
напряжения (2.16);
R -
сопротивление телефонного канала (табл. 1.2).
,
,
,
,
При использовании реальных кодеков с
сегментными шкалами квантования основными составляющими шумов являются:
шумы, вызванные попаданием
преобразуемого сигнала в зону сегмента 1; вероятность этого события обозначим
W1;
шумы, вызванные попаданием преобразуемого
сигнала в зоны сегментов 2,3 и 4; вероятности этих событий обозначим
соответственно W2, W3 и W4;
шумы, вызванные попаданием
преобразуемого сигнала в зону ограничения квантующей характеристики;
шумы, вызванные погрешностями
изготовления цифровых узлов.
Если принять, что распределение
вероятностей случайных сигналов нормальное со среднеквадратическим значением
равным эффективному значению напряжения, то значения вероятностей попадания в
сегменты рассчитываются по следующим формулам:
, (2.18)
, (2.19)
, (2.20)
(2.21)
где U1 -
напряжение верхней границы первого сегмента (2.13);
U2 -
напряжение верхней границы второго сегмента (2.14);
U3 -
напряжение верхней границы третьего сегмента (2.14);
U4 -
напряжение верхней границы четвертого сегмента (2.14);
Uci -
эффективное значение напряжения при соответствующем уровне динамического
диапазона (2.17).
Сначала необходимо рассчитать
значения вероятностей попадания сигнала в сегменты для первого значения уровня
динамического диапазона (i = 1):
Uci = Uc1, (2.22)
где Uc1 -
эффективное значение напряжения для первого значения уровня динамического
диапазона (2.17).
Для этого же уровня рассчитывается
величина ошибки ограничения:
, В, (2.23)
где Uci -
эффективное значение напряжения при соответствующем уровне динамического
диапазона (2.17);
Uогр -
напряжение ограничения сигнала (2.8).
.
Теперь можно определить полную
мощность шумов на выходе канала в ТНОУ при передаче сигнала в случае
использования семисегментной шкалы квантования:
, (2.24)
где W1 - шумы,
вызванные попаданием преобразуемого сигнала в зону сегмента 1 (2.18);
W2 - шумы,
вызванные попаданием преобразуемого сигнала в зону сегмента 2 (2.19);
W3 - шумы,
вызванные попаданием преобразуемого сигнала в зону сегмента 3 (2.20);
W4 - шумы,
вызванные попаданием преобразуемого сигнала в зону сегмента 4 (2.21);
∆1 - шаг квантования первого
сегмента (2.11);
∆2 - шаг квантования второго
сегмента (2.12);
∆3 - шаг квантования третьего
сегмента (2.12);
∆4 - шаг квантования
четвертого сегмента (2.12);
∆огр - ошибка ограничения
(2.23);
R -
сопротивление телефонного канала (табл. 1.2);
Pш.и. -
ожидаемое значение средней мощности шумов в канале, возникающих из-за
погрешностей изготовления кодеков (табл. 1.2);
∆f - ширина
спектра преобразуемого сигнала (2.3);
fд - частота
дискретизации преобразуемых сигналов при частоте повторения кодовых слов
(кодовых групп) (2.1).
.
Используя найденное значение
мощности шумов, можно рассчитать величину помехозащищенности:
, (2.25)
где Uci -
эффективное значение напряжения при соответствующем уровне динамического
диапазона (2.17);
Pш - полная
мощность шумов на выходе канала при данном значении уровня динамического диапазона
(2.24);
R -
сопротивление телефонного канала (табл. 1.2).
.
Аналогичные вычисления проведем для
остальных четырех уровней.
Для уровня
В
В.
.
.
Для уровня
В:
В
дБ.
Для уровня
В:
В.
.
Для уровня
:

.
.
Полученные значения необходимо
сравнить с заданным значением допустимой защищенности сигнала. В динамическом
диапазоне должно выполняться условие:
aш ≥ aн, (2.26)
где aш - значение
защищенности передаваемого сигнала от шумов при данном уровне динамического
диапазона (2.25);
aн -
минимально допустимое значение защищенности передаваемого сигнала от шумов в
заданном диапазоне изменения его уровней (табл. 1.2).
Результаты вычислений приведены в
таблице 2.1.
Таблица 2.1 - Результаты расчетов
для разных значений уровней сигнала при m=8
|
pci, Вт
|
Uci, В
|
W1
|
W2
|
W3
|
W4
|
,ВPш, нВтaш, дБ
|
|
|
|
-45
|
0,00775
|
1
|
0
|
0
|
0
|
0
|
 
|
|
|
-40
|
0,01378
|
0,99992
|
0,00008
|
0
|
0
|
0
|

|
|
|
-22,5
|
0,05812
|
  00
|
|
|
|
|
|
|
|
-10
|
0,24508
|
     
|
|
|
|
|
|
|
|
-5
|
0,43581
|
     
|
|
|
|
|
|
|
В таблице:
pci - уровень
сигнала динамического диапазона (2.16);
Uci -
эффективное значение напряжения при соответствующем уровне динамического
диапазона (2.17);
W1 - шумы, вызванные
попаданием преобразуемого сигнала в зону сегмента 1 (2.18);
W2 - шумы, вызванные
попаданием преобразуемого сигнала в зону сегмента 2 (2.19);
W3 - шумы, вызванные
попаданием преобразуемого сигнала в зону сегмента 3 (2.20);
W4 - шумы, вызванные
попаданием преобразуемого сигнала в зону сегмента 4 (2.21);
∆огр - ошибка ограничения (2.23);
Pш - полная мощность
шумов на выходе канала при данном значении уровня динамического диапазона
(2.24);
aш - значение
защищенности передаваемого сигнала от шумов при данном уровне динамического
диапазона (2.25).
Теперь необходимо построить график зависимости
защищенности сигнала от величины его уровня (рис. 2.2).
Рисунок 2.2 - График зависимости защищенности
сигнала от величины его уровня
На графике хорошо видно, что значение
защищенности сигнала в динамическом диапазоне больше минимально допустимого.
Таким образом, при расчете канала передачи
аналоговых сигналов выбрано число бит в кодовом слове равное 9, частота
дискретизации 9,6 кГц, рассчитано значение напряжения ограничения, которое
составило 0,98 В и построен график зависимости защищенности сигнала от величины
его уровня, который удовлетворяет требованиям к защищенности сигнала.
3.
Передача дискретных сигналов
При расчете параметров каналов передачи
дискретных сообщений необходимо проанализировать три способа кодирования и выбрать
один из них по результатам сравнения тактовых частот.
3.1
Расчет параметров подсистемы преобразования дискретных сигналов при
использовании способа наложения
При использовании способа кодирования амплитуд
число бит в кодовых группах равно единице:
m = 1. (3.1)
Минимальное значение частоты следования кодовых
групп зависит от частоты следования символов дискретных сигналов и заданной
величины фазовых дрожаний:
, кГц, (3.2)
где fс - частота следования символов
дискретных сигналов, для двоичных сигналов она численно равна скорости (табл.
1.2);
δн - предельно допустимое
значение фазовых дрожаний (краевых искажений) передаваемого дискретного сигнала
(табл. 1.2).
кГц.
Коэффициент использования пропускной
способности цифрового канала рассчитывается по формуле:
, (3.3)
где fс - частота следования символов
дискретных сигналов, для двоичных сигналов она численно равна скорости (табл.
1.2);г - минимальное значение частоты следования кодовых групп (3.2).
.
3.2
Расчет параметров подсистемы преобразования дискретных сигналов при
использовании способа скользящего индекса
Способ скользящего индекса основан на передаче
информации о временных положениях фронта дискретного сигнала в двоичном коде.
Эта информация передается с помощью кодовых групп, состоящих не менее чем из
трех символов. При использовании этого способа минимальное значение частоты
следования кодовых групп принимается равным частоте следования символов
дискретных сигналов:
г = fс, кГц , (3.4)
где fс - частота следования символов дискретных
сигналов, для двоичных сигналов она численно равна скорости (табл. 1.2).
г = 4,8 кГц.
Величина фазовых дрожаний рассчитывается по
формуле:
, (3.5)
где m - число бит
в кодовом слове.
Значение числа бит в кодовом слове
выбирается из условия:
δ ≤ δн, (3.6)
где δ - величина
фазовых дрожаний (3.5);
δн - предельно допустимое
значение фазовых дрожаний (краевых искажений) передаваемого дискретного сигнала
(табл. 1.2).
Число бит в кодовом слове при
использовании данного способа кодирования равно четыре, поэтому:
,0625 < 0,1.
Условие (3.6) выполняется, число бит
в кодовом слове четыре. Это число бит и будем использовать, так как оно
удовлетворяем требованию
δ ≤ δн
Коэффициент использования пропускной
способности канала может быть рассчитан по формуле:
, (3.7)
где m - число бит
в кодовом слове.
.
3.3
Расчет параметров подсистемы преобразования дискретных сигналов при
использовании способа фиксированного индекса
Способ фиксированного индекса также основан на
передаче информации о временных положениях фронта дискретного сигнала кодовых
групп, состоящих не менее чем из трех символов.
При использовании этого способа минимальное
значение частоты следования кодовых групп также принимается равной частоте
следования символов дискретных сигналов:
г = fс, кГц, (3.8)
где fс - частота следования символов дискретных
сигналов, для двоичных сигналов она численно равна скорости (табл. 1.2).
г = 4,8 кГц.
Величина фазовых дрожаний рассчитывается по
формуле:
,
(3.9)
где m - число бит
в кодовом слове.
Значение числа бит в кодовом слове
выбирается из условия:
δ ≤ δн,
(3.10)
где δ - величина
фазовых дрожаний (3.9);
δн - предельно допустимое
значение фазовых дрожаний (краевых искажений) передаваемого дискретного сигнала
(табл. 1.2).
Число бит в кодовом слове при
использовании данного способа кодирования равно четыре, поэтому:
,15 ≥ 0,0667.
Условие (3.11) выполняется, значит
число бит в кодовом слове выбирается равным пяти. Коэффициент использования
пропускной способности канала может быть рассчитан по формуле:
,
(3.12)
где m - число бит
в кодовом слове.
.
3.4
Выбор способа кодирования
Для выбора способа кодирования необходимо знать
значения тактовых частот для каждого метода. Их можно найти по следующим
формулам для способа наложения, скользящего и фиксированного индексов
соответственно:
(3.13)
(3.14)
(3.15)
где Nт - число
телефонных каналов (табл. 1.2);
mт - число
бит в кодовом слове телефонного канала (рассчитано в предыдущем разделе);
fт - частота
следования кодовых групп телефонного канала (рассчитано в предыдущем разделе);
Nв - число
каналов вещания (табл. 1.2);
mв - число
бит в кодовом слове канале вещания (табл. 1.2);
fв - частота
следования кодовых групп канала вещания (табл. 1.2);
NПДС-19,2 -
число каналов ПДС-19,2 (табл. 1.2);
mПДС-19,2 -
число бит в кодовом слове канала ПДС-19,2 (табл. 1.2);
fПДС-19,2 -
частота следования кодовых групп канала ПДС-19,2;
NПДС-4,8 -
число каналов ПДС-4,8 (табл. 1.2);
mн - число
бит в кодовом слове канала ПДС-4,8 при использовании способа наложения (3.1);
fг.н. -
минимальная частота следования кодовых групп канала ПДС-4,8 при использовании
способа наложения (3.2);
mСИ - число
бит в кодовом слове канала ПДС-4,8 при использовании способа скользящего
индекса;
fг.СИ -
минимальная частота следования кодовых групп канала ПДС-4,8 при использовании
способа скользящего индекса (3.4);
mФИ - число
бит в кодовом слове канала ПДС-4,8 при использовании способа фиксированного
индекса;
fг.ФИ -
минимальная частота следования кодовых групп канала ПДС-4,8 при использовании
способа фиксированного индекса (3.8)
Для выбора способа кодирования
используется неравенство:
, (3.16)
где fт.н. -
ориентировочная тактовая частота при использовании метода наложения (3.13);
fт.СИ -
ориентировочная тактовая частота при использовании метода скользящего индекса
(3.14).
Так как условие (3.16) не
выполняется, выбор ограничивается способами СИ и ФИ, из которых согласно
методике предпочтение в данной ситуации отдается способу СИ.
Таким образом, для канала ПДС-4,8
получены следующие параметры:
fг.=4,8 кГц,
m = 4,
η = 0,25,
fт.СИ.=
3067,2кГц.
4.
Цикл передачи
.1
Начальные параметры
В таблице 4.1 приведены начальные параметры
каналов, которые будут необходимы для последующих расчетов.
Таблица 4.1 - Начальные параметры заданных
каналов
|
Тип
канала
|
Число
каналов
|
min fгi, кГц
|
max fгi, кГц
|
|
Канал
телефонный
|
24
|
9,2
|
|
|
Канал
вещания
|
3
|
13
|
18
|
|
Канал
ПДС-4,8 кбит/с
|
16
|
4,8
|
|
|
Канал
ПДС-19,24 кбит/с
|
4
|
19,4
|
25
|
В таблице используются следующие обозначения:
min
fгi
- минимальное значение частоты следования кодовых групп;
max
fгi - максимальное
значение частоты следования кодовых групп.
От того, каким образом построен цикл передачи,
зависят такие важные параметры ЦСП, как скорость передачи, время поиска и
вхождения в синхронизм при сбое синхронизации, коэффициент использования
пропускной способности цифрового группового тракта и т.д.
Число битов в цикле и число циклов в сверхцикле
ограничены:
ц ≤ 2000, (4.1)ц.сц
≤ 70, (4.2)
где Nц - число битов в цикле;ц.сц- число циклов
в сверхцикле.
Для расчета ориентировочного минимального числа
битов в цикле можно использовать формулу:
, (4.3)
где fт -
ориентировочное значение тактовой частоты группового цифрового сигнала,
выбранное при определении способа кодирования в предыдущем пункте;
fц - частота
повторения циклов, равная наименьшему значению частоты повторения кодовых групп
из всех частот, представленных в таблице 4.1.
.
Так как это значение меньше 2000, то
групповой сигнал необходимо создавать на основе циклов и сверхциклов.
4.2
Расчет параметров и разработка структуры цикла
Для расчетов необходимо определить область
разрешенных значений частот повторения циклов и сверхциклов:
, (4.4)
, (4.5)
где fт -
ориентировочное значение тактовой частоты группового цифрового сигнала,
выбранное при определении способа кодирования в предыдущем пункте;
fц - частота
повторения циклов;
min(minfгi) -
наименьшее значение частоты повторения кодовых групп из всех частот,
представленных в таблице 4.1 (для частоты повторения сверхциклов с учетом также
каналов СУВ);
fсц - частота
повторения сверхциклов.
,2 / 2000 ≤ fц ≤
70·4,8
,53 кГц ≤ fц ≤
336 кГц.
,5 кГц ≤ fсц ≤ fц.
При выборе частот повторения циклов
и сверхциклов необходимо учитывать следующие условия:
, для fгi ≥ fц, (4.6)
, для fгi ≤ fц, (4.7)
, (4.8)
где ni - целые
числа;
fгi - частоты
повторения кодовых групп, выбранные из промежутков [min fгi; max fгi];
fц - частота
повторения циклов;
fсц - частота
повторения сверхциклов;
Nц.сц. -
число циклов в сверхцикле (целое число).
Частоты повторения циклов и сверхциклов
можно выбрать:
fц = 4,8кГц. (4.9)
fсц = 2,4
кГц. (4.10)
Тогда можно записать значения n и найти
число циклов в сверхцикле по (4.6)-(4.8):
,
Для расчета количества занимаемых
тактовых интервалов цикла и сверхцикла в случае (4.6) используются формулы:
(4.11)
.
(4.12)
где Ni - число
каналов данного типа (табл. 4.1);
mi - число
бит в кодовом слове канала данного типа (табл. 4.1);
ni -
отношение частоты повторения группового сигнала и частоты повторения цикла
соответствующего канала (4.6),
Nц.сц. -
число циклов в сверхцикле (4.8);
Nцi - число
бит в цикле для данного канала (4.11).
Nтел. = 24*9*2 = 432
Nв. = 3*7*3 = 63
Nц.ПДС-4,8 = 16*4*1
= 64
Nц.ПДС-19,2 = 4*4*5
= 80
Nсц.тел. = 2*432
=864
Nсц.в. = 2*63 =126
Nсц.ПДС-4,8 = 2*64
=128
Nсц.ПДС-19,2 = 2*80
=160
Для синхронной работы приемника и передатчика
необходимо ввести сигналы синхронизации: цикловой, которые передаются в начале
каждого цикла, и сверхцикловой, которые передаются только в первом цикле каждого
сверхцикла.
N ц.синхр = 8,
Nц. сц.синхр
=2*8=16,
Nсц. ц.синхр. = 8,
Для расчета минимально необходимого числа
тактовых интервалов в цикле используется формула:
, (4.13)
.
Необходимо рассчитать коэффициент
использования пропускной способности цифровой системы передачи. Для этого нужно
знать число битов в сверхцикле:
Nсц. =
·Nц.сц, (4.14)
где Nц. - число
тактовых интервалов в цикле ;
Nц.сц - число
циклов в сверхцикле .
Коэффициент использования пропускной
способности канала рассчитывается по формуле:
, (4.15)
где Nсц - число
битов в сверхцикле (4.15);
Nсц.ц.синхр -
число битов сигналов цикловой синхронизации в сверхцикле ;
Nсц.сц.синхр
- число битов сигналов сверхцикловой синхронизации в сверхцикле;
Nсв. - число
свободных тактовых интервалов в сверхцикле.
.
Для того чтобы коэффициент
использования пропускной способности не превышал значения 0,94, можно увеличить
число тактовых интервалов в цикле, например, до 1440. Тогда:
.
Таким образом, для построения циклов
необходимо учитывать, что сверхцикл содержит 2 цикла, а каждый цикл - по 630
тактовых интервалов. Длительность сверхцикла можно рассчитать по формуле:
, мс, (4.16)
где fсц - частота
повторения сверхциклов (4.10).
мс.
Эти параметры удовлетворяют
требованиям, предъявляемым к циклу и сверхциклу:
1) длительность сверхцикла не должна превышать
(2-3)мс;
2) число бит в цикле и циклов в сверхцикле:
Nц ≤ 2000,
Nсц ≤ 70.
Для расчета тактовой частоты цифрового
группового сигнала можно использовать следующую формулу:
(4.17)
Таким образом, при проектировании
циклов были рассчитаны значение тактовой частоты (3456 кГц), коэффициент
использования пропускной способности системы (0,932), частота повторения циклов
(4,8 кГц) и сверхциклов (2,4 кГц).
Для удобства распределения циклов и
тактовых интервалов построим таблицу:
Таблица 4.1. Распределение циклов
|
n
|
1-8
|
9-224
|
225-440
|
441-461
|
462-482
|
483-503
|
504-567
|
568-583
|
584-599
|
600-615
|
616-631
|
632-647
|
648-679
|
640-687
|
688-720
|
|
|
1
|
8
|
216
|
216
|
21
|
21
|
21
|
64
|
16
|
16
|
16
|
16
|
16
|
32
|
8
|
33
|
720
|
|
n
|
1-8
|
9-224
|
225-440
|
441-461
|
462-482
|
483-503
|
504-567
|
568-583
|
584-599
|
600-615
|
616-631
|
632-647
|
648-679
|
|
680-720
|
|
|
2
|
8
|
216
|
216
|
21
|
21
|
21
|
64
|
16
|
16
|
16
|
16
|
16
|
32
|
|
41
|
720
|
|
Цикл.
синхр.
|
Телефонный
|
Вещания
|
ПДС-4,8
|
ПДС-19,2
|
СУВ
|
Сверхц.
Синх
|
Свободные
|
Min Nц
|
|
|
|
|
|
|
|
|
|
|
|
|
|
|
|
|
|
|
Полученные значения можно свести в таблицу 4.2,
в которой также представлена структура циклов.
Таблица 4.2 - Параметры цифровой системы передачи
|
Тип
канала
|
Число
каналов
|
min fгi, кГц
|
max fгi, кГц
|
fгi, кГц
|
fгi, бит
|
Nц.i
|
Nсц.i
|
Номера
тактовых интервалов в цикле
|
Номера
циклов
|
2
|
3
|
4
|
5
|
6
|
7
|
8
|
9
|
10
|
|
Телефонный
|
24
|
9,2
|
|
9,6
|
|
432
|
864
|
9-224
225-440
|
1-2
1-2
|
|
Вещания
|
3
|
13
|
18
|
14,4
|
7
|
63
|
126
|
441-461
462-482 483-503
|
1-2
1-2 1-2
|
|
ПДС-4,8
|
16
|
|
|
4,8
|
4
|
24
|
128
|
504-567
|
1-2
1-2
|
|
ПДС-19,2
|
4
|
19,4
|
25
|
24
|
4
|
80
|
160
|
568-583
584-599 600-615 616-631 632-647
|
1-2
1-2 1-2 1-2 1-2
|
|
Цикл.
синхр.
|
1
|
|
|
4,8
|
8
|
8
|
16
|
1-8
|
1-2
|
|
Сверхциклсинхр.
|
1
|
|
|
2,4
|
|
|
8
|
640-687
|
1
|
|
СУВ
|
64
|
|
|
0,5
|
1
|
|
64
|
648-679
|
1-2
|
|
Свободные
|
|
|
|
|
|
|
74
|
688-720
680-687
|
1-2
2
|
В таблице используются следующие обозначения:
min
fгi
- минимальное значение частоты следования кодовых групп;
max
fгi - максимальное
значение частоты следования кодовых групп;
fгi,кГц
- выбранное значение частоты следования кодовых групп;
fгi,бит - число бит
в кодовых группах;
Nцi - число бит в
цикле каналов;
Nсц.i- число
тактовых интервалов в сверхциклах каналов.
Структура цикла, представлена на рисунке 4.1.
Рисунок 4.1 - Структура цикла
На рисунке СЦ - сверхциклы;
Ц - циклы;
Р - тактовые интервалы.
5.
Линейный тракт
Расчет линейного тракта в данном проекте
упрощен. В частности, полагается, что все виды помех в линии, включая
переходные, имеют нормальный или гауссовский закон распределения вероятностей
мгновенных значений. Полагается также, что потери помехозащищенности
регенератора не зависят от характеристик используемого корректора (т.е. от
фактической длины регенерационного участка). Процесс проектирования имеет
итерационный характер.
Так как в данной работе используется телефонный
кабель, то целесообразно при кодировании использовать код 4В3Т, который
уменьшает тактовую частоту, что приводит к увеличению длины регенерационного
участка:
(5.1)
где fт - значение
тактовой частоты.
кГц.
5.1
Расчет амплитуды на входе регенератора
Помехи, приведенные ко входу регенератора,
складываются из шумов термического происхождения участка линии и внешних помех.
Эффективное значение напряжения помех, приведенное ко входу регенератора:
(5.2)
где fт.л. -
значение тактовой частоты в линии, подставляемое в МГц (5.1);
Zв - волновое
сопротивление (табл. 1.4).
В.
Защитный интервал определяющим
образом влияет на вероятность ошибок в передаче символов в пределах одного
регенерационного участка. С другой стороны, допустимое значение вероятности
ошибок в пределах одного регенерационного участка зависит от принятых норм на
достоверность передачи битов по линейному тракту и от числа регенераторов,
установленных в тракте. Чрезмерно сложный характер обеих зависимостей ведет к
необходимости проведения расчетов итерационного характера.
На первом этапе значение вероятности
принимается:
(Pl)1 =
8*10-10.
Это значение обеспечивается, если
отношение защитного интервала и напряжения помехи составляет:
. (5.3)
В
Для реального регенератора амплитуда
импульса на входе составляет:
, В (5.4)
где
- отношение защитного интервала и
напряжения помехи (5.3);
Uп -
эффективное напряжение помех (5.2);
∆aз - потери
помехозащищенности регенератора (табл. 1.4).
В.
5.2
Расчет затухания импульсного сигнала на регенерационном участке наибольшей
длины
В ЦСП длина любого регенерационного участка
должна быть меньше некоторого предельно допустимого значения. Незначительное
превышение длины приводит к чрезвычайно резкому возрастанию вероятности ошибок.
Предельно допустимое наибольшее затухание
импульсов на регенерационном участке может быть рассчитано по формуле
дБ, (5.5)
где Uвых - амплитуда импульсов в
кабеле на выходе регенератора (табл. 1.4);
(Uвх)1 - амплитуда импульсов на
входе регенератора (5.4).
дБ.
5.3
Расчет предельно допустимой длины регенерационного участка
При расчете предельно допустимой длины
регенерационного участка используется формула:
км, (5.6)
где (as)1 -
затухание импульсного сигнала на регенерационном участке (5.5);(0,5*fт.л) -
километрическое затухание кабеля, рассчитанное по формуле, приведенной в
таблице 1.4 для заданного типа кабеля, на частоте f=0,5*fт.л (МГц).
км.
При проектировании линейного тракта
удобно взять за строительную длину участок 3,6 км.
.4
Расчет допустимой вероятности ошибок в передаче символов на регенерационном
участке предельно допустимой длины
Проектирование линейных трактов ЦСП может
выполняться из расчета, что суммарная, результирующая вероятность ошибок на
трактах длиной 10000 км не должна превышать 10-6. Такие же требования предъявляются
к линейному тракту. Это означает, что:
(5.7)
где (ls)1 -
предельно допустимая длина регенерационного участка (5.6);
к - коэффициент размножения ошибок,
величина которого зависит от кода в линии. Для кода 4В3Т составляет 1.25.
.
5.5
Требования к защитному интервалу на этапе итерации (i+1)
Для очередного этапа итерации:
, (5.8)
где (Pl)i+1 -
допустимая вероятность ошибок в передаче символов на регенерационном участке
предельно допустимой длины (5.7).
В.
Для этого значения отношения
защитного интервала и напряжения помехи аналогичным образом рассчитываются
значения амплитуды на выходе регенератора, затухания импульсного сигнала и
предельно допустимая длина регенерационного участка.
В,
дБ.
км.
Расчет следует закончить в тот
момент, когда:
, (5.9)
.
Условие (5.9) выполняется, значит,
расчет может быть окончен.
Таким образом, по результатам
расчетов:
ls = 3,6 км,
as = 98дБ,
Uвх =
В,
Pl =
Вт.
При расчете количества регенераторов
на магистрали заданной длины следует помнить, что длины регенерационных
участков не могут превышать предельно допустимое значение, рассчитанное выше,
но могут иметь меньшие значения, поэтому:
,
(5.11)
где L - длина
линейного тракта проектируемой системы (табл. 1.4);
ls - предельно
допустимая длина регенерационного участка (5.6).
.
Следовательно, при проектировании
необходимо установить не более 88 регенерационных пунктов через расстояния, не
превышающие 3,6 км.
6.
Структурная схема аппаратуры оконечной станции
.1
Структурная схема мультиплексора и демультиплексора
Схема мультиплексора в данном курсовом проекте
должна содержать аналого-цифровые преобразователи и кодеры для подсистем
аналоговых сигналов и кодеры для подсистем передачи дискретных сигналов. На
вход мультиплексора должны подаваться сигналы четырех типов: телефонный,
вещания, ПДС-4,8, ПДС-19,2
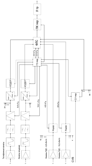
На рисунке 6.1 представлена структурная схема
мультиплексора.
Рисунок 6.1 - Структурная схема мультиплексора
На схеме :
усилитель;
ограничитель амплитуды;
полосовой фильтр;
модулятор;
преобразователь АИМ-1/АИМ-2;
кодер;
СУ пер - согласующее устройство передающей
части;
ГОпер - генераторное оборудование передающей
части;
ФЛС - формирователь линейного сигнала;
Аналоговые сигналы поступают на усилитель и
ограничитель амплитуд, защищающий дальнейшие узлы оборудования от импульсных
помех. Далее на полосовой фильтр и амплитудно-импульсный модулятор. Полосовой
фильтр ограничивает полосу сигнала, что обеспечивает безыскаженное
восстановление сигнала на приеме.
Амплитудно-импульсный модулятор (АИМ)
дискретизирует поступающий сигнал. Его работой управляет соответствующая номеру
канала последовательность канальных импульсов, поступающая от генераторного
оборудования передачи (ГО пер).
АИМ-сигналы, смещенные друг относительно друга
во времени согласно принципу временного разделения каналов, объединяются в
групповой поток, в формате амплитудно-импульсной модуляции первого рода (АИМ-1)
и поступают на вход преобразователя АИМ-1/АИМ-2 (амплитудно-импульсная
модуляция второго рода).
Формат АИМ-2 (плоские вершины импульсов)
необходим для удержания неизменным напряжения, соответствующего тому или иному
мгновенному значению аналогового сигнала, на время его обработки кодером.
В кодере производится кодирование сигнала с
числом бит в кодовом слове, равным m,
для каждого канала это число свое. На выходе кодера наблюдается цифровой
сигнал.
Дискретный сигнал усиливается, после чего отчеты
сигналов из разных каналов одного типа объединяются в один групповой поток и
далее идут в кодер (аналогично аналоговым сигналам, за исключением
дискретизации, тк они уже дискретны).
Сигналы управления и взаимодействия подаются на
согласующее устройство, где они дискретизируются с частотой 500 Гц и подаются
на формирователь группового сигнала, тем самым входя в групповой поток.
После того как сигналы преобразовались в
цифровой вид, они поступают на вход формирователя линейного сигнала. Туда же на
отдельные входы поступают сигналы цикловой и сверхцикловой синхронизации. В ФЛС
происходит распределение сигналов различных каналов по циклу в соответствии с
заданной структурой цикла.
С выхода ФЛС линейный сигнал поступает на преобразователь
кода передачи (ПК пер). Преобразователь кода предназначен для преобразования
натурального симметричного кода в линейный, принятый в данной ЦТС. Далее сигнал
через линейный трансформатор Л Тр, позволяющий ввести в линию ток
дистанционного питания (ДП) поступают в кабель.
Мультиплексор содержит также генераторную
аппаратуру, которая выдает необходимые частоты, в том числе и сигналы
синхронизации.
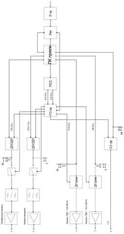
На приеме происходит операция обратная операции
в передатчике: групповой цифровой сигнал преобразовывается в аналоговые и
дискретные сигналы разных каналов. Эта операция производится в
демультиплексоре.
На рисунке 6.2 представлена структурная схема
демультиплексора.
Рисунок 6.2 Структурная схема демультиплексора
Сигнал, пришедший из линии, через линейный
трансформатор поступает на регенератор, который осуществляет регенерацию
сигнала - восстановление его формы и временных соотношений. Восстановленный
сигнал поступает на преобразователь кода, в котором происходит преобразование
линейного кода сигнала в натуральный симметричный. К выходу ПК пр подключены:
приемник синхросигналов ПСС, который
обеспечивает работу системы цикловой и сверхцикловой синхронизации;
декодер, который преобразует канальные сигналы
ИКМ в АИМ сигналы;
приемные части согласующих устройств, которые
выделяют и преобразуют в исходную форму сигналы управления и взаимодействия
соответствующих каналов;
приемник дискретной информации, который выделяет
и преобразует к исходному виду сигналы дискретной информации.
Все перечисленные устройства выделяют
соответствующие сигналы из линейного сигнала по принципу ВРК, согласно
импульсным последовательностям, поступающим от приемного генераторного
оборудования (ГО пр).
К выходу декодера подключены приемные части
приемопередатчиков ПП, которые посредством временных селекторов временных
селекторов, управляемых ГО пр, выделяют соответствующие АИМ канальные сигналы.
Проходя через активные фильтры нижних частот, эти сигналы преобразуются в
непрерывные сигналы.
6.2
Оконечная аппаратура линейного тракта
Линейный тракт подключается на передающей
стороне к мультиплексору, а на приемной к демультиплексору. На всей длине
магистрали должны находиться обслуживаемые и необслуживаемые регенерационные
пункты, а также при необходимости промежуточные станции. Необходимо чтобы
регенерационные пункты находились на расстоянии не более 3,6 км, и на длине 300
км их должно быть не более 88.
Рисунок 6.3 - Структурная схема линейного тракта
На схеме ОС - оконечная станция (2);
НРП - необслуживаемые регенерационные пункты
(32);
ОРП - обслуживаемые регенерационные пункты (5).
Количество РП - 83, из них:
ОРП - 17;
НРП - 68.
Передающая часть оконечной аппаратуры линейного
тракта содержит кодер линейного тракта, на выходе которого формируется сигнал с
тактовой частотой линейного тракта, рассчитанной в предыдущем пункте. Для
кодирования используется код 4В3Т, обеспечивающий три уровня в линии.
Приемная часть оконечной аппаратуры линейного
тракта содержит станционный регенератор и декодер линейного тракта. Станционный
регенератор должен иметь значение вероятности ошибочного приема не более
допустимого значения вероятности ошибок в передаче символов на регенерационном
участке. В состав станционного регенератора входят усилитель с корректором, два
решающих устройства, выделитель тактовой частоты с полосовым фильтром или
устройством фазовой автоподстройки частоты и выходное устройство.
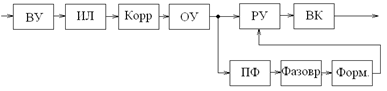
На рисунке 6.4 представлена структурная схема
регенератора.
Рисунок 6.4 - Структурная схема регенератора
На схеме ВУ - входной усилитель;
ИЛ - искусственная линия;
Корр - корректор;
ОУ - основной усилитель;
ПФ - узкополосный фильтр;
Фазовр. - фазовращатель;
Форм. - формирователь;
РУ - решающее устройство;
ВК - выходной каскад.
Ослабленный и искаженный по форме входной сигнал
поступает через входной усилитель на искусственную линию, который предназначен
для дополнения длины регенерационного участка, чтобы длина регенерационного участка
соответствовала оптимальному значению. Пройдя через корректор, сигнал поступает
на основной усилитель, где происходит увеличение его амплитуды, так как
корректор и искусственная линии ослабляют сигнал. преобразование сигнал тракт мультиплексор
Усиленный сигнал вместе с тактовыми импульсами
поступает на решающее устройство. Тактовые импульсы выделяются из выпрямленного
сигнала узкополосным фильтром. Формирователь создает две сдвинутые на
полпериода тактовой частоты последовательности узких стробирующих импульсов.
Одна из них определяет моменты решения (сравнения сигнала с пороговым уровнем в
РУ) и определяют передние фронты регенерируемых импульсов. Необходимые
временные соотношения для принятия решения подбираются с помощью фазовращателя
(ФВ). Вторая последовательность стробирующих импульсов определяет задние фронты
регенерированных импульсов.
Синхронизированный сигнал поступает в выходной
каскад, в котором восстанавливаются его форма и амплитуда объединением
сформированных двумя решающими устройствами импульсов в биполярный сигнал и
усилением его до требуемой амплитуды.
На рисунке 6.5 представлены диаграммы работы
регенератора.
Рисунок 6.5 - Временные диаграммы работы
регенератора:
а) - импульсы на входе;
б),в) - импульсы на входе РУ;
г) - импульсы на выходе выделителя;
д) - сигнал на входе формирователя;
е),ж) - хронирующие импульсы на выходе
формирователя;
з) - импульсы на выходе регенератора.
Диаграммы, представленные на рисунке 6.5 дают
наглядное представление работы регенератора.
6.3
Генераторная аппаратура
Генераторная аппаратура располагается в
мультиплексоре и демультиплексоре. Генераторная аппаратура приемной части
отличается от генераторной аппаратуры передающей части тем, что передающая
часть может иметь как внутреннюю синхронизацию, так и внешнюю, а приемная часть
может имеет только внешнюю синхронизацию по цифровому сигналу линейного тракта.
На рисунке 6.6 представлена структурная схема
генераторной аппаратуры.
Рисунок 6.6 - Структурная схема генераторной
аппаратуры
На схеме ЗГ - задающий генератор, который задает
частоту 48 кГц. Все частоты обеспечиваются использованием делителей и
умножителей частоты.
На рисунке 6.7 представлена структурная схема
оконечной станции.
Рисунок 6.7 - Структурная схема оконечной
станции цифровой системы передачи
Каналы вещания и телефонные каналы содержат
развязывающие устройства на приеме и передаче. Полосовые фильтры обеспечивают
выделение информационной полосы в спектре. Станционные регенераторы в линейном
тракте предназначены для усиления сигнала на протяжении всей магистрали.
Линейный трансформатор позволяет ввести в линию
ток дистанционного питания (ДП) НРП.
Заключение
В результате курсового проектирования были
рассчитаны параметры аналого-цифрового преобразователя с неравномерной
характеристикой квантования для телефонных каналов.
Частота дискретизации выбиралась по правилу
теоремы Котельникова и составила 9,6 кГц.
Было рассчитано также значение напряжения порога
ограничения, которое составило 0,98 В.
Число бит в кодовом слове выбрано 9 и
рассчитывалось с использованием ориентировочного значения шага квантования
первого сегмента и напряжения ограничения.
При проектировании была исследована зависимость
защищенности сигнала от величины его уровня, график которой представлен в
курсовом проекте.
Выбор частоты повторения кодовых групп для
канала передачи дискретных сообщений осуществлялся по результатам сравнения
трех методов кодирования: способа наложения, способа скользящего индекса и
способа фиксированного индекса. Результатом сравнения стал выбор способа
наложения.
Были рассчитаны значения частоты повторения
кодовых групп (4,8 кГц), число бит в кодовом слове (4 бит), коэффициент
использования пропускной способности цифрового канала (0,25) и значение
тактовой частоты группового сигнала (2,592 МГц).
Результатом расчета цикла передачи сигналов
стали значения частоты повторения циклов (4,8 кГц) и сверхциклов (2,4 кГц),
число циклов в сверхцикле (2). Были рассчитаны также значения тактовой частоты
группового сигнала (2,592 МГц) и коэффициент использования пропускной
способности проектируемой системы передачи, который составил 0,93, что
соответствует требованиям. В курсовом проекте приведена возможная структура
цикла.
При разработке линейного тракта был выбран код
4В3Т с тремя уровнями в линии. Эффективное значение напряжения помех (0,99
мкВ), значение величины затухания, исходя из требований, выбиралось равным 98
дБ, допустимая вероятность ошибок в передаче символов (8·10-10), значение
напряжения на входе регенератора 0,69 мкВ) и длины регенерационного участка
(3,6 км). При расчете было найдено минимальное количество регенераторов на
длине магистрали 300 км, которое составило 83.
В результате по рассчитанным параметрам была
спроектирована структурная схема оконечной станции, которая представлена в
курсовом проекте.
В данном курсовом проекте рассчитывалась
нетиповая система передачи, поэтому некоторые значения не соответствуют реально
существующим системам, что не принципиально для данной работы.
Список
использованных источников
1. Многоканальные системы
передачи: Учебник для вузов/Н.Н. Баева, В.Н. Гордиенко, С.А. Курицын и др.; Под
ред. Н.Н. Баевой и В.Н. Гордиенко - М.: Радио и связь, 1997.
2. Проектирование и
техническая эксплуатация систем передачи: Учеб. Пособие для вузов/ В.В.
Крухмалев, В.Н. Гордиенко, В.И. Иванов и др.; Под ред. В.Н. Гордиенко и В.В.
Крухмалева. - М.: Радио и связь, 1995.
. Учебно-методические
указания по курсовому проектированию цифровых систем передачи/С.П. Белов, М.А.
Гальцев, В.И. Ищенко - Белгород: Изд-во БелГУ, 2007.
. Цифровые и аналоговые
системы передачи: Учебник для вузов/В.И. Иванов, В.Н. Гордиенко, Г.Н. Попов и
др.; Под ред. В.И. Иванова. - М.: Радио и связь, 1982.
. Цифровые системы передачи
информации/Л.С. Левин, М.А. Плотник - М.: Радио и связь, 1982.
. http://www.radioscanner.ru