Разработка цифрового вольтметра
СОДЕРЖАНИЕ
Введение
. Структурная схема вольтметра
. Расчет основных параметров
. Схемотехника основных узлов цифрового вольтметра
.1 Входное устройство
.2 Генератор тактовых импульсов
.3 Схема устройства формирования импульсов
.4 Устройство управления
.5 Цифро-аналоговый преобразователь
.6 Устройство сравнения
.7 Схема счета и индикации
. Разработка блока питания
Заключение
Список литературы
Приложение А Принципиальная схема вольтметра
Приложение Б Перечень элементов
ВВЕДЕНИЕ
Современный этап научно-технического прогресса характеризуется
повсеместным внедрением принципиально новой техники. Ускорение
научно-технического прогресса в значительной степени зависит от успехов
современной микроэлектроники, являющейся современной элементной базой
электронных устройств автоматики, телемеханики и связи.
Интегральные микросхемы значительно расширили диапазон применения
электронных устройств на железнодорожном транспорте. Они создали возможность
для совершенствования систем автоматического регулирования движения поездов,
радиосвязи, учета и планирования технологических процессов, автоматической
локомотивной сигнализации и ряда других.
Основные цели и задачи курсового проекта:
· закрепить теоретический материал по данной дисциплине.
· получить необходимые навыки по инженерному проектированию
электронных устройств на основе использования микроэлектронной элементной базы.
· научиться анализировать исходные данные, производить оценку
различных вариантов схем с целью выбора наиболее целесообразной.
· научиться правильно выбирать методику расчета схем,
разрабатывать электрические схемы.
· научиться самостоятельно работать с технической литературой,
уметь пользоваться справочной литературой, ГОСТами.
· уметь составлять расчетно-пояснительную записку и оформлять
графический материал в соответствии с требованиями ЕСКД,
производить анализ полученных результатов.
Цифровая измерительная техника является основной и наиболее развивающейся
частью измерительной техники, представляет собой совокупность цифровых
измерительных приборов, методов их проверки и правил эксплуатации. Средства
цифровой измерительной техники наилучшим образом сопрягаются со средствами
вычислительной техники, обладают высокой точностью и быстродействием.
Цифровыми называются такие измерительные устройства, в которых измеряемая
величина автоматически в результате квантования и цифрового кодирования
представляется кодовым сигналом, выражающим значение измерительной величины.
Цифровые вольтметры обладают следующими достоинствами - высокой точностью
измерения напряжения (0.001%); широким диапазоном измерений при высокой
чувствительности (от
до
В); отсчётом в цифровой форме (практически исключающем
глазомерные ошибки и создающим удобство наблюдения на расстоянии);
быстродействием (до
изм/с); автоматическим выбором предела и полярности;
возможностью получения результатов наблюдений в форме, удобной для ввода в ЭВМ;
возможностью вывода на интерфейсную шину и включение в состав
измерительно-вычислительного комплекса.
По схемному решению цифровые вольтметры делят на две основные группы: с
жёсткой логикой и микропроцессорным программным управлением.
По элементной базе цифровые вольтметры разделяются на приборы, выполненные
на электронных лампах, полупроводниковых приборах, интегральных микросхемах и
микропроцессорах. В настоящее время основной парк составляют цифровые
вольтметры, выполненные на цифровых и аналоговых микросхемах средней степени
интеграции. Широкое применение находят специальные микросхемы, заменяющие целые
функциональные блоки цифровых вольтметров. Практически все цифровые вольтметры
выполняются с применением печатного монтажа и использованием автоматизированных
технологических установок при их монтаже.
1. СТРУКТУРНАЯ СХЕМА ВОЛЬТМЕТРА
Структурная схема цифрового вольтметра (ЦВ) поразрядного кодирования
приведена на рисунке 1.
Рисунок
1 - Структурная схема ЦВ поразрядного кодирования
вольтметр цифровой импульс преобразователь
Рассмотрим
принцип работы разрабатываемого устройства. Действие ЦВ данного типа
заключается в последовательном сравнении измеряемого напряжения с рядом
образцовых напряжений, значения которых задаются по определённому закону,
например, по закону двоичного или двоично-десятичного кода. Число,
соответствующее набору образцовых напряжений, которым компенсируется измеряемое
напряжение, представляет это значение в закодированной форме. Таким образом,
напряжение преобразуется в числовой эквивалент:
- напряжение, соответствующее единице младшего разряда (шаг
квантования);
- число разрядов кода;
- коэффициент, равный 1 и 0 в
зависимости от результатов сравнения в каждом такте.
ЦВ работает периодически. За один цикл измерений выполняется одно
измерение. Время цикла измерения определяется выбранным алгоритмом формирования
компенсационного напряжения.
Входное напряжение
поступает на вход делителя, а с его выхода через входной
усилитель напряжение
, (
- коэффициент передачи входной цепи) - на один вход схемы
сравнения. По сигналу запуска происходит сброс устройства управления. Импульсы
с его выхода тактового генератора поступают вход схемы управления. Под
действием каждого тактового импульса на выходе схемы управления формируются
кодовые сигналы, которые поступают на входы ЦАП и одновременно на входы
дешифратора. В соответствии с законом формирования кодовых сигналов на выходе
ЦАП компенсирующее напряжение, которое поступает на другой вход схемы
сравнения. Схема сравнения в зависимости от знака разности
и
подаёт соответствующий сигнал в
схему управления, который приводит к прекращению поступления импульсов.
Напряжения в момент уравновешивания связаны соотношением:
где
- шаг квантования компенсационного напряжения;
- порог чувствительности схемы
сравнения.
Измеряемое напряжение:
Подбором
, где
, добиваются, чтобы значение компенсационного напряжения
соответствовало измеряемому напряжению с учётом постоянного множителя, т.е.:
В момент уравновешивания, значение кода управления фиксируется в схеме
управления и через дешифратор поступает на входы индикатора, где оно
высвечивается в виде десятичных цифр. На этом один цикл измерения
заканчивается.
В ЦВ данного типа погрешность составляет 0,05-0,001 при обеспечении
высокого быстродействия (до 5000 преобразований в секунду).
Рисунок 2 - Диаграмма работы ЦВ поразрядного кодирования
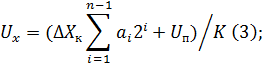
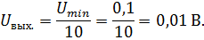
. РАСЧЕТ ОСНОВНЫХ ПАРАМЕТРОВ ВОЛЬТМЕТРА
Напряжение делителя напряжения:
Определим абсолютную погрешность измерения:
Максимальное количество импульсов:
Так как индикаторы отображают количество импульсов, посчитанных
счетчиками, то выбираем
По формуле (3) получаем:
В нашей схеме используется 12 - разрядный ЦАП, опорное напряжение
которого:
3. СХЕМОТЕХНИКА ОСНОВНЫХ УЗЛОВ ЦИФРОВОГО ВОЛЬМЕТРА
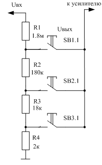
3.1 ВХОДНОЕ УСТРОЙСТВО
Входное устройство состоит из схемы защиты от перенапряжения и делителя
напряжения.
Делитель предназначен для выбора пределов измерения за счет деления
входного напряжения. В нашем случае три предела измерения:
Следовательно, будет три переключателя положений измерения
SB1.1, SB2.1, SB3.1 и четыре резистора R1, R2, R3, R4.
Рисунок 3 - Схема входного делителя напряжения
Сопротивление на входе делителя напряжения примем равным
с целью снижения влияний вольтметра
на измеряемую цепь входным сопротивлением вольтметра. Общее сопротивление
делителя составит:
Рассчитаем номиналы резисторов:
Номинал резистора
(
Номинал резистора
Номинал резистора
Номинал резистора
Мощность:
Мощность, рекомендуемая преподавателем:
Прямое напряжение:
Обратное напряжение:
Прямой ток:
Частота измерения:
Расчетное значение сопротивлений сверим с рядом E192 с учетом допуска
В качестве
,
,
и
будем использовать прецизионные
резисторы типа С2-29B мощностью 0.25 Вт и с допуском
Предельное рабочее напряжение
составляет 200 В., что обеспечит необходимый запас прочности по напряжению.
С2-29B - 0,25 -
-
С2-29B - 0,25 -
-
С2-29B - 0,25 -
-
С2-29B - 0,25 -
-
Суммарная максимальная погрешность делителя составляет:
.
Для защиты от перенапряжения воспользуемся двумя
диодами
,
и резистором, ограничивающими
ток на входе. Для данной схемы возьмём два диода типа КД212А, ток
которого равен
1 А, максимальное прямое падение напряжения
равно 1 В, максимальное
обратное падение напряжения
равно 500 В. Роль ограничительного резистора
выполняет резистор
делителя напряжения.
В схеме входного устройства для усиления напряжения воспользуемся
прецизионным операционным усилителем К140УД25А.
Рисунок
4 - Цоколевка ИМС К140УД25А
Рисунок
5 - Схема включения усилителя напряжения ИМС К140УД25А
Коэффициент усиления составляет:
В данной схеме включения используется обратная отрицательная связь.
Отрицательная обратная связь делает систему более устойчивой к случайному
изменению параметров в случае возникновения помех. Так как усилитель
применяется для усиления постоянного напряжения, то ее применение вполне
оправдано.
Таблица 1 - Назначение выводов ИМС К140УД25А
|
Вывод
|
Назначение
|
|
1
|
Не подключен
|
|
2
|
Инвертирующий вход
|
|
3
|
Прямой вход
|
|
4
|
|
|
5
|
Корректировка
|
|
6
|
Выход
|
|
7
|
|
|
8
|
Корректировка
|
Таблица 2 - Параметры усилителя ИМС К140УД25А
|
Параметр
|
|
|
Напряжение питания, В
|
±(13,5…16,5)В
|
|
Потребляемая мощность, мВт
|
160
|
|
Коэффициент усиления, дБ
|
88
|
|
Входной ток, нА
|
не более 4
|
|
Входное сопротивление, МОм
|
40
|
|
Напряжение смещения, мкВ
|
не более 75
|
|
Скорость наростания входного напряжения, В/мкс
|
0,1
|
|
Граничная частота, МГц
|
не менее 0,4
|
Рассчитаем сопротивления
:
Примем номинал резистора
равным:
Тогда получаем:
Номинал резистора
:
Рисунок 6 - Схема входного устройства
3.2 ГЕНЕРАТОР ТАКТОВЫХ ИМПУЛЬСОВ
Рассмотрим схему генератора с кварцевым резонатором, выполненным на
логических элементах 2И-НЕ. Элемент DD1.1 охвачен здесь 100 %-ной отрицательной
обратной связью и, следовательно, представляет собой просто усилитель с
коэффициентом передачи 1. Элемент DD1.3 представляет собой логический инвертор,
который в моменты переключения из одного состояния в другое вносит в цепь
небольшое усиление, достаточное для компенсации потерь в кварцевом резонаторе
и, значит, для возникновения незатухающего колебательного процесса. Напряжение
на выходе генератора имеет вид последовательности прямоугольных импульсов.
Основная задача генератора с кварцевым резонатором - получение колебаний
с весьма стабильной частотой. Для этого, нужно в максимально возможной степени
уменьшить влияние на работу кварцевого резонатора подсоединяемой к нему внешней
электрической цепи. Частота автогенератора будет определяться только частотой
кварца. Частота генерируемых колебаний 10кГц.
В качестве элементов 2И-НЕ используются элементы микросхемы КР1554ЛА3,
описание которой представлено ниже.
Рисунок 7 - Цоколевка ИМС КР1554ЛА3
Таблица 3 - Назначение выводов ИМС КР1554ЛА3
|
№ выв.
|
Назначение
|
№ выв.
|
Назначение
|
|
1
|
Вход
|
8
|
Выход
|
|
2
|
Вход
|
9
|
Вход
|
|
3
|
Выход
|
10
|
Вход
|
|
4
|
Вход
|
11
|
Выход
|
|
5
|
Вход
|
12
|
Вход
|
|
6
|
Выход
|
13
|
Вход
|
|
7
|
Общий
|
14
|
|
Таблица 4 - Параметры ИМС КР1554ЛА3
|
Параметр
|
Величина
|
|
Напряжение питания, В
|
-0,5 … +18
|
|
Потребляемый ток, мкА
|
<4
|
|
Т, ºС
|
-45 … +85
|
|
Потребляемая мощность, мВт
|
300
|
Рисунок 8- Схема генератора тактовых импульсов (ГТИ)
3.3 СХЕМА УСТРОЙСТВА ФОРМИРОВАНИЯ ИМПУЛЬСОВ
Устройство формирования импульсов представляет собой делитель частоты,
состоящий из четырех четырехразрядных синхронных счетчиков DD2, DD3, DD4, DD5
типа КР1554ИЕ10,
триггера DD10.1 и 2-х ФКИ. Каждый из счетчиков делит частоту
на 10, а триггер на 2. Таким образом, на выходе получится частота равная 0,2
Гц.
Принцип действия счетчика иллюстрируется временной диаграммой.
Параллельная нагрузка данных осуществляется синхронно при
по положительному фронту тактового
импульса на входе
. При этом состояния входов
могут быть произвольными.
В режиме счета (суммирования) должно выполняться условие
. Обнуление счетчика асинхронное.
Сигнал разрешения счета вырабатывается, если
. В то же время входы
неравноправны. Так, по входу
разрешается не только счет, но и
распространение сигнала переноса. В случае ИЕ10 расширять разрядность можно
несколькими способами. Первый способ заключается в последовательной передаче
сигнала переносов с входов
на входы
по цепочке счетчиков. Суть второго - сигнал переноса
счетчика группы младших разрядов передается на все счетчики старших разрядов
параллельно. В такой схеме переключение счетчиков будет происходить
одновременно и также быстро, как и при работе одного счетчика.
Рисунок
9 - Цоколевка ИМС КР1554ИЕ10
Таблица 5 - Назначение выводов ИМС КР1554ИЕ10
|
Вывод
|
Назначение
|
Вывод
|
Назначение
|
|
1
|
Вход установки
|
9
|
Вход разрешения записи
|
|
2
|
Вход синхронизации
|
10
|
Вход разрешения переноса
|
|
3
|
Вход информационный
|
11
|
Выход 4 разряда
|
|
4
|
Вход информационный
|
12
|
Выход 3 разряда
|
|
5
|
Вход информационный
|
13
|
Выход 2 разряда
|
|
6
|
Вход информационный
|
14
|
Выход 1 разряда
|
|
7
|
Вход разрешения счета
|
Р
|
Выход переноса
|
|
8
|
Общий
|
16
|
|
Таблица 6 - Параметры ИМС КР1554ИЕ10
|
Параметр
|
Величина
|
|
Напряжение питания, В
|
+5
|
|
Потребляемый ток, мкА
|
<8
|
|
Т, ºС
|
-45 … +85
|
|
, МГц
|
>110
|
Рисунок
10 - Цоколевка
триггера
Таблица 7 - Назначение входов -триггера
|
Вход
|
Назначение
|
|
1
|
Вход
|
|
2
|
Тактовый вход
|
|
3
|
Вход
|
|
4
|
Вход
|
Рисунок 11- Схема включения
триггера
ФКИ состоит триггера Шмитта с инверсией 1564ТЛ2, конденсатора
, диода
и резистора
. Триггер Шмитта - бистабильное
устройство с петлей гистерезиса, применяемое в цифровой технике для
формирования импульсов с малым временем нарастания и спада. Характеризуется
триггер верхним
И нижним
Пороговыми напряжениями
, при которых происходит
соответственно включение и выключение ИС.
Рисунок 12 - Цоколевка триггера Шмитта
Параметры диода
приведены на страница 12 Выберем конденсатор
марки К70-6, емкость которого равна
1 пФ. Значит номинальное сопротивление резистора
равно 14,3 кОм.
Рисунок 13 - Схема включения одного из 2-х ФКИ
Рисунок 14 - Схема устройства формирования импульсов
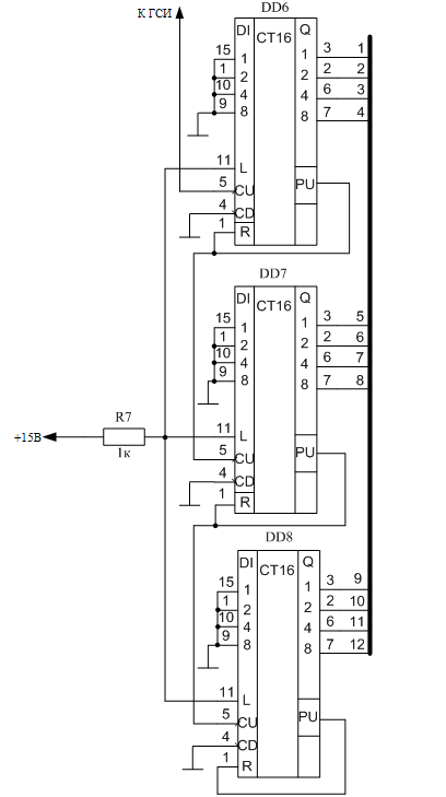
.4 УСТРОЙСТВО УПРАВЛЕНИЯ
Устройство управления предназначено для формирования кодовой
последовательности, управляющей работой ЦАП, а также для формирования пачек
импульсов, поступающих на схему индикации. Устройство управления выполнено на
счетчиках DD6, DD7 и DD8 типа КР1554ИЕ7 (четырехразрядный синхронный
реверсивный счетчик). Счетчик выполняет функции: параллельную асинхронную
загрузку четырех разрядного оператора по входу
, суммирование тактовых импульсов по
входу
и вычитание по выходу
. Коэффициент пересчета равен 16.
Соответственно импульс между состояниями счетчика, отвечающими числами «15» и
«0», а импульс на выходе
формируется в паузе между «0» и «15».
Рисунок
15 - Цоколевка ИМС КР1554ИЕ7
Таблица 8 - Параметры ИМС КР1554ИЕ7
|
Параметр
|
Величина
|
|
Напряжение питания, В
|
+5
|
|
Потребляемый ток, мкА
|
<8
|
|
Т, ºС
|
-45 … +85
|
|
, МГц
|
>130
|
Работает устройство управления следующим образом. Пока на выходе
устройства сравнения высокий уровень напряжения, импульсы от генератора
тактовых импульсов проходят на счетчики через элементы DD6, DD7 и DD8. Счетчики
подсчитывают импульсы и формируют кодовую последовательность. Когда напряжение
на выходе ЦАП достигнет напряжения на выходе входного устройства, на выходе
устройства сравнения появится низкий уровень и поступление импульсов от
генератора прекращается. Таким образом, формируется пачка импульсов, которая
поступает на схему индикации. В таком состоянии счетчики будут находиться до
поступления импульса сброса, после чего процесс повторится.
Рисунок 16 - Схема устройства управления
.5 ЦИФРО-АНАЛОГОВЫЙ ПРЕОБРАЗОВАТЕЛЬ
В данной схеме используется 12-разрядный ЦАП типа К572ПА2А, описание
которого приведено ниже.
Микросхемы умножающего ЦАП К572ПА2А является универсальным структурным
звеном для построения микроэлектронных ЦАП. Она предназначена для
преобразования 12-разрядного прямого двоичного кода на цифровых входах в ток на
аналоговом выходе, который пропорционален значениям кода и (или) опорного
напряжения.
Нумерация и назначение выводов: 2 - аналоговый выход 2; 4 - аналоговая
земля; 6 - вход регистра 1; 8 - 19 - цифровые входы 1 - 12; 21 - вход регистра
2; 22 - цифровая земля; 24 - напряжение источника питания
; 30 - вывод конечного резистора
матрицы; 38 - опорное напряжение
; 47(28) - вывод резистора обратной
связи; 48 - аналоговый выход 1; 1, 3, 5, 7, 23, 25 - 29, 31 - 37, 39 - 46
-незадействованные выводы.
Основные электрические параметры:
Число разрядов b 12; дифференциальная нелинейность LD, %: 0,025; Время
установления выходного тока tsI, мкс - 15; Выходной ток смещения нуля
, нА - 30; Абсолютная погрешность
преобразования в конечной точке шкалы Fa, МР-20; Ток потребления
, мА - 2.
Метод преобразования в ИС К572ПА2А предполагает суммирование всех
разрядных токов, взвешенных по двоичному закону и пропорциональных значению
опорного напряжения на входе 38 в соответствии с заданным значением двоичного
кода на цифровых входах ЦАП.
Преобразователь рассчитан на работу от двух источников питания U
= 5 В ± 5 % и
= 15 В ± 5 % при опорном напряжении
= 10,24 В ± 20 мВ. Наличие отдельного
вывода для питания входных усилителей-инверторов от источника +5 В ± 5 %
позволяет подключить его к ТТЛ схемам без дополнительных резисторов. Точность
преобразования при этом не ухудшается.
Микросхемы К572ПА2А допускает эксплуатацию при изменении напряжений
источников питания
от 4,7 до 17 В,
от 12 до 17 В, опорного напряжения
в диапазоне ± 22,5 В. Но при этом не
гарантируются нормы на электрические параметры, и необходимо выполнение условия
Облегченный режим эксплуатации ИС К572ПА2А обеспечивается при
Рисунок
17 - Цоколевка ИМС К572ПА2А
Таблица 9 - Параметры ИМС К572ПА2А
|
Параметр
|
Величина
|
|
Число разрядов
|
12
|
|
Время преобразования, мкс
|
15
|
|
Интегральная нелинейность, %
|
|
|
Напряжение питания, В
|
+5, +15
|
|
Ток потребления, мА
|
2,0
|
|
Опорное напряжение, В
|
10,24
|
При подключении ЦАП используется быстродействующий усилитель К140УД18
Рисунок 18 - Схема включения ЦАП К572ПА2А и устройства управления
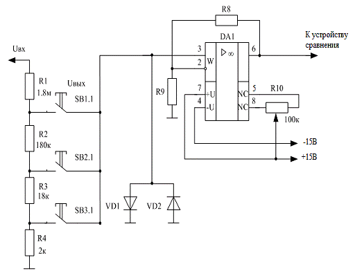
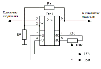
.6 УСТРОЙСТВО СРАВНЕНИЯ
Устройство сравнения предназначено для сравнения напряжения на выходе
входного устройства с напряжением на выходе ЦАП. В качестве устройства
сравнения используется компаратор DA3 типа К521СА3А. Типовой компаратор имеет
два входа для аналоговых сигналов: U1вх и U2вх и выход
логического сигнала. Таким образом, компараторы можно рассматривать как
линейно-дискретные схемы.
Компараторы напряжения характеризуются рядом параметров, важнейшими из
которых являются чувствительность, быстродействие. Чувствительность, или
разрешающая способность - это минимальная разность аналоговых сигналов, которую
можно обнаружить компаратором и зафиксировать на выходе как цифровой сигнал,
соответствующий переходу из одного логического состояния в другое.
Быстродействие определяется таким параметром как время переключения.
Время переключения оценивают с момента подачи входного скачка до момента, когда
выходной сигнал превысит пороговый уровень напряжения, соответствующий
логическим 1 или 0 в зависимости от того, в каком начальном состоянии находился
компаратор.
Рисунок
19 - Цоколевка ИМС К521СА3А
Рисунок
20 - Схема включения ИМС К521СА3А
|
№
|
Назначение
|
|
1
|
Эммитерный вход
|
|
2
|
Вход неинвертирующий
|
|
3
|
Вход инвертирующий
|
|
4
|
Напряжение питания (-)
|
|
5
|
Балансировка
|
|
6
|
Стробирование, балансировка
|
|
7
|
Коллекторный выход
|
|
8
|
Напряжение питания (+)
|
Таблица 11 - Параметры ИМС К521СА3А
|
Параметр
|
Величина
|
|
|
8
|
|
|
100
|
|
|
6
|
|
|
|
Входное устройство, устройство формирования импульсов, устройство
управления, ЦАП и устройство сравнения подключаются к схеме индикации. При этом
используется элемент К1554ЛИ1 и три логических элемента 3И-НЕ К1554ЛА4.
Рисунок
21 - Цоколевка элемента К1554ЛИ1
Рисунок
22 - Цоколевка ИМС К1554ЛА4
Таблица 12 - Назначение выводов ИМС К1554ЛА4
|
№
|
Назначение
|
№
|
Назначение
|
|
1
|
Вход
|
8
|
Вход
|
|
2
|
Вход
|
9
|
Выход
|
|
3
|
Вход
|
10
|
Выход
|
|
4
|
Вход
|
11
|
Вход
|
|
5
|
Вход
|
12
|
Вход
|
|
6
|
Выход
|
13
|
Вход
|
|
7
|
Общий
|
14
|
|
Таблица 13 - Таблица истинности ИМС К1554ЛА4
|
|
|
|
|
|
0
|
0
|
0
|
1
|
|
0
|
0
|
1
|
0
|
|
0
|
1
|
0
|
0
|
|
0
|
1
|
1
|
0
|
|
1
|
0
|
0
|
0
|
|
1
|
0
|
1
|
0
|
|
1
|
1
|
0
|
0
|
|
1
|
1
|
1
|
0
|
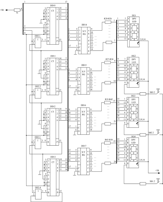
3.7 СХЕМА СЧЕТА И ИНДИКАЦИИ
Схема счета и индикации предназначена для подсчета количества импульсов,
формируемых временным селектором и вывода подсчитанного числа на светодиодные
индикаторы.
Схема счета индикации представляет собой десятичный счетчик с
коэффициентом счета равным 1000. Его основой являются 4 четырехразрядные
синхронные счетчики
типа КР1554ИЕ10, описание которых на страницах 18-19.
Все счетчики принудительно сбрасываются импульсами, вырабатываемыми
формирователем импульсов. Для сброса счетчика используются 4 логических
элемента
2ИЛИ-НЕ типа К1554ЛЕ1, описание
которых ниже.
Рисунок
23 - Цоколевка ИМС К564ЛЕ1
Таблица 14 - Параметры ИМС К564ЛЕ1
|
№ выв.
|
Назначение
|
№ выв.
|
Назначение
|
|
1
|
Выход
|
8
|
Вход
|
|
2
|
Вход
|
9
|
Вход
|
|
3
|
Вход
|
10
|
Выход
|
|
4
|
Выход
|
11
|
Вход
|
|
5
|
Вход
|
12
|
Вход
|
|
6
|
Вход
|
13
|
Выход
|
|
7
|
Общий
|
14
|
|
Сигналы с выходов счетчиков поступают на преобразователи
двоично-десятичного кода в семисегментный
типа К561ИД5. Описание которого
приведено ниже.
Рисунок
24 - Цоколевка ИМС К564ИД5
Таблица 15 - Параметры ИМС К564ИД5
|
Параметр
|
Величина
|
|
Диапазон напряжений питания, В
|
+15
|
|
Потребляемый ток, мкА
|
15
|
|
Время переключения, нс
|
350
|
|
Диапазон температур,
|
-10…+70
|
ИМС К564ИД5 представляет
собой преобразователь двоично-десятичного кода в семисегментный со встроенным
буферным регистром. Преобразователь имеет вход стробирования записи данных в
буферный регистр
. При подаче высокого уровня на этот
вход, происходит прямое прохождение сигнала с входа на выход. По спаду импульса
данные защелкиваются в буферном регистре. Вход
определяет
активный уровень на выходе дешифратора. Если на этот вход подан «0», то
активным будет высокий уровень и наоборот.
В качестве элементов индикации измеряемого
напряжения в данной схеме используются одноразрядные светодиодные индикаторы
типа КЛЦ201А с
общим анодом, параметры которого приведены ниже.
Таблица 16 - Параметры КЛЦ201А
|
Параметр
|
Величина
|
|
Высота цифры, мм
|
20
|
|
Прямой ток, мА
|
20
|
|
Прямое максимальное напряжение, В
|
4
|
|
Обратное максимальное напряжение, В
|
10
|
|
Прямой максимальный ток, мА
|
25
|
|
Мощность, мВт
|
750
|
|
Диапазон рабочих температур,
|
-60…+70
|
Сегменты подключаются к элементам индикации через токоограничивающие
резисторы
транзисторы
типа КТ361А. Рассчитаем сопротивления этих резисторов,
приняв ток сегмента равным 25мА:
Из ряда
принимаем сопротивление резисторов равным 43 Ом.
Рисунок 25 - Схема включения устройства индикации
4. РАЗРАБОТКА БЛОКА ПИТАНИЯ
Определим мощность, потребляемую устройством. Расчетные значения
мощностей приведены в таблице 17.
Таблица 17 - Ток и мощность, потребляемые ИМС
|
Микросхема
|
Кол-во
|
|
|
|
|
|
К140УД25А
|
2
|
15
|
5
|
160
|
320
|
|
К561ЛА7
|
3
|
5
|
5
|
300
|
900
|
|
КР1554ИЕ10
|
8
|
5
|
5
|
100
|
800
|
|
КР1554ИЕ7
|
3
|
5
|
5
|
100
|
300
|
|
К572ПА2А
|
1
|
15
|
2
|
30
|
30
|
|
К521СА3А
|
1
|
15
|
6
|
80
|
80
|
|
К561ИД5
|
4
|
5
|
15
|
30
|
120
|
|
КЛЦ201А
|
4
|
5
|
20
|
750
|
3000
|
Таким образом нам необходимо построить схему блока питания, который
выдает двуполярное напряжение +15В при максимальном токе 6 мА и напряжение +5В
при максимальном токе 20 мА. Потребляемая от источника +5В мощность составляет
5,12 Вт, а от источника +15В - 0,43 Вт. Таким образом, мощность, потребляемая
всем устройством, составляет 5,55 Вт.
В качестве трансформатора данной схеме использован трансформатор
ТПП258-127/220-50. Параметры используемого трансформатора приведены в таблице
18.
Таблица 18 - Параметры трансформатора
|
Номинальная мощность
|
Напряжение вторичных обмоток, В
|
Допустимый ток вторичных обмоток, А
|
|
31,0
|
1 11-12
|
13-14
|
15-16
|
17-18
|
19-20
|
21-22
|
0,475
|
|
10
|
10
|
20
|
20
|
2,6
|
2,6
|
|
В качестве выпрямителей используем диодные мосты
типа КЦ407А и
типа КЦ405Е. В качестве стабилизатора
напряжения +15В используется микросхема
типа КР142ЕН6А, представляющая собой
интегральный двуполярный стабилизатор с фиксированным выходным напряжением
+15В. Для получения напряжения +5В в данной схеме используется интегральный
стабилизатор
типа КР142ЕН5А. Параметры этих микросхем приведены в таблице
19.
Таблица 19 - Параметры выпрямительных мостов КЦ407А и КЦ405Е
|
Параметр
|
КЦ407А
|
КЦ405Е
|
|
Максимальный прямой ток, А
|
0,5
|
1
|
|
Максимальное обратное напряжение, В
|
400
|
100
|
|
Максимальное прямое напряжение, В
|
2,5
|
2,5
|
|
Максимальная рабочая частота, кГц
|
20
|
5
|
|
Диапазон рабочих температур,
|
-60…+85
|
-40…+85
|
|
Максимальный обратный ток, мкА
|
5
|
125
|
Таблица 20 - Параметры стабилизаторов
|
Тип стабилизатора
|

|
, В
|

|
|
|
|
|
КР142ЕН6А
|
0,0015
|
0,2
|
14,7…15,3
|
7,5
|
+20..30
|
0,2
|
|
КР142ЕН5А
|
0,05
|
2
|
4,9…5,1
|
10
|
7,5…15
|
3
|
Источник опорного напряжения на ИМС регулируемого стабилитрона
типа
, описание которой приведено ниже.
ИОН представляет собой параметрический стабилизатор напряжения. Резистор
является гасящим, резисторы
определяют напряжение стабилизации
.
Таблица 21 - Параметры ИМС регулируемого стабилитрона
|
Параметр
|
Величина
|
|
Диапазон изменения прямого тока, мА
|
1 - 100
|
|
Диапазон перестройки напряжения стабилизации, В
|
2,5 - 36
|
|
Внутреннее опорное напряжение, В
|
2,5
|
|
Динамическое сопротивление, Ом
|
0,2
|
|
Диапазон рабочих температур,
|
-40…+85
|
|
Максимальный управляющий ток, мкА
|
4
|
Рассчитаем сопротивления резисторов
, приняв опорное напряжение
, входной ток
и сопротивление
Для более точной установки опорного напряжения в качестве
применим переменный многооборотный
резистор сопротивлением 1 кОм.
Рисунок
26 - Схема блока питания
ЗАКЛЮЧЕНИЕ
В данном курсовом проекте был разработан цифровой вольтметр (ЦВ),
работающий по принципу поразрядного кодирования. Был изучен метод и технология
построения электрических принципиальных схем на основе элементной базы КМОП.
Было изучено множество микросхем. Успешно были закреплены знания по дисциплине
«Электронные устройства», по правильному выбору методики расчёта схем, анализу
исходных данных.
Разработанный ЦВ имеет следующие технические характеристики:
· Вид измеряемого напряжения.………………………...постоянное;
· Пределы измерения…...………………………….0-0,1; 0-1; 0-10 В;
· Точность измерения……………………………………..……0,1 %;
· Время измерения ………………………………………………0,25 с;
· Тип индикации………………………………………..светодиодная.
Для питания цифрового вольтметра был разработан блок питания,
вырабатывающий все необходимые напряжения.
СПИСОК
ЛИТЕРАТУРЫ
1. «Резисторы».
Справочник. М. «Радио и связь», 1993г.
. «Конденсаторы».
Справочник. М. «Радио и связь», 1993г.
. «Цифровые
и аналоговые интегральные схемы». Справочник. М. «Радио и связь», 1990г.
. «Диоды».
Справочник. М. «Радио и связь», 1990г.
. «Полупроводниковые
приборы: диоды, выпрямители, стабилитроны, тиристоры». Справочник. М «КУБ-а».
1994г.
. В.С
Гутников «Операционные усилители». М. «Энергия». 1975г.
. Б.Л.
Лисицын «Отечественные приборы индикации и их зарубежные аналоги».
. «Резисторы,
конденсаторы, трансформаторы, дроссели, коммутационные устройства РЭА».
Справочник. Минск. «Беларусь». 1994г.
. Вуколов
Н.И, Михайлов А.Н., «Знакосинтезирующие индикаторы». Справочник. М. «Радио и
связь», 1993г.
. А.В.
Шилейко «Электронные устройства железнодорожной автоматики, телемеханики и
связи», 1989 г.
. Цифровые
интегральные микросхемы; Справочник. Минск. «Беларусь», 1991г. 12 В.С. Кострома,
В.Я. Яцкевич «Электронные устройства в железнодорожной автоматике, телемеханике
и связи». Методические указания по курсовому проектированию. Часть I.
Разработка цифрового вольтметра.
Приложение А
Принципиальная схема вольтметра
Приложение Б
Перечень элементов