Разработка системы управления импульсным стабилизатором напряжения на основе двухтактного преобразователя
Содержание
1. Описание и принцип работы схемы
2. Описание системы управления
3. Расчет схемы
.1 Расчет силовой части
.2 Расчет системы управления
.2.1 Расчет генератора прямоугольных
импульсов
.2.2 Расчет генератора линейно
изменяющегося напряжения
.2.3 Расчет источника опорного
напряжения
.2.4 Расчет обратной связи по
напряжению
.2.5 Расчет датчика тока
.2.6 Расчет усилителя мощности
.2.7 Расчет индикации
Заключение
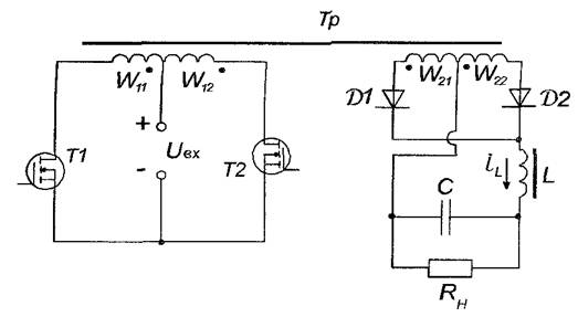
. Описание и принцип работы схемы
Преобразователь со средней точкой первичной
обмотки трансформатора показан на рис. 1.1.
Рисунок 1.1 - Преобразователь со средней точкой
первичной обмотки
В рассматриваемой схеме преобразователя все
элементы работают симметрично, каждый в своей половине периода. Часто именно
эта схема называется двухтактной. За период энергия дважды передается от
источника к нагрузке. Каждый из ключей замкнут в течении интервала tив
своем полупериоде. Коэффициент заполнения импульсов -
γ,
это отношение tик
Т/2. При γ=0 оба ключа постоянно
заперты. В преобразователе может быть использована как однофазная
двухполупериодная схема выпрямления, так и мостовая. Явное достоинство
двухтактной схемы - общая точка управления ключами, что позволяет значительно
упростить каскад устройства управления.
Симметричный режим работы схемы позволяет
соответствующим образом перемещаться рабочей точке на кривой перемагничивания
сердечника. Пренебрегая индуктивностями рассеяния обмоток, примем индуктивность
намагничивания линейной и подключенной к одной из четырех обмоток
трансформатора. Удобно считать, что ток в индуктивности фильтра имеет
бесконечно малые пульсации. Тогда двухтактный преобразователь можно представить
в виде схемы замещения, показанной на рис. 1.2. На рис. 1.3 показаны диаграммы
работы двухтактного преобразователя.
Рисунок 1.2 - Схема замещения двухтактного
преобразователя
Рисунок 1.3 - Диаграммы работы двухтактного
преобразователя
2. Описание системы управления
трансформатор
преобразователь батарея напряжение
Система управления состоит из следующих звеньев:
задающего генератора прямоугольных импульсов, двух генераторов линейно
изменяющегося напряжения, устройство коррекции, двух ШИМ-компараторов, датчика
тока и двух элементов «И».
Задающий генератор формирует прямоугольные
импульсы заданной длительности для управления транзистором ГЛИНа. Генераторы
линейно изменяющегося напряжения в свою очередь формирую развертывающее
напряжение пилообразной формы, которое подается на один из входов
ШИМ-компараторов. На другой вход ШИМ-компараторов поступает сигнал с устройства
коррекции. Таким образом, путем сравнения этих двух сигналов, формируется
последовательность ШИМ-сигналов. Графики работы системы управления показаны на
рис. 2.1.
Рисунок 2.1 - Графики работы системы управления.
. Расчет схемы
.1 Расчет силовой части
По условию технического задания номинальное
напряжение батареи равно 36 В, а сама батарея состоит из никель-кадмиевых
герметичных аккумуляторов. Рассчитаем количество элементов в батарее:
Напряжение разряженной батареи найдем по
формуле:
Напряжение заряженной батареи найдем по формуле:
Примем максимальную длительность открытого
состояния транзистора γmax=0,95.Рассчитаем
коэффициент трансформации TV1:
Рассчитаем γmin:
где
-
КПД преобразователя.
Зададимся частотой преобразования fп=40
кГц.Рассчитаем выходной фильтр:
Максимальный ток протекающего по индуктивности L1:
Выберем дроссель L1
- Д13-22 с параметрами:L=0,08
м Гн, I=8А
Емкость конденсатора фильтра будет равна:
Максимальное напряжение прикладываемое к
конденсатору C4:
Выбираем C4
- К50-35-400В-180мкФ±5%.
Максимальное обратное напряжение прикладываемое
к диодам VD3…VD6:
Максимальный средний ток диодов равен:
Выберем диоды VD3…VD6
-1N5401 с параметрами
Максимальное напряжение прикладываемое к
транзисторам VT1, VT2:
Максимальный средний ток протекающий через
транзисторы VT1, VT2:
Выбираем транзисторы VT1,VT2-2Т908А
с параметрами: Uкэmax=100В,
Iк=10А, β=60.
Ток потребляемый от аккумулятора равен:
Не рекомендуется разряжать аккумулятор током
большим 1С. Примем ток разряда равным С и рассчитаем минимальную емкость
аккумулятора:
Выберем аккумуляторы типа НКГЦ-10-1 со значением

.2.1 Расчет генератора прямоугольных импульсов
Генератор прямоугольных импульсов выполнен на
операционном усилителе DA1
- К140УД9 с напряжением питания ±15 В.
Период колебаний определяется следующим образом:
Генератор импульсов необходим для управления
ключом генератора линейно изменяющегося напряжения который, в свою очередь,
необходим для формирования ШИМ сигнала. Примем длительность положительного
импульса равному длительности отрицательного импульса:
Тогда при Т=25мкс длительность положительного и
отрицательного импульса будет tи+tи-=12,5мкс.Выберем
резисторы R7 = R8
= 10 кОм, а конденсатор С1= 1 нФ. Тогда значение резистораR3
будет:
Ток протекающий через резистор R3:
Мощность выделяемая на резисторе R3:
Максимальное напряжение прикладываемое к
конденсатору C1:
Выбираем конденсатор C1
- К10-47а-50В-1нФ±1%.
Выбираем резисторы R7иR8
номиналом 10кОм. [5]
Мощность выделяемая на резисторах R7и
R8:
Выбираем резисторы R7и
R8- С2-29-0,125-10
кОм±1%.
.2.2 Расчет генератора линейно изменяющегося
напряжения
В качестве развертывающего напряжения для
формирования ШИМ-сигналов будем использовать линейно изменяющееся напряжение
пилообразной формы. Для этого воспользуемся схемой ГЛИН, выполненной на
транзисторе VT4 и VT6,
со стабилизацией тока на полевом транзисторе VT3и
VT5. Зададимся током
заряда конденсаторовC2и С3: IС2=IС3=
200 мкА. Зададимся максимальным напряжением амплитуды развертывающего
пилообразного сигнала UР
= 5 В. Для стабилизатора тока выбираем транзисторыVT3и
VT5 КП302В с
параметрами: UСИmax
= 20 В, IСmax
= IСнач
= 33 мА, UЗИотс
= 10 В.
Рассчитаем сопротивление R10и
R11:
Так как напряжение отсечки у транзисторов не
постоянно выберем резисторыR10
и R11построечные,
чтобы регулировать ток заряда конденсатора.
Выбираем резисторыR10иR11
- СП5-3-1-68кОм.
Конденсатор C2
выбирается исходя из того, что за время длительности сигнала tи+
с генератора прямоугольных импульсов он должен линейно зарядиться до UР
= 5В. Рассчитаем необходимое значение емкости конденсатора С2:
Выбираем конденсатор C2-
К10-17Б-50В-2,2 нФ±1%.
Примем tразряда=1
мкс. Конденсатор C2необходимо
разрядить с помощью транзистора VT4
за время tразряда.
Рассчитаем необходимый ток транзистора VT4:
Выбираем транзистор VT4-
КТ315В с параметрами: IКmax
= 100 мА, UКЭmax
= 40В, β
= 90.
Конденсатор C3
выбирается исходя из того, что за время длительности сигнала tи-
с генератора прямоугольных импульсов он должен линейно зарядиться до UР
= 5В. Рассчитаем необходимое значение емкости конденсатора С3:
Выбираем конденсатор C3-
К10-17Б-50В-2,2 нФ±1%.
Примем tразряда=1
мкс. Конденсатор C3необходимо
разрядить с помощью транзистора VT6
за время tразряда.
Рассчитаем необходимый ток транзистора VT6:
Выбираем транзистор VT6
- КТ3107Аcпараметрами::IКmax
= 100 мА,UКЭmax
= 45В, β
= 140.
Рассчитаем резистор базы R9:
Выбираем резистор R9
- С2-29В-0,125-18кОм±1%.
Максимальное обратное напряжение, прикладываемое
к диодамVD1 и VD2:
Максимальный ток диодовVD1
и VD2:
Выбираем диодыVD1
и VD2 - BAR43SFILM с
параметрами: UОБРmax
= 30 В, IПРmax
= 100мА.
.2.3 Расчет источника опорного напряжения
Источник опорного напряжения состоит из
стабилитрона и нагрузочного резистора ограничивающего ток стабилитрона.
Для разработанной системы управления необходимо
источник опорного напряжения, сигнал от которого поступает на микросхемsDA3
и DA6. Максимальный
входной ток микросхемыIDAmax
= 300 нА. Примем значение опорного напряжения Uоп
= 5,1 В. Тогда для стабилизации напряжения источника выбираем стабилитроныVD7
и VD9- 2С152А со
следующими параметрами: Uстаб
= 5,1В; Iстабmin
= 0,05 мА; Iстабmax
= 55 мА.
Примем номинальный ток стабилитрона Iстаб
= Iстабmin=
200 мкА, приняв напряжения питания Uпит
= -15В, тогда значение резисторовR12,R20определим
из следующего выражения:
Мощность выделяемая на резисторах:
Выбираем R12и
R20- С2-29-0,125-47
кОм±5%.
3.2.4 Расчет обратной связи по напряжению
На базе микросхемы DA6
строится усилитель сигнала ошибки. В случае, когда схема входит в рабочий режим
с номинальными параметрами, то сигнал ошибки должен равняться нулю. Зададимся
коэффициентом усиления сигнала ошибки KУош
= 10. Таким образом, выберем резисторR19
- С2-29-0,125-10 кОм±1% [5]
Сопротивление R26найдем
по формуле:
Выберем R25
- С2-29-0,125-100 кОм±1%.
Мощность выделяемая на резистореR19:
Мощность выделяемая на резисторе R29:
Зададимся током проходящем через делитель
напряженияR15 и R16
при номинальном напряжении -Iдел=1
мА.
Суммарное сопротивление делителя:
Рассчитаем сопротивление резистора R16:
Сопротивление R15равно:
Выбираем R15-
C2-23-0.25-54,9кОм±1%
и R16 - C1-4-0.5-5,11кОм±1%
Для устойчивости системы вводим в цепь обратной
связи конденсатор C5. Он даст
устойчивость системы к мгновенным воздействиям. Рассчитаем его значение:
Максимальное напряжение прикладываемое к
конденсатору:
Выбираем конденсаторС5 - К10-17Б-50В-0,33нФ±5%
В качестве ШИМ компараторов выбираем DA4
и DA5 - 521СА3. Данный
компаратор имеет на выходе усилительный каскад с открытым коллекторомIкmax=50мА.
.2.5 Расчет датчика тока
По условию технического задания источник питания
должен прекратить работы при превышении значения тока выше 1.2Iн.
Для фиксирования сигнала по току воспользуемся шунтом
RS1 - 75ШИП1-10-0.5,
с максимальным током Iш_max
= 10А и напряжением при максимальном токе - Uш_max=
75мВ.
При критическом токе напряжение на шунте
составит:
Выберем резисторыR1
и R2-С2-29-0,125-10
кОм±0,5%.
Рассчитаем резистор R6таким
образом, чтобы при номинальном напряжении на шунте, напряжение на выходе
усилителя было равно нулю.
Выберем резистор R6-С2-23-1-1.2МОм±0,5%.
В качестве компаратора выбираем DA3
- 521СА3. Данный компаратор имеет на выходе усилительный каскад с открытым
коллекторомIкmax=50мА.
.2.6 Расчет усилителя мощности
Напряжение прикладываемое к транзисторам VT1
и VT2:
Ток протекающий через транзисторы VT1
и VT2:
Для того, чтобы управлять транзисторами VT1,VT2-2Т908А
с параметрами: Uкэmax=100В,
Iк=10А, β=50,
нам
необходим усилитель мощности.
Ток вторичной обмотки трансформаторов TV2и
TV3:
Ток первичной обмотки трансформаторов TV2и
TV3:
Мы примем для TV2иTV3Ктр=1.
Усилитель мощности строится на базе
усилительного транзисторного каскада, включенного по схеме с общим эмиттером.
Выберем транзисторы VT7
иVT8 - КТ683E
с параметрами: IКmax
= 1 А, UКЭmax
= 60 В, β
= 160
Рассчитаем резисторыR21иR22,
которые является базовым для транзисторовVT7
иVT8:
Выберем R21
и R22: C2-23-0.25-1.2кОм±1%
Рассчитаем резисторыR4иR5,
которые является базовым для транзисторовVT1иVT2:
Выберем резисторы R4
и R5: SQP-10-39Ом±5%.
Рассчитаем резисторы R23и
R24
Выберем резисторыR23иR24:
C2-23-0.125-0.39Ом±5%
.2.7 Расчет индикации
По условию технического задания при превышении
потребляемого тока сверх номинального должна загореться индикация. Для этих
целей выберем светодиод VD10-
АЛ307ВМ с параметрами: Iпр-20мА,
Uпр=2,6
В. Рассчитаем токоограничительный резистор:
Выберем резистор R14:
C2-23-1-6,2кОм±5%.
Заключение
При выполнении данного курсового проекта была
разработана система управления импульсным стабилизатором напряжения на основе
двухтактного преобразователя, управляемым по принципу широтно-импульсного
модулирования. Полученный стабилизированный источник удовлетворяет всем
начальным условиям проекта.
При разработке стабилизированного источника были
закреплены полученные ранее знания, а также получен дополнительный опыт по
расчету различных элементов электронных схем.