Разработка предложений по оперативному изменению структуры системы обмена данными учебных классов

  • Вид работы:
    Дипломная (ВКР)
  • Предмет:
    Информатика, ВТ, телекоммуникации
  • Язык:
    Русский
    ,
    Формат файла:
    MS Word
    692,58 Кб
  • Опубликовано:
    2012-07-16
Вы можете узнать стоимость помощи в написании студенческой работы.
Помощь в написании работы, которую точно примут!

Разработка предложений по оперативному изменению структуры системы обмена данными учебных классов














ДИПЛОМНАЯ РАБОТА

ТЕМА

Разработка предложений по оперативному изменению структуры СОД учебных классов

Содержание

Введение

. Характеристика средств передачи данных используемых в ВСРФ

.1. Назначение, состав комплекса, технические возможности Т-235

.2.Система адресования сообщений, принятая в комплексе технических средств Т-235

Вывод

. Предложение по конструктивному оформлению. Устройства оперативной коммутации для специализированных классов АПД кафедры №6

.1. Предложение по конструкции устройства оперативной коммутации, выполненного на электромагнитном реле

.2. Предложение по конструкции устройства оперативной коммутации, выполненного на микросхемах

Заключение

ВВЕДЕНИЕ

Сегодня возникла необходимость сосредоточить усилия на решение такой важной проблемы, как совершенствование вычислительной техники, ее элементной базы и математического обеспечения средств и систем сбора, передачи и обработки информации.

Эффективное использование вычислительной техники в автоматизированных системах управления (АСУ) невозможно без обмена данными между их элементами. Поэтому создание и развитие автоматизированных систем управления привело к появлению и быстрому развитию нового вида электросвязи - передачи данных.

В соответствии с ГОСТом на термины и определения передачи данных данные определяются как сведения, являющиеся объектом обработки в информационных человеко-машинных системах, а вид электросвязи, целью которого является передача данных по назначению, назван передачей данных.

Совокупность, комплексов технических средств передачи данных, образующих на основе каналов связи первичной сети определённую структуру, функционирующих по заданным алгоритмам и обеспечивающих обмен данными в АСУ, называют системой передачи данных или системой обмена данными (СОД).

Эта система является вторичной сетью системы связи.

Создается общегосударственная система передачи данных (ОГСПД), предназначенная для обеспечения обмена данными между элементами различных АСУ народным хозяйством.

Для систем, обеспечивающих обмен данными в АСУ, чаще используют термин СОД, которым в основном мы будем пользоваться.

Передача данных как вид электросвязи по научно-техническим принципам наиболее близка к телеграфной связи, которая в ГОСТ е на термины и определения телеграфной связи определяется как вид документальной электросвязи, обеспечивающий передачу буквенно-цифрового текста.

Исторически телеграфная связь является первым видом электросвязи, поэтому в период создания и развития передачи данных были широко использованы технические решения из области телеграфной сеяэи. Однако к передаче данных в настоящее время предъявляются существенно более высокие требования по своевременности доставки сообщений, достоверности и скорости передачи. Выполнение этих требований привело к необходимости реализации при передаче данных ряда новых принципов формирования и обработки сигналов. Этим обусловлена широкая возможность использования комплексов передачи данных для передачи телеграфных сообщений, применение же телеграфной техники для передачи данных весьма ограничено. В системе связи телеграфная связь так же, как и СОД образует вторичную сеть связи.

Необходимость моей работы заключается в том, что в процессе обучения курсантов часто возникает необходимость оперативного изменения структуры СОД специализированных классах АПД кафедры №6.Изменение обстановки ставит перед курсантами в процессе занятий проблемы, которые им необходимо решать. Это даёт значительно больший эффект в изучении материала.

1. Характеристика средств передачи данных используемых в ВСРФ

.1 Назначение, состав комплекса

Сети передачи данных могут быть созданы на основе использования комплексов технических средств передачи, коммутации и засекречивания данных Т-235. Аппаратура комплекса Т-235 предназначена для передачи и распределения данных в сетях передачи данных с обеспечением гарантированного засекречивания и иммитозащиты передаваемой и принимаемой информации, а также для обеспечения ведения телефонных переговоров с гарантированным засекречиванием на одном переприёмном участке.

Состав комплекса

1. Комплексы абонентские:

·   носимый Т-235-1Н;

·   возимый Т-235-1В;

·   радиолокационный Т-235-1Л;

·   малогабаритный Т-235-1М;

·   универсальный Т-235-1У;

2. Комплекты узловые:

·   двухканальный Т-235-2;

·   четырёхканальный Т-235-3;

·   восьмиканальный Т-235-4;

·   шестнадцатиканальный Т-235-5;

·   двадцатишестиканальный Т-235-6;

3. Комплекты сопряжения:

·   с комплексом Т-244 (Т-235-1Б, Т-235-7);

·   с комплексами СОД СЗУ (Т-235-4Я, Т-235-8).

Аппаратура комплекса устанавливается в СМ, ШМ и КШМ и обеспечивает обмен данными в сетях передачи данных. Она может также использоваться в составе объектов стационарных пунктов управления.

Комплект абонентский носимый обеспечивает возможность непосредственного ввода и вывода сообщений с помощью входящих в его состав устройств, а также передачу и приём пакетов данных по каналу связи.

При использовании абонентских комплектов и Т-235-1В ввод и вывод сообщений осуществляется с помощью оконечного оборудования данных (ООД) из состава СМ, ШМ и КШМ. К аппаратному стыку Т-235-1В подключается один комплект ООД. Основной функцией Т-235-1В является обеспечение приема и передачи пакетов данных по одному каналу связи.

Узловые комплекты имеют по два узла стыка, позволяющих подключить по два комплекта ООД или один комплект аппаратуры сопряжения и выполняют, как и абонентские, функции передачи и приема пакетов и ввода (вывода) сообщений в (из) ООД, но основной задачей узловых комплектов является обеспечение функций транзита, который реализуется способом коммутации пакетов без вывода или с выводом в ООД. Количество каналов связи, подключаемых к узловым комплектам, определяется числом канальных выходов.

Рис. 1. Порядок применения комплекса ТС Т-235.

Обмен данными с абонентами СОД, построенных с применением других комплексов технических средств, например, с абонентами СОД стратегического звена управления или абонентами СОД тактического звена, использующей комплекс Т-244, осуществляется через шлюзы, создаваемые на базе соответствующих комплексов сопряжения. Сопряжение осуществляется с помощью одного из стыков ИЗ узлового комплекта. Аппаратура ЗАС и УПС используется из состава комплекса технических средств СОД стратегического звена управления.

Наличие двух стыков ИЗ в узловых комплектах при размещении последних в одной аппаратной позволяет соединять их между собой, используя для этой цели один из стыков.

1.1 Технические возможности КТС ПД Т-235

1. Ввод (вывод) заголовков сообщений в (из) ООД выполняется семиэлементными комбинациями кода КОИ-7, в дальнейшем называемыми знаками. Текст вводится (выводится) в виде произвольных семиэлементных комбинаций, т.е. возможна передача предварительно зашифрованного текста. Максимальный объем текстовой части сообщения составляет 458 знаков, при обмене с носимыми комплектами - 77 знаков.

2. Аппаратура комплекса осуществляет передачу одноадресных сообщений для одного и многоадресных для 10 или менее адресатов СОД. Прием одноадресных и многоадресных сообщений подтверждается имитостойкой квитанцией.

3. Комплекс обеспечивает обмен данными, как по направлениям, так и по многоточечным радио и проводным сетям. Количество комплектов в одной сети не превышает 20. В многоточечной сети возможны как парный обмен между двумя любыми комплектами, так и циркулярная передача от одного ко всем комплектам или к комплектам, включенным в список. Комплект, осуществляющий циркулярную передачу для комплектов многоточечной сети, может не входить непосредственно в эту сеть. Циркулярные сообщения в такой сети квитанциями не подтверждаются.

При использовании многоточечных сетей возможны режимы обмена с предварительным контролем занятости сети и без контроля.

. Предусмотрена возможность организации одновременной передачи одного сообщения по параллельным независимым маршрутам.

. Аппаратура позволяет вести обмен данными, обеспечивая выполнение заданных требований при вероятности неправильного приема бита в дискретном канале р £ 10-2. При этом вероятности своевременной передачи сообщений с объемом текстовой части 139 знаков при скорости передачи

R=1,2 кбит/с, времени переключения радиостанции с приема на передачу

tпер = 1 с и времени задержки сигнала в канале по шлейфу tз=1,5 с составляют:

Р {t £ 4,5 c} ³ 0,76 при p £ 10-2;

Р {t £ 4,5 c} ³ 0,85 при р £ 10-3.

При скорости передачи R=16 кбит/с и времени переключения tпер=0,1 сек эти вероятности равны:

Р {t £ 0,7 c} ³ 0,76 при p £ 10-2;

Р {t £ 0,7 c} ³ 0,85 при р £ 10-3.

. Достоверность оценивается коэффициентом ошибок для знаков первичного кода, не превышающим величину 10-6. Она достигается за счет:

·   использования циклического кода (24, 16) в режиме исправления одиночных, парных и обнаружения остальных ошибок;

·   применения каскадного кода, в котором код (24,16) употребляется как внутренний, а внешним является код Рида-Соломона с 16-ю шестнадцатиэлементными избыточными комбинациями кода (24,16). Код Рида-Соломона используется в режиме исправления стираний, образуемых при обнаружении ошибок кодом (24, 16), и ошибок, не обнаруженных внутренним кодом;

·   трехкратного повторения сообщений в составе пакета;

·   применения накопления правильно принятых комбинаций;

·   повторной передачи пакета в канале передачи данных при отсутствии квитанции. Общее число передач не превышает трех.

7. Аппаратура обеспечивает работу со скоростями передачи:

·   по физическим цепям -32; 16; 9,6; 2,4; 1,2 кбит/с;

·   по высокоскоростным импульсным каналам 32, 16 кбит/с;

·   по среднескоростным импульсным каналам 9,6; 2,4; 1,2 кбит/с;

·   по каналам ТЧ 2,4; 1,2 кбит/с;

·   по каналам ТГ 0,1 кбит/с.

Для работы со скоростью 32 кбит/с могут с помощью специального устройства использоваться импульсные каналы со скоростью 48 кбит/с.

. Комплекс обеспечивает работу по импульсным каналам 1,2 кбит/с, получаемым через АТС-ДС, с подключением к канальному или абонентскому полю. При этом предусмотрена возможность автоматического образования каналов передачи данных через сеть с коммутацией каналов.

9. Аппаратура позволяет использовать для обмена данными в полудуплексном режиме радиостанции со временем переключения с приема на передачу 0,1; 1,0; 4,0 с.

10. Дальность связи по проводным направлениям (кабель П-274) составляет:

·   на скорости 32 кбит/с-до 5 км;

·   на скорости 16 кбит/с-до 15 км;

·   на скорости 1,2 кбит/с-до 20 км.

Дальность связи при использовании проводных сетей:

·   на скорости 16 кбит/с-до 5км;

·   на скорости 1,2 кбит/с-до 10 км.

11. Предусмотрена возможность поочередного использования одного из каналов для передачи данных и ведения телефонных засекреченных переговоров. При этом два комплекта аппаратуры должны быть соединены непосредственно между собой каналом (проводом) для работы со скоростью 16 или 32 кбит/с.

12. Аппаратура обеспечивает гарантированное засекречивание и имитозащиту по 1 классу передаваемых данных и гарантированное засекречивание речи.

. Предусмотрено приоритетное обслуживание сообщений (относительный приоритет) в соответствии с четырьмя категориями срочности: первой, второй, третьей и четвертой. Высший приоритет по обслуживанию имеют сообщения первой категории, более низкий - второй, затем третьей и четвертой. Сообщения одинаковых категорий обслуживаются в соответствии с очередностью поступления. Заявки на телефонные переговоры имеют вторую категорию срочности.

. С помощью встроенных датчика и анализатора контрольного теста возможен контроль дискретного канала связи с индикацией его результатов. Тест при скоростях 1,2 кбит/с и выше содержит 155 бит, при скорости 0,1 кбит/с-104 бит. Состояние канала индицируется как аварийное при коэффициенте ошибок (отношение числа бит, принятых ошибочно, к общему числу переданных), большем 10-2.

. В аппаратуре комплекса предусмотрены встроенная система автоматического контроля работоспособности, сигнализация о неисправностях и выходе из строя ее основных частей, а также возможность оценки состояния аппаратуры по контрольным и тестовым сообщениям.

16. Узловые комплекты комплекса осуществляют транзит сообщений путем коммутации пакетов с автоматическим выбором основного и запасных (до пяти) маршрутов по заранее подготовленным и записанным в памяти таблицам маршрутов.

Таким образом, анализ современного состояния системы связи ТЗУ и прогнозируемых условий ее боевого применения показывает, что основные направления совершенствования связи в ТЗУ находятся в створе решений проблемы обеспечения устойчивого, непрерывного и скрытного управления частями и подразделениями на всех этапах подготовки и ведения боевых действий.

Принимаемые в последние 2 - 3 года меры по комплексному переоснащению частей и подразделений связи серийно выпускаемыми и модернизируемыми средствами связи системы "Редут -2" в т.ч. на бронированной транспортной базе, позволяют в целом улучшить оперативно-технические характеристики системы связи ТЗУ и прежде всего, расширить перечень услуг по видам связи, предоставляемых оперативному составу ПУ ТЗУ, включающий засекреченную с гарантированной стойкостью телефонную, факсимильную, телеграфную и передачу данных. Для прохождения информации в СОД важно существование путей его прохождения или, проще говоря, маршрутизация, или способ маршрутизации, который в свою очередь основан на структуре таблицы маршрутов или структуре таблицы конфигурации.

.2 Способ маршрутизации. Структура таблицы маршрутов. Структура таблицы конфигурации

В СОД, построенной на основе применения комплекса технических средств Т-235, реализован способ маршрутизации, при котором для каждого адресата или группы адресатов заранее назначаются маршруты доведения сообщений и указывается степень их предпочтительности. Выбор того или иного маршрута осуществляется путем назначения исходящего направления (канального выхода аппаратуры) для каждого передаваемого сообщения.

Порядок выбора альтернативных маршрутов определяется заранее. Однако, если несколько маршрутов объявлены равнозначными, то назначение одного из них производится на основе анализа длин очередей сообщений, подлежащих передаче по равнозначным маршрутам. Сообщение будет передаваться по каналу передачи данных, очередь на который в данный момент минимальна.

При объявлении маршрутов параллельными передача сообщения будет осуществляться одновременно по двум каналам, если на позиции ВС заголовка сообщения указан символ 2.

Таким образом, применяемый способ маршрутизации, наряду с фиксированным выбором направления дальнейшей передачи, содержит элементы адаптации к сложившейся в сети обмена данными ситуации посредством учета длин очередей в коммутаторе сообщений.

Информация, применяемая для выбора маршрутов, оформляется в виде специальной таблицы маршрутов (ТМ). Каждая строка ТМ содержит сведения о маршрутах доведения сообщений до объекта, адрес которого указан в начале строки. Последовательность записи маршрутной информации в строке ТМ определяет порядок выбора маршрутов. Максимальное число назначаемых кому объекту маршрутов равно 6, при этом допускается их повторение.

Реализованный в СОД способ ступенчатого (иерархического) адресования позволяет сократить объем ТМ за счет объединения абонентов в адресные группы и назначения ко всем абонентам одной группы одних и тех же маршрутов. К отдельному адресату маршруты назначаются только в том случае, если его адрес принадлежит собственной локальной сети (той же, что и адрес комплекта, для которого составляется ТМ). Ко всем адресатам каждой другой локальной сети собственной подзоны назначаются одинаковые маршруты. Аналогично каждая строка ТМ соответствует определенной подзоне собственной зоны и определенной зоне.

Структура таблицы маршрутов

В памяти узлового комплекта аппаратуры могут быть записаны маршруты к каждому из 200 объектов адресования собственной локальной сети, к 20 зонам, 10 под зонам и 20 локальным сетям. Следовательно, максимальный объем ТМ составляет 250 строк (Кроме того, ТМ содержит дополнительные строки (по числу каналов комплекта), которые используются для шлейфового контроля аппаратуры в режиме «Контроль» или «Перезапуск».)

Строка ТМ имеет следующую структуру:

N1N2N31k1h1П2k2h2… П6k6h6AbX1X2 _ _

где,. N1N2N3,- номер строки;

) - разделитель (закрывающая скобка);

АвХ1Х2 - сокращенный телефонный номер или адрес порта;

_ _ - признак конца строки (два пробела);

Пikihi - маршрутная информация для i-го маршрута.

Длина строки ТМ не является постоянной. Она зависит от числа маршрутов, назначенных абоненту: l ≤ i ≤6.

Номер строки служит для идентификации объекта, к которой назначаются маршруты. При этом позиция N1 указывающая ступень адресования, заполняется следующим образом:

1 - для зоны:

2 - для подзоны:

3 - для локальной сети;

4 - для адресата в локальной сети.

На позициях N2N3 записывается номер ступени адресования. Таким образом, номер строки ТМ, в которой указываются маршруты к адресатам, будет иметь вид:

-     для зоны - N1N2N3 = 1АВ, где АВ - номер зоны;

-     для подзоны - N1N2N3 =20а, где а -номер подзоны;

-     для локальной сети - N1N2N3= ЗАв, где Ав - номер локальной сети;

-     для абонента в локальной сети - N1N2N3 = 4Х1X2, где Х1X2 - номер адресата в локальной сети.

Разделитель, кодируемый символом “ ) ”, служит для отделения, номера строки от маршрутной информации.

Маршрутная информация, записываемая на позициях Пikihi, в случае выбора i-го маршрута однозначно определяет направление передачи и дает его характеристику.

На позиции Пi указывается позывной смежного комплекта аппаратуры, а на позиции ki - номер канала собственного комплекта аппаратуры.

Позиция Пi может заполняться 1 из 20 символами (0, 1, 2, 3, 4, 5, 6, 7, 8, 9, А, Б, Ц, Д, Е, Ф, Г, X, И, Й), используемых для обозначения позывных, или одним из двух (+, М)-для обозначения циркулярных и списочных позывных.

Позиция kt может кодироваться одним из следующих cимволов : 0, 1, 2, 3, 4, 5, 6, 7, 8, 9, Ю, А, Б, Ц, Д, Е, Ф, Г, X, И, Й, К, Л, М, Н, О, П. При этом символ 0 относится к направлению вывода на ООД, а остальные указывают номер канала аппаратуры с 1 по 26 соответственно.

Позиция hi служит для объявления характеристики маршрута. Значение, принимаемое ею, указывает на возможность речевого обмена по каналу с номером ki, или параллельную передачу сообщений по каналам ki и ki+1, или равнозначность каналов ki и ki+1.

Кодирование позиции hi, поясняется табл. 1.

Таблица1

Характеристика маршрута hi

Параллельность

Равнозначность

Речевой обмен

0

0

0

0

1

0

1

2

0

1

0

3

0

1

1

4

1

0

0

5

1

0

1

6

I

1

0

7

1

1

1


Примечание. Для 2, 3 и 4 столбцов символ 1 означает наличие данной характеристики маршрута, а 0 - отсутствие.

Допускается разделение маршрутной информации, относящейся к различным маршрутам, символом _.

На позициях AbX1X2 строки ТМ указывается используемый для коммутации канала при передаче сообщений сокращенный телефонный номер абонента или адрес порта, к которому в настоящее время подключается привилегированный абонент. В последнем случае по адресу порта отыскивается соответствующая строка ТМ и по ней производится выбор маршрута.

Если позиция П1 заполнена символом = (признак собственной ступени адреса), то на позициях ki и hi должны стоять нули.

Маршрутная информация для других маршрутов, а также телефонный номер или адрес порта при этом не записываются. Таким образом, строки ТМ, соответствующие собственному адресу ABabX1X2 комплекта структуры, имеют вид

АВ) = 00 _ _

а) = 00 _ _

Аb) = 00 _ _

Х1Х2) = 00 _ _

В сокращенном виде представляются также строки, соответствующие циркулярным и списочным адресам, при условии, что абоненты-получатели непосредственно подключены к канальному выходу комплекта аппаратуры, при этом строка ТМ имеет вид

Х1Х2)+k1h1 _ _ для циркуляра по каналу k1

Х1Х2)Mk1h1 _ _ для списочного сообщения по каналу k1.

Если число возможных маршрутов меньше 6, то для последнего маршрута после записи маршрутной информации можно поставить признак конца строки. Однако при наличии в строке ссылки на использование телефонного номера (Пi= К) или адреса порта 1(Пi= : )маршрутная информация должна быть записана по всем маршрутам. В этом случае для маршрутов i+l, i+2 и т.д. указывается признак их отсутствия, т.е. применяется запись Пkh=?00.

Структура таблицы конфигурации

Для обеспечения функционирования узлового комплекта аппаратуры в память АКС кроме ТМ необходимо ввести информацию о позывных, присвоенных каналам, о номерах ключей, применяемых для засекречивания информации при обмене по каждому каналу, а также определить функции оконечного оборудования данных. Эти сведения оформляются в виде специальной таблицы конфигурации (ТК) и построчно вводятся в память АКС.

Количество строк в ТК не является постоянным и зависит от типа используемых каналов и реализуемых в аппаратуре функций. При этом обязательными являются строки, описывающие конфигурацию:

-     позывных собственных каналов;

-       ключей для засекречивания сообщений данных;

-       ключей для засекречивания речевых сообщений;

-       оконечных устройств.

Кроме того, в ТК могут быть включены строки, определяющие необходимость квитирования сообщений, принятых с ООД, сшивки многопакетных сообщений, а также строки, описывающие свойства используемых каналов. Каждая строка ТК имеет трехпозиционный условный номер, определяющий ее тип, а также информационную часть, которая отделяется от номера с помощью разделителя “ ) “( закрывающая скобка) и, как правило, устанавливает соответствие между элементами двух множеств путем перечисления пар этих элементов. При этом для разделения пар символов, обозначающих данные элементы, используется символ _. Признаком конца строки ТК является два пробела ( _ _ ).

Структура строки, описывающей конфигурацию позывных, имеет вид

КПЗ)k1П1_k2П2_... kiПi_... knПn_ _

где КПЗ - условный номер строки, определяющий адрес зоны памяти АКС, в которую будет записана информационная часть строки;

ki - номер канала аппаратуры;

Пi - позывной, присваиваемый каналу с номером ki.

Таким образом, строка КПЗ устанавливает соответствие между элементами множества номеров каналов и элементами множества позывных.

Структура строки, характеризующей конфигурацию сетевых ключей для засекречивания сообщений данных, имеет вид

КЛД)k1z1_k2z2_... kizi_... knzn_ _

где КЛД - условный номер строки;

ki - номер канала;

zi- номер зоны памяти СПС, в которую записан ключ, используемый для засекречивания информации, передаваемой по каналу с номером ki.

Структура строки, определяющей конфигурацию ключей засекречивания речевых сообщений, имеет вид

КРЧ)k1z1R1_k2z2 R2_... kizi Ri_... knznRn_ _

где КРЧ - условный номер строки;

ki - номер канала;

zi- номер зоны памяти СПС, в которую записан ключ, применяемый для засекречивания речевой информации, передаваемой по каналу с мером ki;

Ri - признак режима ведения телефонных переговоров принимающий значение С при полудуплексном или Д при дуплексном обмене.

Для обозначения 16 ключевых зон памяти СПС используются следующие символы: 0, 1, 2, 3, 4, 5, 6, 7, 8, 9, Й, К, Л, М, Н, ?. Структура строки, описывающей конфигурацию оконечных устройств, имеет вид

КОУ)f1s1_ f2s2_... fisi_... fnsn_ _

где КОУ - условный номер строки;

fi, - номер функции, выполняемой оконечным устройством;

si - номер стыка ИЗ, по которому должно выдаваться сообщение на ООД, выполняющее функцию fi.

Значения, принимаемые fi, приведены в табл. 1

Таблица 2

Содержание функции

1 2 3 4 5 6 7 8

Регистрация не доведенных сообщений Регистрация всех сообщений Вывод адресной информации ООД управления Вывод на вычислительный комплекс Вывод сообщений от Т-235-1Н Определяется пользователем (9П9020) Определяется пользователем (9П9018)

 

Для заполнения позиции Si используются символы кода КОИ-7, которым соответствуют двоичные комбинации с первым элементом 1-для вывода по стыку№1, например 1, 3, 5, 7 и т.д., а для вывода по стыку №2 - символами, имеющими комбинации с первым элементом 0, например 0, 2, 4, 6 и т.д. При этом выбор номера стыка осуществляется на основе анализа четности символа, записанного на позиции Si.

Таким образом, строка КОУ устанавливает соответствие между восемью элементами множества функций ООД и двумя элементами множества номеров стыков И.З..

Итак для обеспечения функционирования сети передач данных, развертываемой при использовании комплекса средств передачи данных

Т-235, необходимо каждому объекту адресования присвоить определенный адрес, каждому канальному выходу АПД - позывной приема, для каждого узлового комплекта выделить пароль и разработать таблицу маршрутов и таблицу конфигураций. Кроме этого, необходимо установить соответствие между зонами памяти СПС и канальными выходами АПД для обеспечения сетевого засекречивания данных и речи, а также между зонами памяти СПС и адресами объектов для обеспечения абонентского засекречивания. Для каждого комплекта необходимо также разработать справочно-адресную таблицу с необходимыми сведениями об адресах абонентов, для которых возможна передача сообщений. Совокупность документов, содержащих эти сведения, называют маршрутно-адресными документами (МАД).

На всех этапах функционирования СОД должно быть обеспечено соответствие содержания МАД составу и дислокации абонентов и физической структуре СОД, т. е. размещению комплектов СОД и способу их соединения каналами связи.

Вывод:

Таким образом, для обеспечения функционирования системы обмена данными, построенной на базе КТС ПД Т-235, необходима разработка адресной информации, включающей в себя “Таблицу маршрутов” и “Таблицу конфигураций”, которые затем вводится в память узловых (многоканальных) комплектов АПД Т-235, а так же одноканальных комплектов АПД Т-235-1У.

2. Предложение по конструктивному оформлению. Устройства оперативной коммутации для специализированных классов АПД кафедры №6

В процессе изучения на кафедре №6 дисциплины “Средства и комплексы системы обмена данными” много внимания уделяется изучению раздела “Разработка маршрутно-адресной информации”. При изучении этого раздела сравнительно мало времени уделяется практической разработке маршрутно-адресной информации. Этот вопрос отрабатывается в специализированных классах АПД.

Аппаратура в классах имеет постоянное соединение, поэтому, отрабатывая этот вопрос, курсанты быстро привыкают к статической схеме. Изменение исходных данных в заданиях не даёт достаточного эффекта.

В своей дипломной работе я разработал предложения по изготовлению “Устройства оперативной коммутации комплектов АПД”, специализированных классов №310 и №302. Это устройство позволяет преподавателю в процессе занятия менять схему соединения канальных выходов АПД, изменяя тем самым обстановку.

Я предлагаю для разработки два варианта устройств коммутации: на электромагнитных реле и микросхемах. Ниже рассмотрим варианты построения этих устройств.

.1 Предложение по конструкции устройства оперативной коммутации, выполненного на электромагнитном реле

Под термином реле принято понимать автоматически действующий аппарат, предназначенный при заданном значении воздействующей величины, характеризующей определенное внешнее явление, производить скачкообразные изменения в управляемых системах.

Воздействующей величиной называется величина, на которую должно реагировать реле. Воздействующая величина может образовываться из одной или нескольких величин, подведенных к различным входам реле и называющихся входными величинами. Реле, для которого, воздействующая величина является электрической, называется электрическим реле. В свою очередь электрическое реле, применяемое в устройствах защиты элементов электрических установок, носит название реле защиты.

По способу подключения к главной электрической цепи реле защиты разделяются на первичные, подключаемые непосредственно к главной электрической цепи, и вторичные подключаемые через индуктивную или емкостную связь.

По способу воздействия на отключающее электрическую установку устройство реле разделяется на реле прямого и косвенного действия. Реле прямого действия непосредственно воздействуют на отключающее устройство, в то время как реле косвенного действия воздействуют через промежуточный элемент. По назначению реле делятся на измерительные и логические. Реле, предназначенные для срабатывания определенной точностью при заранее установленном значении воздействующей величины в пределах непрерывного диапазона, называются измерительными реле. Измерительные реле, предназначенные для срабатывания при значениях воздействующей величины, больших заданного, называются максимальными реле, при значениях воздействующей величины, меньших заданного, - минимальными реле.

Одна и та же часть реле может объединять в себе функции нескольких конструктивных элементов. Электромагнит промежуточного реле может быть одновременно преобразующей и, при наличии короткозамкнутой обмотки, замедляющей частью реле. В данном случае электрическая энергия преобразуется в энергию магнитного поля, а затем в механическое усилие на якоре, которое сравнивается с усилием противодействующих пружин. Реакция короткозамкнутой обмотки замедляет начало перемещения якоря электромагнита.

У любого реле или его части различают два состояния:

начальное - состояние при отсутствии воздействующей величины;

конечное - установившееся состояние при превышении воздействующей величиной заданного значения.

Появление воздействующей величины на входах реле называется возбуждением.

Переход реле или его части из начального состояния в конечное называется действием, и наоборот, переход из конечного состояния в начальное принято называть отпусканием. Частным случаем действия является срабатывание реле - выполнение реле предназначенной функции. Так, втягивание якоря электромагнита реле времени после подачи напряжения на обмотку является действием электромагнита. Под срабатыванием реле времени понимается замыкание его контактов с выдержкой времени, обусловленной часовым механизмом, что, собственно, и является функцией реле. Переход реле в состояние, в котором оно находилось до срабатывания, называется возвратом реле. Переход якоря электромагнита реле времени (части реле) в начальное положение при снятии напряжения с его обмотки является отпусканием электромагнита. Переход в начальное состояние всего реле (электромагнита, часового механизма, контактов) является возвратом реле.

Срабатывание реле в соответствии с его назначением называется правильным срабатыванием реле.

Несостоявшееся требуемое срабатывание реле называется отказом срабатывания реле, и наоборот, состоявшееся не требуемое срабатывание реле называется излишним срабатыванием реле.

Все реле характеризуются основными параметрами:

-   параметр срабатывания реле- пороговое (граничное) значение воздействующей величины при срабатывании, разделяющее зоны срабатывания и несрабатывания реле в пределах непрерывного диапазона изменения этого параметра. Заданное пороговое значение воздействующей величины при срабатывании или заданная выдержка времени, после которой реле должно сработать, называется также уставкой, а положение указателя на шкале реле, соответствующее заданным параметру срабатывания или выдержке времени, называется уставкой по шкале. В некоторых случаях воздействующая величина зависит от соотношения входных величин и угла между ними (реле мощности или сопротивления). Зависимость между входными или воздействующими величинами в условиях срабатывания называется характеристикой срабатывания. Совокупность точек в комплексной плоскости R, X, соответствующих срабатыванию реле, для которого воздействующая величина определяется комплексным числом R+jX, называется областью срабатывания реле, а линия, отделяющая в комплексной плоскости область срабатывания, - граничной линией. Иногда характеристика срабатывания показывает зависимость кратности тока в исполнительной части реле по отношению к току в ней при срабатывании от соотношения входных величин. Такая зависимость носит название характеристики чувствительности.

Изменение параметра срабатывания реле с двумя и более входными величинами под влиянием одной из входных величин называется самоходом;

-   параметр точной работы реле - значение входной величины, при которой параметр срабатывания начинает отличаться от уставки на заданную величину. Параметр точной работы относится к реле, реагирующим на отношение двух входных величин, например, к реле сопротивления, у которых при малых значениях тока сопротивление срабатывания уменьшается. При некотором значении тока отклонение сопротивления срабатывания от уставки начинает превышать заданное значение (-10%) сопротивления срабатывания. Это значение тока соответствует нижнему значению тока точной работы.

Вследствие насыщения трансреакторов аналогичное явление наблюдается и при большом токе, который соответствует верхнему значению тока точной работы;

-   параметр возврата реле - граничное значение воздействующей величины, при котором происходит возврат реле. Отношение параметра возврата к параметру срабатывания реле называется коэффициентом возврата реле. Для максимальных реле коэффициент возврата меньше единицы, для минимальных - больше единицы;

-       параметр удерживания реле - граничное значение входной величины, при котором реле остается в положении срабатывания. Этот термин в основном относится к промежуточным реле, имеющим специальные удерживающие обмотки;

-       тормозная величина - входная величина, препятствующая срабатыванию (например, ток тормозных обмоток устройств блокировок при качаниях, дифференциальных реле и др.);

-       время срабатывания реле - время с момента появления воздействующей величины определенной кратности по отношению к параметру срабатывания до воздействия реле на управляемую систему. Замедление при передаче воздействия называется выдержкой времени.

Параметры срабатывания реле не всегда совпадают с уставкой реле. Отклонение параметра срабатывания реле от уставки, выраженное в процентах или в единицах измерения параметра срабатывания, принято называть погрешностью срабатывания реле. При этом разность между максимальным и минимальным значениями параметра срабатывания реле при заданном количестве измерений на какой-либо уставке носит название абсолютного значения разброс а параметра срабатывания. Разброс параметров срабатывания определяется при неизменных условиях работы реле (определенном значении температуры и влажности окружающего воздуха, положении реле в пространстве и т. д.).

Погрешность срабатывания реле определяется как в нормальных условиях, так и в заданных диапазонах изменения отдельных факторов, определяющих условия работы реле (изменения температур и влажности окружающего воздуха, токов, напряжения, частоты сети и т. д.).

Для реле и устройств защиты, внедренных в производство после 1971 г., климатические факторы регламентируются ГОСТ 15150-69 и 15543-70.

Все конструктивные части реле или устройства защиты монтируются на механически прочных, влагостойких основаниях и защищаются от механических воздействий и от попадания посторонних частиц кожухами.

В местах соприкосновения кожуха с основаниями обычно помещаются уплотняющие прокладки для предохранения от проникновения пыли. Часто кожухи комплектов и устройств защиты в свою очередь состоят из двух частей: венчика и стенки кожуха. В этом случае уплотнительные прокладки помещаются также в местах соприкосновения венчика и стенки кожуха.

В основном реле и устройства защиты имеют кожухи с прозрачной передней стенкой. В этом случае, когда в реле или устройстве защиты шкалы контакты или указатели срабатывания не видны с лицевой стороны или совсем отсутствуют, передние стенки могут быть и непрозрачными, например устройство типа ВУ-2, блоки питания и т. д.

Для установки в комплектные устройства целый ряд реле имеет исполнения без кожуха. Например, реле тока, времени, промежуточные и сигнальные реле, для установки в комплекты серии КЗ выполняются на штепсельных разъемах.

Совокупность основания и кожуха (венчика и стенки кожуха), в реле или устройстве принято называть корпусом. Реле и устройства защиты по роду исполнения корпусов разделяются следующим образом: с корпусами, выступающими над лицевой стороной панели, и с утопленными корпусами.

По роду присоединения внешних проводников реле и устройства защиты выполняются с передним и задним присоединением внешних проводников.

Корпуса выступающего исполнения выполняются чаще всего как с передним, так и с задним присоединением внешних проводников. Для корпусов утопленного исполнения применяется только заднее присоединение проводников.

У вертикально расположенных рядов нумерация выводов производится сверху вниз. Выводы, расположенные слева (если смотреть с лицевой стороны), нумеруются нечетными числами, выводы, расположенные справа, - четными.

У горизонтально расположенных рядов выводов выводы нумеруются слева направо.

Выводы, расположенные вверху, нумеруются нечетными числами, выводы, расположенные внизу, - четными.

Детали реле или устройства защиты, предназначенные для заднего присоединения внешних проводников, имеют длину части, выступающей за опорную поверхность основания, рассчитанную для их монтажа на металлической панели толщиной до 5 мм. Выводы реле для присоединения внешних проводов рассчитаны для присоединения к ним двух проводов каждый сечением до 4 мм2.

К электромагнитным относятся реле, работа которых основана на воздействии магнитного поля обтекаемой током обмотки на ферромагнитный якорь. Обмотка размещается на ферромагнитном сердечнике, образующем вместе с якорем магнитопровод реле. Наличие магнитопровода позволяет направить магнитный поток по заданному пути и значительно повысить его значение за счет увеличения магнитной проводимости его пути. Часть магнитного потока ответвляется от магнитопровода и замыкается в окружающем пространстве, образуя потоки рассеяния. Возможность перемещения якоря обеспечивается воздушными зазорами между ним и сердечником. Зазоры, в которых возникают перемещающие якорь усилия, называют рабочими (р. на рис.2) в отличие от нерабочих зазоров бп, усилия в которых на перемещение якоря практически не влияют. Различают также начальный рабочий зазор при отпущенном якоре и конечный рабочий зазор при притянутом якоре..

Зависимость тяговой силы электромагнита от положения якоря в статическом режиме при неизменном значении тока / или напряжения U на катушке изображается тяговыми характеристиками Fam=f(), показанными на рис. 2 (кривые 2' и 3').

а)                        б)                  в)                   г)

Рис. 2 Тяговые (2, 3) и противодействующая (1) характеристики электромагнита.

Движению якоря электромагнита противодействует возвратная пружина, усилия, возникающие при прогибе замыкающих контактов, и иногда масса якоря.

Рассмотрим характер изменения противодействующих сил Fnp при движении якоря (механическую характеристику электромагнита) на примере контактной системы, аналогичной системе (см. рис. 2)

Рис.3. Кривые намагничивания магнитопровода при притянутом якоре

В начальном положении, при отсутствии напряжения на обмотке электромагнита, подвижная система поднята вверх цилиндрической возвратной пружиной 1 (рис. 2-2, а) и прижата к упору 2. Размыкающие контакты замкнуты, плоская пружина подвижного контакта 3 выгнута под действием возвратной пружины. Давление на упор, если пренебречь массой подвижной системы, равно разности усилий возвратной пружины Fпруж. и пружины подвижного контакта FK и изображено отрезком нач. а механической характеристики (кривая l', Рис. 2-2, г). При перемещении подвижной системы якорем электромагнита вниз возвратная пружина сжимается, а прогиб пружины подвижного контакта уменьшается. Противодействующее усилие круто нарастает (отрезок аб). После размыкания размыкающего контакта (рис. 2-2, б) на подвижную систему действует только возвратная пружина, кривая нарастания противодействующего усилия более пологая(отрезок бв ). После замыкания замыкающих контактов (рис. 2-2, в) к усилию возвратной пружины добавляется усилие, необходимое для прогиба пружины подвижного контакта, суммарное противодействующее усилие вновь круто нарастает (отрезок вг). В точке г электромагнит приходит в конечное положение, якорь касается сердечника, и дальнейшее нарастание усилий к перемещению подвижной системы не приводит (вертикальный участок механической характеристики).

Реле, находящееся в начальном положении, сработает, если взятая с обратным знаком тяговая характеристика электромагнита (кривая 2' при /=const) пересечет механическую характеристику в точке а или будет располагаться выше ее и нигде больше не пересечет участок абвг. Реле, находящееся в конечном положении, вернется в начальное положение, если тяговая характеристика (кривая 3' при /=const) пересечет механическую в точке г или будет располагаться ниже ее и нигде больше не пересечет участок абвг. При повторном пересечении участка подвижная система остановится в промежуточном положении. Если тяговая характеристика на некотором участке совпадает с механической, то подвижная система может занимать любое положение в пределах этого участка. Чем больше разница в наклонах тяговой и механической характеристик, тем больше будут отличаться напряжения срабатывания и возврата, тем ниже будет коэффициент возврата кв. Коэффициент возврата повышается с уменьшением хода якоря, в этом случае тяговая и механическая характеристики разойдутся на меньшую величину. Коэффициент возврата зависит от предшествующего магнитного состояния стали магнитопровода. Рассмотрим кривые намагничивания магнитопровода при притянутом якоре, приведенные на рис. 3 .Пусть сердечник намагничен до некоторой индукции В', соответствующей точке а' на основной кривой намагничивания). При уменьшении м. д. с. обмотки индукция будет изменяться по нисходящей кривой петли гистеризиса 2, в точке в' при м. д. с. fg индукция снизится до значения, соответствующего возврату. Если сердечник намагнитить до большей индукции В" (точка а"), то уменьшение ее будет происходить уже по кривой 3, индукция, соответствующая возврату, будет достигнута в точке в" при м. д. с. F"B. При отпущенном якоре в магнитной цепи преобладает линейное сопротивление воздушного зазора, явление гистерезиса выражено слабо, поэтому м. д. с. в условиях срабатывания значительно меньше зависит от предшествующего магнитного состояния стали. Отсюда следует, что коэффициент возврата


величина непостоянная и зависит от намагниченности магнитопровода. С этим явлением необходимо считаться, например, у реле минимального напряжения РН-54, работающего на выпрямленном токе, особенно на малых уставках. У остальных реле постоянного тока (за исключением реле напряжения постоянного тока РН-51) магнитопровод при номинальном напряжении обычно насыщен и изменение индукции происходит по предельной или близким к ней петлям гистерезиса, поэтому зависимость коэффициента возврата от намагниченности стали выражена слабо.

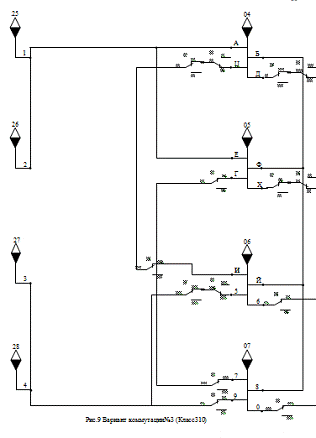
Основными элементами устройства коммутации на электромагнитных реле является реле типа РЭС-22 и РЭС-9. Я выбрал эти типы реле потому, что:

1.       Их напряжение питания -12В.

2.       Они являются переключающими, что даёт возможность на одном реле реализовать два варианта схемы: на нормально замкнутых и нормально разомкнутых.

.        Реле РЭС-22 содержит 4 группы контактов, что позволяет одновременно одним реле коммутировать два канала в двухпроводном исполнении.

Эти реле имеют два состояния. При отключенном питании нормально замкнуты контакты 4-6,1-3,10-12,7-9.При включении питания коммутируются цепи контактами 4-5,1-2,10-11,7-8. Но какие-то контакты лишь только замыкаются и размыкаются, получается только два варианта. Для получения третьего варианта я совместил два реле РЭС-22.


Реле№1 Реле №2

Рис.4 Вариант соединения двух реле РЭС-22 (реле обесточено).

При подаче напряжения питания реле №1, в нём замыкаются контакты 4-5;1-2;10-11;7-8 и информация поступает через контакты 1;4;10 и 7 на второе реле, контакты которого находятся в нормально замкнутом состоянии (реле обесточено). Таким образом, первый вариант коммутации осуществляется на нормально замкнутых контактах реле, т.е. все реле обесточены, а второй вариант, при подаче питания на первое реле и при обесточенном втором.

При подаче питания на оба реле образуется третий вариант коммутации, т.е. информация (канальные выходы АПД) проходит через рабочие контакты реле.

В схеме коммутации наряду с реле РЭС-22 используются реле РЭС-9. Отличительной их особенностью является то, что они могут одновременно коммутировать две пары контактов, т.е. один канал в двухпроводном исполнении.

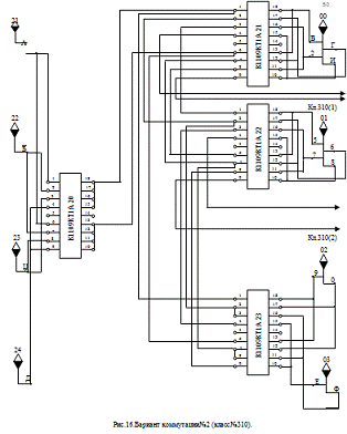
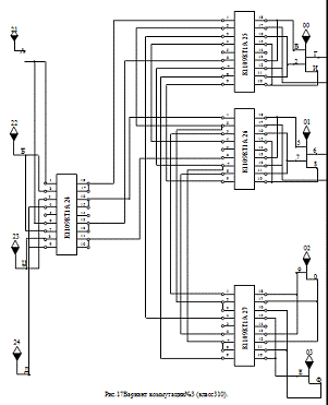
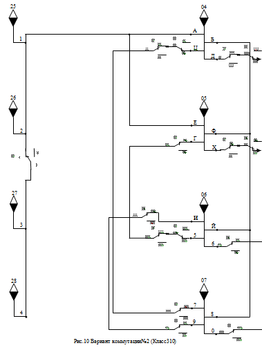
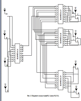
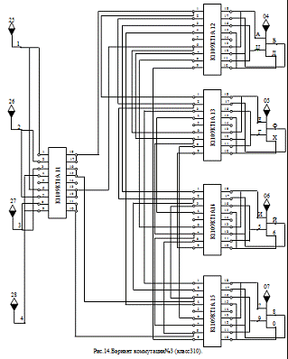
Варианты коммутации канальных выходов АПД в специализированных классах устройства коммутации выполненном на электромагнитных реле показаны на рисунках 5-10.




.2 Предложение по конструкции устройства коммутации оперативной коммутации выполненного на микросхемах

Вторым возможным вариантом выполнения “Устройства оперативной коммутации” канальных выходов АПД в специализированных классах 302 и 310 является вариант выполнения этого устройства на микросхемах.

Для этого варианта и предлагаю использовать микросхемы серии 1109. Это комплект семи и восьмиканальных ключей для управления мощными нагрузками

В данном устройстве коммутации предлагаю использовать микросхему КТ1109КТ1А-восьмиканальный коммутатор с программируемым уровнем выходного тока. Достоинством микросхемы является то, что она является пассивной, т.е. не требует для своей работы источников питания, а управляется управляющими сигналами. Одновременно она может коммутировать восемь направлений, т.е. четыре канала в двухканальном исполнении, что по сравнению с другими микросхемами, рассмотренными мною в процессе работы, является экономически более выгодным и целесообразным. И главное то, что среди возможных режимов работы АПД есть режим передачи телеграфной информации, сигналы которой имеют амплитуду 10; 20 и 60В. А эта микросхема позволит работать с сигналами такого уровня.

Более подробно о микросхеме.

Конструктивно она оформлена в корпусе типа 2104.18-4. назначение контактов показано в таблице №1 электрические параметры микросхемы приведены в таблице№2, принципиальная схема ИМС показана на рис№11

Таблица №11

№ контактов

Назначение

1

вход 1-го ключа;

2

вход 2-го ключа;

3

вход 3-го ключа;

4

вход 4-го ключа;

5

общий;

6

вход 5-го ключа;

7

вход 6-го ключа;

8

вход 7-го ключа;

9

вход 8-го ключа;

10

выход 8-го ключа;

11

выход 7-го ключа;

12

выход 6-го ключа;

13

выход 5-го ключа;

14

управление;

15

выход 4-го ключа;

16

выход 3-го ключа;

17

выход 2-го ключа;

 18

выход 1-го ключа;

 

Таблица 2. Параметры работы микросхемы

Параметры

Режим измерения

Значение параметра

Uост , В

Uвх=3,5 В; Uупр=5 В; Iвых=0,8 мА

 ≤ 8

Iвх , мА

Uвх=2,4 В; Uвых=60 В; Uупр=5 В

 ≤ 0,44

Iвых, мА

 0,85…1,15

Iут, мкА

Uвых=150 В

 ≤ 5


Рис 11. Принципиальная схема ИМС КТ1109КТ1

Предлагаемое мною “Устройство оперативной коммутации”, исполненное на ИМС КТ1109КТ1 разработано, так же как и на реле в трёх вариантах и обеспечивает те же возможности, что и релейная схема.

Единственным отличием является то, что первый вариант релейной схемы работает при отсутствии напряжения питания, а при исполнении схемы на микросхемах любая коммутация возможна лишь при подаче управляющего напряжения.

Микросхема работает только при подаче управляющего напряжения, которое составляет 5В. В отсутствии подачи управляющего напряжения коммутации в ней происходить не будет. При включении какого либо из вариантов коммутации схемы на контакты 14 и 5 микросхем подаётся управляющее напряжение, которое в свою очередь подаётся на базы ключей микросхем выполненных на транзисторах. Транзистор открывается, и тем самым замыкаются контакты входов и выходов микросхемы (1-18,2-17,3-16,4-15,6-13,7-12,8-11,9-10), сигнал проходит дальше по каналам связи АПД. Диоды необходимы в микросхеме для того чтобы какая либо остаточная составляющая напряжения несанкционированно не прошла в микросхему. Резистор необходим для того чтобы не было короткого замыкания и существовало падение напряжения для того чтобы управляющее напряжение проходило через микросхему.

Варианты схем коммутации на ИМС КТ1109КТ1 показаны на рисунках 12-17.




Заключение

устройство оперативная коммутация

В задании на дипломную работу мне ставилась задача: разработать предложение по обеспечению повышения эффективности изучения раздела дисциплины СК СОД связанного с разработкой маршрутно-адресной информации.

В целях выполнения данного анализа мною произведён анализ порядка разработки и состава маршрутно-адресной информации. На основе этого анализа был сделан вывод о том, что одним из самых основных моментов в усвоении учебного материала является разработка маршрутно-адресной информации: “Таблицы маршрутов” и “Таблицы конфигурации”. Обучения курсантов на статических схемах СОД не даёт должного эффекта, т.к. приводит зачастую не к пониманию вопроса, а к механическому запоминанию.

Выходом из данного положения является возможность обучения не на статических схемах СОД, а на схемах, у которых есть возможность динамического изменения от одного занятия к другому и даже в процессе одного занятия.

Для решения этого вопроса мною разработано предложение по оперативному изменению коммутации канальных выходов АПД в структуре СОД как в каждом из специализированных классов, так и между этими классами.

Мною разработаны предложения по реализации “Устройства оперативной коммутации” на реле и микросхемах. Разработаны принципиальные схемы устройства. Данное устройство обеспечивает три варианта коммутации.

Кроме того, разработаны таблицы кроссировки для обоих вариантов исполнения устройства коммутации, как на реле, так и на микросхемах.

Это устройство позволяет оперативно изменять структуру СОД выполненной на базе АПД Т-235 в соответствии с чем, перед курсантами в процессе занятия возникают проблемы, которые им необходимо решать. Такие как составление таблицы маршрутов и таблицы конфигурации в соответствии с изменяющейся схемой соединения канальных выходов аппаратуры Т-235.Для изменения структуры СОД я разработал техническое предложение построения на двух вариантах коммутационных устройств на электромагнитном реле и микросхемах. У этих коммутационных устройств, построенных на разных радиоэлементах, существуют свои достоинства и недостатки. Но так как микросхема является более новым элементом относительно создания элемента электромагнитное реле, я буду рассматривать преимущества микросхемы относительно реле.

Достоинства:

. Малые массогабаритные показатели.

. Высокая износостойкость (нет механического воздействия, которое происходит в микросхеме).

. Большое количество коммутационных каналов.

. Меньшая стоимость.

Недостатки:

. При отсутствии управляющего напряжения не коммутирует линии связи и не пропускает информацию.

. Для создания коммутационного устройства необходимо большее количество элементов-микросхем.

. Сложность монтажа конструкции микросхемы.

Разработанные мною предложения, принципиальные схемы и таблицы кроссировки в дальнейшем помогут кафедре при подготовке данного устройства.

В целях дальнейшего повышения эффективности изучения маршрутно-адресной информации предлагаю курсантам, которые будут дальше работать в этом направлении, совместить работу устройства коммутации с отображением созданной схемы на планшете. Это позволит более наглядно представлять структуру СОД, значительно улучшит восприятие курсантами учебного материала. И, в свою очередь, значительно облегчит преподавателю изложение учебного материала по данной теме.

Считаю, что в целом цель, поставленная передо мною на дипломную работу, достигнута и возможна дальнейшая работа по этой теме последующих выпусков курсантов.

Похожие работы на - Разработка предложений по оперативному изменению структуры системы обмена данными учебных классов

 

Не нашли материал для своей работы?
Поможем написать уникальную работу
Без плагиата!
Без нейросетей!