Разработка передающего устройства системы беспроводного удаленного доступа
АННОТАЦИЯ
Задачей данного дипломного проекта было разработать передающее устройство
системы беспроводного удаленного доступа.
Были рассмотрены следующие вопросы:
выбор структурной схема системы WLL;
выбор компонентов схемы ПУ;
разработка передающего устройства системы беспроводного удаленного
доступа.
В дипломном проекте также освещены вопросы по экономике и охране труда.
Содержит: пояснительную записку - 108 страниц, иллюстраций - 30, таблиц -
12, список литературы - 13 источников.
ЛИСТ СОКРАЩЕНИЙ
БЛТ - беспроводной линейный трансивер;
ПИБ - пользовательский интерфейсный блок;
ЦБДП - центральный блок доступа и преобразования;
ЦППБ - центральный приемопередающий блок;
МДКР - множественный доступ с кодовым разделением каналов;
УТР - универсальная телефонная розетка;
ЦУК - центр управления и контроля;
ППС - приемопередающая стойка;
СКС - стойка коммутации и сопряжения;
ППУ - приемопередающее устройство;
ФСС - фильтр сосредоточенной селекции;
СВК - сигнал включения канала;
УУ - устройство управления;
УКК - устройство коммутации кодов;
ППИ - измерительный приемопередатчик;
БАК - блок абонентских комплектов;
БП - блок питания;
СЗК - сигнал «занятия канала»;
МС - маркерный сигнал;
ИВ - избирательный вызов;
СПВ - сигнал подтверждения вызова;
АОН - автоматическое опознание номера;
СО - сигнал отбоя;
РПдУ - радиопередающее устройство;
РПрУ - радиоприемное устройство;
GUB -
генератор-модулятор;
ПУМ - предварительный усилитель мощности;
ЧД - частотно-фазный детектор;
См - смеситель;
КФ - керамический фильтр;
ПАВ - полосовой фильтр;
МШУ - малошумящий усилитель высокой частоты;
УПЧ - усилитель промежуточной частоты;
УНЧ - усилитель низкой частоты;
СРИ - система распределения информации;
УВЧ - усилитель высокой частоты;
ПУМ - предварительный усилитель мощности;
УМ - усилитель мощности;
G1 - подстраиваемый генератор;
G2 - кварцевый генератор (эталонный);
G3- гетеродин;
ДЧ - делитель частоты;
УСО - усилитель сигнала ошибки;
УЧ - умножитель частоты;
АФАР - активные фазированные антенные решетки;
ИМСх - интегральные схемы;
НЭ - нелинейный элемент;
АМ - амплитудная модуляция;
ЧМ - частотная модуляция;
ЭМП - электромагнитные поля;
ППЭ - плотность потока энергии;
ДН - диаграмма направленности;
ТС - телефонная сеть;
АФ - антенный фильтр;
УПЧ-1 - промежуточный каскад;
УПЧ-2 - тракт промежуточной частоты;
1DA1 -
частотно-модулированный дискриминатора на функциональной микросхеме;
DA2 - усилитель звуковой частоты на микросхеме;
М - микрофон;
ZQ3 -
фильтр основной селекции;
СОДЕРЖАНИЕ
Введение
. Структурная
схема ППБ в системе WLL
.1
Характеристика функциональной схемы системы WLL
.2 Система
беспроводного удаленного доступа в телефонную сеть
.3
Функциональная схема радиосвязи с использованием системы WLL
.4 Устройство
и принцип работы станционного полукомплекта системы WLL
.5 Выбор структурной
схемы абонентской радиостанции
.5.1
Радиопередающее устройство
.5.2
Радиоприемные устройства
.6 Принцип
работы радиопередающего устройства
.7 Принцип
работы абонентской радиостанции
.8 Выбор
частотного диапазона системы WLL
.9 Оценка
дальности радиосвязи
.
Схемотехника передающего устройства
.1
Транзисторные автогенераторы
.2
Транзисторные автогенераторы с кварцевой стабилизацией
.3
Транзисторный автогенератор, работающий на основной частоте
.4
Транзисторный автогенератор, работающий на гармонике кварца
.5 Кварцевые
автогенераторы на интегральных микросхемах
.6 Метод
управления несущим высокочастотным сигналом
.6.1
Амплитудная модуляция
.6.2 Угловая
модуляция
. Передающее
устройство абонентской станции
.1
Технические характеристики станции
.2 Поверочный
расчет каскадов станции
.2.1 Выбор и
расчет схемы задающего генератора
.2.2 Расчет
схемы модулятора
.2.3 Выбор и
расчет схемы преобразователя частоты
.2.4 Расчет
каскада УВЧ
.2.5 Выбор и
расчет схемы усилителя мощности
.3 Принцип
работы схемы электрической принципиальной
.
Технико-экономическое обоснование проекта. Расчет экономической эффективности в
сфере производства новой техники
.1
Характеристика изделия. Обоснование объема производства и расчетного периода
.2
Определение себестоимости и рыночной цены изделия
.3 Расчет
стоимостной оценки затрат
.3.1 Расчет
единовременных затрат
.4 Расчет
экономического эффекта при производстве новой техники
. Охрана
труда и экологическая безопасность. Обеспечение защиты от электромагнитных
полей при эксплуатации передающего устройства пользовательского интерфейса
.1
Характеристика проектируемого передающего устройства линии радиосвязи
.2 Оценка
максимально возможных уровней полей
.3
Обоснование и выбор инженерно-технических мер по защите людей от ЭМП
Заключение
Литература
ВВЕДЕНИЕ
Передача информации в пространстве с помощью радиоволн осуществлялась со
времени изобретения радио в конце девятнадцатого века. В настоящее время
интерес к радиосвязи возрос в связи с тенденцией отказа от проводов. Появился
модный термин «беспроводная связь» (wireless), что является синонимом
«радиосвязи».
Передают обычно речь, музыку, тексты, изображения и др. Эту информацию
преобразуют в видеосигнал, т.е. зависимость тока или напряжения от времени.
Видеосигнал может быть аналоговым, как в имеющихся и отживающих системах, либо
цифровым - в новейших системах. В последнем случае аналоговый сигнал
преобразуется в поток цифр, как правило, записанных в двоичном виде.
С этой целью осуществляется квантование аналогового видеосигнала по времени
и уровню. В результате каждому дискретному моменту времени ставится в
соответствие ближайший цифровой уровень. Поток цифр посредством импульсно -
кодовой модуляции преобразуется в двоичный вид. В конечном итоге передаче
подлежит поток единиц и нулей, представляющих собой начальную информацию.
Для большинства специалистов и пользователей систем связи вполне очевиден
тот факт, что одним из основных преимуществ систем радиосвязи является высокая
скорость развертывания и гибкость их архитектуры. Высокая скорость
развертывания достигается благодаря тому, что не требуется создавать проводную
инфраструктуру, необходимую для объединения всех объектов, участвующих в
сеансах связи. Это преимущество становится решающим, особенно в тех случаях,
когда проложить проводные линии связи чрезвычайно трудно или даже невозможно.
Кроме того, на организацию системы связи может отводиться слишком мало времени,
а прокладка проводных линий всегда связана с существенными затратами времени.
Если учесть все здесь вышеизложенное, то при телефонизации, особенно
районов с низкой плотностью населения, когда прокладка проводных коммуникаций
экономически нецелесообразна, может выручить технология, получившая название Wireless Local Loop (WLL) -
«система беспроводного удаленного доступа». Рассмотрим тему данного дипломного
проекта на примере технологии Wireless Local Loop.
1.
СТРУКТУРНАЯ СХЕМА ППБ В СИСТЕМЕ WLL
.1 Характеристика функциональной схемы системы WLL
Рассмотрим технологию Wireless Local Loop (WLL) подробнее. Что это такое? Допустим имеется
населенный пункт А, где отсутствуют обычные проводные телефоны, так что задача
вполне очевидна - соединить телефонизированную территорию с населенным пунктом
А. Тогда у жителей этого населенного пункта могут быть установлены телефоны.
Названная задача и решается с помощью системы WLL, которая строится следующим образом (Рисунок 1).
Основными функциональными узлами являются беспроводной линейный трансивер
(БЛТ) и пользовательский интерфейсный блок (ПИБ).
БЛТ является по своей сути центральной станцией, которая подключается к
городской телефонной сети и состоит из двух основных блоков: центрального блока
доступа и преобразования (ЦБДП) и центрального приемопередающего блока (ЦППБ),
соединенных между собой соединительной линией Е1 (линия передачи типа
Е1 соответствует рекомендации МККТТ G703 и обеспечивает скорость передачи информации 2,048
Мбит/с).
Рисунок 1 - Схема линии беспроводного удаленного доступа
Основные задачи ЦБДП [1]:
Организация 16 линий типа Е1 к местной АТС;
Организация двух линий Е1 к ЦППБ;
Управление и контроль аппаратных и программных ресурсов всей системы;
Управление процессом использования канального ресурса;
Преобразование информационного потока 64 кбит/с в поток 32 кбит/с
(адаптивная дифференциальная импульсно-кодовая модуляция) или в поток 16
кбит/с.
Основные задачи ЦППБ:
передача информации по радиоканалу между ЦБДП и пользовательским
приемопередающим блоком ППБ. При этом в зависимости от конкретных технических
решений может использоваться как направленная, так и ненаправленная антенна;
формирование широкополосных шумоподобных сигналов (осуществление
множественного доступа с кодовым разделением каналов МДКР (СОМА);
организация радиоканала в СВЧ диапазоне;
выполнение функции репетитора для конфигураций системы радиосвязи
«Цепочка» и «Звезда»;
подключение локальных проводных линий.
Пользовательский интерфейсный блок содержит два основных узла:
пользовательский приемопередающий блок и универсальную телефонную розетку
(УТР).
ППБ является внешним устройством, размещается он вне помещения и
представляет собой трансивер с небольшой плоской антенной и модемом, имеющим
интерфейс с универсальной телефонной розеткой.
Основные задачи ППБ - передача по радиоканалу потока данных на ЦПБ и
оповещение УТР о неисправностях при работе в сети ISDN (цифровая сеть с интеграцией услуг), а также
аналоговых сигналов. Плоская антенна ППБ имеет небольшие размеры, является
направленной, что, естественно, благоприятно сказывается на дальности связи.
Универсальная телефонная розетка размещается у пользователя в помещении.
Она является физическим интерфейсом для любого проводного устройства
(телефонного аппарата, факса и т.п.).
УТР содержит элементы питания, которые обеспечивают работают как самой
УТР, так и ППБ. На УТР имеется ЖК дисплей для отображения статусной информации
как самой УТР, так и блока ППБ. Здесь же имеется гнездо для размещения
идентификационной карты («SMARTCARD»), которая содержит уникальный код пользователя.
Для подключения оконечного пользовательского устройства могут быть
использованы две аналоговые линии или одна линия ISDN.
Управление системой и контроль осуществляется из Центра управления и
контроля (ЦУК).
Основные функции ЦУК [2]:
определение структуры WLL
(аппаратных и программных средств);
аварийная сигнализация;
управление безопасностью передачи информации;
контроль и регулировка параметров сети.
Обмен информацией на участке ЦППБ-ППБ осуществляется в диапазоне частот
3,6…4 ГГц, причем полоса каналов составляет 10 МГц. Каждый канал способен
передавать поток информации со скоростью 2,048 кбит/с. Каждый такой поток
состоит из более мелких подканалов, по которым передается информация со
скоростью 16 кбит/с. Любому пользователю может быть выделено несколько таких
подканалов. В системе используется метод множественного доступа с кодовым
разделением каналов (МДКР), который позволяет нескольким абонентам одновременно
работать в одном и том же секторе частот, что позволяет максимально эффективно
канальный (частотный) ресурс системы.
1.2 Система беспроводного удаленного доступа в
телефонную сеть
В последние десятилетия появились отечественные системы WLL, такие как «КАРТ», «Вилия»,
«СПС-30/1000», «Ритал 300, 800», способные обеспечить радиотелефонной связью
как подвижных, так и стационарных абонентов, а также автоматический выход
абонентов на АТС.
Отечественные системы WLL
подключаются к двухпроводным абонентским линиям всех типов АТС с напряжением на
линии 48-72 В. Устройство, обеспечивающее удаленный доступ в телефонную сеть
(ТС), получило название «радиоудлинитель». Радиоудлинитель позволяет обеспечить
связью от 16 до 64 абонентов по 4 равнодоступным радиоканалам и не требует
постоянного обслуживания.
Дальность радиосвязи зависит от рельефа местности и высоты подъема
приемопередающих антенн. Средняя дальность радиосвязи может достигать 30 и 70
км для возимой и стационарной системы WLL соответственно.
Системы WLL работают только в зарегистрированных
абонентских радиостанциях, с продолжительностью одного разговора до 20 минут.
В состав системы WLL
входят два полукомплекта, один центральный и один абонентский. Рассмотрим
структурную схему системы на примере аппаратуры «КАРТ-4» (рисунок 2).
В полукомплект станционного оборудования входит (рисунок 2, а):
антенно-фидерное устройство;
приемопередающая стройка (ППС);
стройка коммутации и сопряжения (СКС);
В абонентскую радиостанцию (полукомплект рисунок 2, б) входит:
антенно-фидерная система;
приемопередающее устройство (ППУ);
блок сопряжения ППУ с телефонным аппаратом;
универсальную телефонную розетку (УТР).
Рисунок 2 - Структурная схема системы «КАРТ-4»
.3 Функциональная схема радиосвязи с использованием
системы WLL
Конструктивно абонентская радиостанция состоит из
четырех блоков:
приемопередатчика;
микротелефонной трубки с поставкой;
каркас с фильтром;
антенно-фидерной системы.
Подключение
ППБ к антенне осуществляется с помощью коаксиального кабеля с волновым
сопротивлением
=50 Ом.
Антенный
фильтр входит в состав антенно-фидерного тракта и предназначен для работы ППБ
на одну антенну (рисунок 3).
Фильтры
сосредоточенной селекции ФСС1 и ФСС2 настроены на частоту, генерирующую
передающим устройством, включены параллельно и образуют высоко добротную
резонансную системы. Генерируемые ПУ колебания выделяются результирующей
резонансной системой и передаются в антенну А для излучения.
Принятые
антенной А сигналы центральной радиостанции, выделяются результирующей
резонансной системой, образованной ФСС3 и ФСС4 и поступают на вход приемного
устройства абонентской радиостанции. Результирующая резонансная система ФСС3,
ФСС4 для колебаний частоты ПУ представляет сопротивление близкое к нулю и
колебания этой частоты на этой резонансной системе не выделяются.
Рисунок 3 - Структурная схема станционного
полукомплекта
.4 Устройство и принцип работы станционного
полукомплекта системы WLL
На центральной радиостанции для каждого частотного
диапазона устанавливается:
один восьмиканальный приемник;
восемь постоянно включенных передатчиков;
коммутационное оборудование.
ЦС осуществляет связь с абонентской радиостанцией на
одном из восьми двухчастотных каналах связи. При этом частота передачи ЦС
соответствует частота приема абонентской радиостанции, а частота приема ЦС
соответствует частоте передачи абонентской радиостанции. Разнос по частоте
передающего и приемного каналов равен 36 МГц.
Коммутационное оборудование ЦС обеспечивает
автоматический набор нужного соединения, обработку и формирование сигналов
взаимодействия с подвижной радиостанцией и телефонными сетями на всех этапах
соединения, а также трансляцию информации. По окончании связи осуществляется
автоматическое разъединение.
ЦП обеспечивает режим двухсторонней связи и режим
дежурного приема.
Режим дежурного приема соответствует состоянию, когда
телефонная трубка установлена на подставке, выключатель радиостанции находится
в положении «ВКЛ» (переключатель установлен в положении «1»). В этом режиме
приемник радиостанции постоянно включен, а передатчик выключен.
Автоматическое устройство радиостанции осуществляет
последовательное поочередное включение приемника на каждом из восьми каналов
связи. Время нахождения приемника на каждом канале связи составляет 200-250 мс.
В исходном состоянии питание поступает на все каналы
ЦС, но аппаратура на передачу не работает. При подаче со стойки коммутации и
сопряжения на первый канал сигнала включения, частотой 2295 Гц, этот же сигнал
через устройство коммутации поступает на плату автоматики канала, где вырабатывается
сигнал включения канала (СВК) и выдается команда через устройство управления на
включения передатчика. В устройстве управления (УУ) вырабатываются команды двух
типов:
включение кода 1-ого канала, который поступает на
устройство коммутации кодов (УКК);
включение измерительного приема-передатчика (ППИ).
С этого момента включается передатчик первого канала и
начинается самопроверка его работоспособности, которая производится в следующей
последовательности: сигналом включения канала (СВК) модулируется несущая
частота передатчика 1-ого канала (сигналы, поступающие с СКС, являются входными
сигналами подмодулятора передатчика). Измерительный приемопередатчик включается
на частоту 1-ого канала вследствие считывания кода 1-ого канала с устройства
коммутации кодов, при этом частота приема ППИ равна частоте передачи ППИ 1-ого
канала.
Низкочастотный сигнал первого канала с выхода
измерительного приемника поступает на вход модулирующего каскада ППИ, в
результате чего происходит модуляция сигналом СВК несущей частоты
передатчика ППИ.
При исправности канала СВК поступает в линию приемника
1-ого канала. Стойка коммутации и сопряжения снимает, сигнал «Вкл. канала».
Посредством сигналов взаимодействия между абонентами АТС и радиоабонентом
устанавливается связь и осуществляются переговоры по 1-ому каналу. Самопроверка
канала производится за время не более 0,45с. В случае неисправности кольца (СВК
не снимает сигнал с СКС не менее 1,25с) в устройстве автоматики формируется
сигнал «коммутация н.ч.», который выключает передатчик 1-ого канала и, поступая
на устройство - коммутирует линию 1-ого канала на резервный канал. Самопроверка
резервного канала производится по аналогии 1-ого канала. При получении
положительного результата самопроверки - осуществляется связь по этому каналу.
Выключение канала производится задним фронтом сигнала
«отбоя», поступающего с СКС частотой f= 2363 Гц и длительностью не менее 2 с.
При выключении резервного канала по сигналу «отбоя»
происходит выключение передатчика резервного канала.
При выключении основного канала по сигналу «отбоя»
передатчик основного канала переходит в режим пониженной мощности. При этом
дополнительной индикации не имеется.
Рассмотрим структурную схему стойки коммутации и
сопряжения (рисунок 4).
СКС обеспечивает коммутацию и сопряжение четырех
проводных линий связи от приемо-передающего оборудования на двухпроводные
абонентские линии АТС (до 64 линии) с организацией необходимых алгоритмов
взаимодействия, как со стороны АТС, так и со стороны абонентских радиостанций
комплекта «КАРТ-4». При работе СКС в составе «КАРТ-4» используется алгоритм
взаимодействия «Алтай-Зм». Кроме того, СКС обеспечивает контроль
функционирования системы, тестирование и ввод исходных данных.
Рисунок 4 - Схема электрическая структурная стойки
коммутации и сопряжения
Блок управления выполняет функции, связанные с
организацией связи, взаимодействия с абонентами радиостанций и
приемно-передающей стойкой, а также управлением абонентскими комплектами с
вводом исходных данных.
Блок абонентских комплектов (БАК) обеспечивает
взаимосвязь СКС с абонентскими линиями АТС. БАК содержит 8 абонентских
комплектов, каждый из которых обеспечивает сопряжение с двумя абонентскими
линиями. В зависимости от исполнения стойка СКС может содержать от одного до
4-х БАК. Блок питания (БП) обеспечивает все устройства стабилизированным
напряжением и в зависимости от источника, подключается к сети переменного тока
напряжением 220 В или к источнику питания АТС напряжением 60 В.
Для
подготовки СКС к работе необходима установка, когда СКС по всем 4 каналам
формирует сигнал «отбоя» частотой
=2363 Гц
и длительностью не менее 2 с, что приводит к выключению всех
приемо-передатчиков ППС.
Для
включения какого-либо канала, по этому каналу передается сигнал включения (Т1,
Т2) приемо-передатчика. Сигнал «занятия канала» (СЗК) частотой 2295
Гц до получения сигнала этой же частотой, но не более 1,3 с, если ответный
сигнал получен позже или через 0,45 с, то СКС принимает решение, что основной
ПП неисправен, если ответный сигнал не получен в течение 1,3 с, то принимается
решение о том, что неисправны основной и резервный приемо-передатчик, при этом
канал бракуется, выдается сообщение об ошибке и включается следующий канал. При
получении ответного сигнала СКС считает, что приемо-передатчик этого канала
включен и исправен. После начальной установки производится включение одного из
каналов и по нему передается маркерный сигнал (МС) частотой f=2397
Гц, что означает переход этого канала в дежурный режим.
Рассмотрим
подробнее входящие соединения:
При
получении сигнала вызова с абонентской линии Т1 - проверяется наличие у
абонента времени для разговора и наличие свободного канала, после этого
свободный канал занимается и по нему передается сигнал включения
приемо-передатчика Т1-Т2 (рисунок 5).
На
следующем этапе передается 3-х частотная посылка избирательного вызова (ИВ),
соответствующая индивидуальному номеру абонентской станции. Соответствие частот
индивидуальным номерам приведены в таблице 1. Трехчастотная посылка передается
с получения сигнала подтверждения вызова (СПВ) частотой 2295 Гц (Т2-Т4), но не
более чем 6 с, если СПВ не получен в течение 6 с, формируется сигнал «отбоя» с
частотой 2363Гц и длительностью не менее 2 с и канал выключается.
Рисунок 5 - Временная диаграмма входящего вызова
Таблица 1
Соответствие частот индивидуальным номерам
|
Номера Сотни, Десятки, единицы
|
Индивидуальный номер
|
|
Частота, Гц
|
|
сотни
|
десятки
|
единицы
|
|
1
|
1003
|
1343
|
1663
|
|
2
|
1037
|
1374
|
1717
|
|
3
|
1071
|
1411
|
1151
|
|
4
|
1105
|
1445
|
1785
|
|
5
|
1139
|
1479
|
1819
|
|
6
|
1173
|
1513
|
1853
|
|
7
|
1207
|
1547
|
1887
|
|
8
|
1241
|
1581
|
1921
|
|
9
|
1275
|
1615
|
1985
|
|
0
|
1309
|
1649
|
1989
|
Во время передачи 3-х частотной посылки ИВ СКС ожидает
приема 2-х частотных посылок АОН ТЗ-Т4 и сразу за ними сигнала «подтверждения
вызова» частотой 2295 Гц Т4-Т5. Номер АОН совпадает с индивидуальным номером
абонентской радиостанции. Каждая цифра номера передается 2-х частотной посылкой
длительностью (0,5±0,05)с и паузой между посылками (0,25±0,025)с. Соответствие
частот цифрам номера приведено в таблице 2.
Таблица 2
Соответствие частот цифрам номера
|
Цифры
|
F1, Гц
|
F2, Гц
|
|
1
|
1683
|
1717
|
|
2
|
1683
|
1785
|
|
3
|
1683
|
1819
|
|
4
|
1683
|
1889
|
|
5
|
1717
|
1785
|
|
6
|
1717
|
1819
|
|
7
|
1717
|
1989
|
|
8
|
1785
|
1819
|
|
9
|
1785
|
1989
|
|
0
|
1819
|
1989
|
Если принятый номер АОН не совпал с номером
избирательного вызова, формируется сигнал «отбоя» частотой 2363 Гц и
длительностью не менее 2 с и канал выключается.
При совпадении номера АОН и избирательного вызова
ожидается сигнал «подтверждения вызова» (СПВ), частотой 2295 Гц.
При получении СПВ (Т4) избирательный вызов снимается и
передаются сигналы «посылки вызова» длительностью 1 с и паузой 3 с.
Сигналы посылки вызова передаются до окончания СПВ
Т4-Т5, но не более 1 мин. Если СПВ не прекратится за 1 мин, формируется сигнал
«отбоя» частотой 2363 Гц и длительностью не менее 2 с и канал выключается.
После прекращения сигнала подтверждения вызова (радиоабонент снял трубку)
производится занятие абонентской линии, и она подключается на соответствующий
канал, происходит разговор.
Рассмотрим подробнее исходящие соединения:
При исходящем соединении на одном из свободных каналов
на линии передачи СКС формирует маркерный сигнал (МС), частота 2397 Гц. При
получении сигнала «занятие канала» (СЗК), частота 2295 ГЦ, стойка коммутации и
сопряжения снимает маркерный сигнал Т1 и ожидает приема 2-х
частотных посылок автоматического опознания номера (АОН) Т2-Т3.
Временные диаграммы исходящего вызова представлены на рисунке 6.
Т1 Т2 Т3 T4 Т5 Т6
Рисунок 6 - Временные диаграммы исходящего вызова
Номер АОН передается как при входящем вызове,
изложенном ранее. Если ожидаемый номер не принят в течение 3 с, принят
неправильно или не соответствует зарегистрированному в системе, СКС формирует
сигнал «отбоя» (СО) с частотой 2363 Гц и длительностью более 2 с- канал
выключается.
Если номер АОН принят правильно, то автоматика
коммутирует канал на абонентскую линию, соответствующую данному индивидуальному
номеру и производит занятие линии Т3. При этом на линии передачи
(ПРД) транслируется сигнал с соответствующей абонентской линии, а в абонентскую
линию передается сигнал с линии приема ПРМ. После занятия линии АТС формируется
сигнал «ответ станции» и ожидает набора номера. Цифры номера принимаются по
линии ПРМ в виде 2-х частотных посылок Т5-Т6 в соответствии с таблицей 2.
Длительность посылки (0,45-2,0)с паузой (0,225-4)с. Если в течение 20 с не
будет принята первая цифра номера, СКС формирует сигнал «отбоя» с частотой 2363
Гц и длительностью не менее 2 с, канал выключается и производится отбой
абоненткой линии. По мере приема цифр номера на АТС импульсным способом в
паузах между передачей цифр номера транслируются все сигналы АТС. СКС позволяет
передать до 20 цифр номера. При приеме 21-ой цифры формируется сигнал «отбоя»
частотой 2363 Гц и длительностью не менее 2 с, канал выключается и производится
отбой абонентской линии. После набора номера, СКС транслирует все сигналы от
АТС к абоненту и обратно, т.е. абонент слышит сигнал «контроль посылки вызова»
или «занято», а в случае снятия трубки вызываемого абонента происходит
разговор.
Рассмотрим, как происходит отбой соединения:
Отбой соединения может произойти по одной из 3-х
причин:
·
отбой со стороны
радиоабонента;
·
отбой со стороны
АТС;
·
окончание
нормированного времени разговора.
Отбой со стороны радиоабонента производится в случае
получения по линии ПРМ сигнала «отбоя», частотой 2363 Гц и длительностью не
менее 1 с. В этом случае формируется сигнал отбоя частотой 2363 Гц и
длительностью не менее 2с. Канал выключается и производится отбой абонентской
линии.
Отбой со стороны АТС производится при получении от АТС
сигнала «отбой» длительностью не менее 4 с. В этом случае формируется сигнал
отбоя с частотой 2363 Гц и длительностью не менее 2 с. Канал выключается и
производится отбой абонентской линии.
Отбой по окончании нормированного времени разговора
происходит по истечении заданного времени разговора, передается сигнал
«предупреждения» частотой 1400 Гц и длительностью 1с. Через 20 с после сигнала
«предупреждения» формируется сигнал «отбоя» с частотой 2363 Гц и длительностью
не менее 2 с - канал выключается и производится отбой абонентской линии.
.5 Выбор структурной схемы абонентской радиостанции
Абонентская радиостанция (пользовательский
интерфейсный блок) состоит из приемопередающего блока, антенны, антенного
фильтра, телефонной розетки и источника электропитания.
Основными требованиями при разработке абонентской
радиостанции должны быть: малый вес, малые габариты и экономичность источника
питания. В связи с бурным развитием сотовой связи нет необходимости завышать
технические требования к системе WLL и
абонентской радиостанции с целью обеспечения связи с удаленными абонентами,
достаточно ограничиться наибольшими расстояниями между абонентами и местной
АТС, которое на территории Республики Беларусь не превышает 20-25 км.
Структурная схема абонентской радиостанции объединяет
структурные схемы передающего, приемного устройств и устройства синтезатора
частоты.
1.5.1 Радиопередающее устройство
Радиопередающее устройство (РПдУ) предназначено для
преобразования энергии источника питания в энергию высокочастотных колебаний и
управления параметрами этих колебаний в соответствии с методами, используемыми
в данной радиостанции.
В связи с этим любое РПдУ должно состоять из следующих
основных частей:
источника питания;
генератора, преобразующего энергию источника питания в
энергию высокочастотных колебаний;
модулятора, предназначенного для управления высокочастотными
колебаниями.
В радиосвязи используются передающие устройства,
работающие в режиме непрерывного излучения с частотной модуляцией передаваемых
колебаний.
РПдУ, в которых применены генераторы с внешним
возбуждением, строятся по многокаскадной схеме. В качестве возбудителя
используется маломощный задающий генератор, вырабатывающий высокочастотные
колебания, частота которых либо соответствует частоте выходных колебаний
радиопередающего устройства, либо ниже ее в кратное число раз. В первом случае
возбудитель может совмещаться с модулятором с последующим усилением
промодулированных колебаний, а во втором случае применяются каскады умножителя
частоты.
Передающие устройства радиосвязи могут использовать
оба метода.
Поскольку возбудитель является обычно маломощным
каскадом, работающим на низких частотах и на постоянную нагрузку (на буферный
каскад), можно достаточно просто стабилизировать частоту генерируемых
колебаний.
Задачей умножителей частоты является повышение
частоты, генерируемой задающим генератором до нужного значения выходной
частоты.
Частотная и фазная модуляции могут осуществляться как
в возбудителе, так и в промежуточных каскадах при помощи специальных схем.
Один из вариантов структурной схемы РПУ с частотной
модуляцией возбудителя (задающего генератора) представлен на рисунке 7:
Рисунок 7 - Схема электрическая структурная
радиопередающего устройства
Основные характеристики РПдУ:
излучаемая мощность;
частота генерируемых колебаний;
стабильность частоты генерируемых колебаний;
-
амплитудная характеристика
;
частотная
характеристика
;
фазовая
характеристика
;
коэффициент
полезного действия
, где
,
- излучаемая и мощность потребляемая от источника
питания соответственно.
.5.2
Радиоприемные устройства
Радиоприемные
устройства (РПрУ) предназначаются для выделения, усиления и преобразования
энергии радиоволн к виду, необходимому для нормальной работы оконечного
устройства, являющегося потребителем этой преобразованной энергии.
В
зависимости от назначения в состав РПрУ входят:
переключатели
приема-передачи и схемы защиты приемника от воздействия мощных сигналов
передающего устройства;
преселекторы;
усилители
сигналов СВЧ;
преобразователи
частоты;
амплитудные,
частотные и фазовые детекторы;
схемы
автоматической подстройки частоты гетеродинов;
схемы
автоматической регулировки усиления и др.
РПрУ
радиостанций связи строятся по супергетеродинным схемам с малошумящими
усилителями высокой частоты и двухкратным преобразованием частоты, последнее
условия позволяет создать высокоизбирательные системы с узкой полосой
пропускания [3]. Типовая структурная схема приемника радиостанции приведена на
рисунке 8.
Основными
характеристиками радиоприемных устройств являются: чувствительность, диапазон
принимаемых частот, полоса пропускания, динамический диапазон, выходная
мощность или выходное напряжение и др. Для исключения влияния соединительного
фидера на чувствительность приемника УВЧ располагаем непосредственно на
антенне.
.6 Принцип работы радиопередающего устройства
Передающий блок также выполняем из двух частей -
усилителя мощности, расположенного на антенне, и формирователя передаваемого
сигнала с синтезатором частот в универсальной телефонной розетке (УТР), которую
конструктивно размещаем в телефонном аппарате.
Такое построение ППУ обеспечивает более высокую
чувствительность приемника и исключает облучение абонента, пользующегося радиотелефоном.
Структурная схема абонентской радиостанции (пользовательского интерфейса)
представлена на рисунке 9.
Рисунок 8 - Схема электрическая структурная
радиоприемного устройства
Функциональные схемы передатчиков определяются
предъявленными к ним техническими требованиями - рабочей частотой, выходной
мощностью, стабильностью частоты и т.д. Наиболее просто обе основные функции
радиопередатчика - генерация электромагнитных колебаний и их модуляция
реализуется в том случае, когда не требуется высокая стабильность частоты и
выходная мощность относительно невелики. В большинстве случаев требования по
стабильности частоты и выходной мощности не могут быть обеспечены применением
одного генератора.
В современных радиопередатчиках функции генерирования
высокочастотных колебаний и получения требуемой выходной мощности разделены.
Условно радиопередатчик может быть, представлен в виде двух блоков блока
формирования частоты, или возбудителя, и блока формирования выходной мощности,
или мощного усилителя. При этом частотная и фазовая модуляция - в мощном
усилителе.
Рисунок 9 - Упрощенная структурная схема
пользовательского интерфейса
Возбудители передатчиков. Основным элементом
возбудителя является высокостабильный генератор. Кроме того, в него могут быть
включены каскады усиления, умножители частоты, элементы системы автоматической
подстройки частоты.
Выходную мощность радиопередатчиков формируют каскады
усилителей мощности. В случае, когда она может быть получена с помощью
одиночного прибора, применяют системы покаскадного наращивания мощности на
транзисторах.
Часто требуемая выходная мощность передатчика
превышает мощность одиночного прибора. В этом случае необходимо суммировать
мощности отдельных усилительных каскадов. Возможны два способа сложения
мощностей: с помощью сумматоров и предварительных делителей мощности и с
помощью активных фазированных антенных решеток (АФАР), при этом суммирование
мощности происходит в пространстве.
Из приведенных функциональных схем видно, что
основными каскадами радиопередатчиков являются: автогенератор, усилитель
мощности, умножитель частоты, модулятор.
К особенностям современных радиопередатчиков
относятся:
. Использование нелинейных режимов работы полупроводниковых
приборов;
. Отсутствие регулировочных элементов для регулировок
в процессе эксплуатации;
. Создание широкополосных и сверхширокополосных
усилителей мощности;
. Широкое применение устройств суммирования мощности;
. Конструирование каскадов в виде гибридных
интегральных схем.
.7 Принцип работы абонентской радиостанции
Радиоприемное
устройство супергетеродинного типа с двухкратным преобразованием частоты все
время находится в дежурном режиме и принимает сигналы с центральной
радиостанции на частоте 336,3 МГц. Чувствительность радиоприемного устройства 1
мкВ, полоса пропускания около 10кГц и определяется полосой пропускания
полосового фильтра интегральной микросхемы, с центрально несущей частотой
=465 кГц. Частота сигнала на выходе первого смесителя
= 10,7 МГц. Эта частота является центральной для
интегральной микросхемы К174ХА26.
Частотный
детектор выделяет спектр звуковых частот, принятых в проводной телефонии
кГц, усиливает их до амплитуды выходного сигнала
450мВ, достаточного для работы микротелефона.
Для
получения частоты
=465 кГц на смеситель СМ2 поступает сигнал от
усилителя промежуточной частоты
=10,7 МГц
и сигнал когерентного гетеродина (G3) частотой 10,235 МГц.
Передающее
устройство включает в себя генератор-модулятор (GUB), смеситель,
на выходе которого получаем моделируемый сигнал
300,3 МГц
с девиацией частоты
3,4 кГц, УВЧ - усиливает этот сигнал и через полосовой
фильтр поступает на предварительный усилитель мощности ПУМ, с выхода которого
поступает в антенный усилитель мощности. Разделение принимаемого сигнала,
частотой 336,3 МГц, и передающего сигнала, частотой 300,3 МГц производится в
антенном фильтре.
Генератор-модулятор
обеспечивает стабильную частоту 30,3 МГц за счет подстройки под частоту
задающего генератора G2. Процесс подстройки частоты генератора - модулятора
производится в частотно-фазовом детекторе (ЧД), на который поступают сигналы от
когерентного гетеродина, через делитель частоты, частотой 1 МГц и
генератора-модулятора (GUB), частотой 1 МГц. При равенстве частот сигнал ошибки
с частотно-фазового детектора равен нулю, а при отклонении частоты генератора GUB в
ту или иную сторону на выходе частотного генератора появляется сигнал ошибки
такого знака, чтобы вернуть частоту генератора GUB к
номинальному значению.
Физика
работы схемы автоподстройки поясняется рисунком 10.
Колебания
генератора-модулятора поступают на частотный модулятор со сдвигом относительно
когерентного гетеродина G3 на
. При
равенстве частот сигнал ошибки на выходе частотного детектора
. При
и при
АФ - антенный фильтр, обеспечивает работу передатчика
и приемника на одну антенну;
Рисунок 10 - Эпюры напряжений на выходе фазачастотного
детектора как функция разности частот G1 и G2
.8 Выбор частотного диапазона системы WLL
При разработке радиостанции весьма важным моментом
является обоснованный выбор ее рабочей частоты. Выбор рабочей длины волны
осуществляется, прежде всего, с учетом условий распространения радиоволн, а
именно степени затухания сигнала в среде (воздух, местность, морская вода и
т.д.), дифракция сигнала, диффузного рассеяния в тропосфере и отражения или
поглощения Земли. Кроме того, принимается во внимание связь между длинной волны
и допустимыми размерами антенны. При выборе рабочей волны радиостанции следует
также учитывать уровень так называемых внешних помех - атмосферных и
индустриальных. Различают следующие диапазоны радиоволн: сублимиллиметровые,
миллиметровые, сантиметровые, дециметровые, метровые, короткие, средние,
длинные и сверхдлинные.
Весь практический диапазон волн уже давно распределен
как внутри страны, так и в международном масштабе. Для системы WLL (удаленного доступа в телефонную
сеть) выделены частоты 300,25….307,9875 и 336,325….343,9875 МГц с разносом
частот на прием и передачу 36МГц. Шаг сетки частот 12,5 (25) кГц.
Диапазон выделенных частот соответствует
длинноволновой части дециметрового диапазона.
Дециметровые волны в тропосфере практически не
затухают, однако при прохождении ионосферных слоев они испытывают заметное
поглощение. За счет рассеяния на турбулентных неоднородностях атмосферы в
области тени имеется слабое поле, которое очень медленно уменьшается с
расстоянием. Следовательно, при высокой чувствительности приемного устройства
эти слабые сигналы могут быть приняты и использованы для практических целей.
.9 Оценка дальности радиосвязи
Пусть радиостанция «А» работает на передачу
информации, а радиостанция «В» работает на прием прямого сигнала, передаваемого
станций «А» (рисунок 11). Радиостанция включает три звена. Перове звено -
передающее устройство радиостанции»А», характеризуемое параметрами:
Рng -
мощность передатчика, Вт;
- КПД
антенно-фидерного тракта;
-
коэффициент направленного действия передающей антенны;
-
диаграмма направленности передающей антенны по мощности;
- длина
радиоволны:
Второе
звено - передаточное звено, включающее в себя атмосферу, в которой
распространяется электромагнитная энергия. Параметрами данного звена будут:
Д
- расстояние между точками А и В (излучения и приема);
-
километрическое затухание радиоволн в среде, дБ/км.
Третье
звено - приемное устройство, характеризуемое параметрами:
Gпр - коэффициент направленного действия приемной
антенны;
- КПД
антенно-фидерного тракта. При использовании одной антенны на прием и передачу
;
-
реальная чувствительность приемного устройства радиостанции «В», Вт;
Рисунок 11 - Схема линии радиосвязи
, км (1)
Дальность радиосвязи может быть определена по формуле:
(2)
Уравнение
(2) трансцендентно. Поэтому искомую максимальную дальность радиосвязи
определяют методом приближений или графоаналитическим методом [4]. Сущность
метода приближений заключается в подборе таких значения Д, при которых
удовлетворяется равенство (2). Для ускорения инженерных расчетов в [4]
приведена номограмма (рисунок IV.4) зависимости Д от коэффициента
и
,
отражающая зависимость
. Входными данными для этой номограммы являются
коэффициент затухания
(дБ/км) и дальность действия
, рассчитанная для свободного пространства без учета
затухания энергии в атмосфере.
Для
расчета технических параметров проектируемой радиостанции учитываем необходимую
дальность радиосвязи
км и технические характеристики применяемых
радиостанций. Так одна из первых радиостанций, выпускаемых в РБ имела следующие
параметры: излучаемая мощность передающим устройством 8-15 Вт, чувствительность
приемного устройства 1 мкВ, дальность радиосвязи Д=25…70 км с подвижными и
стационарными абонентами соответственно.
Более
поздние разработки Российской Федерации «Ритал-300м», «Ритал-300м2» и
«Ритал-мульти» имеют значительно меньшую мощность излучения Рng=1-1,5 Вт, чувствительность
приемного устройства пр=0,16 мкВ при отношении сигнал/шум - 12 дБ. [5].
Приняв
чувствительность приемного устройства
=0,15 мкВ
и дальность радиосвязи
=50 км по формуле (2) находим мощность, излучаемую
передающим устройством:
, (3)
G - коэффициент
усиления приемопередающей антенны. Обычно антенны радиостанций связи обладают
небольшими G, не превышающими 10.
КПД
антенно-фидерных трактов находятся в пределах
. При
размещении высокочастотного блока радиостанции непосредственно на антенне КПД
несколько повышается и составляет 0,9-0,95.
- длина
волны излучаемых и принимаемых колебаний соответственно.
м
м
V - коэффициент
затухания радиосигнала на дальней границе зоны видимости (ДГ)
равняется 18-20 дБ. [5].
, [км]
(4)
Для
расчета мощности излучаемого сигнала производится по формуле (3) без учета
затухания в атмосфере, а затем с помощью графиков (рисунок IV.9[5]).
С
учетом затухания в атмосфере и наихудших погодных условий (
=0,1дБ/км) находим, что мощность излучения
передатчиком должна рассчитываться на дальность радиосвязи в два раза больше
заданной.
При
высоте подъема передающей антенны центральной станции
-25 м, находим высоту антенны абонентской
радиостанции, которая позволит обеспечить дальность прямой видимости ДГ
= 50 км.
м
Принимаем
=10 м.
Чтобы
воспользоваться формулой (3) необходимо чувствительность приемника, заданную в
вольтах пересчитать в ватты по формуле [6]:
Вт
где
=50 Ом - волновое сопротивление соединительного
фидера.
Поставив
в формулу (3) значения величин, входящих в нее,
,
,
дБ,
=100 км (с учетом затухания в атмосфере), получим:
Вт
2. СХЕМОТЕХНИКА ПЕРЕДАЮЩЕГО УСТРОЙСТВА
.1 Транзисторные автогенераторы
Транзисторные автогенераторы используются как
автономные генераторы и как задающие генераторы многокаскадных передатчиков.
Автономные автогенераторы на транзисторах применяются в основном в
радиостанциях метрового и дециметрового диапазонов. В качестве задающих
генераторов транзисторные автогенераторы используются для передатчиков всех
диапазонов волн. Автогенераторы содержат обычно колебательную систему (один или
два колебательных контура высокой добротности), нелинейный элемент (транзистор)
и цепь обратной связи. Для того чтобы существовала генерация, амплитуда и фаза
напряжения обратной связи должны быть нужной величины, определяемой уравнениями
баланса амплитуд и фаз.
Условия существования станционного режима генерации,
найденные на основе квазилинейного метода, т. е. без учета влияния высших
гармоник на работу генератора имеют следующий вид [7]:
, (5)
, (6)
где Y21 - средняя крутизна характеристики
генераторного транзистора;
Zk - сопротивление коллекторной
нагрузки;
K - коэффициент обратной связи, К'=(К - Д);
Д - проницаемость транзистора;
- угол
запаздывания первой гармоники коллекторного тока относительно управляемого
напряжения;
- угол
запаздывания коллекторного напряжения, взятого с обратным знаком относительно
первой гармоники тока коллектора.
- угол
запаздывания управляющего напряжения относительно тока коллектора, взятого с
обратным знаком;
Уравнение
(5) называется условием баланса амплитуд и определяет амплитуду генерируемых
колебаний; Уравнение (6) называется условием баланса фаз и определяет частоту
этих колебаний.
Выполнение
этих условий является необходимым, но недостаточным для существования
установившегося режима автогенерации. Должно выполняться условие устойчивости
режима, т.е. небольшие изменения параметров схемы или амплитуды колебаний не
должны выводить схему из установившегося режима автогенерации. [7]
Условие
устойчивости режима автогенерации по амплитуде
<0.(7)
Условие устойчивости режима по частоте
.(8)
На
рисунке 12 представлена эквивалентная схема автогенератора с емкостной
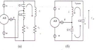
обратной, а на рисунке 13 - автогенератора с индуктивной обратной связью.
В схеме (рисунок 12) напряжение обратной связи снимается
с емкости С1, а в схеме (рисунок 12) с индуктивности L1. Перекрещивание проводов обеспечивает фазу, необходимую для
создания положительной обратной связи. Для получения высокостабильных колебаний
предпочтительна схема с емкостной обратной связью. Напряжение Uу и Ua здесь снимается с емкостей, сопротивление которых, как известно, падают
с ростом частоты. В результате содержание высоких гармоник в напряжениях Uу(t) и Ua(t) в схеме (рисунок 12) существенно меньше, чем в схеме
(рисунок 13). Для снижения уровня гармоник в схеме с индуктивной
обратной связью индуктивности обычно шунтируются дополнительными емкостями.
Таким образом, схема (рисунок 13) справедлива лишь на основной частоте
колебаний.
Рисунок 12 - Схема автогенератора с емкостной обратной связью (а) и ее
более компактное изображение (б)
Рисунок 13 - Схема автогенератора с индуктивной
обратной связью (а) и ее более компактное изображение (б)
.2 Транзисторные автогенераторы с кварцевой
стабилизацией
Структурная схема кварцевого автогенератора на
биполярном и полевом транзисторе изображена на рисунке 14.
Назначение согласующей цепи:
создание обратной связи;
обеспечение оптимального режима АЭ, т.е. трансформации
сопротивлений кварцевого резонатора и нагрузки в оптимальное сопротивление Rк на выходе АЭ;
- преобразование последовательного резонанса кварца в
параллельный резонанс на выходных электродах АЭ, имеющего динамическую выходную
характеристику (ВАХ) - N - типа, для обеспечения устойчивости стационарного
режима;
- селекция механических гармоник кварцевого
резонатора.
Рисунок 14 - Структурная схема кварцевого
автогенератора
Желательно, чтобы колебания существовали только при
наличии кварцевого резонатора и отсутствовали при его отключении или выходе из
строя. Согласующая цепь должна удовлетворять и этому требованию.
2.3 Транзисторный автогенератор, работающий на
основной частоте
Согласующая цепь транзисторного кварцевого генератора является
колебательный контур, настроенный на частоту, близкую рабочей гармонике кварца.
В простейшей схеме кварцевого генератора применяется отрицательная обратная
связь (емкостная трехточка) и кварцевый резонатор включенный последовательно в
контур, играет роль индуктивности (рисунок 15). Колебания здесь возбуждаются на
частоте несколько большей частоты основного последовательного резонанса кварца.
Чтобы
эквивалентная индуктивность кварцевого резонатора не была шунтирована емкостью
С0 (емкость кварца), необходимо выполнить неравенства:
.
Рисунок
15 - Упрощенные схемы кварцевых автогенераторов, при работе на основной частоте
кварцевого резонатора (а) и на механической гармонике кварца (б)
Учитывая
условия резонанса
, где
, запишем
или
.
На
практике принимают
.
На
частотах, существенно отличающихся от и)..,, кварцевый резонатор эквивалентен
емкости С0 и возбуждение паразитных колебаний невозможно.
.4
Транзисторный автогенератор, работающий на гармонике кварца
Чтобы
автогенератор устойчиво возбуждался на механической гармонике кварцевого
резонатора, необходимо принять меры, препятствующие генерации на основной
частоте кварца. С этой целью можно применить схему автогенератора, изображенную
на рисунке 16.
Индуктивность L выбирают таким образом, чтобы на частоте генерации схема
представляла собой емкостную трехточку, а на более низких гармониках не
выполнялось одно из условий существования устойчивых автоколебаний, например
баланс фаз.
Для
этого резонансная частота
контура LC2 должна удовлетворять
соотношениям
.
а) б)
Для
возбуждения колебаний на частоте
эквивалентная
емкость контура LC2 на
настраивается
на эту частоту.
Простейшая
электрическая схема кварцевого автогенератора на биполярном транзисторе
(рисунок 16,а) соответствует упрощенной схеме (рисунок 15,а). Колебательная
система здесь образована кварцевой пластиной, играющей роль индуктивности и
конденсаторами C1, C2. Резисторы R1, R2 образуют
делитель напряжения для подачи постоянного смещения на базу, Rсм - резистор автосмещения, конденсатор Сбл2
- блокировочный. Источник питания En блокируется от
токов высокой частоты емкостью Сбл1 и сопротивления Rбл. Конденсатор Ссв обеспечивает оптимальную
связь с нагрузкой. Поскольку в рассматриваемой схеме нет корректирующей
цепочки, для исключения влияния инерционности транзистора на стабильность
частоты следует выбирать транзистор, у которого
, где
- частота генерации.
На
рисунке 16,б изображена схема транзисторного автогенератора, предназначенного
для возбуждения колебаний на механической гармонике кварца,
соответствующая рисунку 15,б. Точная настройка на требуемую частоту
осуществляется с помощью подстроечного конденсатора СЗ. Для упрощения
конструкции, при использовании подстроечного конденсатора с заземленным
корпусом, коллектор транзистора по высокой частоте имеет нулевой потенциал относительно
земли. При этом исключается необходимость применения блокировочного
сопротивления или индуктивности в цепи питания.
Колебательная
система, образованная кварцем, емкости CI-C3 и
индуктивностью L, препятствует возбуждению колебаний на более низких
механических гармониках кварца. Цепочка Rкор, Скор - корректирующая.
Рассмотренные
схемы кварцевых автогенераторов на транзисторах являются типичными и позволяют
получить высокую стабильность частоты.
.5
Кварцевые автогенераторы на интегральных микросхемах
В
настоящее время находят широкое применение кварцевые автогенераторы на
интегральных микросхемах (ИМСх). Они могут быть построены на основе емкостной
трехточечной схемы с кварцевым резонатором (рисунок 15,а) - для генерации на
основной частоте либо для генерации на механических гармониках. Достоинством
емкостной схемы является минимальное число индуктивностей. В качестве
автогенераторов могут быть применены универсальные микросхемы. Например, на
рисунке 17 представлена электрическая схема генератора на гибридной
линейно-импульсной микросхеме К2УС249. Схема автогенератора почти такая же, как
и на рисунке 16,а но при изготовлении она менее трудоемкая, поскольку здесь
меньше дискретных элементов. Еще больше снижаются габариты и упрощается монтаж
при изготовлении в виде микросхемы всего автогенератора, за исключением
кварцевого резонатора.
Наибольшая плотность компоновки достигается, выполняя
автогенератор на кварцевой подложке [3], совмещая кварцевый резонатор с другими
элементами. Например, при размере кварцевой пластины 16x12x0,208 с
использованием бескорпусного транзистора КТ 2325А получен автогенератор с
частотой колебаний 8 МГц.
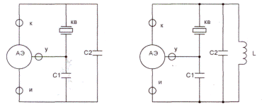
Рисунок 17 - Принципиальная электрическая схема
кварцевого автогенератора на ИС
.6 Методы управления несущим высокочастотным сигналом
.6.1 Амплитудная модуляция
Структурная схема модулятора изображена на рисунке 18.
Преобразование спектра, которое происходит при модуляции, возможно в нелинейных
системах либо в линейных системах с переменными параметрами. Последние обычно
реализуются с помощью нелинейных элементов (НЭ), поэтому в состав модулятора,
как правило, входит НЭ.
Рисунок 18 - Структурная схема модулятора
В качестве нелинейного элемента используются полупроводниковые
диоды и транзисторы. Согласующие цепи модулятора предназначены для наиболее
полной передачи мощностей от источников к НЭ и выходной мощности в нагрузку.
Кроме того, входная и выходная согласующие цепи несущей частоты обеспечивают
оптимальный режим работы НЭ.
При амплитудной модуляции (AM) амплитуда несущих колебаний изменяется по закону
модулирующего сигнала. Обычно сигнал имеет сложный спектр, однако в пределах
допустимой погрешности принимают модулирующий сигнал гармоническим
, где
- амплитуда сигнала; (9)
где
- круговая частота.
Выражение
мгновенного значения несущих колебаний имеет вид:
(10)
где
- мгновенное напряжение несущей частоты
;
UН - амплитуда несущих колебаний;
m - коэффициент
модуляции.
Тогда
амплитудная модуляция сигнала представлена выражением (11).
(11)
Для
исключения искажения передаваемого сигнала должно быть выполнено условие 0< m
< 1. На рисунке 19 представлены временные зависимости АМ-колебаний.
Как
следует из (11), максимальная и минимальная амплитуды несущих колебаний могут
быть рассчитаны следующим образом:
откуда
.
Спектр АМ сигнала при модуляции гармоническим сигналом
(9) представлен на рисунке 19, а.
Рисунок 19 - Спектры модулированных по амплитуде
колебаний при модуляции одним током (а) и сложным сигналом (б)
Как видно из рисунка 19, при модуляции сложным
сигналом коэффициент модуляции m
является функцией времени. Для отсутствия нелинейных искажений максимальное
значение коэффициента модуляции не должно превышать единицы. Среднее значение m за длительный промежуток времени.
соизмеримый с периодом самой низкой частоты сигнала, составляет обычно 0,35 -
0,4. Спектр AM - колебаний может быть получен из
(11),
На
рисунке 19, б показан спектр AM колебаний, построенный в согласии с (11). Если
модулирующий сигнал сложный, содержащий частоты в полосе
, то спектр AM колебаний имеет вид,
изображенный на рисунке 19, б. Как видно из рисунка 19,б, ширина спектра AM
колебаний равна 2Fmax.
.6.2
Угловая модуляция
При
угловой модуляции амплитуда несущих колебаний остается постоянной, а информация
содержится в изменении частоты co(t) или начальной фазы cp(t).
Если под действием модулирующего сигнала изменяется частота to,
то модуляция называется частотной (ЧМ). Если же модулирующий сигнал
воздействует на начальную фазу
несущих
колебаний, модуляция называется фазовой (ФМ). Название «угловая модуляция»
связано с представлением модулированных по частоте или по фазе колебаний в виде
вектора, вращающегося с частотой
.
Носителем информации является изменение фазового угла
этого вектора.
Переменное
напряжение с модулированной частотой или фазой записывают в виде
,
где
U - амплитуда;
-
мгновенная фаза (фазовый угол).
При
частотной модуляции, осуществляемой одной гармоникой, мгновенная частота
несущих колебаний будет меняться по закону:
,
где
- средняя частота;
-
девиация частоты;
-
частота модулирующих колебаний;
Мгновенная
фаза записывается в следующем виде
,
где
- индекс частотной модуляции.
Отсюда
мгновенное напряжение при ЧМ
Теоретически
спектр колебаний, модулированных по частоте бесконечен. На практике ширину
спектра оценивают приближенно по формулам, которые составлены при учете боковых
составляющих, превышающие определенный пороговый уровень. Так, при учете только
тех составляющих, модуль которых больше 0,1 U, ширина
спектра
. Эта формула справедлива при
. Если
, то
, т.е. при малых индексах модуляции спектр ЧМ- колебаний
аналогичен спектру АМ-колебаний.
беспроводный телефонный радиосвязь станция
3. ПЕРЕДАЮЩИЕ УСТРОЙСТВА АБОНЕНТСКОЙ СТАНЦИИ
.1 Технические характеристики станции
Интерфейсный блок представляет абонентскую станцию,
которую проектируем преимущественного на SМД элементах. Приемопередающее устройство размещаем на двух
платах А1 и А2 - приемное и передающее устройство
соответственно. На плате А3 размещаем синтезатор частоты. Платы
стыкуются между собой через впаянные в них разъемы и представляют в таком виде
единую конструкцию, размеры которой можно ограничить величинами 150х170х48 мм
(размеры интерфейсного блока «Ритал-330М2»). Органы управления: регулятор
громкости с выключателем, ЖК-дисплей и кнопки управления. Настройка
радиостанции сопровождается текстовыми подсказками на ЖК-дисплее и подсветкой
шкалы. На ЖК-дисплее отображается уровень выходной мощности передатчика,
границы частотного диапазона, границы сканирования, частоты каналов.
Технические характеристики радиостанции:
Диапазон рабочих частот (задается);
Чувствительность приемника, МкВ - не хуже 0,15 мкВ;
Полоса пропускания приемника, кГц - 12;
Динамический диапазон, дБ, не менее - 80;
Выходная мощность передатчика, Вт - не более 1 Вт;
Минимальный шаг перестройки, кГц - 12,5(25);
Напряжение питания, В - 12…14.
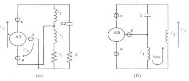
Функциональная схема приемопередатчика приведена на
рисунке 21. Приемный тракт выполнен по схеме с двойным преобразованием частоты
и состоит из УВЧ на транзисторах, смесителя на транзисторе, промежуточного
каскада (УПЧ-1), тракта промежуточной частоты УПЧ-2 и частотно-модулированного
дискриминатора на функциональной микросхеме 1DA1 и усилителя звуковой частоты на микросхеме 1DA2.
Рисунок 21 - функциональная
схема приемопередатчика
В
режиме приема сигнал из антенны через антенный фильтр и антенный усилитель
поступает на входной полосовой контур и каскад УВЧ, далее через полосовой
фильтр сигнал подается на смеситель ПЧ1 сюда же поступает сигнал первого
гетеродина (
.
Сигнал
первой промежуточной частоты (10,695 МГц) проходит через кварцевый фильтр 1ZQ,
поступает на промежуточный каскад с небольшим усилением на транзисторе. Этот
каскад служит для компенсации затухания в фильтре и улучшает соотношение
сигнал/шум тракта ПЧ1. Далее сигнал подается на второй смеситель, входящий в
состав микросхемы 1DA1 (вывод 16). На другой входы (вывод 1 микросхемы 1DA1)
этого смесителя с кварцевого генератора синтезатора (вывод 2) поступает сигнал
10,240 МГц. Сигнал второй промежуточной частоты ПЧ2 455 кГц выделяется фильтром
основной селекции 1ZQ3, усиливается и детектируется ЧМ дискриминатором
микросхемы 1DA1. Детектированный сигнал с выхода ИМС 1DA1
через НЧ-фильтр поступает на регулятор громкости и вход УНЧ 1DA2.
Передающее
устройство состоит из генератора-модулятора, выполненного на транзисторе с
подстройкой по частоте с помощью варикапа. Модулирующий сигнал частотой 0,3…3,4
кГц поступает от микрофона (М). Автогенератор работает на основной частоте
МГц. Промодулированный по частоте сигнал поступает на
смеситель, выполненный на транзисторе, на второй каскад которого поступает
сигнал от стабилизированного генератора частот 270 МГц. Результирующий сигнал
частотой 300,3 МГц выделяется узкополосным фильтром поступает на усилитель
мощности.
Стабилизированный
генератор представляет транзисторный автогенератор с кварцевой стабилизацией.
Основная гармоника автогенератора 90 МГц. Эта гармоника через синтезатор частоты
поступает на первый смеситель приемного тракта
Подавление
побочных составляющих генератора-модулятора и стабилизацию его по частоте
обеспечивается кольцом фазовой подстройки частоты, включающего в себя фазовый
детектор и делитель частоты.
3.2 Поверочный расчет каскадов станции
.2.1 Выбор и расчет схемы задающего генератора
Электрические схемы частотных модуляторов различаются
главным образом связи варикапа с резонатором автогенератора. Наиболее просто
реализуются схемы с емкостной связью, рисунок 22. Здесь автогенератор выполнен
на полевом транзисторе 1VT1типа
BF998 или его аналоге.
Варикап связан с колебательным контуром, образованный
конденсаторами 1С11; 1С2 и индуктивностью 1L1 с помощью связи 1С3. Перестройка частоты производится
варикапом 1VД1, на который поступает напряжение
ФАПЧ от синтезатора через вывод Z
разъема Х1.
Рисунок 22 - Электрическая схема генератора-модулятора
Таблица 3
Перечень компонентов электрической схемы
генератора-модулятора
|
Схемное обозначение
|
Тип компонента
|
Количество
|
|
1VT1
|
Транзистор BF998
|
1
|
|
1VD1
|
Варикап КВ132А
|
1
|
|
Конденсаторы
|
|
|
1C1
|
К10-17-16-М47-27 пФ
|
1
|
|
1C2
|
К10-17-26-М47-51 пФ
|
1
|
|
1C3
|
К10-17-26-М47-43 пФ
|
1
|
|
1C4
|
К10-17-26-М47-1000 пФ
|
1
|
|
1C5
|
К150-17-26-М47-3 пФ
|
1
|
|
1C6
|
К10-17-26-Н90-0,1 мкФ
|
1
|
|
1R1
|
С2-33Н-0,25-150 Ом ±5%
|
1
|
|
1R2
|
С2-33Н-0,25-1 кОм ±5%
|
1
|
|
1R3
|
С2-33Н-0,25-250 кОм ±5%
|
1
|
|
1R4
|
СП5-3В-1ВТ-10 кОм±5%
|
1
|
|
1R5
|
С2-33Н-0,25-10 кОм ±5%
|
1
|
|
1R6, 1R7
|
С2-33Н-0,25-100 кОм ±5%
|
2
|
|
1R8
|
С2-33Н-0,25-100 кОм ±5%
|
1
|
|
1R9
|
С2-33Н-0,25-150 кОм ±5%
|
1
|
|
R10
|
С2-33Н-0,25-100 кОм ±5%
|
1
|
На этот же варикап в режиме передачи М микрофонного тракта (вывод 1
разъема Х1) через регулятор девиации 1R4 поступает модулирующий сигнал.
Автогенератор
на транзисторе можно проектировать на тех частотах, где выполняется соотношение
, где
-
граничная частота транзистора.
Если
, то к транзистору следует подключать корректирующую
цепочку. Расчет схемы частотного модулятора следует проводить по методике,
изложенной в [7].
Выбирается
схема автогенератора, тип варикапа и рассчитывается его режим и определяется
емкость связи варикапа с резонатором.
Для
частоты генерации
и относительной девиации частоты
- задаемся коэффициентом гармоник кГ<5%. Выбираем схему генератора-модулятора (рисунок 22). Выбираем
транзистор малой мощности типа BF998.
Полевые
транзисторы характеризуются зависимостью ток сток Iс от напряжения сток-исток Uси и затвор-исток Uзи. Для малых приращений тока стока справедлива
зависимость:
,
Где
внутреннее
сопротивление транзистора. Эти параметры зависят от постоянной составляющей
тока стока, то есть от положения рабочей точки на вольтамперной характеристике.
Область безопасной работы полевого транзистора определяется его предельными
параметрами [8]:
максимально
допустимый ток стока;
напряжение
пробоя сток-исток, Uси;
максимальная
рассеиваемая мощность.
Наибольшие потери мощности приходятся на сопротивление в открытом
состоянии транзистора.
Для
транзистора BF998 (КП956Б) Uc< 200B;




Активная
часть емкости
и
сопротивление потерь в цепи стока
.
Расчет
корректирующей цепочки (1R1, 1C2)
Принимаем
1R1=150 Ом
Принимаем
1С2=51 пФ.
Конденсатор
1С1 с выводом стока образует колебательный контур, настроенный на основную гармонику
генерации
Принимая индуктивность вывода
находим емкость контура 1С2 [6].
Принимаем
1С1=27 пФ
Электрический
расчет генератора
В
статическом режиме максимально допустимая мощность Рстат.мах,
рассеиваемая транзистором, определяется зависимостью:
, (12)
где
Ткр.мах - максимальная температура кристалла;
Ткорп
- температура корпуса транзистора;
-
тепловое сопротивление в статическом режиме.
С
другой стороны, максимально допустимая мощность:
(13)
где
- сопротивление цепи сток-исток в открытом состоянии
транзистора.
Из
приведенных зависимостей определяется тепловое сопротивление в статическом
режиме:
.(14)
Из формулы (13) находим
Принимаем
, угол отсечки
тогда 
Расчет
основных параметров генератора:
Резистор
1R10 с конденсатором 1С10 образуют развязывающий фильтр
с другими каскадами через общий источник питания. Величина резистора 1R10
принимается несколько десятков Ом. Принимаем величину резистора 1R10=100
Ом.
Падение
напряжения на резисторе
Принимаем
1R9=150 Ом, так как выход генератора шунтируется малым
сопротивлением стабилизатора напряжением
.
Расчет
емкости фильтра 1С6
Принимаем
1С6=0,1пФ.
Делитель
R7, R6 рассчитывается исходя из обеспечения потенциала
затвора
Задаемся
током делителя
и находим общее сопротивление
Принимаем
.2.2
Расчет схемы модулятора
Выбираем
варикап КВ132А, емкость которого Сво=50 пФ при
добротность
Предельные
параметры варикапа:
степень нелинейности вольтамперной характеристики
. Смещение на варикап подаем от общего источника
питания через дополнительное регулирующее устройство
.
Из
расчета автогенератора известны следующие параметры:
, относительная девиация частоты
, коэффициент гармоник КГ<5%. Находим амплитуду модулирующего напряжения:
Расчет
сопротивления резистивного делителя R2, R3:
Принимаем
ток делителя
.
При
выборе величины резистора 1R2 используем уравнение [7]:
>0
Принимая
Находим
.
Выбираем
величину резистора 1R1, равную 250 кОм.
Тогда
1R2 принимаем равным 1 кОм.
Расчет
конденсатора связи 1С3:
Выбираем
1С3 = 43 пФ.
Величину
резистора 1R5 находим по формуле:
Амплитуда
модулированного сигнала на выходе генератора:
.2.3
Выбор и расчет схемы преобразователя частоты
Преобразователем
частоты называют устройство, в котором несущая частота сигнала преобразуется в
более низкую (разностную) или более высокую (суммарную) частоту сигнала и
гетеродина, то есть происходит перенос спектра сигнала с сохранением закона
модуляции.
Преобразователь
частоты состоит из смесителя и гетеродина. Основными элементами смесителя
являются: нелинейный элемент, входное устройство и выходной фильтр, настроенный
(в данном случае) на суммарную частоту частотно- модулированного сигнала, с
несущей частотой
и частотой гетеродина
Преобразователь
частоты является линейным элементом для колебаний сигнала, информацию о котором
несет огибающая биений, воздействующая в области линейной части вольтамперной
характеристике нелинейного элемента. В то же время преобразователь - нелинейный
элемент для колебаний гетеродина, заполняющих биения и воздействующих в
нелинейной области характеристики смесителя. Преобразователи частоты
характеризуются следующими основными параметрами: коэффициентом преобразования
Кпрг, коэффициентом шума Nш, полосой пропускания
входной
и выходной проводимостью
.
,
где
- крутизна преобразования в оптимальном режиме,
равная
;
Смеситель
Пр.Ч-1 выполнен на полевом транзисторе VT2. Сигнал от
генератора-модулятора (1L2, 1C7, 1L3, 1C8) через разделительный конденсатор 1С9 поступает на
1-й затвор транзистора смесителя ПЧ1 1VT2. На второй затвор 1VT2
через буферный каскад на транзисторе 1VT3 через разделительный
конденсатор 1С10 и контур 1L4 1С11 поступает сигнал первого гетеродина частотой
(рисунок 23).
Смеситель
ПЧ1 работает с нулевым смещением на первом затворе, имеет высокую крутизну
преобразования и малые собственные шумы.
Результирующий
сигнал (300,3 МГц) выделяется на полосовом фильтре 1L5, 1C12,
1R14 и поступает на каскад УВЧ на транзисторе VT4.
Нагрузкой
транзистора является контур 1L6, выходная емкость транзистор 1VТ4
(С22).
Контур
(1L4, 1С11) настроен на основную частоту
На частотах свыше 200МГц сосредоточенная
индуктивность принимается 0,1…0,3мкГн, а емкость контура рассчитывается по
формуле:
Дополнительную
емкость в контур ставить не требуется. Ограничиваемся выходной емкостью
транзистора. В качестве транзистора выбираем BF998.
Рисунок 23 - Электрическая схема преобразователя
Расчет контуров 1L2, 1C7 и 1L3, 1С8:
Расчет контуров 1L5 и 1L6. Задаемся индуктивностями 1L5=1L6=0,02 мкГн. Контура настраиваются на частоту 300,3 МГц.
В
качестве смесителя выбираем полевой транзистор с двумя затворами типа BF998
м большим входным сопротивлением и малыми межэлектроемкостями. Угол отсечки
выбираем
. При преобразовании на первой гармонике гетеродина
крутизна преобразователя определяется выражением:
,
где
- амплитуда первой гармоники крутизны;
-
коэффициент разложения.
Для
(график кривых Берга на рисунке 6.7 [9]). Тогда
.
Внутренняя
проводимость преобразователя
,
где
- коэффициент разложения.
Для
;
-
внутренняя проводимость транзистора в открытом состоянии 0,4 Ом.
Коэффициент
преобразования Кпр преобразователя частоты:
,
где
- общая резонансная проводимость фильтра
;
.
Находим
устойчивый коэффициент усиления:
Для
нормальной работы радиотехнического устройства
выбираем
и находим величину:
Для
полевых транзисторов можно считать:
Выбираем
Rш=500 Ом, Rш=1Rм
где
Q0 -
резонансная добротность ненагруженного контура, которая принимается равной Q0=50-100.
.2.4
Расчет каскада УВЧ
Каскад
УВЧ выполнен на транзисторе 1VT4 типа КТ3120А по схеме с общим эмиттером (рисунок
23). Транзистор КТ3120А кремниевый эпитаксиально-планарный n-p-n СВЧ
усилительный с нормированным коэффициентом шума на частоте 400 МГц, масса
транзистора не более 0,3 г.
Граничная
частота при
,
- 1,8 ГГц;
Минимальный
коэффициент шума N-2 дБ;
Оптимальный
коэффициент усиления по мощности Кр»10 дБ;
Статический
коэффициент передачи тока h21=40;
Емкость
коллекторного перехода не более Ск=2 пФ;
Емкость
эмиттерного перехода СЭБ=3,2 пФ;
Постоянная
времени цепи обратной связи
;
Емкость
коллектора-база СКБ=0,015 пФ.
Рассчитываем
выходной контур 1L6, Ск.
Задаемся
индуктивностью 1L6=0,03мкГн, тогда полная емкость контура равна:
,
.
Принимаем
Сдоп = 1С18=5,1пФ.
Определяем
сопротивление шунта 1R16:
,
Где
;
Проводимость
нагруженного контура:
Если
dк<d0, то
шунтирующий резистор в контур ставить не требуется.
Полоса
пропускания контура будет значительно больше требуемой.
Предельные
эксплуатационные данные:
постоянное
напряжение коллектор-база
постоянное
напряжение коллектор-эмиттер
постоянное
напряжение эмиттер-база
постоянный
ток эмиттера
постоянный
ток коллектора
постоянная
рассеиваемая мощность Рк=100 мВт.
Общее
тепловое сопротивление Rт=0,86к/мВт.
Максимально
допустимая мощность, рассеиваемая коллектором при
, равна:
Максимальное
напряжение между коллектором и базой при
равно:
,
где
tср =
45…70% - диапазон температур, в пределах которого происходит снижение
на величину
.
Выбираем
напряжение коллектор-база с 30-процентным запасом:
Ток
покоя коллектора с 30% запасом:
Выбираем
допустимое изменение тока покоя коллектора
.
Вычисляем
коэффициент нестабильности N:
Выбираем
Выбираем
1R17=10 кОм.
Емкость
шунтирующего конденсатора:
Выбираем
Сф =1С14=51 пФ.
По
аналогии 1R15 рассчитывается 1R12 и по 1R14
рассчитывается резистор 1R11.
Таблица 4
Перечень компонентов электрической схемы преобразователя
|
Схемное обозначение
|
Тип компонента
|
Количество
|
|
1VT
|
Транзистор BF998 (КП436)
|
1
|
|
1VT3, 1VT4
|
Транзистор КТ3120А
|
2
|
|
1R11, 1R17
|
Резистор С2-33Н-0,25 - 10 кОм
|
2
|
|
1R12, 1R15
|
Резистор С2-33Н-0,25 - 2 кОм
|
2
|
|
1R13
|
Резистор С2-33Н-0,25 - 100 Ом
|
1
|
|
1R14
|
Резистор С2-33Н-0,25 - 500 Ом
|
1
|
|
1R16
|
Резистор С2-33Н-0,25 - 560 Ом
|
1
|
|
1С9, 1С10, 1С16, 1С18
|
Конденсатор К10-17-2Б-М47 - 33 пФ
|
4
|
|
1С13, 1С14
|
Конденсатор К10-17-2Б-М47 - 51 пФ
|
2
|
|
1С11, 1С12, 1С15
|
Конденсатор К10-17-2Б-М47 - 5,1 пФ
|
3
|
|
1С19
|
Конденсатор К10-17-2Б-М47 - 100 пФ
|
1
|
|
1L4, 1L5
|
Индуктивность L=0,03мкГн
|
2
|
.2.5 Выбор и расчет схемы усилителя мощности
Схема усилителя мощности показана на рисунке 24. Здесь 1С21 и 1С25 -
разделительные емкости, 1L7 и
1С20 - входная, 1L12,1С23 - выходная
Г-образные согласующие цепочки; 1С22, 1С28, 1С29 - блокировочные емкости.
Индуктивности 1L8 и 1L11 входят в состав нагрузочных
резонансных контуров первого и второго каскадов усилителей мощности.
L12,
1С23; 1С24, 1L13 и 1С26 образуют развязывающий приемо-передающий
антенный фильтр.
Резисторы
1R18 и 1R20 обеспечивают автосмещение, равное
и корректируют частотную характеристику транзистора.
Для
увеличения коэффициента передачи мощности применяют двухкаскадный УМ. При
частотах
в качестве элементов согласующих цепей используют
межэлектродные емкости транзисторов и индуктивности их выводов. Разрабатываемый
УМ должен работать на частоте 0,3 ГГц, поэтому в качестве согласующих элементов
применяем индуктивности и емкости с сосредоточенными параметрами.
Таблица 5
Перечень компонентов схемы усилителя мощности
|
Схемное обозначение
|
Тип компонента
|
Количество
|
|
1VT5, 1VT6, 1VT7
|
Транзистор 2Т925Б
|
3
|
|
1VT8
|
Транзистор КТ3120А
|
1
|
|
1R18
|
Резистор С2-33Н-0,25 - 2,5 кОм
|
1
|
|
1R19
|
Резистор С2-33Н-0,125 - 560 Ом
|
1
|
|
1R20
|
Резистор С2-33Н-0,25 - 680 Ом
|
1
|
|
1R21
|
Резистор С2-33Н-0,25 - 18 Ом
|
1
|
|
1R22
|
Резистор С2-33Н-0,25 - 10 Ом
|
1
|
|
1С20
|
Конденсатор К10-17-2Б-М47 - 27 пФ
|
1
|
|
1С21
|
Конденсатор К10-17-2Б-М47 - 18 пФ
|
1
|
|
1С23
|
Конденсатор К10-17-2Б-М47 - 5,6 пФ
|
1
|
|
1С24, 1С26
|
Конденсатор К10-17-2Б-М47 - 30 пФ
|
2
|
|
1С22, 1С30
|
Конденсатор К10-47а-500В - 0,1 мкФ
|
2
|
|
1С28
|
Конденсатор К10-47а-16В - 1000 мкФ
|
1
|
|
1L7, 1L9, 1L12
|
Индуктивность 0,094 мкГн
|
3
|
|
1L8, 1L11
|
Индуктивность 0,08 мкГн
|
2
|
|
1VD2
|
Диод 2Д222ГС
|
1
|
Полоса пропускания УМ должна соответствовать диапазону излучаемых частот
300,3…307,51 МГц. Принимаем полосу частот пропускания каскадами УМ не менее 7
МГц.
Произведем расчет УМ по заданному техническому заданию:
излучаемая мощность в антенне не менее 1Вт;
частота излучения 300,3…307,51 МГц;
-
модулирующая частота
напряжение
источника питания
КПД
антенно-фидерного тракта
.
Выбор
транзисторов для УМ.
Выходная
мощность УМ
Мощность,
рассеиваемая на коллекторе с учетом Рк»0,85,
получаем:
Для
работы усилителя мощности при температуре окружающей среды
максимально допустимая мощность, рассеиваемая
коллектором:
где
для кремниевых и
для
германиевых транзисторов соответственно.
Для
выполнения УМ с выходной мощностью
и
напряжением на коллекторе 12,6 В. выбираем мощный высокочастотный транзистор
типа 2Т925Б. Транзистор 2Т925Б кремниевый эпитаксиально-планарный n-p-n
генераторный сверхвысокочастотный. Применяется в схемах усилителей мощности на
частотах 200-400 МГц при напряжении 12,6 В. Выпускается в металлокерамическом
корпусе с гибкими ленточными выводами и монтажным винтом. Масса транзистора не
более 4,5 г. [5].
Электрические
параметры:
выходная
мощность при
,
равна 2
Вт;
коэффициент
усиления мощности на
,
коэффициент
полезного действия коллектора
коэффициент
передачи тока
и
критический
ток коллектора при
,
не менее
;
постоянная
времени цепи обратной связи при
,
не более 20 пс;
емкость
коллекторного перехода при
,
не более 15 пФ;
обратный
ток коллектор-эмиттер не более 5 мА;
индуктивность
выводов:
а)
эмиттерного - 1,2 нГн;
б)
базового - 2,6 нГн;
емкость
выводов относительно корпуса:
а)
эмиттер-корпус - 1,84 пФ;
б)
коллектор-корпус - 1,53 пФ;
в)
база-корпус - 0,96 пФ.
Предельно
допустимые эксплуатационные данные:
постоянное
напряжение коллектор-эмиттер при
равно
;
постоянное
напряжение коллектор-база
;
постоянный
ток коллектор-база
средняя
рассеиваемая мощность в динамическом режиме
.
На
рисунке 25 представлена зависимость коэффициента усиления по мощности от
частоты.
Рисунок 25 -
Зависимость коэффициента усиления по мощности от частоты
Расчет рабочего тока коллектора транзистора 1VT6:
,
где
- напряжение коллектор-эмиттер в режиме насыщения
тока коллектора.
Определение
тока базы транзистора 1VT6:
Величина
резистора 1R20 находится из мощности, которую необходимо приложить к базе
транзистора 1VT6:
Находим:
Выбираем
резистор по номиналу 1R20=680 Ом.
Принимаем
коэффициент передачи согласующей цепи 1С21, 1L9, 1L10
равным Крс=0,9, находим мощность на коллекторе 1VT5.
,
Определяем
ток коллектора транзистора VT5:
,
Определяем
ток базы:
,
,
Расчет
резистора
.
Выбираем
1R21=2,5 кОм.
Расчет
резистора
Выбираем
1R21=18 Ом.
На
транзисторе 1VT7 максимально рассеиваемая мощность
.
Выбираем
транзистор типа 2Т925Б.
Резистор
1R23 принимаем равным 1R21.
Расчет
резонансных систем УМ.
Полосовой
фильтр 1L7, С11 транзистора 1VT5
настраивается на среднюю генерируемую частоту
. На
резонансной частоте имеет чисто активное сопротивление, близкое к нулю
.
,
,
,
,
.
Расчет
конденсаторов:
.
Выбираем
1С20=27 пФ.
Выбираем
1С21=18пФ.
С23=5,6
пФ.
С25=1С24=30
пФ.
С30=1С22=0,01мкФ.
С28=1000
пФ.
VD2 - нелинейный
элемент в цепи питания, обеспечивает защиту УМ от возможного перенапряжения.
Выбираем диод типа 2Д222ГС.
.
3.3 Принцип работы схемы электрической принципиальной ППУ
Задающий
генератор выполнен по схеме с емкостной трехточки на транзисторе VT1
типа КП346А - кремниевый, планарный, полевой с 2 изолированными затворами.
Электрические параметры:
,
,
,
Межэлектродные
емкости 
[12.] На каскад VT1 поступает
напряжение ФАПЧ от синтезатора На этот же варикап с микрофонного тракта через
регулятор девиации R4 поступает модулирующий сигнал частотой 0,3…3,4 кГц.
В
режиме передачи на каскад УВЧ (транзистор VT4) поступает
питание +10 В. Модулированный сигнал частотой 30,3 МГц поступает на первый
затвор (VT2), на второй затвор поступает сигнал от гетеродина
(через синтезатор) частотой
С
выхода смесителя (транзистор VT2 и полосовой фильтр L5, С12) сигнал
частотой
поступает на УВЧ (VT4) и усилитель
мощности VT5, VT6 и через согласующие цепи поступает в антенну.
Переключение
уровня выходной мощности осуществляется ключом на транзисторе VT7.
При включении большей мощности он открыт. При меньшей мощности транзистор VT7
закрыт, а питание поступает через резистор R21, уменьшая
раскачку выходного каскада. Переключение мощности осуществляется подачей
высокого/низкого логических сигналов от процессора синтезатора на инвертор на
транзисторе VT8.
Рисунок 26 - Схема формирования информационного сигнала
Рисунок 27 - Схема усилителя и УМ
Таблица 6
Перечень компонентов схемы формирования информационного сигнала, схемы
усилителя и УМ
|
Схемное обозначение
|
Тип компонента
|
Количество
|
|
1
|
2
|
3
|
|
Транзисторы
|
|
VT1, VT2
|
Транзистор маломощный КП346А
|
2
|
|
VT3, VT4, VT8
|
Транзистор маломощный КТ3120А
|
3
|
|
VT5, VT6, VT7
|
Транзистор мощный 2Т925Б
|
3
|
|
VД1
|
Варикап КВ132А
|
1
|
|
VД2
|
Диод 2Д222ГС
|
1
|
|
ДА1
|
Микросхема TDA 2003
|
1
|
|
Резисторы
|
|
R1, R9
|
С2-23-0,125 - 150 Ом ± 5%
|
2
|
|
R2
|
С2-23-0,125 - 4 кОм ± 5%
|
1
|
|
R3
|
С2-23-0,125 - 150 кОм ± 5%
|
1
|
|
R5, R11, 17
|
С2-23-0,125 - 10 кОм ± 5%
|
4
|
|
R6, R7
|
С2-23-0,125 - 100 кОм ± 5%
|
2
|
|
R8, R10, R13
|
С2-23-0,125 - 100 Ом ± 5%
|
3
|
|
R12, R15
|
С2-23-0,125 - 2 кОм ± 5%
|
2
|
|
R14
|
С2-23-0,125 - 500 Ом ± 5%
|
1
|
|
R16, R19
|
С2-23-0,125 - 560 Ом ± 5%
|
2
|
|
R18
|
С2-23-0,125 - 2,5 кОм ± 5%
|
1
|
С2-23-0,125 - 680 Ом ± 5%
|
1
|
|
R21
|
С2-23-0,125 - 18 Ом ± 5%
|
1
|
|
R22
|
С2-23-0,125 - 10 Ом ± 5%
|
1
|
|
R4
|
СП5-3В -1Вт - 10 кОм
|
1
|
|
Конденсаторы
|
|
С1, С20
|
К10-17-2Б-М47 - 27 пФ
|
2
|
|
С2, С13, С14
|
К10-17-2Б-М47 - 51 пФ
|
3
|
|
С3
|
К10-17-1Б-М90 - 43 пФ
|
1
|
|
С4, С17
|
К10-17-1Б-М90 - 1000 пФ
|
2
|
|
С5
|
К10-17-1Б-М90 - 3 пФ
|
1
|
|
С6, С22
|
К10-17-1Б-М90 - 0,1 мкФ
|
2
|
|
С7
|
К10-17-1Б-М90 - 10 пФ
|
1
|
|
С8, С23
|
К10-17-1Б-М90 - 5,6 пФ
|
2
|
|
С9, С10, С16, С18
|
К10-17-1Б-М90 - 33 пФ
|
4
|
|
С11, С12, С15
|
К10-17-1Б-М90 - 5,1 пФ
|
3
|
|
С19
|
К10-17-2Б-М47 - 100 пФ
|
1
|
|
С20
|
К10-17-2Б-М47 - 27 пФ
|
1
|
|
С21
|
К10-17-2Б-М47 - 18 пФ
|
1
|
|
С24, С25
|
К10-17-2Б-М47 - 30 пФ
|
2
|
|
С26
|
К10-47а-16В - 1000 мкФ
|
1
|
|
С27
|
К10-17-1Б-М90 - 0,01 мкФ
|
1
|
|
Полосовые фильтры
|
|
L1…L4
|
ПАВ индуктивность 0,9 мкГн
|
4
|
|
L5…L7
|
ПАВ индуктивность 0,08 мкГн
|
3
|
|
L8…L13
|
КФ индуктивность 0,09 мкГн
|
6
|
4. ТЕХНИКО-ЭКОНОМИЧЕСКОЕ ОБСНОВАНИЕ ДИПЛОМНОГО ПРОЕКТА. РАСЧЕТ
ЭКОНОМИЧЕСКОЙ ЭФФЕКТИВНОСТИ В СФЕРЕ ПРОИЗВОДСТВА НОВОЙ ТЕХНИКИ
.1 Характеристика изделия. Обоснование объема производства и расчетного
периода
Передающее устройство является неотъемлемой частью любой радиостанции
ближнего радиуса действия. Разработанное передающее устройство по своим
характеристикам отвечает всем требованиям системы удаленного доступа в
телефонную сеть, которая обеспечивает более дешевую телефонизацию населения
сельских районов без прокладки дорогостоящего кабеля.
Возможный объем производства прогнозируется исходя из объема
потенциальных потребителей, которыми выступают предприятия - системы связи РБ.
Исследование рынка сбыта позволило определить реальный объем продаж - 100 штук
в каждый год расчетного периода, который составит 4 года.
.2 Определение себестоимости и рыночной цены единицы изделия
Себестоимость продукции представляет собой сумму текущих затрат
предприятия на ее производство и реализацию. Для определения суммарных текущих
издержек необходимо рассчитать себестоимость каждой единицы выпускаемой
продукции.
Расчет затрат по статье «Сырье и материалы за вычетом возвратных отходов»
представлен в таблице 7.
Таблица 7
Расчет затрат на основные и вспомогательные материалы
|
№ п/п
|
Наименование материала
|
Единица измерения
|
Норма расхода
|
Оптовая цена за единицу, руб.
|
Сумма, руб.
|
|
1
|
Стеклотекстолит СФ2-35-1,5
|
кв. м.
|
0,4
|
12000
|
4800
|
|
Отходы
|
|
0,1
|
2000
|
200
|
|
2
|
Припой ПОС-61
|
кг
|
0,045
|
10000
|
450
|
|
3
|
Эмаль ЭП-525
|
кг
|
0,05
|
12000
|
600
|
|
4
|
Медь
|
кг
|
0,2
|
15000
|
3000
|
|
5
|
Флюс канифольно-спиртовой
|
л
|
0,02
|
12000
|
240
|
|
6
|
Спирт этиловый
|
л
|
0,04
|
3000
|
120
|
|
Итого:
|
|
|
|
9410
|
|
Итого с учетом транспортно-заготовительных расходов (1.15)
|
|
|
|
10822
|
Расчет затрат по статье «Покупные комплектующие изделия, полуфабрикаты и
услуги производственного характера» представлен в таблице 8.
Таблица 8
Расчет затрат на покупные комплектующие изделия и полуфабрикаты
|
Наименование комплектующего или полуфабриката
|
Цена, руб.
|
Количество на изделие, шт.
|
Сумма, руб.
|
|
1
|
2
|
3
|
4
|
|
Элементы коммутации:
|
|
Резонансные системы ПКФ
|
400
|
13
|
5200
|
|
Микрофон МКЭ8, МД201
|
10000
|
1
|
10000
|
|
Разъем высокочастотный
|
500
|
2
|
1000
|
|
Кабель высокочастотный
|
500
|
16
|
8000
|
|
Аналоговые схемы:
|
|
TDA
|
1000
|
1
|
1000
|
|
Резисторы:
|
|
МЛТ-0,125
|
300
|
22
|
6600
|
|
СП5-3В-1ВТ - 10 кОм
|
500
|
1
|
500
|
|
Конденсаторы:
|
|
К10-17-1Б-М90
|
400
|
28
|
11200
|
|
Диоды и стабилитроны:
|
|
Варикап КВ
|
2500
|
1
|
2500
|
|
Транзисторы:
|
|
Маломощные высокочастотные 2Т3120А
|
5000
|
3
|
15000
|
|
Мощные СВЧ 2Т945Б
|
6000
|
3
|
18000
|
|
Маломощные высокочастотные КП346А
|
4000
|
2
|
8000
|
|
Радиатор
|
800
|
3
|
2400
|
|
Итого:
|
89400
|
|
Всего с учетом транспортно-заготовительных расходов (1.15)
|
|
|
102810
|
|
|
|
|
|
Расчет затрат по статье «Основная заработная плата производственных
рабочих» представлен в таблице 9.
Почасовая
тарифная ставка 1-го разряда
Работы
выполняются рабочими VIII, IX и X разрядов.
Коэффициенты
VIII, IX и X разрядов К8=2,17; К9=2,32; К10=2,48.
Таблица 9
Расчет основной заработной платы производственных рабочих по видам работ
|
Виды работ (операции)
|
Разряд работ
|
Часовая тарифная ставка, р/ч
|
Норма времени по операции, н-ч
|
Основная зарплата (расценка), руб.
|
|
1. Подготовительная операция
|
VIII
|
778
|
0,5
|
389
|
|
2. Установка элементов на печатную плату
|
IX
|
832
|
1,0
|
832
|
|
3. Пайка волной
|
Х
|
889
|
0,1
|
89
|
|
4. Контроль печатной платы
|
IX
|
832
|
0,1
|
89
|
|
5. Разводка проводов внутри корпуса
|
Х
|
889
|
0,05
|
44,4
|
|
6. Распайка проводов
|
Х
|
889
|
0,1
|
89
|
|
7. Контроль
|
Х
|
889
|
0,1
|
89
|
|
8. Изготовление передней панели
|
IX
|
832
|
0,5
|
416
|
|
9. Сборка
|
IX
|
832
|
0,5
|
416
|
|
10. Контроль
|
Х
|
889
|
0,02
|
17,8
|
|
11. Маркировка
|
IX
|
832
|
0,3
|
250
|
|
12. Упаковка
|
IX
|
832
|
0,05
|
42
|
|
Итого:
|
|
|
2763
|
|
Всего с премией:
|
1,42
|
|
3924
|
Расчет затрат по статье «Дополнительная заработная плата основных
производственный рабочих»:
Формула расчета имеет вид (15):
(15)
где
Нд - процент дополнительной заработной платы производственных
рабочих, равный 20%.
Расчет
затрат по статье «Дополнительная заработная плата прочих категорий рабочих»:
(16)
где
Нпр - процент дополнительной заработной платы прочих категорий
рабочих, равный 1,5%.
Расчет
затрат по статье «Отчисления в фонд социальной защиты населения»:
Согласно
действующему законодательству ставка отчислений составляет 35%, тогда затраты
по этой статье равны:
Единые
отчисления с фонда заработной платы 4%:
Расчет
себестоимости и отпускной цены единицы продукции представлен в таблице 10.
Таблица 10
Расчет себестоимости и отпускной цены единицы продукции
|
Наименование статей затрат
|
Условное обозначение
|
Значение, руб.
|
Примечание
|
|
1
|
2
|
3
|
4
|
|
1. Сырье и материалы за вычетом отходов
|
Рм
|
10882
|
См. таблицу 4.1
|
|
2. Покупные комплектующие изделия, полуфабрикаты
|
Рк
|
102810
|
См. таблицу 4.2
|
|
3. Основная заработная плата производственных рабочих
|
Зо
|
3924
|
См. таблицу 4.3
|
4.
Дополнительная заработная плата производственных рабочих Зд 785
5.
Заработная плата прочих категорий рабочих Зпр 59
6.
Отчисления в фонд социальной защиты РСОЦ 1669
7.
Износ инструментов и приспособлений целевого назначения РИЗ 392
8.
Общепроизводственные расходы РОБП 8063
9.
Общехозяйственные расходы РОБХ 7848
10.
Прочие производственные расходы РПР 78,5
|
НПР=2%
|
|
|
11. Производственная себестоимость
|
СПР
|
135450
|
|
12.
Коммерческие расходы РКОМ 13551
|
НКОМ=1%
|
|
|
13. Полная себестоимость
|
СП
|
136805
|
|
14.
Плановая прибыль на единицу продукции ПЕД 34201
|
НЕД=25%
|
|
|
15. Оптовая цена предприятия
|
ЦОПТ
|
171006
|
|
16.
Отчисления в местные и республиканские фонды ОМР 6669
|
НМР=3,9%
|
|
|
17. Итого Ц*
|
Ц*
|
177675
|
|
18.
Налог на добавленную стоимость (18% от Ц*) ЦДС 31982 
|
|
19. Отпускная (свободная цена)
|
ЦОПТ
|
168786
|
|
4.3 Расчет стоимостной оценки затрат
.3.1 Расчет единовременных затрат
Единовременные затраты в сфере производства включают
предпроизводственные затраты (Кппз) и единовременные капитальные
вложения в производственные фонды завода-изготовителя (Кпф).
Затраты на НИОКР и освоение производства согласно
данным предприятия разработчика составили Кппз = 1620000 руб.
Единовременные капитальные вложения рассчитываются по
формуле:
(17)
где
Кок - капитальные вложения в основной капитал;
Кос
- капитальные вложения в прирост оборотных средств.
Расчет
капитальных вложения в технологическое оборудование, используемое при
производстве продукции, представлен в таблице 11.
Таблица 11
Расчет капитальных вложений в технологическое
оборудование, используемое при производстве продукции
|
Виды работ (операции)
|
Норма времени по операции, н-ч
|
Наименование оборудования
|
Отпускная цена единицы оборудования, руб.
|
Площадь, занимаемая единицей оборудования, м2
|
|
1
|
2
|
3
|
4
|
5
|
|
Подготовительная операция
|
0,5
|
Сборочный стол
|
150000
|
6
|
|
Установка элементов на печатную плату
|
1,0
|
Сборочный стол
|
150000
|
6
|
|
Пайка волной
|
0,1
|
Установка пайки волной
|
754000
|
12
|
|
Контроль печатной платы
|
0,1
|
Сборочный стол
|
150000
|
6
|
|
Разводка проводов внутри корпуса
|
0,05
|
Монтажный стол
|
350000
|
8
|
|
Распайка проводов
|
0,05
|
Монтажный стол
|
350000
|
8
|
|
Контроль
|
0,1
|
Стол для контроля
|
160000
|
6
|
|
Изготовление панели
|
0,6
|
Монтажный стол
|
350000
|
8
|
|
Сборка
|
0,3
|
Сборочный стол
|
150000
|
6
|
|
Контроль
|
0,02
|
Стол для контроля
|
160000
|
8
|
|
Маркировка
|
0,3
|
Стол для маркировки
|
145000
|
6
|
|
Упаковка
|
0,05
|
Стол для упаковки
|
150000
|
6
|
Эффективный фонд времени работы оборудования (Фэф)
рассчитывается исходя из двухсменного режима работы, продолжительности смены,
равной 8 часам, и коэффициента потерь на ремонт 0,96 по формуле:
где Др - количество рабочих дней в году;
S - количество рабочих смен;
tсм - продолжительность смены;
кр - коэффициент потерь на ремонт.
Планируемый
коэффициент выполнения норм времени для всех групп оборудования равен 1,05.
Расчетное количество оборудования округляется до целого числа и называется
принятым количеством рабочих мест
.
Расчет
количества оборудования должен производиться по всем его группам (видам работ).
Количество
сборочных столов:
где
- количество выпускаемых изделий;
- норма
времени по операции;
Фэф
- эффективный фонд времени работы единицы оборудования;
квн
- коэффициент выполнения норм времени.
Количество
монтажных столов:
Количество
столов для контроля:
Количество
столов для маркировки:
Количество
столов для упаковки:
Количество
установок пайки волной:
Общая
величина капитальных вложений в оборудования равна:
руб.
.4
Расчет экономического эффекта при производстве новой техники
При
расчете коэффициента дисконтирования по годам используем норму дисконта
Е=15%.расчет экономического эффекта при производстве новой техники представлен
в таблице 12.
Таблица 12
Расчет экономического эффекта по годам
|
Наименование показателя
|
Единица измерения
|
Условное обозначение
|
По годам производства
|
|
|
|
1-й
|
2-й
|
3-й
|
4-й
|
|
1
|
2
|
3
|
4
|
5
|
6
|
7
|
|
1. Выпуск изделий
|
шт.
|
100100100100
|
|
|
|
|
|
2. Прибыль на единицу
|
руб.
|
Пед
|
29519
|
29519
|
29519
|
29519
|
|
3. Чистая прибыль от реализации (П1хП2х0,75)
|
млн. руб.
|
Пч
|
2,214
|
2,214
|
2,214
|
2,214
|
|
4. Амортизация
|
млн. руб.
|
А
|
0,0476
|
0,0476
|
0,0476
|
0,0476
|
|
5. Чистый доход (П3+П4)
|
млн. руб.
|
2,262,262,262,26
|
|
|
|
|
|
6. Результат с учетом фактора времени (П5хП14)
|
млн. руб.
|
2,261,9661,7271,526
|
|
|
|
|
|
Затраты
|
|
Зt
|
|
|
|
|
|
7. Предпроизводственные затраты
|
млн. руб.
|
КППВ
|
1,62
|
-
|
-
|
-
|
|
8. Единовременные капитальные вложения
|
млн. руб.
|
КВ
|
2,035
|
-
|
-
|
-
|
|
9. Инвестиционные вложения (всего)
|
млн. руб.
|
Зи
|
3,655
|
-
|
-
|
-
|
|
10. Затраты на рекламу (1% выручки от реализации)
|
млн. руб.
|
Зрек
|
0,146
|
0,146
|
0,146
|
-
|
|
Всего затрат
|
млн. руб.
|
Зt
|
3,801
|
0,146
|
0,146
|
-
|
|
11. Затраты с учетом фактора времени
|
млн. руб.
|
3,8010,1270,112-
|
|
|
|
|
|
12. Чистый дисконтированный доход (П6-П11)
|
млн. руб.
|
ЧДД (Эинт)
|
-1,541
|
1,839
|
1,615
|
1,526
|
|
13. ЧДД нарастающим итогом
|
млн. руб.
|
ЧДД
|
-1,541
|
0,298
|
1,913
|
3,439
|
|
14. Коэффициент дисконтирования
|
|
10,870,7640,675
|
|
|
|
|
Коэффициент
дисконтирования
, определяемый для постоянной нормы дисконта следующим
образом:
, (18)
где
Ен - норма дисконта (Ен = 0,15);
- номер
расчетного года,
;
-
порядковый номер года, затраты и результаты которого приводятся к расчетному
году. Для второго года:
Чистый дисконтный доход (ЧДД) характеризует результат
инвестиционной деятельности и рассчитывается как разность между приведенной
суммой поступления (результатом Рt) и приведенной суммой инвестиций (затрат Зt) за расчетный период по формуле:
, (19)
где
n - расчетный период, лет;
- чистый
доход, полученный в году t, ден. ед.;
-
затраты в году t, ден. ед.;
-
коэффициент дисконтирования.
Для
первых четырех лет соответственно равен:
Как
видно из таблицы 12, чистый дисконтированный доход имеет положительное значение
и за 4 года реализации проекта составит 3,439 млн. рублей.
5. ОХРАНА ТРУДА
.1 Характеристика проектируемого передающего
устройства линии радиосвязи
Передающее
устройство является составной частью радиостанции типа «Алтай» и применяется в
качестве абонентского устройства для беспроводного доступа в телефонную сеть.
Радиопередающее устройство может быть стационарным или перевозимым. Учитывая
специфику работы стационарной абонентской радиостанции, передающее устройство
работает на антенну направленного действия (СКНД
) и
дальностью действия до 25-30 км (в пределах границ административного района),
излучаемая мощность передатчика не превышает 2 Вт в диапазоне частот 300-400
мГц.
Для
уменьшения облучающего воздействия на человека техническими условиями
предусматривается размещение передатчика в отдельном помещении от радиостанции.
В разрабатываемом устройстве предусматривается всю абонентскую радиостанцию
разместить в телефонной трубке или типовом корпусе телефонного аппарата, кроме
усилителя мощности, который размещается непосредственно у антенны (на антенной
мачте). Усилитель мощности выполняется на плате из фольгированного гетинакса,
которая помещена в металлическую герметичную коробку.
.2
Оценка максимально возможных уровней полей
Известно,
что электромагнитные поля (ЭМП) радиочастотного диапазона воздействия на
организм человека приводят к изменениями сердечно-сосудистой, нервной,
дыхательной систем и изменениям показателей крови. Гигиеническая оценка
электромагнитного поля заключается в измерении или расчете ожидаемых уровней
нормируемых энергетических характеристик поля напряженностей электрической Е,
В/м и магнитной Н, А/м составляющих в диапазонах от 30кГц до 300 мГц и
плотности потока энергии (ППЭ), Вт/м2 (мкВт/см2) в
диапазоне сверхвысоких частот (300 МГц-300 ГГц).
Расчетные
формулы для плотности потока энергии (ППЭ)
:
(20)
(21)
где
Ризл - излучаемая мощность, Вт;
R - расстояние
до излучателя, м;
g - коэффициент
направленного действия антенны;
V - затухание
(коэффициент) сигнала вдоль трассы.
Предельно
допустимый уровень в диапазоне частот 300 МГц - 300 ГГц определяют исходя из
допустимой энергетической нагрузки (ЭНППЭПД, равной 2Вт.ч/м2
или 200 мкВт.ч/см2) и время воздействия (Т, ч) по формуле:
, (22)
где
К - коэффициент ослабления биологической активности, равный 1 (единице) для
всех случаев воздействия для неподвижных антенн.
Электромагнитные
поля, создаваемые направленными антеннами, формируются в виде луча или
лепестка. Диаграмма направленности (ДН) g может быть
изображена в полярной (рисунок 28) или в прямоугольной системе координат
(рисунок 29).
Диаграммы
направленности по мощности в вертикальной плоскости
и горизонтальной
плоскостях
показывают распределение плотности энергии в зависимости от расстояния.
Рисунок 28 - Диаграмма направленности в полярной
системе координат
Рисунок 29 - Диаграмма направленности в прямоугольной
системе координат
В практике пользуются нормированными диаграммами
направленности. Их нормирование производится по максимальному значению Пм:
В вертикальной плоскости:
, (23)
В
горизонтальной плоскости:
, (24)
Вид
нормирования диаграммы направленности в вертикальной плоскости в прямоугольной
системе координат показан на рисунке 30.
Рисунок 30 - Вид нормирования диаграммы направленности
в вертикальной плоскости в прямоугольной системе координат
Количественным
выражением направленности действия антенны является ширина ее диаграммы
направленности, определяемая на уровне половинной мощности (
). Для радиостанции абонентского устройства может быть
применена директорная антенна с шириной диапазона
и КНД
.
Расчетная
плотность потока энергии в направлении основного излучения определяется по
формуле
, Вт/м2
(мкВт/см2),
а
во всех других направлениях расчетная плотность потока энергии определяется по
уровню боковых лепестков. В расчете уровень боковых лепестков принимают 10% от
основного лепестка, то есть
, (25)
.3
Обоснование и выбор инженерно-технических мер по защите людей от ЭМП
При
размещении радиостанции необходимо учитывать возможность защиты населения от
влияния ЭМ энергии, излучаемой передатчиком.
Для
уменьшения утечки энергии из фланцевых сочленений следует применить прокладки
из поглощающих материалов.
Расположение
антенны с облучателем должны исключать возможность облучения окон и дверей
соседних зданий.
Уровень
электромагнитного излучения на рабочем месте регулировщика радиопередатчика от
генератора мощностью 2 Вт, работающего в диапазоне частот 300-400 МГц, с точек
зрения необходимости разработки мероприятий по защите персонала, если рабочее
место удалено от источника излучения на расстояние 1 м, а продолжительность
пребывания персонала в условиях облучения за смену не превышает 6 часов.
Оценку
уровня поля осуществляем сравнением значением плотности потока энергии на
рабочем месте (так как генератор работает в диапазоне СВЧ) и предельно
допустимым.
Плотность
потока энергии на рабочем месте можно рассчитать по формуле:
Допустимое
значение плотности потока энергии определяется по формуле:
Сравнивая
значение ППЭ на рабочем месте (0,1524 Вт/м2) и предельно допустимое
(0,33 Вт/м2) можно сделать вывод о том, что защита персонала в
данном случае не требуется, так как фактические значения ППЭ, воздействующие на
регулировщика в
раза меньше допустимого.
Безопасное
расстояние от антенны, на котором могут находиться люди в течение всего
рабочего дня (6 часов), не подвергая свое здоровье опасности, если мощность
передатчика 2 Вт, коэффициент усиления антенны
можно
определить из формулы расчета плотности потока энергий (ППЭ)
, (26)
Так
как по условиям задачи требуется найти минимальное расстояние от источника, то,
подставив в формулу вместо
предельно
допустимую плотность потока энергии ППЭ )
, которая
определяется как
, (27)
Найдем
Учитывая,
что антенна не должна быть направлена на окна и двери соседних домов и
минимальное расстояние между человеком и излучателем не должно быть меньше 2,2
м, выбираем чату, на которой размещаем антенну с генератором, не менее 10 м. В
этом случае, человек находящийся на удалении от антенны на 10 м будет
облучаться потоком энергии
.
Плотность
потока энергии незначительная и дополнительных мер защиты не требуется.
Наибольшему
воздействию ЭМП подвергается регулировщик радиостанции, который в процессе
настройки находится на расстоянии 0,7-0,5 м от облучателя. При расчете
плотности потока энергии следует учитывать излучение компьютера, напряженность
электромагнитной составляющей от строчного генератора дисплея
равна 40 В/м. Суммарная продолжительность пребывания
регулировщика за работой в течение рабочего дня не превышает 4 часов.
Так
как по условиям задачи регулировщик подвергается обучению ЭМП с различными
нормируемыми параметрами (так как различные диапазоны частот), то его
безопасность, согласно СанПиН № 11-17-94, следует определить по критерию
.
ЭНППЭ
можно определить из формул
, (28)
где К - коэффициент биологического ослабления, в
данном случае принимаем равным 1.
Плотность потока энергии на рабочем месте можно
определить по формуле (20).
Подставив эти данные в формулу для определения ППЭ,
получим
Полученное
значение ППЭ подставим в формулу для расчета ЭНППЭ:
Согласно
СанПиН № 11-17-94 ЭНППЭ ПД устанавливается равной 2 Вт.ч/м2.
Определяем
искомое отношение
Для
определения энергетической нагрузки по электрической составляющей поля ЭНЕ
воспользуемся формулой для расчета Е:
, отсюда
Предельно
допустимое значение энергетической нагрузки для указанного диапазона равно
20000
. Определяем соотношение для критерия безопасности
Таким
образом, общий критерий безопасности равнее:
,
что
не удовлетворяет условиям безопасности
.
Для
выполнения условия безопасности регулировщик не должен работать более 2 часов в
смену, или работать в специальном костюме и защитных очках.
ЗАКЛЮЧЕНИЕ
Для большинства специалистов и пользователей систем связи вполне очевиден
тот факт, что одним из основных преимуществ систем радиосвязи является высокая
скорость развертывания и гибкость их архитектуры. Высокая скорость
развертывания достигается благодаря тому, что не требуется создавать проводную
инфраструктуру, необходимую для объединения всех объектов, участвующих в
сеансах связи. Это преимущество становится решающим, особенно в тех случаях,
когда проложить проводные линии связи чрезвычайно трудно или даже невозможно.
Кроме того, на организацию системы может отводиться слишком мало времени, а
прокладка проводных линий всегда связана с существенными затратами времени.
Если учесть все здесь изложенное, то при
телефонизации, особенно районов с низкой плотностью населения, когда прокладка
проводных коммуникаций экономически нецелесообразна, может выручить технология,
получившая название Wireless
Local Loop (WLL) -
«система беспроводного удаленного доступа.
Проведенное экономическое обоснование разработанного
устройства показывает, что при ежегодно выпуске 100 изделий, окупаемость затрат
произойдет в течение двух лет, а чистый дисконтный доход к концу четвертого
года составит 3,439 млн. рублей.
В процессе разработки передающего устройства была
определена степень вредность настройщика и оператора (абонента) в процессе
эксплуатации.
При размещении ПУ на антенной мачте, высотой 10
метров, абонент будет получать мизерную дозу облучения, в сотни раз меньшую
предельно допустимой, а настройщик все работы должен будет производить при
пониженной генерируемой мощности и не более 4 часов в смену.
ЛИТЕРАТУРА
1. Ал.
Калашников. Системы WLL. Журнал
«Радиолюбитель», октябрь 1997. №10. г. Москва.
. Техническое
описание «Радиоудлинителя КАРТ У», М. 1998.
. Я.Н.
Берман, В.Н. Власов, Н.Л. Кочан и др. Судовые радиолокационные станции и их
применение. Том 2. Л. Судостроение. 1970.
. Судовые
радиолокационные станции и их применение. Под общей редакцией проф. В.И.
Ракова. Л., Судостроение. 1969.
. Журнал
«Радио» № 10, 2005. стр.72
. М.И.
Васильев. Общие вопросы выбора и расчета функциональных узлов линии радиосвязи,
БГУИР, Минск, 1995.
. Б.Е.
Петров, В.А. Романюк. Радиопередающие устройства на полупроводниковых приборах.
М. «Высшая школа». 1989.
. Справочник.
Источники электропитания радиоэлектронной аппаратуры. Березин О.К., Костиков
В.Г., Шахнов В.А. М. «ТриЛ», 2000.
.
Проектирование радиолакационных приемников импульсных сигналов. Под редакцией
В.М. Волкова. Киев. КВИРТУ. 1974.
. Справочник.
Новые транзисторы. Б.Л. Перельман, В.М. Петухов. М. Салон «Микротех». 1996.
. Журналы
«Радио» № 10. 2005; №№ 1, 9 за 2006 г.
. Справочник.
Новые транзисторы. Б.Л. Перельман, В.М. Петухов. М. Салон «Микротех». 1996.
. Михнюк Ф.Т.
Охрана труда и экологическая безопасность. М., БГУИР. 2004.