Разработка микроконтроллерного устройства стабилизации температуры

  • Вид работы:
    Курсовая работа (т)
  • Предмет:
    Информатика, ВТ, телекоммуникации
  • Язык:
    Русский
    ,
    Формат файла:
    MS Word
    331,68 Кб
  • Опубликовано:
    2012-08-15
Вы можете узнать стоимость помощи в написании студенческой работы.
Помощь в написании работы, которую точно примут!

Разработка микроконтроллерного устройства стабилизации температуры

Содержание


Введение

. Аналитическая часть

.1 Анализ исходных данных

.2 Анализ методов решения

.3 Разработка структуры устройства

.4 Разработка схемы электрической принципиальной

.5 Обоснование выбора элементной базы

. Расчетно-конструкторская часть

.1 Расчет размеров элементов печатного рисунка

.2 Расчет сопротивления и емкости для настройки ПНЧ

Заключение

Введение

Эффективная организация контроля информации приобретает всё большее практическое значение, прежде всего как условие успешной практической деятельности людей. Объем информации, необходимой для нормального функционирования современного общества, растёт из года в год. На сегодняшний день складывается ситуация, в которой наряду с самой информацией не менее важную роль играет также оперативность её обработки.

В настоящее время компьютер используется в подавляющем большинстве областей человеческой деятельности. Различные программы и устройства способны не только заменять людей в особо сложных местах производства, но и выполнять радикально новые операции и вычисления с повышенной точностью, которая очень важна во многих науках.

Стало возможным применение программируемых устройств даже в таких достаточно далёких от техники и машин областях как биология, зоология, бактериология и тому подобных науках, связанных с живой природой, её охраной и изучением.

Так, в лабораториях и опытных теплицах уже давно бьются над выведением стойких сортов овощей, фруктов, злаковых при различных природных условиях, а также разрабатываются новые виды декоративных растений. Для того, чтобы знать, какая температура наиболее выгодна для того или иного вида необходим чёткий контроль за ней, для чего и может служить устройство, разработанное в данном проекте, регулирующее температуру среды в диапазоне от 0 до 99,9оС.

1. Аналитическая часть

 

.1 Анализ исходных данных


Из технического задания видно, что разрабатываемое устройство должно быть цифровым, а значит должно содержать элементы защиты от импульсных помех по цепям питания. Иметь возможность коммутировать высокое напряжение бесконтактными способами. Производить регулирование температуры в диапазоне от 0oC до 100 oC с точностью до 0.1 oC. Иметь возможность отображения текущей температуры и установки значения регулируемой температуры.

Быть компактным, легким и обеспечивать безопасность во время использования.

 

.2 Анализ методов решения


Регулирование температуры по заданному значению можно производить разными способами. Например, применением различных законов управления нагревательным элементом. Реализацией этого закона может заниматься как электронное устройство, так и не электронное. Поскольку этот курсовой проект относится к предмету "Схемотехническое проектирование", то будем рассматривать только электронные устройства.

Создание современных систем управления различными производственными объектами невозможно без разработки управляющих автоматов (УА). Управляющий автомат можно рассматривать как устройство, реализующее алгоритм функционирования систем управления, задающий последовательность выполнения тех или иных операций по управлению некоторым объектом.

Алгоритм управления может быть реализован двумя принципиально различными способами.

Аппаратный принцип реализации логики управления (жесткая логика) и программный принцип реализации логики управления предполагает последовательное во времени выполнение алгоритма функционирования, который определяется в виде программы и хранится в отдельном блоке памяти.

Таким образом применение программного принципа логики управления позволяет без особых усилий затрат менять алгоритм работы программы, а значит и принцип работы устройства.

Из всего вышесказанного можно сделать вывод, о том, что рациональнее будет применение микроконтроллера, как главного управляющего устройства. Это обусловлено эффективностью его применения. Выбор типа и марки микроконтроллера описан ниже.

 

.3 Разработка структуры устройства


Структура системы, в полной мере, отображается на структурной схеме, определяющая основной состав электронной аппаратуры и ее функциональные части, их назначение и взаимосвязь. Основой для разработки структурной схемы является техническое задание. Эта схема представлена на листе 2203.500000.000Э1.

По техническому заданию определяем основные блоки структурной схемы:

(ДТ) - датчик температуры;

(ПТ) - преобразователь физической величины температуры в соответствующий ей код;

(МК) - микроконтроллер;

(УИ) - устройство индикации;

(КУ) - кнопки управления;

(НЭ) - нагревательный элемент.

Рисунок 1- Общая структурная схема

Принцип работы программируемого стабилизатора температуры:

Диодный датчик, сопротивление которого линейно зависит от температуры, подключен к преобразователю “напряжение-частота”. Соответствующая обвязка, которого позволяет выдавать частоту следования импульсов в диапазоне от 0 до 1000 герц. Таким образом, температуре близкой к нулю градусам Цельсия будет соответствовать частота близкая к нулю (единицы герц) и для температуры сто градусов Цельсия частота 1000 герц. Такое соотношение позволяет измерять температуру с точностью до десятых долей градуса.

Полученная последовательность импульсов, далее, попадает на микроконтроллер, который измеряет частоту и при необходимости включает или выключает нагревательный элемент. Микроконтроллер производит регулирование температуры с заданной точностью, порогом срабатывания, для разных процессов - с разной частотой замера.

Настройка работы терморегулятора производится при помощи кнопок управления (КУ) и устройства индикации (УИ). Так же отображение измеряемой температуры производится на УИ.

Нагревательным элементом может быть любой источник теплового излучения, устройству стабилизации температуры это не принципиально, поскольку “выходом” устройства, является ключ, способный коммутировать достаточный ток и напряжение для подключения нагревательного элемента.

1.4 Разработка схемы электрической принципиальной


Разработка схемы электрической принципиальной ведется на основе технического задания, а так же структурной и функциональных схем. Эта схема определяет полный состав элементов и связей между ними и дает полное представление о принципе работы отдельных узлов и устройств электронной аппаратуры.

Разработанная электрическая принципиальная схема представлена на листе 2203.500000.00Э3.

 

.5 Обоснование выбора элементной базы


Основным элементом устройства регулирование температуры является микроконтроллер, который управляет остальными устройствами. Основные требования, предъявляемые к этому элементу следующие:

относительная дешевизна;

надежность;

наличие в продаже (для быстрой замены вышедшего из строя);

скорость работы, удовлетворяющая скорости протекания технологического процесса;

наличие ЭСППЗУ для дальнейшей модернизации программы управления.

В полной мере этим требованиям отвечает микроконтроллер фирмы ATMEL марки AT89C2051.

Средняя стоимость его в магазинах радиоэлектронных компонентов, на сегодняшний день составляет 50 рублей. В их надежности не приходится сомневаться, так как их производителем является фирма ATMEL, которая славится своими компонентами на весь мир. Основное отличие FLASH-микроконтроллеров ATMEL от остальных состоит в том, что фирма применяет в них FLASH память собственного производства. Поскольку этот микроконтроллер относится к знаменитому семейству MCS-51, то его довольно легко найти в продаже.

Описание основных характеристик микроконтроллера AT89C2051

Рисунок 1 - Блок диаграмма микроконтроллера AT89C2051

Микроконтроллеры имеют отдельные адресные пространства для памяти программы и данных. Это позволяет обращаться к памяти данных 8-битными адресами, чем обеспечивается быстрота операций, выполняемых с памятью 8-разрядным процессором. Вместе с тем с помощью регистра DPTR может быть сгенерирован 16-битный адрес данных. Таким образом, может быть адресовано до 64 Кбайт внешней памяти, для которой контроллер генерирует сигналы чтения и записи RD и WR. Для памяти программы обеспечивается только чтение. Непосредственно адресуется до 64 Кбайт памяти программ. Для чтения внешней памяти программ контроллер генерирует сигнал PSEN. Внешние память программы и память данных могут быть объединены посредством объединения по логическому “И” сигналов контроллера RD и PSEN.

Микроконтроллеры имеют два режима работы с пониженным потреблением по питанию: Idle и Power Down, переход в которые обеспечивается установкой соответствующих битов в регистре PCON пространства SFR. В режиме Idle (IDL=1) тактовый генератор продолжает работать, и обеспечивается работа периферийных устройств: таймеров, блока обработки прерываний и последовательного порта, при этом процессор микроконтроллера останавливается в ожидании поступления прерывания. В режиме Power Down (PD=1) останавливается тактовый генератор микроконтроллера, однако, содержимое встроенной памяти и регистров пространства SFR сохраняется. Выход из состояния Power Down возможен только при выполнении аппаратного сброса. При сбросе переинициализируются все регистры пространства SFR, однако, содержимое внутренней памяти данных не изменяется. Аппаратный сброс запускает также тактовый генератор микроконтроллера. На время пребывания микроконтроллера в режиме Power Down напряжение питания может быть снижено до 2 В. Однако напряжение питания не должно быть понижено до того, как микроконтроллер перешёл в режим Power Down и должно быть восстановлено перед выполнением процедуры сброса. Сигнал сброса должен быть достаточно длительным для того, чтобы стабилизировалась работа тактового генератора (обычно не более 10 мс).

Рисунок 2 - Схема выводов микроконтроллера

Устройством преобразования “напряжение - частота” является микросхема марки КР1108ПП1. Они являются наиболее дешевым средством преобразования сигналов для многоканальных систем ввода аналоговой информации в ЭВМ, обеспечивающим высокую помехозащищенность и простоту гальванической развязки.

ПНЧ относятся к классу интегрирующих преобразователей, поэтому обладают соответствующими достоинствами: хорошей точностью при минимальном числе необходимых прецизионных компонентов, низкой стоимостью, высокой помехоустойчивостью, малой чувствительностью к изменениям питающего напряжения, отсутствием дифференциальной нелинейности. ПНЧ преобразует входное напряжение в частоту выходных импульсов, которые могут передаваться на большие расстояния без искажения информационного параметра - частоты. Второй этап аналого-цифрового преобразования: «частота-код» осуществляется путем подсчета импульсов за фиксированный интервал времени, то есть усреднением. Если этот интервал сделать кратным периоду основной помехи, то помеха подавляется полностью. Это свойство особенно полезно для измерения зашумленных низкоуровневых сигналов, например э.д.с. термопары.

В интегральных микросхемах ПНЧ используется метод интегрирования входного сигнала с импульсной компенсацией заряда интегрирующего конденсатора. Для получения высокой точности и стабильности преобразования необходимо обеспечить постоянство вольт-секундной площади импульса обратной связи. Лучшей точностью и стабильностью обладают синхронизируемые ПНЧ, в которых длительность импульса обратной связи стабилизирует кварцевый резонатор.

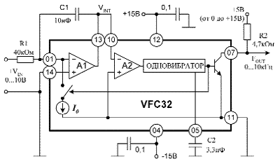
Отечественная промышленность выпускает несинхронизируемый ПНЧ типа КР1108ПП1 и аналогичный КР1143ПП1. Их зарубежные аналоги, совместимые по выводам - ADVFC32 фирмы Analog Devices, VFC32 и VFC320 фирмы Burr-Brown. Упрощенная функциональная схема такого ПНЧ показана на рис. 1. ПНЧ включает в себя усилитель А1, компаратор А2, одновибратор, источник стабильного тока I0, аналоговый ключ S и выходной транзистор. Для построения ПНЧ микросхему следует дополнить двумя конденсаторами С1, С2 и двумя резисторами R1, R2. Элементы R1, С1, А1 образуют интегратор. Конденсатор С2 задает длительность импульса одновибратора t = kC2, где k определяется характеристиками микросхемы (в VFC32 I0 = 1 мА, k = 75 кОм). Импульсы тока I0 уравновешивают ток, вызываемый входным напряжением VIN

Рисунок 3 - Типовая схема включения

Для коммутации нагрузки применяем твердотельное реле марки 5П20Б1, способное коммутировать 4000 вольт постоянного тока и диодный мост, собранный из 4 диодов.

Корректную работу кнопок обеспечивает шифратор типа К555ИВ3, его применение исключает неоднозначную ситуацию, при нажатии на несколько кнопок одновременно. Изменение на логической 1 на логический 0 на входе шифратора приведет к записи кода с кнопок в триггеры микросхемы, на ее инверсных выходах появится прямой код нажатой кнопки.

Для высокой точности следования тактовых импульсов тактового генератора микроконтроллера применяем кварцевый резонатор с частотой резонанса 4 мегагерца.

2. Расчетно-конструкторская часть

 

.1 Расчет размеров элементов печатного рисунка


При конструировании печатных плат используются четыре главных критерия выбора: габаритный критерий, критерий плотности рисунка и толщины проводящего слоя, критерий числа слоев, критерий материала основания. Помимо главных критериев, должны учитываться вспомогательные, которые служат для проверки и уточнения, с несложной коррекцией конструкции, выбранных по главным критериям решений. К вспомогательным критериям относятся электрические ограничения по паразитным параметрам, тепловые ограничения, ограничения по массе, по трудоемкости изготовления, по безотказности, ремонтопригодности и др.

Выбор габаритов печатной платы (длина, ширина) связан с разбиением печатной платы на функционально законченные части. Размеры сторон печатных плат должны соответствовать ГОСТ10317-79, который предъявляет следующие требования к печатным платам:

·   необходимо разрабатывать печатные платы простой прямоугольной формы с отношением сторон не более 3:1 и размерами любой стороны не более 470 мм.

Увеличение размеров печатной платы ведет к повышению погрешностей при их изготовлении. Отклонение от прямоугольной, наличие и вырезов увеличивают трудоемкость изготовления.

Коробление печатных плат происходит вследствие слоистой структуры основания, содержащего диэлектрические и проводящие слои, расширение которых при нагревании и сжатие при охлаждении различно. Чем больше длина платы, тем коробление значительнее, т.е. больше опасность обрыва проводников, замыкания, отрыва паяных контактов при температурных деформациях. Температурные деформации относятся к медленно действующим механическим деформациям. Динамические деформации в результате вибрационных и ударных перегрузок и линейных ускорений, передаваемых на печатную плату от объекта на котором установлено изделие, также уменьшается с уменьшением размера печатной платы.

Ухудшение теплоотвода из центра платы, протекающего по механизму теплопроводности, наблюдается с увеличением размеров печатной платы.

С учетом выше изложенных соображений, была произведена компоновка схемы, в результате которой определено, что оптимальными размерами печатной платы устройства являются: длина 120 мм и ширина 60 мм.

Учитывая требование ГОСТ 10317-79 определяющего кратность сторон, принимаем следующие размеры сторон печатной платы устройства: длина 120 мм и ширина 60 мм.

Габаритный критерий тесно связан с той плотностью, с которой может быть выполнен рисунок. В таблице 2.1. приведены параметры трех классов плотности рисунка определенных ГОСТ23751-86.

Основные геометрические параметры элементов печатного рисунка изображены на рис.4.

Рисунок 4 - Основные геометрические параметры элементов печатного рисунка

Нп - толщина печатной платы; Нм - толщина материала основания печатной платы; hф - толщина фольги; b - гарантийный поясок; D - диаметр контактной площадки; d - диаметр отверстия; S - расстояние между краями соседних элементов проводящего рисунка; t --ширина печатного проводника; Q - ширина от края печатной платы, выреза, паза до элементов проводящего рисунка.

Шириной печатного проводника называется поперечный размер проводника на любом участке в плоскости основания (неровности края во внимание не принимаются). Расстоянием между проводниками называют расстояние между краями соседних проводников на одном слое печатной платы.

 

Таблица 2.1

Номинальные значения основных размеров для классов точности.

Условные Обозначения

Номин. значения размеров для класса точности


1

2

3

t, мм S, мм b, мм

0,75 0,75 0,3

0,45 0,45 0,2

0,25 0,25 0,1


Для свободного места указанные значения допускается устанавливать по любому, более низкому классу, а для первого класса увеличить в два раза.

С учетом разрешающей способности технологического оборудования на котором будет изготавливаться печатная плата устройства, принимаем класс точности 3.

В соответствии с ГОСТ 23751-86 диаметры монтажных отверстий должны быть выбраны из ряда: 0,4; 0,5; 0.6; 0,7; 0,8; 0,9; 1,0; 1,1; 1,2; 1,3; 1,5; 1,6; 1,7; 1,8; 2,0 мм.

В печатной плате устройства КТО используются монтажные отверстия следующих диаметров: 1,0; 1,5; 2,0 мм.

Наименьший номинальный диаметр D контактной площадке рассчитывают по формуле:

D=(d+dво)+2b+tво+2dтр+(Td2+TD2+tПО2)1/2,(2.1.)

dво - верхнее предельное отклонение диаметра отверстия;

tво - верхнее предельное отклонение диаметра контактной площадки (tво=0,05);

dтр - значение подтравливания диэлектрика (для однослойной печатной платы dтр=0);

tпо - нижнее предельное отклонение диаметра контактной площадки (tпо= -0,05);

Результаты расчетов диаметров контактных площадок произведенных по формуле 2.1. сведены в таблицу 2.2.Таблица 2.2.

Диаметры контактных площадок

Диаметр отверстия, мм.

Предельное Отклонение

Диаметр контакт- ной площадки, мм

1,0 1,5 2,0

± 0,05 ± 0,1 ± 0,2

3 4 5


По числу слоев различают односторонние, двусторонние и многослойные печатные платы. Для печатной платы устройства КТО принимаем число слоев равное одному. Односторонней печатной платой называют печатную плату с проводящими рисунками на одной стороне основания.

Выбор толщин и материала основания оказывает основное влияние на свойства печатной платы: жесткость, собственную емкость, теплопроводность.

Для печатной платы устройства КТО, в качестве материала выбираем стеклотекстолит толщиной 2,0 мм.

Рисунок разработанной печатной платы со стороны элементов и со стороны металлизации (дорожки печатного рисунка) приведены в приложении 2. Неиспользованные контактные площадки на печатной плате предназначены на случай непредвиденных последующих доработок в устройстве.

 

.2 Расчет сопротивления и емкости для настройки ПНЧ


В преобразователе напряжение-частота можно устанавливать соотношение частота/напряжение. Это делается одним конденсатором С1 и резистором R1 (см. Рисунок 3 - Типовая схема включения).

Следующая формула показывает зависимость выходной частоты преобразователя от этих элементов и от входного напряжения:

, (2.2.1)

где VIN - входное напряжение,

k - сопротивление определяемый характеристиками микросхемы

(75 кОм);

R1 - рассчитываемое сопротивление;

С2 - рассчитываемая емкость;

I0 - ток, уравновешивающий входной ток, (I0=75 мА).

Из технического задания видно, что при температуре 0оС выдаваемая частота должна быть равной нулю, а при температуре 100 оС - 1000 Гц.

В описании микросхемы К1108ПП1 сказано, что входное напряжение может изменяться в пределах от нуля до значения питающего напряжения, отсюда следует, что сопротивление диодного датчика должно изменять напряжение на входе преобразователя в указанном диапазоне.

Рассчитаем значение произведения R1C2. Для этого выразим из формулы (2.2.1) указанное произведение.

, (2.2.2)

 

Подставим все известные в формулу и рассчитаем ее для частоты f=1000 Гц, входного напряжения VIN=15 В.

, (2.2.3)

Из полученного значения легко найти значения сопротивления и емкости. Для этого зададимся значением емкости, которое нам подходит больше всего. Пусть С2=0.01 мкФ, тогда


Таким образом рассчитанные значения сопротивления и емкости удовлетворяют ряду стандартных значений.

Для проверки соотношения входного напряжения и выходной частоты построим график, функцией которого и будет, вышеизложенная, формула (2.2.1).

Рисунок 5 - Зависимость выходной частоты от входного напряжения

 

Заключение

микроконтроллер стабилизатор температура сопротивление

Размеры, разработанной, печатной платы составляют: по ширине 75 мм., а по длине - 90 мм. Разводка печатной платы проводилась в пакете P-CAD 2002, что существенно уменьшило возможность появления ошибок по сравнению с ручной разводкой.

Похожие работы на - Разработка микроконтроллерного устройства стабилизации температуры

 

Не нашли материал для своей работы?
Поможем написать уникальную работу
Без плагиата!
Без нейросетей!