Исследование завода по переработке газового конденсата и узла по электрообессоливанию и обезвоживанию углеводородов

  • Вид работы:
    Дипломная (ВКР)
  • Предмет:
    Другое
  • Язык:
    Русский
    ,
    Формат файла:
    MS Word
    1,74 Mb
  • Опубликовано:
    2011-11-23
Вы можете узнать стоимость помощи в написании студенческой работы.
Помощь в написании работы, которую точно примут!

Исследование завода по переработке газового конденсата и узла по электрообессоливанию и обезвоживанию углеводородов

ВВЕДЕНИЕ


Технический прогресс не возможен без создания новейших технологий, материалов, машин, средств автоматизации. Развитие автоматизации химической промышленности связано с возрастающей интенсификацией технологических процессов, использованием агрегатов большой мощности, усложнением технологических схем и предъявлением повышенных требований к получаемым продуктам.

Ключевым факторам ускорения темпов роста производительности и повышения качества продукции является комплексная автоматизация производства на основе высокоэффективной вычислительной техники, и высокоточным средствам автоматизации.

Решение проблемы автоматизации сопряжено с необходимостью повышения технического уровня и надежности автоматизированного оборудования, его точности, габаритам и необходимым для его создания комплектующих изделий и средств вычислительной техники.

Одним из основных направлений автоматизации являются интелектуальные средства автоматизации технологическими процессами (АТПП). АТПП обеспечивает наиболее благоприятное условие протекания процесса производства на всех его переходах и стадиях, что достигается точными показаниями изменения параметров процесса, поддержанием параметров процесса на заранее заданном уровне или рационального распределения и координации материально-вещественных и энергетических потоков между отдельными аппаратами, агрегатами, цехами производства.

Одна из основных тенденций развития современной химической промышленности состоит в существенном увеличении единичной мощности технологических агрегатов и линий. Создание крупнотоннажных агрегатов выдвигает значительно более жесткие требования к надежности функционирования технологических процессов. Наряду с требованиями высокой экономической эффективности повышенное внимание уделяется также качеству выпускаемой продукции, а, следовательно, и качеству ведения технологических процессов, которые невозможно осуществить без применения современных средств автоматизации. Для новых химико-технологических процессов характерен переход к более широкой номенклатуре продукции, к выпуску более чистых и качественных продуктов.

Перечисленные особенности развития объектов химической промышленности обуславливают новые требования к АТПП. Эффективное управление сверхмощными технологическими объектами возможно только с применением АТПП, использующих цифровые или аналоговые сигналы, обрабатываемые в РСУ за очень короткий промежуток времени. Необходимо подчеркнуть, что не только экономическая эффективность, но и сама возможность функционирования многих современных технологических объектов определяется наличием АТПП, замкнутой на процесс.

Важно отметить, что с каждым пятилетием технологическая мощность, существенно возрастает, следовательно, значительно повышается и требования к "управляющей мощности", функциональной полноте, точности и надежности АТПП.

Современные системы управления технологическим процессом осуществляет одновременный контроль, в ряде случаев, до несколько тысяч параметров и имеет до несколько сотен контуров управления. Все это сформулировало определенное требование к средствам автоматизации технологического производства, главными из которых стали:

·   полнота и точность показаний контрольных приборов, исполнительных органов и средств автоматизации ;

·   адекватность показаний, относительно протекающего процесса;

·   точность и полнота реакции на управляющие воздействия;

·   надежность работы системы в составе управляющего оборудования и процесса.

1. ХАРАКТЕРИСТИКА ОБЪЕКТА АВТОМАТИЗАЦИИ

.1 Описание технологического процесса

На установке по переработке газового конденсата применяются следующие технологические процессы:

·   теплообменные - при нагреве газового конденсата в блоке нагрева сырья (газового конденсата), в печи при нагреве частично отбензиненного газового конденсата, в аппаратах воздушного охлаждения и водяных холодильниках при охлаждении получаемых целевых фракций;

·        ректификации - при разделении газового конденсата на пропан-бутановую фракцию, фракцию н.к.-140 ºС, бензиновую фракцию, дизельную фракцию и мазут в колоннах;

·        дегазации - при выделении из пропан-бутановой и бензиновой фракции легких углеводородов в рефлюксных емкостях;

·        отстаивания - при отделении технологического конденсата от пропан-бутановой и бензиновой фракции под действием силы тяжести.

Основным технологическим процессом установки по переработке газового конденсата является процесс ректификации. Сущность процесса ректификации заключается в разделении жидких смесей взаимно растворимых компонентов, различающихся по температурам кипения, который протекает на клапанных тарелках ректификационных колонн К-1, К-2, К-3, К-4 при многократном контактировании неравновесных паровой и жидкой фаз.

Вступающие в контакт пары и жидкость при ректификации не находятся в равновесии, но в результате контакта фаз стремятся достичь его или приблизиться к этому состоянию. При этом происходит выравнивание температур и давлений в фазах и перераспределение компонентов между ними. Контакт пара и жидкости, при котором система достигает состояния равновесия, называется идеальным или теоретическим, а устройство, обеспечивающее такой контакт - теоретической тарелкой.

В процессе ректификации в колонне на каждую тарелку с вышележащей тарелки стекает жидкость при определенной температуре, а с нижерасположенной тарелки поднимаются пары так же при определенной температуре. На тарелке где встречаются жидкость и пар система достигает состояния равновесия, при этом пары и жидкость будут иметь одинаковую температуру.

При контакте на тарелке жидкой и паровой фаз в результате массообменных процессов температура паровой фазы снизится, часть паров конденсируется и концентрация низкокипящих компонентов в них возрастет, а температура жидкой фазы на этой же тарелке увеличится, часть ее испарится и концентрация низкокипящих компонентов в ней уменьшится.

Для осуществления режима ректификации температурный режим в колонне должен быть таким, чтобы температура убывала в направлении движения паров и возрастала в направлении движения потока жидкости. Таким образом, в результате многократного повторения таких противоточных контактов жидкой и газовойх фаз на тарелках по профилю колонны на ее верху мы получаем пары, обогащенные низкокипящим компонентом, а из куба колонны выводится жидкость, обогащенная высококипящим компонентом.

Исходным сырьем установки является стабильный газовый конденсат с содержанием фракций с температурой кипения выше 360 ºС от 10 до 30 %.

Описание технологической схемы.Газовый конденсат из резервуаров Р-1/1,2 насосами Н-200/1,2 (цех № 07) подается в блок нагрева газового конденсата.

Газовый конденсат проходит трубное пространство параллельно включенных теплообменников Т-1/1,2, где нагревается за счет тепла паров с верха колонны К-3. Затем проходит трубное пространство теплообменника Т-2, в котором нагревается за счет тепла циркуляционного орошения колонны К-3. Далее проходит трубное пространство теплообменника Т-3, где нагревается за счет тепла дизельного топлива, затем проходит межтрубное пространство теплообменника Т-4, где нагревается за счет тепла мазута.

Из теплообменника Т-4 газовый конденсат, с температурой 180-194ºС (позиция TT-1-1), поступает в колонну стабилизации К-1. Давление газового конденсата на входе в колонну К-1 контролируется прибором поз. PT-3-1.

Расход газового конденсата 93-155 т/ч поддерживается регулятором поз. FIC-2-1, с помощью клапана поз. 2-5, установленного на линии подачи газового конденсата в колонну К-1.

Разгонка стабильного газового конденсата с выделением сжиженной пропанобутановой фракции, легкой бензиновой фракции 35-140ºС, частично отбензиненного газового конденсата, углеводородного газа

Колонна стабилизации К-1 высотой 25580 мм, диаметром низа 2400 мм и верха 2000 мм, объемом 77 м3 имеет укрепляющую и отгонную части.

В колонне К-1 установлены 25 рабочих тарелок типа трапециевидно-клапанные с волнистыми клапанами «ТКВ» из них:

·        однопоточные - 18 шт.;

·        двухпоточные - 7 шт..

В кубе колонны К-1 поддерживается постоянный уровень 700-3800 мм. Контроль уровня осуществляется по прибору поз. LT-6-1, минимальное (405 мм) и максимальное (3950 мм) значение уровня сигнализируется.

Давление в нижней части колонны К-1 0,82-0,87 МПа контролируется прибором поз. P-5-1. Температура внизу колонны К-1 не менее 228 ºС контролируется прибором поз. TT-11-1.

Из куба колонны К-1 одна часть частично отбензиненного газового конденсата забирается насосами Н-3 и двумя потоками прокачивается через змеевики (второй камеры) печи П-1. Расходы на потоках поддерживаются регуляторами поз. FT-16-1, FT-17-1, клапаны которых поз. 16-5, 17-5 установлены на входных потоках отбензиненного газового конденсата. При снижении расхода до 22,35 м3/ч срабатывает сигнализация, а при снижении расхода до 21,52 м3/ч закрывается отсечной клапан поз. SQ-17-4 и закрываются отсекатели на линии подачи топливного газа на форсунки печи П-1.

Нагретый в печи П-1 до температуры не более 325 ºС отбензиненный газовый конденсат в качестве «горячей струи» подается в низ колонны К-1.

Испарившаяся парогазовая фаза поднимается вверх по колонне К-1, проходит рабочие тарелки отгонной части, где орошается поступающим сырьем, далее проходит рабочие тарелки укрепляющей части, где орошается рефлюксной жидкостью из емкости Е-1.

Температура верха колонны К-1 (не более 65 ºС) по прибору поз. TT-4-1 поддерживается подачей орошения (в количестве 44-95 м3/ч) регулятором поз. FT-4-3, с помощью клапана поз. 4-7, установленного на линии подачи орошения в колонну К-1.

Давление верха колонны К-1 (не более 0,85 МПа) поддерживается регулятором поз. PT-8-1, с помощью клапана поз. FT-15-5, установленного на линии выдачи углеводородного газа из емкости Е-1.

Перепад давления (0,02-0,03 МПа) по колонне К-1 замеряется приборами поз. PT-5-1 и PT-8-1.

Газы (пары пропан-бутановой фракции и воды) с верха колонны К-1 проходят через параллельно включенные аппараты воздушного охлаждения ХВ-1/1,2.

Далее газожидкостная смесь проходит параллельно включенные водяные холодильники Х-1/1,2, где охлаждается оборотной водой до температуры 32-37 ºС.

Из холодильника Х-1/1,2 охлажденная газожидкостная смесь поступает в рефлюксную емкость Е-1, в которой происходит отделение газа от рефлюкса (пропан-бутановая фракция) и рефлюкса от воды.

Уровень рефлюкса (500-1300 мм) и воды (50-200 мм) в емкости Е-1 контролируется прибором поз. LT-15-1. Минимальный (480 мм) и максимальный (1400 мм) уровень углеводородной фракции сигнализируется. Отстоявшаяся вода из отстойника по уровню раздела фаз сбрасывается в канализацию через клапан при повышении уровня до 200мм. При снижении уровня в отстойнике до 50 мм клапан закрывается.

Пропан-бутановая фракция из емкости Е-1 забирается насосом Н-1 и подается в качестве орошения на верх колонны К-1, а балансовый избыток по уровню выводится с установки через клапан поз. 15-5.

Из колонны стабилизации К-1 в виде бокового погона с тарелки № 10 фракция НК-140 ºС с температурой 137-142 ºС отводится на тарелку № 6 отпарной колонны К-2. Уровень на тарелке № 10 поддерживается регулятором поз. LT-7-1, с помощью клапана поз. 7-5, установленного на линии вывода бокового погона из колонны К-1 в отпарную колонну К-2.

Колонна отпарная К-2 высотой 13230 мм, диаметром 1200 мм и объемом 9,14 м3 имеет шесть рабочих тарелок типа трапециевидно-клапанные с волнистыми клапанами «ТКВ», однопоточные.

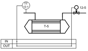
Фракция НК-140 ºС из куба колонны К-2 поступает в ребойлер с паровым пространством Т-5. Уровень в ребойлере 550-620мм измеряется прибором поз. LT-13-1,. При минимальном (500 мм) или максимальном (670 мм) значении уровня в ребойлере срабатывает сигнализация.

В трубное пространство ребойлера Т-5 подводится теплоноситель - водяной пар для нагрева фракции НК-140 ºС. Образующийся конденсат водяного пара через конденсатоотводчик отводится из Т-5 в сборный коллектор и далее за пределы установки.

Пары из Т-5 поступают в колонну К-2, восходящим потоком поднимаются вверх, контактируя на тарелках с фракцией НК-140 ºС поступающей из бокового погона колонны К-1. Отпаренные легкие фракции из колонны К-2 с температурой 138-143ºС (поз. TT-9-1) возвращаются на тарелку № 12 колонны К-1.

Температура в кубе отпарной колонны К-2 145-150 ºС поддерживается регулятором поз. TT-12-1, с помощью клапана поз. 12-5 установленного на линии подачи водяного пара в ребойлер Т-5.

Фракция НК-140 ºС из ребойлера Т-5 забирается насосом Н-2 и подается в аппарат воздушного охлаждения ХВ-3.

Вторая часть частично отбензиненного газового конденсат забирается из куба колонны К-1 насосами Н-4, прокачивается через змеевики печи П-1 (первая камера) четырьмя потоками, где нагревается до температуры 355 - 360ºС и подается на отгонную секцию колонны К-3. На линии подачи стабильного газового конденсата в печь П-1 установлен отсечной клапан поз. 22-4. Расход частично отбензиненного газового конденсата не менее 27 м3/час по каждому потоку поддерживается регуляторами поз. FT-18-1, FT-19-1, FT-20-1, FT-21-1 с помощью клапанов поз.18-5, 19-5, 20-5, 21-5, установленных на входе в змеевик печи П-1. При снижении расхода через любой из четырех потоков до 24,96 м3/ч срабатывает сигнализация. При снижении расхода через любой из четырех потоков до 24,47 м3/ч закрывается отсечной клапан поз. 22-4, отсечные плапана на подаче топлива к горелкам печи П-1.

Атмосферная ректификация частично отбензиненного газового конденсата с получением бензиновой фракции НК-180 ºС, дизельного топлива и мазута

Колонна К-3 высотой 25005 мм, диаметром низа 2200 мм, диаметром верха 3200 мм, объемом 126 м3 имеет укрепляющую часть. В колонне К-3 установлены 20 рабочих тарелок типа трапециевидно-клапанные с волнистыми клапанами «ТКВ» из них:

·        двухпоточные - 13 шт.;

·        однопоточные - 7 шт..

На промывных тарелках № 5,6,7 колонны К-3 установлены контакторы.

Перепад давления (0,02-0,03 МПа) по колонне К-3 замеряется приборами PT 23-1 и РТ 30-1.

Для защиты колонны К-3 от превышения давления предусмотрены три предохранительных клапана (Руст=0,32 МПа).

Частично отбензиненный газовый конденсат из печи П-1 поступает в низ колонны К-3. Уровень (400-2000 мм) в кубе колонны К-3 замеряется приборами поз. LT 28-1, LT 29-1. При минимальном (365 мм) или максимальном (2150 мм) значении уровня срабатывает сигнализация.

Пары бензина НК-180 °С с верха колонны К-3 направляются в параллельно включенные теплообменники Т-1/1,2, а затем поступают в параллельно включенные аппараты воздушного охлаждения ХВ-2/1,2 и далее в водяной холодильник Х-2.

Температура бензина после ХВ-2/1 (ХВ-2/2) поддерживается регулятором TT 34-1, TT 35-1 изменением частоты вращения привода вентилятора.

Температура (35-40 ºС) после Х-2 поддерживается регулятором поз. TT-43-1 с помощью клапана поз. TV 43-5, установленного на линии выхода оборотной воды из холодильника Х-2.

Из холодильника Х-2 охлажденный бензин НК-180 °С поступает в рефлюксную емкость Е-2, в которой происходит отделение газа от рефлюкса (бензина НК-180 °С) и рефлюкса от воды. Давление в емкости Е-2 (не более 0,5 МПа) контролируется прибором поз. PT 50-1, при повышении давления до 0,52 МПа срабатывает сигнализация. Для защиты рефлюксной емкости Е-2 от превышения давления предусмотрен предохранительный клапан (Руст=0,42 МПа) со сбросом в факельный сепаратор и далее на факельную установку. Температура бензина НК-180 °С (35-40 °С) в Е-2 замеряется прибором поз. TT 49-1.

Уровень рефлюкса (1400-2200 мм) и воды (50-200 мм) в емкости Е-2 контролируется прибором поз. LT 45-1. Минимальный (1200 мм) и максимальный (2400 мм) уровень бензина НК-180 °С сигнализируется. Отстоявшаяся вода из отстойника по уровню раздела фаз сбрасывается в канализацию через клапан поз. LV 46-5, который открывается при повышении уровня до 200мм и закрывается при снижении уровня в отстойнике до 50 мм. При не открытии клапана поз. LV-46-5 и повышении уровня до 300 мм срабатывает аварийная сигнализация. При неисправности клапана поз. LV-46-5 и снижении уровня до 0 мм срабатывает аварийная сигнализация.

Бензин НК-180 °С из емкости Е-2 забирается насосами Н-5 и подается в качестве орошения на тарелку № 20 колонны К-3, а балансовый избыток по уровню выводится с установки через клапан поз. LV 47-5.

Далее бензин НК-180 °С и фракция НК-140 °С объединяются в один технологический поток и выводятся с установки. На линии выхода прямогонного бензина с установки предусмотрен прибор контроля расхода поз. FТ 51-1.

Расход 80-90 м3/час на орошение поддерживается регулятором поз. FТ 24-3 с коррекцией по температуре верха колонны К-3. Температура верха колонны К-3 должна быть 153-158 °С по прибору поз. TТ 24-1.

Испарившиеся фракции восходящим потоком проходят рабочие тарелки. Избыточное тепло колонны К-3 снимается подачей циркуляционного орошения.

Циркуляционное орошение забирается из тарелки № 8 колонны К-3 насосом Н-6/1,2 и подается в теплообменник Т-2. В теплообменнике Т-2 циркуляционное орошение охлаждается газовым конденсатом, и далее в качестве флегмы подается на орошение в колонну К-3 на тарелку № 11. Расход циркуляционного орошения (80-85 м3/ч) поддерживается регулятором поз. FТ 25-3, с коррекцией по температуре на тарелке № 8 по прибору поз. TТ 25-1. Температура дизельного топлива на тарелке № 8 должна быть 240-245°С.

С тарелки № 8 колонны стабилизации К-3 в виде бокового погона дизельное топливо отводится в отпарную колонну К-4 на тарелку № 6.

Уровень на тарелке № 8 колонны К-3 поддерживается регулятором поз. LТ 27-1 с помощью клапана поз. LV 27-5, установленного на линии бокового погона в отпарную колонну К-4.

Колонна отпарная К-4 высотой 14090 мм, диаметром 1600 мм и объемом 18 м3 укомплектована шестью однопоточными рабочими тарелками типа трапециевидно-клапанные с волнистыми клапанами «ТКВ».

Дизельное топливо с куба колонны К-4 поступает в ребойлер с паровым пространством Т-6. Уровень 720-880 мм в ребойлере Т-6 поддерживается регулятором поз. LТ 40-1 с помощью клапана поз. FV 40-5, установленного на линии нагнетания насоса Н-7. При минимальном (700 мм) или максимальном (900 мм) значении уровня срабатывает сигнализация.

В трубное пространство ребойлера Т-6 в качестве теплоносителя подводится мазут от насоса Н-8.

Пары из Т-6 поступают в колонну К-4, восходящим потоком проходят рабочие тарелки, контактируя с дизельным топливом бокового погона колонны К-3. Отпаренные легкие фракции из отпарной колонны К-4 возвращаются в колонну К-3 под тарелку № 14.

Температура в кубе К-4 (262-267 ºС) поддерживается регулятором поз. TТ 37-1, с помощью клапана поз. TV 37-5, установленного на байпасной линии подачи мазута в трубное пространство ребойлера Т-6.

Дизельное топливо из ребойлера Т-6 забирается насосом Н-7 и направляется для охлаждения в теплообменник Т-3. После теплообменника Т-3 дизельное топливо разделяется на три потока и поступает:

·        в теплообменник Т-7, где подогревает топливный газ;

·        в теплообменник Т-8, где подогревает жидкое топливо;

·        на обогрев аварийной емкости Е-6.

Мазут из куба колонны К-3 забирается насосом Н-8 и последовательно подается в ребойлер Т-6.

Уровень 400-2000 мм в кубе колонны К-3 поддерживается регулятором поз. LТ 29-1, с помощью клапана поз. LV 29-5, установленного на линии подачи мазута от насоса Н-8 к теплообменнику Т-6.

Давление 0,20-0,24 МПа и температура не мене 345 ºС низа колонны К-3 контролируется приборами поз. PТ 30-1, TТ 31-1, соответственно.

1.1.1 Назначение и основная технологическая цель объекта

Цех по переработке газового конденсата предназначен для получения из газового конденсата:

·   прямогонного бензина НК - 180 ºС;

·        дизельного топлива;

·        мазута;

·        пропан-бутановой фракции.

1.1.2 Описание сырьевых и продуктовых потоков

Таблица 1

№ №

Наименование сырья, готовой продукции

Номер государственного или отраслевого стандарта

Показатели качества, подлежащие проверке

Норма по нормативному документу

Назнач-е, область примен-я

1  1

Газовый конденсат

ОСТ 51.65-80

1. Относительная плотность (r420) при 20 °С, кг/м3, не более 2. Давление насыщенных паров при температуре 38 °С, кПа, не более 3. Содержание воды, % масс., не более 4. Содержание общей серы, % масс., не более 5. Массовая доля механических примесей, %, не более 6. Массовая концентрация хлористых солей, мг/дм3, не более 7. Массовая доля сероводорода, %, не более 8. Компонентный состав по ГОСТ, % масс. - массовая доля ароматических углеводородов, не более - массовая доля нафтеновых углеводородов, не более - массовая доля н-парафиновых углеводородов, не более - массовая доля изопарафиновых углеводородов, не более - массовая доля непредельных углеводородов, не более

 780  66,7 0,5 не нормируется 0,05  100 0,03  9,0 30,0  29  36,0 0,2

Сырье, используется для дальнейшего фракционирования

2    2

Пропан-бутановая фракция

Стандарт предприятия

1 .Компонентный состав: - этан (С2), % масс, не более - пропан (С3), % масс, не более - изобутаны (i-С4), % масс, не более - нормальный бутан (n- С4), % масс, не более - суммарно пентанов (Σ С5), % масс, не более 2 Молекулярный вес, не более 3 Плотность, кг/м3, не более 4 Теплоемкость, ккал/кг ºС, не более 5 Динамическая вязкость, Сп, не более 6 Кинематическая вязкость, сСт,

 2,9 16,1 21,1 51,3 8,6 55,88 541,8 0,6157 0,1310 0,2417


3          3

Прямогонный бензин НК-180ºС

ТУ 0251-009-05766801-93

1 Фракционный состав: - температура начала перегонки, ºС - 10 % перегоняется при температуре, ºС, не выше - 50 % перегоняется при температуре, ºС, не выше - 90 % перегоняется при температуре, ºС, не выше - конец кипения бензина, ºС, не выше 2 Плотность при 20 ºС, г/см3, не более 3 Массовая доля серы, %, не более 4 Содержание фактич. смол мг на 100 см3 продукта, не более 5 Испытание на медной пластинке 6 Массовая доля воды и механ. примесей 7 Внешний вид

 35-45 68 110 165 180 0,7 - 0,715 0,1  0,5 выдерживает отсутствие бесцветная прозрачная жидкость

Компонент для приготовления товарных бензинов методом компаундирования

4           4

Дизельное топливо

ГОСТ 305-82 изм. 1,2,3,4,5

     1 Цетановое число, не менее 2 Фракционный состав: - 50% перегоняется при температуре, °С, не выше - 96% перегоняется при температуре, (конец перегонки), °С, не выше 3 Кинематическая вязкость при 20 °С, оС, мм2/с (сСт)  4 Температура застывания, °С, не выше, для климатической зоны: - умеренной - холодной 5 Температура помутнения, °С, не выше, для климатической зоны: - умеренной - холодной 6 Температура вспышки, определяемая в закрытом тигле, °С, не ниже: - для тепловозных и судовых дизелей и газовых турбин - для дизелей общего назначения; 7 Массовая доля серы в топливе, %, не более: - вида I - вида II 8 Массовая доля меркаптановой серы, % не более 9 Содержание сероводорода 10 Испытание на медной пластине 11. Содержание водорастворимых кислот и щелочей 12 Концентрация фактических смол, мг на 100 см3 топлива, не более 13 Кислотность, мг КОН на 100 см3 топлива, не более 14 Йодное число, г йода на 100 г топлива, не более 15 Зольность, %, не более 16 Коксуемость 10%-ного остатка, %, не более 17 Коэффициент фильтруемости, не более 18 Содержание механических примесей 19 Содержание воды 20 Плотность при 20 °С, кг/м3, не более 21 Предельная температура фильтруемости, °С, не выше

Значение показателей для марки

Компонент для приготовления дизельных топлив





по проекту

«Л» по ГОСТ 305-82

«З» по ГОСТ 305-82





45  253 453  не более 3,5   минус 28    - -   - 72  0,10 - - - -  - - - - - - - - - 815 -

45  280 360  3,0-6,0    минус 10    минус 5 -   62 40  0,20 0,50 0,01 отс. выдерживает отс.  40 5 6 0,01 0,2 3 отс. отс. 860 5

45  280 340  1,8-5,0    минус 35    минус 25 минус 35   40 35  0,20 0,50 0,01 отс. выдерживает отс.  30 5 6 0,01 0,3 3 отс. отс. 840 -


1.1.3 Описание энергетических потоков

Таблица 2

1

2

3

4

5

6

1

Мазут топочный

ГОСТ 10585-99

 1 Вязкость при 50 °С, не более: условная, градусы ВУ или - кинематическая, м /с (сСт) 2 Вязкость при 80 °С, не более: условная, градусы ВУ или кинематическая, м /с (сСт)  3 Вязкость при 100 °С, не более: условная, градусы ВУ или - кинематическая, м /с (сСт) 4 Динамическая вязкость при 0 °С, Па·с, не более 5 Зольность для мазута, %, не более: - малозольного - зольного 6 Массовая доля механических примесей, %, не более 7 Массовая доля воды , %, не более 8 Содержание водорастворимых кислот и щелочей 9 Массовая доля серы, %, не более, для мазута видов: - I - II - III - IV - V - VI - VII 10 Коксуемость, %, не более 11 Содержание сероводорода 12 Температура вспышки, °С, не ниже: - в закрытом тигле - в открытом тигле 13 Температура застывания, °С, не выше для мазута из высокопарафинистых нефтей 14 Теплота сгорания (низшая) в пересчете на сухое топливо (небраковочная), кДж/кг, не менее, для мазута видов: - I, II, III и IV - V, VI и VII  15 Плотность при 20 °С, кг/м3 , не более

по проекту

по ГОСТ

Применяется в качестве котельного топлива





 - -  - 8,1х10-6 (8,1)  - - -  - - - - -     0,8    -   - 127 - 29   - -  881

 - -  8,0 59,0х10-6 (59,0)  - - -  0,04 0,12 0,5 1,0 отс.  0,5 1,0 1,5 2,0 2,5 3,0 3,5 -   - 90 10 25   40740 39900 не нормируется, определение обязательно






А

Б


12

Природный газ

ГОСТ 5542-87

1 Теплота сгорания низшая, МДж/м3 (ккал/м3), при 20 оС 101,325 кПа, не менее 2 Область значений числа Воббе (высшего), МДж/м3 (ккал/м3) 3 Допустимое отклонение числа Воббе от номинального значения, %, не более 4 Массовая концентрация сероводорода, г/м3, не более 5 Массовая концентрация меркаптановой серы, г/м3, не более 6 Объемная доля кислорода, %, не более 7 Масса механических примесей в 1 м3, г, не более 8. Интенсивность запаха газа при объемной доле 1 % в воздухе, балл, не менее

31,8 (7600) 41,2-54,5 (9850-13000) ±5 0,02 0,036 1,0 0,001 3

Используется в качестве газообразного топлива в печи П-1 и в качестве «выметающего» газа на факельной установке.

14

Воздух КИП и А

ГОСТ 17433-80 (изм. № 1)

1 Размер твердой частицы, мкм, не более 2 Содержание посторонних примесей, мг/м3, не более: - твердые частицы - вода (в жидком состоянии) - масла в (жидком состоянии) Температура точки росы, оС, не более

0,5  0,001 не допускают не допускают Минус 60

.

15

Вода оборотного водоснабжения (2 система)


1 Взвешенные вещества, мг/л, не более 2 Сульфаты, мг/л, не более 3 Хлориды, мг/л, не более 4 Общее содержание солей (прокаленный остаток), мг/л, не более 5 Временная жесткость, мг-экв/л, не более 6 Постоянная жесткость, мг-экв/л, не более 7 БПК полное, мг О2/л, не более 8 Содержание нефтепродуктов, мг/л, не более 9 Вещества, экстрагируемые эфиром, мг/л, не более в том числе углеводороды, мг/л, не более 10 Водородный показатель, рН

15 500 300 2000 5 15 10 5 - - 7-8,5

Используется как теплоноситель для охлаждения продуктовых потоков.

16

Вода речная осветленная


1 Взвешенные вещества, мг/л 2 Содержание нефтепродукты, мг/л 3 Общее содержание солей (прокаленный остаток), мг/л 4 Общая жесткость, мг-экв/л 5 Жесткость карбонатная (щелочность), мг-экв/л 6 Водородный показатель, рН 7 Железо общее, мг/л 8 Сульфаты, мг/л 9 Хлориды, мг/л 10 Кальций, мг/л

1,0-15,0 0,02-0,07 280-510 2,5-6,5 1,7-3,7 8,05-8,4 0,1-1,28 67-100 30-78 1,4-5,0

Используется для постоянной подпитки системы оборотного водоснабжения и периодически для подпитки системы пожаротушения.

18

Насыщенный пар промежуточного давления

Требование регламента

1. Солесодержание, мг/дм3

750



1.1.4 Описание управляющих и регулируемых параметров

Таблица 3

Обозн.

Управляющие потоки

Регулируемые параметры

Обозн.

Предельн. значение параметра

1

FГК`

Изменение расхода частично отбензиненного газового конденсата в К-1

Температура куба колонны К-1

Не ниже 228°С

2

Изменение расхода флегмы в К-1

Температура верха К-1

 Не выше 65°С

2

Изменение расхода кубового продукта из колонны К-1

Уровень в кубе колонны К-1

 3800мм

3

Изменение расхода флегмы в колонну К-3

Температура верха К-3

158°С

4

Fпар

Изменение расхода пара в кипятильник Т-5

Температура куба колонны К-2

Тк

150°С

5

Изменение расхода кубового продукта из колонны К-3

Уровень в кубе колонны К-3

2000 мм

6

Изменение расхода мазута в Т-6

Температура в кубе колонны К-4

 245°С

7

Изменение расхода хладогента в Х-2/1,2/2

Давление верха колонны К-3

0.2МПа

8

Изменение расхода хладогента в Х-1/1,1/2

Давление верха колонны К-1

 0.8МПа

9

Изменение расхода мазута в печь П-1

Температура в кубе колонны К-3

 Не ниже 345°С

1.1.5 Структурная схема объекта управления

Рис.1

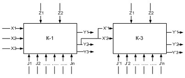
Основными входными координатами (Х) для колонны К-1 и колонны К-3 являются расход сырья - Х1 и X’1, его температура - Х2 и X’2 и для колонны К-1 основной входной координатой является еще и состав температура - Х3.

Основными выходными координатами являются:

·         Y1, Y’1 - дистиллят,

·         Y2, Y’2 - кубовый продукт,

·        Y3, Y’3- боковые погоны.

Кроме того, объект подвержен неконтролируемым возмущениям: изменение температуры и давление окружающей среды - Z1, старение установки - Z2 и т.д.

Контролируемым возмущениям: J1, J2……Jn и J’1, J’2……J’n - температура, давление в ректификационной колонне расход флегмы, конденсата и т.д.

Критерием эффективности объекта управления является получение максимального количества целевого продукта, при ограничении на его состав и минимизации затрат на энергоресурсы.

1.2 Основные характеристики и особенности технологического объекта управления с точки зрения задач управления

В качестве объектов управления при автоматизации процесса переработки газового конденсата и разделения его на фракции принимают процессы массообмена, ректификации, процесс дегазации, отстаивания, а также тепловые процессы.

Ректификационная установка служит для разделения жидких неоднородных смесей на составляющие вещества (или группу веществ) в результате противоточного взаимодействия смеси паров и жидкой смеси.

Процесс ректификации относится к основным процессам химической технологии. Показателем эффективности его является состав целевого продукта. В зависимости от технологических особенностей в качестве целевого продукта могут выступать как дистиллят, так и кубовый остаток. Поддержание постоянного состава целевого продукта и будет являться целью управления.

Поскольку затраты на ректификацию являются одной из самых существенных составляющих в себестоимости продукции, задача автоматизации ректификационных установок часто ставится как задача оптимального управления, которой подчиняются задачи автоматического регулирования отдельных параметров. В зависимости от назначения ректификационной колонны используют различные критерии оптимальности.

Для продуктовых колонн, предназначенных для получения одного целевого продукта (например, дистиллята), ставятся следующие задачи:

·   минимизация энергозатрат для получения целевого продукта заданной концентрации при ограничении на производительность по этому продукту;

·   максимизация производительности по целевому продукту при ограничении на его состав и энергозатраты;

·   для промежуточных колонн, в которых происходит предварительное разделение смеси на две фракции, ставится задача максимизации разделительной способности колонны при ограничении на производительность по целевому продукту и на энергозатраты.

Ректификационная установка является сложным динамическим объектом с большим числом взаимосвязанных координат и ярко выраженной распределенностью параметров по температуре и концентрации, а для колонн с большим количеством тарелок, и по давлению, с нелинейностью статических характеристик, со значительной инерционностью и запаздыванием практически по всем каналам управления и возмущения, которые ухудшают качество регулирования.

Ректификационная колонна относится к объектам с распределенными параметрами, в которых значения регулируемых величин в разных точках объекта неодинаковы, таких как градиенты давления, температуры и концентрации по высоте колонны. Распределенность параметров требует распределенного контроля по длине аппарата и распределенного управляющего воздействия.

Колонна является многоемкостным объектом, в которой число емкостей определяется числом тарелок. Емкостью называется свойство объекта накапливать энергию, жидкость, газ и т.д.

Емкость объектов влияет на выбор типа регулятора. Чем она меньше, т.е. чем больше скорость изменения выходной величины объекта, при данном изменении нагрузки, тем большую степень воздействия на объект должен иметь регулятор.

Трудность регулирования процесса объясняется еще частотой и амплитудой возмущений. В объекте имеют место такие возмущения, как изменение начальных параметров исходной смеси, а также тепло- и хладоносителей, изменения свойств теплопередающих поверхностей, отложение веществ на стенках и т.д. Кроме того, на технологический режим ректификационных колонн, установленных под открытым небом, влияют колебания температуры атмосферного воздуха.

Данное производство по характеру сырья и получения продуктов, а также в связи с наличием углеводородов с высокими энергетическими потенциалами, относится к категории пожаро- и взрывоопасных производств, что обуславливает необходимость противоаварийной защиты (ПАЗ).

Характер технологического процесса определяется по временным режимам работы технологического оборудования. Данная установка относится к ТОУ с непрерывным характером производства. Сырье и реагенты в ТОУ поступают практически безостановочно, а технологический режим после пуска устанавливается неизменным на длительные сроки.

Обычно исходная смесь поступает в ректификационную установку с предыдущих аппаратов технологической линии. Колебания расхода, состава и температуры питания являются основными возмущениями в процессе ректификации. К возможным источникам возмущений можно отнести также энтальпию греющего пара, теплоносителя и хладоагента, а также потери тепла в окружающую среду. Из перечисленных возмущений стабилизируют только температуру питания; расход питания контролируют; состав питания контролируют в редких случаях, когда имеются автоматические анализаторы состава, остальные возмущения, как правило, не контролируют.

К регулирующим воздействиям можно отнести расходы греющего пара, теплоносителя и хладоагента, отборы дистиллята и кубового продукта, расходы флегмы и инертных газов.

Концентрация продуктов, уровень в колонне и флегмовой емкости, давление в колонне являются выходными координатами процесса.

Если целевым продуктом является дистиллят, то для достижения цели управления следует регулировать расход и температуру исходной смеси, давление и состав жидкости в верхней части колонны, температуру и уровень жидкости в кубе. Контролю подлежат: расход исходной смеси, дистиллята, флегмы, кубового остатка, тепло- и хладоносителей; состав и температура конечных продуктов; температура исходной смеси, тепло- и хладоносителей; уровень в кубе колонны; температура по высоте колонны, давления в верхней и нижней частях колонны, а также перепад этих давлений.

Сигнализации подлежат значительные отклонения состава целевого продукта, уровня и давления в колонне от заданных значений. При давлении в колонне выше допустимого, а также при прекращении поступления исходной смеси должны сработать автоматические устройства защиты, отключающие ректификационную установку, при этом магистрали теплоносителей, остатка и дистиллята перекрываются, а магистрали хладоносителя и флегмы полностью открываются.

Кубовый остаток используется в качестве целевого продукта не реже, чем дистиллят. В этом случае более жесткие требования предъявляются поддержанию технологического режима в нижней части колонны, поэтому в кубе колонны устанавливают датчик состава, а в верхней части ─ датчик температуры. Остальные узлы регулирования остаются неизменными.

1.2.1 Обобщенная задача управления производством

Ректификационная колонна является основным аппаратом в технологической схеме получения химического продукта. Работой колонны в значительной мере определяется производительность установки в целом, качество и себестоимость получаемых продуктов. Решение этих задач в значительной мере сдерживается отсутствием соответствующих датчиков. Однако применение средств вычислительной техники для контроля и управления ректификационной колонной позволяет использовать различные косвенные показатели, по которым с помощью моделей рассчитывают производительность колонны и показатели качества продукта, используемые при управлении процессом.

При выборе АСУТП следует учесть, что данная информационно-управляющая система должна обеспечивать необходимую точность, быстродействие, высокую чувствительность и надежность в соответствии с заданными метрологическими, эксплуатационными и экономическими характеристиками.

На основании выше изложенного, данная система должна соответствовать следующим требованиям:

·   потребительские требования для выбранной САУ заключаются в простоте работы обслуживающего и оперативного персонала, удобном представлении информационных результатов работы системы управления;

·   желательно, чтобы комплекс технических средств был компактным и надежным, а также не слишком сложным при монтаже;

·   экономические требования заключаются в получении ощутимого экономического эффекта от внедрения новой техники, получаемого за счет экономии энергоресурсов и сырья, так и за счет улучшения качества продукции, выпускаемой на этой установке.

Эксплуатационные требования включают в себя:

·   гибкость, т. е. возможность легко адаптироваться в любой системе управления;

·   оперативность полученной информации (быстрая обработка информации);

·   достоверность полученной информации;

·   надежность технического и программного обеспечения (способность выполнять поставленные функции, сохраняя при этом характеристики в течение длительного времени эксплуатации);

·   низкая инерционность по введению управляющего воздействия на технологический объект управления.

Для реализации данной задачи необходимо:

· разработать и обосновать функциональную схему автоматизации технологического процесса;

·        на основе функциональной схемы разработать и обосновать структурную схему объекта управления;

·        выбрать и обосновать техническое и программное обеспечение.

1.2.2 Предельные и рабочие значения технологических параметров

Таблица 4

Наименование технологических параметров

Нормы технологического режима

Класс точности

1.

Температура ГК на входе в К-1

194 0С

0,5

2.

Температура верха К-1

650С

0,5

3.

Температура потока из К-2 в К-1

1400С

0,5

4.

Температура куба К-2

1760С

0,5

5.

Температура куба К-1

2300С

0,5

6.

Температура потока из Т-5 в К-2

1800С

0,5

7.

Температура верха К-3

1550С

0,5

8.

Температура середины К-3

2300С

0,5

9.

Температура куба К-3

3500С

0,5

10.

Температура выхода ДТ

2400С

0,5

11.

Температура паров из К-4 в К-3

2100С

0,5

12.

Температура бензина послеХВ-2

700С

0,5

13.

Температура куба К-4

0,5

14.

Температура потока из Т-6 в К-4

2670С

0,5

15.

Температура мазута после Т-6

2600С

0,5

16.

Температура мазута до Т-6

3400С

0,5

17.

Температура воды после Х-2

500С

0,5

18.

Температура бензина после ХВ-3

700С

0,5

19.

Температура в Е-2

400С

0,5

20.

Температура ПБ на выходе

380С

0,5

21.

Давление ГК на входе в К-1

25 кг/см2

0,5

22.

Давление верха К-3

2 кг/см2

0,5

23.

Давление куба К-3

2,3 кг/см2

0,5

24.

Давление в К-4

2,1 кг/см2

0,5

25.

Давление в Е-2

1,7 кг/см2

0,5

26.

Расход потока в К-1

150 м3/ч

0,5

27.

Расход флегмы в К-1

95 м3/ч

0,5

28.

Расход основного потока в П-1

42 м3/ч

0,5

29.

Расход горячей струи в П-1

42 м3/ч

0,5

30.

Расход флегмы в К-3

85 м3/ч

0,5

31.

Расход потока в К-3

80 м3/ч

0,5

32.

Уровень куба К-1

2800 мм

0,5

33.

Уровень середины К-1

350 мм

0,5

34.

Уровень в Т-5

600 мм

0,5

35.

Уровень в Е-1

1200 мм

0,5

36.

Уровень середины К-3

700 мм

0,5

37.

Уровень куба К-3

1800 мм

0,5

38.

Уровень в Т-6

800 мм

0,5

39.

Уровень в Е-2

2000 мм

0,5

40.

Уровень раздела фаз

200 мм

0,5


1.2.3 Основные эксплуатационные возмущения, их характер и место приложения

Основным возмущающим воздействием на протекание процесса является состав исходного сырья, т.е. газового конденсата. Почему только состав? Нет, конечно и температура и давление и расход газового конденсата так же являются немаловажными возмущающими факторами, но эти показатели мы можем застабилизировать, а вот состав сырья застабилизировать нет возможности. Отсюда и вся сложность управления: в зависимости от состава(легкий он или тяжелый) изменяеться и процент выхода той или иной фракции, а соответственно необходимо менять и температурный режим в колоннах.

Технология установки организована так, чтобы предотвратить возможность взрыва в системах при регламентированных значениях параметров.

Также к весомому возмущению можно отнести и старение объекта, т.к. при старении металлоконструкций происходит следующее: уменьшаеться внутренний пропускной диаметр труб(особенно это касается труб малого диаметра), происходит их ржавение(в связи с чем опять же это влияет на состав сырья) и многое другое.

Исходя из всех этих возмущений нам просто необходимо предусмотреть безопасное ведение процесса.

Для возможности безопасного ведения его и защиты обслуживающего персонала на установке предусмотрено следующее:

·        все оборудование выбрано в соответствии с технологическими требованиями и производительностью;

·        технология организована таким образом, чтобы предотвратить возможность взрыва при регламентированных значениях параметров, аппаратурное оформление, конструкция технологических аппаратов, их материальное исполнение подобрано для максимального снижения уровня взрывопожароопасности;

·        технологический процесс ведется в герметичных аппаратах;

·        для защиты аппаратов от превышения давления выше расчетного установлены предохранительные клапаны со сбросом в в факельную систему через факельную емкость. Кроме предохранительных клапанов также предусмотрены линии сброса на факел снабженные отсечными клапанами с дистанционным управлением. Сброс парогазовой смеси производится по факельному коллектору в факельный сепаратор и далее на факельную установку;

·        для аварийного освобождения аппаратов от продукта смонтированы линии аварийного освобождения снабженные отсечными клапанами с дистанционным управлением.

Для обеспечения надежной и безопасной работы установки и в связи с особой опасностью предусмотрена автоматизированная распределенная система управления (РСУ) и система противоаварийной автоматической защиты (ПАЗ) на базе электронных средств контроля и автоматики, включая средства вычислительной техники, которые обеспечивают автоматическое регулирование процесса и его безаварийную остановку. Система контроля, управления и противоаварийной защиты по надежности, быстродействию и другим техническим характеристикам выполнена с учетом отнесения блоков установки к I категории взрывоопасности.

Во многом именно благодоря системе автоматизации, достигается необходимая надежность и точность, несмотря на большие возмущающие воздействия.

1.3 Обобщенный критерий эффективности управления процессом

Общая задача управления процессом формируется обычно как задача максимизации (минимизации) некоторого критерия при выполнении ограничений на технологические параметры, накладываемых регламентом. Решение такой задачи для всего процесса в целом очень трудоемко, а иногда практически невозможно в виду большого числа факторов влияющих на ход процесса. Поэтому весь процесс разбивают на отдельные участки, которые характеризуются сравнительно небольшим числом переменных. Обычно эти участки совпадают с законченными технологическими стадиями, для которых могут быть сформулированы свои подзадачи управления, подчиненные общей задаче управления процессом в целом.

На основании задачи оптимального управления отдельными стадиями процесса формируют задачи автоматического регулирования технологических параметров для отдельных систем автоматического управления, то есть тех параметров, которые необходимо регулировать, контролировать и анализировать, и на основании этих данных можно определить предварительное состояние технологического объекта управления. Иными словами, разрабатывается стратегия управления технологическим объектом. При этом необходимо получить наиболее полное представление об объекте, имея минимально возможное число выбранных параметров. Успешному достижению цели управления способствует правильный выбор автоматических устройств для реализации стратегии управления. Для формулировки задачи необходимо ввести обозначения искомых переменных и исходных данных, записать в этих обозначениях критерий оптимальности, который в результате решения должен принять минимальное или максимальное значение, и выписать набор условий, определяющих множество допустимых решений. Такими условиями являются связи между искомыми переменными, пределы, в которых может выбираться каждая из них, требования к характеру искомых функций (гладкость, непрерывность и т.п.).

Спецификой автоматизации массообменных процессов является то, что они очень энергоемки, поэтому система автоматизации должна способствовать снижению энергозатрат на разделение при условии обеспечения заданного качества продуктов.

В реальных условиях случайные возмущения приводят к нарушению материального и теплового балансов в аппарате, изменению давления и температуры и в конечном итоге - к отклонению составов продуктов. Поэтому одна из задач регулирования процессов - поддержание материального и теплового балансов при различных возмущениях.

Пусть известна математическая модель объекта в виде

F- вектор возмущений; U- вектор управления; X- состояние объекта.

Заданы ограничения , наложенные на составляющие вектора F,U,X , которые определяют допустимую область изменения F,U.


Поставим в соответствие состоянию объекта скалярную функцию Q(F,U,X) , которую будем называть целевой или критерием оптимальности. Целевая функция численно выражает нашу заинтересованность в том или ином режиме объекта. Для каждого вектора возмущений F необходимо найти вектор управления:

 минимальное (или максимальное) значение целевой функции Q(F,U).

Конкретно для исследуемого объекта целевая функция или критерий оптимальности будет иметь вид:

,

где F = (f1, f2 , f3, f4, Тпропан., Тпропан-пропиленовой фракции., Fфлегмы);

Для узла разделения пропан-пропиленовой фракций задачу управления можно сформулировать следующим образом: получение целевого продукта пропилена заданного качества, при ограничении на производительность по этому продукту и минимизации энергозатрат.

2. АНАЛИЗ СУЩЕСТВУЮЩЕЙ СХЕМЫ АВТОМАТИЗАЦИИ ТЕХНОЛОГИЧЕСКОГО ПРОЦЕССА

.1 Анализ организационно-технической структуры

2.1.1 Перечень выполняемых системой функций

В производстве переработки газового конденсата реализована распределенная структура управления процессом, основанная на использовании как одноконтурных, так и многоконтурных автоматических системах регулирования. Поставленная перед АСУ ТП задача - получение целевого продукта заданного качества достигается выполнением следующих функций:

· Сбор и первичная обработка информации (опрос датчиков с заданной частотой, расчет действительных значений параметров по информации от датчиков с учетом их характеристик и введением поправок, усреднение и интегрирование параметров за час, смену, сутки).

·        Определение за час, смену, сутки оперативных технико-экономических показателей сырья, пара, электроэнергии, воды, удельных расходов этих потоков, суммарных затрат на производство, технологической себестоимости целевых продуктов, потерь при производстве. При определении ТЭП, кроме того, составляются сводные материальные балансы расхода сырья и целевых продуктов.

·        Контроль состояния установки: обнаружение отклонений текущих значений параметров от заданных, а также от минимальных и максимальных допускаемых значений, сигнализация и регистрация отклонений параметров от допустимых значений.

·        Стабилизацию технологического процесса на заданном технологическим регламентом уровне.

·        Прием, анализ и выдача заданий и ограничений: подготовка и выдача оперативной и обобщенной информации АСУТП.

·        Автоматическое и ручное управление параметрами технологического процесса.

2.1.2 Используемые технические средства автоматизации

На производстве используются приборы и средства автоматизации иностранных фирм, таких как Yokogawa, Vega, Endress+Hauser, Masoneilan которые отвечают требованиям современного управления, используют аналоговые и дискретные электрические унифицированные сигналы для передачи информации.

Датчики расхода и давления, уровня фирмы Yokogawa используют аналоговый электрический сигнал 4-20 мА, а также HART-протокол для диагностики и настройки датчиков

Для измерения температуры используем термометры сопротивления фирмы Элемер серии 0104-Ex взрывозащищенный с нормированным выходным сигналом 4-20 мА, с изменяемым диапазоном измерения.

Он предназначен для измерения температуры различных сред путем преобразования сигнала первичного преобразователя температуры в унифицированный выходной сигнал. Чувствительный элемент преобразователя и встроенный в голову датчика измерительный преобразователь преобразует измеряемую температуру в унифицированный токовый выходной сигнал, что дает возможность построения АСУТП без применения дополнительных нормирующих преобразователей. Использование термопреобразователя допускается в нейтральных и агрессивных средах, по отношению к которым материал защитной арматуры является коррозионностойким.

Технические характеристики :

диапазон измеряемых температур: 0-1100°С;

выходной сигнал: 4-20 мА;

- номинальная статическая характеристика: 100М, 100П,;

- передел допускаемой основной приведенной погрешности: 0,1;

длина монтажной части: L=40-2000мм;

материал головки: алюминиевый сплав, сталь ;

схема соединения: двухпроводная(205-Ех), трехпроводная(0104-Ех).

Степень защиты термопреобразователя от воздействия пыли и воды: IP54.

Имеется особовзрывобезопасный уровень взрывозащиты по ГОСТ 12.2.020, обеспечиваемый видом взрывозащиты "Искробезопасная электрическая цепь" по ГОСТ 22782.5. Маркировка взрывозащиты ЕхiaIIСТ6Х.

Термопреобразователи с маркировкой взрывозащиты "Ехia" функционируют совместно с питающей и регистрирующей аппаратурой, выполненной с видом поставка отдельно измерительного преобразователя ИП 205/ взрывозащиты "искробезопасная электрическая цепь" уровня "ia", например, блоки питания БПЗС-П-Ехia, барьеры РИФА2.

Схема подключения датчика

Монтаж термометра сопротивления.

Колонна содержит тарелки, в результате этого термометр сопротивления прикрепляется к колонне перпендикулярно потоку.

Расчет

Принцип действия термометров сопротивления основан на способности различных материалов изменять свое электрическое сопротивление с изменением температуры. Параметр, характеризующий изменение электрического сопротивления с температурой, называют температурным коэффициентом электрического сопротивления. В диапазоне от 0 до 200°С он равен 3,9∙10-3 1/ °С. Удельное электрическое сопротивление меди  мкОм/м. Изменение сопротивления меди в диапазоне температуру от 0 до 650°С выражается уравнением , где Rt и R0 - сопротивление меди при температуре соответственно t и 0°С; a, b - постоянные коэффициенты, значения которых определяют при градуировке термометра по точкам кипения кислорода и серы (а = 3,96847 ∙ 10-3 1/°С, b = -5,847 ∙ 10-7 1/°С).

Для измерения давления и используем датчики давления фирмы Yokogawa. Рассмотрим датчики давления серий EJA и EJX.

Датчик давления Yokogawa DP-harp E530JA взрывозащищенный предназначен для измерения избытoчного дaвления жидкости, газа или пара и непрерывного преобразования измеряемого параметра в унифицировaнный анaлоговый токовый сигнал 4-20мА и цифровой сигнaл в стандарте протокола HART.

Корпус преобразователя представляет собой литую конструкцию из аллюминевого сплава и низким содержанием меди и с полиуретановым покрытием. Класс защиты корпуса IP67. Единственная электронная плата датчика смонтированавнутри корпуса, что обеспечивает максимальную защиту от проникновения внутрь влаги и пыли. Новая конструкция датчика обеспечивает 10 кратное улучшение рабочих характеристик, позволяет оптимизировать эти характеристики и расширить диагностические возможности, повысить стабильность, качество установки на месте эксплуатации и облегчить обслуживание.

Технические характеристики

- пределы измерения: до 50 МПа

погрешность измерений ±0.025% шкалы

температура окружающей среды -40÷85 0С

температура процесса -40÷140 0С (без охлаждающей камеры)

выходной сигнал: 4-20мА с функцией цифровой связи по HART протоколу

внесён в Госреестр средств измерений №24116-02

Влияющие воздействия:

Изменение температуры окружающего воздуха в рабочем диапазоне температур

±(0,005+0,0045Pmax/Pi)% от Pi

Вибрация

±(0,1Pmax)%

Влияние напряжения питания

Менее ±0,005% от калиброванной шкалы на 1 В.

Влияние положения при монтаже

±0,311 кПа. Устраняется калибровкой. Влияния на диапазон (шкалу) нет.


С датчики Yokogawa DP-harp E530JA сигнал поступает на модуль ввода аналоговых сигналов, далее пребразованный цифровой сигнал идет в контроллер и на станцию управления, также сами датчики имеют встроенный ЖК дисплей для отображения измеряемой информации.

Для измерения уровня в емкостях, кубах колонн используем микроволновой уравнемер VegaFlex 65.

VegaFlex 65 предназначен для измерения уровня в открытых и закрытых резервуарах радарным методом и непрерывного преобрaзования измеряемого параметра в унифицировaнный анaлоговый токовый сигнал и цифровой сигнaл в стандарте протокола HART.

Если при самодиагностике будет обнаружена неисправность датчика, то для предупреждения пользователя аналоговый сигнал будет установлен вне рабочей шкалы. Уровень выходного сигнала будет установлен по стандарту Rosemount, NAMUR, или по выбору пользователя.

Технические характеристики

-Диапазон измерения: -100…40000 кПа

Погрешность измерений ±0.035% шкалы

Температура окружающей среды -40÷80 0С

Температура процесса -40÷150 0С

Выходной сигнал: 4-20мА с функцией цифровой связи по HART протоколу. Демпфирование от 0 до 60 секунд

Госреестр средств измерений №24116-02

Взрывозащита: 1ExdIICT6X, IP66

Монтаж. Обычно датчики микроволнового типа устанавливаются на выносной или погружной измерительной колонке.

Сигнал с уравнемера напрямую через барьер приходит модуль аналогового ввода, далее преобразованный цифровой сигнал идет на контроллер для далнейшей обработки, а так же на станцию управления. Уравнемер снабжен ЖК дисплеем для индикации уровня визуально по месту «PLITSCOM», так же благодоря этому модулю всю настройку можно произвести непосредственно на месте.

Для измерения гидростатического уровня на боковых погонах колонн тарелке применяется интеллектуальный датчик уровня гидростатический Yokogawa DP-harp E110JA.

Yokogawa DP-harp E110JA предназначен для измерения уровня в открытых и закрытых резервуарах гидростатическим методом и непрерывного преобрaзования измеряемого параметра в унифицировaнный анaлоговый токовый сигнал и цифровой сигнaл в стандарте протокола HART.

Высокоточные интеллектуальные датчики гидростатического давления (уровня) DPharp для измерения уровня жидкости обладают улучшенными значениями основной приведенной погрешности, что связано с применением конструкции Yokogawa тонкости которой являются ноу-хау и не раскрываются. Технология Saturn позволяет оптимизировать характеристики и расширить возможности преобразователя давления.

Если при самодиагностике будет обнаружена неисправность датчика, то для предупреждения пользователя аналоговый сигнал будет установлен вне рабочей шкалы. Уровень выходного сигнала будет установлен по стандарту Rosemount, NAMUR, или по выбору пользователя.

Технические характеристики

-Диапазон измерения: от -500 до 500 кПа( в зависимости от исполнения капсулы)

Погрешность измерений ±0.065% шкалы

Температура окружающей среды -40÷85 0С(без индикатора)

Температура процесса -40÷120 0С

Выходной сигнал: 4-20мА с функцией цифровой связи по HART протоколу --Демпфирование от 0 до 60 секунд

Госреестр средств измерений №24116-02

Взрывозащита: 1ExdIICT6X

Сигнал с уравнемера напрямую через барьер и модуль аналогового ввода приходит на контроллер для далнейшей обработки, а так же на станцию управления. Уравнемер снабжен ЖК дисплеем для индикации уровня визуально по месту.

Для измерения расхода в данном курсовом проекте применяется вихревой интеллектуальный датчик расхода Yokogawa DigitalYewflo DY(интегрального типа).

Yokogawa DigitalYewflo DY предназначен для измерения объёмного расхода жидкости, газа или пара и непрерывного преобрaзования измеряемого параметра в унифицировaнный анaлоговый токовый сигнал и цифровой сигнaл в стандарте протокола HART.

Таблица 5

Номинальный размер, мм

Пределы измерений, м3/час

Диапазон гарантированной точности измерения расхода,м3/ч

15

от 0,3 до 6,0

от 0,94 до 6,0

25

от 0,65 до 18,0

от 1,7 до 18,0

40

от 1,3 до 44,0

от 2,6 до 44,0

50

от 2,2 до 73,0

от 3,3 до 73,0

80

от 4,3 до 142

от 4,6 до 142

100

от 7,5 до 248

от 7,5 до 248

150

от 17 до 544

от 17 до 544

200

от 34 до 973

от 34 до 973

250

от 60 до 1506

от 60 до 1506

300

от 86 до 2156

от 86 до 2156



По таблице выбираем номинальный диаметр расходомера D = 100 мм, для расхода г.к. на установку и D=40 мм для расхода на орошение К-1, который удовлетворяет нас по пределам измерения.

Технические характеристики

- номинальный размер 100 мм

пределы измерения: 7,5…248 м3 /ч

избыточное давление в трубопроводе до 15 МПа

погрешность измерений: погрешность включена в К-фактор, но не превышает ±0.5% шкалы(жидкость)

температура окружающей среды -40÷60 0С(интегрального типа)

температура процесса -40÷450 0С (в зависимости от исполнения)

выходной сигнал: 4-20мА с функцией цифровой связи по HART протоколу

взрывозащита 1ExdIICТ6(Т5)(Т4)(Т3)(Т2)(Т1) Х.

Внесен в Госреестр в качестве средства измерений под №25407-05

.Для управления исполнительными механизмами используется электропневматический позиционер модели 4700Е Камфлекс фирмы «DS Controls» (Нижний Новгород), взрывозащищенный. Прибор обеспечивает надежность, точное позиционирование, высокую чувствительность и возможность настройки на месте характеристик регулирования. Характеристики:

- управляющий сигнал: 4-20 мА,

характеристика регулирования: линейная или равнопроцентная,

действие: прямое,

давление питания: от 0,14 до 0,7 МПа,

потребление воздуха: до 0,5 нм3/ч (при питании 0,17 МПа),

сопротивление: 170 Ом,

окружающая температура: от -40 до +85 °С,

пылевлагозащита: IP66,

взрывозащита:

ЕЕхdIIBT5 + Н2 Т5 (окружающая температура от -40 до +70 оС),

ЕЕхdIIBT4 + Н2 Т4 (окружающая температура от -40 до +85 оС),

искробезопасность: ЕЕхiaIICТ4,

зона нечувствительности: < 0,2 %.

Для автоматического управления жидкими и газообразными потоками используется регулирующий клапан серии 35-35002 Камфлекс фирмы «DS Controls» (Нижний Новгород). Камфлекс - это поворотный сегментный клапан с эксцентричным плунжером, обладающий высокой пропускной способностью, устойчивостью к кавитации, широким диапазоном и точностью регулирования. Простая и обтекаемая форма корпуса способствует высокой устойчивости к эрозионному износу, исключает вероятность образования застойных зон. Повышенную точность регулирования обеспечивает установка кулачка позиционера непосредственно на торце приводного вала. Характеристики:

условный диаметр: 25...300 мм,

условное давление: 1,6...10,0 МПа,

- пропускная способность: 5,6...1750 м3/ч,

- температура среды: от -200 до +400 оС,

окружающая температура: от -50 оС до +65 оС,

пропускная характеристика: равнопроцентная или линейная,

тип привода: пневматический,

герметичность в затворе: IV класс по ANSI,

присоединение: фланцевое или стяжное,

исполнительный механизм: пневматический,

управляющий сигнал: 0,02 - 0,1 МПа,

материал плунжера: литая нержавеющая сталь 25.

. В качастве барьеров искробезопасности на заводе применялись барьеры встроенные в модуля ввода-вывода, но с целью повышения надежности решили установить барьеры фирмы GM.

Новые искробезопасные изолирующие интерфейсные модули (барьеры искробезопасности) компании GM International позволяют просто и экономически эффективно решить задачу обеспечения искробезопасности систем управления технологическими процессами, работающих на взрывоопасных производствах.

Высокая плотность монтажа

·Высокая плотность компоновки каналов, являющаяся результатом использования новейших методов проектирования и электронных компонентов поверхностного монтажа.

·Сверхтонкие четырехканальные модули шириной 22.5 мм,монтируемые на стандартной DIN-рейке Т35.

·6 мм пространства на один канал.

·176 входных / выходных каналов размещаются на одном метре DIN-рейки.

·Одноканальные, двухканальные и четырехканальные модули.

Эксплуатационные характеристики

·Высокая точность передачи и воспроизведения сигналов.

·Передовая схемотехника, обеспечивающая низкое тепловыделение, гарантирует естественное охлаждение модулей несмотря на их высокую функциональность.

·Малая потребляемая мощность.

·Использование технологии поверхностного монтажа обеспечивает максимальную надежность и долговечность.

Функциональные возможности

• Большой выбор дискретных и аналоговых входов / выходов, включая токовый 4-20 мА, преобразование сигналов, конфигурации с питанием от сигнального контура или от внешнего источника питания.

·Релейные контакты, рассчитанные на ток до 2 А, для непосредственной коммутации высоких нагрузок.

·Гальваническая развязка входов, выходов и цепей питания для исключения помех, проблем, связанных с контуром заземления, и обеспечения искробезопасности без использования сложных систем защитного заземления.

·  Система контроля состояния линии, обнаруживающая обрыв и короткое замыкание полевых кабелей.

·  Возможность конфигурирования выходов как источника или приемника тока в аналоговых моделях.

•Универсальные программируемые микропроцессорные модули обеспечивают преобразование широкого ряда входных сигналов от термопар (ТП), термометров сопротивления (ТС), низковольтных (мВ) источников, измерительных потенциометров в стандартные выходные сигналы 4...20 мА или 15 В.

Технические данные:

Питание 12-24 В пост, номинальное напряжение (допустимо от 10 до 30 В), защита от обратной полярности, уровень пульсаций < 5 В пик.

Изоляция (тестовое напряжение)

Искробезопасный вход / выход 1500 В ; Искробезопасный вход / цепи питания 1500 В; Между входами каналов 500 В; Между выходами 500 В; Между выходом и цепями питания 500 В.

Эксплуатационные характеристики

Соответствуют номинальным условиям: напряжение питания 24 В, сопротивление нагрузки 250 Ом, температура окружающей среды 23 ± ГС.

Условия окружающей среды

Рабочие: Диапазон температур от -20 до +60°С, относительная влажность 90%

максимум, без конденсации, вплоть до 35°С.

При хранении: Диапазон температур от -40 до +80°С.

Сертификация и разрешение на применение: DMT 01 АТЕХ Е 042 X на соответствие стандартам EN 50014, EN50020; Соотвествует уровню безопасности SIL 2 (EN61508). Свидетельство № 665 ИСЦ ВЭ о взрывозащищенности и соответствии ГОСТ Р51330.0-99 и ГОСТ Р 51330.10-99, разрешение Госгортехнадзо-ра России на применение № РРС 04-11284.

2.2    Анализ существующей системы управления

Для реализации управления технологическим процессом распределенная система управления CENTUM CS3000R. На первом уровне используются полевые КИПиА, на втором - микропроцессорные контроллеры системы , предназначенные для управления в локальном режиме управления, на третьем - фронтальные процессора предназначенные для управления в автоматизированной системе управления (супервизорное управление), на четвертом происходит координация действий производства, а на пятом планирование ресурсов, необходимее соглашения на отгрузку, вообщем все то что необходимо для безостановочной работы предприятия.

Функции, выполняемые на первом уровне АСУТП: сбор технологической информации с датчиков.

Функции, выполняемые на втором уровне: обработка первичной информации (масштабирование, линеаризация); осуществление локальных схем управления; выдача обработанной информации на панели управления.

Функции, выполняемые на третьем уровне: обработка полученной аналитической информации с контроллера сбора аналитики информации; осуществление управления по анализам, по схемам управления.

Функции, выполняемые на четвертом уровне: сбор и обработка технологической информации за определенный период времени; хранение всей технологической информации; выдача отчетов; хранение всех технологических схем, графиков; возможность архивирования данных на ленту.

Для выполнения функций противоаварийной защиты и блокировки, благодоря тому что фирма YOKOGAWA сертифицировала свою систему в работе противооварийной защиты, используется та же система.CS 3000 является испытанной системой управления, предназначенной для оптимального управления крупнотоннажными производствами. Это открытая система, которая, имея расширенные функциональные возможности, предоставляет пользователю открытые гибкие возможности управления.CS 3000 позволяет осуществлять обмен данными между супервизорной системой такой, как система планирования ресурсами, и системой производства, что позволяет строить оптимальную стратегию управления всем заводом.

CENTUM CS 3000 предназначена для обеспечения автоматизации технологических процессов на базе измерительной информации, включая сбор и обработку первичной информации о параметрах технологических процессов, преобразование хранение и передачу информации на более высокие уровни управления, вычисление показателей, характеризующих процесс, формирование команд и управляющих воздействий, а также сигналов аварийной защиты.

Основными достоинствами системы являются:

высокая надежность системы, которая основывается на отказоустойчивости станции управления, блок управления которой имеет четыре процессора “работающая пара-резерв” (этот метод не используется ни в одной из систем, производимых в мире) и дублированием шины связи V-net и ESB шины. Каждая пара работает параллельно, контролируя правильность вычислений. Если результаты пары не совпадают, то работа передается резервному контроллеру.

наличие функции объектного и виртуального тестирования, позволяющая проверять правильность выполнения инженером схем управления перед включением их в реальный процесс. Модернизация может осуществляться без остановки управления технологическим процессом. Виртуальное тестирование осуществляется без участия станции управления участком.

наличие специального пакета для управления периодическими процессами.

эффективный инжиниринг: интерактивная система генерации функций, требующая минимально необходимый ввод данных. Инжиниринг охватывает многочисленные операции, такие как проектирование системы, генерация системы применительно к конкретному технологическому процессу, запуск, добавление новых схем управления, модернизация уже созданных, создание технологических отчетов, тестирование, сервисное обслуживание. Инжиниринг может производиться как на станции оператора, так и на отдельном компьютере.

возможность реализации на станции управления системы противоаварийной защиты и сигнализации.

Архитектура системы

Станция управления участком (FCS - Field Control Station)представляет собой станцию управления нового поколения. Она объединяет в себе системы управления технологическим процессом, компьютеры и пакетную обработку данных.

Станция FCS состоит из следующего оборудования:

блок управления участком FCU;

до десяти интерфейсных блоков с выносными корзинами на каждый FCU;

до восьми модулей ввода/вывода I/О на каждую корзину;

шина дистанционного ввода/вывода ESB для подключения корзины к FCU.

Блок управления FCU

Блок управления FCU содержит микропроцессор, интерфейс шины ESB и блок батарейного резервного питания. Он обеспечивает выполнение вычислений и управление станцией FCS. Он состоит из следующих элементов:

три типа плат (процессор, обмен данными с узлами и платы блоков питания);

соединитель сети V-net;

соединитель шины ESB.

В конфигурации с двойным резервированием в FCU монтируется два процессора, два блока связи с узлами, два блока питания, два соединителя V-сети и две платы соединителя с шиной ESB.

Блок управления обрабатывает дискретные и аналоговые сигналы, поступающие с датчиков, концевых выключателей, пультов операторов, и других устройств ввода в соответствии с технологической схемой управления процессом, и формирует аналоговые и дискретные выходные сигналы для исполнительных механизмов.

К FCU с помощью шины ESB могут подключаться до десяти узлов. Узел состоит из блока ввода/вывода, подключенного к рабочим сигналам или подсистемам, а также блока интерфейса узла.

Блок интерфейса узла представляет собой устройство для обработки сигнала. Оно считывает рабочие сигналы ввода/вывода из модулей ввода/вывода (до восьми модулей) и передает переменные в FCU.

технологический газовый конденсат автоматизация управление

ASI 133-HOO/SA3SO: модульное гнездо искробезопасного аналогового ввода (4-20 мА/ с поддержкой HART-протокола);

ASI 533-HOO/SS3SO: модульное гнездо искробезопасного аналогового выхода (4-20 мА/ с поддержкой HART-протокола);

ADV 169 - POO: модульное гнездо дискретного ввода;

ADV 569 - POO: модульное гнездо выхода;

Модули ввода/вывода

Модули ввода преобразуют аналоговые входные сигналы от технологического процесса в цифровую информацию, с которой может работать FCU. Модули вывода преобразуют цифровые данные от FCU в аналоговые и контактные сигналы, и формируют выходную информацию.

Модули ввода/вывода подразделяются на следующие типы:

аналоговые;

дискретные.

Модули ввода/вывода аналоговых сигналов

Модули входов тока. Данные модули принимают токовые сигналы 4-20 мА от двух проводниковых датчиков.

Модули выходов тока. Модуль выполняет преобразование и выдачу различных токов в диапазоне от 4 до 20 мА.

Источник бесперебойного питания. В системе CENTUM CS 3000 применяется источник бесперебойного питания серии Conceptpower Gemini 30 (15+15) кВА фирмы «NEWAVE». Мощность 2x10 кВт. Вход 3 фазы. Выход 3 фазы. С функциями подавления тока высокой частоты (блок бесперебойного питания инверторного типа с высоким коэффициентом мощности), удовлетворяющий требованиям электромагнитной совместимостью (ЕМС).

Источник бесперебойного питания работает с двойным преобразованием входного напряжения. Он предназначен для электропитания и защиты по цепи питания различных видов нагрузки (компьютерных сетей, серверов, систем управления технологическими процессами, телекоммуникационного оборудования, центров хранения данных), чувствительной к любым неполадкам в электроснабжении от централизованной электросети.

Блок питания модели PW 602 .Блок питания устанавливается совместно с контроллером и обеспечивает питание этого контроллера. Для одного блока управления FCU используется 2 блока питания. Эти блоки питания резервируются. ИБ источник питания получает напряжение в диапазоне от 220 до 230 В постоянного тока и преобразует его в 24 В постоянного тока для питания контроллера.

Шина ESB.Шина дистанционного ввода/вывода (ESB) представляет собой коммуникационную шину ввода/вывода, которая соединяет процессор станции управления и часть ввода/вывода (корзину). Она подключается к FCU с помощью блоков узловых интерфейсов.

Станция оператора (HIS - Human Interface Station).Для сбора данных и диспетчерского контроля используется мощная легко управляемая станция оператора (HIS) - она выводит на дисплей переменные процесса, управляющие параметры и сигнализации, которые необходимы пользователям для быстрой оценки рабочего состояния установки. Станция оператора также включает в себя открытые интерфейсы, позволяющие супервизорному компьютеру получить доступ к данным тренда, сообщениям и данным процесса.

В комплект станции оператора входит печатающее устройство (принтер), манипуляторы, звуковые устройства, различные накопители информации.

Во всех рабочих станциях используется процессор Intel Pentium 4. Этот 32-битный процессор хорошо подходит для ПО системы CENTUM CS 3000. Имеется до 2 ГБ современной оперативной памяти с коррекцией ошибок (ECC), для ускорения работы 512 КБ кэш-памяти с конвейерной пакетной обработкой. ПО CENTUM CS 3000 лучше всего работает при разрешении 1024 x 768 пикселов или выше. Встроенный видеоконтроллер увеличивает производительность видеосистемы и помогает добиться нужного разрешения. Можно расширить доступную площадь изображения, используя два монитора.

HART- протокол. Связь станции управления HIS с датчиками осуществляется через станцию управления FCS с помощью стандартного коммуникационного протокола HART (Highway Addressable Remote Transducer). Протокол HART является «открытым» и доступен для всех производителей приборов и систем управления, желающих его использовать.протокол использует стандарт Bell 202 кодировки сигнала методом частотного сдвига (FSK) для обмена данными на скорости 1200 Бод; сигнал накладывается на аналоговый измерительный сигнал 4-20мА. Для представления двоичных 1 и 0 используются две разные частоты (1200 Гц (одиночный цикл) и 2200 Гц (примерно два цикла) соответственно). Поскольку среднее значение FSK сигнала равно 0 (то есть никакая компонента по постоянному току не добавляется), то он не влияет на аналоговый сигнал 4-20мА, несмотря на прохождение цифрового сигнала. Это достигается также введением в прибор однополюсного НЧ фильтра 10Гц, снижая помехи на аналоговом сигнале примерно до 0,01%. Каждое цифровое сообщение содержит адрес источника и назначения, а также имеет контрольную сумму для обнаружения любого искажения сообщения.

Описание системы противоаварийной защиты CENTUM CS 3000

Архитектура системы такая, как у РСУ CENTUM CS 3000, кроме модулей ввода/вывода.

Модули ввода аналоговых сигналов. Данные модули принимают токовые сигналы 4-20 мА от двух проводниковых датчиков.

Модули ввода/вывода дискретных сигналов. Дискретные модули ввода/вывода конфигурируются из блока платы и клеммного блока терминала. Так как типы сигналов ввода/вывода устанавливаются программно, то на модуле отсутствуют управляющие переключатели и рукоятка.

CENTUM CS 3000. Сигналы 4-20 мА от датчиков расхода, уровня, температуры, давления регулируемых параметров поступают в модули аналогового ввода ASI 133-HOO/SA3SO.

Алгоритм работы интеллектуального датчика: сенсор датчика получает воздействие от физического объекта; первичный преобразователь преобразует воздействие в электрический сигнал, оцифровывает его, далее цифровой сигнал подвергается обработке встроенным микропроцессором. Затем цифровой сигнал преобразовывается в стандартный нормированный сигнал, поступающий в контроллер. Одновременно токовый сигнал модулируется цифровым протоколом для настройки и диагностики.

В модулях ввода сигналы оцифровываются, масштабируются (переводятся в технические единицы) и по шине ESB передаются в процессоры станции управления участком. Процессоры обрабатывает сигналы по алгоритму, заданному в соответствии с технологической схемой управления. В процессорах сигнал проходит проверку на выход за допустимые пределы сигнала. Для регулируемых параметров в процессоре рассчитывается величина управляющего воздействия, которая после проверки на пределы передается в модуль аналогового вывода ASI 533-HOO/SS3SO, затем на исполнительные механизмы.

Программирование станции управления осуществляется на станции оператора. Соединение блока управления и модулей ввода/вывода осуществляется с помощью ESB-шины. Связь станции управления участком FCS со станциями оператора осуществляется с помощью вычислительной сети V-net.

Станция оператора осуществляет следующие функции: управление в реальном масштабе времени основным и вспомогательным технологическим процессом, ведение базы данных, визуализацию состояния технологического оборудования (мнемосхемы, графики), обработку данных, дистанционное и ручное управление технологическим процессом, сигнализацию вышедших за пределы технологических параметров, формирование и печать протокола нарушений и сообщений, связь с другими системами автоматизации.

Станция инженера выполняет функции: задание уставок блокировки, настройка датчиков, настройка диапазонов значений параметров, настройка регуляторов, отладка программ, настройки мнемосхем, трендов.

 

2.3 Выводы по необходимости модернизации системы


Общая задача управления технологическим процессом формулируется обычно как задача максимизации (минимизации) некоторого критерия (себестоимости, энергозатрат, прибыли) при выполнении ограничений на технологические параметры, накладываемые регламентом. В данном случае задачу автоматизации можно сформулировать следующим образом: получить максимум качественного при минимальных энергозатратах.

Как видно из описания существующей системы автоматизации и средств автоматизации, смысла ставить новое оборудование, которое мало чем превосходит имеющееся, будет невыгодно ни экономически не практически.

Поэтому дальнейшая работа над усовершенствованием данного производства будет звучать как работа над поднятием качества изотавливаемой продукции.

На сегодняшний день в странах зарубежья существуют очень жесткие стандарты в отношении топлива и вообще углеводородов необходимо поднять уровень производимых углеводородных фракций до этих стандартов, особенно это касается дизельного топлива которое «уходит» на экспорт и прямогонного бензина. Основное положение требований заключается в том что бы бензины не имели в своем составе серосодержащие компоненты. Этого можно достичь вводом в эксплуатацию установки по электрообессоливанию и обезвоживанию углеводородов(ЭЛОУ). Смысл работы такой установки в том что углеводороды смешиваются с водой, при этом с водой смешиваются и соли и сера, и под действием электричества большого напряжения (5-15 КВт) вода начинает скапливаться у электродов в большие капли которые оседают вниз емкости вместе с солесодержащимися компонентами. Это позволит нам достичь стандарта Евро-4 в производстве дизельного топлива.

Блок электрообессоливания и обезвоживания газового конденсата (ЭЛОУ) предназначен для получения газового конденсата с содержанием солей не более 5 мг/дм3 (в перерасчёте на NaCl) и содержанием воды не более 0,1 % масс. с целью его дальнейшего фракционирования на установке переработки газового конденсата.

Техническое оснащение данной установки средствами автоматизации - задача данного дипломного проекта.

2.3.1 Задача на техническое оснащение блока электрообессоливания и обезвоживания углеводородов

При при выборе средств автоматизации необходимо знать контура:

Регулируемые параметры

Контур 1 - регулирование расхода свежей воды на промывку к смесителям СМ-1, СМ-2. Клапан поз. 1-5 типа «НО» установлен на трубопроводе подачи свежей воды от насоса Н-113/1,2 к Т-110.

Контур 2 - регулирование расхода рециркулируемой воды подаваемой на промывку насосом Н-111/1,2 к смесителю СМ-1. Клапан поз. 2-5 типа «НО» установлен на трубопроводе подачи рециркулируемой воды от насоса Н-111/1,2.

Контур 3 - регулирование расхода рециркулируемой воды подаваемой на промывку насосом Н-112/1,2 к смесителю СМ-2. Клапан поз. 3-5 типа «НО» установлен на трубопроводе подачи рециркулируемой воды от насоса Н-112/1,2 к смесителю СМ-2.

Контур 4- регулирование уровня отстоявшейся воды в электродегидраторе Э-1. Клапан поз.4-5 типа «НО» установлен на трубопроводе сброса воды в Е-110.

Контур 5 - регулирование уровня отстоявшейся воды в электродегидраторе Э-2. Клапан поз. 5-5 типа «НО» установлен на линии сброса воды в линию всаса насоса Н-112/1,2.

Контур 6 - регулирование уровня газового конденсата в отстойнике стоков Е-110. Клапан поз. 6-5 типа «НЗ» установлен на линии сброса газового конденсата из Е-110 в линию некондиции.

Контур 7 - регулирование уровня свежей воды в емкости Е-111. Клапан поз. 7-5 типа «НЗ» установлен на линии подачи речной осветленной воды в Е-111.

Контур 8,9,10 - регулирование перепада давления между электродегидраторами Э-1, Э-2 и отстойником Е-110. Клапан поз. 8-9 типа «НЗ» установлен на линии сброса отстоявшейся воды из Е-110 к Т-110.

Контролируемые параметры

Контур 11 - температура газового конденсата в электродегидраторе Э-1;

Контур 12 - температура газового конденсата в электродегидраторе Э-2;

Контур 13 - температура рециркулируемой воды на выходе из Т-110;

Контур 14 - температура газового конденсата на входе в блок ЭЛОУ;

Контур 15 - температура углеводородов в аварийной емкости Е-112;

Контур 16 - температура верхнего подшипника насоса Н-115;

Контур 17 - давление нагнетания насоса Н-111/1;

Контур 18 - давление нагнетания насоса Н-111/2;

Контур 19 - давление нагнетания насоса Н-112/1;

Контур 20 - давление нагнетания насоса Н-112/2;

Контур 21 - давление нагнетания насоса Н-113/1;

Контур 22 - давление нагнетания насоса Н-113/2;

Контур 23 - перепад давления на смесителе СМ-1;

Контур 24 - перепад давления на смесителе СМ-2;

Контур 25 - уровень газового конденсата в аварийной емкости Е-112;

Контур 26 - расход засоленной воды на ЛОС;

Контур 27- расход рециркулируемой воды на смешение к смесителю СМ-1;

Контур 28 - расход речной осветленной воды в емкость свежей воды Е-111.

Исходя из политики «о неразглашении коммерческой тайны» рабочие и предельные параметры технологического процесса ЭЛОУ не могут быть оглашены в данной дипломной работе.

3.      РАЗРАБОТКА И ОПИСАНИЕ СИСТЕМЫ КОНТРОЛЯ, РЕГУЛИРОВАНИЯ И УПРАВЛЕНИЯ ТЕХНОЛОГИЧЕСКИМ ПРОЦЕССОМ

.1 Выбор и описание структурной схемы системы управления (Лист №2 ДП 220301 020 08 ГЧ)

3.1.1. Перечень функций, выполняемых системой на каждом уровне управления. Система CENTUM CS 3000 позволяет создавать структуры различной сложности. Это придает ей исключительную гибкость.

Для управления процессом переработки газового конденсата предлагается построить трех уровневую систему управления на базе системы управления CENTUM CS 3000:

.1.1.1. Уровень датчиков, первичных и нормирующих преобразователей. Связь между датчиком и контроллером осуществляется токовым сигналом. Отличительной особенностью выбора нормированного токового сигнала 4-20 мА является то, что данный диапазон позволяет диагностировать сбой в работе датчика. Отсутствие сигнала в цепи - 0мА предупреждает о разрыве в цепи, либо о полном выходе из строя датчика; настроенный соответствующим образом датчик, создавая сигнал 1-3 мА, либо более 20 мА, сигнализирует о внутренней неисправности датчика.

На этом уровне реализуются следующие функции:

1) непрерывное измерение технологических параметров;

2) первичная обработка информации (линеаризация выходных сигналов датчиков и их масштабирование, фильтрация выходных сигналов датчиков от высокочастотных помех, искажающих полезный сигнал, проверка исходной информации на достоверность и коррекция результатов измерений, коррекция показаний датчиков при отклонении условий измерений от расчетных;

3) передача полученной информации о состоянии технологического объекта на следующий уровень, как в цифровом, так и в аналоговом виде.

3.1.1.2. Уровень контроллера. Интеллектуальным центром системы управления является станция управления участком. Станция управления участком - устройство, осуществляющее прием и обработку сигналов, расчет и выдачу управляющих сигналов, обмен данными с верхним уровнем.

Функции системы, выполняемые на этом уровне:

.        сбор информации с нижнего уровня;

.        обнаружение отклонений текущих значений параметров за пределы допускаемых значений, сигнализация и регистрация при их наличии;

.        расчет оптимальных значений технологических параметров;

.        расчет не измеряемых величин и обобщенных показаний;

.        реализация сложных законов управления и осуществление оптимального управления процессом по критериям управления;

.        формирование управляющих воздействий по типовым законам регулирования, с целью стабилизации параметров;

.        контроль за регламентом ведения технологического процесса;

.        обмен информацией со станциями оператора;

.        прием управляющих воздействий от станции оператора и выдача их на исполнительные механизмы;

.        обмен информацией с другими станциями управления участком;

.        непрерывный самоконтроль в процессе работы и подробная самодиагностика при обнаружении неисправностей;

.        ведение информационной базы данных;

Станция управления участком, включает в себя блок управления, и узлы ввода/вывода сигналов.

3.1.1.3. Уровень ЭВМ. Станция оператора позволяет:

-       осуществлять сбор и хранение информации от станции управления участком;

-       оператору контролировать технологический процесс, графически изображенный на экране в реальном масштабе времени в удобном для него виде;

-       получать и оценивать аварийную информацию, поступающую с процесса;

-       просматривать в виде исторических трендов информацию о работе процесса в интересующий период времени;

-       осуществлять дистанционное управление исполнительными механизмами;

-       оператору обмениваться информацией по компьютерной сети с другими станциями оператора, станциями управления участком и верхним уровнем управления;

-       производить расчет технико-экономических показателей.

Станция оператора производит обработку принятых данных, их отображение; визуализацию таблиц, мнемосхем и графиков (трендов); выдачу тревожных сообщений; регистрацию данных, деятельности, аварийных ситуаций; накопление данных на внешнем носителе; создание и распечатку отчетов; осуществляет защиту от несанкционированного доступа; другие дополнительные функции.

Станция оператора может осуществлять информационный обмен по сети с ЭВМ более высокого уровня (например, с ЭВМ администратора).

В комплект станции оператора могут входить печатающее устройство (принтер), сенсорные экраны, соединяющие, источники бесперебойного питания, манипуляторы, звуковые устройства, различные накопители информации и прочее.

Связь со станциями управления участком и с ЭВМ более высокого уровня осуществляется с помощью интерфейсов и сетевых устройств.

Для основных работ по программированию и конфигурированию предлагаемой системы используется ES на базе PC-WS370 DT. Данная ES обладает следующими техническими данными:

1) тип: рабочая станция WS370 DT;

2) процессор Pentium IV 3200 ГГц;

3) оперативная память - 512 Мбайт;

4) монитор 19 LCD c разрешающей способностью 1624 ´ 1200;

5) 2EIDE 80 Гбайт; 7200 RPM HDD (зеркальный массив);

6) DVD ROM;

7) USB2 - 4 порта;

8) поддержка русифицированной версии;

9) плата связи RS232C;

10)клавиатура, мышь, либо манипулятор типа

3.1.1.4. Шина дистанционного ввода/вывода (RIO) представляет собой шину связи. Она подключается к FCU с помощью блоков узловых интерфейсов. Для передачи на короткие расстояния используется витая пара. Повторители или оптические повторители используются при передаче на дальние расстояния (до 20 км.). Шина RIO может иметь двойное резервирование.

.1.1.5. Модули аналогового В/В устанавливаются в гнездо для модулей аналогового В/В модель AMN11. В одно гнездо может устанавливаться до 16 модулей В/В. Сигнальные кабели подсоединяются к клеммам гнезда аналогового В/В с помощью винтов М4. Для каждого канала В/В подключаются два сигнальных кабеля или три сигнальных кабеля (для термометров сопротивления RTD).

Модули дискретного В/В клеммного типа. В одном гнезде для модулей В/В клеммного типа, модель AMN31 можно устанавливать до двух модулей дискретного В/В клеммного типа. Сигнальные кабели подсоединяются к клеммам модулей с помощью винтов М4. К каждому каналу В/В подключается один или два сигнальных кабеля. Нумерация клемм В/В: %Znnuscc, где nn : номер гнезда (1 to 8), u: номер устройства (1 to 5), s: номер слота (1 to 4), cc: номер канала (1 to 32).

.1.1.7. Сеть Ethernet является информационной локальной сетью, которая соединяет одну HIS с другими HIS в системе. HIS использует сеть для того, чтобы осуществить следующие функции:

-   вывод с других HIS на экран дисплея данных регистрации трендов;

-   графическое изображение на экране дисплея данных с других HIS;

-   использование принтера или устройства получения цветной копии экрана, соединенных с другими HIS;

-   передача технических данных, полученных на локальной HIS, в другую HIS;

-   выравнивание базы данных между различными HIS.

.1.1.8. Сеть FDDI - волоконно-оптический распределенный интерфейс данных, который сочетает функциональные возможности сетей V и Ethernet. Это и информационная локальная сеть, и управляющая сеть в реальном масштабе времени. FDDI используют детерминированную архитектуру с эстафетным доступом. Скорость передачи данных составляет 100 Мбит\сек. Кроме того, FDDI дает возможность передачи аудио- и видеосигналов. В основном, FDDI используется для передачи данных между станциями типа FCS, HIS-ES и диспетчерскими компьютерами.

.1.1.9. Система обеспечения безопасности ProSafe-PLC состоит из набора сменных модулей, к которым относятся модули управления защищенные от сбоев, а также защищенные модули ввода/вывода. В архитектуре ProSafe-PLC эти устройства системы обеспечения безопасности селективно и гибко взаимодействуют.

3.2 Техническое обеспечение. Спецификация на комплекс технических средств (КТС)

3.2.1 Обоснование выбора технических средств автоматизации

Задача выбора программно-технического комплекса как таковая не стоит, т.к. из описания существующего программно-технического комплекса видно что на данный момент завод переработки газового конденсата оснащен, можно сказать, в соответствии с мировыми стандартами. Новое оборудование используемое на данном производстве не требует замены.

А вот запланированная установка электрообессоливания и обезвоживания требует комплектации ее средствами КИП и СА.

3.2.2 Выбор технических средств автоматизации

При выборе технических средств автоматизации для болока обессоливания и обезвоживания углеводоров небходимо учитвыать то что приборы и исполнительные механизмы должны быть очень точными и соответствовать нормам регламента. Выбирая технический комплекс автоматизации данного блока производства кроме точности и высокой надежности я руководствовался так же тем что на самом производстве используются приборы да и сама распределенная система автоматизации фирмы «Yokogawa», поэтому свое предпочтение изначально я отдал этой фирме, к тому же надежность этих датчиков и достоверность информации идущей с них была проверена в ходе эксплуатации основной установки. Для измерения расхода и давления я предлагаю применить технические средства фирмы «Yokogawa», серии EJX, которые в отличие от серии EJA обладают более высоким классом точности, также обладают меньшими габаритами, что является удобством при монтаже самого прибора. Устанавливается прибор по месту отбора импульса, поступает на контроллер, который производит обработку сигнала (линеаризацию, фильтрацию, проверку достоверности информации, коррекцию показания датчиков) и выдает управляющее воздействие на клапан.

Датчики серии DPharp EJX - новейшая серия интеллектуальных датчиков сверхвысокой технологии, использующих в качестве детектора кремниевый резонатор. Приборы относятся к интеллектуальной серии, поддерживающей двусторонний обмен информацией по HART- протоколу. Благодаря этому пользователь имеет возможность сам сконфигурировать основные параметры измерения давления и настроить выходной сигнал.

Встроенные функции самодиагностики позволяют непрерывно отслеживать исправность прибора и нахождение процесса в допустимых пределах.

Датчики серии EJX внесены в Госреестр и имеются все Российские сертификаты, разрешающие их применение в Российской Федерации.

На основе технологической схемы установки выбираем следующие типы датчиков и нормирующих преобразователей для измерения параметров процесса.

.2.2.1. Датчик дифференциального давления модели EJX110A - базовая модель семейства датчиков высокой технологии DPharp EJX, предназначается для измерения перепада давления, уровня и плотности гидростатическим методом. Конструктивное исполнение: стандартное (1Р67), искробезопасное (EExiallCT4), взрывонепроницаемое (ЕЕхсIIIСТ Т5, Т6). Внесен в Госреестр 14495-95. Межповерочный интервал: 2 года.

.2.2.2. Датчик избыточного давления модели EJX530A предназначается для измерения избыточного давления различных сред: жидкости, газа, пара. Конструктивное исполнение: взрывонепроницаемое (ExdIICT4,Т5,Т6). Внесен в Госреестр: 14495-95. Межповерочный интервал: 2 года.

3.2.2.3. Для измерения температуры я предлагаю использовать интеллектуальные датчики температуры фирмы Emerson.

Датчики температуры фирмы Emerson предназначены для измерения температуры различных жидкостей и газов, и широко используются в нефтегазовой, химической, металлургической, автомобилестроительной, авиационной и других отраслях промышленности.

Выбранный мною прибор обладает рядом больших преимуществ по отношению к используемому на основной установке датчикам температуры фирмы Элемер.

Основные технические характеристики

Точность измерений


±0.1°С, ±0.15°С

Диапазон рабочих температур, °С


Эксплуатация

Хранение

без ЖК индикатора

От -51 до 85

От -51 до 120

с ЖК индикатором

От -20 до 85

От -45 до 85

Диапазон измеряемых температур (зависит от типа сенсора), °С


От -200 до 1 786

Наличие взрывозащиты


Да

Вход - универсальный для всех типов сенсора

Выбираются пользователем

Выход

2х проводной, аналоговый сигнал 4-20 мА.

Цифровой сигнал HART накладывается на аналоговый сигнал 4-20мА и используется коммуникатором, либо с системой управления, Foundation Fieldbus, Profibus-PA

для связи с HART-


Основные преимущества

·Поддержание высокой стабильности рабочих характеристик в течение 5 лет.

·Возможность согласования сенсора и датчика устраняет ошибку при замене сенсора, что позволяет повысить общую точность измерений на 75%.

·Тест на обрыв сенсора.

«Горячее» резервирование сенсоров.

·Сертификация на безопасность TUV по стандарту МЭК 61508.

·Превосходная защита от электромагнитных и радиопомех.

·Практически не требует обслуживания.

Выбранный мною прибор обладает рядом больших преимуществ по отношению к используемому на основной установке датчикам температуры фирмы Элемер.

3.2.2.4 Для измерения перепада давления на электродегидраторах предлагаю воспользоваться услугами фирмы APLISENS APC2000 PZ.


.2.2.5 Предлагаемые мною барьеры - фирмы GM серии 1000 фирмы.

модуль D1014 D (аналоговый вход) предназначен для приема сигнала 4-20 мА от датчиков: давления, расхода и уровня. Двухканальные повторители источника питания D1014 D обеспечивают полную гальваническую развязку цепей питания постоянного тока для 2-х проводных 4-20 мА датчиков-преобразователей (трансмиттеров), или 3, 4-х проводных 4-20 мА, 0-20 мА датчиков-преобразователей с раздельным питанием, установленных во взрывоопасной зоне, и повторяет их токовый сигнал на нагрузке в безопасной зоне. Барьеры допускают двухстороннюю передачу коммуникационных сигналов для интеллектуальных датчиков-преобразователей.

модуль D1020 D (аналоговый выход) предназначен для передачи аналогового выхода 4-20 мА из безопасной зоны управляющей системы в опасную зону на позиционеры исполнительных механизмов. Обеспечивают гальваническую развязку и передачу токовых сигналов 4-20 мА от контроллера из безопасной зоны, на нагрузку с сопротивлением до 750 Ом, находящуюся в опасной зоне. Они имеют высокую нагрузочную способность: 15 В при токе 20 мА в сочетании с низким падением напряжения на входе (2 В). Барьеры допускают двухстороннюю передачу коммуникационных сигналов для интеллектуальных электропневматических преобразователей. В диапазоне входных сигналов 4-20 мА разомкнутая полевая цепь представляет высокое сопротивление для выходной цепи управляющего устройства.

модуль D1031 D (дискретный вход) предназначен для приема дискретного сигнала от датчика в опасной зоне, на транзисторном выходе в безопасной зоне, а также для передачи выходного дискретного сигнала и повторения состояния сухого контакта. Двухканальный искробезопасный повторитель состояния контактных датчиков или NAMUR датчиков положения (стандарт DIN 19234). Обеспечивает гальваническую изоляцию всех трех портов (вход / выход /цепи питания).

модуль D1042 Q (дискретный выход) четырехканальные модули цифрового выхода позволяют с помощью «сухого» контакта или логического сигнала управлять из безопасной зоны искробезопасными устройствами, находящимися в опасной зоне. Обеспечивает гальваническую изоляцию всех трех портов (вход / выход /цепи питания).

модуль D1072 D предназначен для приема сигнала от находящихся в опасной зоне термопары, термометра сопротивления, или измерительного потенциометра или другого низковольтного источника и преобразуют его в выходной сигнал 0/4-20 мА или 0/1 -5 В или 0/2-10 В, который передается на нагрузку, находящуюся в безопасной зоне. Два искробезопасных входа для подключения милливольтовых источников, термопар, 3-х или 4-х проводных термометров сопротивления или измерительных потенциометров. Обеспечивает гальваническую изоляцию всех трех портов (вход/ выход/цепи питания) и выходной сигнал в виде тока или напряжения [2].

Спецификация на приборы и средства автоматизацииприведена в приложении 1.

3.2.2.6 Обоснование выбора РСУ и ПАЗ. Станция РСУ реализована на многофункциональных контроллерах типа CENTUM CS 3000 - многофункциональный комплекс программно-аппаратных средств, для построения распределенных систем управления. Основными задачами, решаемыми системой управления являются:

-          безопасное ведение технологических процессов;

-        реализация решений задач оптимального управления;

-        обеспечение устойчивости процессов регулирования;

-        управление периодическими процессами;

-        взаимодействие с подсистемами верхнего и нижнего уровня;

-        сбор и накопление данных.

Неоспоримое достоинство системы CENTUM состоит в больших возможностях по резервированию системы и расширенных средствах самодиагностики всех компонентов:

-          гибкая система резервирования, позволяющая резервировать: элементы центрального процессора, системные интерфейсы, системные магистрали передачи данных, модули ввода/вывода, коммуникационные модули ввода/вывода, модули Foundation Fieldbus;

-        гибкая конфигурация каждого рабочего места оператора с возможностью независимого накопления исторической информации;

-        высокая плотность модулей ввода/вывода;

-        высокая скорость передачи данных по внутренней шине;

-        большой объем оперативной памяти контроллеров;

-        связь с подсистемами нижнего и верхнего уровней: передача информации в общезаводскую сеть с использованием протокола ОРС, связь с подсистемами нижнего уровня (ПЛК, SCADA);

-        функция виртуального тестирования, позволяющая выполнять отладку программного обеспечения: без подключения контроллеров, с подключением контроллеров.

Для осуществления функций ПАЗ, благодоря недавней сертификации, используется так же система CENTUM 3000 на специальных ПАЗ-овских контроллерах.

Повышенная надежность системы достигается за счет резервирования управляющих процессорных модулей. Для систем ПАЗ резервирование распространено и на модули ввода/вывода системы, так как готовность этих систем к выполнению функций управления и защиты являются особо важными показателями для взрывопожароопасных нефтехимических производств.

.2.3. Описание РСУ, ПАЗ CENTUM CS 3000. Систему РСУ и ПАЗ ставить другую бессмысленно, поэтому мы нарастим имеющуюся CENTUM CS3000, описание которой дано в пункте 2.2

3.3 Разработка и описание функциональной схемы автоматизации ТОУ (Лист №1 ДП 220301 020 08 ГЧ)

Глобальной технологической целью объекта автоматизации является получение целевого продукта заданого качества. Для достижения глобальной цели необходимо выполнить следующую локальную цель - поддерживать технологический режим колонн поз. К-1 и К-3 согласно регламенту.

Показателем эффективности является минимальное содержание пропан-пропиленовой фракции в кубе колонны К-1, так же минимальное содержание легких фракций в кубе К-3. Необходимо, чтобы их концентрация в дистилляте была максимальной, а в кубовом продукте минимальной. Для определения зависимости показателя эффективности от возмущающих воздействий проведем анализ объекта регулирования.

Ректификационная колонна является объектом управления с большим запаздыванием, что обусловлено большим числом тарелок и большой высотой ректификационной колонны, поэтому возмущающие воздействия успевают существенно изменить режим всей колонны прежде, чем изменится состав целевого продукта и начнется их компенсация. Поэтому для поддержания показателя эффективности на заданном значении применяется метод косвенного регулирования параметров, оказывающих наибольшее возмущающее воздействие.

Для определения возмущающих воздействий, которые влияют на показатель эффективности, записывается уравнение материального баланса :

GF * xF = GД * xД+GW * xW (1)

где: GF - расход питанияД - расход дистиллята- расход кубовой жидкости, хД, хW - концентрация пропилена в питании, дистилляте и кубовой жидкости.

Из уравнения видно, что возмущающее воздействие оказывается при изменении параметров питания колонны: температуры, состава, расхода.

Для поддержания показателей технологического режима, колонны поз. К-1, К-3 снабжены автоматическими регуляторами давления, уровня, расхода и температуры.

Важнейшими параметрами в регулировании являются давление и температура в колонне, влияющими на кинетику процесса массопередачи и положение кривой фазового равновесия.

Для реализации основной задачи управления применяем каскадную автоматическую систему регулирования расхода пара в кипятильник с коррекцией по концентрации на контрольной тарелке. Пределы изменений параметров выбираем соответственно технологическому регламенту так, чтобы нормальные значения находились в середине шкалы. Для каскадной автоматической системы регулирования выбираем цифровой ПИД-регулятор в качестве основного регулятора и ПИ-цифровой регулятор для вспомогательного регулятора. Для одноконтурных автоматических систем регулирования выбираем цифровые ПИД-регуляторы и ПИ-регуляторы (для расхода).

Контролю и регулированию подлежат следующие параметры:

Таблица 6

№ п/п

Наименование стадий проц есса, аппараты, показатели режима (контролируемые параметры)

Номер позиции прибора на схеме

Единица измерения

Допускаемые пределы технологических параметров

Требуемая погрешность измерительного контура, %

Примечание

1

2

3

4

5

6

7

Установка по переработке газового конденсата

1.

Температура газового конденсата после теплообменника Т-4

TT-1-1

185¸194

1,5 %

прибор показывающий

2.

Температура верха колонны К-1

TT-4-1

Не выше 65

1,5 %

прибор показывающий, регулирующий. Коррекция на регулирование расхода поз. FT-4-3

3.

Температура паров из отпарной колонны К-2 в колонну К-1

TT-9-1

138¸143

1,5 %

прибор показывающий

4.

Температура в кубе колонны К-1

TT-11-1

Не ниже 228

1,5 %

прибор показывающий

5.

Температура в кубе колонны К-2

TT-10-1

145¸150

1,5 %

прибор показывающий, регулирующий

6.

Температура в кубе колонны К-4

TT-37-1

262¸267

1,5 %

прибор показывающий, регулирующий

7.

Температура дизельного топлива в отпарной колонне К-4

TT-38-1

240¸245

1,5 %

прибор показывающий, регулирующий

8.

Температура верха колонны К-3

TT-24-1

153¸158

1,5 %

прибор показывающий, регулирующий. Коррекция на регулирование расхода поз. FT-24-3

9.

Температура дизельного топлива на тарелка № 8 колонны К-3

TT-32-1

240¸245

1,5 %

прибор показывающий,

10.

Температура в кубе колонны К-3

TT-31-1

Не ниже 345

1,5 %

прибор показывающий

11.

Температура бензина после водяного холодильника Х-2

TT-43-1

35¸40

1,5 %

прибор показывающий, регулирующий

12.

Температура в емкости Е-2

TT-49-1

35¸40

1,5 %

прибор показывающий

13.

Температура бензина после водяного холодильника Х-3

TT-52-1

33¸38

1,5 %

прибор показывающий, регулирующий

14.

Давление паров ПБФ в колонне К-1

PT-8-1

МПа (кгс/см2)

0,80¸0,85 (8,0¸8,5)

0,1 %

прибор показывающий, регулирующий

15.

Давление в кубе колонны К-1

PT-5-1

МПа (кгс/см2)

0,82¸0,87 (8,2¸8,7)

0,1 %

прибор показывающий, сигнализирующий

16.

Давление паров бензина в колонне К-3

PT-23-1

МПа (кгс/см2)

0,18¸0,22 (1,8¸2,2)

0,1 %

прибор показывающий, регулирующий

17.

Давление в кубе колонны К-3

PT-30-1

МПа (кгс/см2)

0,20¸0,24 (2,0¸2,4)

0,1 %

прибор показывающий, сигнализирующий

18.

Давление в емкости Е-2

P-50-1

МПа (кгс/см2)

0,16¸0,17 (1,6¸1,7)

прибор показывающий, сигнализирующий

19.

Расход газового конденсата в печь П-1 (основной поток)

FT-18-1

м3/ч

Не менее 27

1,0 %

прибор показывающий, регулирующий.

20.

Расход газового конденсата в печь П-1 (основной поток)

FT-19-1

м3/ч

Не менее 27

1,0 %

прибор показывающий, регулирующий.

21.

Расход газового конденсата в печь П-1 (основной поток)

FT-20-1

м3/ч

Не менее 27

1,0 %

прибор показывающий, регулирующий.

22.

Расход газового конденсата в печь П-1 (основной поток)

FT-21-1

м3/ч

Не менее 27

1,0 %

прибор показывающий, регулирующий.

23.

Расход газового конденсата в печь П-1 (горячая струя)

FT-16-1

м3/ч

Не менее24

1,0 %

прибор показывающий, регулирующий.

24.

Расход газового конденсата в печь П-1 (горячая струя)

FT-17-1

м3/ч

Не менее 24

1,0 %

прибор показывающий, регулирующий.

25.

Уровень в кубе колонны К-1

LT-6-1

мм

700¸3800

± 5 мм

прибор показывающий, регулирующий.

26.

Уровень раздела фаз в емкости Е-1

LT-14-1

мм

50¸200

± 10 мм

прибор показывающий, сигнализирующий, регулирующий.

27.

Уровень ПБФ в емкости Е-1

LT-15-1

мм

500¸1300

± 10 мм

прибор показывающий, сигнализирующий, регулирующий.

28.

Уровень на тарелке № 10 в колонне К-1

LT-7-1

мм

200¸350

0,1 %

прибор показывающий, регулирующий

29.

Уровень в ребойлере Т-5

LT-13-1

мм

550¸620

± 5 мм

прибор показывающий, регулирующий

30.

Уровень в ребойлере Т-6

LT-39-1

мм

720¸880

± 5 мм

прибор показывающий, регулирующий

31.

Уровень в кубе колонны К-3

LT-28-1

мм

400¸2000

± 5 мм

прибор показывающий, регулирующий

32.

Уровень раздела фаз в емкости Е-2

LT-45-1

мм

50-200

± 5 мм

прибор показывающий, регулирующий

33.

Уровень бензина в емкости Е-2

LT-48-1

мм

1400-2200

± 5 мм

прибор показывающий, регулирующий

34.

Уровень на тарелке № 8 колонны К-3

LT-26-1

мм

350¸900

0,1 %

прибор показывающий, регулирующий

3.4 Описание схемы внешних электрических и трубных проводок (Лист №3 ДП 220301 020 08 ГЧ)

Схема внешних соединений представляет собой совмещённые схемы электрических и трубных проводок. На схеме внешних соединений с помощью условных графических обозначений показаны отборные устройства, первичные приборы, исполнительные механизмы, соединительные коробки, короба, система управления, система ПАЗ, электрические провода и кабеля, импульсные, командные и питающие трубопроводы, запорная арматура, защитные заземления систем автоматизации. Схема соединений электрических и трубных проводок составлена на основе функциональной и структурной схем.

В верхней части чертежа размещают сгруппированные по параметрам или системам регулирования монтажные символы приемных и отборных устройств, регулирующих органов. Над ними проводят поясняющие надписи.

В нижней части чертежа в виде прямоугольников размещают щиты и пульты управления. Общий щит питания запитывается переменным напряжением 380 В, силовым кабелем АВВГ 3х6 (ГОСТ 16442-80).

Для защиты от внешних воздействий, кабели прокладывают в металлических коробах, защитных трубах. Для исключения влияния электромагнитных, частотных наводок на кабели их экранируют, экран заземляется.

Шкаф РСУ CENTUM CS 3000, шкаф ПАЗ CENTUM CS 3000, информационно-командная станция питаются переменным напряжением 220 В, которое подводится от общего щита силовым кабелем АВВГ 3х4 (ГОСТ 16442-80).

От датчиков давления, расхода и уровня, установленных по месту, выходит стандартный токовый сигнал 4 - 20 мА, который заводится на клеммник клеммной коробки КП 24-16,12 кабелем МКЭШВ или КВВГЭ 2х2х1,5 (ТУ 16.К13-027-2001), а далее с клеммной коробки многожильным кабелем КВВГЭ 19х2х1,5 (ТУ 16.К13-027-2001) они вводится в короб 150х150x2500 (ТУ36.21.22.001-86) и по коробу заводятся в операторное помещение. После короба сигналы контрольным кабелем МКЭШВ 10х2х1 (ТУ 16.К13-027-2001) поступают на станцию управления участком, где производится непосредственно разводка по модулям ввода/вывода.Связь шкафа РСУ CENTUM CS 3000 с информационно-командной станцией осуществляется с помощью кабеля V-net сети YCB111.

Все импульсные проводки выполнены из стальных бесшовных труб 14х2 (ГОСТ 9941-81).

Для облегчения монтажа и демонтажа, а также для проверки работоспособности измерительных преобразователей на импульсные линии установлены запорные шаровые вентили 14нж12 (ГОСТ 4627-81). Воздух на пневмопитание клапанов с давлением 2,5 кгс/см2 подается по медной трубе М3 - М8х1 (ГОСТ 8734-75).

Заземление всех устройств имеющие токопроводящие поверхности выполнено согласно установленным нормам и ГОСТам стальной полосой 20х4 (ГОСТ 107-74).

3.5 Описание фрагмента плана трасс (Лист №4 ДП 220301 020 08 ГЧ)

Для удобства монтажа разрабатывается план расположения средств автоматизации и трасс, представляющий собой схематичное изображение установки, операторной и первичных измерительных преобразователей, их расположение относительно технологического оборудования. Все приборы и трассы находятся на определенных уровнях, что обеспечивает удобство и компактность монтажа. На схеме указывается высота этих уровней (отметка), на которой расположены приборы, кабеля, соединительные коробки и позиции приборов. На чертеже указываются отметки, позволяющие определить необходимую длину кабеля, чтобы проложить его от датчиков до соединительных коробок.

На фрагменте плана трасс показаны: контуры операторной с указанием расположения аппаратных средств, рабочего места оператора, подвода кабельной трассы; расположение технологического оборудования с обозначением осей и рядов строительных колонн; места установки первичных приборов и отборов, исполнительных устройств, соединительных коробок, коробов, расположенных на технологическом оборудовании и трубопроводах; условное изображение электрических и трубных проводок; условное изображение проходов проводок через стены и перекрытия зданий и сооружений; перечень монтажных материалов, изделий, конструкций.

Сигналы от датчиков температуры, от вихревых расходомеров и датчиков перепада давления с помощью контрольных кабелей КВВГЭ 2х2х1,5 сигналы поступают сначала в клеммную коробку, затем в короб контрольным кабелем КВВГЭ 19х2х1,5. Из короба контрольным кабелем КВВГЭ 19х2х1,5 сигналы передаются в операторную непосредственно в кроссовый шкаф РСУ CENTUM CS 3000.

На плане трасс также показана прокладка кабелей V-net YCB111 от шкафа РСУ до станций управления (HIS) и кабелей V-net YCB141, находящихся в машинном зале АСУ ТП.

План операторной выполнен в масштабе 1:50. План трасс изображен в масштабе 1:150.

Вся нумерация кабелей и соединительных коробок соответствует нумерации на схеме внешних и трубных проводок.

Данный чертеж разрабатывается на основе функциональной схемы автоматизации и схемы внешних проводок

3.6 Описание схемы измерительных цепей (Лист №5 ДП 220301 020 08 ГЧ)

Для разработки данной схемы необходимы функциональная схема автоматизации, схема внешних электрических и трубных проводок и структурная схема.

На схеме измерительных цепей в виде графических изображений показаны контуры регулирования температуры с коррекцией по расходу, уровня, контур контроля температуры.

На чертеже наглядно представлена связь полевого оборудования (датчики и исполнительные механизмы, и соединительные коробки), с указанием кабельной продукции типа КВВГЭ 19x1,5 и помещения управления, в виде указания кроссового шкафа, модулей ввода-вывода и модулей управления.

Рассмотрим пример контура регулирования. Аналоговый сигнал 4¸20 мА от датчика уровня проходит через кроссовый шкаф и поступает на вход РСУ. РСУ обрабатывает сигнал и выдает на выход управляющее воздействие в соответствии с отклонением переменной процесса от задания регулирования. Управляющее воздействие в виде 4¸20 мА проходит через кроссовый шкаф и поступает на позиционер клапана, который открывает или закрывает клапан в зависимости от управляющего воздействия.

4. Математическое обеспечение(Лист №7 ДП 220301 020 08 ГЧ)

.1 Построение математической модели

Рис. 2 Цифровая АСР температуры

FW, FR - каналы внесения в объект возмущающих воздействий.

РО - регулирующий орган.

Объектом регулирования является верх колонны, в которой поддерживается заданное значение температуры на контрольной тарелке, посредством регулирования расхода флегмы, подаваемой на верх колонну. Объект подвержен воздействию возмущений (FR), идущих со стороны регулирующего органа и по расходу поступающего на переработку сырья (FW), которые вызывают отклонение температуры от заданного значения.

По каналу возмущения снята переходная характеристика при ступенчатом перемещении регулирующего органа на 10 % хода. Кривая переходного процесса представлена на рис. 4.2.

Рис. 3 Кривая разгона

Передаточная функция объекта по каналу возмущения:

(2)

где Тв1; Тв2; kв - соответствующие постоянные времени, коэффициент передачи по каналу возмущения.

Требования к качеству работы АСР:

1) динамическая ошибка регулирования DQмах,з<6 oC;

2) время регулирования Трег£ 45,0 мин.;

3) степень затухания переходного процесса yз= 0,9;

4) остаточное отклонение регулируемого параметра DQст,з= 0

Требуется:

1) построить математическую модель объекта по его переходной характеристике;

2) найти оптимальные значения настроечных параметров цифровых регуляторов при степени колебательности m = 0,366 и следующих значениях времени такта квантования: Tkw = 0,5 мин: 1,0 мин: 2,0 мин;

3) построить переходные процессы при нанесении следующих воздействий:

по каналу управления (U) - изменением задания регулятору на 10C по каналу возмущения (FW) - изменением расхода сырья на 5 м3/ч;

по каналу регулирующего органа (FR) - изменением расхода флегмы, которое по своему действию эквивалентно перемещению регулирующего органа на 10 % хода;

4) оценить качество работы цифровой АСР при различных значениях времени такта квантования и различных настройках регуляторов;

5) выбрать регулятор (алгоритм цифрового регулирования) и значения его настроечных параметров, которые обеспечивают заданное качество процесса регулирования при минимальных затратах на управление (при возможно большем времени такта квантования и более простом регуляторе).

4.2 Расчет и исследование автоматическиой системы регулирования

Задача построения математической модели включает в себя несколько этапов:

выбор аппроксимирующей передаточной функции, дающей приемлемую модель объекта для проектирования АСР с типовыми регуляторами;

определение параметров модели, обеспечивающих совпадение аппроксимируемой и аппроксимирующих переходных характеристик согласно выбранному критерию приближения;

- оценка точности аппроксимации.

Разработано большое количество методов аппроксимации экспериментальных данных отличающихся друг от друга структурой модели, критериями приближения, особенностью выполнения расчётов. Можно применить хорошо зарекомендовавший себя метод, согласно которому, передаточная функция модели пишется в виде:

(3)

где: Т1, T2, k, t - соответствующие постоянные времени, коэффициент передачи, запаздывание.

n - показывает определяющий порядок знаменателя передаточной функции.

Критерием приближения (адекватности) является требование совпадения аппроксимируемой h (t) и аппроксимирующей ha (t) характеристик в точках: t = 0, t = ¥ и в точке перегиба. Кроме того, в точке перегиба эти характеристики должны иметь одинаковый наклон.

Таким образом, критерий приближения имеет следующий вид:

(4)

Для определения производной h’(t) переходной характеристики h (t) в точке, где эта характеристика имеет максимальный наклон, проводится касательная и определяется длина отрезка Т0 заключённого между точкой этой касательной с горизонтальной осью (абсцисс) и линией нового установившегося значения характеристики, то есть с линией hуст. Приняв значение: , критерий приближённости можно переписать следующим образом:

(5)

Это условие позволяет найти численные значения постоянной времени Тi, величину tп.а и запаздывание t=tп-tп.а аппроксимируемой передаточной функции.

Определение параметров модели

Нормируется кривая разгона

Рис. 4 График переходной функции

По переходной характеристике определяются исходные данные для аппроксимации:

·   установившееся значение переходной характеристики hуст=1;

·   значение в точке перегиба h(tп)=0,29;

·   время точки перегиба tп=4,79;

·   время регулирования T0=6,9.

По полученным данным определяются значение коэффициента  (b=0,29), и величина n, определяющую порядок аппроксимации передаточной функции. С учётом полученных данных n=2.

Расчёт параметров удобно производить при помощи номограммы на рис. 5

Рис.5 Номограмма для определения параметров модели

где F - величина возмущающего воздействия, выраженная в % хода регулирующего органа; k - выражена в [ед. измерения 0С / (м3/ч)]:

Определённые значения сведены в таблицу 1.

Таблица 1 - Значения параметров апроксимируемой функции

Параметр

Значение

Параметр

Значение

T0

6,9

K

1

Т1/Т0

0,482

Т1

3,33

Т2/Т1

0,35

Т2

1,16

tпа/Т1

0,985

Tпа

3,28

t

1,51

F

10%


Подставив в формулу

(7)

полученные значения, записывается следующее аппроксимирующее уравнение по каналу температуры:

(8)

Оценка точности аппроксимации. Полученная формула проверяется на точность аппроксимации. При проверке аппроксимируемая функция имеет следующий вид:

(9)

где: К, t - коэффициент передачи и запаздывание объекта по каналу регулирования;

Т - постоянная времени объекта (Т0);

a1, a2 - коэффициенты (0<a1, a2<1);, n2, n3 - показатели степеней сомножителей знаменателя выражения (15); n1>1; n2, n3>0.

Используя данные таблицы 1 и приняв в расчёте величину возмущающего воздействия по каналу регулирования равным 10 % хода регулирующего органа строится график для аппроксимированной и аппроксимирующих кривых.

Рис.6 Аппроксимируемая (2) и аппроксимирующая (1) кривые

Цифровые АСР. Расчет оптимальных настроечных параметров. Все современные системы управления цифровые. Ввиду широкого распространения микропроцессорных систем автоматического регулирования химической технологий возникла необходимость в умении рассчитывать эти системы

Представлена модель цифровой автоматической системы:

Рис. 7 Модель цифровой системы

В АЦП осуществляется преобразование непрерывного сигнала U(t), y(t) в дискретную последовательность чисел U(lt) и y(lt), где lt - дискретное время, t - такт квантования, l - номер такта квантования. При исследовании систем с цифровым регулятором перейдём от функциональной схемы к модели цифровой системы.

В модели АЦП заменяют дельта импульсными модуляторами, а ЦАП входит как демодулятор. Демодулятор - объект образуют приведённую непрерывную часть системы с передаточной функцией:

Wпнч=Wдн*Wm.,(10)

Дельта импульсные модуляторы осуществляют преобразование сигналов U(t) и y(t) в синхронные импульсные последовательности U*(t) и y*(t) в соответствии со следующими формулами:

(11)

где U*(t) и y*(t) - модели сигналов.

Структурная схема может быть представлена к расчётной.

Рис.8 Расчётная схема цифровой АСР

Расчётная схема состоит из дискретного регулятора W* и дискретного объекта с передаточной функцией W*пнч(р), а все сигналы представляются синхронной последовательностью моделированных d импульсов. Передаточная функция разомкнутой цифровой АСР запишется в виде:

(12)

Передаточная функция дискретной системы связана с передаточной функцией её непрерывной части следующим соотношением:

(13)

где wкв=2p/Т - частота квантования в дискретной АСР,

Т - время такта квантования.

С учётом этого передаточная функция разомкнутой дискретной системы запишется в виде:

 (14)

Алгоритмы вычисленных устройств цифровых регуляторов. Вычислительные устройства цифровых регуляторов реализуют следующие унифицированные законы регулирования:

1) пропорциональный (П-закон)

m(lT)=k1e(lT) (15)

2) интегральный (И-закон)

 (16)

3) пропорционально-интегральный (ПИ-закон)

(17)

4) пропорционально-интегральный с воздействием по производной (ПИД-закон)

(18)

Параметры настройки регуляторов: коэффициенты k1, k2, k3 и время такта (период) квантования T. Ниже приводятся соотношения, связывающие соответствующие параметры настройки дискретных и непрерывных регуляторов:

k1=kр, (19)/Т=kр/Ти,(20)Т=kрТg(21)

где: Kр - коэффициент передачи непрерывного ПИД-регулятора,

Ти - время изодрома,

Тg - время предварения.

Передаточные функции вычислительных устройств цифровых регуляторов, определенные в смысле дискретного преобразования Лапласа, имеют вид:

Таблица 6 - Алгоритм цифровых регуляторов

Регулятор

Передаточная функция W*p(р)

П

К1

И

К2/[1-exp(-pT)]

ПИ

К1+К2/[1-exp(-pT)]

ПИД

К1+К2/[1-exp(-pT)]+К3[1-exp(-pT)]


Запас устойчивости систем с цифровыми регуляторами. Оценка запаса устойчивости может проводиться с помощью корневого и частотного показателей колебательности. Примем к рассмотрению способ оценки запаса устойчивости по распределению корней характеристического уравнения замкнутой системы, который позволяет легко и просто выполнить вычисления на ЭВМ, границы заданного запаса устойчивости в пространстве параметров настройки регулятора по соотношениям, получающиеся из условия:

(22)

где m - заданный корневой показатель затухания свободных колебаний.

При этом частота меняется в пределах от w =0 до w =p/Т, а из бесконечно большого числа решений уравнения выбирается только одно, соответствующее минимальному w. Подставив в выражения с учетом, получим:

(23)

Вводится обозначение:

(24)

Тогда соотношение можно привести к виду:

(25)

Комплексные функции переменной w в соотношении распишем в виде суммы действительной и мнимой частей

jwT=coswT-jsinwT,(26)* m(m,jw)=½W* m(m,jw)½*[cosF* (m,w)+jsinF*(m,w)]; (27)

где: ½W*m(m,jw)½, F* (m,w) - модуль и фаза расширенной комплексной частотной характеристики эквивалентного дискретного объекта.

Записав полученное равенство в виде системы двух уравнений (одно - для действительной, другое - для мнимой части равенства) и решив эту систему относительно параметров К1 и К2, получится:

(28)

Пространство параметров настройки цифрового ПИД - регулятора четырехмерно. Задаваясь конкретными значениями параметров Т и К3, можно в плоскости параметров К1, К2 построить параметрическую кривую. Область, ограниченная этой кривой и прямыми К1=0 и К2=0, является областью заданного запаса устойчивости для выбранных значений Т и К3.

Расчет оптимальных настроечных параметров.Расчитываются оптимальные настройки цифровых регуляторов методом расширенных частотных характеристик и проводится в два этапа.

На первом этапе производится расчёт и построение в плоскости параметров настроек регулятора линии равной степени колебательности (m=const), на втором этапе определяется в области заданного запаса устойчивости точки, обеспечивающие наилучшее качество регулирования. Линия равной степени колебательности m=const строится в плоскости параметров К1 и К2, определяемые по формулам.

Задавшись значением периода квантования с учётом рекомендации Т=0.01 Т95¸0.1 Т0.

Задавшись значением параметра К3=0 построим в плоскости параметров К1, К2 по уравнению линию m=mЗ. При расчёте выбирается значение степени колебательности m из диапазона 0.221<m<0.366, что обеспечит степень затухания наиболее колебательной составляющей переходного процесса в пределах 0.75<y<0.9.

Применяется в качестве оптимальных такие значения настроек ПИ- и ПИД-регулятора, при которых система обладает запасом устойчивости не ниже заданного (m>mЗ) и коэффициент при интегральной составляющей в законе интегрирования имеет максимальную величину (К2=max). Для нахождения оптимальных настроек К1(0), К2(0), при заданных Т и К3 достаточно определить точку максимума линии m=mЗ.

По определённым оптимальным настройкам К1(0), К2(0), при условии К3=0, задаёмся значением параметра К3 из диапазона:  строится в плоскости параметров К1, К2 новую линию m=mЗ и определяются новые значения оптимальных настроечных параметров.

Задаваясь рядом других значений периода квантования Т из диапазона Т=0.01Т95¸0.1Т0 и определяется для них оптимальные настройки.

Вычисление расширенной комплексной частотной характеристики эквивалентного объекта произведён по формуле:

 (29)

Рис. 9 Область заданного запаса устойчивости при К3=соnst и различных значениях времени квантования

Рис. 10 Область заданного запаса устойчивости при TKW=const и различных значениях настроечного параметра К3

Расчёт переходных процессов в цифровых АСР.Для синтеза АСР с заданными показателями качества работы необходимо построить переходные процессы параметров настройки и принять в качестве оптимальных, то есть, при которых выполняются условия в исходных данных для расчёта.

Структурная схема моделирования системы с цифровым ПИД-регулятором приведена на рис. 11

Рис. 11 Структурная схема моделируемой ЦАСР

Объект по каналу регулирования имеет передаточную функцию, по каналу возмущения передаточная функция имеет вид:

(30)

ПИД-регулятор в соответствии с его передаточной функцией представлен в виде трёх параллельно соединенных операторов. Для решения системы дифференциальных уравнений используется метод Рунге-Кутта второго порядка.

Графики переходных процессов, приведенные на рисунках 4.12, 4.13, 4.14, 4.15, 4.16, 4.17, 4.18, 4.19 и 4.20, наглядно иллюстрируют влияние на качество регулирования величины такта квантования и дифференцирующей составляющей K3 в ПИД-законе регулирования регулятора.

Рис. 12 К определению величин Δθ max , Δθ1 max ,Тр , =(0.03 - 0.05) Δθ max

Рис. 13 Переходный процесс при времени квантования const=0.5 и меняющемся К3 и изменении внешнего воздействия (FW=5)

Рис. 14 Переходный процесс при времени квантования const=1 и меняющемся К3 и изменении внешнего воздействия (FW=5)

Рис. 15 Переходный процесс при времени квантования const=2 и меняющемся К3 и изменении внешнего воздействия (FW=5)

Рис. 16 Переходный процесс при времени квантования const=0.5 и меняющемся К3 и изменении задания регулятора (U=1)

Рис. 17 Переходный процесс при времени квантования const=1 и меняющемся К3 и изменении задания регулятора (U=1).

Рис. 18 Переходный процесс при времени квантования const=2 и меняющемся К3 и изменении задания регулятора (U=1).

Рис. 19 Переходный процесс при времени такта квантования const= 0,5 и при изменений задания регулятора на 10%.

Рис. 20 Переходный процесс при времени такта квантования const= 1 при изменений задания регулятора на 10%

Рис. 21 Переходный процесс при времени такта квантования const= 2 при изменений задания регулятора на 10%

Таблица 6 - Сводные данные по расчёту

Период квантования, TKW

Настройки регулятора

Воздействие



U=1

FW=5

FR=10


K1

K2

K3

DQmax

DQ1max

Tp

DQmax

Tp

DQmax

DQ1max

0.5

0,796

0,123

0

1,324

1,041

31,5

2,56

38,2

5,55

0,43

39,6


1,08

0,157

1,288

1,337

1,038

27,7

2,265

34,8

4,94

0,41

36


1,29

0,196

2,576

1,33

1,04

25,5

1,975

32,1

4,48

0,4

33,9

1

0,699

0,228

0

1,32

1,038

32,9

2,66

39,5

5,72

0,44

41,2


0,918

0,281

0,536

1,342

1,03

29,1

2,46

36,3

5,29

0,41

37,5


1,06

0,341

1,072

1,356

1,045

27,3

2,231

34,4

4,93

0,46

35,8

2

0,572

0,404

0

1,305

1,04

35

2,835

42,2

5,99

0,48

44,2


0,672

0,474

0,203

1,35

1,032

32,6

2,69

39,7

5,78

0,49

41,1


0,758

0,553

0,405

1,39

1,043

30

2,582

37,8

5,57

0,58

39


Обозначения, принятые в таблице 3:

Δθ max , Δθ1 max - амплитуды первого и второго полупериодов колебаний;

Тр - время регулирования;

Из анализа результатов, приведённых в таблице 8, можно сделать следующие выводы:

1) Увеличение времени такта квантования в данной АСР до величины Тkw=0,5 практически не влияет на качество показателей процесса регулирования. Динамическая ошибка DQmax и времени регулирования Тр увеличивается не значительно.

2) Увеличение Тkw эквивалентно увеличению транспортного запаздывания в системе, отрицательно влияет на устойчивость и качества работы системы. Поэтому дальнейшее увеличение времени Тkw приводит к ухудшению показателей качества регулирования.

3) Введение дифференцирующей составляющей в законе регулирования регулятора наиболее эффективно при небольших значениях такта квантования. Увеличение времени такта квантования снижает влияние К3 на динамическую точность и быстродействие работы АСР.

Согласно данным ( см. табл. 3) требуемые значения показателей качества работы ЦАСР могут быть обеспечены при настройках ПИД-регулятора.

За оптимальные принимаются те, которые обеспечивают заданное качество регулирования при возможно большем значении времени такта квантования, т.е. при наименьших затратах на управление.

В качестве оптимальных выбираются следующие значение настроечных параметров: К1=1,06; К2=0,341; К3=1,072 Тkw=1

При этом динамическая ошибка регулирования:

DQmax= 4,92 < DQmax.з = 6 0С.

Время регулирования Тр = 27,3 мин < Тр.з = 45 мин.

Степень затухания переходных процессов:

1) По каналу управления y=(0,356 - 0,045) / 0,356=0,874;

2) По каналу регулирующего органа y=(4,93 - 0,46 ) / 4,93= 0,907

3) Величина статической ошибки DQст = 0.

Рассчитанная АСР удовлетворяет требуемым показателям качества работы: динамическая ошибка и время регулирования не превышает заданных (допустимых) значений. Степень затухания y переходных процессов близка к расчётной. Статическая ошибка регулирования при исследовании ПИД-регулятора равна нулю.

5. Надежность системы управления

Повышение мощности, расширение функций, выполняемых автоматикой, интенсификация производственных процессов усугубляют последствия отказов АСУТП. Выход из строя таких систем может привести к значительному экономическому ущербу, снижению производительности труда, потерям энергии и целевых продуктов, авариям на производстве. На эффективность работы производства влияют показатели точности управления и метрологические показатели. Взаимосвязь надежности и эффективности (особенно после отказов, вызывающих ухудшение характеристик технологического процесса) должна рассматриваться в последовательности «отказ - изменение показателей точности управления и метрологических показателей - изменение технологических показателей эффективности - изменение экономических показателей эффективности». Установление связи между надежностью и эффективностью является одним из основных вопросов, возникающих при исследовании надежности любых сложных систем, включая и АСУТП, так как уровень надежности в значительной степени определяет эффективность функционирования производства.

Установление и достижение требуемого уровня надежности разрабатываемых и эксплуатируемых АСУТП является важной задачей при создании систем, решение которой требует проведение специального комплекса работ, выполняемых на различных стадиях разработки и функционирования АСУТП. Сложность решения такой задачи также заключается в том, что системы управления ТОУ химической технологии относятся к многофункциональным, в их состав входят многочисленные технические устройства и оперативный персонал.

Надежность АСОИУ при внезапных отказах характеризуется количественной характеристикой - интенсивностью отказов. Отказ - это событие, после которого система полностью или частично перестает выполнять свои функции. Причинами отказа могут быть естественные процессы изнашивания и старения, а также дефекты, возникающие при изготовлении, монтаже, ремонте системы, нарушении правил и норм эксплуатации.

Интенсивность отказов - это отношение числа отказавших изделий в единицу времени, к среднему числу изделий, продолжающих безотказно работать:

, час−1

Где n(t) - число отказавших элементов в интервале;

− среднее число исправно работающих элементов;− число безотказно работающих элементов в начале интервала времени Δt;

Nk − число безотказно работающих элементов в конце интервала времени Δt.

В процессе разработки, проектирования, внедрения и промышленной эксплуатации системы управления должен быть установлен и обеспечен оптимальный уровень надежности как системы в целом, так и отдельных ее компонентов. Оптимальность выбора уровня надежности подразумевает, что необоснованно завышенный уровень надежности приводит к излишним затратам, а низкий уровень надежности снижает эффективность использования системы. Последствиями низкого уровня являются нарушения технологического режима, недовыпуск целевых продуктов, аварии, взрывы, а также увеличение затрат на ремонт системы. В отдельных случаях низкий уровень надежности системы может свести ее эффективность к нулю или даже сделать отрицательной (т.е. затраты будут выше экономического эффекта).

.1 Расчет показателей безотказности

Для выполнения даже элементарных функций управления требуется несколько последовательно установленных устройств с надежными характеристиками. Рассмотрим управляющий канал, изображенный на рис.21, и определим вероятность его безотказной работы.

В качестве заданного времени безотказной работы t возьмем период в 1 год (8760 часов), что соответствует времени между двумя последовательными капитальными ремонтами.

Рис. 21 Управляющий канал

Вероятность безотказной работы представленного канала определяется как произведение вероятностей безотказной работы всех устройств, входящих в его состав и линий связи между устройствами:

Pук = РEJA × PASI133H ×(2 × PAFF50D - PAFF50D2) × PASI533H ×РVP200 × РКВД × РЛС3× РЛСД2,

где

РEJA − вероятность безотказной работы датчика избыточного давления EJA530-EDH7N-012NN;

PASI133H − вероятность безотказной работы модуля ввода аналоговых сигналов ASI133H (со встроенным барьером искробезопасности);

РAFF50D − вероятность безотказной работы управляющего модуля,

PASI533H − вероятность безотказной работы модуля вывода аналоговых сигналов ASI533H (со встроенным барьером искробезопасности);

РVP200 − вероятность безотказной работы э/п позиционера VP200;

РКВД − вероятность безотказной работы клапана высокого давления;

РЛС− вероятность безотказной работы соединительного провода;

РЛСД− вероятность безотказной работы дублированной ESB-шины;

Рассчитаем надежность спроектированной системы.

Исходные данные для расчета приведены в таблице 7

Таблица 7 - Исходные данные

Устройство

Наработка на отказ, час

1

Датчик давления EJA530A

135 000

2

Модуль аналогового ввода

98 000

3

Управляющий модуль

150 000

4

Модуль аналогового вывода

108 000

5

Э/п позиционер VP 200

85 000

6

Исполнительный механизм (клапан)

95 000

7

Соединительный провод

650 000

8

Дублированная ESB-шина

1 500 000


Вероятность безотказной работы до момента времени t:

,

где - интенсивность отказов устройств.

Рассчитаем вероятность безотказной работы в течении 1 года представленной цепочки:


Выбранный срок 1 год соответствует срокам проведения технического обслуживания и ремонта, в течение которого будет проведена профилактика и тестирование оборудования.

Преобразовав выражение для вероятности безотказной работы, получим:


Среднее время безотказной работы управляющей цепи:


Таким образом, измерительные и управляющие каналы обладают относительно высокими показателями надежности, хотя и не исключают возможности применения дополнительных средств и методов повышения надежности как системы в целом, так и ее отдельных компонентов.

5.2 Методы повышения надежности систем управления

Основными методами повышения надежности являются резервирование (избыточность), предусмотренное на стадии разработки, а также качественное техническое обслуживание и ремонт на стадии эксплуатации.

Под резервированием понимается способ повышения надежности путем включения в состав системы резервных единиц, способных в случае отказа основного блока взять на себя его функции.

Резервирование позволяет поддерживать надежность системы в целом выше надежности отдельных подсистем и устройств. Резервирование может быть общим (параллельное включение идентичной системы) или раздельным (резервирование отдельных элементов системы).

Различают функциональное и структурное резервирование. Первое достигается введением в систему родственных взаимодополняющих функций (аналоговой и цифровой регистрации, ручного и дистанционного управления, контроля с помощью приборов и на мониторе и т.д.).

Структурное резервирование предусматривает параллельную установку устройств при выполнении наиболее важных функций управления. Различают следующие виды структурного резервирования: автоматическое включение резервных устройств при отказе рабочих (“горячее” резервирование), включение заранее смонтированного резервного устройства за счет изменения коммутационных связей (“холодное” резервирование), демонтаж неисправного устройства и замена его резервным.

Так же предлагаемые мною средства измерения имеют более высокую надежность, более высокий температурный класс.

6. БЕЗОПАСНОСТЬ ЖИЗНЕДЕЯТЕЛЬНОСТИ

.1 Характеристика проектируемого объекта

 

В данном дипломном проекте рассматривается процесс переработки газового конденсата. Целью проекта является обеспечение блока обессоливания и обезвоживания углеводородов средствами автоматизации и управления.

Перерабатываемый на установке газовый конденсат и получаемые из него нефтепродукты (легкие углеводороды, бензин, дизельное топливо, мазут) являются отравляющими веществами и оказывают на организм человека наркотическое и раздражающее воздействие, при длительном воздействии поражают сосудистую и центральную нервную систему.

В данном процессе работа аппаратов происходит под давлением достигающим 4 МПа, температура в кубе колонны К-3 достигает 360 оС, температура отбензиненной нефти после печи П-1 достигает 380 оС, а на перевале печи - 1100 оС. Завышение давления в аппаратах ведет к созданию угрозы разрыва аппаратов и трубопроводов с возможным последующим загоранием и взрывом.

Потенциальные опасности производства также связаны с применением электрооборудования с рабочим напряжением до 380 В. В операторной возможно воздействие электрического тока, электромагнитного и электростатического полей, действие шума и вибрации на персонал из-за расположения в нем видеодисплейных терминалов (ВДТ), персональных электронно-вычислительных машин (ПЭВМ), вентиляторов, кондиционеров, принтеров и электрооборудования.

В технологическом процессе используются и получаются вещества, обладающие диэлектрическими свойствами, что способствует возникновению электрических зарядов статического электричества.

Физико-химические и пожароопасные свойства продуктов производства обуславливается токсичностью применяемых и получаемых веществ, характером воздействия их на организм человека. Все применяемые и получаемые продукты относятся к вредным веществам.

Газовый конденсат - жидкая горючая жидкость, легче воды. Плотность при 20 оС: 780 кг/м3. Воспламенение или взрыв при взаимодействии с водой и с кислородом невозможно. Температура вспышки: <0 оС. Не растворяется в воде.

Бензин - продукт переработки газового конденсата, жидкость прозрачного цвета, представляет собой смесь фракции углеводородов 90-140 оС. Состояние среды: 6,5-8,5 рН. Плотность при 20оС: 715-760 кг/м3. Температура начала кипения: не выше 45 оС.

Дизельное топливо - продукт переработки нефти. Горючая жидкость, малотоксичная. Плотность при 20 оС:<815 кг/м3. Кинематическая вязкость: 1,8 - 5,0 сст.

Мазут - продукт переработки нефти, вязкое вещество темного цвета. Кинематическая вязкость при 80 оС: 118 сст. Теплота сгорания: 9680 Ккал/кг. Плотность при 20 оС: 881 кг/м3.

Легкие углеводороды - продукт переработки нефти, газы, получаемые при нагревании нефти с температурой кипения не выше 25 оС.

Ингибитор коррозии - вязкая жидкость от желтого до темно-коричневого цвета. Полное смешение с топливом. Защитное средство не менее 85 %. Температура застывания не выше минус 20оС.

Керосин - прозрачная жидкость без механических примесей. Плотность при 20 оС: 0.79 кг/м3. Температура замерзания: минус 65 оС. Температура вспышки -2800С. Состояние среды: 7,5-9,0 рН.



Таблица 8 - Физические свойства веществ

Вещества

Агрегатное состояние

Растворимость в воде

Плотность кг/м3

Газовый конденсат

Жидкость

нет

<773.5

Бензин

Жидкость

Нет

715-760

Дизельное топливо

Жидкость

Нет

<815

Мазут

Жидкость

Нет

<881

Легкие углеводороды

Газ

Нет

541.8 при Р=1МПа

Ингибитор

Жидкость

Нет

0.94

Керосин

Жидкость

Нет

0.79


Таблица 9 - Горючие свойства веществ

 Вещество

Температура, °С

Концентрационный предел распространения пламени


Вспышки

Воспламенения

Самовоспламе-нения

Нижний % об

Верхний % об

Газовый конденсат

<0

-

>380

1.4

8

Бензин

-27-29

-

255-370

1

6

Дизельное топливо

61

-

300

-

-

Мазут

127

-

350

1.4

8

Легкие углеводороды

-69

-

405

1.8

9.1

Ингибитор

-

490

447

1

7

Керосин

28-33

250-295

380

0.7

7.5


Все применяемые и получаемые продукты характеризуются вредным воздействием на организм человека, при больших концентрациях вызывают острые отравления, а при длительном воздействии - хронические заболевания. При отравлении они оказывают наркотическое воздействие, раздражают слизистые оболочки тела, кожу, а при длительном пребывании в зоне загазованности действуют на нервную и сердечно-сосудистую системы, могут явиться причиной смертельного исхода.

Газовый конденсат оказывает наркотическое действие из-за содержания углеводородов.

Вдыхание больших количеств паров бензина вызывает острое отравление, приводящее к потере сознания и даже смерти. Длительное вдыхание паров и газов углеводородов при малом содержании их в воздухе приводит к хроническим заболеваниям (неврастения, дерматит, экзема). Бензин, попадая на кожу, обезжиривает кожный покров, при длительном соприкосновении с бензином возможны кожные заболевания, появления сухости кожи, трещины, раздражения.

Мазут вызывает отравления и кожные поражения.

Дизтопливо раздражает слизистую оболочку человека.

Керосиновая фракция- наркотик, раздражает и вызывает нервные расстройства.

Бензин также оказывает наркотическое воздействие, при больших концентрациях молниеносное отравление, которое может привести к летальному исходу.

Ингибитор коррозии обладает обще токсичным действием, вызывает раздражение слизистой оболочки верхних дыхательных путей.

Сероводород в смеси с углеводородами - бесцветный газ с запахом тухлых яиц. Сероводород сильный яд, действует на нервную систему, оказывает вредное действие на слизистые оболочки глаз. При концентрации сероводорода в воздухе свыше 1000 мг/м3 - отравление со смертельным исходом.

Эти продукты обладают средними температурами вспышки, воспламенения и самовоспламенения, а также неширокими пределами взрываемости.

Вещества, применяемые в процессе, характеризуются как легковоспламеняющиеся жидкости с характерным запахом. Класс опасности (в соответствии с ГОСТ 12.1.005-96) 4.

Таблица 10 - Предельно допустимые концентрации и класс опасности продуктов

Вещество

ПДК, мг/м3

Класс опасности согласно ГОСТ 12.1005-88

Газовый конденсат

300

4

Бензин

300

4

Дизтопливо

300

4

Мазут

300

4

Легкие углеводороды

300

4

Ингибитор

1

2

Керосин

300

4


На основании пожаро- и взрывоопасных характеристик материалов дается категория производства по взрывной, взрывопожароопасной или пожарной опасности согласно НПБ 105-03: наружная установка на основании взрывопожароопасных характеристик материалов согласно ПУЭ относится к В-1г классу помещений характеризующие наружные установки, содержащие взрывоопасные газы, пары, ГЖ и ЛВЖ, класс пожароопасности для помещения операторной устанавливаем П-IIа, так как имеются твердые горючие вещества, на основании ПБ 09.170-97 данное производство относится к I категории.

Производственный процесс переработки газового конденсата является источником шума и вибрации. В операторной источниками шума являются кондиционеры, ртутные лампы дневного света, на наружной установке - насосы и система трубопроводов, работающих под давлением.

Допустимые уровни шума на рабочем месте согласно ГОСТ 12.1.003-96, СН № 3223-96 приведены в таблице.

Таблица 11 - Допустимые уровни шума на рабочем месте

Рабочие места

Уровни звука и эквивалентный уровень звука, дБА

Уровни звукового давления, дБ, в активных полосах средней частоты, Гц



31,5

63

125

250

500

1000

2000

4000

8000

Оператор-ная

65

93

70

68

58

55

52

50

49

Производствен-ные помещения и территория установки

80

107

95

87

82

78

75

73

71

69


Согласно ГОСТ 12.1.005-96 работы, связанные с обслуживанием приборов КИПиА, соответствуют работам средней тяжести и относятся к категории IIА - физические работы, связанные с постоянной ходьбой, выполняемые стоя или сидя за столом, при которых перенос тяжести не превышает 10 кг (172-232 Дж/с).

Нормы вибрации в производственных условиях согласно ГОСТ 12.1.012-97 приведены в таблице:

Таблица 12 -Допустимые корректированные и эквивалентные значения вибрации

Вид вибрации

Допустимый уровень виброскопии, дБ, в октавных полосах со среднегеометрическими частотами, Гц


1

2

4

8

16

31,5

63

125

250

500

1000

Технологические помещения

-

108

99

93

92

92

92

-

-

-

-

Производственные помещения, где нет машин, генерирующих вибрацию

-

100

91

85

84

84

84

-

-

-

-

Локальная вибрация

-

-

-

115

109

109

109

109

109

109

109


Оптимальные допустимые нормы температуры, относительной влажности и скорости движения воздуха в рабочей зоне производственных помещений выбираем для холодного и теплого периодов года согласно ГОСТ 12.1.005-96.

Таблица 13 - Допустимые нормы микроклимата операторного помещения

Период года

Температура 0С

Влажность воздуха %

Подвижность воздуха, м/с


Оптимальная

Допустимая

Оптимальная

Допустимая не более

Оптимальная

Допустимая не более

Холодный

18÷20

17÷23

40÷60

75

0,2

0,3

Теплый

21÷23

18÷27

40÷60

65 При t >260C

0,3

0,2÷0,4

 

Согласно СН 245-03 производство относится к I классу производственных процессов с санитарно-защитной зоной 1000 м.

Согласно СНиП 11-92-97 группа производственных процессов по санитарной характеристике относится к III, это производственный процесс с резко выраженными вредными условиями труда и связанный с загрязнением рабочей одежды. Поэтому предусмотрены следующие бытовые помещения: гардероб, душевые, комната для курения, комната для приема пищи и другое.

Автоматические устройства и средства вычислительной техники, реализующие функции управления, должны выбираться в рамках ГСП, с учетом сложности объекта и его пожаро- и взрывоопасности, агрессивности и токсичности окружающей среды, вида измеряемого технологического параметра и физико-химических свойств среды, дальности передачи сигналов от датчиков и исполнительных устройств до пунктов управления, требуемой точности и быстродействия, допустимой погрешности измерительных систем, места установки систем, требований правил установки электрооборудования.

Устройства контроля и управления фирмы YOKOGAWA по степени пожаро - и взрывоопасности относится к классу Г, датчики относятся к классу В. Новая система управления «CENTUM» соответствует требованиям норм взрывопожарной безопасности и имеет сертификаты Госстандарта РФ (в том числе на работу во взрывоопасных зонах).

Отсюда согласно класса помещения и наружной установки по ПУЭ мы устанавливаем на наружной установке приборы класса В, т.к. наружная установка относится к классу В-1г, а в операторной приборы класса Г т.к. операторная относится к классу П-IIа.

Приборы на наружной установке устанавливаются в специальные шкафы, в которые вводятся импульсные линии в защитной трубе, на импульсных линиях установлена запорная арматура. В операторную электропроводки входят в защитных трубах залитых компаундной массой для герметизации.

Импульсные линии приборов заполнены продуктами и обогреваются антифризом. Импульсные трубки выполнены из нержавеющей стали.

Забор воздушной среды производится службой ГСС два раза в сутки.

При запуске процесса действия персонала контролируются начальником смены, который использует разные измерительные приборы необходимые для ведения процесса, а также сигнализирующие приборы такие, как сигнализаторы загазованности и пламени.

Помещения КИП и машинный зал с ЭВМ удовлетворяют следующим требованиям: они расположены в изолированных от производства помещениях, и в них можно размещать электрическое оборудование КИП в нормальном исполнении, помещения расположены на втором этаже и под ними нет помещений категории А, Б, полы изготовлены из линолеума под цементной стяжкой, а стены покрыты несорбирующими материалами, помещения обеспечены естественным и искусственным освещением и предусмотрено аварийное освещение не менее 5% от рабочего, предусмотрено централизованное паровое отопление, имеется приточная вентиляция с кратностью не менее пяти, расположение операторной выбрано с учетом противопожарных требований, все приборы заземлены.

Расчет искусственных заземлителей.

Таблица 14 - Данные для расчета искусственного заземлителя

Наименование исходных данных

Численные значения

1

2

3

1

Длина заземлителя

l = 3 м

2

Диаметр заземлителя

d = 0.04 м

3

Глубина заложения в грунт

tT = 1 м

4

Удельное сопротивление грунта

r = 100 Ом∙м

5

Норма сорпротивления заземлителя

Rн = 10 Ом

6

Коэффициент экранирования

ηэ = 0.56

7

Ширина соединительной полосы

b = 0.08 м

8

Коэффициент использования соединительной полосы

ηn = 0.4

9

Фазовое напряжение

Uф = 220 В

10

Сопротивление изоляции

Rиз = 0.6∙106 Ом

1

2

3

11

Сопротивление человека

Rч = 1000 Ом

12

Расстояние между заземлителями

а = 2 м


Сопротивление одиночного заземлителя:

;

Ом

Необходимое количество заземлителей для снижения сопротивления до норм ПУЭ:

;

Длина стальной полосы, необходимая для соединения заземлителя в один контур:

;

м

Расчет сопротивления стальной полосы:

;

Ом

Сопротивление всего заземляющего устройства:

;

Ом

Величина тока, проходящая через тело человека, при прикосновении его к заземленному оборудованию и заземлителю, которые могут оказаться под напряжением:

 < 0.3 мА;

мА

.00033 мА < 0.3 мА

6.2 Производственная санитария

Безопасность производственного процесса обеспечивается согласно ГОСТ 12.3.002-97. Технологический процесс осуществляется в пригодных к ремонту колоннах. Всё технологическое оборудование вынесено на открытую площадку, основное оборудование расположено на нулевом уровне, вспомогательное на уровне 6 и 12 метров. Все процессы происходят в закрытых аппаратах, конструкция которых обеспечивает максимальную герметичность. Технологические трубопроводы соединены между собой при помощи фланцевых соединений. Насосы имеют двойное торцевое уплотнение и защиту по температуре, уровню и давлению в линии нагнетания, что позволяет своевременно обнаружить утечку продуктов.

Управление технологическими параметрами вынесено в отдельно стоящее здание, в котором размещено централизованное управление, осуществляемое по принципу дистанционного управления на программном уровне с использованием микропроцессорной техники и ЭВМ.

При работе на микропроцессорной техники и ЭВМ должны соблюдаться следующие требования для уровня ионизации воздуха помещений.

Таблица 15 - Таблица уровня ионизации воздуха помещений при работе с мониторами и ЭВМ

Уровни

Число ионов в см3 воздуха


n+

n-

Минимально необходимые

400

600

Оптимальные

1500-3000

3000-5000

Максимально допустимые

50000

50000


Все технические средства комплекса имеют искробезопасную цепь входов-выходов, датчики параметров, установленные непосредственно на установке выполнены во взрывозащищенном исполнении. Движущиеся и вращающиеся части машин и механизмов ограждены и окрашены предупредительной краской.

Для безопасного ведения технологического процесса, предотвращения аварийных ситуаций и несчастных случаев принимаются такие меры при эксплуатации производства как надежный контроль за процессом, строгое соблюдение норм технологического режима и рабочих инструкций. Автоматизация и дистанционное управление технологическим процессом. Герметизация оборудования. Система контроля и управления ТП, обеспечивающая защиту работающих аппаратчиков и аварийное отключение оборудования. Своевременное удаление и обезвреживание отходов производства, являющихся источниками опасных и вредных факторов. Ограждение движущихся частей механизмов и машин. Перила у обслуживающих площадок надежно закреплены и имеют высоту не менее 0,9 м с нижним бортом высотой не менее 0,14 м по всему периметру площадки. Вентиляционная система в цехе должна быть в исправном состоянии и постоянно находиться в работе. Все аппараты и трубопроводы с высокой температурой стенок имеют термоизоляцию. Для снижения коррозионной активности продуктов используемых в процессе в систему вводится нитрит натрия. При проливе химикатов их засыпают песком и выносят в специально отведенное место инструментом из материала, не дающего искру. На всех аппаратах с повышенным давлением установлены предохранителные клапаны. Освобождение аппаратов и трубопроводов от продуктов осуществляется в специальную подземную емкость. Сброс газов производится в факельную систему завода.

Предусматриваются коллективные меры защиты работающих: автоматизация производственных операций, максимальный вынос технологического оборудования на наружные установки, система опорожнения аппаратов закрытым способом при их подготовке к ремонту.

Приточная, вытяжная, приточно-вытяжная вентиляция производственных помещений. Аналитический контроль воздушной среды в производственных помещениях на содержание вредных веществ. Электрооборудование устанавливается во взрывозащищенном исполнении. При завышении ПДК углеводородов в воздухе рабочего помещения включается световая и звуковая сигнализация, сблокированная с включением аварийных вентиляторов. Бытовые и административные помещения размещены в отдельном корпусе. В целях уменьшения вибрации и шума вентиляторы устанавливаются в специальных камерах.

Для защиты от статического электричества предусмотрены такие меры как: заземление оборудования с помощью полосовой стали сечением 20х4 мм, заземляющие устройства для защиты от статического электричества объединяются с заземляющими устройствами для электрооборудования, спускники на линиях слива углеводородов в аппараты и емкости, вентиляционные короба заземлены в двух точках, осмотр и измерение электрических сопротивлений заземляющих устройств одновременно с проверкой заземления электрооборудования цеха в соответствии с ПТЭ и ПТБ электроустановок.

А также предусмотрены индивидуальные средства защиты работающих: спецодежда, каска, защитные очки, противогаз, респиратор, рукавицы, наушники. Для защиты органов дыхания от паров углеводородов применяются фильтрующие противогазы марки БКФ (СИЗОД-13) по ГОСТ 12.4.034-97. При работе внутри аппаратов, в колодцах применяются шланговые противогазы ПШ-1, ПШ-2 (ГОСТ 12.4.034-97).

6.3 Обеспечение безопасности технологического процесса

В соответствии с новыми стандартами операторное помещение и неотложные службы (КИП, АСУТП и др.) должны находиться во взравобезопасном помещении-бункере. Соответственно помещение операторной обеспечено только искусственным освещением, звукоизоляцией ограждающих конструкций, которая отвечает гигиеническим требованиям и обеспечивает нормирующие параметры шума, оборудовано системами отопления, кондиционирования воздуха. Для внутренней отделки интерьера помещений используются диффузно-отражающие материалы с коэффициентом отражения для потолка 0,7 ¸ 0,8; для стен 0,5 ¸ 0,6 ; для пола 0,3 ¸ 0,5.

Площадь на одно рабочее место составляет не менее 6 м2, а объем не менее 20 м3.

По характеру и задачам зрительных работ помещение управления относится к группе II. Разряд зрительных работ соответствует III разряду согласно СНиП 23-05-95 -- средняя точность зрительной работы , наименьший размер объекта различения 0,3 - 0,5 мм .

Расчет искусственного освещения.Для расчета искусственного освещения применяется в основном метод коэффициента использования светового потока и определяется количество ламп, необходимое для обеспечения нормируемой величины освещенности рабочего места.

Площадь пола операторной S = 72 м2;

высота подвеса светильников h = 4 м;

коэффициент запаса для малозапыленного помещения К = 1,5;

поправочный коэффициент светильника Z = 1,1 ;

число ламп в светильнике m = 4;

индекс помещения:

 =  = 2 при Vn = 70% ;

коэффициент использования светильника v = 0,39.

Количество светильников:

 =  = 6.4 штук

Для искусственного освещения операторного помещения необходимо установить 7 светильников с люминесцентными лампами ЛБ-40 в количестве 28 штук.

В производственных помещениях, в которых работают на ПЭВМ, температура, относительная влажность и скорость движения воздуха на рабочих местах соответствуют санитарным нормам СН № 4088-96 или ГОСТ 12.1.005-97.

Обеспечение нормальных санитарно - гигиенических требований по ГОСТ 12.1.005-97 на рабочих местах в значительной степени зависит от правильно выбранной системы вентиляции, так как автоматизированный комплекс управления технологическим процессом построен на основе микропроцессорной техники и ЭВМ, то вентиляцию рекомендуется проводить с помощью кондиционеров.

Расчет кондиционеров

Таблица 16 - Исходные данные для расчета кондиционеров

Количество человек в смене

n = 6

Тепловыделение одного человека

q = 120 ккал/ч

Мощность электрооборудования

N = 25 кВт

Длина помещения

L1 = 12 м

Ширина помещения

L2 = 6 м

Высота

L3 = 4 м

Удельная теплоемкость

Ср= 0,29ккал/(кг×°С)

Плотность воздуха при нормальных условиях

p = 1,2 кг/м3


Разность температур на входе и выходе из кондиционера:

t1 = t вх - t вых .

= 31 - 17=14 °С,

где температура в летний период 31°С.

Разность температур в помещении и на выходе из кондиционера

t2 = ( tрасч - t вых ) = 22 - 17 = 5 °С.

Сопротивление воздуха R = 3,3 кгс/см2.

Расчет теплового баланса и производительности кондиционера

( в летнее время )

Тепловыделение от электрооборудования:

= 860 × N = 860 × 25 = 21500 ккал/ч.

Тепловыделение от людей:

= q × n = 120 × 6 = 720 ккал/ч.

Тепловыделение от солнечной радиации

Q3 = F × q × A = 20 × 125 × 1,45 = 3625 ккал/ч

Общее тепловыделение:

= 21500 + 720 + 3625 = 25845 ккал/ч

Производительность кондиционера по воздуху с учетом сопротивления воздуха:

Z = =  = 1607,52 м3/ч

По данным расчета выбираем три кондиционера БК - 2000, предназначенных для круглосуточного кондиционирования воздуха в помещении и его вентиляции.

Общий объем помещения:

= L1 × L2 × L3 = 12 × 6 × 4 = 288 м3 .

На одного рабочего объем помещения составляет:

= V/n = 288 / 6 = 48 м3 .

Кратность воздухообмена:

К = Z / V = 5,6 раз/час

Это допустимо согласно СНиП II-92-96 , следовательно, задачу вентиляции помещения может выполнить одна сплит система и дополнительной вентиляции не требуется.

В холодное время помещение операторной отапливается от централизованной системы водяного отопления, так же тепло идущее от сплит системы.

6.4 Электробезопасность

По характеру окружающей среды помещение операторной, согласно ПУЭ , относится к классу нормальных, т.к. это помещение сухое, где отсутствует большое количество пыли, температура воздуха в помещении не превышает 30 °С, а так же нет выделений паров химически активной среды.

По степени поражения током относится к помещениям с повышенной опасностью, так как возможно одновременное прикосновение человека с токоведущими частями и землей, к металлоконструкциям здания с одной стороны и к металлическим корпусам оборудования с другой стороны.

Согласно ГОСТ 12.2.007-97, класс электротехнических изделий, по способу защиты от поражения электрическим током, соответствует 1 классу, так как изделия имеют рабочую изоляцию и элемент для заземления.

Наружная установка относится к классу особоопасных, так как подвержена влиянию окружающей среды. На участке применяется защищенная электропроводка и бронированные кабели в изолированной оболочке.

Безопасность обслуживающего персонала от воздействия электрического тока обеспечивается защитным занулением совместно с заземлением корпусов электрооборудования, а так же используются оградительные устройства, применяются малое напряжение (24 В, 36 В) и автоматические выключатели.

Сопротивление одиночного контура заземления, согласно ПУЭ, не должно превышать 4 Ом. при потребляемой мощности 100 кВт и напряжением питания U1000 В

Согласно ГОСТ 12.2.020 и ПУЭ для обеспечения взрывозащиты в данном объекте, имеющем класс взрывоопасной зоны В-1г и В-1а и пожарной зоны П-IIа, выбираем электрооборудование по уровню, виду взрывозащиты и по степени защиты оболочек с учетом горючих свойств веществ и возможных попаданий твердых предметов внутрь электрооборудования.

По степени защиты оболочки операторная относиться пожароопасной зоне класса П-IIа, наружная установка относиться к классу взрывоопасной зоны В-Iг, насосная относиться к классу взрывоопасной зоны В-Iа.

Таблица 17 - Маркировка электрооборудования

Наименование электрооборудования

Место установки

Класс зоны

Маркировка взрывозащиты

Степень защиты

Технические средства АСУТП

Операторная

П-IIа

-

IP 44

Светильники

Операторная

П-IIа

-

IP 23

Датчики КИПиА и позиционеры

Наружная установка

В-Iг

ЕхdIIСT6

IP 67

Электросветильники

Наружная установка

В-Iг

ЕхdIIСT4

-

Датчики КИПиА

Насосная

В-Iа

ЕхdIIСT6

IP 67

Электросветильники

Насосная

В-Iа

ЕхdIIСT4

-

Электродвигатели

Насосная

В-Iа

1ЕхdIIСT1

-


В химической промышленности искровые разряды статического электричества, образующиеся в результате сложных процессов, связанных с перераспределением электронов могут стать причиной пожаров и взрывов. Электризация веществ зависит от их проводимости, содержания примесей, интенсивности технологических процессов.

Для предупреждения возможного поражения технологического персонала зарядами статического электричества предусматриваются следующие мероприятия. Для отвода статического электричества оборудование, трубопроводы и воздухоотводы заземлены в соответствии с “Правилами защиты от статического электричества в производствах химической, нефтехимической и нефтеперерабатывающей промышленности”; заземление производится с помощью стальной бесшовной полосы размером 20x4 с подключением к общему контуру заземления, работающие обеспечиваются индивидуальными средствами защиты (антиэлектростатической обувью и одеждой). Приводные ремни вентиляционных систем выполняются с антистатическим покрытием

На линиях приема углеводородов в емкости предусмотрены спуски для снижения интенсивности возникновения зарядов статического электричества.

Фланцевые соединения трубопроводов имеют достаточное сопротивление для отвода зарядов статического электричества (не более 10 Ом) и не требуют дополнительных мер по созданию непрерывной электрической цепи, например установки перемычек.

Осмотр и измерение электрических сопротивлений, заземляющих устройств для защиты от статического электричества производится одновременно с проверкой заземления электрооборудования цеха в соответствии с ПТЭ ПТБ электроустановок потребителей.

Установка выделения бутадиена по устройству молниезащиты относится ко II категории, так как установки по взрывоопасности соответствуют В-1г, то на аппаратах установлены стержневые молниеотводы (в соответствии с РД 34.21.122-97).

Ожидаемое количество поражений молний в год зданий и сооружений, не оборудованных молниезащитой, определяется по формуле:


где S=50 м - ширина защищаемого объекта,

L=100 м - длина защищаемого объекта,

hx=40 м - наибольшая высота объекта,

n=6 - среднее число ударов молний в год на 1 м2 земной поверхности в месте расположения объекта.

Так как ожидаемое количество поражений не превышает 1 раза, устанавливаем минимальную зону защиты Б.

Находим высоту молниеотвода:


где Rx= 1,5м- радиус защиты на высоте защищаемого объекта.

Радиус защиты на уровне земли:

Выбранный молниеотвод обеспечит защиту от прямых поражений молний.

6.5 Пожарная профилактика и средства тушения пожара

Большинство применяемых веществ в процессе получения дивинила в смеси с воздухом могут стать источником загорания. Источниками загорания могут стать искры, как электрического происхождения, так и механического, любой вид открытого огня, самовоспламенение. Для исключения возникновения источников загорания предусматриваются противопожарные мероприятия, связанные с организацией и проведением огневых работ и исключающие бесконтрольное возникновение огня.

Все электропроводки на установке проходят в защитных трубах и коробах. На трубопроводах установлены запорные дистанционные арматуры и отсечные клапана. С целью обнаружения пожара в начальной стадии и своевременного оповещения в помещении операторной и на технологическом участке установлена система пожарной сигнализации, предназначенная для сообщения о месте возникновения пожара. Для тушения пожаров в цехе предусмотрены внутренний пожарный водопровод, кольца орошения, пожарные гидранты и лафетные установки.

Тушение возможных загораний заключается в локализации, отключении аварийного участка от действующего оборудования, стравливание избыточного давления и освобождение аппаратов и трубопроводов от жидких углеводородов, разбавление паров огне- и взрывоопасных продуктов азотом или паром.

Источником воспламенения являются: раскалённые или нагретые стенки оборудования, искры электрооборудования, статическое электричество, искры удара и трения, деталей машин. С целью пожаро- и взрывозащиты все процессы происходят в герметически закрытых аппаратах, предусмотрены меры защиты от атмосферного и статического электричества. Электрооборудование имеет взрыво- пожаробезопасное исполнение. Для прокачки углеводородов применяются герметические насосы с сальниковыми уплотнителями. Особую опасность представляет самовозгорание. Во всех помещениях установлены приборы сигнализации высоких концентраций, системы характеризующие о наличии взрывоопасных газов.

Для тушения пожаров применяются вода за исключением оборудования, находящегося под напряжением, веществ, которые при соприкосновении с водой воспламеняются, ЛВЖ с удельным весом менее единицы.

При пожарах воду подают в виде мощных струй из лафетных установок с насадками диаметром 38мм и контактных струй из ручных пожарных стволов, расположенных на каждой отметке установки, с применением насадки диаметром 13мм. Установка обеспечена первичными средствами пожаротушения, асбестовыми одеялами, сухим песком, а также углекислотными огнетушителями для тушения небольших очагов загорания горючих и тлеющих материалов ОУ-2, ОУ-5, ОУ-8, ОУ-25, ОУ-80 и бромэтиловый ОУБ-3 для тушения пожара электрооборудования находящегося под напряжением до 1000 В.

6.6 Охрана окружающей среды

Процесс получения бутадиена является потенциальным источником загрязнения окружающей среды. Утечка продуктов из оборудования, трубопроводов, в местах установки промышленной арматуры вызовет загазованность территории. Возможен разлив продукта в ходе ремонтных работ, при нарушении правил их проведения. В технологии используется техническая вода, которую надо подвергать химической и водоочистке. Кроме того, происходят постоянные или периодические выбросы в атмосферу и в водный бассейн.

Цех имеет 3 раздельные системы канализации: условно-чистую; промливневую, загрязненную нефтепродуктами и хоз-фекальную. Цеховые условно-чистые воды направляются в общий коллектор, и поступают в буферный пруд. После отстоя и окисления кислородом воздуха в пруде, сточные воды через реки Тунгучу и Зай сбрасываются в Каму.

Таблица 18 - Выбросы в атмосферу

Наименование источника выброса

Периодичность выброса

Установленная норма выброса вредных веществ (по ингридиентам)



г/сек

т/год

Наружная установка выделения бутадиена, потери через возможные неплотности в местах соединений

Постоянно в процессе производства

ПБФ 7,40000

ПБФ 213,0000



Таблица 19 - Сточные воды

Наименование стока

Периодичность сброса

Количество образования сточных вод, м3/год

Содержание Вредных веществ, % вес.

Требования к качеству стока

Куда направляется сток

1

2

3

4

5

6

7

1

Паровой конденсат, сбрасываемый с емкости

Постоянно в процессе производства

3880

нефтепродукты - не более 0,09 %

нефтепродукты - не более 900 мг/дм3

в ПЛК колодец ОМ-70

2

Паровой конденсат при пропарке оборудова-ния от углеводородов

1 раз в год, в капи-тальный ремонт в течение 3-х суток

2520

нефтепродукты - не более 0,09 %

нефтепродукты- не более 900 мг/дм3

в ПЛК колодец ОМ-70

3

Вода при освобож-дении и промывке теплообменного оборудова-ния

1 раз в год, в капи-тальный ремонт в течение 3-х суток

144

нефтепродукты - не более 0,09 %

нефтепродукты- не более 900 мг/дм3

в ПЛК колодец ОМ-70



Фекальные сточные воды цеха направляются в общийзаводской коллектор фекальных вод, откуда насосами на станциях № 1,6 перекачиваются в магистральный коллектор химзагрязненных сточных вод для очистки в цех № 3406.

Охране окружающей среды ОАО «Нижнекамскнефтехим» и цех уделяют большое внимание.

Для охраны водоемов от загрязнения вредными органическими веществами, содержащимися в промышленных сточных водах, важное значение имеют внедрение в производство рациональной технологии, а также уменьшение количества сточных вод и применение водооборота, локальная и общезаводская очистка этих вод, установление для них предела содержания вредных веществ, нормирование допустимой концентрации в водоемах (ПДК).

Органические вещества, содержащиеся в сточных водах, могут оказывать токсическое действие на теплокровные организмы. Многие из этих веществ приводят к гибели рыб и их кормовых ресурсов в водоемах, ухудшают вкус и запах воды и мяса рыб, уничтожают микрофлору на очистных сооружениях канализации и в водоемах, тем самым ухудшая биологическую очистку сточных вод и тормозя процессы самоочищения водоемов.

Основным условием безопасного ведения технологического процесса, предотвращения аварий и залповых выбросов в окружающую среду является строгое соблюдение обслуживающим персоналом должностных, производственных инструкций и норм технологического процесса. Кроме того, технологической схемой предусмотрена сигнализация основных технологических параметров.

При неблагоприятных метеоусловиях не производить газоопасные работы со вскрытием оборудования.

Для снижения вредного воздействия производственной деятельности цеха на окружающую среду в цехе предусмотрены такие мероприятия как внедрение рациональной технологии, уменьшение количества сточных вод, применение водооборота, локальная и общезаводская очистка сточных вод, установлен предел содержания вредных веществ, нормирование допустимой концентрации в водоемах.

Сброс вредных веществ в основном носит периодический характер. Удельная норма выбросов 8 % на единицу сырья. Концентрации вредных компонентов контролируются службой ГСС.

Как видно из вышесказанного для охраны окружающей среды нужно сокращать количество вредных аварийных выбросов, что достигается за счет использования системы автоматического регулирования и контроля.

6.7 Чрезвычайные ситуации и меры защиты

Установка переработки газового конденсат рядом с территорей ОАО «Нижнекамскнефтехим» на расстоянии 12 км от жилых массивов. Между городом и предприятием находится два больших оврага, которые защищают город от тяжелых газов в случае проникновения их в атмосферу. Определенную опасность представляет находящаяся в 4-х км от северных границ завода железнодорожная станция Биклянь, на которой в сутки обрабатывается до 15-ти составов с различными грузами, в том числе горючими, взрывоопасными и ядовитыми веществами, а также расположенные рядом ОАО «Нижнекамскшина» ,ТЭЦ и Нижнекамский завод технического углерода.

По территории цеха проходят системы энерго-газо-водоснабжения и канализаций. Электро-теплоснабжение цеха осуществляется от ТЭЦ-1.

Охрана территории ОАО «НКНХ» осуществляется охраной «Кеннард».

Производственные помещения относятся к категории Ан, а помещения операторной относятся к категории Д по НПБ 105-03. По ПУЭ наружная установка относится к классу В-1г, насосная к В1-а, операторная к классу П-IIА. По ПБ 09.540-03 производственные помещения относятся ко II категории. Причиной возникновения пожаров и взрывов на установке может быть разрыв аппаратов и трубопроводов со взрывоопасным продуктом, разгерметизация оборудования и трубопроводов, возгорание от попадания продуктов на неизолированные участки трубопроводов с температурой 2200С. Для охлаждения поверхности аппаратов и трубопроводов при тушении очагов пожаров, за исключением электрооборудования находящегося под напряжением, предусмотрены внутренний пожарный водопровод, кольца орошения, пожарные гидранты и лафетные установки.

На OАО " НКНХ " в суммарном выражении сосредоточенно 707 т хлора, 466т. аммиака, 980 т бензола и 730 т окиси этилена. В случае аварии при соответствующих метеоусловиях территория OАО " НКНХ " может оказаться в зоне заражения СДЯВ с поражающей концентрацией во времени от 2 до 5 минут, а со смертельной концентрацией от 6 до 20 минут.

Таким образом, при аварии на OАО "НКНХ" на всей территории завода и на территории близлежащих районов может сложиться чрезвычайно сложная химическая обстановка. Главный способ защиты - немедленный вывод всех работающих в безопасное место, при опоздании - укрытие в закрытых помещениях (потери могут составить более 50 % рабочих).

При снежных бурях, сильных морозах, ураганах необходимо рабочему и инженерно-техническому персоналу чаще проводить обходы на закрепленных объектах для осмотра оборудования и приборов, и при обнаружении неполадок принять меры к их быстрому устранению.

Также для предотвращения или снижения последствий аварий на объекте разрабатываются организационные и технические мероприятия. В том числе накопление фонда средств индивидуальной защиты рабочих и поддержание их в постоянной готовности, создание и поддержание в постоянной готовности системы оповещения. Необходимо проводить систематическую проверку эффективности вентиляционных систем, состояние электрооборудования, надежность герметизации технологического оборудования, состояния емкостей, аппаратов и кабельных линий, сосудов работающих под давлением. Создание условий для быстрой эвакуации людей и материальных ценностей. Для удобства подъезда к возможным очагам возгорания на территории цеха, складирование промышленных отходов должно производиться в определенном месте. Проводить проверку знания работающих правил норм техники безопасности и подготовка их к работе в аварийных условиях. При угрозе возникновения производственных аварий, катастроф и стихийных бедствий проводят следующие мероприятия: проводится оповещение при угрозе бедствия с помощью сирены, гудка, радио; организовывается разведка и наблюдение на объекте возможного бедствия; приводятся в готовность силы и средства ЧС, предназначенные для ведения спасательных работ и ликвидации аварий и стихийных бедствий; осуществляются мероприятия ЧС по предупреждению или снижению возможного воздействия аварий и стихийных бедствий.

При возникновении производственных аварий, катастроф и стихийных бедствий проводят следующие мероприятия: оповещается руководящий состав ЧС, невоенизированных формирований и работающих о возникновении бедствия; производится сбор руководящего состава ЧС, а также сбор личного состава формирования, предназначенного для ведения спасательных работ; докладывается о сложившейся обстановке начальнику ЧС; производится разведка и наблюдения на объекте, дозиметрический и химический контроль; приводятся в готовность силы и средства ЧС, предназначенные для ведения спасательных работ; организуется медицинское обеспечение; проводятся мероприятия по безаварийной остановке производства; приводятся в готовность имеющиеся защитные сооружения, организуется укрытия рабочих; производится выдача работающим объекта средств индивидуальной защиты и медицинских препаратов; производится эвакуация работающих; организуется обеспечение действий сил ЧС, привлекаемых для введения спасательных работ; осуществляется взаимодействие с чрезвычайной комиссией, городским штабом ЧС, территориальным формированием; производится управление силами ЧС объекта при возникновении производственных аварий и стихийных бедствий.

Внедрение автоматизированного комплекса СА и КИП в управление узлом обезвоживания и обессоливания углеводородов повышает точность измерений и быстродействие регулирующих воздействий, что позволяет уменьшить количество сбросов на факел, некондиционных продуктов загрязняющих атмосферу, снизить потребление энергетических ресурсов.

7. Технико-экономическое обоснование внедрения блока электрообессоливания и обезвоживания углеводородов

В разделе произведен технико-экономический расчет установки переработки газового конденсата мощностью 960 000 т/год по сырью (газовый конденсат).

7.1 Расчет капитальных затрат на оборудование

Таблица 20 Расчет капитальных затрат на оборудование

Наименование

Количество единиц, шт.

Сметная стоимость единицы, руб.

Полная сметная стоимость, руб.

Норма амортизации

Сумма амортизации, руб.

1

2

3

4

5

6

I Технологическое оборудование






Э-1,2

2

9 500 000

19 000 000

10

1 900 000

Е-111

1

800 000

800 000

8.7

69 600

Е-112

1

3 500 000

3 500 000

8.7

304 500

Т-110

1

1 000 000

1 000 000

8.7

87 000

СМ-1,2

2

1 000 000

2 000 000

8.7

174 000

Н-111/1,2

2

425 000

850 000

12.5

106 250

Н-112/1,2

2

430 000

860 000

12.5

107 500

Н-113/1,2

2

330 000

660 000

12.5

82 500

Н-115

1

380 000

760 000

12.5

47 500

Всего:



29 430 000


2 878 850

II Неучтенное оборудование



2 943 000

10

294 300

III Электросиловое оборудование



1 471 500

9

132 435

IV Трубопроводы



4 414 500

8

353 160

V КИПиА



8 829 000

15

1 324 350

Всего:



17 658 000


2 104 245

Итого:



47 088 000


4 983 095


Затраты на нормируемые оборотные средства:

НОС = 0,12 × 47 088 000 = 5 650 560 руб.

Общий объем капитальных затрат (вложений):

088 000 + 5 650 560 = 52 738 560 руб.

Число часов работы установки по электрообессоливанию и обезвоживанию углеводородов - 8 000 часов.

7.2 Расчет эффекта

Количество перерабатываемого газового конденсата за один час - 120 тонн.

Количество переработанного газового конденсата в год:

å = 8 000 * 120 = 960 000 тонн;

Стоимость обессоленного газового конденсата - 16 000 рублей;

Стоимость соленого газового конденсата - 15 000 рублей;

Стоимость строительства блока ЭЛОУ - 52 738 560 рублей.

Стоимость переработки обессоленного газового конденсата - 6 000 рублей;

Стоимость переработки соленого газового конденсата - 6 900 рублей.

Показатели

Базовое производство

Проектируемое производство

Отклонение: (+) перерасход (-) экономия

Стоимость 1 тн ГК, руб.

16 000

15 050

-950

Стоимость переработки 1 тн ГК, руб.

6000

6900

+900

Экономия на 1 тн газового конденсата, руб



-50


Посчитаем прибыль на общий объем перерабатываемого сырья за год:

Пр = 50 * 960000 =48 000 000 рублей

Срок окупаемости:

Со = 52 738 560 / 48 000 000 = 1,1 года

Коэффициент экономической эффективности:

Кэ = 48000000/52738560=0,91

 

Вывод: Экономическая часть дипломного проекта подтверждает эффективность разработанного проекта по сравнению с базовым производством.

В результате внедрения блока ЭЛОУ и комплектация его современными техническими средствами позволила снизить закупочную стоимость единицы сырья проектируемого производства по сравнению с базовым.

Экономия от снижения закупочной стоимости газового конденсата по отношению к базовому производству составляет 48 000 000 руб/год. Таким образом, осуществление данного проекта технически возможно и экономически целесообразно.

ЗАКЛЮЧЕНИЕ

В данном дипломном проекте был произведен анализ завода по переработке газового конденсата и узла по электрообессоливанию и обезвоживанию углеводородов. В результате был предложен технический комплекс современных технических средств автоматизации, были предложены новейшие измерительные датчики таких фирм как «Yokogawa», «Emerson», «GM» основанные на распределенной системе управления CENTUM CS3000.

Для обеспечения высокого качества управления была предложена микроконтроллерная система управления CENTUM CS3000 фирмы YOKOGAWA :

·   на верхнем уровне - управляющий модуль на базе контроллера;

·   конфигурирование с помощью инженерной станции;

·   контроль и ручное управление с помощью рабочей станции.

Разработанная система достаточно проста в использовании и надежна. Она позволила значительно улучшить и облегчить работу оператора, обеспечить качественное управление процессом, более полно и экономно использовать ресурсы.

В результате совершенствования структуры управления, повышается качество регулирования (точность, быстродействие), так же внедрение блока ЭЛОУ позволило закупать сырье по более низкой цене. Это приводит к повышению эффективности работы данной технологической установки.

В разделе «безопасность жизнедеятельности» были рассмотрены вопросы по обеспечению безопасности технологического процесса: в производственно-санитарном плане, обеспечению электробезопасности, обеспечению пожаровзрывоопасности оборудования.

В разделе экономики был проведен экономический анализ внедрения новой системы управления. Данный анализ показал, что экономия от закупки менее чистого газового конденсата составляет 48 000 000 рублей. Коэффициент экономической эффективности составил 0.91, а срок окупаемости данного узла составил 1.1 года.

ЛИТЕРАТУРА

1.       Автоматическое управление в химической промышленности: Учебник для вузов. Под ред. Е.Г. Дудникова. -- М.; Химия, 1987. 368 с.

.        Баратов А.Н. Пожаровзрывоопасность веществ и материалов, и средств их тушения -- М., Химия, 1990 г.

.        Голубятников В.А., Шувалов В.В. Автоматизация производственных процессов в химической промышленности : Учебн. для техникумов. - 2-е изд., перераб. и доп. - М.: Химия, 1985. -- 352с., ил.

.        Долин П.А. Справочник по ТБ -- М., Издательство стандартов, 1988 г.

.        Емельянов А.И., Катник О.В. Проектирование автоматизированных систем управления технологическими процессами (справочное пособие) М.: Энергия, 1974г., 495с.

.        Ицкович Э.Л. Контроль производства с помощью вычислительных машин. М.: Энергия, 1974.,495с.

.        Кушелев В.П. и др. Охрана труда в нефтеперерабатывающей и нефтехимической промышленности. М.: Химия, 1983г., 472с.

.        Методические указания по дипломному проектированию. Раздел: Безопасность жизнедеятельности, КГТУ, 1995 г.

.        Методические указания. Расчёт цифровых АСР на ЭВМ. Под редакцией Терюшова И.Н., КГТУ; Казань,1997.

.        Охрана труда в химической промышленности /Г.В. Макаров, А.Я. Васин, Л.К. Маринина, П.И. Софинский, В.А. Старобинский, Н.И. Торопов.--М., Химия, 1989.496 с.;ил.

.        Полоцкий Л.М., Лапшенков Г.И. Автоматизация химических производств. Теория, расчет и проектирование систем автоматизации. - М.: Химия , 1982. -- (серия « Автоматизация химических производств » ) 296 с., ил.

.        Фарзане Н.Г., Ильясов Л.В., Азим-заде А.Д. , Технологические измерения и приборы -- М., Высшая школа, 1989 г.

.        Инструкции по эксплуатации исполнительных механизмов фирмы «Masoneilan».

Похожие работы на - Исследование завода по переработке газового конденсата и узла по электрообессоливанию и обезвоживанию углеводородов

 

Не нашли материал для своей работы?
Поможем написать уникальную работу
Без плагиата!
Без нейросетей!