Радиолокационная система слежения за целью
СОДЕРЖАНИЕ
Введение
1 Функциональная
схема автоматической системы
1.1 Построение
функциональной схемы автоматической системы
1.2 Подбор
звеньев автоматической системы
1.2.1 Пеленгационное
устройство
1.2.2 Операционный
усилитель
1.2.3 Электромашинный
усилитель
1.2.4 Двигатель
постоянного тока
1.2.5 Редуктор
1.2.6 Ограничитель
2 Анализ
исходной некорректированной системы
2.1 Структурная
схема исходной некорректированной системы
2.2 Логарифмические
частотные характеристики системы
3 Анализ
скорректированной системы
3.1 Включение
корректирующего устройства
3.2 Структурная
схема скорректированной системы
3.3 Логарифмические
частотные характеристики системы
4 Анализ
системы на наличие автоколебаний при заданном уровне напряжения насыщения в
усилителе
5 Нахождение
оптимальных параметров корректирующего звена с использованием интеграла
качества
6 Определение
показателей качества по переходным процессам в некорректированной системе,
скорректированной, с насыщением и оптимизированной
Заключение
Список
использованных источников
Введение
Исходным материалом для курсовой работы является
функциональная схема системы автоматического управления, приведенная в
техническом задании.
В ходе выполнения курсовой работы необходимо
охарактеризовать систему, подобрать звенья, привести их описание, вывести
дифференциальные уравнения, выполнить линеаризацию, записать передаточные
функции звеньев, построить структурную схему системы. Используя частотные
характеристики выполнить анализ устойчивости и качества регулирования. В случае
неудовлетворительного качества системы произвести синтез корректирующего
устройства по заданному запасу устойчивости. Затем ввести в систему
корректирующее звено. Сделать его описание, произвести гармоническую
линеаризацию ограничителя и выполнить теоретические исследования системы на
наличие автоколебаний. Если автоколебания в системе имеют место, то изменить
параметры корректирующего звена таким образом, чтобы автоколебания исчезли.
Оценить качество всех четырех вариантов системы, сделать выводы по результатам
исследований.
1. Функциональная схема автоматической системы
.1 Построение функциональной схемы
автоматической системы
Конкретные звенья обобщенной функциональной
схемы автоматической системы дистанционного согласования по углу РЛС и ПУ и их
параметры указаны в исходных данных. С учетом этого функциональная схема имеет
вид, показанный на рисунке 1.1.
ПУ - пеленгационное устройство;
ОУ - операционный усилитель;
ЭМУ - электромашинный усилитель;
Д - двигатель постоянного тока;
Р - редуктор.
Рисунок 1.1 - Функциональная схема
автоматической системы системы
Принцип действия данной системы
таков. Система предназначена для слежения за целью по углу места цели. Для
этого используется радиолокатор, имеющий достаточно узкую диаграмму
направленности.
Пеленгационное устройство
вырабатывает сигнал U1, зависящий от направления и величины смещения цели
относительно оси антенны. Это напряжение предварительно усиливается
операционным усилителем. Далее, в электромашинном усилителе, сигнал испытывает
основное усиление, и подаётся на привод антенны, который включает в себя
двигатель и редуктор. При вращении двигателя антенна поворачивается в сторону
уменьшения рассогласования. Когда цель окажется на оси антенны сигнал на выходе
пеленгационного устройства станет равным 0 и движение антенны прекратиться.
Т.о. ось антенны будет всегда направлена на цель.
.2 Подбор звеньев автоматической
системы
Конкретные элементы автоматической
системы указаны в исходных данных. Рассмотрим кратко каждое звено системы, и их
принципиальные или конструктивные схемы.
.2.1 Пеленгационное устройство
Пеленгаторы используются в системах
автоматического слежения за целью для измерения углов рассогласования между
осью антенны и направлением на цель. В нашей системе будем использовать
моноимпульсный дискриминатор, который по типу является фазовым суммарно -
разностным. В нём обрабатываются суммарные и разностные сигналы, снятые с
лепестков антенны. Они преобразуются в разность фаз, которая в дальнейшем измеряется
фазовым дискриминатором. Схема пеленгатора представлена на рисунке 1.2.
Рисунок 1.2 - Пеленгатор
Рассмотрим принцип действия ПУ. Два
отражённых сигнала 1 и 2 подаются на волновой мост ВМ, где вырабатываются
разностный и суммарный сигнал. С помощью смесителей СмС и СмР вырабатывается
промежуточная частота, которая усиливается в усилителях промежуточной частоты
суммы и разности сигналов УпС и УпР. Для обеспечения стабильности усиления при
различных удалениях цели, в систему вводится автоматическая регулировка
усиления АРУ. Фазовращатель ФВ согласует фазы сигналов, когда цель находится на
оси антенны. Далее сигналы поступают в фазовый дискриминатор ФД. Итак, в этой
схеме, выходной сигнал U1 будет зависеть от фазового сдвига сигналов
промежуточной частоты:
(1.1)
где Кфд - коэффициент передачи
фазового дискриминатора;
Кр , Кс - коэффициент передачи плеч
углового дискриминатора по разности и по сумме;
∆φ - фазовый
сдвиг сигналов разности и суммы.
Если ∆φ мал, то
тангенс можно заменить углом:
(1.2)
Фазовый сдвиг сигналов ∆φ зависит от
угла отклонения цели от оси антенны. Эту связь можно определить по разности
длин путей проходящими отражёнными сигналами от цели до антенны.
(1.3)
(1.4)
Рисунок 1.3 - Определение угла
отклонения цели от оси антенны
, (1.5)
где λ - длина волны.
Подставим ∆φ в выражение
для углового дискриминатора (1.2):
(1.6)
Если Θ мал, то:
, (1.7)
Где:
(1.8)
Исходя из формулы (1.7) запишем
передаточную функцию звена:
(1.9)
.2.2 Операционный усилитель
Операционный усилитель (ОУ) - это
усилитель с очень большим коэффициентом усиления (типовое значение К=50000),
малым выходным сопротивлением, большим входным сопротивлением и
непосредственными связями. При достаточном коэффициенте усиления по напряжению
ОУ, передаточная функция усилителя, построенного на основе ОУ, зависит только
от параметров входной цепи и цепи обратной связи и не зависит от собственных
параметров ОУ.
Схема усилителя, охваченного
отрицательной обратной связью, приведена на рисунке 1.3.
Рисунок 1.4 - Операционный усилитель
|
.(1.10)
|
|
|
|
Передаточная
функция усилителя имеет вид:
|
.(1.11)
|
|
|
|
В рабочем диапазоне частот инерционность ОУ не
учитывается.
.2.3 Электромашинный усилитель
Рисунок 1.5 - Электромашинный усилитель
Рассмотрим электромашинный усилитель (ЭМУ) с
поперечным полем (рисунок 1.5.).
Ротор усилителя имеет обмотки, подсоединенные к
коллектору. С помощью коллектора и двух пар щеток обмотки ротора подключаются к
внешним электрическим цепям. Одна пара щеток замкнута накоротко, другая -
подключает ЭМУ к нагрузке. На статоре ЭМУ размещена обмотка управления.
ЭМУ является усилителем мощности и работает на
постоянном токе.
Входной сигнал Uу подается на управляющую
обмотку, по которой течет ток Iу. Этот ток можно найти из уравнения:
|
,(1.12)
|
|
|
|
|
где
|
Ry,
Ly - параметры управляющей обмотки.
|
|
|
|
Этот
ток создает в магнитной системе ЭМУ поток Фу:
|
,(1.13)
|
|
|
|
|
ггде
|
RM
- магнитное сопротивление магнитной системы ЭМУ.
|
|
|
|
Дополнительный двигатель вращает с частотой Ω
ротор
ЭМУ, при этом его обмотки пересекают поток Фу.
На основании закона электромагнитной индукции, в
обмотке wк наводится ЭДС:
|
(1.14)
|
|
|
|
Под
действием этой ЭДС в короткозамкнутом витке возникает достаточно большой ток
Iк, определяемый по формуле:
|
,(1.15)
|
|
|
|
который
создает поток Фк:
|
.(1.16)
|
|
|
|
Этот поток наводит ЭДС в обмотке wн:
|
.(1.17)
|
|
|
|
Последовательно
подставляя эти формулы одну в другую, после преобразования получим выражение:
|
,(1.18)
|
|
|
|
|
|
ггде
|
Ту,
Тк - постоянные времени управляющей и короткой обмоток; -
коэффициент усиления ЭМУ по напряжению.
|
|
|
|
|
|
Обычно Ту>>Тк. С учетом этого допущения и
предыдущего выражения, запишем передаточную функцию ЭМУ:
|
.(1.19)
|
|
1.2.4
Двигатель постоянного тока
Рисунок 1.6 - Двигатель постоянного тока
Обычно нагрузкой ЭМУ является двигатель
постоянного тока. Рассмотрим коллекторный двигатель постоянного тока с
независимым возбуждением. Он содержит якорь (Я) с обмоткой, коллектор и щетки
(рисунок 1.6). На статоре размещена обмотка возбуждения (ОВ). На нее подается
напряжение UП, которое создает поток возбуждения ФВ в магнитной системе
двигателя.
Управляющее напряжение U подается на якорную
обмотку. Ток IЯ взаимодействует с потоком возбуждения. Возникает вращающий
момент.
Динамику движения ротора двигателя можно описать
уравнением:
|
,(1.20)
|
|
|
|
|
ггде
|
α
- угол
поворота ротора; I - момент инерции ротора; Мд - вращающий момент двигателя;
Мс - момент сопротивления вращения.
|
|
|
|
Вращающий момент двигателя зависит от тока якоря
обмотки и потока возбуждения:
|
,(1.21)
|
|
|
|
|
ггде
|
КМ
- коэффициент зависящий от конструкции двигателя.
|
|
(1.22)
|
|
|
ггде
|
Е
- ЭДС реакции якоря; Rя - активное сопротивление обмотки якоря; Фв - поток
возбуждения.
|
|
|
|
ЭДС реакции якоря можно вычислить по формуле:
|
,(1.23)
|
|
|
ггде
|
kе
- коэффициент зависящий от электрических параметров двигателя.
|
|
|
|
Таким образом:
|
.(1.24)
|
|
Момент сопротивления зависит от нагрузки:
|
,(1.25)
|
|
|
ггде
|
kс
- коэффициент определяющий характер нагрузки.
|
|
|
|
Подставив выражения для моментов в исходное
уравнение и преобразовывая, получим уравнение:
|
,(1.26)
|
|
ггде
-
постоянная времени;
-
коэффициент усиления двигателя.
Или в операторной форме:
|
.(1.27)
|
|
Из последнего выражения находим передаточную
функцию:
|
.(1.28)
|
|
.2.5 Редуктор
Редуктор - это устройство, предназначенное для
уменьшения числа оборотов входного звена. Редуктор преобразует входное
вращательное движение в выходное. Выходная угловая скорость вращения меньше
входной скорости вращения. Выходной вращательный момент больше входного
вращательного момента. Со скоростью вращения одновременно уменьшается угловая
ошибка.
Редуктор обычно реализуют с помощью зубчатых
колес. Основной кинетической характеристикой зубчатых механизмов является
передаточное число - отношение чисел зубьев ведомого колеса и ведущего. В
автоматике удобно пользоваться передаточными характеристиками - отношение
выходной угловой скорости к входной угловой скорости.
|
ггде
|
α и β - угол
поворота входного и выходного звена.
|
|
|
|
.2.6 Ограничитель
При подаче на вход усилителя слишком большого
сигнала, усилитель переходит в насыщение. Это происходит потому, что на выходе
усилителя не может присутствовать сигнал больший напряжения питания (имеется в
виду операционный усилитель). Для учета этого явления в анализе автоматической
системы, в структурных схемах после усилителя будем ставить ограничитель. Для
ограничителя зависимость выходного сигнала от входного имеет вид, показанный на
рисунке 1.7.
Рисунок 1.7 - Ограничитель и его функция
Произведем линеаризацию этого
нелинейного звена. Пусть tgα=1, b=Um=43 (задано в исходных данных).
При наличии автоколебаний в системе входной сигнал изменяется по гармоническому
закону
.
Передаточная функция нелинейного
звена имеет вид:
|
.(1.30)
|
|
Вычислим коэффициент гармонической линеаризации:
|
(1.31)
|
|
Вычислим пределы интегрирования (рисунок 1.8).
Рисунок 1.8 - Определение пределов
интегрирования
Вычислим коэффициент гармонической линеаризации:
(1.33)
т.к.
, получим:
(1.34)
2. Анализ исходной некорректированной системы
Проведем анализ наиболее простой реализации
автоматической системы. Из-за простоты системы (в ней отсутствуют даже
корректирующие звенья), параметры такой системы могут оказаться
неудовлетворительными.
.1 Структурная схема исходной некорректированной
системы
На первом этапе построения структурной схемы
необходимо определиться с набором звеньев в автоматической системе, их
передаточными функциями, структурой связей между звеньями. Частично эти вопросы
решены при построении функциональной схемы. Записав в блоках функциональной
схемы передаточные функции звеньев, получим структурную схему системы. На
структурной схеме вычитание сигналов представим в виде кружка со знаком
вычитания внутри. Задающее устройство генерирует единичную функцию.
Совокупность блоков структурной схемы является математической моделью следящей
системы.
Рисунок 2.1 - Исходная
некорректированная система
- задающее устройство К = 1;
- смеситель;
- ПУ Wпу(р) = Кпу;
- ОУ Wоу(р) = Коу;
- ЭМУ Wэму(р) = Кэму /(1 +
Тэму р);
- Д Wд(р) = Кд /(Тд р +
1)р;
- Р Wр(р) = Кр .
.2 Логарифмические частотные
характеристики системы
Построим логарифмическую частотную
характеристику системы и определим запас устойчивости по фазе.
Рисунок 2.2 - ЛЧХ системы
Таблица 2.1
ω,
рад/с
А, дБ φ,
грд
.802760000
0.965264000 -181.6790000
.925510000
0.601084000 -181.7970000
.050840000
0.236865000 -181.9150000
.178840000
-0.127395000 -182.0350000
.309540000
-0.491697000 -182.1540000
.443010000
-0.856047000 -182.2770000
.579300000
-1.220430000 -182.3980000
.718480000
-1.584880000 -182.5210000
В соответствии с логарифмическим критерием
автоматическая система будет устойчива, если запас устойчивости по фазе будет
положительным. Последний определяется на частоте среза логарифмической
амплитудной характеристики (ЛАХ) путем вычитания фазы логарифмической фазовой
характеристики (ЛФХ) из фазы минус 180˚. Таким образом, для определения
устойчивости системы необходимо построить логарифмические частотные
характеристики (ЛЧХ) и определить запас устойчивости по фазе.
Анализируя полученный график и таблицу видим,
что график ЛАХ принимает нулевое значение на частоте 6.17884 рад/с. ЛФХ на
данной частоте имеет значение, равное -182.035. Запас устойчивости по фазе
составляет -2.035°. Таким образом, можно сделать вывод, что качество
регулирования системы не соответствует заданному. То есть, исходная система
неустойчива.
3. Анализ скорректированной системы
Т.к. качество системы не соответствует
заданному, необходимо включение корректирующего устройства.
.1 Включение корректирующего устройства
Т.к. качество системы не соответствует
заданному, необходимо включение корректирующего устройства. Корректирующим
звеном в данном случае может являться дифференцирующий усилитель, схема
которого приведена на рисунке 9.
Рисунок 3.1 - Схема дифференцирующего усилителя
Передаточная функция звена запишется:
|
.(3.1)
|
|
.2 Структурная схема скорректированной системы
Для построения структурной схемы
скорректированной системы объединим передаточные функции ДУ и ЭМУ в один
типовой блок, для удобства пользования прикладной программой Siam. Структурная
схема скорректированной системы представлена на рисунке 3.2.
Рисунок 3.2 - Структурная схема
скорректированной системы
.3 Логарифмические частотные характеристики
системы
Подбираем постоянную времени корректирующего
звена Тду так, чтобы запас устойчивости системы по фазе был равен заданному.
Строим ЛЧХ скорректированной системы.
Рисунок 3.3 - ЛЧХ скорректированной системы
Таблица 3.1
ω,
рад/с
А, дБ φ,
грд
.82540000
0.585580000 -122.3330000
.25500000
0.116642000 -123.4070000
.50840000
-0.120200000 -123.9530000
.78820000
-0.358664000 -124.5010000
.09530000
-0.598770000 -125.0550000
.43000000
-0.840549000 -125.6130000
При Тду = 2,2 с ЛАХ системы проходит через 0 на
частоте 60.5084 рад/с, при этом ЛФХ системы имеет значение -123.953. Таким
образом, введя корректирующее звено и подобрав постоянную времени, мы получили
систему с запасом качества 56.047°, что больше 55° .
4. Анализ системы на наличие автоколебаний при
заданном уровне напряжения насыщения в усилителе
Рисунок 4.1 - Структурная схема
скорректированной системы с насыщением в усилителях
Исследуем систему на наличие автоколебаний при
заданном уровне напряжения насыщения в ЭМУ. Выходное напряжение ЭМУ не может
изменяться линейно до значительных величин. Его величина не может превышать
напряжение питания усилителя. Поэтому в реальном усилителе имеется насыщение в
измерении выходного напряжения, а выходная характеристика Uогр будет
нелинейной. В нашем случае Uогр = 31 В.
Рисунок 4.2 - Характеристика ЭМУ
Тогда в нашем случае имеем
нелинейную систему, содержащую нелинейную часть со звеном типа насыщения и
линейную часть с линейной передаточной функцией Wл(р). Коэффициент
гармонической линеаризации нелинейного звена имеют вид:
,
|
(4.1)
|
|
|
ггде
|
а
и ω
- амплитуда
и частота предполагаемых гармонических колебаний.
|
|
|
|
Передаточная функция нелинейного звена, в таком
случае, имеет вид:
|
.(4.2)
|
|
Передаточная функция линейной системы запишется:
|
Wл(р)
= Wпу(р)Wоу(р)Wду(р)Wэму(р)Wд(р)Wр(р),
|
(4.3)
|
Передаточная функция линейной системы в
развернутом виде запишется:
|
(4.4)
|
|
|
ггде
|
К
= КпуКоуКэмуКдКр .
|
|
|
|
Передаточная функция разомкнутой системы:
Для замкнутой системы, при выходном сигнале
рассогласования Θ, запишем:
|
.(4.6)
|
|
Преобразуем передаточную функцию замкнутой
системы:
|
.(4.7)
|
|
На основании передаточной функции можно записать
уравнение замкнутой системы:
|
(4.8)
|
|
Исходя из данного уравнения, запишем выражение
для годографа Михайлова. Для этого в левой части уравнения заменим р на jω:
|
(4.9)
|
|
Разделим вещественные и мнимые части:
,
|
(4.10)
|
|
Предположим, что рассматриваемая система
находится на границе устойчивости, но в этом случае годограф Михайлова должен
проходить через начало координат. Это произойдёт при частоте ωн.
Пусть амплитуда колебаний, в этом случае, будет равна ан.
Для этой точки можно записать:
,
|
(4.11)
|
|
Решим данную систему графически с помощью
программы mathcad, построив кривые для первого и второго уравнения системы:
|
, (4.12)
|
|
|
ггде
|
q(a)
= q(aн,ωн), Т1 =
Тду , Т2 = Тэму , Т3 = Тд .
|
|
|
|
Рисунок 4.3 - Графоаналитический
метод решения системы
Анализируя график, видим, что кривые
не пересекаются. Значит, система решений не имеет. Таким образом, в
скорректированной системе автоколебания не возникнет.
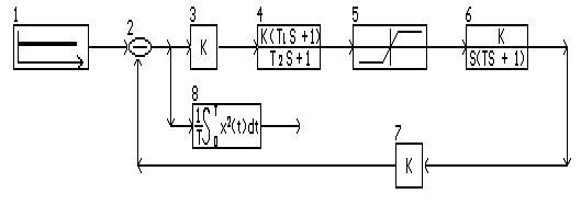
5. Нахождение оптимальных параметров
корректирующего звена с использованием интеграла качества
Оптимальной будем считать такую
систему, структура и параметры которой выбраны в соответствии с экстремальным
значением некоторой целевой функции (ЦФ). Процедуру выбора оптимальных
параметров реализует siam в режиме параметрической оптимизации. В соответствии
с некоторым алгоритмом изменяется один или несколько параметров модели
(оптимизируемых параметров) таким образом, чтобы для момента модельного времени
t = tK всемерно уменьшить выходной сигнал некоторого блока. Этот выходной
сигнал отождествляется с целевой функцией. В данном случае перед проведением
оптимизации исходная модель была дополнена блоком, формирующим целевую функцию
- интеграл качества (рисунок 5.1):
, где
- анализируемый сигнал;
- время
интегрирования. Используется метод покоординатного спуска, интервал
неопределенности параметров 0,1%.
Рисунок 5.1 - Нахождение оптимальных
параметров корректирующего звена
Для улучшения характеристик системы
оптимизируем параметр корректирующего звена, а конкретно постоянную времени
Тду.
Результаты оптимизации: целевая
функция вычислялась 46 раз, улучшалась 4 раза и достигла значения 0,580946000.
В модели установилось оптимальное значение параметра Тду = 1,38292000.
6. Определение показателей качества
по переходным процессам в некорректированной системе, скорректированной, с
насыщением и оптимизированной
Переходные характеристики в
некорректированной системе, скорректированной, с насыщением и оптимальной
построим на ЭВМ с использованием SIAM (рисунки 6.1, 6.2, 6.4, 6.6). По данным
графикам можно определить основные показатели каждой автоматической системы:
максимальное перерегулирование (максимальный заброс регулируемого параметра в
процентах
),
статическая ошибка (отклонение регулируемого параметра от заданного в
установившемся режиме в процентах
), время регулирования tр
(длительность переходного процесса от начала до точки входа в зону 2Δ, где Δ = 5% от входного
сигнала), колебательность (число полных колебаний за время регулирования).
Точное определение этих параметров можно сделать с помощью таблиц (6.1- 6.4).
Расчеты параметров качества приведены ниже.
Рисунок 6.1 - Переходный процесс в
некорректированной системе
Из рисунка 6.1 видно, что переходный
процесс расходящийся, а значит, система неустойчива и показатели качества
вычисляться не будут.
Рисунок 6.2 - Переходный процесс в
скорректированной системе
Рисунок 6.3 - Схема
скорректированной системы с насыщением в усилителях
Рисунок 6.4 - Переходный процесс в
скорректированной системе с насыщением в усилителях
Рисунок 6.5 - Схема оптимизированной
системы

Таблица 6.1
Скорректированная система
t
Θ
0.000000000
1.000000000 Uo
.002020200
0.985538000
.004040400
0.945830000
.006060600
0.886216000
.008080800
0.811695000
.038383800
-0.138873000
.040404000
-0.146736000
.042424200
-0.149260000 Umax
.044444500
-0.147272000
.046464700
-0.141578000
.010101000
0.726843000
.012121200
0.635769000
.014141400
0.542058000 t при 5 %
.016161700
0.448776000
.018181900
0.358460000
.197979000
-0.002820380
.200000000
-0.002838740
.202020000
-0.002838740 tуст
Таблица 6.2
Система с насыщением в усилителе
t
Θ
0.000000000
1.000000000 Uo
.181819000
0.998471000
.363637000
0.993633000
.545455000
0.985616000
.888800000
0.545650000
.040430000
0.506629000
.242420000
0.4694800000 t при 5 %
.181810000
0.433593000
.363630000
0.399334000
.63630000
0.000732363
.81810000
0.000674009
.00000000
0.000620424
.18190000
0.000620424 tуст
Таблица 6.3
Оптимизированная
система Θ
0
1
.000000000
1.000000000 Uo
.202021000
0.998150000
.404041000
0.992780000
.616140000
0.555337000
.838390000
0.516365000
.000000000
0.476638000 t при 5 %
.202020000
0.436253000
.404040000
0.395571000
.39400000
0.000006198
.59600000
0.000005364
.79800000
0.000004589
.00000000
0.000003993 tуст
) Показатели качества скорректированной системы:
|
;
|
|
|
;
|
|
|
с;
|
|
|
Колебательность
= 1.
|
|
2) Показатели качества скорректированной системы
с насыщением:
автоматическая система частотная
усилитель
|
;
|
|
|
;
|
|
|
с;
|
|
|
Колебательность
= 0.
|
|
3) Показатели качества оптимизированной системы
с насыщением:
|
;
|
|
|
;
|
|
|
с;
|
|
|
Колебательность
= 0.
|
|
Заключение
Представим результаты определения качества
автоматической системы дистанционного согласования по углу РЛС и ПУ в виде
таблицы:
|
Система
|
σ,
%
|
δ,
%
|
tP,
с
|
Колебательность
|
|
|
Не
скорректированная
|
-
|
-
|
-
|
Расходящиеся
колебания
|
|
|
Скорректированная
|
14,926
|
0,283
|
0,014
|
1
|
|
|
Скорректированная
с насыщением в усилителе
|
0
|
0,062
|
4.24242
|
0
|
|
|
Оптимизированная
|
0
|
0.0003993
|
4.000
|
0
|
|
|
|
|
|
|
|
|
Анализируя эти данные можно сделать следующие
выводы:
Нескорректированная система неустойчива, и
поэтому не может быть применена на практике;
Явление выхода усилителя в насыщение приводит к
затягиванию переходного процесса, т. е. быстродействие системы резко
уменьшается, чтобы этого не происходило необходимо выбирать усилитель
соответствующим образом;
Для получения качественной автоматической
системы необходимо на этапе расчета производить оптимизацию звеньев. В данной
курсовой работе было показано что, оптимизируя хотя бы один параметр звена
можно значительно улучшить работу всей системы.
Список использованных источников
СТП
РГАТА 101-01: Общие требования к оформлению учебных документов. Текстовые
документы. РГАТА
СТП
РГАТА 101-02: Общие требования к оформлению учебных документов. Графические
документы. РГАТА
Конспект
лекций по дисциплине «Основы автоматики и системы автоматического управления».
Фараонов
В. В. Система автоматизированного моделирования и параметрической оптимизации.
Руководство пользователя. Совместное советско-австрийское предприятие
«Учебно-инженерный центр МВТУ-Фесто Дидактик». Москва, 1990 (Электронная
копия).
1.