|
Параметр
|
Обозначение
|
Значение
параметра
|
|
Частота
|
fр
|
400 Гц
|
|
Напряжение возбуждения
|
Uвозб
|
40 В
|
|
Напряжение
управления последовательное
|
Uупр посл
|
24 В
|
|
Напряжение
управления параллельное
|
Uупр парал
|
12 В
|
|
Напряжение
трогания двигателя
|
Uтрог
|
0.6 В
|
|
Полное
сопротивление обмотки возбуждения
|
Zвозб
|
(77+j·121) Ом
|
|
Полное
сопротивление обмотки управления
|
Zупр
|
(25+j·50) Ом
|
|
Мощность
возбуждения
|
Рвозб
|
5.5 Вт
|
|
Мощность
управления
|
Рупр
|
5.5 Вт
|
|
Cos j обмотки управления
|
Cos jупр
|
0.5
|
|
Cos j обмотки возбуждения
|
Cos jвозб
|
0.5
|
1. Выбор конфигурации и расчет выходного каскада
.1 Выбор конфигурации выходного каскада
С точки зрения уменьшения потерь предпочтительно выполнить
выходной каскад по схеме, работающей в режиме В. Рекомендуется использовать
двухтактный каскад па базе биполярных транзисторов. С учетом конструкции
предлагаемых в задании двигателей (с двойной управляющей обмоткой) имеет смысл
строить каскад по бестрансформаторной схеме, с включением дополнительного
конденсатора параллельно управляющей обмотке.
В соответствии с изложенным схема каскада имеет вид,
представленный на рисунке 1.
Рисунок 1. Схема выходного каскада
Здесь изображен двухтактный каскад усиления, транзисторы
включены по схеме с общим эмиттером.
1.2
Выбор транзистора
Необходимо
выбрать транзистор, который бы соответствовал требуемым электрическим
характеристикам каскада. Предпочтительно использовать кремниевые транзисторы,
т.к. они имеют лучшие характеристики при работе в условиях повышенных
температур.
Первичный выбор транзистора осуществляется по трём
параметрам:кэ-мaкс - максимальное (для данной схемы) значение
напряжения на закрытом транзисторе, Pрас-мaкс - максимальная (для
данной схемы) мощность рассеяния на транзисторе,
Iк-макс. - максимальный (для данной схемы) ток через
коллектор.
Допустимые значения соответствующих параметров выбираемого
транзистора, приводимые в справочных материалах, должны быть строго больше
указанных величин.
=33.94 (В),
=1.117 (Вт).
Две обмотки управления со средней точкой можно рассматривать как автотрансформатор
с коэффициентом трансформации n=0.5.
Рассчитаем конденсатор Спр, приведенный к одной обмотке, из условия
резонанса с индуктивностью обмотки управления на рабочей частоте
Для приведенной емкости получим:
.
Тогда для конденсатора Су справедливо:
Выберем Су = 2,2 (мкФ).
Рассчитаем максимальный ток через коллектор:
Для обеспечения большей линейности характеристик каскада
рекомендуется выбирать Rэ таким, чтобы максимальное падение напряжения на
нем URэ max равнялось (1 - 1,5) В:
Выберем
=1,5 Ом.
По полученным значениям трёх основных параметров из справочника
выбирается транзистор, удовлетворяющий условиям:
Этим параметрам соответствует транзистор КТ815Г, в таблице 3
приведены справочные данные на выбранный транзистор.
Таблица 3 - Справочные данные на транзистор КТ815Г
|
Обозначение
|
Значение
параметра
|
Описание
|
|
30Минимальный статический коэффициент
передачи по току при Tк =298К
|
|
|
|
Iб-const, А
|
0.5
|
Постоянный ток
базы
|
|
Iк-обр,
мА
|
1
|
Обратный ток
коллектора при Tк =373К
|
|
Iк-сonst, А
|
1.5
|
Постоянный ток коллектора
|
|
Pрас-доп,
Вт
|
1
|
Мощность,
рассеиваемая без теплоотвода при Tк =233-298К.
|
|
Pрас-т-доп,
Вт
|
12
|
Мощность,
рассеиваемая с теплоотводом при Tк =233-298К
|
|
Iб-макс, A
|
0.5
|
Максимальный
ток базы
|
|
Uкэ-доп,
B
|
80
|
Напряжение
коллектор-эмиттер допустимое
|
|
Uкэ-нас, B
|
0,6
|
Напряжение
коллектор-эмиттер насыщения
|
|
Uбэ-доп,
В
|
5
|
Постоянное
напряжение база - эмиттер при Tк =213-273К
|
|
Т, K
|
233-373
|
Температура
окружающей среды
|
|
Тп-доп, К
|
398
|
Максимально
допустимая температура перехода
|
Так, как допустимая мощность, рассеиваемая без теплоотвода, Pрас-доп,
меньше, чем Pрас-мaкс, то потребуется применить теплоотвод.
Многие параметры транзистора зависят от температуры.
Допустимое значение температуры p-n-перехода транзистора: Тп-доп =398 К, её нельзя
превышать, т.е. следует задаться рабочей температурой перехода, исходя из
условия:
Токр < Тпр< Тп-доп,
т.е. для нашего случая:
К < Тпр< 398 (К).
Пусть Тпр =373 К, тогда запас по температуре
(К).
Определим максимальный ток базы транзистора для данной схемы:
Максимальное напряжение база-эмиттер Uбэ-макс можно
выбрать из диапазона:
Пусть
, тогда максимальное значение входной
мощности каскада
:
1.3
Расчёт термических сопротивлений и площади теплоотвода
Рассчитаем
уточненную мощность рассеяния на транзисторе с учетом наличия ненулевого
напряжения Uкэ-нас на открытом транзисторе, а также тока утечки закрытого
транзистора:
где Pдоб - добавочная мощность, обусловленная
током утечки закрытого транзистора.
Ток утечки равен обратному току коллектора Iк-обр, при
выбранной рабочей температуре. Это значение берется из справочных данных в
таблице 3.
определяется как:
Теперь рассчитаем требуемое термическое сопротивление
«переход-среда»:
Далее, чтобы рассчитать требуемое термическое сопротивление
«теплоотвод-среда» Rт-т-ср, учтем, что при размещении транзистора на теплоотводе Rт-п-ср определяется тремя составляющими:
Rт-п-ср= Rт-п-к+ Rт-к-т+ Rт-т-ср,
где Rт-п-к - термическое сопротивление «переход-корпус», Rт-к-т - термическое сопротивление «корпус-теплоотвод», Rт-т-ср - термическое сопротивление «теплоотвод-среда». Если знать
два первых слагаемых данного уравнения, то Rт-т-ср
можно найти как
Так, как термическое сопротивление «переход-корпус» Rт-п-к не дано в явном виде, то
оно находится по максимально допустимой температуре перехода Тп-доп
и температуре, для которой дано значение Pрас-т-доп,
При наличии прокладок:
Зная эти величины, рассчитываем требуемое термическое
сопротивление «теплоотвод-среда»:
Далее находим требуемое значение площади теплоотвода по
эмпирической формуле:
,
где Rт-т-ср подставляется в К / Вт.
1.4 Расчет параметров источника питания
Рассчитаем основные параметры источника питания
,
и
.
Найдем
по формуле:
.
На неидеальном открытом транзисторе имеется падение напряжения Uкэ-нас, что должно быть учтено при расчете
:
Найдем
по формуле:
2. Выбор конфигурации и расчет цепи предварительного усиления и
схемы подавителя квадратурной помехи
Для обеспечения высоких коэффициентов усиления цепи целесообразно
использовать серийно выпускаемые микросхемы операционных усилителей (ОУ).
Поскольку обычно не рекомендуется делать усиление одного каскада более 100, то
потребуется последовательное включение нескольких каскадов. Связь последней
микросхемы с выходным каскадом легче всего выполнить при помощи согласующего
трансформатора.
Для построения подавителя квадратурной помехи необходимы
электронные ключи. Ключи на базе биполярных транзисторов обычно имеют более
высокое остаточное (паразитное) напряжение, которое при достаточно большом
усилении последующих каскадов может привести к пуску двигателя даже при
отсутствии соответствующего полезного управляющего сигнала. Ключи на базе
полевых транзисторов позволяют избежать этой опасности без принятия специальных
мер, поэтому применение полевых транзисторов или специальных микросхем, содержащих
ключи на базе полевых транзисторов, в данном случае выглядит целесообразным.
2.1 Выбор микросхемы ОУ
Выходная мощность микросхемы должна удовлетворять условию:
,
где η -
коэффициент полезного действия согласующего трансформатора, который
предварительно можно условно принять равным 0,8, а
- максимальное значение ранее
рассчитанной входной мощности выходного каскада. Частотные характеристики ОУ в
данном случае некритичны, поскольку рабочая частота 400 Гц является низкой. По
справочнику выбираем микросхему К140УД6. В таблице 4 приведены паспортные
параметры выбранной микросхемы.
Таблица 4 - Паспортные данные микросхемы К140УД6
|
Обозначение
|
Значение
параметра
|
Описание
|
|
Uп мс, В
|
Напряжение питания
|
|
|
Iпот ОУ, мA
|
4
|
Ток потребления
микросхемы
|
|
Uвых-мс-макс, В
|
11
|
Выходное
напряжение микросхемы
|
|
Rн-мс, кОм
|
Сопротивление нагрузки
|
|
|
Кос,
дБ
|
Коэффициент ослабления пульсаций
питающего напряжения
|
|
Выходная мощность микросхемы определяется как:
следовательно, условие выполняется.
2.2 Выбор согласующего трансформатора
Согласующий трансформатор выбирается по значению коэффициента
трансформации n
и номинальной мощности трансформатора Рном-тр согласно условию:
каскад трансформатор асинхронный двигатель
По справочнику выбираем трансформатор Т 0.5-5. в таблице 5
приведены параметры трансформатора Т 0.5-5.
Таблица 5 - Параметры трансформатора Т 0.5-5
|
Обозначение
|
Значение
параметра
|
Описание
|
|
N
|
0.2
|
Коэффициент
трансформации
|
|
r1, Ом
|
29
|
Сопротивление
первичной обмотки току при
|
|
r2, Ом
|
1.7
|
Сопротивление
вторичной обмотки току при
|
|
U1тр, В
|
15
|
Напряжение на
первичной обмотке
|
|
Рном-тр,
Вт
|
0.5
|
Номинальная
мощность трансформатора
Uн > Uбэ-макс + URэ-макс=1+1=2 (В).
Если да, то трансформатор может быть использован.
Рисунок 2 - Эквивалентную схему трансформатора
Для нахождения Uн оценим потери ΔU на сопротивлениях и по формулам:
.137>2, следовательно необходимое условие выполняется и
трансформатор подобран правильно.
2.3 Расчёт предварительных усилителей
Структурная схема цепи усиления, обеспечивающая необходимый
коэффициент усиления, приведена на рисунке 3. Согласующий трансформатор Т2
обеспечивает связь предварительного и выходного усилителей. Трансформатор Т1
служит для управления ключами
Рисунок 3 - Структурная схема цепи усиления
По условию необходимо обеспечить коэффициент усиления =20000. Примем коэффициент передачи
подавителя помех Кпп= . Рассчитаем коэффициент усиления выходного каскада (Квк)
по формуле:
Общий коэффициент усиления определяется по формуле:
положим К1=К2=К3=К. Отсюда найдем К - такое значение коэффициента
усиления, при котором обеспечивается необходимый общий коэффициент усиления:
Расчет резисторов
Произведем расчет первого усилителя. Примем, что через резисторы протекает некоторый ток значительно меньший, чем максимальный выходной ток микросхемы.
Так, как максимальный выходной ток не известен, то вместо него возьмем ток
потребления микросхемы. Тогда можно составить систему уравнений для нахождения и :
Выбираем Rk1=6,2 (кОм).
Выбираем Roc=270 (кОм).
Определим номинал резистора :
Выбираем =6,2 (кОм).
Расчет конденсаторов
Рассчитаем емкости разделительных конденсаторов С1, С2 и С3,
используемых для развязки по постоянному напряжению между каскадами усиления.
Определим параметры разделительных конденсаторов по формуле:
Выбираем С2 =С1=
0.68 (мкФ).
Для расчета найдем приведенное эквивалентное сопротивление
на входе согласующего трансформатора Т2.
Выберем Rпр=1,2 (кОм).
где r1 - сопротивление первичной обмотки, r2 - сопротивление вторичной обмотки, n-коэффициент передачи, Rн - сопротивление
нагрузки трансформатора.
выберем из соотношения:
Выберем С3= 1 (мкФ).
2.4 Расчет подавителя квадратурной помехи
Подавитель состоит из последовательно включенных демодулятора,
RC-звена и модулятора, рисунок 4.
Рисунок 4 - Подавитель квадратурной помехи
Выберем полевые транзисторы VT3, VT. КП304А - кремниевый
диффузионно-планарный полевой с изолированным затвором и индуцированным
каналом. Паспортные характеристики транзистора приведены в таблице 6.
Таблица 6 - Паспортные характеристики транзистора КП304А
|
Обозначение,
принимаемое в расчетах
|
Значение
параметра
|
Описание
|
|
RСИ [Ом]
|
100
|
Сопротивление
сток-исток в открытом состоянии при UЗИ =20 В, IЗИ = 1
мА.
|
|
IНАЧ [мкA]
|
0.2 (3)
|
Начальный ток
стока при UСИ =25 В, UЗИ =0 В при Т=298К (при Т=358К)
|
|
IУТ [нА]
|
20
|
Ток утечки
затвора при UСИ =0 В, UЗИ =30 В
|
|
UПОР
[B]
|
5
|
Пороговое
напряжение при UСИ =10 В, IC =10 мкА.
|
|
PРАС [мВт]
|
200 (100)
|
Постоянная
рассеиваемая мощность при Т=213-358 К (398К)
|
|
ТОС ДОП [K]
|
213-398
|
Температура
окружающей среды.
|
|
Uзи [B]
|
Напряжение
затвор исток
|
Для нахождения емкости конденсатора С’ необходимо задаться t - постоянной времени
заряда конденсатора С’. Она выбирается из условия:
t
где T - период следования сигнала.
С’ =
Выберем С’=1 (мкФ).
R’ возьмем значительно меньшим (хотя бы в 5 раз), чем R’’. А сопротивление Rп - хотя
бы в 5 раз меньшим, чем R’, R’=1.16к (Ом), Выберем резистор номиналом 1,2 (кОм).
Rп=232
(Ом).
Конденсатор СП рассчитаем по формуле:
Выберем конденсатор номиналом 17,2 (кОм).
Амплитудное значение напряжения UУПР ПКП должно
удовлетворять требованию открывания транзистора:
Uзи> UУПР ПКП макс> UПОР,
> UУПР ПКП макс> 5,
Диоды D1 и D2 можно взять маломощные. Возьмем КД510, характеристики которого
представлены в таблице 7.
Таблица 7 - Паспортные характеристики диода КД510
|
Обозначение,
принимаемое в расчетах
|
Значение
параметра
|
Описание
|
|
Iобр [мкA]
|
Постоянный или средний обратный ток
|
|
|
Iпр.max [мA]
|
30
|
Максимальный
прямой ток
|
|
Uобрmax [В]
|
50
|
Обратное
падение напряжения на диоде
|
Отсюда можно найти сопротивления RОГ1= RОГ2 по формуле:
,
выберем RОГ=510 (кОм).
3. Организация питания выходного каскада и
операционных усилителей
3.1 Организация питания выходного каскада
Рисунок 5 - Схема диодного блока
Целесообразно использовать диодный блок (в интегральном
исполнении), в котором диоды соединены по мостовой схеме, рисунок 5. Для выбора
блока необходимо знать средний и максимальный токи через диоды и обратные
напряжения на них.
Так, как на выходной каскад должно подаваться сглаженное
напряжение, то необходим фильтрующий (сглаживающий) конденсатор СФ1..
Для выходного каскада известны и . Средний ток через диод
определяется по формуле:
Рассчитаем эквивалентное сопротивление нагрузки источника питания:
Зададимся некоторым коэффициентом пульсации Кп≤6-7%.
При таком коэффициенте пульсации можно аппроксимировать временную диаграмму
напряжения, получаемого на выходе фильтра, отрезками прямых. Тогда справедлива
формула для расчета емкости конденсатора: Кп=5%.
Выберем конденсатор 330 мкФ.
Чтобы оценить пиковые значения зарядного тока Iпик, протекающего через диоды и конденсатор, можно
воспользоваться специальными таблицами (графиками), дающими зависимость . Можно также прибегнуть к графическому
методу оценки: зная и , найдем постоянную времени цепи разряда: τ
= . Затем построим диаграмму напряжения, отложив τ
по оси времени, рисунок 6.
Рисунок 6 - диаграмма напряжений
Отсюда графически оценим отношение времен заряда и разряда (tзар/ tразр).
Соотношения токов разряда и заряда приблизительно обратно
пропорциональны соотношениям соответствующих времен: (Iразр / Iзар.)= (tзар /tразр).
Поскольку при максимальном потреблении тока от источника:
Iразр=Iп-макс,
то ток заряда найдем как:
Iзар.= Iп-макс (tразр /tзар)= 1.94 (А).
Пиковый ток через диод:
Iпик =Iзар+ Iп-макс =2.593 (А).
Максимальный ток через диод:
Iд-макс= Iпик =2.593 (А).
С учетом падения напряжения на открытых диодах на входе моста
необходимо обеспечить:
Uвх.D4 макс= Uп - макс+2 Uд.прям=17.031+2*1=19.031 (В).
Обратное напряжение на диоде определим по формуле:
Uд-обр= Uвх.D4 макс - Uд.прям=19.031-1=18.031 (В).
где Uд-пр - падение напряжения на прямо включенном
(открытом) диоде, приблизительно равное 1В.
Далее выбираем диодный блок D4 из условий:
Выберем диодный блок, в таблице 8 приведены данные на диодный блок
КЦ 407А - диоды кремниевые в пластмассовом корпусе, соединенные по мостовой
схеме.
Таблица 8 - Диодный блок КЦ 407А
|
Обозначение,
принимаемое в расчетах
|
Значение
параметра
|
Описание
|
|
Iд.бл-ср [мA]
|
300
|
|
Iд.бл-ср [мA]
|
150
|
Постоянный или
средний прямой ток при T= 358°К
|
|
Uд.бл-обр [В]
|
500
|
Обратное
падение напряжения на диоде
|
|
Iд.бл-макс [А]
|
3
|
Прямой
импульсный ток
|
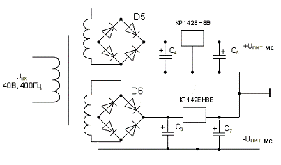
3.1 Организация питания операционных усилителей
Микросхемы операционных усилителей требуют питания сглаженным
стабилизированным напряжением. Для организации такого питания можно использовать
интегральную сборку сдвоенного диодного моста и микросхему двуполярного
стабилизатора напряжения, или же отдельно два мостовых выпрямителя и два
стабилизатора напряжения. Мы используем последний вариант. Он показан на
рисунке 7. По требуемому для ОУ значению Uп мс=±15В, выберем из
справочника стабилизаторы D7, D8 КР142ЕН8В, характеристики которого приведены в таблице 9.
Рисунок 7 - Организация питания микросхемы ОУ
Таблица 9 - Характеристики стабилизатора КР142ЕН8В
|
Обозначение,
принимаемое в расчетах
|
Значение
параметра
|
Описание
|
|
[В]35Максимальное входное напряжение
|
|
|
|
[В]17.5Минимальное входное напряжение
|
|
|
|
[В](14,55. 15,45)Выходное напряжение
при
|
|
|
|
[мА]1500Максимальный выходной ток
|
|
|
|
[мА]600Минимальный выходной ток
|
|
|
|
[дБ]30Коэффициент сглаживания пульсаций
|
|
|
|
[мА]20Ток потребления
|
|
|
В паспорте на микросхему КР142ЕН8В рекомендовано
придерживаться следующих условий:
Однако необходимо обеспечить уровень пульсаций напряжения на входе
КР142ЕН8В, при котором бы оно не опускалось ниже =17.5В. Зададимся амплитудным значением напряжения на выходе
диодного моста D5, например, Uвых.D5
макс = 20В. Тогда
приемлемым будет уровень пульсаций менее 2,5В. Потребуем 2В, т.е. 10%. Выясним,
какая понадобится емкость конденсатора С4 для обеспечения таких пульсаций.
Определим из рисунка 9 требуемую постоянную времени τ1.
Отложим на диаграмме Uвых.D5 макс = 20В и Uвых.D5 мин = 18В. Через полученные точки A и B проведем наклонную прямую. На пересечении
с осью абсцисс имеем τ1.
Рисунок 9 - Диаграмма напряжений
Найдем эквивалентное сопротивление нагрузки для одного из
диодных блоков. Ток, потребляемый стабилизатором, определяется потреблением
трех ОУ и собственным потреблением микросхемы стабилизатора. Значит,
Cреднее напряжение на выходе диодного блока при Uвых.D5 макс = 20В и уровне пульсаций 10% составит Uвых.D5 ср
=19В. Тогда
эквивалентное сопротивление нагрузки:
.
Отсюда требуемая емкость фильтрующего конденсатора:
Выбираем C4=20 (мкФ).
Для С6 получим тот же результат. С5 и С7 можно взять согласно
рекомендации паспорта на микросхему КР142ЕН8В (10 мкФ). Необходимое напряжение
на входе мостов:
Uвх.D5
макс= Uвых.D5 макс+2 Uд.прям=22 (В),
Прямое падение напряжения на диоде Uд.прям ≈1В.
Пиковый ток через диоды:
I.пикD5= IвыхD5 (tразр1 /tзар1)+ IвыхD5 = 128 (мА),
где времена tразр1, tзар1 определяются
графически. Средний ток: IсрD5 = IвыхD5=32 (мА).
Обратное напряжение на диоде определим по формуле:
Выбираем диодные блоки D5, D6 из условий:
Выбираем диодный блок КЦ 407А - диоды кремниевые в пластмассовом
корпусе, соединенные по мостовой схеме. Параметры блока приводятся в таблице
10.
Таблица 10 - Характеристики диодного блока КЦ 407А
|
Обозначение,
принимаемое в расчетах
|
Значение
параметра
|
Описание
|
|
Iд.бл-ср [мA]
|
300
|
Постоянный или
средний прямой ток при T= 328°К
|
|
Iд.бл-ср [мA]
|
150
|
Постоянный или
средний прямой ток при T= 358°К
|
|
Uд.бл-обр [В]
|
500
|
Обратное
падение напряжения на диоде
|
|
Iд.бл-макс [А]
|
3
|
Прямой
импульсный ток
|
3.3 Требования к выбору силового трансформатора
Необходимо обеспечить питание выходного каскада и
операционных усилителей, а также управление подавителем квадратурных помех,
используя силовой трансформатор, запитанный общим напряжением питания системы.
Чтобы удовлетворить всем заданным требованиям, необходим трансформатор с одной
первичной обмоткой и 5 вторичными. При выборе учитываем, что. Трансформатор
должен быть рассчитан на частоту 400 Гц. Климатические условия - такие же как и
для работы двигателя. Электрическая схема трансформатора представлена на
рисунке 11.
Рисунок 11 - Электрическая схема трансформатора
Действующие значения напряжений на вторичных обмотках:
U1= Uвх.D4 макс/√2= 13.5 (В) (для питания выходного каскада)
U2=U3=Uвх.D5
макс/√2= 15.6 (В)
(для питания ОУ)
Необходимо обеспечить баланс мощностей, то есть необходимая
мощность силового трансформатора:
Р сил.тр > Рупр + 2Ррасс.ут +
Рпотр.ОУ,
где Рпотр.ОУ - мощность, потребляемая блоком питания
ОУ:
Рпотр.ОУ ≈2 Uвых.D5 ср
IвыхD5=
Р сил.тр > 5.5+2.14+1.28=8.92
Список источников
1
В.В. Дубровский., Д.М. Иванов и др. «Резистроы: Справочник». Москва. Радио и
связь. 1991 г.
.
В.А. Веселов, Е.Б. Коротков Исполнительные устройства систем автоматики Часть 2
1983 г.
.
В.Г. Гусев, Ю.М. Гусев «Электроника». М.: Высшая школа, 1991
.
Н.Н. Горюнов «Полупроводниковые приборы: Транзисторы. Справочник Изд.2».
Похожие работы на - Проектирование и расчет каскада управления двухфазным асинхронным двигателем
|