Проект системы подчиненного управления электроприводом постоянного тока независимого возбуждения
ОГЛАВЛЕНИЕ
Аннотация
. Исходные данные, расчет параметров двигателя
. Выбор тиристорного преобразователя и расчет его параметров
. Структурная схема, определение расчетных параметров и
синтез регуляторов, модель системы и графики п.п
. Двухконтурная схема с учетом ЭДС двигателя
. Двухконтурная схема с учетом зазора и упругости
. Позиционная система
. Двухзонная система регулирования
. Расчет датчика ЭДС
. Индивидуальное задание
. Разработка принципиальной схемы, выбор защиты и расчет
установок, блокировки и сигнализации
Библиографический список
АННОТАЦИЯ
Рассчитана и спроектирована система подчиненного управления
электроприводом постоянного тока независимого возбуждения. В проекте приводятся
структурные и принципиальные схемы силовой части системы, регуляторов,
релейно-контакторная схема системы, приведены структурные схемы для расчета
переходных процессов с использованием пакета программ Vissim 5.0. Показаны графики переходных процессов для
двухконтурной, позиционной, двухмассовой систем, а также системы двухзонного
регулирования скорости. В индивидуальной части мной былоисследовано влияние
величины J2на статические и динамические характеристики системы.
1. ИСХОДНЫЕ ДАННЫЕ
Исходные данные приведены в таблице 1.
Таблица1 - Исходные данные.
|
J2/J1
|
C12
|
Δφ
|
Регулятор скорости(РС)
|
Регулятор положения(РП)
|
|
15
|
9·Мн
|
0,2 рад
|
ПИ
|
Параболический
|
Для расчетов примем двигатель постоянного тока независимого возбуждения
типа ДП-12[5]. Основные данные двигателя сведены в таблицу2.
Таблица2 - Паспортные данные двигателя ДП-12
|
Номинальная мощность Рн,
кВт Номинальное напряжение Uн, В
Номинальный ток Iн, А
Номинальная частота вращенияnн,
об/мин Момент инерции якоряJ1, кг·м2
Число пар полюсов рn Сопротивление якорной цепи при 20°С(Rя + Rдп)20°,Ом Сопротивление
обмотки возбуждения при 20°СRв20°, Ом
Число витков обмотки возбуждения (на полюс)Wв Номинальный ток возбужденияIвн, А Номинальное напряжение возбужденияUвн, В Магнитный поток на полюс Ф, мВб
|
3 220 17,5 1200 0,05 2 1,43
260 1800 0,65 220 4,6
|
Приведём сопротивление обмоток к температуре 75°С:
Ом,
Ом.
Номинальная
угловая скорость двигателя:
Определим индуктивность якорной обмотки по формуле Уманского-Линвилля:
Гн,
где
k = 0,6 - для двигателей без компенсационной обмотки.
Определим
коэффициент передачи двигателя:
Определим
номинальный момент двигателя:
Определим
скорость идеального холостого хода:
Примем
также в качестве исходных данных:
Максимальная
скорость во второй зоне:
Пусковой
ток:
Пусковой
момент:
Сведём
все рассчитанные значения в таблицу 3.
Таблица
3 - Рассчитанные параметры двигателя
|
     
|
|
|
|
|
|
|
|
Ом
|
Ом
|
Гн
|
1/(В∙с)
|
Н∙м
|
Н∙м
|
рад/с
|
|
1,74
|
317
|
0,03
|
0,663
|
26,4
|
52,8
|
146
|
. ВЫБОР
ТИРИСТОРНОГО ПРЕОБРАЗОВАТЕЛЯ И РАСЧЁТ ЕГО ПАРАМЕТРОВ
.
Выбираем
преобразователь типа КТЭУ-25/220-132 22-УХЛ9 [2] с номинальными параметрами Idн= 25A, Udн = 230 B для
однодвигательного привода, реверсивный, с изменением полярности напряжения на
якоре, с двухзонной системой регулирования скорости.
Преобразователь
допускает перегрузку в течение времени:
|
% перегрузки
|
время, с
|
|
75
|
60
|
|
100
|
15
|
|
125
|
10
|
Считая, что двигатель работает с перегрузкой только в режиме пуска,
определим из уравнения движения время пуска, приняв, что пуск осуществляется с
постоянным ускорением до максимальной скорости при Мп= 2,5∙Мн
и Мс= Мн
т.е.
выбранный преобразователь перегрузку выдерживает с запасом.
СИФУ
преобразователя имеет косинусоидальное опорное напряжение. Управление мостами
раздельное.
Преобразователь
подключается к сети через двухобмоточный трансформатор ТСП - 10/0,7 УХЛ4 [2],
параметры которого приведены в табл. 4.
Таблица 4- Паспортные данные
трансформатора ТСЗП-100/0,7-УХЛ4
|
Тип Трансформатора
|
S1
|
U1
|
Uk%
|
U2
|
ΔPкз
|
I2
|
Тип соединения
|
|
кВА
|
В
|
-
|
В
|
Вт
|
А
|
-
|
|
ТСЗП-100/0,7-УХЛ4
|
7,3
|
0,38
|
4,7
|
205
|
320
|
20,5
|
D/Y -11
|
Определение параметров трансформатора по его паспортным данным:
Полное сопротивление фазы трансформатора:
В,
А,
Активное
сопротивление фазы трансформатора:
Индуктивное
сопротивление фазы трансформатора:
Полное
активное сопротивление якорной цепи:
=
2,34 Ом,
где
-сопротивление, определяющее коммутационное падение
напряжения в преобразователе;
mв- число пульсаций выпрямленного напряжения
преобразователя за период, в нашем примере mв=6.
Необходимая
индуктивность для сглаживания пульсаций выпрямленного тока определяется по
формуле:
,
где
uп= 0,25- относительная величина первой гармоники
выпрямленного напряжения для трёхфазных мостовых схем;
iп= [0,02…0,15]- допустимое действующее значение переменной
составляющей выпрямленного тока в относительных единицах (меньшие значения -
для двигателей большей мощности), примем в расчёте iп= 0,12;
wв- частота пульсаций выпрямленного тока, определяемая
из выражения:
wв= 2pfс×mв= 2·p·50·6 = 1884 рад/с.
В
результате подстановки получаем:
Индуктивность
якорной цепи:
Так
как индуктивность якорной цепи больше необходимой для сглаживания пульсаций, то
дополнительного сглаживающего дросселя не требуется.
Определим
постоянные времени.
Электромагнитная
постоянная времени якорной цепи:
Электромеханическая
постоянная времени:

Коэффициент
передачи преобразователя определяют по формуле:
где
UОП.max -
максимальное значение опорного напряжения, в нашем случае-UОП.max= 10 В.
Таким
образом,
Для выполнения обратной связи по скорости выбираем тахогенератор из
условия:
Принимаем тахогенератор постоянного тока ТП 130, с номинальными данными Pн = 0,115 кВт, nн= 2500 об/мин [4].
. ОПРЕДЕЛЕНИЕ
ПАРАМЕТРОВ РЕГУЛЯТОРОВ ТОКА И СКОРОСТИ
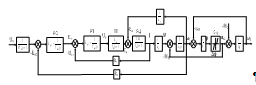
Расчётная структурная схема контура тока представлена на рис. 1.
Рис. 1.Расчётная структурная схема контура тока.
Определим коэффициент обратной связи по току из условия, что пусковой ток
равен Iп = 2·Iн:
Коэффициент
усиления пропорциональной части регулятора тока:
Постоянная
времени интегрирования регулятора тока:
Передаточная
функция регулятора тока:
.
График
переходного процесса I = f(t) представлен на рис.2
Рис.2
Переходный процесс I=f(t) в замкнутом контуре тока
Определим
настроечные параметры элементов регулятора тока (схема на рис. 3).
Рис.3.
Расчётная схема регулятора тока.
Примем
Сост= 0,5 мкФ. Коэффициент передачи по прямому каналу и каналу
обратной связи одинаковы, поэтому:
Rвх1т = Rвх2т =
Rост= Rвх×kрт= 135×0,194= 26,2 кОм.
Расчётная
структурная схема контура скорости представлена на рис. 4.
Рис.4.Расчётная
структурная схема контура скорости.
Коэффициент
обратной связи по скорости определим с учётом работы во второй зоне:
Коэффициент
усиления регулятора скорости:
Постоянная
времени интегрирования регулятора скорости:
Передаточная
функция регулятора скорости:
.
Графики
переходных процессов при пуске вхолостую и останове представлены на рис. 5,
динамическая электромеханическая характеристика - на рис. 6
Рис.
5 Переходные процессы в замкнутой системе без учета ЭДС при Mс=0
Рис.
6Динамическая характеристика без учета ЭДС двигателя при Mс=0
Графики
переходных процессов при работе с номинальной нагрузкой изображены на рис.7,
динамическая электромеханическая характеристика- на рис. 8.
Рис.
7 Переходные процессы в замкнутой системе без учета ЭДС при Mс=Mн
Рис.
8 Динамическая характеристика без учета ЭДС двигателя при Mс=Mн
Определим
настроечные параметры элементов регулятора скорости (см. схему на рис. 9).
Рис.9.
Расчётная схема регулятора скорости.
Примем
Сосс = 0,5 мкФ. Коэффициент передачи по прямому каналу и каналу
обратной связи одинаковы, поэтому:
Rвх1с= Rвх2с =
Rосc
= Rвх×kрс = 1,68×95,3= 160,1 кОм.
Определим
настроечные параметры фильтра на входе регулятора скорости (см. схему на рис.
10).
Рис.
10. Расчётная схема фильтра на входе регулятора скорости.
Примем
Cосф = 0,5
мкФ, тогда: Tф = 8∙Tп = 8∙0,01 = 0,08 с = Cосф∙Rосф;
Rосф =
=
кОм.
Т.
к. коэффициент передачи фильтра равен единице, то Rвх≈Rосф = 160
кОм.
Как
видно из графиков динамических скоростных характеристик, контур скорости,
настроенный на симметричный оптимум, отрабатывает сигнал задания на скорость
без погрешности при работе как вхолостую, так и при работе под нагрузкой.
Полученные результаты соответствуют стандартным настройкам на симметричный
оптимум и полностью подтверждают теоретические сведения.
4.
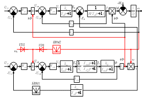
ДВУХКОНТУРНАЯ СИСТЕМА С УЧЁТОМ ЭДС ДВИГАТЕЛЯ
Структурная
схема системы подчинённого регулирования с учётом ЭДС двигателя представлена на
рис. 11.
Рис.11.
Структурная схема системы подчиненного регулирования с учетом ЭДС двигателя.
При
внесении обратной связи по ЭДС из внешнего контура во внутренний появляется
погрешность в отработке контуром тока сигнала задания. Эта погрешность тем
больше, чем меньше нагрузка двигателя.

Графики
переходных процессов ω=f(t) , I=f(t) и
Еп=f(t) замкнутой системы с учетом ЭДС двигателя при работе
вхолостую представлены на рис. 12, динамическая скоростная характеристика - на
рис. 13. То же при работе с номинальной нагрузкой - на рисунках 14 и 15
соответственно.
Механические
характеристики двигателя, разомкнутой и замкнутой систем изображены на рис.16.
Рис.
12 Переходные процессы в замкнутой системе с учетом ЭДС двигателя при Mс=0
Рис.
13 Динамическая характеристика с учетом ЭДС двигателя при Mс=0
Рис.
14 Переходные процессы в замкнутой системе с учетом ЭДС двигателя при Mс=Mн
Рис.
15. Динамическая характеристика с учетом ЭДС двигателя при Mс=Mн.
Динамическая характеристика с учетом ЭДС двигателя при Mс=Mн
Рис.
16 Механические характеристики естественной, разомкнутой и замкнутой системы
5.
АНАЛИЗ ВЛИЯНИЯ УПРУГОСТИ И ЗАЗОРА
Анализ
влияния упругости и зазора в передаче проведём с использованием структурной
схемы, изображенной на рисунке 17.
Рис.17.
Структурная схема системы подчиненного регулирования двухмассовой системы с
учетом упругости и зазора
Все
параметры расчётной структурной схемы определены ранее.
Графики
переходных процессов в двухмассовой электромеханической системе (ЭМС) с зазором
и упругостью и динамические электромеханические характеристики при работе
вхолостую и под нагрузкой изображены на рисунках 18-21.
В
двухмассовой ЭМС в начальный момент времени вторая масса движется вниз, а
двигатель начинает разгоняться в противоположенную сторону. При закрытии зазора
и возникновении упругого момента вторая масса начинает разгоняться вверх,
двигатель же тормозиться и кратковременно переходит в четвертый квадрант. Далее
привод разгоняется с колебаниями по амплитуде вокруг заданного момента. Наличие
зазора и упругости значительно увеличивает динамические нагрузки в механической
части привода. Снизить нагрузки можно путем уменьшения ускорения в зазоре, т.е.
на время выбора зазоров уменьшить задание, а затем разгоняться до номинальной
скорости. При работе под нагрузкой возникает ошибка в отработке сигнала задания
на скорость, связанная с ограничением ЭДС преобразователя на уровне Еd0итока якоря на уровне
пускового.
Рис. 18 Переходные процессы в двухмассовой ЭМС с зазором и упругостью при
Мс=0
Рис. 19 Динамическая характеристика системы с зазором и упругостью при Мс=0
Рис. 20 Переходные процессы в двухмассовой ЭМС с зазором и упругостью при
Мс=Mн
Рис. 21 Динамическая характеристика системы с зазором и упругостью при Мс=Mн
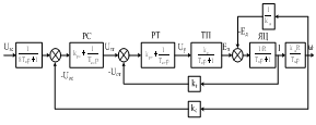
6. ТРЁХКОНТУРНАЯ ПОЗИЦИОННАЯ СИСТЕМА
При проектировании позиционной системы следует обратить внимание на
отработку заданных перемещений без перерегулирования и с минимальным
дотягиванием. Расчетная схема позиционной системы изображена на рис.22.
Рис.22.
Расчетная схема позиционной системы.
В
позиционной системе вместо ПИ-регулятора скорости будем использовать
П-регулятор. Для исследования спроектированной системы зададим среднее
перемещение. Для этого по графикам переходных процессов в двухконтурной системе
выберем скорость w1 ≈
0,9·wн=
0,9·125,6 = 113 рад/с. Если считать ускорения разгона и торможения одинаковыми,
то перемещение равно
.
Время
можно определить из уравнения движения:
Отсюда
имеем:
Sср = 113 ∙ 1,71 =193 рад.
Коэффициент
обратной связи по положению тогда будет равен:
Передаточная функция параболического регулятора положения
При моделировании целесообразно пользоваться зависимостью:
Uвыхрп= f(Uвхрп);
Передаточная
функция регулятора положения определена с целым рядом упрощений в контуре тока
и скорости, поэтому для получения нужного качества регулирования оказалось
необходимым скорректировать полученную зависимость между входным и выходным
напряжениями регулятора положения.
Переходные
процессы ω
=f(t),I=f(t), S = f(t) и Еп=f(t)при
отработке перемещения S=193 радиан представлены на рис. 23.
Рис.
23 Переходные процессы в позиционной системе
Время
отработки перемещения - 6 с. Перерегулирование отсутствует.
.
ДВУХЗОННАЯ СИСТЕМА РЕГУЛИРОВАНИЯ
Структурная
схема системы управления полем двигателя изображена на рисунке 24.
Рис. 24. Структурная схема с регулятором магнитного потока.
Определим параметры структурной схемы.
Индуктивность обмотки возбуждения без учёта вихревых токов [1]:
где
pn= 2 - число пар полюсов;
s= 1,2 - коэффициент
рассеяния обмотки главных полюсов;
Wв= 1800 - число витков на полюс независимой обмотки
возбуждения.
Индуктивность
обмотки возбуждения рекомендуется определять при Ф = Фmin, тогда при увеличении магнитного потока запас по фазе будет
увеличиваться [6].
Рис.
25 Кривая намагничивания
В
районе точки 0,5Фн:
DФ= 0,009Вб, DIв= 0,091A.
Постоянные
времени обмотки возбуждения:
Принимаем
Твт= 0,1Тв , тогда Твт= 0,0275с.
Суммарная
постоянная времени обмотки возбуждения

где
Считаем,
что темп разгона во второй зоне должен быть такой же, как и в первой зоне:
Тогда
требуемый коэффициент форсировки будет равен:
Коэффициент
форсировки возбудителя:
Из
условия b= bтр можем найти Edo:
Edo= b×Rв×Iвном= 1,03×317×0,65 = 212 В.
При
питании трёхфазной мостовой схемы выпрямителя от сети 220 В через реактор можно
получить напряжение
Edo=
1,35×220= 297 В,
т.е.
необходимая форсировка обеспечивается. В этом случае получим:
Примем
постоянную времени тиристорного возбудителя Твп= 0,01 с.
Передаточная
функция регулятора магнитного потока
где
Коэффициент
пропорциональной части регулятора:
Для
моделирования передаточную функцию регулятора целесообразно представить в виде:
Следует
иметь в виду, что kф-
коэффициент, зависящий от насыщения магнитной системы машины. Поэтому при
моделировании используется зависимость Ф= f(Iв) в виде, изображенном на рисунке25.
Расчётная
структурная схема контура ЭДС представлена на рис. 26, где замкнутый контур
магнитного потока представлен передаточной функцией:
Рис.26.Расчётная
структурная схема контура ЭДС.
Для
определения
найдём Еном:
Еном
= Uн - IнRа
= 220 - 17,5× 1,74 = 190 В.
Отсюда:
Коэффициент
обратной связи по ЭДС будет равен:
Постоянная
времени якоря двигателя:
Контур
ЭДС настраивается на модульный оптимум. В этом случае передаточная функция
регулятора ЭДС описывается интегральным звеном:
Следует
иметь в виду, что коэффициент пропорциональной части передаточной функции
регулятора скорости зависит от магнитного потока:
поэтому
при работе во второй зоне в контур скорости вводится коррекция. Сигнал обратной
связи по ЭДС двигателя снимается с датчика ЭДС.
Полученные
в результате расчётов параметры регуляторов сведены в таблицу5.
Таблица
5 - Результаты расчетов параметров регуляторов
|
Тв
|
Твт
|
ТвΣ
|
kрф
|
kпв
|
Тя'
|
|
c
|
с
|
c
|
-
|
-
|
C
|
|
0,275
|
0,0275
|
0,303
|
10,5
|
29,7
|
0,0172
|
|
kф
|
kоф
|
Тиф
|
ТвΣном
|
kе
|
kоэ
|
|
Вб/А
|
В/Вб
|
с
|
-
|
-
|
|
0,00708
|
2174
|
0,00289
|
0,177
|
329
|
0,0421
|
Общая структурная схема двухзонного регулирования скорости двигателя
постоянного тока с независимым возбуждением представлена на рис. 27.
Рис.27. Структурная схема двухзонного регулирования.
Графики изменения потока при пуске во вторую зону и торможении вхолостую
и под нагрузкой представлены на рис. 28 и рис. 31. Графики процессов I=f(t), Еп=f(t)и ω=f(t) и динамические
характеристики ω=f(I,t)при пуске во вторую зону и
торможении вхолостую и с нагрузкой приведены на рис. 29-30 и рис. 32-33.
Рис. 28 График изменения потока при работе во второй зоне вхолостую
сигнализация
структурный силовой регулятор
Рис. 29 Переходные процессы в системе двухзонного регулирования при Мс=0
Рис. 30 Динамическая механическая характеристика двухзонного
регулировании при Мс=0
Рис. 31 График изменения потока при работе во второй зоне под нагрузкой
Рис. 32 Переходные процессы в системе двухзонного регулирования при Мс=Mн
Рис. 33 Динамическая механическая характеристика двухзонного
регулировании при Мс=Mн
Анализируя графики переходных процессов (рис. 28 и рис.31) в системе
двухзонного регулирования, можно сделать вывод о недостаточном быстродействии
контура потока и, как следствие, контура ЭДС, т. е. несоответствии его
настройке на модульный оптимум. Это меньше проявляется при пуске с нагрузкой,
т. к. процесс разгона происходит медленнее, чем без нагрузки. Однако при
торможении с нагрузкой, когда скорость уменьшается более интенсивно, чем при
работе вхолостую, имеем, наоборот, более явное проявление описанного выше
свойства контура потока. Подобное несоответствие теории объясняется
погрешностями при расчёте параметров регуляторов контура, ограничением значения
ЭДС возбудителя Епв и большой инерционностью обмотки возбуждения.
8. РАСЧЁТ ДАТЧИКА ЭДС
Сигнал обратной связи по ЭДС двигателя снимается с датчика ЭДС,
функциональная схема которого представлена на рисунке34.
Рис.34.
Реализация датчика ЭДС
Номинальная ЭДС двигателя составляет 211В. Примем, что при
этой ЭДС на выходе датчика ЭДС Uоэ= 8 В.Тогда коэффициент передачи
датчика ЭДС:
При
максимальном значении ЭДС на холостом ходу 277 В, на выходе датчика ЭДС будет
значение:
Uоэ = 0,0447× 277 = 12,4 В.
Максимальное падение напряжения в цепи якоря
.
Датчик
тока должен иметь два выхода, один выход для реализации обратной связи по току.
При токе 35 А на выходе датчика тока в этом случае должно быть 10 В. Второй
выход для реализации датчика ЭДС. При падении напряжения DU = 81,9 В на
выходе датчика ЭДС получим:
Это
напряжение можно получить на делителе Rд (см. рис.34).
Суммарное
напряжение на выходе датчика ЭДС:
Uвх дэ= UU + UI= 81,9-3,66 = 78,2 В.
Определим
настроечные параметры резисторов и конденсаторов датчика ЭДС. Предыдущие расчёты
велись из условия, что напряжения UU и UI через датчик ЭДС передаются с одинаковым коэффициентом усиления,
равным единице. Поэтому R3 = R1
= R2. Имеем далее:
где
= 0,0128 с.
Примем
С1= 5 мкФ и R11= R12= 0,5 R1,
тогда
R11 = R12 = 5,1
кОм.
Примем
сопротивление Rд равным
4,5 кОм.
Сведём
настроечные параметры резисторов и конденсаторов датчика ЭДС в таблицу 6.
Таблица
6 - Параметры резисторов и конденсаторов датчика ЭДС
|
R11
|
R12
|
R2
|
R3
|
Rд
|
С1
|
|
кОм
|
кОм
|
кОм
|
кОм
|
кОм
|
мкФ
|
|
5,1
|
5,1
|
10,2
|
10,2
|
4,5
|
5
|
9. ИНДИВИДУАЛЬНОЕ ЗАДАНИЕ
В качестве индивидуального задания предложено оценить влияние величины J2на статические и динамические характеристики системы.
Учтём при моделировании, что изменение J2 влечёт за собой изменение Tм.
Рис. 35 Переходные процессы в замкнутой системе при уменьшении J2в 3 раза
Рис. 36 Динамическая характеристика в замкнутой системе при уменьшении J2в 3 раза
Рис. 37 Переходные процессы в замкнутой системе при увеличении J2в 3 раза
Рис. 38 Динамическая характеристика в замкнутой системе при увеличении J2в 3 раза
Как видно из графиков переходных процессов I=f(t), Еп=f(t)и ω=f(t), при уменьшении
значения J2повышается колебательность системы и увеличивается
погрешность отработки контуром тока задания на пусковой ток, при этом время
разгона и торможения уменьшается. При увеличении значения J2также возникают колебания, но меньшей амплитуды и
быстро затухающие, время переходных процессов увеличивается, а ошибка в контуре
тока уменьшается. Аналогичное влияние на время пуска и торможения, а также на
ошибку в контуре тока имеет изменение нагрузки.
10. РАСЧЁТ РЕЛЕЙНО-КОНТАКТОРНОЙ СХЕМЫ СИСТЕМЫ
Релейно-контакторная схема управления представлена на рис. 39.
Рис.39.
Релейно-контакторная схема
При
расчете СПР был выбран стандартный преобразователь комплектного тиристорного
электропривода серии КТЭУ, в котором предусмотрены следующие виды защит:
- от выхода из строя тиристоров при внешних и внутренних
коротких замыканиях, открывании тиристора в неработающей группе, опрокидывании
инвертора;
- от перенапряжений на тиристорах;
- от аварийной перегрузки тиристоров;
- от развития аварийных процессов при исчезновении напряжения
собственных нужд и силового напряжения;
- от снижения тока возбуждения двигателя ниже допустимого;
- от превышения допустимого тока возбуждения;
- от перенапряжения на якоре двигателя;
- от превышения скорости двигателя;
- от неправильного порядка сборки схемы;
- от перегрузки двигателя, превышающей заданную в течение
определенного времени или защиту по среднеквадратичному току;
- от включения ТП на вращающийся двигатель или при напряжении
на выходе ТП не равном нулю;
- от нарушения изоляции элементов силовой цепи.
Максимальная и тепловая защита двигателя осуществляется автоматическими
воздушными выключателями А3710Б. От коротких замыканий:срк = 1,2 ∙
Iп = 1,2 × 35 = 42 A.
От перегрузки:срп = Iндв = 17,5 A.
Минимальная токовая защита (от обрыва поля) выполняет реле контроля тока
типа РЭВ 830.ср = 0,8 ∙ Iвmin = 0,8 × 1,8 = 1,44, A.
Защита от перенапряжения выполняется цепочкой диод VD7 - резистор RP. Диод выбирается из условия:= Iвн
= 0,65 А, Uобр = Еdо
= 277 В.
Резистор:RP = 3,5 ∙
RОВ = 3,5 × 317 = 11,4 Ом.
Защиту трансформатора и тиристорного преобразователя от токов короткого
замыкания осуществляет автоматический воздушный выключатель А3716Б.срк
= 1,2 ∙Idн = 1,2 × 320 = 384 A.
Защита цепи управления от токов короткого замыкания осуществляется
автоматическим воздушным выключателем АК63.
Работа схемы
Замыкаем рубильник QF1,
QF2, QF3, QF4, напряжение подается на
трансформатор и с него на тиристорный преобразователь, в цепь возбуждения, в
схему управления на разомкнутые контакты катушки контактора КМ. При сработавшем
реле KF (нет обрыва в цепи возбуждения)
схема управления готова к работе, об этом сигнализируют лампы HL1 «питание двигателя» и HL3 «питание обмотки возбуждения».
Задаем требуемую скорость и нажатием кнопки SB1 «ON»
запускаем привод. Катушка контактора КМ получает питание, замыкает свои
блок-контакты и силовые контакты в цепи двигателя. Так же замыкаются контакты в
цепи сигнализации пуска, а так же подается питание на лампу HL2 «работа». Двигатель разгоняется.
Для останова двигателя в нормальном режиме работы необходимо снять задание на
скорость. При этом электропривод перейдет в режим рекуперации энергии в сеть.
При срабатывании максимальной или тепловой защиты двигатель отключается
воздушным выключателем QF2,
блок-контакты которого разрывают цепь питания КМ, он теряет питание,
размыкаются блок-контакты КМ, осуществляющие нулевую защиту и контакт в цепи
сигнализации. При уменьшении тока возбуждения ниже 0,15 А реле KF отключает питание у КМ и размыкает
цепь сигнализации. Якорь двигателя при этом отключается от преобразователя и
замыкается на RT. Аналогичные процессы осуществляются
при нажатии кнопки SB2 «OFF».
БИБЛИОГРАФИЧЕСКИЙ СПИСОК
1 Алексеев Ю.В., Рабинович А.А.
Краново-металлургические и экскаваторные двигатели постоянного тока.
Справочник.- М.: Энергоатомиздат,1985.
2 Комплектные тиристорные
электроприводы. Справочник / И.Х. Евзеров, А.С. Горобец, Б.И. Мошкович и др.;
Под ред.В.М. Перельмутера.- М.:Энергоатомиздат, 1988.
3 Справочник по проектированию
автоматизированного электропривода и систем управления технологическими
процессами / Под ред. В.И. Круповича, Ю.Г. Барыбина, М.Л. Самовера.- М.: Энергоиздат,
1982.
4 Справочник по наладке
электроустановок / Под ред. А.С. Дорофеюка, Н.П.Хечумяна.- М.: Энергия, 1976.
5 Вешеневский С.Н. Характеристики
двигателей в электроприводе. - М.:Энергия, 1977.
6.
Перельмутер В.М., Сидоренко В.А. Системы управления тиристорными
электроприводами постоянного тока. - М .: Энергоатомиздат,1988.
7 Башарин А.В., Новиков В.А.,
Соколовский Г.Г. Управление электроприводами: Учебное пособие для вузов.- Л.:
Энергоиздат. Ленингр.отд-ние,1988.
8 Зубков Ю.С. Методические указания к
курсовому проекту по дисциплине «Системы управления электроприводов» для
студентов специальности 180400 «Электропривод и автоматика промышленных
установок и технологических комплексов». - Липецк: ЛГТУ, 2005. - 27 с.
9 Зайцев В.С. Стандарты Липецкого государственного
технического университета по оформлению и нормоконтролю учебных отчетов, работ,
проектов. - Липецк: ЛГТУ, 2002.