Привод вращения параболической антенны

  • Вид работы:
    Курсовая работа (т)
  • Предмет:
    Информатика, ВТ, телекоммуникации
  • Язык:
    Русский
    ,
    Формат файла:
    MS Word
    1013,55 Кб
  • Опубликовано:
    2012-09-12
Вы можете узнать стоимость помощи в написании студенческой работы.
Помощь в написании работы, которую точно примут!

Привод вращения параболической антенны

Содержание

Введение

Задание на проектирование

Описание волнового зубчатого редуктора

1. Кинематический расчет

1.1 Выбор электродвигателя

1.2 Угловые скорости и частоты вращения валов

1.3 Вращающие моменты на валах

2. Расчет волновой передачи

2.1 Схема волновой передачи

2.2 Предварительные значения параметров стального гибкого колеса определяют по эмпирическим формулам

2.3 Выбираем гибкий подшипник

2.4 Окончательное значение модуля

2.5 Проверочный расчет на прочность гибкого колеса

2.5.1 Проверка коэффициента запаса по нормальным напряжениям

2.5.2 Проверка коэффициента запаса по касательным напряжениям

3. Конструкция деталей волновых передач

3.1 Кулачковый генератор

3.2 Расчет валов редуктора

3.3 Конструирование деталей редуктора

Литература

Приложение

Введение


Антенные устройства ЗС могут базироваться как в стационарных помещениях, так и на подвижных воздушных и морских судах.

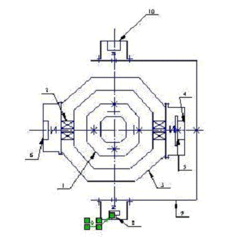
Антенны стационарных ЗС должны иметь приводы, обеспечивающие поворот на 3600 вокруг земной вертикали и поворот на 1800 вокруг одной из горизонтальных осей. Это необходимо для того, чтобы навести антенну на любую точку небесной полусферы, в которой может находиться КА связи. Агрегаты разворота антенны в пространстве относительно двух взаимно перпендикулярных осей устанавливается в виде двухстепенных механизмов, построенных на базе кардановых подвесов.

Привод разворота антенны вокруг оси Z имеет в своем составе электродвигатель 4, редуктор 5 и датчик угла поворота 6.

Приводные механизмы систем автоматического управления. При этом датчики 6 и 10 углов поворотов антенны включаются в цепи обратной связи для управлении работой двигателей 4 и 8.


Задание на проектирование


Спроектировать привод параболической антенны, в состав которого входит волновой редуктор. Долговечность 5 года. Мощность на выходном валу привода 2 кВт, частота вращения вала 5 мин - 1.

1-      электродвигатель;

2-      Муфта;

-        Волновой редуктор.

Описание волнового зубчатого редуктора


Волновой редуктор состоит из трех основных элементов: гибкого колеса; жесткого колеса, волнового генератора. На обоих колесах нарезаны зубья с одинаковым модулем, число зубьев гибкого колеса на два зуба меньше, чем у жесткого. Разность чисел зубьев характеризует число волн деформации гибкого колеса.

Гибкое зубчатое колесо является наиболее напряженным и ответственным элементом волновой передачи, долговечность работы которой во многом определяется рациональностью конструкции и технологией изготовления гибкого колеса. Ресурс работы передачи ограничивается допускаемым числом циклов деформации гибкого зубчатого колеса. Для установки генератора волн диаметр внутренней поверхности гибкого колеса на участке расположения генератора выполняют по 7-му квалитету точности в системе отверстия, на остальной длине - по Н9. шероховатость всех поверхностей гибкого колеса должна быть не грубее Ra1,25.

Жесткое зубчатое колесо является менее напряженным элементом волновой передачи. Основное требование, предъявляемое в конструкции таких колес, - технологичность изготовления.

Генератор волн, установленный внутри гибкого колеса, деформирует гибкое колесо в радиальном направлении, придавая ему овальную форму. При этом в направлении большой оси вала зубья гибкого колеса находятся в контакте с зубьями жесткого колеса по всей высоте. При горизонтальной оси вершина зуба гибкого колеса находится против вершин зуба жесткого колеса, образуя радиальный зазор между вершинами зубьев. При повороте генератора волн по часовой стрелке на угол, соответствующий одному шагу, зуб вдавливается между зубьями жесткого колеса на всю глубину.

При повороте генератора на 900 зубья, лежащие на горизонтальной оси колес, находятся в контакте по всей высоте, а по вертикальной оси зубья максимально удаляются один от другого и вершина зуба гибкого колеса находится против вершины зуба жесткого колеса. Когда генератор сделает половину оборота, этот зуб окажется во впадине между зубьями жесткого колеса и гибкое колесо повернется в направлении, противоположном вращению генератора на один зуб, а при полном обороте генератора - на разницу зубьев гибкого и жесткого колес.

Выбираем конструкцию передачи с кулачковым генератором, двухволновую, имеющую два венца зубьев на гибком колесе, и два жёстких колеса: неподвижное и ведомое.

привод вращение параболическая антенна

1. Кинематический расчет


1.1 Выбор электродвигателя


Для выбора электродвигателя определим требуемую мощность и частоту вращения.

Потенциальная мощность привода (мощность на выходе) определяют:

, Рв=2кВт.

1.       Требуемая мощность электродвигателя:

,

здесь η - коэффициент полезного действия привода, равный произведению частных КПД передач, входящих в кинематическую схему:


Из существующих типов двигателей выбирают преимущественно асинхронные электродвигатели трехфазного тока единой серии 4А.

В нашем случае выбираем двигатель

АМ100S2У3:

·        Мощность: 4 кВт;

·        Номинальная частота вращения: 2880 мин - 1

Передаточного число привода:

 

1.2 Угловые скорости и частоты вращения валов


Ведущего вала редуктора:

;

.

Ведомого вала редуктора:

;

.

1.3 Вращающие моменты на валах


Определим, исходя из требуемой мощности электродвигателя, без учета потерь на трение

;

.

2. Расчет волновой передачи

 

2.1 Схема волновой передачи



Собираемость этой волновой передачи обеспечивается выполнением единственного условия - вхождения зубьев гибкого колеса во впадины жесткого во всех зонах зацепления:

1-z2=knw,

для снижения напряжения на гибком колесе лбычно принимают k=1, nw=2. Из этого следует:


Число зубьев z2 гибкого колеса 2:

.


.

2.2 Предварительные значения параметров стального гибкого колеса определяют по эмпирическим формулам


делительный диаметр, мм:


толщина гибкого колеса под зубьями, мм, их условия изгибной прочности:


внутренний диаметр гибкого колеса, мм:

.

2.3 Выбираем гибкий подшипник


наружный диаметр:

h=43800 ч.

Условие D≥D. Выбираем подшипник: №862, имеющий размеры D=420 мм, d=310 мм, b=60мм, r=2,5 мм.

2.4 Окончательное значение модуля


,

Ближайшее стандартное значение m=0,35 мм.

Окончательное число зубьев гибкого колеса при принятых значениях D и m:


Число зубьев жесткого колеса при nw=2 и k=1:


Передаточное отношение при окончательно принятых значениях чисел зубьев:


Отклонение значения  от заданного:

, что допустимо.

2.5 Проверочный расчет на прочность гибкого колеса


2.5.1 Проверка коэффициента запаса по нормальным напряжениям


,

где σ-1 - предел выносливости материала гибкого колеса при симметричном цикле изгиба; kσ - коэффициент, учитывающий отличие теоретических коэффициентов концентрации от эффективных;

Значение Аσ выбираем в зависимости от числа зубьев колеса z2: Аσ=20,5 МПа.; εσ - коэффициент, учитывающий диаметр колеса; ориентировочно принимают εσ=1,0; βσ - коэффициент, учитывающий состояние поверхности; σа - амплитуда цикла нормальных напряжений, . Местное напряжение изгиба зубьев, МПа: , коэффициент μ учитывает снижение неравномерности распределения давления по длине зубьев вследствие износа и деформации гибкого колеса, μ=0,5÷0,6; значение коэффициента формы зуба Y2; Т2 - вращающий момент на гибком колесе, Н·мм; α - угол зацепления, ; d2 - диаметр делительной окружности гибкого колеса, мм; KL - относительная длина гибкой оболочки, ; Е - модуль упругости.

Для стали Е=2,1·105, МПа; h - толщина стенки гибкого колеса под зубьями, ρ - радиус кривизны срединной поверхности недеформированного гибкого колеса, ρ=0,5 (D+h), σm - среднее напряжение цикла нормальных напряжений, МПа,

; σ-1= 350 МПа; , , ,

Е=2,1·105 МПа,

ρ=0,5 (D+h) =0,5 (420+4,1) =242,255 мм;

βσ=0,91;

;

Sσ> [Sσ]

 

2.5.2 Проверка коэффициента запаса по касательным напряжениям


,

где τ-1 - предел выносливости материала гибкого колеса при симметричном цикле кручения; kτ - коэффициент концентрации напряжений, τа - амплитуда циклов касательных напряжений, , где Rτ - коэффициент асимметрии цикла касательных напряжений; h0 и ρ0 - толщина стенки и радиус кривизны срединной поверхности гибкого колеса в гладкой части; h0≈0,6 h; ρ0=0,5 (D+ h0); ετ - коэффициент, учитывающий диаметр колеса; βτ - коэффициент, учитывающий состояние поверхности; τm - среднее напряжение цикла касательных напряжений, .

Допускаемые коэффициенты запаса: по нормальным напряжениям [Sσ] =1,5÷1,8; по касательным напряжениям [Sτ] =1,5÷1,8.

,

τ-1=180 МПа,

kτ=1,46,,;

h0≈0,6 h=0,6·4,1=2,52 мм,

ρ0=0,5 (D+h0) =0,5 (420+2,52) =211,3 мм;

ετ=0,58,βτ=0,91.

.

Sτ> [Sτ].

3. Конструкция деталей волновых передач


3.1 Кулачковый генератор


Параметры профиля кулачка определим по формулам:

, где k1=0,927, k2=0,5, Кw=1,1.

φ, град

ρ, мм

φ, град

ρ, мм

φ, град

ρ, мм

φ, град

ρ, мм

0

155,26

25

155,10

50

155,00

75

154,90

5

155,18

30

155,08

55

154,98

80

154,88

10

35

155,06

60

154,96

85

154,86

15

155,14

40

155,04

65

154,94

90

154,83

20

155,12

45

155,02

70

154,92




3.2 Расчет валов редуктора


Проектирование вала начинается с определения диаметра выходного конца его конца из расчета на чистое кручение по пониженному допускаемому напряжению без учета влияния изгиба:

,

где Т - крутящий момент, Н·мм; [τк] - допускаемое напряжение на кручение.

Сталь 45: [τк] =15÷20 МПа, НВ=240 МПа, σв=780МПа, σт=540 МПа, τт=290 МПа, σ-1= 360МПа, τ-1=200МПа, ψт=0,09.

Выходной вал:

.

Полученный результат округляют до ближайшего значения из стандартного ряда. d=100 мм.

Проверим вал на прочность по нормальным и касательным напряжениям:


Найдём реакции действующие в зацеплении:


Из суммы проекций на оси хорошо видно, что реакции в подшипнике и на колесе равны по модулю и противоположны по знаку.

Найдём моменты и напряжения в опасном сечении:

=2,2


Сравнивая полученные напряжения с допускаемыми можно заметить, что влияние изгибающих и крутящего моментов незначительно, поэтому оставляем диаметр вала равным 100 мм. Подшипники выбираем по диаметру вала в месте посадки: подшипник роликовый конический однорядный 2007920А (ГОСТ 27365-87), габариты подшипника - согласно ГОСТ.

Вал соединяется с муфтой с натягом и закрепляется при помощи шпонки 28×16×80 мм (ГОСТ 23360-78).

Входной вал:

, принимаем диаметр вала 60 мм.

Примем роликовые конические однорядные повышенной грузоподъемности подшипники (ГОСТ 27365-87, см. приложение 1), габариты подшипников выбираем по диаметру вала в месте посадки подшипников, диаметр вала под подшипниками принимаем d=60 мм.

Вал соединяется с муфтой с натягом и закрепляется при помощи шпонки 8×7×18 мм (ГОСТ 23360-78).

3.3 Конструирование деталей редуктора


Генератор волн закрепляется с натягом на валу при помощи шпонки

18×11×50 мм (ГОСТ 23360-78).

.4 Конструктивные размеры корпуса редуктора.

Толщина стенок корпуса и крышки:


Диаметр болтов соединяющих верхнюю и нижнюю крышку с корпусом: принимаем болты с резьбой М12, 10 штук.

4. Тепловой режим и смазывание волновой передачи.


При вертикальном расположении оси редуктора можно применять пластичный смазочный материал Литол - 24 (ГОСТ 21150-87). Смазывают подшипники генератора и зацепление при сборке редуктора и периодически в процессе эксплуатации. Замену пластичного смазочного материала производят примерно через 1000 часов работы.

5. Порядок сборки привода, выполнение необходимых регулировочных работ.

Перед сборкой внутреннюю полость корпуса тщательно очищают и покрывают маслостойкой краской. Сборку редуктора производят в соответствии с чертежом общего вида. Начинают сборку с того, что в корпус вставляют выходной вал с надетым на него подшипником, закрепляют на нём ведомое жёсткое колесо и закрепляют верхнюю крышку. Затем надевают гибкое колесо на кулачковый генератор, закрепляют на входном валу и вводят в зацепление с ведомым жёстким колесом. Вводим в зацепление неподвижное жёсткое колесо с гибким колесом и закрепляем на корпусе нижнюю крышку.

Вал 1 соединяется с электродвигателем с помощью МФО (по нормам машиностроения МН 2726-61). Вал 2 соединяется через муфту МФО (по нормам машиностроения МН 2726-61) с приводом движения.

Собранный редуктор обкатывают и испытывают на стенде.

Литература


1.       Конструирование узлов и деталей машин: Учеб. пособие для техн. спец. вузов. /Дунаев П.Ф., Леликов О.П. - 5-е изд., перераб. и доп. - М.: Высш. шк., 1998. - 447с., ил.

2.       Курсовое проектирование деталей машин: Учеб. пособие для учащихся машиностроительных специальностей техникумов. /С.А. Чернавский, К.Н. Боков, И.М. Чернин и др. - 2-е изд., перераб. и доп. - М.: Машиностроение, 1988. - 416 с.: ил.

.        Основы конструирования машин. Механические передачи и соединения деталей машин: Лабораторный практикум для студентов всех технических специальностей/ Г.Г. Назаров, Н.А. Стариков, Н.А. Смирнов, Т.Т. Ереско.2 изд., перераб. и доп.; СибГАУ. Красноярск, 2003.112 с.

.        Детали машин. Курсовое проектирование. Учеб. пособие для машиностроит. вузов. /Иванов М.Н., Иванов В.Н.М., "Высшая школа", 1975.551 с. с ил.

.        Прикладная механика космических систем связи. /И.П. Бернацкий, Н.В. Василенко, Н.И. Галибей, Е.Г. Гинзбург, В.К. Гупалов. Под ред. Н.В. Василенко, Е.Г. Гинзбурга. - Томск: МГП "РАСКО", 1996.576 с.: ил.

.        Конструкционные материалы: Справочник/Б.Н. Арзамасов, В.А. Брострем, Н. А, Буше и др.; под общ. ред. Б.Н. Арзамасова. - М.: Машиностроение, 1990. - 688с.; ил. - (Основы проектирования машин).

Приложение




Не нашли материал для своей работы?
Поможем написать уникальную работу
Без плагиата!
Без нейросетей!