Прибор для измерения ионизирующего излучения
1. Виды ионизирующих излучений
После открытия деления ядер тяжелых элементов
начала развиваться ядерная энергетика. Развитие этой новой области связано с
появлением различных методов исследования. После страшной чернобыльской
катастрофы, которая встревожила весь мир, началось активное развитие новой
среди разделов общей экологии - радиоэкология. Когда ядерное горе постигло
летом 1945 г. Хиросиму и Нагасаки, ужасные последствия атомной бомбардировки и
первого в истории человечества взрыва такой силы тоже обратили на себя внимание
и вызвали беспокойство всего человечества. Однако тогда на фоне трагедии Второй
мировой войны и из-за нехватки информированности и отсутствие знаний о
возможных последствиях радиоактивных загрязнений и нанесения вреда биосфере человечество
еще не могло объективно оценить всю серьезность этой проблемы. Наоборот, под
влиянием милитаристических сил в развитых странах невидаными темпами начали
сохранять и наращивать арсенал ядерного оружия, стремясь достичь самой большой
разрушительной силы. Однако уже через 10-15 лет начали понимать всю
недальновидность такой политики, увеличение угрозы мировой катастрофы в
результате ядерной войны. Были сделаны первые расчеты возможных изменений
экосистем регионального масштаба, огромных потерь не только государственного,
но и мирового масштаба. Появились первые предостережения. С 70-х годов нашего
века широкие массы общества начали активно включаться в борьбу за разоружение,
мирное сосуществование государств с разным социально-политическим устроем. Изучение
радиоактивности началось с 1933 г., а ее губительного воздействия как
компонента ядерной бомбы - с 1945 г. Исследования с целью определения
глобального влияния на биосферу антропогенной радиации, ядерного оружия,
отходов от производства, действующих АЭС, аварий на них, а также
прогнозирование развития атомной энергетики на далекую перспективу были начаты
в 1986 г. Быстрое развитие ядерной энергетики и широкое внедрение источников
ионизирующих излучений в различных областях науки, техники и народного хозяйства
создали потенциальную угрозу радиационной опасности для человека и загрязнения
окружающей среды радиоактивными веществами. Поэтому вопросы защиты от
ионизирующих излучений (или радиационная безопасность) превращаются в одну из
важнейших проблем. Связи между жизнью, здоровьем людей, положением флоры и
фауны и современным уровнем радиационного загрязнения всей планеты и отдельных
ее регионов очень сложные. Изучение и использование их на благо человека - одно
из главных заданий радиоэкологии. Основными аспектами радиоэкологии является
изучение радиоактивного фона, характера антропогенных радиоактивных загрязнений
геосфер, продуктов питания, организма человека, исследование эффектов и
установка нормативов ионизирующего излучения. До середины ХХ в. основным
источником ионизирующего излучения были природные источники - горные породы,
Космос. Однако и тогда уровни земной радиации в разных регионах были различны,
достигая максимальных значений в районах залежей урановых руд, радиоактивных
сланцев, фосфоритов или кристаллических пород, ториевых песков, радоновых
минеральных источников (Индия - штаты Керала и Тамилнад, Бразилия - штат
Рио-де-Жанейро, Иран, Канада, Чехия и Словакия, ЮАР, Нигерия и др.). Известны
такие аномальные районы и у нас на Украине - Хмельник, Мироновка, Желтые воды.
В этих местах уровни природного активного фона в десятки и сотни раз выше, чем
в других. Из-за того, что до недавнего времени не было известно о присутствии
тех или иных отклонений в здоровье и развитии людей, которые проживают в
районах с повышенным радиоактивным фоном, показатели продолжительности жизни,
количество мертворожденных, болезни на лейкоз, рак у жителей этих районов был
среднестатистично нормальным. На основе новых исследований и глубокого анализа
проблемы можно сделать вывод, что и раньше, десятки и сотни лет тому назад,
повышенный радиационный фон негативно влиял на население. Это выявлялось в
значительном увеличении количества больных с синдромом Дауна (почти в 5 раз),
другими патологическими проявлениями, особенно раковыми опухолями. Сейчас
главными источниками радиоактивных загрязнений биосферы являются радиоактивные
аэрозоли, которые поступают а атмосферу во время испытаний ядерного оружия,
аварий на АЭС и радиоактивных производствах, а также радионуклиды, которые
выделяются из радиоактивных отходов, захороненных на суше и в море, с
отработанных атомных реакторов и сооружений. Во время аварий атомных реакторов,
разгерметизации залежей радиоактивных отходов радиационная грязь расползается
на десятки и сотни километров, вследствие взрывов ядерных бомб - по всей
планете. По силе и глубине влияния на организм ионизирующее излучение считается
самым сильным. Разные организмы имеют неодинаковую стойкость к действию
радиоактивного облучения, даже клетки одного организма имеют разную
чувствительность. Различают несколько видов ионизирующего излучения. Излучение,
отклоняющееся в сторону Севера, называется альфа-излучением, Юга -
бета-излучением; излучение, не отклоняющееся магнитным полем, называется
гамма-излучением (оно не имеет электрического заряда). В настоящее время
известно около 40 естественных и более 200 искусственных альфа-активных ядер.
Альфа-распад характерен для тяжелых элементов (урана, тория, полония, плутония
и др.).
Альфа-частицы - это положительно заряженные ядра
гелия. Они обладают большой ионизирующей и малой проникающей способностью и
двигаются со скоростью 20000 км/с.
Бета-излучение - это поток отрицательно
заряженных частиц (электронов), которые выпускаются при бета-распаде
радиоактивных изотопов.
Их скорость приближается к скорости света.
Бета-частицы при взаимодействии с атомами среды отклоняются от своего
первоначального направления. Поэтому путь, проходимый бета-частицей в веществе,
представляет собой не прямую линию, как у альфа-частиц, а ломаную. Наиболее
высокоэнергетические бета-частицы могут пройти слой алюминия до 5 мм., однако
ионизирующая способность их меньше, чем у альфа-частицы.
Гамма-излучение, испускаемое атомными ядрами при
радиоактивных превращениях, обладает энергией от нескольких тысяч до нескольких
миллионов электрон-вольт. Распространяется оно, как и рентгеновское излучение,
в воздухе со скоростью света. Ионизирующая способность гамма-излучения
значительно меньше, чем у альфа- и бета-частиц. Гамма-излучение - это
электромагнитные излучения высокой энергии. Оно обладает большой проникающей
способностью, изменяющейся в широких пределах. Ионизирующие излучения имеют ряд
общих свойств, два из которых - способность проникать через материалы различной
толщины и ионизировать воздух и живые клетки организма - заслуживают особенно
пристального внимания.
При изучении действия излучения на организм были
определены следующие особенности:
Высокая эффективность поглощенной энергии. Малые
количества поглощенной энергии излучения могут вызывать глубокие биологические
изменения в организме.
Наличие скрытого, или инкубационного, периода
проявления действия ионизирующего излучения. Этот период часто называют
периодом мнимого благополучия. Продолжительность его сокращается при облучении
в больших дозах.
Действие от малых доз может суммироваться или
накапливаться. Этот эффект называется кумуляцией.
Излучение воздействует не только на данный живой
организм, но и на его потомство. Это так называемый генетический эффект.
Различные органы живого организма имеют свою
чувствительность к облучению. При ежедневном воздействии дозы 0,002 - 0,005 Гр
уже наступают изменения в крови.
Не каждый организм в целом одинаково реагирует
на облучение.
Облучение зависит от частоты. Одноразовое
облучение в большой дозевызывает более глубокие последствия, чем
фракционированное.
Энергия, излучаемая радиоактивными веществами,
поглощается окружающей средой. В результате воздействия ионизирующего излучения
на организм человека в тканях могут происходить сложные физические, химические
и биохимические процессы.
Известно, что 2/3 общего состава ткани человека
составляют вода и углерод; вода под воздействием излучения расщепляется на
водород H и гидроксильную группу ОН, которые либо непосредственно, либо через
цепь вторичных превращений образуют продукты с высокой химической активностью:
гидратный оксид НО и перекись водорода Н О. Эти соединения взаимодействуют с
молекулами органического вещества ткани, окисляя и разрушая ее.
В результате воздействия ионизирующего излучения
нарушаются нормальное течение биохимических процессов и обмен веществ в
организме. В зависимости от величины поглощенной дозы излучения и
индивидуальных особенностей организма вызванные изменения могут быть обратимыми
или необратимыми. При небольших дозах пораженная ткань восстанавливает свою
функциональную деятельность. Большие дозы при длительном воздействии могут
вызвать необратимое поражение отдельных органов или всего организма. Любой вид
ионизирующих излучений вызывает биологические изменения в организме как при
внешнем (источник находится вне организма), так и при внутреннем облучении
(радиоактивные вещества попадают внутрь организма, например пероральным или
ингаляционным путем).
Рассмотрим действие ионизирующего излучения,
когда источник облучения находится вне организма. Биологический эффект
ионизирующего излучения зависит от суммарной дозы и времени воздействия
излучения, размеров облучаемой поверхности и индивидуальных особенностей
организма. При однократном облучении всего тела человека возможны биологические
нарушения в зависимости от суммарной поглощенной дозы излучения.
При облучении дозами, в 100-1000 раз
превышающими смертельную дозу, человек может погибнуть во время облучения.
Поглощенная доза излучения, вызывающая поражение
отдельных частей тела, а затем смерть, превышает смертельную поглощенную дозу
облучения всего тела. Смертельные поглощенные дозы для отдельных частей тела
следующие: голова - 20, нижняя часть живота - 30, верхняя часть живота - 50,
грудная клетка - 100, конечности - 200Р/ч
Степень чувствительности различных тканей к
облучению неодинакова. Если рассматривать ткани органов в порядке уменьшения их
чувствительности к действию излучения, то получим следующую последовательность:
лимфатическая ткань, лимфатические узлы, селезенка, зобная железа, костный
мозг, зародышевые клетки. Большая чувствительность кроветворных органов к
радиации лежит в основе определения характера лучевой болезни. При однократном
облучении всего тела человека поглощенной дозой 0,5 Гр через сутки после
облучения может резко сократиться число лимфоцитов (продолжительность жизни
которых и без того незначительна - менее 1 сут. Уменьшится также и количество
эритроцитов (красных кровяных телец) по истечении двух недель после облучения
(продолжительность жизни эритроцитов примерно 100 сут.). У здорового человека
насчитывается порядка 10 красных кровяных телец и при ежедневном
воспроизводстве 10, у больного лучевой болезнью такое соотношение нарушается, и
в результате погибает организм.
Важным фактором при воздействии ионизирующего излучения
на организм является время облучения. С увеличением мощности дозы поражающее
действие излучения возрастает. Чем более дробно излучение по времени, тем
меньше его поражающее действие.
Неодинаковую радиочувствительность имеют
организмы разного возраста. Чем моложе организм, тем он чувствительнее к
радиации, чем сложнее организм, тем он больше поражается радиацией. В сложно
построенных организмах с их тонкоскоординированными и взаимозависимыми
функциями бесчисленных органов и систем намного больше и слабых звеньев, где
возникают цепные реакции дезадаптации и патологии.
Считается, что биологическая эффективность
альфа-частиц и тяжелых ядер в 20 раз выше, а нейтронов и протонов с энергией
меньше 10 МеВ в десять раз выше, чем гамма-частиц и рентгеновского излучения.
Конечный результат облучения (кроме отдаленных
последствий) зависит не столько от полной дозы, сколько от действия ее
мощности, или времени, за которое она была накоплена, а также характера ее
распределения. Это связано с тем, что в живых организмах в ответ на облучение
включаются защитные механизмы системы адаптации и компенсации, которые должны
обеспечить стабильность внутренней среды организма (гомеостаз) и обновить
нарушенные функции. Результат зависит от соотношения количества поврежденных тканей
и защитно-обновляющей способности организма.
Внешнее облучение альфа-, а также бета-частицами
менее опасно. Они имеют небольшой пробег в ткани и не достигают кроветворных и
других внутренних органов. При внешнем облучении необходимо учитывать гамма- и
нейтронное облучение, которые проникают в ткань на большую глубину и разрушают
ее.
Степень поражения организма зависит от размера
облучаемой поверхности. С уменьшением облучаемой поверхности уменьшается и
биологический эффект. Так, при облучении фотонами поглощенной дозой 450 рад
участки тела площадью 6 кв. см заметного поражения не наблюдалось, а при
облучении такой же дозой всего тела было 50 % смертельных случаев.
Радиоактивные вещества могут попасть внутрь
организма при вдыхании воздуха, зараженного радиоактивными элементами, с
зараженной пищей или водой и, наконец, через кожу, а также при заражении
открытых ран.
Попадание твердых частиц в дыхательные органы
зависит от степени дисперсности частиц. Из проводившихся над животными опытов
установлено, что частицы пыли размером менее 0,1 мкм ведут себя так же, как и
молекулы газа, т.е. при вдохе они попадают вместе с воздухом в легкие, а при
выдохе вместе с воздухом удаляются. В легких может оставаться только самая
незначительная часть твердых частиц. Крупные частицы размером более 5 мкм почти
все задерживаются носовой полостью.
Гораздо чаще вследствие несоблюдения правил
техники безопасности радиоактивные вещества попадают в организм через
пищеварительный тракт. Проникновение радиоактивных загрязнений через раны или
через кожу можно предотвратить, если соблюдать соответствующие меры
предосторожности. Опасность радиоактивных элементов, попадающих тем или иным
путем в организм человека, тем больше, чем выше их активность. Степень
опасности зависит также от скорости выведения вещества из организма. Если
радионуклиды, попавшие внутрь организма, однотипны с элементами, которые
потребляются человеком с пищей (натрий, хлор, калий и др.), то они не
задерживаются в организме, а выделяются вместе с ними. Инертные радиоактивные
газы (аргон, ксенон, криптон и др.), попавшие через легкие в кровь, не являются
соединениями, входящими в состав ткани. Поэтому они со временем полностью
удаляются из организма.
Некоторые радиоактивные вещества, попадая в
организм, распределяются в нем более или менее равномерно, другие
концентрируются в отдельных внутренних органах. Так, в костных тканях
отлагаются источники альфа-излучения - радий, уран, плутоний; бета-излучения -
стронций и иттрий; гамма-излучения - цирконий. Эти элементы, химически
связанные с костной тканью, очень трудно выводятся из организма.
Продолжительное время удерживаются в организме также элементы с большим атомным
номером (полоний, уран и др.). Элементы, образующие в организме
легкорастворимые соли и накапливаемые в мягких тканях, легко удаляются из
организма.
Следует помнить, что рассчитывая величины доз
радиационного облучения для того или иного человека, групп людей или объектов,
всегда нужно отличать и учитывать космическое (внеземное), природное
радиоактивное земное излучение и излучение, связанное с использованием
человеком радиоактивных веществ.
Космическое излучение состоит из галактического
и солнечного, которое изменяется в зависимости от активности процессов на
Солнце и в его недрах. Энергия космического излучения по сравнению с другими
достаточно малая возле поверхности Земли, однако в области стратосферы,
ионосферы и экзосферы ее значение в облучении очень растет. Это излучение
состоит из протонов и тяжелых ядерных частиц с очень большой энергией. Часть
этой энергии используется на столкновение с ядрами атмосферного азота,
кислорода, аргона, в результате чего на высотах около 20 км возникает вторичное
высокое энергетическое свечение. Оно состоит из мезонов, нейтронов, протонов и
электронов. Тут появляются космогенные радионуклиды, которые с атмосферными
осадками попадают на поверхность Земли - тритий, уголь-14, бериллий-7,
натрий-22 и др. (всего более десяти). Поскольку интенсивность космического
излучения растет, экипажи самолетов и пассажиры, которые часто летают на высоте
8 - 11 км, со временем получают довольно значительные дозы радиации (за 2 часа
полета больше, чем за неделю на земной поверхности).
Каждый житель планеты в среднем от космического
облучения на протяжении года получает радиационную дозу около 300 мкЗв (0,03
Бер).
Земных природных источников излучения сейчас
насчитывается около 60, а именно: 32 - ураново-радиевые и ториевые группы, 11 -
из групп других долгоживущих радионуклидов, таких как калий-40, рубидий-87 и
др.
Исследования, которые проводились на протяжении
последних лет, свидетельствуют, что дома, в которых живут и работают люди, с
одной стороны, защищают их от внешних радиационных облучений, а с другой -
увеличивают общую дозу облучения за счет радионуклидов, которые содержатся в
строительных материалах, и радона, который внутри помещений. Уже досконально
известно, что в деревянных домах мощность радиационной дозы в два-три раза
меньше, чем в каменных или бетонных. А в домах, построенных из шлакоблоков,
мощность радиационной дозы, как правило, в десятки раз больше, чем в
деревянных.
Население городов, особенно больших, в целом
всегда получает дозы выше по сравнению с жителями сельских местностей. Самый
сильный радиационный фон в городах повышают граниты, в которых урана больше в
два-три раза, тория в три-десять раз, чем в песчаниках и известняках.
Остановимся на таком факте, как негативное влияние на здоровье человека радона,
который в последнее время обратил на себя внимание ученых в Америке и в Европе.
В 1992 г. ему было посвящено много публикаций в научной литературе и прессе.
Радон - радиоактивный газ, продукт
радиоактивного превращения урана, тория, радия. Попадая в организм, он сразу
наносит вред железам внутренней секреции, гипофизу, коре надпочечных органов.
Это вызывает у трети населения удушье, сердцебиение, мигрень, тревожное
состояние, бессонницу. Иногда развиваются злокачественные опухоли в легких,
печени, селезенке. Этот газ не имеет цвета, запаха, вкуса.
Еще около 400-300 лет тому назад в Южной
Германии были известны случаи смерти рудокопов-горников, которые отравлялись
под землей каким-то газом. Теперь известно, что это был радон. Болезнь горников
в 1937 г. исследовал немецкий врач Л. Телепи. Он установил, что эта смертельная
болезнь является раком легких и развилась она из-за высокой концентрации радона
в воздухе шахт и рудников.
Сегодня установлено, что на всех континентах во
многих домах (сотни тысяч) присутствует радон. Он накапливается в помещениях,
где плохая вентиляция, из-за присутствия так называемого "эффекта печной
трубы", когда тяжелый, полный радона воздух втягивается через щели, окна,
двери в жилище. Кроме того, он выделяется из строительных материалов и
конструкций.
В 1984 г. Национальная комиссия радиационной
безопасности США сообщила населению своей страны об опасности отравления
радоном. Тогда в США было обследовано сотни тысяч домов и во многих из них
выявлено повышенное количество радона, влияние которого на организм было
негативным, аналогичным выкуриванию сорока сигарет на день. Около 20 % домов
США имеют такое количество радона в воздухе, что проживать в них опасно.
Американские ученые считают, что от рака легких радонового происхождения в США
каждый год умирает около 10 тыс. человек. В 1987 г. было образовано Бюро по
защите от радона во Франции.
Сейчас установлено также, что одной из причин
резкого увеличения концентрации радона в помещениях являются магнитные бури.
Вследствие исследования домов в России и на Украине во многих из них выявлено
повышенное количество радона, в двух-трех из сотни дозы являются очень
опасными. Украинский научный центр радиационной медицины начал осмотр
сооружений определенных районов и исследование этой проблемы. Ученые центра
утверждают, что около 70 % дозы облучения населения Украины от всех источников
природной радиоактивности припадает на радон. Виноватым является украинский щит
- тектоническая структура, которая тянется с севера на юг почти посередине
Украины и занимает около 30 % всей территории. Состоит этот щит из гранитов и
других кристаллических пород, которые имеют повышенную радиоактивность.
Как было выявлено, природные радионуклиды,
которые входят в состав строительных материалов, могут быть одним из основных
источников облучения населения. Повышенную радиоактивность имеют сланцы,
фосфориты. Поэтому фосфорные минеральные удобрения часто являются носителями
радиоактивного загрязнения грунтов и грунтовых вод.
Персонал и больные курортов, где лечат
радоновыми ваннами, получают дозы облучения, что в шесть раз больше
установленных международных норм (более 300 мЗв в год). Радионуклиды ведут себя
по разному в воздухе, грунтах, воде и в живых организмах, потому что в разных
средах неодинаково действуют физико-химические факторы: адсорбция, ионный
обмен, седиментация, флокуляция. Из трех путей проникновения радионуклидов в
организм (с воздухом, через кожу и с едой) наибольшее значение имеет
потребление с едой.
В зависимости от распределения в тканях
организма различают такие радионуклиды: остеотропные - накапливаются в костях
(стронций, кальций, барий, радий, иттрий, цирконий, плутоний); те, что
задерживаются в печенке (до 60 %) и скелете (до 25 %) - церий, лантан,
прометий; те, что распределяются равномерно (тритий, уголь, железо, полоний,
инертные благородные газы);те, что остаются в мышцах (калий, рубидий, цезий),
селезенке и лимфатических узлах (ниобий, рутений), щитовидной железе (йод).
Радиоизотопы йода в щитовидной железе концентрируются в 100-200 раз больше, чем
в других тканях и органах. Разрушение железы начинается при дозе облучения,
которое равняется 100 Гр.
Ионизирующее излучение, воздействуя на живой
организм, вызывает в нем цепочку обратимых изменений, которые приводят к тем
или иным биологическим последствиям, зависящим от воздействия и условий
облучения. Первичным этапом - спусковым механизмом, инициирующим многообразные
процессы, происходящие в биологическом объекте, являются ионизация и
возбуждение. Именно в этих физических актах взаимодействия происходит передача
энергии ионизирующего излучения облучаемому объекту.
Какие же процессы происходят в результате
ионизации и возбуждения?
Известно, что в биологической ткани 60 - 70 % по
массе составляет вода. В результате ионизации молекулы воды образуются
свободные радикалы Н и ОН.
В присутствии кислорода образуются также
свободный радикал гидроперекиси (НО) и перекись водорода (НО), являющиеся
сильными окислителями.
Получающиеся в процессе радиолиза воды свободные
радикалы, обладая высокой химической активностью, вступают в химические реакции
с молекулами белка, ферментов и других структурных элементов биологической
ткани, что приводит к изменению биохимических процессов в организме. В
результате нарушаются обменные процессы, подавляется активность ферментных
систем, замедляется и прекращается рост тканей, возникают новые химические
соединения, не свойственные организму, - токсины. Это приводит к нарушению
жизнедеятельности отдельных функций или систем организма в целом.
Специфика действия ионизирующего излучения на
биологические объекты заключается в том, что производимый им эффект обусловлен
не столько количеством поглощенной энергии в облучаемом объекте, сколько той
формой, в которой эта энергия передается. Никакой другой вид энергии (тепловой,
электрической и др.), поглощенной биологическим объектом в том же количестве,
не приводит к таким изменениям, какие вызывает ионизирующее излучение.
Сегодня защита организма человека и живой
составной биосферы от радиоактивного излучения в связи с увеличивающимся
радиоактивным загрязнением планеты стала одной из самых актуальных проблем
экологической науки. Сформировалась и преподается во многих ВУЗах новая
дисциплина - радиоэкология. Издаются многочисленные труды по радиоэкологии.
Основное их задание - ликвидировать дефицит
знаний о природе и влияние радиации на биоту, ослабить вред от радиофобии там,
где она возникает необоснованно, без объективных причин, а также предостеречь
от существенной опасности. Потому что радиация - это неотъемлемый элемент нашей
жизни, один из многих факторов окружающей среды. Наша жизнь зародилась в
"радиационной колыбели". Все виды флоры и фауны Земли во время многих
лет возникали и развивались под постоянным влиянием природного фона и
приспособились к нему. Однако искусственно созданные радиоактивные вещества,
ядерные реакторы, сооружения сконцентрировали неведомые ранее в природе объемы
ионизирующего излучения, к чему природа была не подготовлена.
Основные особенности биологического действия
ионизирующих излучений следующие:
Действие ионизирующих излучений на организм
неощутимы человеком. У людей отсутствует орган чувств, который воспринимал бы
ионизирующие излучения. Поэтому человек может проглотить, вдохнуть
радиоактивное вещество без всяких первичных ощущений. Дозиметрические приборы
являются как бы дополнительным органом чувств, предназначенным для восприятия
ионизирующего излучения.
Видимые поражения кожного покрова, недомогание,
характерные для лучевого заболевания, появляются не сразу, а спустя некоторое
время.
Суммирование доз происходит скрыто. Если в
организм человека систематически будут попадать радиоактивные вещества, то со
временем дозы суммируются, что неизбежно приводит к лучевым заболеваниям.
Какие же последствия дальнейшего загрязнения
биосферы радиоактивными веществами?
Во-первых, не обращая внимания на резкий спад
гонки ядерных вооружений и ослабления угрозы глобальной войны, опасность гибели
живого компонента биосферы от военных ядерных запасов еще существует.
Продолжают испытания ядерного оружия французские и китайские военные, некоторые
страны стремятся получить это оружие, не уничтожено огромные запасы ядерных
бомб, снарядов и ракет, накопленных за 45 лет США, бывшим СССР, Францией,
Англией (их хватит, чтобы несколько раз уничтожить на Земле все живое), еще
существуют силы в разных странах, которые могут спровоцировать ядерную войну.
Нет гарантии, что не произойдет несчастный
случай или авария на военных базах, полигонах, объектах, где есть ядерные
запасы. Не исключена также возможность заполучения и применения ядерного оружия
террористами или маньяками, фанатично настроенными националистическими
элементами.
Итак, далее на всех уровнях и во всех
направлениях следует проводить активную работу против накопления ядерного
оружия, ее испытаний, выступать за ее полное уничтожение. Для этого необходимы
международные договора, законы, договоренности и постоянный строгий
международный контроль за их исполнением. Активное участие в этом деле должна
принимать общественность, молодежь, студенчество, как это успешно делает
международная независимая организация Гринпис, филиалы которой находятся в 26
странах мира.
Во-вторых, не решена проблема атомной энергетики,
хоть отношение к ней после чернобыльской аварии резко изменилось во всем мире.
Усовершенствуются конструкции реакторов, увеличивается надежность АЭС, но
остается проблема захоронения отходов (остатки обогащения урановой руды,
отработанные топливо, реакторы и другие сооружения), существует много сотен
опасных могильников твердых и жидких радиоактивных отходов во всем мире,
особенно в Мировом океане.
Для решения этих проблем необходимы дальнейшее
расширение гласности и правдивая информация обо всем, что связано с атомным
оружием и атомной энергетикой, широкое экологическое образование, особенно в
отрасли радиоэкологии, специальное санитарное воспитание населения, станций или
пунктов постоянного радиационного контроля за состоянием воздуха, воды, грунтов,
флоры и фауны во всех населенных регионах. Наконец, нужно разработать
усовершенствованные способы защиты от радиации и методы дезактивации природной
среды.
2. Нарушения процессов
жизнедеятельности организма при биологическом воздействии радиации
Под биологическим действием ионизирующих
излучений понимают их способность вызывать функциональные и анатомические
изменения в клетках, тканях, органах и организме в целом. Биологическое
действие ионизирующих излучений является результатом возбуждения и ионизации
атомов живой материи. Заряженные частицы и фотоны, проходя через ткани
животного организма, вызывают возбуждение атомов и распад их на отрицательно
заряженные частицы - ионы. Следовательно, в результате прямого действия
радиации в клетках и тканях образуются возбужденные и ионизированные атомы и
молекулы, обладающие высокой химической активностью. Их появление и влияние на
различные компоненты клетки выражают начальный этап развертывания
биологического эффекта. При этом изменяются не только те молекулы и клетки,
которые вступили в непосредственное взаимодействие с частицами и фотонами, но и
многие другие. Радионуклиды обладают различной биологической эффективностью и
по своему биологическому действию различаются между собой в зависимости от
вида, энергии излучения, периода полураспада, величины всасывания, накопления и
скорости выведения из организма. Энергия от клеток, поглотивших ее, передается
клеткам, не подвергавшимся облучению, т.е. происходит миграция энергии. В
результате воздействия ионизирующего излучения на организм человека в тканях
происходят сложные физические, химические и биологические процессы. Если
воздействию подвергалось мало клеток, то процесс может быть обратимым, т.е.
химическая структура тканей восстанавливается, вредные продукты удаляются,
функция клеточных популяций нормализуется. В противном случае процесс
оказывается необратимым: в тканях развиваются дистрофические и некробиотические
(омертвления) изменения и живой организм погибает. Основную по объему и весу
часть состава ткани живого вещества человека составляет вода (60-70 % веса
тела) и углерод. В процессе радиолиза в воде организма возникают молекулярные
ионы, которые под воздействием излучения расщепляются (диссоциируют) на
активные радикалы - водород Н и гидроксильную группу ОН. Дальнейшие реакции
ведут к появлению в тканях соединений пероксидного типа - гидратный оксид и
перекись водорода Н202. Эти соединения при нормальных физиологических условиях
в организме не встречаются. Все эти активные соединения взаимодействуют в
клетках и тканях с молекулами растворенных в воде веществ, т.е. происходят
первичные радиационно-химические реакции. Белковые молекулы также претерпевают
под влиянием ионизирующего излучения различного рода изменения: молекула белка
под действием фотона разрушается и распадается на аминокислоты (фотолиз белка)
с образованием токсических гистаминоподобных соединений. Таким образом,
ионизирующие излучения вызывают физико-химические изменения и в клетках и
межклеточном веществе, а также происходит изменение ферментов, которые играют в
организме роль катализаторов биохимических реакций. Распад молекулы фермента
сопровождается нарушением нормального хода соответствующих биохимических
процессов. Особую роль играет нарушение деятельности дыхательных ферментов, приводящих
к расстройству тканевого дыхания. Клеточные ядра теряют способность
синтезировать определенные типы белка, вследствие чего нарушается процесс
ре-дублирования сложных макромолекул, что приводит к поражению нуклеиновых
кислот и, особенно, дезоксирибонуклеиновой кислоты (ДНК). Без синтеза ДНК
невозможно митотическое деление клеток и клеточное размножение. Результатом
нарушения редублирования белковых молекул являются мутации - возникновение
дочерних клеток с измененными свойствами. Под действием радиации изменяется
течение белкового, углеводного, липоидного и холестеринового обмена веществ. В
формировании биологического эффекта особое значение имеет деятельность
интегрирующих систем организма - нервной системы, тесно связанного с ней
эндокринного аппарата и гуморальной системы, транспортирующей по организму
токсические продукты, образующиеся в тканях в результате облучения. Под
влиянием ионизирующего излучения в нервной ткани также происходит ионизация
атомов и молекул и первичные радиохимические реакции, нарушающие процессы
нервной регуляции. В первые минуты после облучения в крови и лимфе появляются
токсические продукты (яды), которые оказывают непосредственное влияние на
нервную и эндокринную системы, а также на клетки и органы и вызывают в
организме состояние повышенной радиочувствительности (аутосенсибилизацию).
Степень чувствительности к облучению различных тканей и органов организма
человека неодинакова: в порядке уменьшения их чувствительности к облучению
имеется следующая последовательность: лимфатическая ткань, лимфатические узлы,
селезенка, зобная железа, костный мозг, зародышевые клетки. Большая
чувствительность кроветворных органов к радиации лежит в основе определения
характера лучевой болезни. При однократном облучении всего тела человека поглощенной
дозы 0,5 Гр через сутки после облучения может резко сократиться число
лимфоцитов, продолжительность жизни которых и без того незначительна - менее
одних суток. Уменьшится также и количество эритроцитов (красных кровяных телец)
по истечении двух недель после облучения (продолжительность жизни эритроцитов
примерно 100 суток). У здорового человека насчитывается порядка 1014 красных
кровяных телец и при ежедневном их воспроизводстве в количестве10-12, у
больного лучевой болезнью соотношение нарушится, и в результате погибает
организм. Соматические (телесные) эффекты - это последствия действия облучения
на самого облученного, а не на его потомство. Соматические эффекты облучения
делят на стохастические (вероятностные) и не стохастические. К не стохастическим
соматическим эффектам относят поражения, вероятность возникновения и степень
тяжести которых растут по мере увеличения дозы облучения и для возникновения
которых существует дозовый порог. К таким эффектам относят, например, локальное
не злокачественное повреждение кожи, (лучевой ожог), катаракта глаз (потемнение
хрусталика), повреждение половых клеток (кратковременная или постоянная
стерилизация) и др. Время появления максимального эффекта также зависит от
дозы: после более высоких доз он наступает раньше. Эти дозы и эффекты применимы
к среднему индивидууму в популяции здоровых людей, а не к какому-либо
конкретному индивидууму, реакция которого может отличатся от средней. Например,
у 1 % населения может проявляться очень высокая радиочувствительность вследствие
врожденных генетических расстройств. На этой же схеме показана предельно
допустимая доза профессионального облучения всего тела и критических органов 1
группы, равная 50 мВ/год, которая рассчитана на 50 лет трудовой деятельности.
МКРЗ рекомендует это значение в качестве норматива профессионального облучения
в единицах не эффективной эквивалентной дозы. Имеются данные многочисленных и
длительных наблюдений за персоналом и населением, подвергшимся воздействию
повышенных доз (облучение в медицинских целях, проведение ремонтных работ на
ядерных установках и т.п.). Из этих данных следует, что длительное
профессиональное облучение дозами до 50 мВ в год взрослого практически
здорового человека не вызывает никаких неблагоприятных соматических изменений,
реально регистрируемых с помощью современных методов исследования. Согласно
этим биологическим и клиническим данным, нестохастические эффекты при
длительном хроническом облучении полностью исключаются, если эквивалентная доза
излучения не превышает 500 мВ в год на любой орган, за исключением хрусталика
глаза, для которого годовая доза должна быть не более 150 мВ. Нестохастические
эффекты проявляются при достаточно высоком или аварийном облучении всего тела
или отдельных органов. Порог эффекта зависит от органа или ткани. На
приведенной выше схеме показано значение дозы 100 %-ной летальности (G Гр) и
дозы СД5о, относящейся к здоровым людям при однородном облучении всего тела.
Наиболее радиочувствительными являются клетки постоянно обновляющихся
(дифференцирующихся) тканей некоторых органов (костный мозг, половые железы,
селезенка и т.п.).
Причем стволовые и пролиферативные клетки,
претерпевшие множество делений, наиболее радиочувствительны. Изменения на
клеточном уровне, гибель клеток приводят к таким нарушениям в тканях, в
функциях отдельных органов и в межорганных взаимосвязанных процессах организма,
которые вызывают различные последствия для организма или гибель организма.
Взаимодействие радиации с живым веществом происходит по физическим законам:
возбуждаются и ионизируются атомы и молекулы, и происходят первичные
радиохимические реакции. Ионизация атомов и молекул является лишь пусковым
механизмом для развивающихся в дальнейшем в живом организме вторичных
процессов, которые происходят уже по биологическим закономерностям. Для врача -
радиолога именно вторичные поражения тканей и органов являются главными, потому
что их распознавание доступно современной клинике. Эффективность биологического
действия оценивается с точки зрения тяжести этих вторичных повреждений. Под
влиянием облучения в клетках, тканях и организме в целом происходят
дистрофические (истощающие) изменения вплоть до некроза, т.е. омертвления и
гибели живого вещества. Обнаруживается угнетение и подавление функции клеток:
ограничивается их подвижность, способность к росту и размножению, изменяется
проницаемость клеточных мембран, перестраивается и дезорганизуется обмен
веществ в ядре и протоплазме. В клетках повреждаются целые структуры -
хромосомы ядра, ядрышка, микросомы, лизосомы и митохондрии, а также цитоплазма.
Происходят грубые морфологические изменения - набухание клетки (отек),
образование в ней вакуолей, пикноз ядра, его распад. При однократном облучении
всего тела биологические нарушения в основном зависит от суммарной поглощенной
дозы.При облучении дозами, в 100-500 раз превышающими смертельную дозу, человек
погибает во время облучения. Поглощенная доза излучения, вызывающая поражение
отдельных частей тела, а затем и смерть, превышает смертельную поглощенную дозу
облучения всего тела. Смертельные поглощенные дозы для отдельных частей тела
следующие: голова - 20, нижняя часть живота - 30, верхняя часть живота - 50,
грудная клетка - 100, конечности - 200 Р/ч. Ионизирующие излучения в
соответствии со своей проникающей способностью вызывают биологические изменения
в организме как при внешнем (источник находится вне организма), так и при
внутреннем облучении (радиоактивные вещества попадают внутрь организма
пероральным или ингаляционным путем). Радиоактивные вещества могут поступать в
организм через органы дыхания, пищеварительный тракт и кожу.
При аварийных ситуациях и в чрезвычайной
обстановке возможно проникновение радионуклидов через царапины, раны и ожоговую
поверхность. Наиболее вероятным источником возможного поступления радиоактивных
веществ в организм человека являются воздух, загрязненный радиоактивными газами
и аэрозолями, а также продукты питания. Поэтому поступившие в воздух
радиоактивные вещества в виде радиоактивных газов, пыли тумана или дыма легко
осаждаются в органах дыхания. Поверхность легких (около 50 м2) является
эффективным адсорбционным фильтром. При наличии во вдыхаемом воздухе
радиоактивных веществ определенная часть остается в дыхательном тракте.
Осаждение и локализация радиоактивных частиц в органах дыхания зависит от их размера,
частоты дыхания и минутного объема. При этом осаждение происходит вследствие
инерционного осаждения, под влиянием силы тяжести (седиментация) и диффузии
количественной оценки отложенных радиоактивных аэрозольных частиц в дыхательном
тракте применяется коэффициент отложения или задержки, характеризующий долю
частиц, отложившихся на участках дыхательного пути. Осаждение радиоактивных
частиц в органах приводит к облучению участков дыхательного тракта, легких и
лимфатических узлов, а также последующему проникновению через кровяное русло в
определенные органы и ткани. После отложения в верхних дыхательных путях, на
слизистой трахеи бронхов радионуклиды с помощью мерцательного эпителия
переводятся в глотку и ротовую полость, откуда поступают в желудок, а в
дальнейшем ведут себя, как и при пероральном (через ротовую полость)
поступлении. Инертные радиоактивные газы, попав через легкие в кровь удаляются
из организма постепенно и полно. Все радиоактивные химические элементы и их
соединения по скорости времени выведения из организма и, особенно, из легких
разделены на три класса: Д-дни, Н-недели, Г-годы. Наиболее медленно, с периодом
полувыведения более одного года, удаляются из легких радионуклиды меди,
серебра, ш лота, цинка, кадмия, иттрия, актиния, циркония и другие. Часто
критическим органом по облучаемости становятся легкие, и это обстоятельство
учитывается при разработке норм предельно допустимого содержания радионуклидов
в воздухе. Радиоактивные вещества поступают в организм также через кожные
покровы. Имеются радионуклиды, которые проникают не только через всевозможные
ссадины, порезы и наколы, но и через неповрежденную кожу. Проницаемость кожи
для радиоактивных веществ зависит от агрегатного состояния радионуклидов,
склонности их к гидролизу и комплексообразованию, кислотности раствора
радионуклида и состояния кожного барьера. В результате механического удержания
и физико-химических процессов радиоактивные вещества могут прочно фиксироваться
на поверхности кожи.
Основное значение в механизме фиксации имеют: 1)
адсорбция на поверхностных структурах кожи; 2) простое механическое осаждение,
в основе которого лежат силы адгезии, электростатическое притяжение и другие
физические силы сцепления; 3) химическое взаимодействие с биохимическими
компонентами (хемосорбция, образование комплексных соединений, ионный обмен и
т.п.). Барьерная функция кожи определяется роговым слоем эпидермиса,
повреждение которого способствует беспрепятственному прохождению в подлежащие
ткани активных веществ. Проникновение радиоактивных веществ также происходит
через устья волосяных фолликулов, канальцы сальных и потовых желез.
Предварительное воздействие на кожу, например обезжиривание, значительно
увеличивает ее проницаемость, резко возрастает проницаемость при термических,
химических или механических повреждениях. Необходимо также учитывать опасность
прямого облучения базального слоя эпидермиса, который находится на глубине
80-1000 мкм и обладает высокой радиочувствительностью. Наиболее
радиочувствительными являются клетки постоянно обновляющихся
(дифференцирующихся) тканей некоторых органов (костный мозг, половые железы,
селезенка и др.). При одинаковой эквивалентной дозе облучения возникновение
рака в легких более вероятно, чем в щитовидной железе, а облучение половых
желез особенно опасно из-за риска генетических повреждений. Поэтому дозы
облучения органов и тканей также следует учитывать с разными коэффициентами.
Умножив эквивалентные дозы на соответствующий коэффициент и просуммировав по
всем органам и тканям, получим эффективную эквивалентную дозу, отражающую
суммарный эффект облучения для организма. Радиоактивные вещества, поступив в
организм, всасываются в кровь и лимфу и разносятся по различным органам и
тканям. Знание закономерностей распределения, особенностей обмена и депонирования
радионуклидов, их перераспределение в организме имеет исключительно важное
значение, гак как дает представление о преимущественном лучевом поражении тех
или иных органов, позволяет понять механизм действия радионуклидов, установить
критический орган, оценить величину его облучения и прогнозировать лучевое
поражение, т.е. уровень риска. Распределение радиоактивных веществ в организме
может быть различным. Радиоактивные и стабильные изотопы одного и того же
элемента, обладая одинаковыми химическими и физическими свойствами,
распределяются в организме однотипно. Однако, одни радионуклиды распределяются
в организме равномерно по всем органам и тканям, другие же проявляют тропность
(направленность) к определенным органам, в которых и накопительно откладываются.
Орган с преимущественным накоплением радионуклида, подвергающийся наибольшей
опасности вследствие значительного облучения, называется критическим органом.
Уровни накопления радионуклидов в критических
органах в период установления равновесия в расчете на один килограмм массы
критического органа имеют следующие величины кратности (указаны в скобках):
щитовидная железа - иод-131 (164); скелет - стронций-90 (91), радий-226 (46),
кальций-45 (13); печень - железо-55 (3,5), цинк-65 (1,3), америций-241 (1,4);
почки - свинец-210 (21), бериллий-7 (6), платина-193 (3); мышцы - цезий-137
(2,6), рубидий-87 (1,7), калий-40 (1,4). Ориентиром для оценки суммарного
содержания радионуклида в организме служит кратность накопления - отношение
максимально накопленного количества элемента в организме или в органе к
величине ежедневного поступления. Кратность накопления зависит от всасывания
радионуклида в кровь и лимфу, скорости выведения из организма вследствие
интенсивности обменных процессов и периода полураспада радионуклида. Характер
распределения радионуклидов в организме не является неизменным и обусловлен их
химическими свойствами, способностью образовывать коллоиды и легко
гидролизоваться. Распределение радионуклидов в организме может изменяться в
зависимости от исходного состояния центральной нервной системы, угнетение
которой способствует накоплению, а возбуждение, наоборот, снижению содержания
радионуклидов стронция-90 и кобальта-60 в организме и тканях. Все радионуклиды
по характеру своего распределения делятся на четыре группы: 1) остеотропные -
фосфор-32, кальций-45, стропций-90, барий-140, радий-226; 2) преимущественно
накапливающиеся в органах с ретикулоэндотелиальной (сетчатой) тканью -
торий-239, плутоний-239 (нитрат); 3) специфически участвующие в обмене веществ
и избирательно накапливающиеся в отдельных органах и тканях: иод-131 - в
щитовидной железе, железо-59 - в эритроцитах, цинк-65 - в поджелудочной железе,
молибден-99 - в радужной оболочке глаза; 4) равномерно распределяющиеся по всем
органам и тканям: калий-40, рубидий-86, ниобий-95, рутений-106, це-зий-137.
Некоторые радиоактивные вещества, попадая в организм, распределяются в нем
более или менее равномерно, другие концентрируются в отдельных внутренних
органах. Так, в костных тканях отлагаются источники альфа-излучений - радий,
уран, плутоний; бета-излучений - стронций и иттрий; гамма-излучений - цирконий.
Эти элементы, химически связанные с костной тканью, очень трудно выводятся из
организма. Продолжительное время удерживаются в организме также элементы с
большим атомным номером (полоний, уран). Элементы, образуемые в организме
легкорастворимые соли и накапливаемые в мягких тканях, легко удаляются из
организма. Закономерности удержания и выведения радионуклидов из организма
имеют специфические особенности - протекают с различными скоростями и зависят
от многих факторов, а также от функционального состояния выделительных систем.
Наибольшее количество радиоактивных веществ выводится через желудочно-кишечный
тракт, особенно радионуклиды, которые плохо всасываются в пищеварительный
тракт: трансурановые элементы, лантаноиды. Растворимые соединения радионуклидов
хорошо выделяются через почки. Быстро выводятся из организма газообразные
радионуклиды - водород-3, ксенон-133 и криптон-85. Основное количество радиоактивных
газов выделяется через легкие и кожу. Радионуклиды иод-131 и цезий-137
выводятся также через потовые и слюнные железы. Радионуклиды, образующие
коллоидные комплексы с белками, поступают в печень и выделяются с желчью в
кишечник. Одним из основных органов выделения радиоактивных веществ из
организма являются почки. Большинство растворимых радионуклидов выделяется
через почки в течение первых суток после облучения. Радиоактивные аэрозоли, а
также продукты распада радия и тория могут выделятся из организма через органы
дыхания. Процессы экскреции (выделения) радиоактивных веществ из легких,
кишечника, почек неразрывно связаны с явлением реабсорбции, величина которой
для выделения радионуклидов может быть различной. Уменьшение содержания
радиоактивного вещества в организме происходит не только вследствие его
выведения, но и благодаря радиоактивному распаду, что особенно характерно для
короткоживущих радионуклидов: иода-131, натрия-24, фосфора-32. Биологическое
выведение и радиоактивный распад - это два независимых процесса. Время, в
течение которого из организма выделяется половина однократно поступившего
радионуклида, называется биологическим периодом полувыведения (Тб). Фактическая
же убыль радионуклида в организме измеряется эффективным периодом полувыведения
(Тэф). Это время, в течение которого организм освобождается от половины
депонированного в нем радионуклида как путем биологического выведения, так и
вследствие радиоактивного распада. Для долгоживущих радионуклидов Тэф в
основном определяется биологическим выведением. Эффективный период
полувыведения зависит от вида химического соединения радионуклида, особенностей
его распределения, поступившего количества, функционального состоя пня органов,
типа, пиво количества или концентрации (уровни) некоторых веществ, либо
скорости (темпы) протекания физиологических процессов, в том числе - скорости
биохимических реакций. Темпы этих процессов и уровни поддержания состава
веществ в организме регулируются целой системой механизмов через определенные
исполнительные органы. Например, окислительные процессы в тканях управляются
целенаправленными изменениями дыхательного объема, жизненной емкости легких,
объема резервного воздуха, глубины вдоха, частоты дыхания, ударного объема
сердца, частоты сердечных сокращений, объемной скорости кровотока, величины
сопротивления сосудов, количества гемоглобина в крови, величины кислородной
емкости.
3. Обзор методов построения
микропроцессорных систем
.1 Общие сведения
Микропроцессор (МП) представляет собой
функционально завершенное универсальное программно-управляемое устройство
цифровой обработки данных, выполненное в виде одной или нескольких МП БИС.
Микропроцессорные БИС относятся к новому классу
микросхем, одной из особенностей которого является возможность программного управления
работой БИС с помощью определенного набора команд. Эта особенность нашла
отражение в программно-аппаратном принципе построения микропроцессорных систем
(МС) - цифровых устройств или систем обработки данных, контроля и управления,
построенных на базе одного или нескольких МП. Программно-аппаратный принцип
построения МС является одним из основных принципов их организации и заключается
в том, что реализация целевого назначения МС достигается не только аппаратными
средствами, но и с помощью программного обеспечения.
Микросистема общего назначения, содержащая кроме
одного или нескольких МП, память для хранения управляющих программ и данных, а
так же средства обмена информацией с периферийными устройствами ввода-вывода,
называется микропроцессорной ЭВМ (микроЭВМ). МикроЭВМ, совмещенная с
периферийными устройствами, называется микровычислительным комплексом.
При разработке МС приходится принимать во
внимание большое число особенностей МП и микропроцессорных комплектов БИС:
технологических, конструктивных, временных, энергетических, эксплуатационных,
функциональных и др. Функциональные особенности характеризуют логическую
организацию МП и микропроцессорных БИС, принципы их построения, использования и
взаимодействия. Они являются основными, так как определяют прибор как
функциональный элемент МС, раскрывают его потенциальные возможности логической
и арифметической обработки информации.
Практически любую МС можно отнести к одному их
трех классов:
системы на базе секционированных
микропроцессорных БИС с микропрограммным управлением;
системы на основе однокристальных МП с
программным управлением;
системы с сокращенным набором команд.
Основой элементной базы МС первого класса служат
секционированные микропроцессорные комплекты БИС с микропрограммным
управлением. Главными отличительными признаками этих комплектов являются:
секционированность БИС, позволяющая из малоразрядных секций создавать
многоразрядные МС; наличие независимых шин адреса, данных и управления,
обеспечивающих разнообразие архитектур и поточную обработку; наличие встроенных
трехстабильных выходных буферов с большим коэффициентом разветвления;
микропрограммируемость.
В основе систем второго класса лежат
однокристальные МП с программным управлением и фиксированным набором команд.
Особую группу МС с программным управлением
образуют микроЭВМ с хранимым в постоянной памяти прикладным программным
обеспечением. Такие системы, встраиваемые в аппаратуру потребителя и
предназначенные для управления ею в реальном масштабе времени, называются
программируемыми микроконтроллерами.
МС третьего класса известны как системы с
сокращенным набором команд (RISC - ReduceInstructionSetComputer). Организация
RISC подчинена задаче достижения максимальных скоростей. Основная ее
особенность состоит в использовании небольшого набора часто используемых команд
одинакового формата, которые могут быть выполнены за один микротакт
центрального процессора. Более сложные редко используемые команды реализуются
на программном уровне.
.2 Понятия организации и архитектуры
Под организацией МС понимают состав ее
программно-апаретных средств, связи между ними и их функциональные
характеристики. Микросистемы имеют многоуровневую иерархическую организацию со
многими составными компонентами на каждом уровне. С нижним уровнем
функционального описания МС и ее составляющих связано понятие физической
организации МС - ее принципиальная схема. Термин логическая организация
относится к более высоким уровням описания МС. Так, логическая организация на
уровне аппаратуры - это состав, функциональные связи и характеристики
взаимодействия аппаратных модулей в процессе выполнения различных задач,
которые обычно называют структурной схемой или структурой. Рассматривая
логическую организацию на уровне программного обеспечения (ПО), говорят о
вычислительной среде и ее особенностях.
Конечная цель проектирования МС - создание
работоспособного и оптимального изделия на базе одного или нескольких МП.
Возможность ее достижения определяется в первую очередь выбором рационального
соотношения между программными и аппаратными средствами МС. Для этого вводится
понятие архитектуры. Архитектура МС - это функциональные возможности аппаратных
средств МС, используемые для представления программ и данных, а так же для
управления процессом вычислений. Архитектура служит примером вычислительной
среды нижнего уровня, связанной непосредственно с аппаратурой МС.
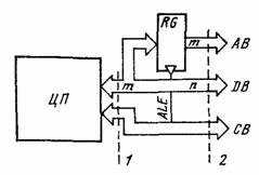
Рисунок 3.1 - Базовая организация микросистемы
Микросистема состоит из построенного на базе МП
центрального процессора (ЦП), основной памяти для хранения программ и данных, а
так же подсистемы ввода-вывода (ВВ) для связи МС с внешней аппаратурой рисунок
3.1
Задача управления МС возлагается на ЦП, который
связан с памятью и подсистемой ВВ через каналы памяти и ВВ соответственно. ЦП
считывает из памяти МС команды, которые преобразуют программу, и декодирует их.
В соответствии с результатом декодирования команд он осуществляет выборку
данных из памяти МС и портов ввода, обрабатывает их и пересылает обратно в
память или порты вывода подсистемы ВВ. Существует так же возможность ВВ данных
из памяти на внешние устройства и обратно, миную ЦП. В этом случае обмен
данными выполняется через канал прямого доступа к памяти (ПДП), управление
которым возлагается на подсистему ВВ. Иногда выделяются средства поддержки
режима реального времени, в простейшем случае разделяемые процессором и
подсистемой ВВ.
В большинстве микроЭВМ для хранения программ и
данных используется одно пространство памяти. Такая организация получила
название архитектуры Дж. фон Неймана - по имени математика, предложившего
кодирование программ в формате, соответствующем формату данных. Программы и
данные хранятся в едином пространстве, и нет никаких признаков, указывающих на
тип информации в ячейке памяти. Содержимое ячейки интерпретируется оператором
обработки, в качестве которого в простейшем случае выступает ЦП.
Однако почти все однокристальные микроЭВМ
выполнены по другой схеме, известной как архитектура Гарвардской лаборатории, в
которой память программ CSEG (CodeSegment) и память данных DSEG (DataSegment)
разделены и имеют свои собственные адресные пространства и способы доступа к
ним.
Дальнейшее совершенствование архитектур обоих
типов состояло в выделении специального пространства данных небольшого объема,
которое сегодня известно как набор программно-доступных регистров RSEG
(RegisterSegment). В отличие от CSEG или DSEG регистры RSEG располагаются
внутри ЦП в непосредственной близости от его арифметико-логического устройства
(АЛУ), что обеспечивает быстрый физический доступ к информации, хранящейся в
них. В некоторые интервалы времени программа наиболее интенсивно работает лишь
с небольшим объемом данных. Для временного хранения этих данных и предназначена
регистровая область - набор программно-доступных регистров.
Область RSEG может быть как полностью
изолирована от пространства данных DSEG, так и частично пересекаться с ним, что
дает возможность рассматривать отдельные регистры МП как обычные ячейки памяти
данных. Такая организация является целесообразной, если в МС поддерживается быстрый
доступ ко всей или хотя бы некоторой части памяти данных DSEG.
Почти все современные МС имеют регистровые
области независимо от того, к какому типу они принадлежат: неймановскому или
гарвардскому. Регистровая область имеет регистр РС (ProgramCounter), который
называется программным счетчиком. Данный регистр является неотъемлемой частью
всех МС и связан с адресацией памяти программ. Именно он служит указателем
следующего элемента программной последовательности, подлежащей выборке и
исполнению.
Система ВВ в простейшем случае представляет
собой набор адресуемых буферных схем и регистров (портов), через которые
осуществляется связь с внешними и внутренними аппаратными средствами МС.
Система ВВ обычно использует единый механизм адресации портов, размещенных в
специальном пространстве ВВ микросистемы IOSEG (Input/OutputSegment), логически
изолированном от других пространств данных, - изолированный ВВ.
Рисунок 3.2 -Типовая организация памяти и
пространства ввода-вывода
В некоторых системах логически изолированное
пространство ВВ может отсутствовать. В этом случае в пространстве памяти данных
DSEG выделяются области, в которых и размещаются порты, - совмещенный ВВ.
Организация доступа к портам в таких МС ничем не отличается от процесса
записи-считывания данных в память.
На рисунке 3.2 представлены четыре типовых
набора областей для хранения программ и данных. Стрелкой указан процесс
изоляции отдельных областей, приводящий к появлению нового типового набора. Все
наборы существуют реально, на их основе созданы те или иные серии
микропроцессорных БИС. Каждый тип организации имеет свои преимущества и
недостатки, учет которых позволяет создавать высокоэффективные системы
различного применения.
3.3 Командный цикл
Центральный процессор осуществляет ввод,
обработку и вывод данных в соответствии с программой, хранимой в CSEG.
Программа - это упорядоченная последовательность команд и данных. Процесс
исполнения программы заключается в последовательном выполнении команд,
образующих программу.
Рисунок 3.3 - Основные фазы работы микросистемы
Команда - это функционально завершенное
элементарное действие, которое определяется типом используемых данных,
источником их получения, операцией над ними, приемником размещения результата,
а так же источником получения следующей команды. Программист рассматривает
команду как одно неделимое действие. На уровне физического обмена каждая
команда представляет собой ряд типовых циклов обращения к системной магистрали.
Машинное представление команды в памяти МС
называется ее объектным кодом. Объектный код команды состоит из ряда нулей и
единиц. Т.к. человеку более понятна информация, представленная в символьной
форме, наряду с объектным кодом каждой команде приписывается ее символическое
обозначение, или мнемокод, который используется при написании программ
человеком с последующей их перекодировкой в машинное представление. Обычно
существует взаимно-однозначное соответствие между мнемокодом и объектным кодом
команды.
Время, необходимое для выполнения одной команды,
называется командным циклом рисунок 3.3. Командный цикл делится на две фазы:
выборки и исполнения. Работа ЦП заключается в непрерывном повторении
чередующихся фаз командного цикла.
Основное содержание фазы выборки состоит в
считывании первого байта (слова) команды из памяти МС и его ввод в специальный
регистр команд IR (InstructionRegister). Считывание байта (слова) происходит по
адресу, хранящемуся в программном счетчике РС. Одновременно с этим содержимое
РС увеличивается на 1 или 2, указывая на следующий элемент объектного кода.
Фаза выборки одинакова для всех команд.
Фаза исполнения состоит в дешифрации содержимого
IR и выполнении действий, определяемых этим содержимым. Состав и порядок
действий фазы исполнения для каждой команды свой. Она может так же включать
считывание дополнительных байтов (слов) команды и соответствующего изменения
РС, несколько дополнительных обращений к памяти программ и (или) данных для
выборки операндов и размещения результата, циклы обращения к портам ВВIOSEG.
В целом работа МС заключается в следующем: при
включении источника питания или нажатии клавиши сброса RESET управление
аппаратно передается на стартовый адрес памяти программ. Выбирается и
исполняется первая команда, по результатам которой управление передается другой
и т.д. При приеме специальной команды останова HLT МС приостанавливает свою
работу до следующего пуска.
3.4 Структура типовой микросистемы
Магистраль микросистемы. На физическом уровне ЦП
взаимодействует с памятью и подсистемой ВВ через единый набор системных шин -
внутрисистемную магистраль рисунок3.4, в общем случае состоящую из:
шины данных DB (DataBus)по которой производится
обмен данными между ЦП, памятью и подсистемой ВВ;
шины адреса AB (AddressBus), используемой для
передачи адресов ячеек памяти и портов ВВ, к которым осуществляется обращение;
шины управления CB (ControlBus), реализующей
функцию управления циклами обмена и работой системы.
Рисунок 3.4 - МикроЭВМ с трехшинной магистралью
Этот же набор шин применяется и для организации
канала ПДП. Магистраль такого типа носит название трехшинной с раздельными
шинами передачи адреса и данных.
В некоторых МС с целью дальнейшего сокращения
ширины физической магистрали вводят совмещенную шину адреса/данных AD (Address/
DataBus), по которой передаются как адреса, так и данные рисунок 3.5. Данную
магистраль обычно называют двухшинной с совмещенными шинами передачи адреса и
данных.Входящий в состав шины управляющий сигнал ALE используется для
разделения функций, выполняемых совмещенной шиной AD. Для этой цели служит
обычно через ALE (переход из состояния 1 в 0), по которому присутствующая на
шине AD адресная информация должна быть принята во внешний адресный регистр.
При напряжении низкого уровня (0) на линии ALE шина AD выполняет функцию
передачи данных.
Рисунок 3.5 - МикроЭВМ с двухшиннной магистралью
Обычно каждый модуль МС с двухшинной магистралью
содержит локальный адресный регистр RG рисунок3.6 или другие средства для
запоминания адресной информации по срезу ALE. Для фиксации адресной информации
может быть использован и один общий регистр рисунок3.7, в результате ЦП с
двухшинной магистралью преобразуется в подобный ему ЦП с тремя раздельными
шинами. Построенная таким образом система относится уже к классу трехшинных МС.
Рисунок 3.6 - Схема фиксации адреса
Рисунок 3.7 - Преобразователь магистраль
На рисунке 3.7.1 - Преобразователь двухшинной
магистрали, на рисунке 3.7.2 - преобразователь трехшинной магистрали.
3.5 Типовые структуры МС
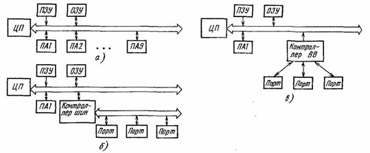
Память и подсистема ВВ включают отдельные
функционально законченные модули, состав и организация которых раскрывают
структуру соответствующей подсистемы. В представленной на рисунке 3.8 МС
магистрального типа эти модули выполняются так, чтобы имелась возможность их
подключения непосредственно к единой внутрисистемной магистрали. По такому
магистрально-модульному принципу построено большинство МС.
В подсистеме памяти можно выделить модули
постоянного запоминающего устройства (ПЗУ), используемые для хранения программ
и констант. Они являются важнейшими компонентами организации такого класса МС,
как программируемые микроконтроллеры (МК). При этом емкость ПЗУ может быть
достаточно большой. Ко второму типу входящих в подсистему памяти стандартных
модулей относятся оперативные запоминающие устройства (ОЗУ), предназначенные
для хранения переменных и загружаемого извне объектного кода. Микроконтроллеры
обычно имеют ОЗУ незначительных размеров, тогда как микроЭВМ общего назначения
должны иметь ОЗУ достаточно большой емкости.
Рисунок 3.8 - Типовые структуры МС
На рисунке 3.8 а) магистральная; б)
магистрально-каскадная; в) магистрально-радиальная.
В составе подсистемы ВВ так же можно выделит ряд
функционально законченных устройств, которые оформляются в виде модулей,
подключаемых непосредственно к единой магистрали МС. В простейшем случае это
адресуемые ЦП буферные схемы и регистры подсистемы ВВ - порты. Более сложные
программно-управляемые подсистемы ВВ, содержащие блоки портов, получили
название периферийных адаптеров (ПА). В случае, когда средства ВВ
предназначаются для управления специальным внешним оборудованием и реализации
специальных функций ВВ, их называют периферийными контроллерами.
Наиболее сложными из современных средств обмена
с внешними устройствами ВВ считаются сопроцессоры ВВ, которые работают по
собственным программам, хранящимся в памяти МС, и по сути дела представляют
собой отдельные МС. Модули подсистем памяти и ВВ, реализуемые по магистральной
или радиальной схеме, образуют магистрально-каскадные или
магистрально-радиальные структуры МС, приведенные на рис. В состав этих
структур включаются специальные контроллеры шин, основное назначение которых -
реализовать приоритетные соотношения при использовании магистрали.
Использование в МС единой магистрали
обеспечивает выполнение за один рабочий цикл одной операции обмена данными
между двумя (в общем случае любыми) модулями системы, например чтения
командного слова или слова данных из памяти в МП, выдачи данных из процессора в
порт подсистемы ВВ или наоборот и т.д.
4. Центральный процессор на базе
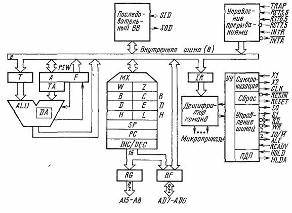
микропроцессора К1821ВМ85А
В микропроцессоре ВМ85А используется совмещенная
шина адреса/данных AD7-AD0, по которой передаются младшая часть адресной
информации и 8-разрядные данные. Старшая часть адреса фиксируется в регистре
адреса и выводится на шину А15-А8. Существенно видоизменен набор линий шины
управления, которые обеспечивают прямое подключение кварцевого резонатора, а
так же управление периферийными БИС памяти и ВВ. Расширен и модифицирован
состав физических линий для поддержки системы прерываний. Веден блок
последовательного ВВ. Приведем физический интерфейс. Схема ВМ85А приведена на
рисунке 4.1, а его условное графическое обозначение на рисунке 4.2.
Рисунок 4.1 - Схема микропроцессора ВМ85А
Рисунок 4.2 - Условное графическое обозначение
микропроцессора ВМ85А
На рисунке 4.2 AD7-AD0 Двунаправленная
трехстабильная мультиплексированная шина младшей части адреса данных.-A8
Трехстабильная шина вывода старшей части адреса,X2 Вход и выход усилителя для
подключения внешнего кварцевого резонатора или RC-цепочки. Вход Х1 может быть
использован для приема внешних тактовых импульсовВыход тактовых импульсовВход
для приема сигнала сброса МП в начальное состояние По сигналу RESINPC принимает
нулевое значение, сбрасываются триггеры разрешения прерывания и состояния
HLDA.Выходной сигнал системного сброса, синхронизированный тактовыми импульсами
CLK.,S1 Состояние МП:S0 Назначение
0 HALT (останов)
1 WRITE (запись)
0 READ (чтение)
1 FETCH (выборка команды)
Линия S1 может быть использована в качестве
упреждающего сигнала R/W, WRТрехстабильные линии для вывода стробов чтения и
записи. Данные действительны в конце строба./M Линия выбора системы памяти для
устройств ВВ. Имеет 3 состояния. Строб разрешения фиксации адреса. Адрес
действителен на срезе строба. Линия имеет три состояния. Может быть использован
для стробирования информации о состоянии.Линия для приема подтверждения обмена
во время стробов RD, WRЛиния запроса векторного прерывания, который вызывает
генерацию строба INTA. Предусмотрены программные средства запрещения
(разрешения) приема сигнала. При сбросе прием запроса запрещен.Выходная линия
для генерации строба подтверждения векторного прерывания после завершения
текущего командного цикла. Используется аналогично стробу RD для приема вектора
прерывания.7.5 Входы для принятия запросов прерывания типа RSTn, n=5.5, 6.5 6.5
и 7.5 соответственно. Вход RST 7.5 имеет высший приори-5.5 тет в группе.
Приоритет группы выше приоритета INTR. Прерывания могут быть замаскированы
независимо друг от друга.Вход немаскируемого прерывания типа RSTn, n=4.5,
высшего приоритета., SOD Вход и выход последовательной передачи данных. Входные
данные загружаются в старший разряд аккумулятора А7 по команде RIM, вывод
данных осуществляется из А7 по команде SIM. Линия запроса захвата шины внешним
модулемЛиния подтверждения захвата шины, активизируется в ответ на сигнал HOLD
в конце текущего машинного цикла. При этом линии адреса/данных, а так же RD,
WR, I0/M и ALE переводятся в третье состояние.
Рисунок 4.3 - Схема синхронизации
микропроцессора ВМ85А
Работа МП синхронизируется внешним кварцевым
резонатором или RC-цепочкой, подключаемой непосредственно к выводам Х1 и Х2.
Схема синхронизации представлена на рисунке 4.3. Из схемы видно, что фронт
сигнала на входе Х1 переключает счетный триггер, который формирует две
последовательности несовпадающих импульсов Ф1 и Ф2, используемые для
тактирования внутренних схем МП. Внешний сигнал синхронизации CLK совпадает по
фазе с импульсами Ф2. Сигнал ALE представляет собой один импульс Ф1, выделяемый
в такте Т1 каждого машинного цикла. Он является синхросигналом начала машинного
цикла.
Основная тактовая частота сигнала CLK
Микропроцессора равна 3 МГц, что обеспечивает более высокую производительность,
чем у стандартного МП ВМ80 с тактовой частотой 2,5 МГц. Существуют так же БИС,
рассчитанные на работу с частотой 5 МГц, например 8085А-2, что дополнительно
повышает производительность МП данного типа.
В каждом машинном цикле МП обращается к
магистрали для ввода или вывода одного байта информации, согласно временным
диаграммам, изображенным на рисунке 4.4. Работа канала синхронизируется
стробами ALE, RD, WR и соответствует типовому протоколу на двухшинную
магистраль. Каждый машинный цикл или цикл обращения к внешнему каналу содержит
от трех до пяти периодов Т1-Т5 сигнала CLK основной тактовой частоты. К этим
тактам может быть добавлено произвольное число тактов ожидания готовности
канала TW, которые включаются между Т2 и Т3. Непосредственно для ВВ информации
отводятся лишь первые три такта совместно с тактами ожидания готовности. В
такте Т1 производится вывод адресной информации, в тактах Т2 и Т3 - обмен
данными.
Рисунок 4.4 - Временные диаграммы циклов чтения
На рисунке 4.4 а) и записи б) микропроцессора ВМ
85А
При необходимости добавляются еще один или два
такта для реализации операций внутри МП. В это время канал не используется.
Линия READY служит для организации обмена с
медленными устройствами. При READY=1 реализуется синхронный режим работы,
характеризующийся максимальной скоростью обмена без тактов ожидания, которую
обеспечивает МП. В этом случае длительность стробов RD, WR минимальна и
составляет 1,5Т - 80 нс, где Т - период CLK. Стробы задержаны на 50 нс
относительно начала Т2.
Проверка активности сигнала READY выполняется в
середине Т2 и всех следующих за ним тактов TW. Для организации асинхронного
доступа этот сигнал должен быть установлен в 0 за 110 нс и удерживаться в таком
состоянии вплоть до момента его первой проверки. Эти же временные ограничения
характерны и для процесса установки сигнала готовности. Манипуляция сигналом
READYдает возможность удлинить строб RD или WR до (1,5+N)Т - 80 нс, где N -
целое число периодов ожидания TW, обеспечив надежный обмен с медленной памятью
или портами ВВ.
Особенностью процедур ВВ служит тот факт, что
данные действительны только на срезе стробов RD и WR, т.е. протокол МП ВМ85А
предполагает использование периферийных БИС второго поколения. Времена
переустановки и удержания данных при выводе принимают значения tDW≥420
нс, tWD≥80 нс соответственно. Аналогично для цикла чтения tDR≥120
нс, tRDH≥0 нс.
микропроцессор блок питания
излучение
Рисунок 4.5 - Временные диаграммы командного
цикла INport
Каждый командный цикл включает от одного до пяти
машинных циклов М1-М5. синхронизацию по командным циклам можно получить,
выделяя с помощью сигналов состояния S1 и S0 все циклы М1 (FETCH). Этому типу
цикла соответствует состояние S1=S0=1. На рис. 3.5 приведен командного цикла
INport при работе без тактов ожидания. Из временных диаграмм вмдно, что команда
выполняется за три цикла обращения к каналу: М1 - выборка кода операции, М2 -
чтение из памяти второго байта команды и М3 - выдача содержимого аккумулятора в
порт ВВ.
Следует отметить, что микропроцессор выводит
8-разрядный адрес порта как на старшую, так и на младшую половину 16-разрядной
шины адреса. Модули ВВ могут быть ориентированы на использование только старшей
половины шины А15-А8 и, следовательно, отпадает необходимость во внешнем
адресном регистре для приема адреса по сигналу ALE.
Как уже отмечалось, МП ВМ85А имеет пять линий
для приема запросов на прерывание: TRAP, RST 7.5, RST 6.5, RST 5.5, INTR. Линия
INTR по своим функциям аналогична линии INT микропроцессора ВМ80. в ответ на
запрос INTR генерируется один или три машинных цикла INTА с временными
диаграммами, эквивалентными циклу RD без тактов ожидания. Внешняя аппаратура
отвечает на циклы INTА генерацией команды, либо типа RSTn, n=0-7 (случай одного
цикла INTА), обеспечивая передачу управления на подпрограмму обслуживания
прерывания.
Согласно методике приема запросов все входы
можно разделить на три группы. К первой относятся входы статического типа RST
6.5, RST 5.5, а так же INTR. Запрос на прерывание по этим входам фиксируется
каждый раз, когда на них при сброшенной маске обнаружено напряжение высокого
уровня. Время предустановки сигнала до начала Т1 цикла М1 tINS≥360 нс и
время его удержания tINH≥0 нс. Для предотвращения повторной фиксации
одного и того же запроса сигнал прерывания по статическому входу должен быть
снят, прежде чем будет сброшена соответствующая маска.
Ко второй группе относится вход RST 7.5, который
является входом динамического типа и фиксирует запрос на прерывание при каждом
переходе сигнала из 0 в 1, даже при установленной маске и запрещенных
прерываниях. Запрос сохраняется до тех пор, пока он не будет обслужен или не
сброшен командой SIM. Сброс триггера осуществляется при установленном четвертом
разряде аккумулятора R7.5. Сброс запроса реализуется так же при перезапуске МП.
Третью группу образует вход TRAP, который не
является чисто статическим или динамическим. Так, если для подтверждения
прерывания на нем должно устанавливаться напряжение высокого уровня, то для
фиксации нового запроса он должен генерировать напряжение низкого уровня, а
затем вновь вернуться в исходное состояние (вход комбинированного типа). Это
позволяет избежать ложных запусков из-за помех на линии по высокоприоритетному
немаскируемому входу TRAP, используемому для фиксации важнейших для МС событий.
Времена фиксации запроса TRAP эквивалентны временам предустановки и удержания
сигналов по статическим входам.
Рисунок 4.6 - Временные диаграммы цикла
подтверждения прерывания и захвата шины
Сигнал запроса на захват шины проверяется в
начале каждого такта Т3. Времена предустановки и удержания сигнала принимают
значения tHDS≥170 нс, tHDH≥0 нс соответственно. При фиксации
запроса шина освобождается в такте, непосредственно следующем за Т3. Для этого
за 110 нс до окончания Т3 устанавливается сигнал подтверждения захвата HLDA, а
затем линии А15 - А-8; AD7-AD0, RD, WR, ALE, IO/M переводятся в третье
состояние, тем самым освобождая магистраль для управления со стороны внешних
модулей. При необходимости МП завершает такты Т4, Т5 и переходит в состояние
HOLD, которое длится до снятия сигнала запроса. Временные диаграммы цикла
захвата шины и подтверждения прерываний приведены на рисунке 4.6.
Микропроцессор представляет собой практически
законченный однокристальный ЦП. Для его запуска необходим только кварцевый
резонатор, подключенный к входам Х1,Х2, и схема сброса на входе RESIN. Схема
подключения кварцевого резонатора приведен в на рисунке 4.7, а. Конденсаторы
емкостью 20 пФ на входах Х1 и Х2 могут потребоваться при запуске кварцевого
резонатора с частотой 4 МГц и выше. Возможны другие варианты синхронизации МП.
Схема на рисунке 4.7, б обеспечивает частоту колебаний
(4.1)
Где СIN- входная емкость между Х1 и Х2.
Рисунок 4.7 - Схемы тактирования микропроцессора
ВМ85А
На рисунке 4.7 а) внутренний генератор с
кварцевым резонатором; б) внутренний генератор с настроенным LC-контуром; в)
внутренний генератор с RC-цепочкой; г-внешний генератор 1-6 МГц; д-внешний
генератор 6-10 МГц.
Если установка точной тактовой частоты не
обязательна, то применяется схема, показанная на рис. 3.7, в, которая
обеспечивает частоту колебаний около 3 МГц. В схеме на рис.3.7, г, д
синхронизация МП осуществляется от внешнего генератора. Схема центрального
процессора на базе микропроцессора ВМ85Апредставлена на рис.3.8. Вход READY
может быть использован для организации асинхронного доступа к системной
магистрали. В ЦП на базе ВМ85А возможны два варианта построения системной линии
подтверждения обмена, отличающиеся друг от друга уровнем активности. Выходы CLK
и RESET применяются в качестве системных линий CCLK и INIT передачи тактовых
импульсов и сигнала начальной установки соответственно. Возможности выходов
схемы ВМ85А по току составляют IOL = 2мА IOH=400мкА. Зная требования по
постоянному току, предъявляемые к обычным логическим элементам по входу, можно
оценить нагрузочную способность МП ВМ85А.
Рисунок 4.8 - Схема центрального процессора на
базе микропроцессора ВМ85А
Системный контроллер представляет собой
комбинационную схему рисунок 4.9. На выходах схемы предусмотрены трехстабильные
буферы, управляемые сигналом ОЕ. Этот вход предназначен для перевода командных
линий в высокоомное состояние при захвате магистрали внешним модулем, когда
BUSEN=0. Логика данного типа может быть реализована как на микросхемах малой
степени интеграции, так и на программируемых логических матрицах (ПЛМ).
Рисунок 4.9 - Схема системного контроллера для
МП ВМ85А
Применение МП ВМ85А выгодно за счет увеличения
числа входных линий для приема запросов на прерывание, использования канала
последовательного ВВ и перехода к единственному источнику питания +5 В. Не
следует также забывать об улучшении скоростных свойств системного канала ЦП на
базе МП ВМ85А.
Эффективность использования МП может быть
повышена, если от трехшинной структуры вернуться к совмещенной магистрали AD.
Однако в этом случае потребуется ряд специальных БИС памяти и ВВ, которые
должны быть ориентированы на магистраль данного типа.
5. Обзор методов
построения устройств памяти
5.1 Общие сведения
До сих пор ПЗУ является самым простым в
применении устройством памяти, поэтому сначала описано сопряжение ПЗУ с
микропроцессорными системами, а затем рассмотрены статические ОЗУ двух видов: с
общими и раздельными линиями ввода-вывода данных.
Рассмотрим связь микропроцессорной системы с
тремя шинами с ПЗУ или статическим ОЗУ. При разработке микропроцессорной
системы необходимо учитывать, по каким линиям передается информация в различные
моменты времени, т.е. когда эти линии находятся в возбужденном состоянии. На
рисунке 5.1, а показан путь потока данных при выполнении операции записи данных
в память. Данные с выхода микропроцессора через буфер поступают на адресный
вход памяти. Правильность прохождения данных от источника, который их
вырабатывает, к приемнику, в который они записываются, может быть легко
проверена с помощью измерения электрических параметров передаваемых и
принимаемых сигналов.
При выполнении операции чтения данных из памяти
поток данных направлен к микропроцессорной системе так, как показано на
рис.4.1, б. Поступающие на вход микропроцессора данные проходят через буфер
памяти и двунаправленный буфер шины данных. Источником данных в этом случае
является системная память, а приемником - ЦП. Если микропроцессорная система
работает в режиме считывания, то правильность прохождения данных в системе
можно проверить, выдавая данные из источника и контролируя их поступление в
приемник. Если данные не достигли приемника, то линии связи имеют какой-то
дефект.
Рисунок 5.1 - Передача буферированных данных при
записи в память
На рисунке 5.1 (а) и при считывании данных из
памяти (б): I-буфер данных; II-шина данных; III-вход памяти; IV-двунаправленный
буфер шины данных, V-буфер памяти; VI -выход памяти
5.2 Передача адреса и буферированных
данных из ПЗУ
На рисунке 5.2 показаны направления передачи
адреса и данных при выполнении операции чтения данных из ПЗУ. Адрес передается
из ЦП по шине данных на адресные входы ПЗУ. Этот адрес задает адрес ячейки
памяти, информация из которой должна быть передана в ЦП.
Состоянием шины адреса управляет микропроцессор,
а состоянием шины данных - ПЗУ. При рассмотрении любых системных операций
необходимо четко представлять, какое из устройств, связанных системными шинами,
является источником и какое приемником данных.
Рисунок 5.2 - Передача небуферированных данных:
I - шина адреса; II - шина данных
Рассмотрим систему памяти на основе ПЗУ,
состоящую из двух ИС памяти - ПЗУ1 и ПЗУ2 (рисунок 5.3). Линии вывода данных
этих устройств соединяются параллельно, поэтому они не должны одновременно
осуществлять выдачу данных. Когда одно ПЗУ, выбранное с помощью адреса,
подаваемого по системной шине адреса, осуществляет выдачу данных, другое ПЗУ
должно иметь большое входное сопротивление. Шина данных памяти представляет
собой отдельную шину, которую при необходимости можно использовать в
микропроцессорной системе. При выдаче данных из ПЗУ системная шина данных не
возбуждается. Максимальная нагрузка на шину данных памяти создается входными
токами ее буферов и токами соединенных с ней устройств, имеющих три состояния.
Рисунок 5.3 - Структурная схема памяти на двух
ПЗУ
На рисунке 5.3 (а) и обозначения системной шины
с восемью шинами передачи сигналов (б): I-сигнал выбора ПЗУ1; II-сигнал выбора
ПЗУ2; III -шина данных памяти; IV -сигнал разрешения; V -буфер памяти;
VI-системная шина данных
Если к системной шине данных подключено много
параллельных нагрузок, общий ток может превзойти 10 мА. Большинство устройств
памяти вырабатывает токи около 1,6 мА. Чтобы избежать перегрузки выходов ИС запоминающих
устройств, применяется буферирование шины данных.
Когда по системной шине адреса поступает адрес
устройства памяти, то информация с выхода выбранного запоминающего устройства
подается на шину данных памяти. На рисунке 5.4, а показана схема формирования
сигналов разрешения обращения к памяти, а на рисунке 5.4, б - конкретная ИС,
которая может выполнять эту функцию. Оба сигнала выбора запоминающих устройств
можно получить с помощью дешифратора, преобразующего двоично-кодированные
десятичные числа в десятично-кодированные. Если разряды ВА14- ВА11 имеют
значение 0000, дешифратор вырабатывает сигнал выбора ПЗУ1, если разряды ВА14 -
ВA11 имеют значение 0001, то дешифратор вырабатывает сигнал выбора ПЗУ2.
Разряды ВА11 - ВА14 являются разрядами полного адреса памяти.
Рисунок 5.4 - Дешифровка системного адреса для
формирования сигналов выбора ПЗУ: а - общая схема; б - ИС7442; I - системный
адрес от ЦП; II - сигнал выбора ПЗУ; III - выбор ПЗУ1, IV - выбор ПЗУ2
Информационные выходы двух ПЗУ соединены между
собой: вывод D0 ПЗУ1 соединяется с выводом D0 ПЗУ2 и т. д. (рисунок 4.5). С
помощью адресной шины в любой момент времени выбирается только одно ПЗУ,
поэтому на шину данных памяти, образованную общими выходами ПЗУ, поступают
данные только из одного ПЗУ. Между шиной данных памяти и системной шиной данных
включается буфер данных. Этот буфер выполняет две функции: он повышает
допустимый выходной ток памяти, что позволяет ПЗУ возбуждать системную шину
данных, и передает считываемые из памяти данные только в те моменты времени,
когда микропроцессор готов к их приему.
Когда ЦП готов к приему данных, к буферу данных
памяти по системной шине управления передается управляющий сигнал MEMR
(логический 0). Этот сигнал разрешает передачу данных с шины данных памяти на
системную шину данных. Данные из ПЗУ выдаются на шину данных памяти сразу же,
как только микропроцессор вырабатывает адрес ячейки памяти.
Рисунок 5.5 - Сигналы выбора устройств, используемые
в микропроцессорной системе
На рисунке 5.5 I - шина данных памяти; II -
буфер памяти; MEMR - сигнал управления.
.3 Передача небуферированных данных
из ПЗУ
Если допустимый выходной ток шины данных более 1
мА, считываемые из памяти данные не нужно буферировать и шина данных памяти не
используется. Выходы ПЗУ объединяются так же, как описано выше, т. е. D0 с D0,
D1 с D1 и т. д., а затем соединяются с системной шиной данных.
Выдача данных из памяти на системную шину данных
осуществляется только тогда, когда микропроцессор готов к их приему. В схеме,
показанной на рис. выдача данных выполняется с помощью буфера данных. Если
буфер данных не используется, то выдачу данных нужно осуществлять иначе рисунок
5.6. Сигналы выбора ПЗУ поступают с шины адреса не на входы CS ПЗУ, а на
логические схемы ИЛИ. Эти схемы обеспечивают выдачу сигналов выбора устройства
на входы CS только тогда, когда ЦП запрашивает данные.
Рисунок 5.6 Передача небуферированныхданных на
системную шину данных: I-выбор ПЗУ1; II - выбор ПЗУ2; III - системная шина
данных; MEMR-сигнал с системной шины управления, 74LS32 - схема
Активным уровнем сигнала выбора ПЗУ1 или ПЗУ2
является уровень логического 0. Когда микропроцессор готов к приему данных, он
вырабатывает сигнал MEMR, равный логическому 0. Когда сигнал MEMR и один из
сигналов выбора ПЗУ равны логическому 0, выбранное ПЗУ выдает данные на
системную шину данных.
Данные выдаются из ПЗУ только тогда, когда на
входы CS и ОЕ подан логический 0. Сигнал MEMR вырабатывается, когда
микропроцессор готов к приему данных. К моменту появления сигнала MEMR на входе
ОЕ на входе CS уже стоит логический 0 и ПЗУ начинает выдачу данных на шину
данных. Выходы ПЗУ1 и ПЗУ2 соединяются так, как показано на рис.4.7
Рисунок 5.7 - Схема выдачи небуферированиых
данных для ЭППЗУ 2716 (вывод 20 - ОЕ, вывод 18 - CS)
На рисунке 5.7 I-выбор ПЗУ1; II - выбор ПЗУ2;
III - системная шина данных; MEMR-сигнал с системной шины управления; 0E- вывод
20; CS вывод 18.
.4 Передача данных при использовании
статических ОЗУ с раздельными линиями ввода и вывода данных
Статические ОЗУ можно разделить на две группы. К
первой группе относятся ОЗУ, в которых для ввода-вывода данных используются
разные выводы корпуса ИС рисунок 5.8а. Ко второй группе относятся ОЗУ, в
которых для ввода-вывода данных используются одни и те же выводы корпуса ИС.
Эти два типа ОЗУ обычно называют соответственно ОЗУ с раздельным вводом-выводом
данных и ОЗУ с общим вводом-выводом данных.
Рисунок 5.8 - Статические ОЗУ: а -с раздельными
линиями ввода I и вывода II данных
На рисунке 5.8 б-с общими линиями ввода-вывода
данных III
Рисунок 5.9 - Передача данных при выполнении
операции в ОЗУ с раздельными линиями ввода-вывода: I-двунаправленные буферы;
II-системная шина данных; III-ввод данных; IV -вывод данных
При выполнении операции записи в ОЗУ с
раздельным вводом-выводом рисунок 5.9 данные с выхода микропроцессора
(источника данных) поступают на входы двунаправленных буферов шины данных.
Выходы этих буферов соединяются с системной шиной данных II. Линии ввода и
вывода данных ОЗУ с раздельным вводом-выводом также соединяются с системной
шиной данных II. Передаваемые по шине II сигналы постоянно поступают на входы
статического ОЗУ (приемника данных), но не записываются до тех пор, пока не
подается сигнал разрешения записи данных в память.
Рисунок 5.10 - Передача данных при выполнении
операции чтения из ОЗУ с раздельными линиями ввода-вывода: I-двунаправленные
буферы данных; II-системная шина данных; III-ввод данных; IV-вывод данных;
V-трехстабильные буферы памяти; VI-сигнал разрешения выдачи данных из памяти
При выполнении операции чтения рис.4.10 данные с
выходных линий ОЗУ (источника данных) поступают на системную шину данных. Линии
вывода данных ОЗУ соединяются не с системной шиной данных II, а с трехстабильными
буферами V. Во время выполнения операции чтения, когда микропроцессор
вырабатывает сигнал разрешения чтения данных VI, буферы V пропускают выводимые
из ОЗУ данные на системную шину данных II. Операция выполняется точно так же,
как и чтение данных из ПЗУ. Шина данных II соединяется со входами
двунаправленных буферов данных I, с выхода которых данные поступают в
микропроцессор (приемник данных). Если операция чтения не выполняется, то буфер
находится в третьем состоянии (большое входное сопротивление) и служит
изолятором между входными и выходными линиями ОЗУ.
Рисунок 5.11 - Сигналы управления при выполнении
операции записи данных в ОЗУ с раздельными линиями ввода-вывода:
I-двунаправленный буфер данных; II-системная шина данных; III-ввод данных;
IV-логический 0 с дешифратора адреса: V -вывод данных; VI-трехстабильный буфер;
MEMW, MEMR - соответственно логические 0 и 1 с системной шины управления
5.5 Считывание и запись данных в ОЗУ
с раздельным вводом-выводом
При выполнении операции записи источником данных
является микропроцессор (рисунок 5.10). Данные с выхода микропроцессора
поступают на двунаправленные буферы данных I, выходы которых соединяются с
системной шиной данных II. По шине II данные поступают непосредственно на вход
ОЗУ III. Сигнал выбора ОЗУ IV подается на вход CS ОЗУ точно так же, как и при
выборе ПЗУ, т. е. адрес, поступающий с шины адреса, дешифруется, и
вырабатывается сигнал разрешения записи или выбора устройства памяти CS.
При записи данных в память сигнал MEMR равен
логической 1 и буферы VI не пропускают данные с выхода ОЗУ на системную шину
данных II. Чтобы осуществить запись данных в пaмять, необходимо подать сигнал
разрешения записи WE, вырабатываемый микропроцессором. Если микропроцессор
готов к записи данных в память, он выдает сигнал управления MEMW.
При выполнении операции чтения данных из памяти
источником данных является ОЗУ, а приемником - микропроцессор (рисунок 5.11).
Выводимые из ОЗУ данные поступают на входы буферов данных памяти VI. Эти буферы
открываются сигналом управления MEMR, поступающим из микропроцессора. Выход
буфера VI соединяется с системной шиной данных II. По шине II данные передаются
на входы двунаправленных буферов данных I, а с выходов этих буферов поступают в
микропроцессор.
Чтобы привести ОЗУ в рабочее состояние,
необходимо осуществить выбор устройства. Это делается с помощью дешифрования
адреса, поступающего с шины адреса, и подачи сигнала выбора устройства на
конкретную схему ОЗУ. При выполнении операции чтения данных из памяти
микропроцессор не вырабатывает сигнал MEMW.
Рисунок 5.12 - Сигналы управления при выполнении
операции чтения данных из ОЗУ с раздельными линиями ввода-вывода:
I-двунаправленный буфер данных; II -системная шина данных; III-ввод данных;
IV-логический 0 с дешифратора адреса; К-вывод данных; VI-буфер памяти; MEMW,
MEMR - соответственно логические 0 и 1 с системной шины управления
5.6 Передача данных в ОЗУ с общим
вводом-выводом данных
Для передачи данных из ОЗУ с общим
вводом-выводом при выполнении операции чтения линии ввода-вывода ОЗУ
соединяются непосредственно с системной шиной данных рисунок 5.13. Соединение
(без буферов) возможно в том случае, если выходной ток ЗУ достаточен для
возбуждения системной шины данных. Во время выполнения операции чтения данных
сигнал MEMW отсутствует. Состоянием линий ввода-вывода ОЗУ управляет сигнал CS;
когда на вход CS подается логический 0, ОЗУ работает в режиме вывода данных на
системную шину данных. Выполнение этой операции очень похоже
на чтение данных из ПЗУ. Сигнал CS
вырабатывается тогда, когда на дешифратор адреса поступает сигнал выбора ОЗУ и
микропроцессор выдает сигнал MEMR.
Считывать информации из ОЗУ с общим
вводом-выводом данных можно точно так же, как из ПЗУ. При работе с такими ОЗУ
трудности возникают только при записи в них данных, поскольку при наличии
сигнала выбора линии ввода-вывода данных всегда находятся в режиме вывода. Для
перевода линий ввода-вывода в режим ввода данных нужно подать сигнал WE. Для правильной
работы ОЗУ при записи данных нужно строго выполнять последовательность подачи
сигналов управления: сначала подается сигнал WE, а затем сигнал выбора
устройства CS. Если эти сигналы подаются в обратном порядке, то может
возникнуть ситуация, при которой на системную шину данных одновременно поступит
информация из микропроцессора и ОЗУ.
Рисунок 5.13 - Сигналы управления передачей
данных при чтении данных из ОЗУ с общими линиями ввода-вывода: I - буфер
данных; II - системная шина данных; III - логический 0 с дешифратора адреса;
MEMR-логический 0; MEMW - логическая 1
При записи в ОЗУ с общим вводом-выводом вход в
ОЗУ открывается (CS равен логическому 0) при выполнении операций чтения данных
из памяти (когда есть сигнал MEMR и сигнал с выхода дешифратора адреса) и при
выполнении операции записи данных в память (когда есть сигнал MEMW и сигнал с
выхода дешифратора адреса, рисунок 5.14.
Рисунок 5.14 - Сигналы управления передачей данных
при записи в ОЗУ с общими линиями ввода-вывода: I - буфер данных; II - вход
данных; III - сигнал с дешифратора адреса
Сигнал CS подается во время выполнения операции
записи данных в память только после установки сигнала WE, который переводит
общие линии ОЗУ в режим ввода данных. Это условие устраняет возможность
возникновения конфликтной ситуации на системной шине данных при использовании
ОЗУ с общим вводом-выводом данных.
Если ОЗУ может возбуждать системную шину и шину
данных, то его линии ввода-вывода соединяются непосредственно с этой шиной.
Возможен случай, когда считываемые из ОЗУ данные приходится буферировать. При
использовании ОЗУ с раздельными линиями ввода и вывода буферируются только
линии вывода данных, поэтому можно использовать однонаправленные буферы см.
рисунок 5.15. При использовании ОЗУ с общими линиями ввода-вывода данных одни и
те же линии используются и для ввода, и для вывода данных, поэтому необходимо
использовать двунаправленные буферы.
Проходящие по системной шине сигналы достаточны
для возбуждения входов памяти. Буферирование осуществляется только потому, что
ввод и вывод данных в ОЗУ с общим вводом-выводом осуществляется по одним и тем
же линиям. Для надежного возбуждения шины данных выходные сигналы ОЗУ нужно
буферировать.
Двунаправленные буферы данных В1 и В2 для
буферирования считываемых из памяти данных показаны на рисунок 5.14. Эта схема
работает следующим образом.
Рисунок 5.15 - Сигналы управления передачей
данных при чтении и записи данных в ОЗУ с общими линиями ввода-вывода данных (в
схеме используются буферы памяти): I-двунаправленные буферы; II- системная шина
данных, III- двунаправленные трехстабильные буферы памяти; IV-шина данных
памяти; V-сигнал обращения к памяти с дешифратора адреса
При выполнении операции чтения данных из памяти
выдается сигнал MEMR, равный логическому 0. Этот сигнал поступает на вход схемы
ИЛИ, обозначенной У, и формирует сигнал разрешения CS (логический 0).
Выходной сигнал схемы У (логический 0) открывает
буфер В2. При наличии этих сигналов данные поступают с выхода ОЗУ через буфер
В2 на системную шину данных II.
Когда сигнал MEMR равен логической 1,
открывается буфер ВУ, а буфер В2 закрывается. ОЗУ также закрыто, потому что на
его входе CS установлена логическая 1.
При выполнении операции записи данных в память
подается сигнал управления MEMW, равный логическому 0. Этот сигнал, поступающий
на входы WE и CS, устанавливает ОЗУ в режим ввода данных с шины II через буфер
В1.
5.7 Временная диаграмма обращения к
памяти
При разработке микропроцессорных систем
необходимо четко представлять, как происходит в системе передача трех потоков
сигналов: данных, адреса и управления - и какой вид имеют временные соотношения
между ними. При отладке системы в случае необходимости можно изменить (или
убрать) какой-либо поток сигналов. Различные потоки сигналов имеют различные
временные задержки, так как для передачи разных типов информации используются
разные устройства, параметры которых могут значительно различаться.
Рассмотрим временную диаграмму выполнения цикла
чтения данных из памяти рисунок 5.15, на которой показаны все основные сигналы,
участвующие в этой операции. Сигнал L1 соответствует выдаваемому
микропроцессором адресу памяти. Момент выдачи микропроцессором этого адреса
рассматривается как начало обращения к памяти и обозначается t = 0.
Рисунок 5.16 - Временная диаграмма доступа к
памяти
На рисунке 5.16 1 - адрес установлен на выходе
микропроцессора; 2 - адрес стабилен на выходе буфера адреса (задержка 1); 3 -
установлен сигнал выбора схемы памяти (задержка 2); 4 - данные поданы на шину
данных памяти; 5 - данные поступают с выхода буферов памяти на системную шину
данных; 6 - данные поступают на вход микропроцессора
Сигнал L2 характеризует время появления
вырабатываемого микропроцессором адреса на адресной шине с учетом задержки на
буфере адресной шины.
Задержка между временем t = 0 и появлением
сигнала L2 на адресной шине не всегда постоянна и увеличивается при использовании
буферов адреса. Если буферы адреса не используются, то сигналы L1 и L2
совпадают по времени.
Сигнал выбора устройства L3 вырабатывается
логическими схемами дешифрования адреса. Выше был описан дешифратор
буферированных разрядов адреса памяти. Дешифровка адреса и формирование
сигналов выбора устройства схемой требуют определенного времени. Поэтому для
нахождения момента времени, когда адрес поступит на входы памяти, необходимо
сложить время задержки прохождения информации через буферы адреса и время задержки,
вносимой схемой.
Полная временная диаграмма цикла чтения данных
из памяти, учитывающая задержки прохождения сигналов через адресные буферы и
схему 7442, показана на рисунке 5.17.
Рисунок 5.17 - Временная диаграмма доступа к
памяти при подаче на вход CS памяти сигнала выбора
На рисунке 5.17 I-данные стабильны на выходе
памяти; II-данные стабильны на системной шине данных; III- данные стабильны на
входах микропроцессора
Сигнал L4 на рисунке 5.15 -это вырабатываемый
микропроцессором сигнал RD Сигнал L5 (MEMR) имеет тот же вид, что и сигнал RD,
но сдвинут на время, равное задержке комбинационной логической схемы,
формирующей сигнал MEMR.
После того как сигналы L3 и L5 поступят на входы
схем памяти, данные появятся на выходе этих схем с некоторым запаздыванием.
Задержки, возникающие при передаче данных с выходов памяти на вход
микропроцессора, показаны с помощью сигналов L6, L7 и L8.
Сигнал L6 показывает момент появления на шине
данных памяти стабильной информации из ОЗУ. Этот сигнал учитывает задержку
между поступлением на входы памяти адреса и сигнала выбора устройства и
появлением данных на выходе памяти, - т. е. задержку срабатывания ОЗУ. Время L3
является временем непосредственного доступа к ОЗУ, отличающимся от времени
доступа к ОЗУ микропроцессора. Если данные поданы на шину данных памяти, это
еще не значит, что микропроцессор может считать их. Если в системе используются
буферы данных памяти, то при прохождении данных из памяти через эту буферы на
системную шину данных возникает задержка, которая учитывается сигналом L7.
Прежде чем данные поступят по системной шине
данных на вход микропроцессора, они должны пройти через буферы данных. Эту
задержку показывает сигнал L8. Для того, чтобы определить момент, когда
микропроцессор должен считывать выдаваемые из ОЗУ данные, нужно просуммировать
все задержки относительно момента времени t = 0. Если микропроцессор считывает
данные раньше окончания периода доступа к памяти ТА1 или ТА2, то операция
чтения данных будет выполнена неверно.
Это временная диаграмма включает все возможные
задержки прохождения сигналов адреса и данных при чтении данных из системного
ОЗУ. Если в микропроцессорной системе отсутствуют какие-либо схемы, например,
буферы данных, то не будет и вызываемых их использованием временных задержек.
6. Обзор методов построения дисплея
.1 Семисегментный символ
На рисунке 6.1 показана структура
семисегментного элемента визуальной индикации. Эти семь сегментов позволяют
сформировать любую десятичную цифру от 0 до 9, а также некоторые буквы
латинского алфавита. При формировании, например, цифры 3 будут подсвечиваться
сегменты А, В, С, D и G, а сегменты Е и F останутся темными. При формировании
буквы F будут подсвечиваться сегменты А, Е, F и G, а темными останутся сегменты
В, С и D.
Рисунок 6.1 - Семисегментный индикатор
На рисунке 6.1- один или несколько СИД
С помощью избирательного подсвечивания различных
сегментов микропроцессор может устанавливать на индикаторе изображение
различных символов. Для подсвечивания семисегментного индикатора можно
использовать много различных способов. В некоторых индикаторах в качестве
сегментов применяются газоразрядные трубки, для которых необходимо высокое
напряжение, чтобы газ начал светиться. Индикаторы другого типа называются
жидкокристаллическими дисплеями, или ЖКД.
В приведенных далее примерах используются
семисегментные индикаторы на светоизлучающих диодах (СИД). Каждый сегмент
такого индикатора образуется одним или несколькими СИД; СИД каждого сегмента
соединяются вместе и включаются в одно и то же время. К каждому сегменту
семисегментного индикатора присоединяется свой проводник питания.
Рисунок 6.2 - Семисегментные индикаторы с общими
катодами
На рисунке 6.2 (а) и анодами (б) (условно каждый
сегмент индикатора образован одним диодом)
Функциональная схема семисегментного индикатора
показана на рисунке 6.2. Схему соединения индикаторов с общим катодом или с
общим анодом выбирает разработчик системы. Стоимость этих индикаторов
приблизительно одна и та же. Ниже рассмотрена аппаратура интерфейса для
индикаторов обоих типов. Программное обеспечение не зависит от типа
используемого устройства.
Рассмотрим, как может включаться или выключаться
отдельный сегмент индикатора. Поскольку известно, как это выполняется
электрически, задача заключается только в разработке соответствующего
интерфейса. Способ включения и выключения одного сегмента семисегментного
индикатора с общим катодом показан на рисунке 6.3, а, этот способ можно
использовать и для всех остальных сегментов индикатора. Катод сегмента заземлен
(позднее будет показано, как это осуществляется практически). Аноды СИД,
образующих сегмент, соединяются с резистором 100 Ом и с выходом неинвертирующего
буфера с открытым коллектором.
Если выход схемы открыт, то она соединяется с
землей через свой выходной транзистор. Если на выходе схемы логический 0, то
ток от источника питания +5 В проходит через резистор 100 Ом на выход схемы.
Тока для включения индикатора нет, поэтому индикатор выключен. Для включения
индикатора наСИД необходимо подать напряжение логического 0 на вход схемы. Этот
логический 0 установит выход схемы в состояние логического 0 и выключит
индикатор.
Рисунок 6.3 - Схемы включения индикатора
На рисунке 6.3 а - с общим катодом; б -с общим
анодом.
Чтобы включить индикатор на СИД, можно на вход
схемы подать напряжение логической 1. Это напряжение устанавливает выход
устройства также в логическую 1. Когда на выходе схемы с открытым коллектором
логическая 1, ее выходной транзистор закрыт. В этом случае ток проходит от
источника напряжения +5 В через СИД и высвечивает цифру рисунок 6.3. На вход
схемы подаются логическая 1 для включения сегмента СИД, и логический 0 - для
его выключения.
Общий катод сегментов индикатора должен
соединяться с землей, чтобы можно было включить любой сегмент рисунок 6.4. Если
на вход схемы подан логический 0, на ее инвертирующем выходе появляется
логическая 1. Ток на землю при этом не проходит, поэтом/ независимо от
подаваемых на сегменты сигналов индикатор не будет светиться.
Рисунок 6.4 - Возбуждение общих катодов
индикатора с помощью двух инвертирующих буферов 7406 (максимальный ток проходит
через буферы, если включены все сегменты индикатора): 1 - катодный ток СИД
одного символа
Когда на вход схемы подана логическая 1, на
инвертирующем выходе схемы устанавливается логический 0. Сегменты индикатора
будут светиться и в том случае, если на их аноды подано напряжение +5 В см.
рисунок 6.3. С помощью этой схемы можно подавать на общие катоды напряжение
логической 1 или 0, тем самым включая или выключая индикатор. Две схемы с
открытым коллектором, включенные параллельно, используются при прохождении
максимального тока, вызванного включением всех сегментов, т. е. когда
высвечивается цифра 8.
Соединение нескольких индикаторов между собой.
Выше было описано соединение сегментов индикатора и их включение и отключение
для формирования одной цифры. Несколько одиночных индикаторов можно соединить в
многосимвольный дисплей таким образом, чтобы все его символы имели общие схемы
возбуждения сегментов. Это позволит формировать много символов и не дублировать
при этом всю аппаратуру возбуждения сегментов рисунок 6.5. На рисунке 6.5
показаны четыре индикатора, но число индикаторов, соединяемых по этой схеме,
может быть как угодно большим.
Интерфейс А служит для возбуждения сегментов
каждого символа, интерфейс В возбуждает общие катоды каждого символа.
Соответствующие линии сегментов всех символов соединены параллельно, поэтому
сигналы возбуждения определенных сегментов для высвечивания символа
одновременно поступают на все четыре индикатора. Высвечивается только тот
символ, на общий катод схемы которого подан сигнал включения.
Рисунок 6.5 - Объединение четырех семисегмеитных
индикаторов для формирования четырехразрядного дисплея
На рисунке 6.5 1 - из микропроцессорной системы;
А - аноды СИД семи сегментов цифр 1, 2 и т. д.; К -общие катоды цифр 1, 2 и т.
д.
При подаче сигналов управления высвечиванием
цифры на аноды сегментов первого индикатора на общем катоде этого индикатора
должно быть напряжение. Когда сигналы управления высвечиванием цифры поступают
на сегменты второго индикатора, необходимо, чтобы на его общий катод было
подано соответствующее напряжение. Последовательность включения четырех
индикаторов и подачи электрических сигналов на выходные линии сегментов
обеспечивается микропроцессором.
Временное соотношение анодных и катодных
сигналов индикатора показано на рисунке 6.6. Сигналы на аноды СИД, образующие
сегменты индикатора, подаются раньше, чем сигнал на общий катод. Это позволяет
устанавливать стабильные сигналы управления сегментами к тому моменту, когда
будет подан катодный сигнал. Если на аноды подан сигнал разрешения, сегмент
будет включен в течение интервала отображения символа. Если бы сигналы
включения и выключения отдельных сегментов подавались при наличии катодного
сигнала, то было бы видно переключение сегментов индикатора.
Рисунок 6.6 - Сигналы на анодах и катодах
индикатора
На рисунке 6.6 а -сигнал разрешения подсвета
анодов; б-сигнал включения; I- интервал отображения символа.
Временная диаграмма работы четырехсимвольного
дисплея представлена на рисунке 6.7. На ней показано, как сигналы управления
подаются на катоды каждого из четырех индикаторов. Последовательность подачи
сигналов управления подсветкой индикаторов определяется программно. Временной
интервал между включением двух индикаторов называется межсимвольной паузой.
Это время необходимо для подачи сигналов
управления на следующий индикатор. При формировании сигналов управления
подсветкой нового символа катодные сигналы не подаются.
Рисунок 6.7 - Временные диаграммы подсвета цифр
1-4 четырехразрядного индикатора (одновременно светится только одна цифра)
На рисунке 6.7 I-интервал затемнения; II-символ
светится.
Катодные и сегментные интерфейсы. Интерфейсы
семисегментного индикатора используются для подачи управляющих сигналов
соответственно на сегменты (СИД) и катоды индикатора. Эти интерфейсы состоят из
устройств, используемых микропроцессором для управления цифровым индикатором.
Интерфейсная схема для подсветки всех сегментов индикатора при формировании
одной цифры показана на рисунке 6.8. При этом предполагается, что из кода
выбора порта вывода формируется в нужный момент времени сигнал SEL.
В качестве интерфейса в этой схеме используется
семиразрядный регистр 74LS374, на входы которого поступают сигналы с системной
шины данных. Разряд D0 управляет включением сегмента А, разряд D1 - включением
сегмента B и т. д. Когда микропроцессорная система включает или выключает
сегмент, в соответствующий разряд семиразрядного регистра 74LS374 записывается
логическая 1 или логический 0. Выходы этого регистра соединяются со входами
схем с открытым коллектором, которые описаны выше. Сигналы логических 1 и 0 с
выхода семиразрядного регистра управляют включением или выключением соответствующих
сегментов (СИД) индикатора.
Семиразрядный регистр 74L5374 предназначен для
записи данных во время выполнения обычной операции записи данных в порт вывода.
В качестве сигнала управления записью используется сигнал BIOW. На рисунке 6.8
показан сигнал SEL1 выбора порта вывода данных. Сигнал SEL1 равен логическому
0, когда микропроцессор обращается к этому порту вывода-СИД-индикатору. Когда
сигналы SEL1 и BIOW равны 0, на тактовый вход регистра 74LS374 также поступает
логический 0. В это время данные со входа регистра передаются на его выходы.
Это происходит, когда сигнал с выхода схемы 74LS32, на которую поступают
сигналы BIOW и SEL1, подается на схему 7404 и выходной сигнал изменяется из 0 в
1. Когда на вход 11 схемы 74LS374 подается логическая 1, установленные на
индикаторе данные не изменяются, независимо от того, какая информация подается
на системную шину данных.
Если нужно высветить цифру 0, то должны быть
включены все сегменты за исключением сегмента G. Все разряды данных, за
исключением разрядов D6 и D7, должны быть равны логической 1. Необходимо
выполнить операцию записи в порт вывода данных на дисплей числа 3F
Предположим, что код выбора порта для интерфейса
сегментов (анодов) равен 45).
Рисунок 6.8 - Схема управления включением и
выключением анодов семисегментных индикаторов дисплея
На рисунке 6.8 D0 - D5 - системная шина данных;
a - g - к сегментам всех разрядов индикатора; сигнал а поступает на сегменты а
всех символов ндикатора; сигнал в на все сегменты в и т. д
Рисунок 6.9 - Схема формирования катодных
сигналов разрешения подсвета символа индикатора
На рисунке 6.9 D0 - D3 - системная шина данных;
BIOW, SEL2 - с системной шины управления; В1- В4 - буферы и входы катодных
драйверов
Интерфейс для управления катодными сигналами
показан на рисунке 6.9. Дисплей состоит из четырех индикаторов, поэтому
используется четырехразрядный регистр 74175. Этот регистр работает точно так
же, как и описанный выше регистр 74LS374. Для записи данных в этот регистр
используется другой код выбора (сигнал SEL2). Когда сигналы SEL2 и BIOW равны
логическому 0, на тактовый вход регистра 74175 поступает с инвертора 7464
логическая 1. Данные, переданные по системной шине данных, хранятся в регистре.
В это время подаются сигналы на катоды сегментов.
Разряд D0 системной шины данных управляет
катодом первого индикатора, разряд D1 управляет катодом второго индикатора и т.
д. Если нужно высветить символ на третьем индикаторе, то разряд D2 записываемых
в порт вывода данных должен быть равен логической 1. Все остальные разряды
должны быть равны логическому 0.
На основе приведенных выше примеров можно
разработать программы для организации сканирования индикатора. Под
«сканированием» понимаются установка данных и высвечивание информации в каждом
разряде. Если эта операция будет выполняться с большой частотой, то визуально
будет казаться, что все цифры светятся одновременно.
.2 Организация интерфейса с
индикаторами с общим анодом
Выше была рассмотрена организация интерфейса с
индикаторами, имеющими общий катод. Ниже описана организация интерфейса с
индикаторами, имеющими общий анод. Интерфейс описан до уровня включения и
выключения сегментов индикатора. Предполагается, что выполняется запись данных
в порт управления. Аппаратура интерфейса разработана таким образом, что
описанная программа сканирования индикатора пригодна для выполнения на ней.
На схеме драйверов интерфейса для индикаторов с
общим анодом, приведенной на рисунке 6.10, показана аппаратура для возбуждения
общих анодов каждого разряда и всех катодов индикатора. Рассмотрим работу схемы
возбуждения анодов. Сигнал регистра разрешения подсвета символа подается на
вход инвертора с открытым коллектором 7406 рисунок 6.10, вверху.
Когда на вход I схемы 7406 подается логическая
1, потенциал на выходе схемы 7406 равен потенциалу земли. При этом ток от
источника питания +5 В проходит через два резистора сопротивлением 270 Ом. Этот
ток вызывает уменьшение потенциала базы транзистора до уровня земли.
Рисунок 6.10 - Схема управления включением и
выключением индикатора с общим анодом
На рисунке 6.10 I - из регистра (логическая
1-включить; логический 0-выключить); II- к общим анодам цифры; III-сегменты A-F
Когда напряжение базы транзистора достигает
уровня Uбэ, необходимого для открывания транзистора, транзистор войдет в режим
насыщения, при котором потенциалы на его коллекторе и эмиттере будут равны.
Коллектор транзистора соединяется с общим анодом одного разряда индикатора,
потенциал которого возрастает до +5 В. В этом режиме на анод индикатора
подается напряжение, но для того, чтобы включить сегменты, необходимо соединить
с землей катоды всех сегментов, которые должны светиться. Если на вход I схемы
7406 подается логический 0, то ее выход будет закрыт. Это прекратит прохождение
тока от источника питания +5 В на землю через два резистора сопротивлением 270
Ом. Базового тока, который откроет транзистор, тоже не будет. Транзистор войдет
в режим отсечки. В этом случае на аноде индикатора не будет разрешающего
потенциала, т.е. на анод не будет подано напряжение +5В.
Рассмотрим теперь, как подается разрешающее
напряжение на катоды индикатора. Катодные напряжения соответствуют данным,
которые должны быть высвечены на индикаторе. Для того, чтобы включить сегменты,
нужно соединить катод каждого из них с землей. СИД светятся в том случае, если
потенциал на их катодах равен потенциалу земли, а потенциал анода равен +5 В.
На схеме, показанной на рисунке 6.10, сигнал с выхода инвертора с открытым
коллектором 7406 подается через резистор сопротивлением 100 Ом на линию каждого
сегмента. Резистор сопротивлением 100 Ом служит для ограничения тока через
включенные СИД. Этот резистор можно использовать для регулирования яркости
свечения индикатора.
7. Обзор методов
построения блоков питания
Блок питания является одним из самых ненадежных
устройств компьютерной системы. Это жизненно важный компонент персонального
компьютера, поскольку без электропитания не сможет работать ни одна
компьютерная система. Поэтому для организации четкой и стабильной работы
системы необходимо хорошо разбираться в функциях блока питания, иметь
представление об ограничениях его возможностей и их причинах, а также о потенциальных
проблемах, которые могут возникнуть в ходе эксплуатации, и способах их
разрешения.
Главное назначение блоков питания -
преобразование электрической энергии, поступающей из сети переменного тока, в
энергию, пригодную для питания узлов компьютера. Блок питания преобразует
сетевое переменное напряжение 220В, 50 Гц (120 В, 60 Гц) в постоянные
напряжения +3,3, +5 и +12 В. Как правило, для питания цифровых схем (системной
платы, плат адаптеров и дисковых накопителей) используется напряжение +3,3 или
+5 В, а для двигателей (дисководов и различных вентиляторов) - +12 В. Компьютер
работает надежно только в том случае, если значения напряжения в этих цепях не
выходят за установленные пределы.
.1 Обзор методов
построения стабилизаторов постоянного тока
Стабилизатор напряжения - преобразователь
электрической энергии, позволяющий получить на выходе напряжение, находящееся в
заданных пределах при значительно больших колебаниях входного напряжения и
сопротивления нагрузки. По типу выходного напряжения стабилизаторы делятся на
стабилизаторы постоянного тока и переменного тока
К стабилизаторам постоянного тока относятся
линейный и импульсный стабилизаторы.
Линейный стабилизатор представляет собой
делитель напряжения, на вход которого подаётся входное (нестабильное)
напряжение, а выходное (стабилизированное) напряжение снимается с нижнего плеча
делителя. Стабилизация осуществляется путём изменения сопротивления одного из
плеч делителя: сопротивление постоянно поддерживается таким, чтобы напряжение
на выходе стабилизатора находилось в установленных пределах.
При большом отношении величин входного/выходного
напряжений линейный стабилизатор имеет низкий КПД, так как большая часть
мощности рассеивается в виде тепла на регулирующем элементе. Поэтому
регулирующий элемент должен иметь возможность рассеивать достаточную мощность,
т. е. должен быть установлен на радиатор нужной площади. Преимущество линейного
стабилизатора - простота, отсутствие помех и небольшое количество используемых
деталей.
В зависимости от расположения элемента с
изменяемым сопротивлением линейные стабилизаторы делятся на два типа:
последовательный (регулирующий элемент включен последовательно с нагрузкой) и
параллельный (регулирующий элемент включен параллельно нагрузке).
В зависимости от способа стабилизации:
параметрический рисунок 7.1. В таком
стабилизаторе используется участок ВАХ прибора, имеющий большую крутизну;
Рисунок 7.1 - Параметрические
стабилизаторы постоянного напряжения
Рисунок 7.2 - Компенсационные стабилизаторы на
транзисторах и микросхемах с непрерывным регулированием
Интегральные стабилизаторы
напряжения непрерывного действия серии К142ЕН выпускаются тpex типов: с
регулируемым выходным напряжением К142ЕН1-4, с фиксированным выходным
напряжением К142ЕН5А, Б; с двуполярным входным и выходным напряжением К142ЕН6.
Интегральные стабилизаторы с
регулируемым выходным напряжением требуют подключения внешнего делителя ОС,
элементов частотной коррекции и резисторов цепи защиты.
Наибольшее распространение
получили маломощные стабилизаторы серии К142ЕН1,2 и стабилизаторы средней
мощности К142ЕНЗ,4. Маломощные интегральные стабилизаторы целесообразно
применять при выходных напряжениях от 3 до 30 В и малых токах нагрузки
0,05...0,1 А. Подключение к маломощным интегральным стабилизаторам внешнего
мощного регулирующего транзистора позволяет получить на выходе значительно
большие токи нагрузки.
Интегральные стабилизаторы
средней мощности целесообразно применять при токах до 1 А.
Интегральные стабилизаторы с
фиксированным напряжением серий К142ЕН5А, Б рис. 6.3 имеют выходное напряжение
5 или 6 В в зависимости от типа микросхемы. Стабилизаторы содержат защиты от
перегрузок по току и тепловую защиту, срабатывающую при температуре кристалла +
175°С.
На выходе стабилизатора
необходимо включить конденсатор 10мкФ для обеспечения устойчивости при
импульсном изменении тока нагрузки.
Рисунок 7.3 - Подобные
микросхемы выпускаются на ряд напряжений, включая напряжения обратной
полярности.
7.2 Обзор методов построения
выпрямителей
Выпрямительные устройства
(выпрямители) относятся к вторичным источникам электропитания. Они используются
для преобразования переменного напряжения в постоянное. Источником переменного
напряжения может быть сеть переменного тока или преобразователь постоянного
напряжения в переменное повышенной частоты.
Выпрямитель в большинстве
случаев состоит из трансформатора питания, изменяющего напряжение, комплекта
вентилей, выпрямляющих переменное напряжение, и сглаживающего фильтра. Вентиль
представляет собой нелинейный элемент, сопротивление которого в прямом
направлении в сотни-тысячи раз меньше, чем в обратном. В настоящее время в
основном используются полупроводниковые вентили.
Основные параметры выпрямителей
- номинальное напряжение и частота питающей сети и их отклонения от
номинальных; полная мощность, потребляемая от питающей сети при номинальной
нагрузке; номинальное выходное напряжение; номинальный ток нагрузки и его
возможные отклонения от номинального; КПД; коэффициент пульсаций.
Коэффициент пульсаций -
отношение амплитуды первой гармоники переменной составляющей выпрямленного
напряжения к его постоянной составляющей (ГОСТ 18311-80). Иногда определяют
коэффициент пульсаций как отношение двойной амплитуды переменной составляющей к
постоянной составляющей. Двойная амплитуда переменной составляющей измеряется
как сумма положительной и отрицательной полуволн переменной составляющей
выпрямленного напряжения.
В источниках питания
приемно-усилительной аппаратуры находят применение выпрямители однополупериодные,
двухполупериодные с выводом средней точки, мостовые, с удвоением напряжения.
Чаще всего они выполняются со сглаживающим фильтром, начинающимся с
конденсатора (рис.65), и, следовательно, работают на емкостную нагрузку. Хотя
эти выпрямители обладают низким КПД по сравнению с выпрямителями, работающими
на индуктивную нагрузку, они позволяют получать меньший коэффициент пульсаций
при одинаковых габаритных размерах фильтра. Выпрямители, работающие на
емкостную нагрузку, используются для получения выпрямленных напряжений от
единиц вольт до десятков киловольт. Выпрямители без сглаживающего фильтра
применяются сравнительно редко, например, для питания электромагнитных реле и в
других случаях, когда коэффициент пульсаций не имеет существенного значения.
Однополупериодную (однофазную)
схему выпрямителя рисунок 7.4, а применяют при мощностях в нагрузке до 5... 10
Вт и тогда, когда не требуется малый коэффициент пульсаций. Достоинства
однополупериодного выпрямителя - минимальное число элементов, невысокая
стоимость, возможность работы без трансформатора при использовании
полупроводниковых вентилей. Недостатки-низкая частота пульсаций (равна частоте
питающей сети), плохое использование трансформатора, подмагничивание его
магнитопровода постоянным током.
Двухполупериодную схему с выводом средней точки
(двухфазную), приведенную на рис. 6.4, б, применяют чаще всего при мощностях до
100 Вт и выпрямленных напряжениях до 400...500 В. Выпрямители, выполненные по
этой схеме, характеризуются повышенной частотой пульсаций, возможностью
использования вентилей с общим катодом (или анодом), что упрощает их установку
на общем радиаторе, а также повышенным обратным напряжением на вентилях и более
сложной конструкцией трансформатора.
Однофазная мостовая схема рисунок 7.4, в
характеризуется хорошим использованием мощности трансформатора, поэтому
рекомендуется при мощностях в нагрузке до 1000 Вт и более. Достоинства
выпрямителей, выполненных по этой схеме,- повышенная частота пульсаций, низкое
обратное напряжение на вентилях, возможность работы без трансформатора.
Недостатки - повышенное падение напряжения в вентильном комплекте,
невозможность установки однотипных вентилей на одном радиаторе без изоляционных
прокладок.
Рисунок 7.4 - Схемы выпрямителей
Симметричную схему с удвоением
напряжения рисунок 7.4, г применяют чаще всего при мощностях в нагрузке до 1000
Вт и выпрямленных напряжениях выше 500...600 В. При равных выпрямленных
напряжениях напряжение на вторичной обмотке трансформатора при схеме удвоения
почти в два раза меньше, чем при мостовой. Обратное напряжение на вентилях при
данной схеме примерно такое же, как при мостовой, частота пульсаций в два раза
больше частоты питающей сети.
8. Датчики
ионизирующего излучения
.1 Общие сведения и терминология
Датчики (блоки детектирования) ионизирующих
излучений относятся к электронным устройствам, основное назначение которых
заключается в обеспечении процесса взаимодействия потока ионизирующего
излучения с физической средой детектора излучения, и в преобразовании актов
взаимодействия в электрические сигналы, которые могут быть зарегистрированы
соответствующей измерительной аппаратурой. В комплекте с измерительными блоками
датчики образуют приборы для измерения ионизирующих излучений (спектрометры,
радиометры, дозиметры и пр.).
Рисунок 8.1 - Типовая схема датчика излучения
На рисунке 8.1 приведена функциональная схема
датчика. Датчик содержит детектор излучения с формирователем электрических
сигналов на выходе, предварительный усилитель сигналов, выходной усилитель
мощности сигналов и источник питания детектора. Формирователь электрических
сигналов обычно объединяется с предварительным усилителем в общий блок
согласующего усилителя. В специализированной аппаратуре датчики могут содержать
только детекторы излучения (один или несколько) и формирователи сигнала, с
включением остальных блоков в состав регистрирующих приборов.
Детектор ионизирующего излучения
(radiationdetector) - чувствительный элемент средства измерений,
предназначенный для регистрации ионизирующего излучения. Действие детектора
основано на явлениях, возникающих при прохождении ионизирующего излучения через
вещество (рабочую среду детектора).
По физической сущности взаимодействия
ионизирующих излучений с веществом выделяют следующие типы детекторов:
ионизационный, основанный на способности
излучений ионизировать среду, через которую они проходят;
сцинтилляционный, регистрирующий фотоны света,
возникающие в сцинтилляторе под действием ионизирующих излучений;
люминесцентный, базирующийся на эффектах
радиофотолюминесценции (ФЛД) и радиотермолюминесценции (ТЛД). Детекторы
поглощают и накапливают энергию излучения в молекулярных центрах
фотолюминесценции, и способны высвечивать накопленную энергию при освещении
ультрафиолетовым светом (ФЛД) или при нагревании (ТЛД);
фотографический, основан на свойстве
ионизирующих излучений воздействовать на чувствительный слой фотоматериалов
аналогично видимому свету;
химический, основанный на измерении выхода радиационно-химических
реакций (изменение степени окраски или цвета), протекающих под действием
ионизирующих излучений. Метод используют при регистрации значительных уровней
радиации;
калориметрический, базирующийся на измерении
количества теплоты, выделяемой в детекторе при поглощении энергии ионизирующих
излучений;
Принципы классификации датчиков. Как правило,
блоки детектирования специализируются по виду регистрируемого излучения на
датчики заряженных частиц, нейтронов и электромагнитного излучения (рентгеновских
и гамма-квантов). Специализация достигается применением детектора
соответствующего типа и конструкции, обеспечивающих максимальную эффективность
регистрации данного вида излучения при минимальной эффективности регистрации
всех других видов излучения. Специализация может быть усилена конструкцией
датчика, обеспечивающей пропускание на детектор определенного вида излучения
при максимальном подавлении сопутствующих видов, и селекцией сигналов в блоке
их формирования или в измерительном устройстве. Однако специализация обычно не
является абсолютной, так как рабочая среда детекторов имеет определенную
вероятность взаимодействия со всеми видами излучения, равно как и
конструкционные материалы датчика при взаимодействии с сопутствующим видом
излучения могут индуцировать вторичные виды излучения, регистрируемые
детектором.
По линейности преобразования энергии
ионизирующего излучения в энергию выходных сигналов датчики разделяются на три
типа: спектрометрические, счетные и дозовые.
Спектрометрические датчики позволяют
регистрировать энергетический спектр излучения. В спектрометрических датчиках
амплитудное значение или полный электрический заряд выходного сигнала
пропорциональны поглощенной в детекторе энергии частицы, что позволяет
реализовать многочисленные методы ядерно-физического анализа вещественного
состава изучаемых сред. Спектрометрические датчики используются в составе
спектрометров.
Датчики счетного типа предназначены для
измерения плотности потока излучения и активности источников излучения
(количества распадов в единицу времени в изучаемом образце). Физической
величиной, регистрируемой от датчиков счетного типа, является частота (скорость
счета) актов взаимодействия частиц ионизирующего излучения с детектором
излучения, которая пропорциональна плотности потока излучения. Связь скорости
счета частиц с активностью источника излучения задается условиями и методикой
измерений.
Датчики счетного типа используются в составе
радиометров. По группам практических задач в сочетании с конструктивными
особенностями исполнения выделяют следующие типы датчиков:
Массовой активности радионуклидов.
Поверхностной активности радионуклидов.
Объемной активности газов, жидкостей,
радиозолей.
Плотности потоков ионизирующих частиц.
Дозовые датчики используются в составе дозиметров
и предназначены для измерения дозы и/или мощности дозы ионизирующего излучения,
т.е. количества энергии ионизирующего излучения, которое воспринимается средой
за определенный промежуток времени.
.2 Детекторы
излучения
Измерение ионизирующего излучения представляет
собой регистрацию актов взаимодействия излучения с детектором (в радиометрах) и
количественную энергетическую оценку данного взаимодействия (в спектрометрах и
дозиметрах). Процесс измерения реализуется только в том случае, если взаимодействие
излучения с веществом (рабочей средой) детектора сопровождается процессом
преобразования энергии излучения в другой вид энергии, удобный для регистрации.
В промышленных датчиках используются, в
основном, два типа детекторов:
Ионизационные детекторы с прямым преобразованием
энергии частиц в электрический заряд. К ним относятся газонаполненные детекторы
- ионизационные камеры, газоразрядные и пропорциональные счетчики, и
полупроводниковые детекторы (ППД).
Сцинтилляционные детекторы, в которых
используется люминесценция вещества детектора при поглощении излучения с
последующим преобразованием энергии световых фотонов в электрический сигнал
(при помощи фотоэлектронного умножителя - ФЭУ).
По линейности преобразования энергии излучения в
энергию выходного сигнала различают пропорциональные и непропорциональные
детекторы. По агрегатному состоянию рабочей среды детекторы подразделяются на
газовые, жидкостные и твердотельные.
Принцип действия детекторов основан на
обнаружении эффекта ионизации или возбуждения атомов рабочей среды детектора
при взаимодействии с излучением. Заряженные частицы взаимодействуют
непосредственно с электрическим полем атомов рабочей среды детектора с
передачей им своей кинетической энергии. Гамма - кванты и нейтральные частицы
взаимодействуют с детектором через процессы фотопоглощения, комптоновского
рассеяния, образования электронно-позитронных пар и ядерные реакции в рабочей
среде детекторов и в специальных конструкционных материалах, которые может
иметь детектор для повышения вероятности этих процессов. В результате этого
взаимодействия возникает вторичное излучение, состоящее из заряженных частиц,
которое и регистрируется в рабочей среде детектора.
Механизм преобразования энергии в детекторах
ионизационного типа идет по цепи: поглощение энергии частицы преобразование
поглощенной энергии в первичный электрический заряд (усиление первичного заряда
для детекторов с усилением) сбор заряда на электродах детектора. В
сцинтилляционных детекторах эта цепь несколько длиннее: поглощение энергии частицы
преобразование поглощенной энергии в световые фотоны сбор фотонов на фотокатоде
ФЭУ и выбивание из него фотоэлектронов (первичного электрического заряда)
усиление электронного потока динодной системой ФЭУ (ударное размножение
разгоняемых электронов на динодах ФЭУ) сбор электронного потока на аноде ФЭУ.
Особенности протекания данных процессов в
детекторах определяют их основные технические характеристики.
Эффективность регистрации излученияявляется
энергетической пространственно-угловой функцией вероятности процесса
взаимодействия излучения с рабочей средой детектора.
Вероятность регистрации ионизирующей частицы при
прохождении через рабочую среду детектора определяется вероятностью передачи
частицей своей энергии, частично или полностью, рабочей среде. Эта вероятность
зависит от вида излучения, его энергии, плотности рабочей среды детектора, его
размеров и геометрии измерений. В первом приближении она определяется
выражением массовый коэффициент поглощения излучения данного вида и энергии в
рабочей среде (см2/г), - плотность среды, l- средняя длина пробега частиц в
среде. Приведенное выражение не учитывает факторов конкретной конструкции
детектора и условий проникновения излучения в рабочую среду детектора, что
немаловажно для низкоэнергетических видов излучений. Эффективность регистрации
может иметь средние значения от 0 до 1.

Рисунок 8.2 - Эффективность регистрации
гамма-квантов
На практике понятие эффективности регистрации
используется в узком смысле только энергетической функции вероятности
регистрации данного вида излучения данным типом детектора, среднее значение
которой определяется как отношение числа зарегистрированных частиц к числу
частиц, попавших на входное окно детектора. Расчет практической эффективности
регистрации производится по формуле: Э(E) = m/(sф(E)), где s - площадь входного
окна детектора (для изотропных детекторов - площадь сечения), ф(E) - плотность
потока излучения, m- частота актов регистрации выходных сигналов детектора.
Самым проникающим видом излучения с большой
длиной пробега квантов является гамма-излучение, в связи с чем для их
детектирования используются сцинтилляторы и ППД, эффективность регистрации
которых тем больше, чем больше их плотность, геометрические размеры и
эффективный атомный номер вещества детектора.
На рисунке 8.2 приведены графики спектральной
эффективности регистрации гамма-излучения неорганическими сцинтилляторами
NaI(Tl) различных размеров. При регистрации низкоэнергетических гамма-квантов
(менее 100 кэВ) существенную роль начинает играть поглощение излучения в
контейнере детектора и в защитной конструкции блока детектирования, если он не
имеет специального входного окна.
Рисунок 8.3 - Эффективность регистрации
гамма-квантов газонаполненными счетчиками
Эффективность регистрации гамма-излучения
газонаполненными счетчиками в интервале энергий от 100 кэВ до 3 МэВ не
превышает 2% и практически не зависит от размеров счетчиков, а в области
энергий ниже 200 кэВ существенно зависит от материала корпуса (катода)
счетчика, в котором осуществляется конверсия гамма-квантов в электроны. В
качестве материала катода обычно используется вольфрам, медь и железо. Пример
эффективности регистрации газонаполненных счетчиков приведен на рисунке 8.3.
Что касается эффективности регистрации бета- и
альфа-частиц, то практически для всех видов детекторов она близка к 100% в
связи с малой проникающей способностью этих видов излучения. Последнее
обстоятельство выводит на первое место по влиянию на эффективность регистрации
фактор поглощения излучения во входном окне детектора, особенно при регистрации
низкоэнергетических частиц.
Понятие практической эффективности регистрации
обычно применяется к датчику в целом (с данным типом детектора) и выражается в
% (от 0 до 100%). Для характеристики блоков детектирования и устройств с
фиксированной геометрией измерений применяется также понятие светосилы, как
отношение числа регистрируемых частиц к числу частиц, испускаемых источником излучения.
Значение светосилы является безразмерной величиной в интервале 0-1.
Энергетическое разрешение детекторов. При регистрации моноэнергетического
излучения и линейном преобразовании энергии частиц в выходные сигналы в силу
статистической природы процессов преобразования распределение значений выходных
сигналов "расплывается" в фотопик рисунок 8.4. За меру
"расплывания" энергии сигналов принимается значение ширины фотопика
на половине его высоты. Эта характеристика регистрации излучения получила название
энергетического разрешения детекторов. Если источник излучения имеет две линии
излучения и второй фотопик отстоит от первого на расстоянии, меньшем
энергетического разрешения, то фотопики сливаются в один суммарный пик.
Рисунок 8.4
Для сравнения детекторов значение
энергетического разрешения выражают в относительных единицах (или в %) значения
центра распределения: R = r/Eo, где Eo- энергия центра распределения.
При аппроксимации фотопика функцией Гаусса имеет
место- среднее квадратическое отклонение энергии зарегистрированных сигналов от
среднего значения Eo. При удельной энергии e на образование первичных носителей
заряда, формирующих выходной сигнал, среднее число носителей заряда N при
поглощении частицы с энергией Е, дисперсия их числа и значение относительного
энергетического разрешения равны: =E/e, s2 = FN, R=2.36 s/N.
где F- поправочный коэффициент на частичное
нарушение статистики процесса. Значение коэффициента F для каждого типа,
размеров и конструкции детектора определяется индивидуально. Средние значения
коэффициентов порядка 0.2-0.4 для полупроводниковых, 0.4-0.7 для
газонаполненных и 1.5-2 для сцинтилляционных детекторов.
При известном разрешении детектора R1 для
энергетической линии E1 оценка разрешения R2 для любой другой энергии E2 может
производиться по формуле: R2 = R1
.
Энергетическое разрешение детекторов тем лучше,
чем большее число носителей заряда образуется в детекторе, т.е. чем выше
энергия излучения и меньше удельная энергия образования носителей заряда.
Наименьшую удельную энергию образования одной
пары носителей заряда (электрон-дырка) имеют полупроводниковые детекторы - от
2,9 до 3,7 эВ в зависимости от типа, что обеспечивает ППД наилучшее
энергетическое разрешение из всех типов детекторов. Удельная энергия ионизации
среды в газовых детекторах (образование пары ион - электрон) на порядок выше и
составляет от 20 до 32 эВ в зависимости от типа среды, и энергетическое
разрешение газовых детекторов практически в 3 раза хуже разрешения ППД. В
сцинтилляционных детекторах энергия излучения конвертируется в фотоны света
(коэффициент преобразования не более 0.1), а первичными носителями заряда
являются фотоэлектроны, которые выбиваются с фотокатода ФЭУ световыми фотонами
(вероятность не более 0.1 на фотон). Отсюда следует, что удельная энергия
образования первичных носителей заряда в сцинтилляционных детекторах
практически на порядок больше, чем у газонаполненных детекторов, и на 2 порядка
больше, чем у ППД, а энергетическое разрешение соответственно в 3-4 раза хуже,
чем у газонаполненных детекторов, и на порядок хуже, чем в ППД.
В таблице 8.1 приведены средние значения
удельной энергии и энергетического разрешения по энергии 662 кэВ изотопа
Цезий-137 для наиболее распространенных типов детекторов, по которым нетрудно
выполнить оценку разрешения детекторов для любой другой энергии излучения.
Таблица 8.1 - Удельная энергия преобразования и
энергетическое разрешениедетекторов по энергетической линии излучения 662 кэВ
|
Детекторы
|
Материал
рабочей среды
|
эВ
|
R,%
|
|
Полупроводниковые
|
Германий
Кремний
|
2.96
3.67
|
0,2-0,8
0,3-1,0
|
|
Газонаполненные
|
Ксенон
Крептон Аргон
|
21
23 26
|
1,2-1,6
1,4-1,8 1,5-1,9
|
|
Сцинтиляционные
|
Nal(Tl)
Csl(Tl) Антрацен Стильбен Пластмасса Жидкость
|
250-300
600-700 500-700 900-1100 1000-1500 1000-2000
|
6-8
8-9 7-9 10-12 10-15 10-17
|
Разрешение может существенно ухудшаться, если
энергия излучения соизмерима с энергией собственных тепловых шумов детектора.
При регистрации гамма-квантов в нормальных температурных условиях среднее
значение энергетического эквивалента тепловых шумов для пропорциональных
счетчиков составляет 0.2-0.5 кэВ, для фотоумножителей в энергетической шкале
NaI(Tl) 0.3-1 кэВ, для кремниевых ППД может достигать 10 кэВ. Для снижения уровня
шумов, ППД используются с охлаждением до 70-1000К, при этом уровень шумов может
быть снижен на порядок. Кроме того, при регистрации низкоэнергетического
излучения приобретают значение шумы первого каскада усиления сигнала.
Избирательность детекторов. Детекторы различных
типов, размеров и конструкций, с различным состоянием агрегатной среды могут
отличаться на 1, 2 и более порядков как по эффективности регистрации различных
видов излучения, так и по эффективности регистрации в различных диапазонах спектра
излучения. Это позволяет специализировать детекторы по измерительным задачам и
производить измерение одних видов и энергий излучения на сопутствующем фоне
излучения других видов и энергий. Качество работы детекторов при этом может
прямо оцениваться избирательностью - отношением эффективности регистрации
измеряемого и фонового излучения при равных значениях плотности потоков.
Избирательность в значительной степени может быть усилена геометрией измерений
и конструкцией блока детектирования в целом (экранирование, коллимация и т.п.).
Для детектирования заряженных частиц, в
принципе, можно использовать все типы детекторов, при этом по характеру
преобразования энергии частиц в заряд детекторы разделяют на пробежные и
пролетные. К пробежным относят детекторы с толщиной чувствительного объема,
превышающей длину пробега частиц в материале детектора и обеспечивающей полное
поглощение энергии частиц. У пролетных детекторов толщина чувствительного
объема много меньше длины пробега частиц и выходные сигналы пропорциональны
произведению линейной плотности ионизации на треках частиц на длину треков,
т.е. зависят от типа частиц, их массы, заряда и угла входа в детектор. Один и
тот же детектор может быть пробежным к одному виду частиц и пролетным к
другому, что создает условия для их селективной регистрации. Так, например,
поверхностно-барьерные ППД с малой толщиной чувствительного слоя (порядка 0.05
мм) являются пробежными по альфа-излучению и пролетными по бета-излучению с
энергией более 100 кэВ.
Реакция детекторов на поток нейтральных частиц и
квантов имеет более сложный характер и проходит в два этапа. На первом этапе в
чувствительной среде детектора или в специальных материалах его конструкции
осуществляется конверсия первичного потока излучения во вторичный поток заряженных
частиц, который и регистрируется на втором этапе. Эффективность процессов на
этих двух этапах может изменяться раздельно и целенаправленно, что создает
разнообразие детекторов по материалам и агрегатному состоянию чувствительных
сред и защите от внешних потоков заряженных частиц в зависимости от
специализации
.3 Радиационный
фон регистрации ионизирующих излучений
Естественный радиационный фон
(naturalbackground) - ионизирующее излучение, состоящее из космического
излучения и ионизирующего излучения природных радионуклидов.
Одна из типовых задач радиометрических измерений
- определение в пробах (в среде) активности радионуклидов, при этом
гамма-излучение нуклидов может быть соизмеримо и даже меньше естественного
фона. Радиационный фон и его основная составляющая - фоновое гамма-излучение,
присутствует при регистрации всех видов излучения, причем уменьшить влияние
гамма-фона на результаты измерений всегда сложнее, чем всех других составляющих
радиационного фона.
Основные составляющие радиационного фона:
низко- и высокоэнергетические компоненты
космического излучения;
излучение конструкционных материалов аппаратуры
и самого детектора;
излучение окружающей среды.
Первичное космическое излучение является потоком
очень быстрых заряженных частиц (в основном протонов) с энергией до 1010-1012
МэВ. На высотах ниже 20 км космическое излучение практически полностью имеет
вторичный характер. Высокоэнергетическая составляющая вторичного излучения
представлена в основном заряженными частицами - мюонами ("+" и
"-" мезонами с массой 207 масс электрона), с энергией порядка 100
МэВ. Низкоэнергетическое излучение состоит из электронно-позитронных пар и
гамма-квантов. Кроме того, вторичное космическое излучение содержит нейтронную
составляющую с широким энергетическим спектром.
Космическое излучение регистрируется детекторами
как непосредственно, так и через вторичное излучение, создаваемое в окружающих
детектор материалах, в том числе с образованием в них нестабильных изотопов.
Доля космического излучения в общем радиационном фоне составляет в среднем 1/3.
Источниками радиоактивного загрязнения
материалов детектора и блока детектирования являются естественные радионуклиды
(ЕРН) рядов урана/тория и калий-40. Последний присутствует в природном калии
(0.012%, 31400 Бк/кг) и во всех материалах, содержащих калий в своем составе
(стекло баллонов ФЭУ, световоды и пр.). Элементы рядов урана и тория в виде
микропримесей присутствуют во всех материалах, включая материал детектора. Так,
активность ЕРН в конструкционных марках свинца достигает 60 Бк/кг, в алюминии-
27 Бк/кг, и даже в плексигласе - до 0.25 Бк/кг. Доля гамма-фона, создаваемого
радиоактивным загрязнением материалов детектора и датчика, также может
достигать 1/3 общего радиационного фона.
Остальная часть фона определяется излучением
всех внешних для блока детектирования объектов окружающей среды, включая радон
и продукты его распада в воздушной среде.
Методы снижения фона. Существуют три основных
метода снижения радиационного фона:
использование радиационно-чистых материалов в
конструкции датчиков;
применение защиты от внешнего излучения;
использование дополнительных детекторов для
исключения из регистрации сигналов радиационного фона.
Использование радиационно-чистых материалов в
конструкции датчиков. Конструкцию датчиков следует выполнять из плексигласа,
фторопласта, электролитической меди и радиационно-чистой нержавеющей стали, для
пайки применять химически чистое олово. При использовании сцинтилляционных
детекторов применять ФЭУ с баллонами из безкалиевого стекла и безкалиевые
световоды. В качестве светоотражающих материалов для сцинтилляторов
использовать фторопласт или окись алюминия (вместо окиси магния, в которой
больше микропримесей ЕРН).
Для защиты от внешнего гамма-излучения
(космического и окружающей среды) требуется материал с большой плотностью и
высоким атомным номером. Для этих целей обычно используется свинец, однако за
счет загрязнения ЕРН поверхностная активность свинца может достигать 18 Бк/м2.
С внутренней поверхности свинцового экрана на детектор может выходить
характеристическое излучение свинца, которое возникает при фотопоглощении
гамма-квантов, в том числе от измеряемых проб. Для поглощения данного излучения
на внутренней поверхности свинцовой защиты располагают дополнительный защитный
экран, как правило, из кадмия или олова (1-2 мм) и меди (0.3-0.5 мм), что
позволяет ослабить возникающее характеристическое излучение более чем в 100
раз.
При хорошей защите от внешнего гамма-излучения
на первый план выходит радиационный захват тепловых нейтронов с образованием
радиоактивных нуклидов в материалах детектора, датчика и в самой защите.
Неприятной особенностью данного фактора является его зависимость от
атмосферного давления, т.к. при изменении давления на 1% происходит изменение
плотности потока космических нейтронов на 7.2%. Для снижения нейтронной
составляющей фона защиту с внешней стороны дополняют слоем вещества,
замедляющего и поглощающего нейтроны (парафин и борная кислота, обогащенная
изотопом Бор-10).
Методы пассивной защиты не обеспечивает защиты
детекторов от мюонов. Мюонная составляющая излучения также зависит от
атмосферного давления, хотя и в меньшей степени (порядка 1.2% при изменении
давления на 1%). Эту компоненту фона снижают активным методом - при помощи
защитных детекторов, которые располагают вокруг основного детектора.
Эффективность регистрации мюонов для всех детекторов близка к 100%, и по
отношению к ним все детекторы являются пролетными. Сигналы детектирования
мюонов в основном детекторе будут сопровождаться сигналами детектирования этих же
мюонов в защитном детекторе и могут использоваться для блокировки регистрации
фоновых сигналов в основном детекторе по принципу временных совпадений.
Метод активной защиты выполняет аналогичные
защитные функции и от внешнего высокоэнергетического гамма-излучения. В
качестве защитных детекторов используются сцинтилляционных счетчики с
пластмассовыми и жидкими сцинтилляторами, при этом суммарный радиационный фон
может быть снижен в 10 и более раз.
При измерении активности препаратов двумя
детекторами в геометрии, близкой к 4 (препарат между детекторами), метод
регистрации сигналов в детекторах по антисовпадениям выполняет аналогичную
активную защиту от радиационного фона, особенно эффективную при использовании
сцинтилляторов большого диаметра.
.4 Датчики
рентгеновского и гамма-излучения
Основной диапазон энергий гамма-излучения
естественных и искусственных радионуклидов 0.1-3 МэВ. Для детектирования
излучения используются детекторы с высокой плотностью и большим атомным номером
чувствительной среды, а именно - сцинтилляционные детекторы с неорганическими
сцинтилляторами и германиевые ППД.
Наиболее распространенный тип сцинтиллятора -
NaI(Tl), плотность - 3.67 г/см3, эффективный атомный номер - 50, размеры
выпускаемых монокристаллов (диаметр, высота) от 10 х 10 до 200 х 200 мм и
более. Сцинтилляторы имеют высокую эффективность регистрации излучения
(например, кристалл 63 х 40 мм: 99% при Е<0.2 МэВ, 48% при Е=0.66 МэВ, 37%
при Е=1.33 МэВ), и высокую относительную долю фотопиков в регистрируемом
спектральном распределении (чем больше кристалл, тем больше вероятность полного
поглощения квантов даже больших энергий). Для измерения малых активностей в
геометрии, близкой к 4p, выпускаются кристаллы с "колодцем".
Еще большую плотность (4.5 г/см3) и эффективный
атомный номер (Z=54) имеют кристаллы CsI(Tl). Однако конверсионная
эффективность и, соответственно, энергетическое разрешение CsI уступают NaI,
что ограничивает их применение. Германиевые ППД по сравнению с кремниевыми
имеют более высокий атомный номер (32) и более высокую эффективность
регистрации излучения. Однако чувствительные объемы выпускаемых ППД пока
уступают сцинтилляторам, а стоимость и затраты на эксплуатацию много выше.
Использование ППД целесообразно только в тех случаях, когда требуется высокое
энергетическое разрешение детекторов. При регистрации рентгеновского и
гамма-излучения с энергией ниже 100 кэВ используются детекторы с высокой
эффективностью регистрации в этом диапазоне при минимальной эффективности
регистрации более высокоэнергетического излучения. Этим условиям удовлетворяют
газонаполненные детекторы и ППД. Используются также сцинтилляционные детекторы
с тонкими сцинтилляторами (например, NaI с толщиной пластин 1 мм), однако в
этом диапазоне энергий сцинтилляторы отличаются очень низким энергетическим
разрешением (десятки процентов). При регистрации квантов с энергий менее 20 кэВ
детекторы должны иметь бериллиевое входное окно толщиной не более 100 мкм
(поглощение квантов с энергией 8 кэВ в таком окне не превышает 10%).
Применяются также лавсановые и слюдяные входные окна толщиной менее 10 мкм.
Регистрацию излучения с энергией менее 4-5 кэВ выполняют проточными
газонаполненными счетчиками, имеющими открытое входное окно и непрерывное
пополнение утечки рабочей среды.
.5 Датчики
бета-излучения
Выбор детекторов для бета-измерений определяется
ограниченной проникающей способностью бета-излучения (линейные потери энергии в
веществе около 2 МэВ на 1 г/см2) и непрерывным характером спектра бета-частиц.
Бета-измерения усложняются тем, что фоновое гамма-излучение
при взаимодействии с веществом детектора дает зарядовое распределение сигналов,
которое перекрывается со спектрами бета-частиц. Это затрудняет использование
селекции выходных сигналов для повышения избирательности по бета-излучению, и
стимулирует использование в бета-датчиках непропорциональных детекторов
(счетчиков Гейгера) и детекторов пролетного типа.
Одним из основных параметров газонаполненных
бета-детекторов является энергетический порог чувствительности Епор, значение
которого зависит от толщины входного окна или стенки детектора. Под Епор
понимают энергию излучения, для которой прозрачность окна равна 0,5. По этому
параметру детекторы разделяют на 4 группы: цилиндрические тонкостенные счетчики
с толщиной стенки 40-60 мг/см2 (порог 1 МэВ и выше), торцевые с герметичным
слюдяным окном толщиной 1-5 мг/см2 (порог 0.1-0.25 МэВ), проточные с
негерметичным окном из металлизированной органической пленки толщиной менее 1
мг/см2 (порог 20-100 кэВ) и проточные беспороговые счетчики с помещением препаратов
непосредственно в рабочую среду детектора (в том числе в газовой форме).
Фон газонаполненных бета-детекторов обычно
характеризуется частотой выходных сигналов в отсутствие измеряемых препаратов.
Значение фона для цилиндрических счетчиков зависит от размеров счетчиков
(10-100 имп/мин), для торцевых счетчиков и счетчиков с входным окном
пропорционально площади входного окна (2-4 имп/мин на 1 см2). При
комбинировании пассивных и активных методов защиты от фона последний может быть
уменьшен в 20-40 раз.
Датчики с цилиндрическими счетчиками и
счетчиками с входным окном применяются, как правило, для относительных
измерений с градуированием по источникам известной активности. При средней
длине пробега электронов в газонаполненных счетчиках порядка 10 мг/см2 потери
энергии в газовой среде счетчиков обычно не превышают 200 кэВ, и счетчики
относятся к типу пролетных для большинства измеряемых бета-активных препаратов.
Сцинтилляционные детекторы позволяют создавать
бета-датчики как пролетного, так и пробежного типа. Основные требования к
бета-сцинтилляторам - минимальная чувствительность к гамма-излучению и
минимальное отражение бета-частиц. Этим требованиям удовлетворяют органические,
пластмассовые и жидкостные сцинтилляторы, имеющие малую плотность и малый эффективный
атомный номер.
Избирательность бета-датчиков в условиях
внешнего гамма-излучения определяется отношением эффективностей регистрации
потоков бета- и гамма-частиц. Для пролетных детекторов оптимальная толщина
сцинтиллятора, при которой данное отношение максимально (более 50), составляет
15-20 мг/см2. Другой путь повышения избирательности - двухслойные
бета-гамма-сцинтилляторы (фосфичи), отличающиеся по времени высвечивания
световых фотонов (например, пластмасса + CsI), с последующей селекцией выходных
сигналов по их форме. Фосфичи используется как в пролетных, так и в пробежных
бета-детекторах.
Получили применение жидкостные сцинтилляционные
детекторы (ЖСД) с растворением или вводом в виде взвеси или эмульсии
бета-активных нуклидов непосредственно в сцинтиллирующую жидкость, что
обеспечивает высокую эффективность регистрации бета-частиц. Низкая стоимость
ЖСД способствует их применению для избирательной бета-радиометрии нуклидов по
максимальным энергиям излучения.
К числу мешающих факторов при использовании ЖСД
следует отнести гашение сцинтилляций при вводе препаратов в сцинтиллирующую
жидкость. Оно может быть цветовое и химическое. Цветовое гашение вызывается
препаратами, имеющими определенную окраску. Химическое гашение проявляется в
изменении препаратом конверсионной эффективности сцинтиллятора. При наличии
гашения требуется введение в результаты измерений соответствующих поправок.
Факторы фона сцинтилляционных бета-детекторов
аналогичны факторам фона газонаполненных детекторов, при этом основной вклад
переносится на внутренние составляющие: загрязнения ЕРН конструктивных
элементов датчика, Калий-40 в стекле ФЭУ и флаконах для ЖСД, тепловые шумы ФЭУ.
Для снижения тепловых шумов ФЭУ применяется включение двух ФЭУ, работающих на
один сцинтиллятор в режиме совпадений, что позволяет снизить тепловой шум ФЭУ
на 3 порядка и более. Большинство бета-излучателей имеют схемы распада с
одновременным вылетом гамма-квантов, что позволяет производить измерение их
активности, в том числе абсолютной, на принципе бета-гамма-временных корреляций
с использованием фосфичей.
Применение ППД в бета-радиометрии ограничено в
силу как характера самого излучения (непрерывный спектр не требует высокого
разрешения детектора), так и особенностей ППД, а именно - значительные (при отсутствии
охлаждения) тепловые шумы, существенный коэффициент отражения электронов на
входе, особенно для германиевых ППД.
.6 Датчики
альфа-излучения
Измерение альфа-излучения чаще всего связано с
определением относительного содержания альфа-активных нуклидов с высоким
атомным номером. При использовании практически всех видов детекторов с учетом
особенностей альфа-излучения имеет место:
высокое энергетическое разрешение
детектирования, особенно в газонаполненных детекторах (менее 1%) и в ППД (до
0.2%);
слабая зависимость чувствительности детекторов
от энергии излучения, отношение площадей фотопиков в спектре равно отношению
активностей соответствующих нуклидов;
высокая избирательность и радиационная
помехоустойчивость.
При толщине чувствительного слоя детектора не
более 20 мг/см2, детектор является пробежным для бета-частиц и амплитуда
сигналов от бета-частиц на порядок меньше амплитуды сигналов от альфа-частиц.
Такой же порядок действителен и для регистрации гамма-квантов с учетом
вероятности их конверсии в электроны в материалах детектора. Это позволяет
производить измерения альфа-частиц на фоне больших потоков бета- и
гамма-излучения.
Но имеются и определенные трудности в методике
измерений. Отметим основные из них.
Без специальной пробоподготовки препаратов
измерения возможны только в насыщенных по излучению слоях. Для измерений в
тонких слоях толщина слоя должна быть не более 50-100 мкг/см2. Такого же
порядка должно быть и входное окно детектора в сумме с "мертвым"
слоем - воздушным (и любым другим) промежутком между источником и детектором,
при этом желательно обеспечить ограничение углов входа частиц в окно детектора
применением сотовых коллиматоров. Потери энергии альфа-частиц во входном окне и
"мертвом" слое примерно равны 0.5 МэВ на 1 мг/см2.
При измерениях в тонких слоях активности
долгоживущих нуклидов поверхностная активность препаратов становится очень
низкой (до 0.01 Бк/см2) и нормативная погрешность измерений обеспечивается
применением источников излучения (проб) и детекторов с возможно большой поверхностью
и длительным накоплением информации. В качестве детекторов в этом случае обычно
используются импульсные ионизационные камеры. Влияние разброса углов движения
альфа-частиц снимается сотовым коллиматором, однако "прозрачность"
сотового коллиматора, как правило, не превышает 5-10%. Для источников с
поверхностной активностью излучения 10 и более Бк/см2 в качестве детекторов
предпочтительно применение ППД с толщиной входного окна в пределах 10-50
мкг/см2.
Основной вклад в фон альфа-детекторов дают два
источника:
альфа-излучение материалов детектора;
альфа-излучение радона и продуктов его распада в
воздушной среде вокруг твердотельных детекторов и в газовой среде ионизационных
камер.
.7 Датчики
нейтронного излучения
Задачей нейтронной радиометрии, как правило,
является раздельное измерение плотностей потоков данных групп или измерение
плотности потока одной энергетической группы на фоне двух других. Потоки
нейтронов сопровождаются более или менее значительными потоками гамма-квантов.
Нейтроны регистрируются по вторичному излучению
их взаимодействия со средой. Для этих целей используются процессы: упругое
рассеяние нейтронов; неупругое рассеяние с образованием возбужденных ядер;
радиационный захват нейтронов ядром; ядерные реакции под действием нейтронов.
Ядерные реакции с вылетом заряженных частиц
(протонов и альфа-частиц) наблюдаются на легких ядрах. Такие реакции идут на
гелии-3 с вылетом протона и на литий-6 и боре-10 с вылетом альфа-частиц. Эти
элементы и используются, в основном, для детектирования нейтронов. Тяжелые ядра
при захвате нейтронов делятся на два более легких ядра с освобождением энергии
до 200 МэВ, из которых порядка 160 МэВ передается осколкам деления. Большинство
тяжелых ядер делится под действием быстрых нейтронов, но имеются и нуклиды
(уран-235, плутоний-239 и др.) с большим сечением реакции в тепловой области.
Газонаполненные детекторы тепловых нейтронов
основаны, как правило, на ядерных реакциях с вылетом альфа-частиц, что
позволяет обеспечить их полное поглощение при малой чувствительности к
гамма-излучению. Избирательность по тепловым нейтронам на фоне быстрых
нейтронов обеспечивается разностью (на 3 порядка и более) вероятности реакций
по этим группам нейтронов. Наибольшее распространение получили борные счетчики.
В качестве газа-наполнителя используется либо трехфтористый бор с обогащением
бором-10 до 80-85%, либо аргон, при этом бор в аморфном виде наносится на
внутреннюю сторону счетчика толщиной 0.8-1 мг/см2, что обеспечивает
чувствительность порядка 0.01 имп/нейтрон на 1 см2 рабочей поверхности.
Естественный фон счетчиков не превышает 1 имп/мин.
На 1-2 порядка более высокую эффективность
регистрации (до 80-90%) имеют счетчики, заполняемые гелием-3 и аргоном под
давлением 5-10 атмосфер, но при этом повышается и их чувствительность к
гамма-излучению.
Напротив, на 1-2 порядка пониженную
чувствительность к гамма-излучению имеют камеры деления на основе урана-233,
урана-235 и плутония-239, которые наносятся на внутреннюю поверхность камер.
Камеры используются для работы в активных зонах реакторов.
В сцинтилляционных детекторах для регистрации
нейтронных потоков используются литиевые сцинтилляторы на основе монокристаллов
LiI(Eu) или стекла с литием, с разной степенью обогащения литием-6 (до 90%).
Эффективность регистрации тепловых нейтронов до 80-95% обеспечивается при
толщине сцинтилляторов от 15 до 1-2 мм (тем меньше, чем больше степень
обогащения лития).
Измерение нейтронов с энергией 0.1-10 МэВ
основано, как правило, на регистрации протонов отдачи в водородосодержащих
средах.
Для регистрации быстрых нейтронов при наличии
гамма-фона используются дисперсные сцинтилляторы, представляющие собой
сцинтиллирующий порошок типа ZnS(Ag) или гранулы сцинтиллирующей пластмассы в
водородосодержащем материале - люците, плексигласе, полистироле. В связи с
ограниченной прозрачностью дисперсных сцинтилляторов они выполняются
относительно небольшой толщины (не более 2 мм), при этом эффективность
регистрации быстрых нейтронов обычно не превышает 2%. Сопутствующее
гамма-излучение исключается методом амплитудной селекции выходных сигналов.
Более высокая эффективность регистрации быстрых
нейтронов обеспечивается в органических сцинтилляторах с высоким собственным
содержанием водорода и высокой прозрачностью. К ним относятся стильбен,
антрацен, сцинтиллирующие пластмассы и жидкости. При толщине сцинтиллирующего
материала более 10 мм эффективность регистрации нейтронов превышает 40-50%,
однако, при этом возрастает и эффективность регистрации гамма-квантов.
Энергетическое распределение сигналов регистрации протонов отдачи близко к
равномерному в диапазоне от 0 до максимальной энергии отдачи ядер водорода и не
разделяется по амплитудам от актов регистрации гамма-квантов. Для исключения
влияния гамма-фона используется селекция сигналов по их форме.
В заключение отметим, что широкий энергетический
диапазон нейтронного излучения и разнообразие форм взаимодействия нейтронов с
различными материалами позволили обеспечить большое разнообразие детекторов
нейтронного излучения. Выше в очень краткой форме затронуты только наиболее
характерные их виды.
.8 Радиометры
и дозиметры широкого пользования
В настоящее время имеется большое количество
радиометров и дозиметров различного типа и назначения. Ниже приводятся наиболее
известные из них.
СРП-88Н <file:///I:/На%20печать/pribory.htm>(сцинтилляционный
радиометр) - профессиональный радиометр для поиска и обнаружения источников
фотонного излучения, широко применяется в геологии. Имеет цифровой и стрелочный
индикаторы, возможность установки порога срабатывания звукового сигнализатора.
Блок детектирования выносной. В качестве детектора используется
сцинтилляционный кристалл NaI. Автономный источник питания - 4 элемента Ф-343.
Дозиметр ДБГ-06Т
<file:///I:/На%20печать/pribory.htm> - предназначен для измерения
мощности экспозиционной дозы фотонного излучения. Источник питания -
гальванический элемент типа «Корунд». Диапазон измерения от 0.01 до 99.99 мР/ч
(25 с), от 0.1 до 999.99 мЗв/ч (2.5 с).
Дозиметр ДРГ-01Т1
<file:///I:/На%20печать/pribory.htm>- предназначен для измерения мощности
экспозиционной дозы фотонного излучения. Диапазон измерения от 0.01 до 9.99
мР/ч (25 с), от 0.01 Р/ч до 9.999 Р/ч (2.5 с).
Дозиметр ДБГ-01Н
<file:///I:/На%20печать/pribory.htm>- для обнаружения радиоактивного
загрязнения и оценки с помощью звукового сигнализатора уровня мощности
эквивалентной дозы фотонного излучения. Источник питания - гальванический
элемент типа «Корунд». Диапазон измерения от 0.1 мЗв/ч до 999.9 мЗв/ч.
Радиометр бета-гамма излучения РКС-20.03
«Припять» <file:///I:/На%20печать/pribory.htm> - предназначен для
контроля радиационной обстановки в местах проживания, пребывания и работы.
Радиометр позволяет измерять:
величину внешнего гамма-фона; уровни загрязнения радиоактивными веществами
жилых и общественных помещений, территории, различных поверхностей; суммарное
содержание радиоактивных веществ (без определения изотопного состава) в
продуктах питания и других объектах внешней среды (жидких и сыпучих). Диапазоны
измерений:
мощности экспозиционной дозы гамма-излучения от
0.01 до 20.00 мР/ч;
мощности эквивалентной дозы гамма-излучения от
0.1 до 200.0 мЗв/ч;
плотности потока бета-излучения от 10 до
20.00*103 частиц/мин.см2;
удельной активности от 1*10-7 до 2*10-5 Кюри/кг.
Источник питания - гальванический элемент типа
«Корунд» или внешний источник питания постоянного напряжения от 4.7 до 12 В.
Дозиметр ДРГ-11Т "Рудник"
<file:///I:/На%20печать/pribory.htm> - выполнен во взрыво-безопасном
исполнении и предназначен для измерения мощности экспозиционной дозы
гамма-излучения. Диапазон измерения 0.010 до 9.999 мР/ч. Источник питания -
гальванический элемент типа «Корунд».
9. Описание работы прибора и
отдельных и его блоков
.1 Описание Радиометра
Прибор позволяет проводить
измерение потока гамма-излучения в пределах от 0 до 10000 с и мощности экспозиционной
дозы гамма-излучения в пределах от 0 до 215 пА/кг (от 0 до 3000 мкР/ч).
Диапазон измерения
регестрируемого потока гамма-излучения разбит на следующие диапазоны
от 0 до 100 с
от0 до 300 с
от 0 до 1000 с
от 0 до 3000 с
от 0 до 10000 с
Диапазон измерения мощности
экспозиционной дозы гамма-излучения прибора разбит на следующие поддиапазоны.
от 0 до 2,15 пА/кг (от 0 до 30
мкР/ч)
от 0 до 7,17 пА/кг (от 0 до 100
мкР/ч)
от 0 до 21,5 пА/кг (от 0 до 300
мкР/ч)
От 0 до 71,7 пА/кг (от 0 до
1000 мкР/ч)
От 0 до 215 пА/кг (от 0 до 3000
мкР/ч)
.2 Описание работы
и конструкции блока питания
На чертеже 200101.090020.000Э3
приведена схема электрическая принципиальная блока питания, которой
соответствуют сборочный чертеж 200101.090020.000СБ и печатная плата
200101.090020.001.
При разработке блока питания
были использованы:
конденсаторы К50-16-16ВмкФ
ОЖО464. 111ТУ
диоды КЦ402А
интегральные стабилизаторы
К142ЕН5А, К142ЕН6А.
Предельные эксплуатационные
характеристики К142ЕН5А:
Входное напряжение при Тк =
-45…+100оС 15 В
Минимальное входное напряжение
при Тк = -45…+100оС 7,5 В
Входной ток при Тк = -45…+100оС
3 А
Коэффициент нестабильности по
току при при Т = +25оС, при вх =8,3В не более 1%/А
Температурный коэффициент
напряжения при Uвх=10В, Iвых=10мА
Тк = -45…+100оС, не более
0,02%/С
Коэффициент сглаживания
пульсаций при Uвх=10В, f=1кГц,
Т = +25оС,не менее 60дБ
Рассеиваемая мощность при Тк =
-45…+70оС 10Вт
Тк = +100оС 5Вт
Температура окружающей среды
-45…100оС
Предельные эксплуатационные
характеристики К142ЕН6А:
Входное напряжение при Тк =
-45…+85оС 40 В
Напряжение между входами при Тк
= -45…+85оС 60 В
Выходной ток на каждом выходе
при Тк = -45…+85оС 200мА
Рассеиваемая мощность при Тк =
-45…+70оС .5Вт
Тк = +85оС 2,5Вт
Температура окружающей среды
-45…+85оС
Дрейф напряжения (за 500ч) при
Iвых=0,5А, Тк =1000оС 1%
Коэффициент нестабильности по
напряжению Uвх = 20В, Iвых=10мА, не более:
При Т=+25оС…85оС 0,05%/В
Температурный коэффициент
напряжения при Uвх = 20В, Iвых=10мА,
Т= -45оС…+85оС, не более
0,02%/С
Коэффициент сглаживания
пульсаций при Uвх = 20В, Iвых=10мА......30дБ
Коэффициент нестабильности по
току при Т = +25оС……….0,067%А
9.3 Канал
измерительный
.3.1 Описание
работы канала измерительного
На основании обзора методов
измерения сопротивления была разработана схема электрическая принципиальная
канала измерительного, представленного на чертеже 200101.090050.000Э3.
Контролируемое напряжение усиливается измерительным усилителем и поступает на
устройство выборки-хранения, представляющего собой аналоговую память.
В АЦП аналоговый сигнал
преобразуется в цифровой, затем через интерфейсные схемы сопряжения с АЦП и
системной шиной МПС поступает на системную шину микроЭВМ, в которой происходит
обработка информации.
Измерительный усилитель
выполнен на операционных усилителях D1, D2. Коэффициент усиления определяется
напряжением полной шкалы АЦП и уровнем входного сигнала.
Так как для преобразования
аналогового сигнала в цифровой необходим некоторый конечный интервал времени,
то в течении этого времени сигнал на входе АЦП должен быть постоянным. Для этой
цели используется УВХ, выходной сигнал которого является постоянным в течение
времени, необходимого для преобразования в АЦП аналогового сигнала в цыфровой.
В качестве АЦП используется
функционально завершенный АЦП типа КП1113ПВ1А, совместимый с микропроцессором
КР580ВМ85А. Интерфейс АЦП выполнен в интегральных микросхемах малой и средней
степени интеграции К155 и К554.
Процесс запоминания текущего
напряжения, снимаемого с выхода измерительного усилителя, начинается с подачи
управляющего сигнала уровня логической единицы на базу транзистора VT1. Полевой
транзистор VT3 переходит в проводящее состояние, конденсатор С9 заряжается до
соответствующего значения текущего напряжения, подаваемого на вход УВХ. Когда
значения управляющего напряжения равняется нулю, УВХ переходит в режим
хранения. После этого соответствующим сигналом инициируется начало
преобразования аналогового сигнала в цифровой. При этом на соответствующий
вывод микросхемы АЦП выставляется сигнал, указывающий МП на то, что в настоящее
время осуществляется преобразование сигнала. После завершения преобразования
АЦП выставляет на этот вывод сигнал об окончании преобразования. Далее МП
считывает данные с выхода АЦП и запоминает результат текущего преобразования в
своих внутренних регистрах или в соответствующих ячейках внешней памяти. Затем
процесс аналого-цифрового преобразования повторяется вновь.
В устройстве сопряжения АЦП с
системной шиной МПС используется два порта ввода: один - для восьми младших
разрядов данных, снимаемых с выхода АЦП, другой - для двух старших разрядов
данных и сигнала окончания преобразования. Порты вывода используются совместно
с сигналами одновибратора, выполненного на микросхеме типа К155АГЗ. Порты
вывода выполнены на микросхемах D11, D12. В качестве портов ввода используются
2 интегральные микросхемы КР580ИР82, которые являются 8-разрядными буферными
регистрами с тремя входными состояниями.
Каждому порту ввода-вывода
присвоен соответствующий двоичный адресный код. При появлении на шине адреса
А7-А0 соответствующего адреса устройства дешифрации, адреса вырабатывают
адрес-сигнал выбора порта. Этот сигнал подается на управляющий вход выбранного
порта ввода-вывода. После чего информация передается по шине данных Д7-Д0 в
этот порт или из выбранного порта в МП. При этом операция вывода данных в
адресуемый порт вывода выполняется в следующем порядке:
на ША выставляется адрес
выбранного порта А7-А0;
выставляются данные на ШД
Д7-Д0.
При выполнении операции чтения
данных последовательность выдачи МП соответствующих сигналов изменяется:
на ША выставляется адрес порта
ввода А7-А0;
МП вырабатывает сигнал IOR;
на ШД Д7-Д0 выставляются
данные.
Дешифрирующие устройства
выполнены на интегральных микросхемах малой и средней степени интеграции
К155ЛЛ1 и К155ИД3.
.3.2 Микросхема
К1113ПВ1А
АЦП типа К1113ПВ1А выполняет
функцию 10-разрядного аналого-цифрового преобразования в параллельном двоичном
коде. Микросхема содержит все функциональные узлы АЦП последовательных
приближений, включая источник опорного напряжения, компаратор и тактовый
генератор.
Для эксплуатации микросхемы
необходимы два источника питания и несколько регистров. Выходные каскады с
тремя состояниями позволяют считывать результаты преобразования непосредственно
на ШД МП. По уровням входных и выходных логических сигналов микросхема
сопрягается с цифровыми ЦИС ТТЛ.
Микросхема К1113ПВ1А
изготавливается по биполярной технологии, которая позволяет разместить в одной
БИС большое число цифровых элементов и выполнить аналоговые узлы с высоким
уровнем параметров. Микросхемы К1113ПВ1А выпускаются в 18-выводном корпусе типа
238.18-1. Условное графическое обозначение приведено на рисунке 9.1.
Рисунок 9.1 - Условное
графическое обозначение К1113ПВ1А
По составу внутренней
организации и принципу действия БИС соответствуют АЦП последовательных
приближений, в которых используется ЦАП с суммированием двоично-взвешенных
токов. Выходной ток ЦАП сравнивается с током, протекающим через входной регистр
от источника входного сигнала. Тем самым формируется соответствующий логический
сигнал управления регистром последовательных приближений (РПП). Стабилизация
разрядных токов ЦАП осуществляется от встроенного ИОН на основе стабилитрона со
«скрытой» структурой. Схема ИОН содержит узел компенсации температурных
измерений напряжения стабилизации.
Включение АЦП в режиме работы
по биполярному току осуществляется подсоединением вывода 15 к цифровой земле.
При этом на входе ЦАП задаются ток, равный току СР, но противоположной
полярности. 10-разрядный РПП осуществляет тактирование встроенным ГТИ,
формирующим ТИ частотой 300-400к Гц.
Характеристики АЦП К1113ПВ1А:
время преобразования tс, мкс,
не более 30;
ток потребления Iсc1, мА, не
более 10;
ток потребления Iсc2, мА, не
более 20;
Значения электрических параметров
указаны при Тогр.ср=25±100С, Uсc1=5В±1%, Uсc2=15В±1%,
уровне логических сигналов 0,1
и 0,4 В;
номинальных напряжениях в
конечных точках шкалы:
в режиме униполярного тока 10
В;
в режиме биполярного тока ±5 В.
.3.3 Устройство
выборки-хранения
Задача УВХ состоит в том, чтобы
быстро зарядить конденсатор до значения входного напряжения по заданной команде
и удерживать это входное напряжение на выходе в течение продолжительного
времени. УВХ сохраняет свое выходное аналоговое напряжение постоянным, пока оно
не будет преобразовано в цифровой код с помощью АЦП.
Рисунок 9.2 - устройство
выборки-хранения
На рисунке 9.2 усилитель А1
представляет собой буфер для входного сигнала и, когда ключ, выполненный на
полевом транзисторе с n-p-переходом включен (Т1), отдает зарядный ток в
конденсатор. Усилитель А2 с выходным каскадом на полевых транзисторах служит в
качестве выходного буфера, уменьшающего разрядный ток конденсатора. R1 отделяет
конденсатор от входа усилителя А2 при отключении питания при заряженном
конденсаторе. Транзисторы Т2 и Т3 работают в ключевом режиме. Когда они
включены, напряжение и прикладывается к затвору ПТ с p-n-переходом, а когда
выключены, то затвор через сопротивление R2 присоединяется к напряжению стока (1мОм<R2<10
МОм). При включении Т2 и Т3коллекторное напряжение Т3 близко к (+U) диод Д
оказывается запертым (Т3=+U).
Когда управляющее напряжение
достигает 4,5 В, Т2 и Т3 включаются и затвор ПТ с p-n-переходом присоединяется
к своему стоку через R2. При этом ПТ с p-n-переходом включается, усилитель А1
заряжает конденсатор С доUвх через Т1. Конденсатор С будет заряжаться при
Uвх>0 быстрее, чем при Uвх<0, т.к. в последнем случае конденсатор С может
заряжаться с максимальным током, равным Iном (ток стока при затворе,
соединенным с истоком) транзистора Т1.
Напряжение управления должно
прикладываться в течение достаточно длительного времени для того, чтобы
зарядить конденсатор до полного значения входного напряжения.
Когда напряжение управления
равняется нулю, Т2 и Т3 включены, затвор Т1 запирается. Начинается время
хранения. Uвых будет оставаться на уровне последнего значения Uвх до следующего
периода выборки. Конденсатор при этом медленно теряет напряжение, разряжаясь
через ПТ и свое собственное сопротивление утечки.
Усилители А1 и А2 могут быть
включены единым повторителем напряжения путем охвата их общей цепью обратной
связи в период выборки. Это снижает ошибки сдвига. Если А1 и А2 выполнены в
виде независимых повторителей напряжения, то вся схема может работать на более
высоких частотах.
9.4 Описание работы
и конструкции блока памяти
На чертеже
200101.090030.000Э3приведена схема электрическая принципиальная блока памяти. В
состав блока памяти входят дешифраторы D1,D2,D3, логические схемы средней
степени интеграции D4 и D5, а так же микросхемы запоминающих устройств D6 и D7.
Микросхемы D1- D5 образуют
декодер адреса для выбора микросхемы адреса, необходимой D6 и D7 для выбора
памяти.
.5 Описание работы
и конструкции центрального процессора
Схема центрального процессора
на базе микропроцесора ВМ85А представлена на рисунке 3.8 и чертеже
200101.090010.000Э3.
В состав ЦП входит МП DD1,
регистры КР580Р82 DD2, DD3, шинный формирователь DD4, который является
интерфейсной схемой с помощью которой МП подключается к системной шине.
Вход READY может быть использован для
организации асинхронного доступа к системной магистрали. В ЦП на базе ВМ85А
возможны два варианта построения системной линии подтверждения обмена,
отличающиеся друг от друга уровнем активности. Выходы CLK и RESET применяются в
качестве системных линий CCLK и INIT передачи тактовых импульсов и сигнала
начальной установки соответственно. Возможности выходов схемы ВМ85А по току
составляют IOL = 2мА IOH=400мкА. Зная требования по постоянному току, предъявляемые
к обычным логическим элементам по входу, можно оценить нагрузочную способность
МП ВМ85А.
Системный контроллер, представленный на рисунке
3.9, представляет собой комбинационную схему. На выходах схемы предусмотрены
трехстабильные буферы, управляемые сигналом ОЕ. Этот вход предназначен для
перевода командных линий в высокоомное состояние при захвате магистрали внешним
модулем, когда BUSEN=0. Логика данного типа может быть реализована как на
микросхемах малой степени интеграции, так и на программируемых логических
матрицах (ПЛМ).
9.6 Описание работы
и конструкции блока индикации
На чертеже 200101.09050.000Э3приведена схема
электрическая принципиальная блока индикации.
Блок индикации включает схемы D1 и D2, которые
преобразуют двоично-десятичный код в семисегментный индикатор. На элементе D2
выполнен декодер адреса соответствующего семисегментного индикатора. Для
транзисторов V1-V3 выполнены ключи, которые включают необходимый индикатор.
Индикатор работает в динамическом режиме.
10. Расчетная часть
.1 Расчет блока
питания
Выбираем стабилизаторы КР142ЕН5А и КР142ЕН6А.
Для нормальной работы стабилизатора необходимо,
чтобы на него падало напряжение +3В.
Выпрямитель должен обеспечить на выходе
постоянное напряжение= 8В= 18В= 18В
Переменное напряжение будет равно= 10В= 20В= 20В
При проектировании источников электропитания
желательно использовать готовые унифицированные трансформаторы, выпускаемые
отечественной промышленностью и работающие от сети частотой 50 Гц и 400Гц.
Мощность унифицированных трансформаторов для разных типов составляет от десятых
долей до нескольких сотен вольтампер.
В тех случаях, когда токи и напряжения во
вторичных обмотках или количество обмоток унифицированного трансформатора не
соответствует требуемым значениям, необходимо проектировать и изготовлять
трансформатор, параметры которого соответствуют исходным данным. При этом
исходными величинами для расчета трансформаторов служат напряжение и частота
питающей сети, а также мощности и напряжения вторичных обмоток.
В результате расчета должны быть определены
геометрические размеры сердечника, данные обмоток (число витков, марки и
диаметры проводов), а также эксплуатационные и электрические параметры
трансформатора (к.п.д, ток холостого хода, температура перегрева обмоток).
Определение электромагнитных и электрических
нагрузок
Основными параметрами, определяющими массу,
габаритные размеры и тепловой режим трансформатора, является магнитная индукция
В в сердечнике и плотность тока в его обмотках. Величины B и при одной и той же
мощности трансформатора зависят от частоты сети, предельной температуры
перегрева, величины тока холостого хода и падения напряжения в обмотках,
магнитных характеристик, материала сердечника, а также от соотношения между его
основными геометрическими размерами. Поэтому для каждого ряда магнитопроводов с
изменением частоты питающей сети материала, используемого для изготовления
сердечников, допустимой температуры перегрева или тока холостого хода,
необходимо пользоваться следующими рекомендациями. При частоте питающей сети fc
= 50 Гц можно принять для стали ЭЗ10 толщиной 0,35 мм:= 1,5…1,6 Тл для Рmp =
5…15 ВА;
Если сетевое напряжение может возрастать более,
чем на 5%, то при меньших мощностях необходимо выбирать меньшее значение
Выбор магнитопровода, определение потерь в стали
и тока холостого хода.
Для малых мощностей (от единиц до нескольких
десятков вольт-ампер) при напряжениях, не превышающих 1000В, и частоте сети 50
и 400 Гц следует рекомендовать броневые трансформаторы. При мощностях от
нескольких десятков до нескольких сотен вольт-ампер и частоте 50 Гц и до
нескольких киловольт-ампер (при частоте сети 400 Гц) желательно применять
стержневые трансформаторы.
Трансформаторы с тороидальными ленточными
сердечниками могут использоваться при мощностях от 30 до 300 ВА и частоте 400
Гц лишь в тех случаях, когда требуется минимальное рассеяние магнитного потока
без применения наружных экранов, или тогда, когда требование минимального
объема является первостепенным. Однако тороидальные трансформаторы являются
наименее технологичными.
Выбираем конструкцию броневую конструкцию
магнитопровода.
После выбора конфигурации магнитопровода можно
приступить к определению его основных геометрических размеров. Размеры
магнитопровода выбранной конфигурации, необходимые для получения от трансформатора
заданной мощности, могут быть найдены на основании формулы:
*SOK=
=9,54мм4
(10.1)
В формуле (10.1) обозначены:=50 Гц - частота
сети в Гц;=15 ВА -мощность, отдаваемая в нагрузку, в ВА;=1,6 Тл - магнитная
индукция в Tл;
δ = 3,7А/мм2 - плотность
тока в А/мм2;- коэффициент заполнения окна;коэффициент заполнения сечения
магнитопровода сталью.
Выбираем магнитопровод ШЛ 12×20
а= 12 ммSст акт = 2,1 см2= 30 ммLср ст=10,2 см=
12 ммScm*SOK=8,7 см4= 48 ммVст=21,4 см3= 42 ммYст=165 гр= 20 мм
=
7 ВА
Далее находятся величина полных потерь в стали,
величина намагничивающей мощности и относительное значение тока холостого хода.
Полные потери в стали находятся по формуле
=pcmyq*Ycm=4*0,165=0,66 Вт, (10.2)
где pcmyq - удельные потери на 1 кг стали;масса
магнитопровода, в кг.
Конструктивный расчет обмоток трансформатора.
Конструктивный расчет обмоток состоит в выборе
основания для намотки (гильзы или каркаса), длины намотки, числи витков в слое
ичисла слоев каждой обмотки, а также в выборе междуслоевой и между обмоточной
изоляции.
После выбора конструкции катушки, способом
намотки, выполнения обмоток и выбора изоляции, иеё толщины переходят к
определению осевой длинны обмотки hg по формуле:
=30-2*2-0,5=25,5мм,
(10.3)
где h - высота окна магнитопровода.
Далее находят число витков в одном слое Wс и
число слоев каждой обмоткиN по формулам:
(10.4)
с1 = 27с2 = 43
(10.5)
=4=4
где Ky- коэффициент укладки провода.
Радиальные размеры или толщины обмоток для
каркасной конструкциии концентрического выполнения обмоток для случая прокладки
междуслоевой изоляции через каждый слой определяют по формуле:
Конструктивный расчет обмоток трансформатора.
Конструктивный расчет обмоток состоит в выборе
основания для намотки (гильзы или каркаса), длины намотки, числи витков в слое
ичисла слоев каждой обмотки, а также в выборе междуслоевой и между обмоточной
изоляции.
После выбора конструкции катушки, способом
намотки, выполнения обмоток и выбора изоляции, иеё толщины переходят к
определению осевой длинны обмотки hg по формуле:
=30-2*2-0,5=25,5мм,
(10.6)
где h - высота окна магнитопровода.
Радиальные размеры или толщины обмоток для
каркасной конструкциии концентрического выполнения обмоток для случая прокладки
междуслоевой изоляции через каждый слой определяют по формуле:
(10.7)
Δ1p=6,44
Δ2p=3,04
где Δip- толщина
i - обмотки;- число слоев i - обмотки;
Δi
- толщина
между слоевой изоляции i - обмотки;изол.i - диаметр провода в изоляции i -
обмотки.
Если
же междуслоевая изоляция прокладывается через несколько слоев обмотки, то в
формулу (10.16) вместе Ni-1 необходимо подставить число междуслоевых прокладок.
Далее
находят радиальный размер катушки Δк и определяют расстояния
между катушкой и сердечником магнитопроводаΔ0по формулам:
=11,38мм
(10.8)
Δ0=с-Δк=12-11,38=0,62мм
(10.9)
В
формулах (10.10) и (10.11) обозначены:
С
- ширина окна магнитопровода;
Квып
- коэффициент выпучивания обмотки
Катушка
нормально укладывается в окне магнитопровода.
Таблица
10.1 - Исходные данные расчета надежности.
|
№
|
Название
групп компонентов
|
Кол-во
|
Λx10-6
1/год
|
|
1
|
Ризисторы
непроволочные постоянные 0.125-0.5 Непроволочные переменные
|
16
10
|
0,4
2.5
|
|
2
|
Конденсаторы
керамические электоролитические
|
13
12
|
1.2
2.2
|
|
3
|
Транзисторы
кремнивые
|
5
|
1.7
|
|
4
|
Диоды
|
3
|
|
5
|
Интегральные
микросхемы полупроводниковые
|
49
|
0.01
|
|
№
|
Название
групп компонентов
|
Кол-во
|
Λx10-6
1/год
|
|
6
|
Дроссели
|
6
|
1.0
|
|
7
|
Трансформаторы
питания
|
1
|
3.0
|
|
8
|
Тумблер
|
1
|
1.1
|
|
9
|
Реле
|
2
|
1.7
|
|
10
|
Клеммы
|
2
|
1.0
|
|
11
|
Пайка
на плате
|
910
|
0.01
|
|
12
|
Корпус
прибора
|
1
|
1.0
|
|
13
|
Проводники
и пайки навесные
|
24
|
00.2
|
|
14
|
Плата
|
1
|
0.85
|
Проводим расчет вероятности безотказной работы
устройства, результаты расчетов записываем в таблицу 10.2.
Таблица 10.2 - Результаты расчета надежности
|
№
|
tp
|
-λ
x tp
|
P(tp)
|
|
1
|
0
|
0
|
1
|
|
2
|
1000
|
-0.1114200
|
0.8952
|
|
3
|
2000
|
-0.2228400
|
0.8014
|
|
4
|
4000
|
-0.4456800
|
0.6423
|
|
5
|
6000
|
-0.6685200
|
0.5147
|
|
6
|
8000
|
-0.8913600
|
0.4125
|
|
7
|
10000
|
-1.1142000
|
0.3306
|
По результатам расчетов строим график
зависимости вероятности безотказной работы устройства от времени
:
Рисунок 10.1 - График зависимости вероятности
безотказной работы устройства от времени
.3 Расчёт устройства
выборки-хранения
Задача схемы выборки - хранения состоит в
быстром заряде конденсатора до значения входного напряжения по поданной команде
и удерживании этого входного напряжения на выходе в течение продолжительного
времени. Схемы выборки-хранения используются широко в системах сбора данных в
промышленных цифровых системах управления, цифровых системах связи. Схема
выборки - хранения сохраняет выходное аналоговое напряжение постоянным, пока
оно не будет преобразовано в цифровой код с помощью аналого-цифрового
преобразователя. Имеется много вариантов схем выборки и хранения,
обеспечивающих различные быстродействие и точность. Схема, приведенная на
рисунке 10.2, отличается умеренной точностью, но хорошим быстродействием.
Рисунок 10.2 - Устройство выборки-хранения
Рассчитаем компоненты схемы рисунка 10.1.
Входное напряжение ±U = ±15 В, У1 и У2 типа
554УД2. Транзисторы Т2 и ТЗ имеют следующие данные:=40 В, h21 Э мин=40, UKЭ нас
=0,5 В, UБЭ нас = 0,7 В.
Данные полевого транзистора:ЗИ макс =30 В, Iси
нас =20 мА, Iзи нас =50 пА, Iс выкл = 40 пА. Выходной ток 554УД2 в лучшем
случае составит 20 мА, гcи вкл = 100 Ом. Максимальное время хранения должно
быть 10 мс с погрешностью 0.1%
С=ICTХРАН/∆UХРАН (10.8)=Icm.y2+IcвыклTl, (10.9)= 200пА+ 40 пА.
∆UХРАН = 0,1% Ubx. макс, (10.10)
∆UХРАН = 0,1% (10 В) =0,01 В
С = (240 пА * 10 мс)/0,01 В = 240пФ
Так как могут иметь место и другие, неучтенные
пути утечки, утроим полученную величину емкости и используем серберяно-слюдяной
конденсатор. Конденсатор такого типа нетрудно приобрести. Положим С = 750 пФ.
Время выборки будет равно наибольшей величине
выбор = 2Свх/Iвых. У1, (10.11)выбор =10С9(Rвых.
У1 + rСИ вкл.T1), (10.12)выбор=2UВХ/VУ1. (10.13)
Так как Uвых может изменяться от +Ubx до -Ubx,.
товыбор > = 750 пФ(20 В)/20 мА = 7,5 мкс,выбор > =10(750 пФ) 100 Ом =
0,75 мкс,выбор > =20 В/мкс) = 1,54 мкс.
Поэтому tвыбор должно быть больше 7,5 мкс.
Остальная часть вычислений касается
непосредственно расчетов ключевого транзистора. Положим
= 1 МОм, IKT2 = IKT3 = 1 мА, (10.14)= [2 (+ V) -
UKЭ нас Т2]/1 КТ2= 29,5 В/1 мА = 29,5 кОм, (10.15) = (+ U - UБЭ нас Т2 - UKЭ
нас Т3)/(IКТ 2/h21 Э мин Т2) = 560 кОм, (10.16)= (+U-UKЭ нас Т3)/Iктз= 14,5 В/1
мА= 14,5 кОм, (10.17)= (Uynp - UBЭ нас Тз)/(IКТ з/h21 Э мин ТЗ), (10.18)=(5В-
0,7В)/(1 мА/40) = 172 кОм.
11. Экономическое обоснование
прибора для измерения ионизирующего излучения в форме бизнес плана
.1 Бизнес-план на прибор для
измерения ионизирующего излучения
Структура бизнес-плана:
. Резюме
. Характеристика объекта бизнеса
. Исследование и анализ рынка
. План маркетинговых действий
. Производственный план
. Финансовый план
. Потенциальные риски
Резюме
В данном проекте предлагается анализ разработки
и реализации прибора для измерения ионизирующих излучений, который по своим
характеристикам намного превосходит все имеющиеся.
Целью проекта является получение прибыли за счет
производства и реализации прибора для измерения ионизирующих излучений, на
который имеется достаточно высокий уровень спроса. В рассматриваемом
бизнес-плане описывается разработанная стратегия, позволяющая получить прибыль
от реализации приборов.
Прибора для измерения ионизирующих излучений
относят к электронным устройствам, основное назначение которых заключается в
обеспечении процесса взаимодействия потока ионизирующего излучения с физической
средой детектора излучения, и в преобразовании актов взаимодействия в
электрические сигналы, которые могут быть зарегистрированы соответствующей
измерительной аппаратурой. В комплекте с измерительными блоками датчики
образуют приборы для измерения ионизирующих излучений (спектрометры,
радиометры, дозиметры и пр.)..
Проведенные предприятием маркетинговые
исследования по предлагаемой продукции свидетельствуют о существовании спроса
на выпускаемую продукцию. Потенциальными потребителями являются предприятия
всех форм собственности.
Необходимые капитальные вложения для организации
производства прибора составляют 50 660 руб. Расчеты показывают, что погашение
капитало вложений возможно во втором полугодии 2012 года. Далее начинается
капитализация прибыли и к концу расчетного периода составит 182 483 руб.
Источником возврата капитало вложений является денежная прибыль.
Объем безубыточности производства и реализации
составляет 400 756 руб. в 2014 году при объеме продаж 623 599 руб. Коэффициент
запаса финансовой прочности равен 35,7%, при рекомендуемой нижней границе -
30%.
Проект является эффективным, поскольку обладает
достаточным запасом финансовой прочности.
.2 Характеристика объекта бизнеса
В дипломном проекте предлагается разработка
конструкторской документации для эксплуатации прибора для измерения ионизирующего
излучения предназначенного для косвенных измерений радиоактивности материальных
ресурсов (металл, пластмасса, резина, дерево, строительные материалы, различные
отходы и др.) по фотонному излучению.
Преимуществами данного прибора заключается в
увеличении точности, за счет установки электроннго дисплея. Он даюет
возможность оперативно и быстро отображать уровень загрязнения по
гамма-излучению материальных ресурсов и воздушной среды.
11.3 Исследование и анализ рынка
Проведенные предприятием маркетинговые исследования
по предлагаемой продукции свидетельствуют о существовании спроса на выпускаемую
продукцию.
Потенциальными потребителями являются
предприятия всех форм собственности. Основываясь на оценке преимуществ объекта
бизнеса, оценим возможный объем продаж в натуральном выражении.
Проведена ориентировочная сегментация
потребителей, которая представлена в таблице 11.1.
Таблица 11.1 - Сегментация потенциальных
потребителей
|
Сегменты
рынка
|
Планируемые
объемы продаж по годам
|
|
2012
г.
|
2013
г.
|
2014
г.
|
|
1
кв
|
2
кв
|
3
кв
|
4
кв
|
1
п/г
|
2
п/г
|
|
|
Предприятия
и физические лица: г.Ростов-на -Дону г. Майкоп г. Краснодар
|
11
10 9
|
15
11 14
|
18
14 13
|
28
10 12
|
50
23 27
|
55
28 37
|
110
60 80
|
|
Итого:
|
30
|
40
|
45
|
50
|
100
|
120
|
250
|
11.4 План маркетинговых действий
План маркетинговых действий осуществляется по
комплексу инженерного маркетинга.
Под комплексом инженерного маркетинга понимается
совокупность маркетинговых инструментов, с которыми можно выходить на целевой
рынок.
Потребитель - крупные и средние
приборостроительные и машиностроительные предприятия
Радиометр- прибор для измерения ионизирующего
излучения. Радиометр - стандартного типа, который предлагается самым разным
потребителям.
Прогрессивные технологии изготовления данного
прибора
Инженерные решения способствуют уменьшению времени
производственного цикла, и, как результат, сокращению затрат на производство
прибора, что. В конечном итоге, приводит к возможности установления меньшей
цены. . Предполагается продвижение конструкторской и технологической
документации на сайте ДГТУ в части интеллектуальной продукции на рынке
научно-технических нововведений.. В перспективе создание своего сайта с целью
повышения объемов продаж.
Предусматривается (при этом цена определяется на
основе издержек):
использование гибких цен в зависимости от модификации;
постепенное снижение цены за счет
совершенствования электронных узлов;relations
Разработчик и предприятие-производитель сможет
повысить свой имидж благодаря производству конкурентоспособного востребованного
прибора.
11.5 Производственный план
В данном разделе рассматривается процесс
изготовления, включающий в себя следующие этапы: - сборка механических
элементов;- сборка электронных элементов; - отладка; - проверка
работоспособности, устранение неисправностей; - выпуск руководства по эксплуатации;
- изготовление упаковки; - упаковка.
Закупка комплектующих для производства будет
производиться в фирмах, занимающихся оптовой торговлей деталей.
Потребность в комплектующих и материалах в
расчете на один экземпляр приведена в таблице 11.2. Потребность в персонале и
оплате труда приведена в таблице 11.3. Калькуляция на изготовление приведена в
таблице 11.4.
Таблица 11.2 - Потребность в комплектующих и
материалах
|
Наименование
|
Цена
за единицу, руб
|
Количество
|
Сумма,
руб.
|
|
корпус
|
50
|
1
|
50
|
|
гайка
|
2
|
10
|
20
|
|
кольцо
|
5
|
10
|
50
|
|
винт
|
2
|
10
|
20
|
|
шайба
|
2
|
10
|
20
|
|
Итого:
|
|
|
160
|
Таблица 11.3- Потребность в персонале и оплате
труда
|
Категория
персонала
|
Численность,
чел
|
Оплата
труда за 1ч, руб
|
Необходимое
время на выпуск, ч
|
Суммарная
заработная плата, руб.
|
|
Сборщик
|
1
|
120
|
0,5
|
60
|
|
Инженер
|
1
|
220
|
0.5
|
110
|
|
Электрик
|
1
|
160
|
1
|
160
|
|
Итого
|
|
|
|
330
|
Таблица 11.4- Калькуляция на изготовление
Прибора
|
Статьи
затрат
|
Ед.изм.
|
Сумма,
руб.
|
|
1.Сырье
и основные материалы (Мо)
|
руб.
|
160
|
|
2.Основная
заработная плата (Зо)
|
руб.
|
330
|
|
3.Дополнительная
заработная плата (Д) (25% от Зо)
|
руб.
|
83
|
|
4.Страховые
взносы в государственные внебюджетные фонды (СВ) (34% от Зо+Д)
|
руб.
|
112
|
|
Статьи
затрат
|
Ед.изм.
|
Сумма,
руб.
|
|
5.Общепроизводственные
расходы (Опр) (200% от Зо)
|
руб.
|
660
|
|
6.Общехозяйственные
расходы (Охр) (300% от Зо)
|
руб.
|
495
|
|
7.Комерческие
расходы
|
руб.
|
8
|
|
Итого:
полная себестоимость (Сп)
|
руб.
|
1848
|
|
Прибыль
на единицу
|
руб.
|
647
|
|
Оптовая
цена
|
руб.
|
2494
|
Для определения оптовой цены рассчитывается
плановая прибыль. Предположим, что будет обеспечена рентабельность Р=35%, тогда
исходя из формулы (11.1):
Р=(Пр/Сп)*100%, (11.1)
прибыль составит:
Пр=(Сп*Р)/100=(1848*35)/100= 647руб. (11.2)
Оптовая цена датчика определяется по формуле:
Цо=Сп+Пр, (11.3)
Цо=1848 + 647= 2 494 руб.
Свободная отпускная цена (цена продажи)
определяется по формуое:
Цпр=Цо+НДС, (11.4)
где НДС - налог на добавленную стоимость,
НДС=18% от Цо.
Цпр=2494 + 2494*0,18 = 2944 руб.
Необходимо учитывать проведение маркетингового
исследования и дополнительных потребностей в материальных затратах для запуска
производства. Общая потребность в инвестициях определяется в таблице 11.5.
Объем продаж определим по формуле:
прi=Цо*Ni, (11.5)
гдеЦо=2494 руб.- оптовая цена;- объем продажи по
периодам, шт (таблица).
Таблица 11.5 - Затраты на производство и
реализацию в калькуляционном разрезе
|
Статьи
затрат
|
2012г.
|
2013г.
|
2014г.
|
|
1
кв.
|
2кв
|
3кв.
|
4кв
|
1
п\г.
|
2
п\г.
|
год
|
|
Объем
продаж, шт.
|
74832
|
99776
|
112248
|
124720
|
249440
|
299327
|
623599
|
|
Материальные
затраты МО, тыс. руб.
|
4800
|
6400
|
7200
|
8000
|
16000
|
19200
|
40000
|
|
Основная
заработная плата ЗО, тыс. руб.
|
9900
|
13200
|
14850
|
16500
|
33000
|
39600
|
82500
|
Таблица 11.6 - Потребность в капиталовложениях
|
Направления
капиталовложений
|
2012
|
2013
|
2014
|
|
1
кв
|
2
кв
|
3
кв
|
4
кв
|
1
п/г
|
2
п/г
|
|
|
Общая
потребность в капиталовложениях, в том числе:
|
50660
|
|
|
|
|
|
|
|
Затраты
на НИОКР (2% от Qпр)
|
1497
|
|
|
|
|
|
|
|
Технологическая
подготовка производства (3% от Qпр)
|
2245
|
|
|
|
|
|
|
|
Потребность
в пополнении оборотных средств (15% от М)
|
720
|
960
|
1080
|
1200
|
2400
|
2880
|
6000
|
|
Направления
капиталовложений
|
2012
|
2013
|
2014
|
|
1
кв
|
2
кв
|
3
кв
|
4
кв
|
1
п/г
|
2
п/г
|
|
|
Затраты
на маркетинг (2% от Qпр)
|
1497
|
1996
|
2245
|
2494
|
4989
|
5987
|
12472
|
|
|
|
|
|
|
|
|
|
|
|
11.6 Потенциальные риски
В связи со средним масштабом и особенностями
производства радиометра (небольшое количество персонала и др.) влияние рисков
на успех бизнеса сведено к минимуму.
Производственные:
при необходимости замены персонала возможен
быстрый набор высококвалифицированных специалистов в связи с высокой оплатой
труда и наличием на рынке квалифицированных специалистов.
Коммерческие риски связаны с реализацией
продукции на товарном рынке (уменьшение размеров и емкости рынков, снижение
платежеспособного спроса, появление новых конкурентов и т.п.)
Мерами снижения коммерческих рисков могут быть:
систематическое изучение конъюнктуры рынка;
создание дилерской сети;
соответствующая ценовая политика;
образование сети сервисного обслуживания;
реклама и т.д.
Финансовые риски вызываются инфляционными
процессами, всевозможными неплатежами, колебаниями валютных курсов и пр. Они
могут быть снижены благодаря созданию системы эффективного финансового менеджмента
на предприятии, работе с дилерами на условиях предоплаты и т.д.
Риски, связанные с форс-мажорными
обстоятельствами - это риски, обусловленные непредвиденными обстоятельствами
(от смены политического курса страны до забастовок и землетрясений). Мерой по
их снижению служит работа предприятия с достаточным запасом финансовой прочности.
Вероятность каждого типа рисков и убытки,
вызываемые ими, различны, поэтому необходимо их прогнозировать. Для снижения
рисков должно быть предусмотрено страхование деятельности в соответствии с
действующими в Российской Федерации системами коммерческого страхования.
.7 Финансовый план
В финансовом плане определяются доходы и
затраты, возможность погашения капитальных вложений и условия безубыточности.
Определяем доходы и затраты по выпуску продукции.
Предполагаемые доходы от продаж определяется по
формуле:
пр=Цо*N, (11.6)
где N - объем продаж по периодам, шт.;
Цо - оптовая цена.
Планируемые доходы и затраты приведены в
таблице.
В таблице 11.7 рассчитывается возможность
погашения капитальных вложений.
Таблица 11.7 - Доходы и затраты
|
Показатель
|
2012г.
|
2013г.
|
2014г
|
|
1
кв
|
2
кв
|
3
кв
|
4
кв
|
1
п/г
|
2
п/г
|
|
|
Объем
продаж Qпр
|
74832
|
99776
|
112248
|
124720
|
249440
|
299327
|
623599
|
|
Себестоимость
выпускапродукции (N=Cп*N)
|
55431
|
73908
|
83147
|
92385
|
184770
|
221724
|
461925
|
|
Прибыль
от реализации (Qпр-N)
|
19401
|
25868
|
29101
|
32335
|
64670
|
77603
|
161674
|
|
Налог
на прибыль (20% от строки3)
|
3880
|
5174
|
5820
|
6467
|
12934
|
15521
|
32335
|
|
Чистая
прибыль (строка 3-строка 4)
|
15521
|
20694
|
23281
|
25868
|
51736
|
62083
|
129339
|
|
Планируемый
выпуск продукции
|
30
|
40
|
45
|
50
|
100
|
120
|
250
|
Таблица 11.8 - Расчет возможности погашения
капиталовложений
|
Показатели
|
2012г.
|
2013г.
|
2014г
|
|
1
кв
|
2
кв
|
3
кв
|
4
кв
|
1
п/г
|
2
п/г
|
|
|
Сумма
капиталовложений
|
50660
|
|
|
|
|
|
|
|
Ожидаемая
чистая прибыль
|
15521
|
20694
|
23281
|
25868
|
51736
|
62083
|
129339
|
|
Дисконтированная
чистая прибыль (строка2/(1+К'))
|
14780
|
18811
|
20243
|
21556
|
39795
|
43110
|
74848
|
|
Непогашенный
остаток кредита на конц периода
|
35880
|
17069
|
0
|
0
|
0
|
0
|
0
|
|
Остаток
чистой прибыли на конец периода
|
0
|
0
|
3174
|
24729
|
64525
|
107635
|
182483
|
Расчеты показывают, что погашение кредита
возможно в 2012 году. Далее осуществляется капитализация прибыли. Срок возврата
кпиталовложений - 6 месяцев.
11.8 Расчет объема безубыточности
Объемом безубыточности производства является
объем продаж, при котором предприятие уже не несет убытков, но еще не имеет
прибыли (принимается объем производства равным объему продаж).
Для определения объема безубыточности все
затраты на производство продукции разделяются на переменные и постоянные.
Переменные затраты прямо пропорциональны объему производства, постоянные
затраты практически не зависят от объема производства.
Переменные затраты (V) определяют прямым счетом
на единицу продукции, к ним условно можно отнести: материальные затраты;
заработную плату, единый социальный налог.
Постоянные затраты (W) определяют в целом на
объем выпуска продукции за расчетный период, а при калькулировании
себестоимости единицы продукции эти затраты распределяются на объем
производственной продукции. К постоянным затратам условно отнесем
общепроизводственные, общехозяйственные, общезаводские и внепроизводственные
расходы.
Расчеты объема безубыточности проводится по
таблице 8.8.
Таблица 11.9 - Расчет безубыточности
|
Показатели
|
Ед.
изм.
|
Период
2014г.
|
|
Объем
продаж Qпр (табл. строка 1)
|
руб
|
623599
|
|
Условно-постоянные
расходы (W)
|
руб
|
290750
|
|
Условно-переменные
расходы на ед. (V)
|
руб
|
684,70
|
|
Удельный
вес Условно-переменных расходов (V) в объеме продаж (Кпер)
|
%
|
0,27
|
|
Объем
безубыточности (Qб/уб)
|
руб
|
400756
|
|
Запас
финансовой прочности (ЗФП= Qпр- Qб/уб)
|
руб
|
222843
|
|
Коэффициент
запаса финансовой прочности, Кзфп
|
%
|
35,7
|
Определим условно-постоянные расходы (W):
=N*(Опр+Общ+Впр),(11.7)
где Опр - общепроизводственные расходы;
Общ - общехозяйственные расходы;
Впр - внепроизводственные расходы; =250 штук -
объем продаж в 2014 году.
Определим удельный вес условно-переменных
расходов (V) в объеме продаж - Кпер.
Определим условно-переменные расходы (V):
=N*(М+Зо+Д+СВ), (11.8)
где М - затраты на основной материал;
Зо - основная заработная плата;
Д - дополнительная заработная плата;
СВ - страховые взносы в государственные
внебюджетные фонды; = штук - объем продаж в 2014 году.
. (11.9)
Объем продаж в точке безубыточности определяется
расчетом по следующей формуле:б/уб=
.
(11.10)
Запас финансовой прочности:
ЗФП=Qпр-Qб/уб= 623599 - 400756 = 222 843 руб.
(11.11)
Коэффициент запаса финансовой прочности Кзфп
определяется отношением величины запаса финансовой прочности к объему продаж.
Он характеризует степень финансовой устойчивости, рекомендуемая нижняя граница
- 30% к объему продаж. Предприятие считается финансовоустойчивым при Кзфп≥30%.
Кзфп =
.(11.12)
Данный расчет иллюстрируется построением графика
безубыточности 11.3.
Рисунок 11.3 - График безубыточности проекта
Слева от точки критического объема продаж
находится область убытков. Справа от точки критического объема при любом объеме
продаж получается прибыль.
Объем безубыточности производства и реализации
составляет 400 756 руб. в 2014 году при объеме продаж 623 599 руб. Коэффициент
запаса финансовой прочности равен 35,7%, при рекомендуемой нижней границе -
30%.
Проект является эффективным, поскольку обладает
достаточным запасом финансовой прочности.
12. Безопасность и экологичность
проекта
.1 Анализ "Рентгеновского
излучателя для смотровой техники" на соответствие систем стандартов
безопасности труда СССБП и экологичности
Источниками ионизирующих излучений в
приборостроении могут быть радиационные дефектоскопы, плобиомеры, радиотопные
термоэлектрические генераторы, установки рентгеноструктурного анализа, а также
высоковольтные электровакуумные установки и приборы: радиометры, дозаторы и
т.п.
К ионизирующим излучениям относятся
рентгеновское излучение (совокупность тормозного и характерического излучений,
диапазон энергии фотонов которых составляет 1-1000 кэВ).
Биологическое действие ионизирующего излучения -
это совокупность процессов в живом организме, возникающих под действием
излучений излучений.В результате облучения в живой ткани поглощается энергия и
происходит ионизация молекул облучаемого вещества.
Ионизация живых тканей сопровождается
воздействием молекул клеток, что ведет к разрыву молекулярных связей и к
изменению химической структуры различных соединений. Так как основную часть
массы тела человека составляет вода (75%), то первичные процессы во многом
определяются поглощением излучения водой клеток, ионизацией молекул воды с
образованием высокоактивных в химическом отношении свободных радикалов типа ОН
и Н+ и последующими цепными каталитическими реакциями в основном окислением
этими радикалами молекулбелка. В клетках происходит функциональные изменения.
Одним из отрицательных свойств ионизирующей
радиации является суммарное действие на организм, особенно при попадании в
организм радиоактивных веществ и отложение их в определенных тканях и органах.
Под их влиянием происходит перерождение нормальных клеток в злокачественные,
возникает литкемия и лучевая болезнь
В основе нормативных требований к защите
персонала и населения от ионизирующих излучений положены три принципа
радиационной безопасности: не превышение установленного дозового предела,
исключение необоснованного облучения, снижения дозы облучения до низкого
уровня, с учетом экологических и социальных аспектов.
При работе с установками, не использующими
рентгеновское излучение согласно НРБ-99 и Гигиенических нормативов ГН
2.6.1.054-96 и СП 2.6.1.758-99 формируемыми параметрами являются: доза
эквивалентная и эффективная. Единица измерения Зиверт (Зв)
Таблица 12.1
|
Нормируемые
величины
|
Дозовые
пределы
|
|
Лица
персонала
|
Лица
из населения
|
|
Эффективная
доза
|
20
м/Зв в год в среднем за любые 5 лет, но не более 50 м/Зв
|
1
м/Зв в год в среднем за любые 5 лет
|
|
Эквивалентная
доза за год В хрусталике Коже Костях и суставах
|
15
м/Зв 500 м/Зв 500 м/Зв
|
150
м/Зв 50 м/Зв 50 м/Зв
|
Лица, работающие с рентгеновскими излучателями
не относятся к категории лиц, профессионально связанных с использованием в
работе источников ионизирующего излучения.
Эквивалентная доза служащих при использование
приборов с рентгеновским излучением не должна превышать 0.5 Бэр в год.
Для контроля за уровнем ионизирующего излучения
необходимо устанавливать радиационные дозиметры и сигнализаторы опасности.
Мощность экспозиционный дозы излучения на вновь
разрабатываемых рентгеновских приборах контроля не должна превышать 0.3 мР/ч на
расстоянии 1 метр от поверхности блока прибора с источником и 10 мР/ч в плотную
к поверхности блока с источниками.
При работе с установками использующими
рентгеновское излучение контролируется мощность излучения на рабочих местах и
опорных стенок, пультов, флуоресцирующих экранов со стороны рабочий мест
персонала, на расстоянии 5 см от корпуса аппарата, у видеоконтрольного
устройства системы на стороне, обращенной к оператору. Для установок, в которых
рентгеновское излучение является побочным фактором, контролируется мощность в
любой точке пространства, на расстоянии 5 см от корпуса установки ( защита
электровакуумного прибора).
К основным методам защиты относятся:
использование источников с минимально возможным выходом рентгеновского
излучения (защита количеством); ограничение времени работ с источниками (
защита временем) и удаление рабочего места от источника (защита расстоянием), а
также экранирование источника.
Если источником излучения является рентгеновская
трубка, для характеристики поля излучения пользуются понятием лучевая отдача
трубки. Лучевая отдача стандартной рентгеновской трубки зависит от
максимального напряжения на ней.
К= 2.5·1.2·0.3· =0.1125
По монограмме (δ) толщина
защиты экрана из свинца от рентгеновского излучения при напряжении 250 кВ
обеспечивает δ = 6 мм при 36 часовой
рабочей неделе.
Общими инженерно - психологическими требованиями
к системе "человек-машина-среда" являются обеспечение надежности,
точности, быстродействия системы в целом, оптимальные условия для оператора,
высокой работоспособности.
При работе с рентгеновским излучателем следует
выполнять принципы удобства управлением - размещение органов управления требует
экономии движений и времени, а главное условие - безопасность оператора и
обеспечение защиты от рентгеновского излучения. Источник ионизирующего
излучения - объект, содержащий радиоактивный материал или техническое
устройство, испускающие или способное в определенных условиях испускать
ионизирующее излучение. Радиоактивное загрязнение - наличие или распространение
радиоактивных веществ сверх их естественного содержания на поверхностях и в объемах,
в теле человека, в производственной обстановке и в ОС.
Источником рентгеновского излучения может
служить любой рентгеновский аппарат с питающим напряжением на трубке до 200кВ.
Центральная ось рабочего пучка должна находиться
на расстоянии 150 см от пола, стен, потолка и посторонних предметом.
При использовании приборов рентгеновским
излучателем предпочтительно их направлять при контроле к земле или в сторону,
где отсутствуют люди. Необходимо максимально удалять источники от персонала и
ограничивать время пребывания людей в близи источников, создавать передвижные
ограждения и защитные экраны, вывешивать предупреждающие знаки радиационной
опасности.
При работе с закрытыми источниками с
термаэквивалентом более 400 мГр· м²/с
( 200 мг экв Ra) следует использовать специальные устройства с дистанционным
управлением. Все радиоактивные источники излучения в нерабочем положении должны
находится в защитных контейнерах, нерадиоактивные источники необходимо
обесточивать.
Если рентгеновские излучатели используются в помещениях,
то они должны быть оборудованы системами блокировки и сигнализации о положении
облучателя и превышении мощности дозы необходимо разрабатывать мероприятия по
действию персонала в случае аварии - разгерметизация источника.
Организация труда и рабочих мест операторов-
контролеров имеет большое значение и должна обеспечивать безопасность,
уменьшение тяжести и напряженности труда в процессе эксплуатации прибора,
монтажа, наладки, ремонта, учитывать антропометрические, физиологические,
психофизиологические возможности. Организация рабочего места предусматривает
выполнение работы в удобное позе, свободу движений, необходимый обзор зоны
наблюдения.
Расположении экрана должно обеспечивать удобство
визуального контроля путем размещения в вертикальной плоскости под углом 30º
от
нормальной линии взгляда оператора.
Мощность дозы рентгеновского излучения в любой
точке перед экраном трубки на расстоянии 5 см от поверхности экрана не должны
превышать 100 мк Р/ч
Гигиенические требования к экрану (НРБ-99, СП
2.6.1.758-99)
Яркость изображения на экране одноцветного
дисплея должна быть не менее 100 Кд/м²
- Наблюдаемое изображение не должно иметь
мельканий.
Для исключения бликов и отражений на экране
применяются защитные средства (антибликовые покрытия)
Контраст изображения на экране должен быть не
менее 3:1
Если рентгеновский излучатель используют в
помещениях, то освещенность рабочих мест в горизонтальной плоскости на уровне
0.8 м от пола должна быть не менее 400 лк, вертикальная плоскость экрана не
более 300 лк.
Требования к освещению установлены СИИП23-05-95
"Естественное и искусственное освещение".
Оптимальные микроклиматические условия
установлены по критериям оптимального теплового и функционального состояния
человека. Они обеспечивают общее и локальное ощущение теплового комфорта в
течении 8 часовой рабочей смене, не вызывают отклонений в состоянии здоровья,
создают предпосылки для высокого уровня работоспособности.
Оптимальные величины показателей
микроклиматасогласно Сан ПиН 2.2.4.458-96 - Гигиенические требования к
микроклимату производственных помещений необходимо соблюдать на рабочих местах
операторского типа, связанных с нервно эмоциональным напряжением (на постах
контроля, пультах управления и т.п.).
Таблица 12.2
|
Период
года
|
Категория
работ по уровню энергозатрат Вт
|
Температура
воздуха С0
|
Температура
поверхности С0
|
Относительная
влажность воздуха %
|
Скорость
движения воздуха м/с
|
|
Холодный
<+10 С0
|
1а
(до 139) 1б (140-174) 2а(175-232)
|
22-24
21-23 19-21
|
21-25
20-24 18-22
|
60-40
60-40 60-40
|
0,1
0,1 0,2
|
|
Теплый
>+ 10 С0
|
1а
(до 139) 1б (140-174) 2а(175-232)
|
23-25
22-24 22-22
|
22-26
21-25 19-23
|
60-40
60-40 60-40
|
0,1
0,1 0,2
|
Электробезопасность при работе рентгеновского
излучателя должна соответствовать ГОСТ 12.1.038-82
Таблица 12.3 - Предельно допустимые уровни напряжения
и тока
|
Род
тока
|
Нормируемая
величина
|
Предельно
допустимые уровни при продолжительности действия тока в Сек
|
|
|
00,1-0,1
0,2 0,3 0,4 0,5 0,6 0,7 0,8 0,9 10 00,8 1,0
|
|
Переменный
50 ГЦ
|
И,В
|
650
500 520 165 125 100 85 70 65 55 50 36
|
|
У,мА
|
-
- - - - - - - - - - 6
|
|
И,В
У,мА
|
650
500 400 350 300 250 240 230 220 210 200 40 - - - - - - - - - - - 15
|
12.2 Расчет защитного заземления
стационарного измерителя рентгеновского излучения
Согласно ГОСТ 12.1.030-81 защитное заземление
должно обеспечивать защиту людей от поражения электрическим током при
прикосновении к металлическим частям, которые могут оказаться под напряжением в
результате повреждения изоляции.
Исходные данные:
Линейной напряжение в сети Ʋл= 6 кВ
Длина верхних стержней L=2.5 м, диаметр d=0,06м
Длина воздушных линий Lв= 20 км
Ждлина кабельных линий Lк= 60 км
Удельное сопротивление грунта ρ=
100 Омм
Расстояние между вертикальными стержнями Ln=2.5
м
Заглубление заземлителя ɧ= 0.5 м
Расчетный ток замыкания со стороны подстанции
6000В=Ʋл[35·(Lk+LB)] / 350; Y3=6·[35·(60+20)] / 350= 36,3 А (12.2)
Сопротивление заземляющего устройства
нейтрального трансформатора на стороне 380 В= = = 3,44Ом (12.3)
Величина допустимого сопротивления заземления
[R]доп= 4 Ом
Удельное сопротивление грунта 100 Ом
Сопротивление одиночного вертикального
заземлителя
= 0, 366 [Lq + Lq()] ом (12.4)
=0,366 (Lq + Lq ()]=30,95 Ом (12.5)
Сопротивление горизонтальной полосы заземлителя
=0,366 Lq, OМ (12.6)
где:b - расстояние от поверхности земли до
заземлителя- расстояние от поверхности земли до горизонтальной оси=0,366 Lq =
60 OM (12.7)
Количество заземлителей n, приняв коэффицент
использования N₃=0,6 стержневых
заземлителей= шт (12.8)= = 13 шт (12.9)
Суммарное сопротивление (горизонтального
полосового и вертикального стержнев) заземлителя.общ = = 3,4 OM (12.10)заз.общ
= 3,4 ОМ < [R]доп = 4 Ом (12.11)
Следовательно обеспечена защита персонала от
случайного прикосновения к металлическим частям оборудования, которое случайно
может оказаться под напряжением.
.3 Расчет освещения контрольно -
пропускного пункта
Благоприятные условия зрительной работы
исключают быстрое утомление зрения, и возможность возникновения несчастных
случаев способствуют повышению производительности и качества труда.
Освещенность на рабочем месте должна отвечать
требованиям нормам СНиП 23.05-95, согласно которым при выполнении зрительной
работы малой точности 5 разряда "а", составляет 300 лк, так как
наименьший размер объекта различения составляет 0т 0,1 до 5 мм.
Помещение контрольно пропускного имеет размеры:
длину - 12м, ширину - 8м, высоту 4м, потолок и стены побелены. Напряжение сети
- 220 В.
Расчет производителя методом коэффициента
использования светового потока.
Для освещения выбираем светильники ПВЛ в
пылезащитном исполнении. В качестве источников света используются
молинесцентные лампы типа ЛБ.
Расчетная длина подвеса светильника над
освещаемой поверхностью = 4-0,62-0,9=2,5 м (12.12)
Расстояние между светильниками
L=λ·h (12.13)
λ - параметрический
коэффициент, равный 1,0=1·2,5=2,5 м. Расстояние от стен до ближайшего
светильника=0,3·L; l= 0,3·2,5=0,75 м (12.14)
Требуемое число светильников: по длине Na, по
ширине Nb
Na=A/L (12.15)= 12/2,5=5 (12.16)
= B/L (12.17)
Nb=8/2,5= 3 (12.17)
Общее число светильников= Na· Nb=3·5=15 шт
(12.18)
Число ламп в 15 светильниках по две лапы=30 шт
Индекс помещения
ί = (12.19)
ί = (12·8) / 2,5 (12+8) = 1,92
(12.20)
Коэффициент отражения потолка, стен и рабочих
поверхностей
ρn=70%, ρс=
50%, ρр
= 10%; η
= 0,56 при
i = 2 (12.21)
Световой поток
Фл = лм (12.22)
Фл = = 2829 лм (12.23)
. Выбираем лампу ЛБ мощностью 40 Вт с Ф = 3000
лм
. Производим проверочный расчет освещенности
E = Фл·η·
Na / KsSz (12.24)
E = 3000·0,56·30/1,5·12·8·1,1 = 318 Лк (12.25)
. Общая мощность осветительной установки
= Kn·P·N (12.26)
где Kn - коэффициент учитывающий потери
пускорегулирующей аппаратуры, Kn= 1,25= 1,25·40·30 = 1500 Вт = 1,5 кВт (12.27)
Заключение
Прибор для измерения ионизирующего излучения в
основном соответствует требованиям стандартов по безопасности и экологичности,
так как используется излучение не превышающее нормативно допустимой величины
согласно НРБ 99.
Для обеспечения качественного контроля требуется
оптимальные условия для операторов в стационарных пунктах, при работе на
открытых площадках следует строго соблюдать требования радиационной
безопасности согласно НРБ-99.
Литература
1. Атамалян
Э.Г. Приборы и методы измерения электрических величин: Учеб. Пособие. - М.:
Высш. школа, 1982 г.
2. Нестеров
П.В., Шеньгин В.Ф. Микропроцессоры: Кн.1. Архитектура и проектирование
микроЭВМ. Организация вычислительных процессов. - М.: Высш. шк., 1986.
. Щелкунов
Н.Н., Дианов А.П. Микропроцессорные средства и системы. - М.: Радио и связь,
1989.
. Баранов
В.В., Бекин Н.В. Полупроводниковые БИС запоминающих устройств: Справочник. - М.:
Радио и связь, 1987.
. Коффрон
Дж., Лонг В. Расширение микропроцессорных систем. - М.: Машиностроение, 1987.
. Ананченко
В.Н., Гофман Л.А. Теория измерений: Учеб. пособие. - Ростов н/Д: Издательский
центр ДГТУ, 2003
. Методические
указания по выполнению дипломного проектирования по специальности 200101 -
Приборостроение. - Ростов н/Д: Издательский центр ДГТУ, 2006.
. Костиков
В.Г., Парфенов Е.М., Шахнов В.А. Источники электропитания электронных средств.
Схемотехника и конструирование: Учебник для вузов. - 2-е изд. - М.: Горячая
линия - Телеком, 2004.
. Справочник.
"Применение интегральных микросхем в электронной вычислительной
технике". - М.: "Радио и связь". 1987.
. Половко
А.М., Гуров С.В. «Основы теории надежности. Практикум». Издательство «БХВ -
Петербург»; г. СПб; 2006.